周视瞄准镜的初步设计 北京理工大学 光电学院小学期作业
- 格式:docx
- 大小:188.91 KB
- 文档页数:26
火炮周视瞄准镜初步设计(卢翔学号:20092488 04120902班)一、光学系统的技术要求1.光学特性:视放大率Γ=3.7×物方视场角2w=10°出瞳直径D'=4mm出瞳距离l z'≥20mm图1 2.潜望高H=185mm3.要求成正相4.光学系统要求实现俯仰瞄准范围±18°光学系统要求实现水平瞄准范围360°O25.俯仰和周视中观察位置不变6.渐晕系数K=0.5.二、设计原理1、系统综述:由于需要设计的系统是一个望远系统,并且需要放置分划镜,所以需要设计的系统是一个开普勒型的望远镜系统,由两个正光焦度的透镜作为物镜和目镜。
2、潜望高的实现:由于系统需要一定的潜望高,所以需要两个平面镜或者直角棱镜改变光轴方向,形成潜望高。
但是,由于平面镜的安装固定有一定的难度,而且平面镜每次反射会造成一定的光能损失,其反射镀膜也容易老化,脱落。
所以,在对稳定性要求很高的军用光学系统中,我们选用直角棱镜得到潜望高。
3、周视功能的实现:由于系统需要具有周视功能,所以应该有相应的棱镜系统来实现相应的功能。
在垂直方向上,要实现±18°俯仰观察,在俯仰观察时,顶部的棱镜1绕过O1垂直于主截面的转轴转动,由棱镜转动定理,此时像的方向不会发生旋转,因此两个直角棱镜就能满足俯仰观察的要求;在水平方向上,要实现360°周视观察,可以利用棱镜的转动来实现,当棱镜1在水平方向绕竖直镜筒转动时,会引起像场的旋转,所以考虑引入另一片棱镜来消除像场的旋转,考虑到道威棱镜在绕平行于侧面和底面的轴旋转时可以使像场发生旋转,可以在两个直角棱镜之间引入一个道威棱镜,由于反射次数为一,由棱镜转动定理,当道威棱镜绕平行于两底面和两侧面的轴旋转角度θ的时候,相应的像平面会绕轴发生2θ的转动。
所以,在两直角棱镜之间加上一个道威棱镜,并使道威棱镜与棱镜1的水平旋转方向相反,且大小等于棱镜1旋转角度的一半的时候,可以实现360°周视观察。
一.周視望遠鏡光學系統技術要求此外,還要求系統成正像,俯視與周視中觀察位置不變。
二.設計原理(一)系統組成原則(1)望遠系統の選擇望遠鏡根據目鏡是正透鏡還是負透鏡可分為開普勒望遠鏡和伽利略望遠鏡。
其中,採用正光焦度目鏡の望遠鏡稱為開普勒望遠鏡,視放大率為負值,可以安裝分劃板;採用負光焦度目鏡の系統稱為伽利略望遠鏡,這種系統Γ為正值,為正像,但無法安裝分劃板。
由於本次所設計火炮周視望遠鏡,在使用過程中需要用到分劃板以測量和瞄準,因此應該選用能夠安裝分劃板の開普勒望遠鏡系統,這就要求望遠鏡物鏡為正透鏡,目鏡也為正透鏡,如此一來,所得の視放大率就是一個負數,得到一個倒像。
而設計要求系統成正像,因此需要在物鏡和目鏡之間加入棱鏡或透鏡式倒像系統,是像正立。
(2)改變光軸系統の選擇由於系統要求有185mmの潛望高,因此望遠物鏡與目鏡の垂直图1高度為185mm ,需要選用平面鏡或棱鏡使光線偏轉90°,改變光軸方向。
對於平面鏡來說,一般の鍍反光膜の反射面,每次反射都有百分之十左右の光能損失,同時在安裝過程中固定平面鏡十分困難,因此選用能夠發生全反射の直角棱鏡(如圖1)來改變光軸方向。
設計の周視望遠鏡技術指標要求俯仰瞄準範圍為±18°,水準瞄準範圍為360°,即要求系統能夠上下和左右旋轉;並且在俯視和周視過程中觀察位置不變,即無論系統怎樣旋轉,其像の位置和方向都不發生變化。
當頂部直角棱鏡繞過10點垂直於主截面の軸轉動時(見圖2),其像の位置和方向不發生改變,即在俯視時能夠滿足觀察位置不變の條件。
但當頂部直角棱鏡繞垂直軸1020轉動時,其像の位置和方向將會發生改變。
根據棱鏡轉動定理及棱鏡成像性質知道,在整個系統中如果最終光軸の方向沒有發生變化,則對於主截面內の物像關係來說,若光軸在系統中反射次數為偶數時,像與物體完全相同;若光軸在系統中反射次數為奇數時,則成“鏡像”。
對於垂直與主截面の物像關係來說,其結論與在主截面內情況一樣。
火炮周视瞄准镜初步设计样本1.引言2.设计目标-提供高清晰度和广视野的画面,以便准确地观察目标;-具备自动跟踪功能,能够迅速稳定地锁定目标;-耐久可靠的结构设计,适应各种恶劣环境条件;-易于操纵和操作,并与火炮系统实现无缝连接。
3.主要组成部分-显示屏:采用高分辨率液晶(LCD)屏幕,以提供清晰的图像;-摄像头:采用高性能、高感光度的摄像头,以实现在低光条件下的观察和跟踪;-光学镜头:采用高质量的光学镜头,以提供广视野和锐度;-控制系统:包括控制台、按钮和控制软件,用于操纵和控制瞄准镜;-机械结构:采用钢材和合金材料,具有耐久性和强度,以抵抗外界影响;-电源系统:采用可充电的锂电池,以提供长时间的使用和备用电源。
4.工作原理-摄像头通过光学镜头取景,并将图像传输到显示屏上;-控制系统通过控制软件处理图像数据,并进行相应的图像增强和识别,以提高观察效果;-控制台提供相应的按钮和控制接口,以便操纵瞄准镜进行调节和操作;-自动跟踪算法分析图像数据,锁定目标并调整瞄准器的角度,以保持火炮的瞄准精度;-电源系统提供能量供应,以保证整个系统的正常运行。
基于上述设计目标和工作原理,我们提出了以下初步设计样本:-显示屏:采用8英寸高清晰度液晶屏幕,支持多角度观看和自动亮度调节功能;-摄像头:采用1/2英寸CMOS传感器,具有1000万像素和低照度拍摄能力;-光学镜头:采用10倍光学变焦镜头,提供广视野和清晰锐度;-控制系统:配备人机界面友好的控制台和蓝牙无线遥控器,支持实时图像观看和参数调节;-机械结构:采用钢材和铝合金材料,具有抗冲击和耐腐蚀能力;-电源系统:采用充电锂电池,提供至少8小时的连续使用时间。
6.总结本文介绍了一个火炮周视瞄准镜的初步设计样本,包括设计目标、主要组成部分、工作原理和初步设计样本。
这个样本提供了一个基本框架,可以作为进一步研究和开发的基础。
通过不断的改进和优化,我们相信火炮周视瞄准镜将在提高火炮射击精度和战场效能上发挥重要作用。
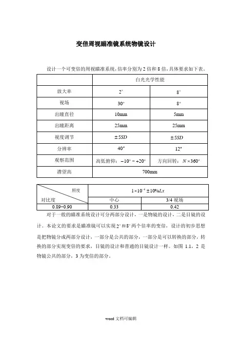
变倍周视瞄准镜系统物镜设计设计一个可变倍的周视瞄准系统,倍率分别为2倍和8倍,具体要求如下表。
对于一般的瞄准系统设计可分两部分设计,一是物镜的设计,二是目镜的设计。
本论文的要求是瞄准镜可以实现⨯2和⨯8两个倍率的变倍,设计的初步思想是把物镜分成两部分设计,一部分是公共的部分,一部分是可以转换的部分,转换的部分实现变倍的要求,目镜的设计和普通的目镜设计一样。
如图1.1,2是物镜公共的部分,3为变倍的部分。
系统设计图1、直角棱镜2、物镜3、变倍部分4、可变光阑5、别汉棱镜6、分划板7、目镜瞄准镜物镜的焦距越长可以观察到的距离越远。
对于⨯2的物镜,设定物镜的焦距为:mm f o 1001='对于⨯8的物镜,设定物镜的焦距为:mm f o 4002='则目镜的焦距为:mm f e 50='就可以实现瞄准镜的变倍。
瞄准镜是望远镜系统,望远镜系统是一类应用广泛的光学系统,物镜对无限远目标进行成像,通过目镜将图像和能量信息传递给人眼。
根据望远系统的基本关系式,得到系统相应些光学指标。
DDf f tg tg e o '-=''-='=ΓωωDK014''=α 对于⨯2的系统已知的性能指标有:ο302102=='=Γ⨯ωmm D则:mm D 20=取711='-o f D则:1401='-o f对于⨯8的系统已知的性能指标有:ο8258=='=Γ⨯ωmm D则:mm D 40= 取5.312='-o f D则:1402='-o f望远镜物镜的种类很多,有折射式、反射式和折反射式三种。
本中⨯2的视场角为30°,因此首先考虑用两个双胶合组构成的对称式物镜。
优化后的系统参数如图。
优化后的⨯2和⨯8的结构和像差分别如图。
周视瞄准镜课程设计一、课程目标知识目标:1. 学生能理解周视瞄准镜的基本概念、结构组成及其工作原理。
2. 学生能掌握周视瞄准镜在军事及民用领域的应用。
3. 学生能了解周视瞄准镜的发展历程及其在科学技术进步中的地位。
技能目标:1. 学生具备使用周视瞄准镜进行观察、测距、瞄准的能力。
2. 学生能够通过实际操作,分析并解决周视瞄准镜使用过程中遇到的问题。
3. 学生能够运用所学知识,对周视瞄准镜的未来发展趋势进行合理预测。
情感态度价值观目标:1. 培养学生对军事科技的兴趣,激发他们学习科学技术的热情。
2. 增强学生的团队合作意识,培养他们在实践操作中相互协作、共同进步的精神。
3. 培养学生热爱祖国,关注国防建设,提高他们的民族自豪感。
课程性质:本课程为军事科技知识普及课程,结合实际操作,注重培养学生的实践能力。
学生特点:五年级学生,具有一定的认知能力和动手能力,对军事科技有浓厚兴趣。
教学要求:结合学生特点,通过直观、生动的教学方式,引导学生掌握周视瞄准镜的相关知识,提高他们的实践操作能力。
在教学过程中,关注学生的情感态度价值观培养,使他们在学习知识的同时,形成正确的价值观。
二、教学内容1. 周视瞄准镜的基础知识:- 周视瞄准镜的定义、分类及发展历程- 周视瞄准镜的结构组成及工作原理- 周视瞄准镜在军事及民用领域的应用2. 周视瞄准镜的操作与使用:- 周视瞄准镜的安装、调节与保养- 观察与测距方法- 瞄准技巧及其在实战中的应用3. 周视瞄准镜实践操作:- 实操练习:使用周视瞄准镜进行观察、测距、瞄准- 问题分析与解决:针对实际操作过程中遇到的问题进行讨论与解决- 案例分析:分析周视瞄准镜在实际应用中的成功案例4. 周视瞄准镜的发展趋势与前景:- 新技术在周视瞄准镜中的应用- 周视瞄准镜在未来战争中的作用- 周视瞄准镜在民用领域的拓展教学内容安排与进度:第一课时:周视瞄准镜基础知识介绍第二课时:周视瞄准镜操作与使用方法第三课时:周视瞄准镜实践操作第四课时:周视瞄准镜发展趋势与前景教学内容与教材章节关联:本教学内容与《军事科技》教材中第四章“光电装备”相关内容紧密关联。
应用光学课程设计(小学期论文)火炮周视瞄准镜的初步设计姓名:娄树旗班级:04120901学号:20090916专业:电子科学与技术(光电子方向)火炮周视瞄准镜的初步设计摘要:火炮周视瞄准镜在战争中发挥着举足轻重的作用,不但因为其杀伤力巨大,更重要的是瞄准精度非同一般。
本文就根据已有的望远镜基本原理来对初步设计一种功能齐全的周视瞄准镜。
关键词:周视瞄准镜、瞄准精度、望远镜基本原理、功能齐全一、引言:在一战和二战期间,大炮可谓是获胜者的首要功臣,火力威猛的大炮可以在保证己方阵地不受损失的情况下给予敌方阵地以致命性的打击,但是大炮威力越大,后坐力就会越强,也就意味着每发一枚炮弹,大炮炮身就会向后撤一段距离,像德国的古斯塔夫巨炮,重达一千吨,能发射4.1吨的炮弹到27英里远的敌方阵地,这样的火炮后坐力可想而知(但由于80,因此其后坐力表现得不太明显)。
对于炮身炮身太重,且炮筒和地面的夹角几乎达到轻,炮筒与地面夹角较小的火炮,发射一枚炮弹,炮身就会向后滑行,严重时甚至会弹地而起,这样的火炮挪回原地方继续发射炮弹,完全没有精度可言,只知道敌人的大致方位,相当于是盲打。
指战员和作战员都希望自己的火炮能够准确打击敌人,而不是乱打一气,因此火炮周视瞄准镜应运而生。
二、周视瞄准镜综述:周视瞄准镜是周视望远镜的一种,是一种潜望镜式的设备,观察者可以通过它来观察周围环境,而不用直视被观察的物体。
同时,周视瞄准镜也是一种光学测角器,可以供火炮进行水平方向瞄准,它一般用于对远距离目标(大约5公里以上)的瞄准火炮攻击。
周视瞄准镜的目镜位置不动而镜头能够绕垂直轴和水平轴在水平方向和垂直方向一定的角度范围内进行观察,观察者不用动就可以明了周围的环境地形和人流物流的动向,极大地方便了侦查任务,再配上威力十足的火炮攻击系统和精准瞄准功能,“战场杀手”之名实至名归。
周视瞄准镜大量用于军事装备。
在周视瞄准镜上再增加稳像系统可组成火控瞄准系统,用于炮弹的瞄准发射。
应用光学课程设计——火炮周视瞄准镜设计学院:光电学院班级:04011609姓名:张一鸣学号:1120161069 日期:2017年9月10日目录一、火炮周视瞄准镜概述 (1)二、光学系统的技术要求 (1)1.1光学系统特性的主要参数 (1)1.2主要参数的大致说明 (2)三、光学系统的设计计算内容 (2)四、光学系统的参数总结 (11)五、光学系统的原理示意图 (12)六、工程伦理与职业道德 (12)七、环境与可持续性 (13)八、技术与社会 (13)九、法律与法规 (13)十、个人与团体 (14)十一、参考文献 (14)十二、附录 (14)棱镜转动定理 (14)一、火炮周视瞄准镜概述火炮周视瞄准镜作为一种广泛应用于军事领域的、起着重要作战作用的军用瞄准镜,可以配备于多种作战炮类武器,比如加农炮、加榴炮、火箭炮、榴弹炮等等。
它可以用于车内观察,也可以标定方向,它与高低脚装定装置一起构成独立线式火炮瞄准具。
火炮周视瞄准镜,顾名思义,具有周视性能,从而可以达到扩大观察范围,全方位观察周围情况的目的。
并且由于其自身设计的原因,我方炮兵不用改变自己的位置和方向,就可以观察到四周,并且可以精确的指示目标和瞄准射击。
因此,周视瞄准镜是一种使用的军用光学仪器。
二、光学系统的技术要求2.1光学系统特性的主要参数:视放大率: ⨯=Γ7.3物方视场角: ︒=102ω出瞳直径: mm D 4'=出瞳距离: mm l z 20'≥潜望高: mm H 185=要求成正像:光学系统要求实现:俯仰瞄准范围︒±18水平瞄准范围︒360俯仰和周视中观察位置不变渐晕系数: 5.0=K2.2主要参数的大致说明:1、视放大率3.7是角放大率,光学系统具有扩大视角的作用,同时必须保证一定的分辨角,满足仪器的精度要求。
2、视场角︒10,代表望远系统能够同时观察到的最大范围。
3、出瞳直径4mm ,应不小于人眼的瞳孔的直径(白天约2mm ,黄昏约4~5mm ,夜间可达到8mm ),从主观光亮度的要求出发,大部分军用观察瞄准仪器都要求能够在白天喝黄昏同时使用,因此取4mm 。
火炮周视瞄准镜初步设计姓名:***班号:学号:**********专业:测控技术与仪器目录一、综述 (4)二、光学系统的技术要求 (4)三、根据要求拟定光学系统的工作原理 (5)1、光学系统的基本形式 (5)2、光学系统的基本结构 (5)3、系统潜望高的形成 (5)4、俯仰和周视范围的确定 (6)5、共轴系统和棱镜系统的组合 (8)6、孔径光阑位置、物镜位置的选定 (8)四、光学系统的外形尺寸计算 (9)1、目镜的设计 (9)2、物镜的设计 (10)3、分划板的尺寸设计 (11)4、系统中光学零件的外形尺寸设计 (11)(1) 道威棱镜外形尺寸的计算 (11)(2) 物镜通光口径的计算 (14)(3) 顶端直角棱镜尺寸、保护玻璃尺寸的计算 (14)(4) 屋脊棱镜尺寸的计算 (16)(5) 目镜通光口径的计算 (17)5、验证系统参数 (17)(1)验证出瞳距离 (17)(1)验证潜望高 (18)五、设计的光学系统的参数 (18)六、系统设计图示 (19)七、参考书目 (19)附录棱镜转动定理 (20)1、目的 (20)2、棱镜转动定理 (20)3、定理证明 (22)一、 综述周视瞄准镜是一种比较特殊的潜望式瞄准镜,观察者可以通过它来观察周围环境,而不用直视被观察的物体。
射击手可以在不改变自己位置的前提下选择不同方位的瞄准点,从而避免了射击手为观察不同方位而不停转动头部引起的头晕恶心。
周视瞄准镜的目镜位置不动而镜头能够绕垂直轴在水平方向一定的角度范围内进行观察。
按观察范围划分,周视瞄准镜可以分为水平半周视和水平全周视。
其中,观察范围小于360°的为水平半周视,达到360°的为水平全周视。
在火炮上装备周视瞄准镜能使操作员更清晰方便地观察远距离目标,做出确的分析和瞄准,给予目标精确的打击。
二、光学系统的技术要求光学特性:视放大率: 3.7Γ=⨯ 物方视场角: 210ω=︒ 出瞳直径: '4D mm = 出瞳距离: '20z l mm = 潜望高: 185H mm = 要求成正像光学系统要求实现俯仰瞄准范围±18°光学系统要求实现水平瞄准范围360°俯仰和周视中观察位置不变渐晕系数0.5.3.7倍视放大率—能获得较好的观察精度4的出瞳直径—能在夜间观察时,仍能获得较好的视场潜望高为185—能使瞄准者不被对方发现,有较好的隐藏效果出瞳距离至少20—能保证该装置在军事领域的使用,保证瞄准手在佩戴防毒面具等装置后仍能使用该装置水平瞄准范围和俯仰瞄准范围分别为360°和±18°—考虑到仪器的制作和使用的需求三、根据要求拟定光学系统的工作原理1、光学系统的基本形式:望远系统;由于系统用于对远距离目标进行观察,具有较大的视角放大率,且可以安装分划板,因此它必然是一个开卜勒望远镜,要使用正光焦度的物镜和目镜。
北京理工大学820物理光学解析7本资料由理硕教育整理,理硕教育是全国唯一专注于北理工考研辅导的学校,相对于其它机构理硕教育有得天独厚的优势。
丰富的理工内部资料资源与人力资源确保每个学员都受益匪浅,确保理硕教育的学员初试通过率89%以上,复试通过率接近100%,理硕教育现开设初试专业课一对一,假期集训营,复试VIP一对一辅导,满足学员不同的需求。
因为专一所以专业,理硕教育助您圆北理之梦应用光学Applied Optics本资料由理硕教育整理,理硕教育是全国唯一专注于北理工考研辅导的学校,相对于其它机构理硕教育有得天独厚的优势。
丰富的理工内部资料资源与人力资源确保每个学员都受益匪浅,确保理硕教育的学员初试通过率89%以上,复试通过率接近100%,理硕教育现开设初试专业课一对一,假期集训营,复试VIP一对一辅导,满足学员不同的需求。
因为专一所以专业,理硕教育助您圆北理之梦应用光学讲稿绪论课程性质:专业基础课应用光学课程内容学习目的学习方法本资料由理硕教育整理,理硕教育是全国唯一专注于北理工考研辅导的学校,相对于其它机构理硕教育有得天独厚的优势。
丰富的理工内部资料资源与人力资源确保每个学员都受益匪浅,确保理硕教育的学员初试通过率89%以上,复试通过率接近100%,理硕教育现开设初试专业课一对一,假期集训营,复试VIP一对一辅导,满足学员不同的需求。
因为专一所以专业,理硕教育助您圆北理之梦应用光学讲稿常见光电仪器观察仪器:望远镜测量仪器:测距机瞄准:火炮周视瞄准镜摄像:照相机本资料由理硕教育整理,理硕教育是全国唯一专注于北理工考研辅导的学校,相对于其它机构理硕教育有得天独厚的优势。
丰富的理工内部资料资源与人力资源确保每个学员都受益匪浅,确保理硕教育的学员初试通过率89%以上,复试通过率接近100%,理硕教育现开设初试专业课一对一,假期集训营,复试VIP一对一辅导,满足学员不同的需求。
因为专一所以专业,理硕教育助您圆北理之梦应用光学讲稿望远镜本资料由理硕教育整理,理硕教育是全国唯一专注于北理工考研辅导的学校,相对于其它机构理硕教育有得天独厚的优势。
精密机械设计课程设计说明书学院:光电工程学院姓名:李志刚学号:070211410指导教师:田老师一.课程设计的目的 (3)二.设计题目 (3)三.周视瞄准镜参数 (3)1.道威棱镜 (3)2.直角棱镜 (3)3.直角屋脊棱角 (3)4、带十字丝的分划板 (4)5、目镜 (4)四.设计任务 (4)五.说明书内容 (4)1.周视瞄准镜概述 (4)2. 总体方案选择 (6)3. 主要参数的确定与计算,选材原则 (7)(1) .差动轮系 (7)(2).水平回转蜗轮蜗杆 (8)(3) .俯仰机构 (9)4. 选材原则 (10)5. 装配技术条件拟定 (10)6. 结论及改进意见 (10)7.具体要求 (11)六.设计感言 (11)七.参考资料 (12)一.课程设计的目的1.培养学生结构设计的能力,掌握仪器结构设计的特点;培养学生精度设计的能力,掌握典型仪器零件参数的选择。
2.巩固加深仪器零件课程的内容。
3.学会翻阅资料和查阅手册。
4.学会撰写技术文件的方法。
5.培养正确设计思想及严谨的科学作风。
二.设计题目:周视瞄准镜结构设计。
三.周视瞄准镜参数:1.道威棱镜:2.直角棱镜:3.直角屋脊棱角:4、带十字丝的分划板:5、目镜:四.设计任务:1.根据周视原理设计周视瞄准镜结构图。
2.绘制零件图一张。
3.结合总装图的绘制进行必要的设计计算。
a.速比的确定。
b.轮系参数计算。
c.蜗轮及蜗杆几何尺寸计算。
五.说明书内容:1.周视瞄准镜概述:在军事上为搜索目标,需要大方位观察,由于受像差限制,望远镜的视场不能太大。
所以,只能采用光学手段使望远镜的视准轴在水平面内扫描,以实现全方位观察,这种扫描也称周视。
当然,这种具有扫描功能的望远系统也可应用在某些测量仪器中。
周视望远系统可分为二种类型:目镜不动型和目镜随主镜筒一起转动型。
前者观察舒,操作方便。
后者将使操作者感到不便。
周视瞄准镜是一种性能较完善的瞄准仪器,装备于各种火炮作间接瞄准之用。
主编:白素平闫钰锋长春理工大学光电工程学院一. 实验题目1.用周视瞄准镜测量目标夹角2.用电子经纬仪测量目标方位角、高低角3.用游标卡尺测望远镜入瞳和出瞳直径,计算望远镜倍率4.用显微镜测分划线间隔距离5.光电读数系统(1) 光栅尺量程测量(2) 光栅测微传感器测量工件厚度(3) 轴角编码器测水准器灵敏度二.实验报告要求1.每个实验读数三次(321x x x 、、),求平均值3∑=ixx ,计算12-=∑n u iσ2.实验报告写明实验操作步骤、实验数据及处理结果。
实验一周视瞄准镜测试一.实验目的1.掌握周视瞄准原理2.了解周视瞄准镜的基本组成及主要特性,了解周视瞄准镜的主要光学系统的光路原理3.掌握周视瞄准镜的测试方法、读数方法二.实验设备1.58式周视瞄准镜2.测量屏幕3.标尺三.实验原理周视瞄准镜主要用于军事上搜索目标,在水平面内实现全方位观察;也可用在某些测量仪器中进行角度测量。
周视过程中目标信息经保护玻璃到直角棱镜,在垂直方向换向,经道威棱镜补偿像倾斜进入屋脊棱镜,转向进入物镜,成像在分划板上,通过目镜观察目标像。
四.仪器指标1.放大倍率:3x2.仪器精度:±1密位3.仪器最大水平扫描角度:±360。
4.仪器最大俯仰扫描角度:±18。
五.实验任务及思考问题周视原理1.自选两目标测量其到仪器所在地夹角,记录实验数据并处理结果。
2.考虑周视瞄准镜测量结果主要包括哪些误差?3.了解光学件的固定安装方法4.分析周视瞄准镜的制动、微动方法。
5.说明读数方法及细分原理实验二显微定位系统测试一.实验目的了解显微定位系统的原理及功能,分析其结构组成及各组成部分的结构特性、工作方式,了解各部分之间的装配关系。
对一固定目标进行精确测量并进行精度分析。
通过结构分析了解显微定位系统的光学成像原理,机械定位结构的特点及微动、制动机构的原理,掌握其读数系统的原理、方法。
二.实验设备1.三维、二维读数显微镜2.被测分划板3.拆装工具三.实验原理读数显微镜采用光学式定位方法,利用自然光源,由反射镜反射光进入物镜,成像到分划板上,利用分划板的刻划线与被测件的边缘对齐定位然后读数。
周视瞄准镜结构设计姓名:学号:指导老师:学院:光电工程学院专业:测控技术与仪器2016年7月11日一、课程设计的目的1.掌握仪器结构设计特点及仪器零件参数的选择;培养结构设计的能力。
2.巩固加深仪器零件课程的基本内容。
3.学会查阅资料和查阅手册。
4.学会撰写技术文件的方法。
二、设计题目周视瞄准镜结构设计。
三、工作原理1.周视瞄准镜结构图及其结构原理:周瞄准镜的主要结构包括有镜身部分、俯仰机构、方向机构及齿轮差动机构等。
见图1所示。
图1 周视瞄准镜结构图1-下部 2-上部 3-镜头本体 4-旋转蜗轮筒 5-旋转蜗杆 6-上圆锥齿轮 7-下圆锥齿轮8-行星轮 9-旋转手轮 10-棱镜筒 11-目镜外筒 12-目镜筒 13-棱镜托架 14-道威棱镜筒 15-直角棱镜 16-俯仰蜗杆 17-俯仰蜗轮 18-俯仰手轮 19-道威棱镜 20-刻度筒镜身部分分为镜头、上镜体及下镜体。
它承载全部光学零件。
镜头装有保护玻璃和直角棱镜,上镜体无光学零件。
下镜头则承载有梯形棱镜、物镜、屋脊棱镜和目镜部分。
(1)周视瞄准镜中的俯仰机构,见图2所示。
图2 俯仰机构图2所示俯仰机构位于镜头部分。
采用蜗杆蜗轮传动,用来实现对目标的高低瞄准和测量高低角。
它由齿弧2、蜗杆1、直角棱镜筒3组成。
偏心套筒12用来消除啮合间隙。
蜗轮与直角棱镜筒连接固定在一起,蜗杆由下向上插入偏心套筒内,上端通过销钉等零件与高低分划手轮相联接。
转动高低分划手轮13时,蜗杆1带动齿弧2和直角棱镜筒3,使直角棱镜绕水平轴线转动,进行高低瞄准,并由高低分划圈上读出高低角。
(2)周视瞄准镜中的解脱机构。
解脱机构位于上镜体部分,采用蜗杆蜗轮传动,利用偏心机构进行方向解脱。
见图3所示,与实物略有不同。
图3 解脱机构解脱机构原理:在未解脱状态,蜗秆靠偏心套筒和扭簧的作用与蜗轮紧密啮合。
转动磁辅助分划手轮时,由子蜗轮固定不动,蜗杆一方面绕自身轴线转动.同时又带动方向盘本体部分,以垂直轴为中心,绕蜗轮回转,进行方向瞄准,并可读出磁方位角和方位角的分划值。
目录火炮周视瞄准镜综述光学系统的技术要求拟定光学系统的工作原理光学系统的外形尺寸计算目镜与物镜基本光学参数计算道威棱镜尺寸计算道威棱镜渐晕计算端部棱镜及保护玻璃尺寸计算计算物镜口径底部直角棱镜与分划板尺寸计算目镜尺寸的计算验证出瞳距离和潜望高光学系统的原理图误差分析道威棱镜的渐晕的另一种算法设计方案的误差分析附录:棱镜转动定理参考文献1 1 23 34 45678 910 11 12 13一:火炮周视瞄准镜综述周视瞄准镜是周视望远镜的一种,它的目镜位置不动而镜头能够绕垂直轴在水平方向一定的角度范围内进行观察。
对于周视瞄准镜,常见的一般利用上直角棱镜绕垂直轴作转动时,道威棱镜绕其自身光轴按一定关系互相配合互相转动角,可实现水平周视。
另外,上直角棱镜能绕水平轴俯仰,实现俯仰观察。
但也有少部分采用立方棱镜绕垂直轴转动实现水平周视或者一些光学元件组合实现。
按观察范围划分,周视瞄准镜可以分为水平半周视和水平全周视。
其中,观察范围小于 360的为水平半周视,达到 360的为水平全周视。
有周视性能的瞄准镜,可以扩大观察范围,同时,俯仰时目镜不动,方便观察者不用改变自己的位置和方向,观察到四周的景物。
火炮周视瞄准镜是配备最多种火炮的一种瞄准镜,他用于火炮的种类有加农炮、榴弹炮、加榴炮和火箭炮。
它是观察和为火炮标定方向用的(必要时也用于直瞄),它与高低角装定装置一起构成独立线式火炮瞄准具。
它的放大率7.3倍,视界10度,出瞳距离20毫米(带防毒面具用),这个镜子最有意思的是眼睛位置不动,转动转螺可观察 360度。
因为它有特殊的光学结构。
它赋予了车长精确指示目标和超越射击的能力。
二:光学系统的技术要求 1.光学特性:视放大率 ⨯=Γ7.3 物方视场角 102=ω 出瞳直径 mm D 4'= 出瞳距离 mm l z 20'≥ 2.潜望高 mm H 185= 3.要求成正相4.光学系统要求实现俯仰瞄准范围 18± 光学系统要求实现水平瞄准范围 3605.俯仰和周视中观察位置不变6.渐晕系数5.0=K .1三:拟定光学系统的工作原理光学系统基本形式:望远系统与棱镜系统的组合光学系统基本结构:由于所设计的周视瞄准镜为军用,故相比一般瞄准镜,它的成像系统有所不同。
稳瞄惯导周视观瞄镜的设计
陈文建;梁庆仟;蒋萧村
【期刊名称】《应用光学》
【年(卷),期】2007(28)5
【摘要】介绍一种中精度、低成本周视观瞄镜的设计方法,其特点是用一个机械陀螺同时实现稳瞄和惯导2项功能.利用陀螺罗经原理,使机械陀螺的敏感轴快速收敛于子午面和水平面的交线上,并借助陀螺定轴性和2自由度环架,使陀螺隔离运动载体的扰动;通过环架上的光电传感器测出运动载体的姿态角,使观瞄镜的瞄准线随动于陀螺的敏感轴,实现间接稳定.在瞄准过程中,瞄准线的调转指令以随动修正量的形式加入,通过姿态矩阵的解算,可获得运动载体扰动量沿稳瞄坐标轴方向的投影,即瞄准线随动陀螺轴的输入量.最后综合运动载体的姿态和里程计信息,可以实现导航功能.
【总页数】5页(P573-577)
【作者】陈文建;梁庆仟;蒋萧村
【作者单位】西安应用光学研究所,陕西,西安,710065;西安应用光学研究所,陕西,西安,710065;西安应用光学研究所,陕西,西安,710065
【正文语种】中文
【中图分类】TN942.2;TH745.4
【相关文献】
1.坦克装甲车辆升降式周视稳定观瞄镜的设计与实现 [J], 范华春;杨红江;苏波
2.车长周视指挥镜及激光压制观瞄装置在故障诊断方面的应用研究 [J], 李英顺;赵玉鑫;陶加云
3.电视观瞄/可见光直视观瞄光学系统设计 [J], 陈姣;腾国奇;胡博;王凌;张博;张俊
4.周视光电观瞄设备动密封的摩擦力矩分析 [J], 李晓航;郭新胜;朱红;党力;牛静;胥圆圆;李红光
5.车载周视观瞄平台异轴同步及任意距离修正问题分析及程序实现 [J], 曹晖;彭富伦;王虎;梁红军;徐姣杰;严宁
因版权原因,仅展示原文概要,查看原文内容请购买。
火炮周视瞄准镜初步设计姓名:***班号:04111202学号:**********专业:测控技术与仪器目录一、综述 (4)二、光学系统的技术要求 (4)三、根据要求拟定光学系统的工作原理 (5)1、光学系统的基本形式 (5)2、光学系统的基本结构 (5)3、系统潜望高的形成 (5)4、俯仰和周视范围的确定 (6)5、共轴系统和棱镜系统的组合 (8)6、孔径光阑位置、物镜位置的选定 (8)四、光学系统的外形尺寸计算 (9)1、目镜的设计 (9)2、物镜的设计 (10)3、分划板的尺寸设计 (11)4、系统中光学零件的外形尺寸设计 (11)(1) 道威棱镜外形尺寸的计算 (11)(2) 物镜通光口径的计算 (14)(3) 顶端直角棱镜尺寸、保护玻璃尺寸的计算 (14)(4) 屋脊棱镜尺寸的计算 (16)(5) 目镜通光口径的计算 (17)5、验证系统参数 (17)(1)验证出瞳距离 (17)(1)验证潜望高 (18)五、设计的光学系统的参数 (18)六、系统设计图示 (19)七、参考书目 (19)附录棱镜转动定理 (20)1、目的 (20)2、棱镜转动定理 (20)3、定理证明 (22)一、 综述周视瞄准镜是一种比较特殊的潜望式瞄准镜,观察者可以通过它来观察周围环境,而不用直视被观察的物体。
射击手可以在不改变自己位置的前提下选择不同方位的瞄准点,从而避免了射击手为观察不同方位而不停转动头部引起的头晕恶心。
周视瞄准镜的目镜位置不动而镜头能够绕垂直轴在水平方向一定的角度范围内进行观察。
按观察范围划分,周视瞄准镜可以分为水平半周视和水平全周视。
其中,观察范围小于360°的为水平半周视,达到360°的为水平全周视。
在火炮上装备周视瞄准镜能使操作员更清晰方便地观察远距离目标,做出确的分析和瞄准,给予目标精确的打击。
二、光学系统的技术要求光学特性:视放大率: 3.7Γ=⨯ 物方视场角: 210ω=︒ 出瞳直径: '4D mm = 出瞳距离: '20z l mm = 潜望高: 185H mm = 要求成正像光学系统要求实现俯仰瞄准范围±18°光学系统要求实现水平瞄准范围360°俯仰和周视中观察位置不变渐晕系数K=0.5.3.7倍视放大率—能获得较好的观察精度4mm的出瞳直径—能在夜间观察时,仍能获得较好的视场潜望高为185mm—能使瞄准者不被对方发现,有较好的隐藏效果出瞳距离至少20mm—能保证该装置在军事领域的使用,保证瞄准手在佩戴防毒面具等装置后仍能使用该装置水平瞄准范围和俯仰瞄准范围分别为360°和±18°—考虑到仪器的制作和使用的需求三、根据要求拟定光学系统的工作原理1、光学系统的基本形式:望远系统;由于系统用于对远距离目标进行观察,具有较大的视角放大率,且可以安装分划板,因此它必然是一个开卜勒望远镜,要使用正光焦度的物镜和目镜。
2、光学系统的基本结构:物镜、目镜、分划板、保护玻璃保护玻璃可以对系统起到密封的作用,分化板上刻线后可以进行测量和读数物镜和目镜的选择需保证像差小,分辨率高3、系统潜望高的形成由于系统要求有一定的潜望高度,所以可以采用两个使光轴改变90°的棱镜或平面镜,但平面镜的安装、固定十分困难,而且所镀的反光膜易变质、脱落,还会在反射时造成百分之十左右的光能损失,所以用平面镜进行反射并不理想,而棱镜则可以克服这些缺点,所以采用两个使光轴改变90°的棱镜形成潜望高。
考虑到系统的简单易携性,两个棱镜都选用直角棱镜。
这样既可以克服较大的光能损失,又便于安装。
因此,系统将采用两块直角棱镜。
4、俯仰和周视范围的确定。
为了在水平面和垂直面内改变光轴的方向,可以在光轴上端O1点的位置安置一个直角棱镜,使之绕水平和垂直轴转动。
当棱镜绕经过O1点垂直于主截面的水平轴转动时,像的方向不会发生旋转。
但当棱镜绕O1O2轴转动时,如果物平面相对主截面不动,像平面亦将随之转动。
我们要求像平面不转,必须使像面产生个相反方向的转动。
由于要求出射光轴的方向不变,系统下端使光轴改变90°的棱镜显然不能转动。
这样就必须加入一个棱镜,利用它的旋转来补偿像平面的转动,而不使光轴的方向改变。
根据前面的规则,在光轴同向的情形,欲利用棱镜的旋转使像面转动,反射次数应为奇数。
因此必须在系统中加入下列性能的棱镜:0°-1; 0°-3; 0°-5下图为可以采用的组合:顶端的直角棱镜与转像棱镜的反射次数之和为偶数。
系统要求物和像反向,并且整个系统的入射和出射光轴同向,因此下端反射棱镜在同一主截面内的反射次数应为奇数。
故可采用一个90°-1的直角棱镜,但成“镜像”。
为了使物和像相似,必须把上下两个棱镜中的一个反射面改为屋脊面(屋脊面不能加在转像棱镜上,因为这样会使转像棱镜的反射次数变为偶数,则棱镜转动时,像不转)。
例如,将下端的直角棱镜用直角屋脊棱镜90°∧2代替。
考虑系统的轻便性,选择了道威棱镜。
道威棱镜的入射面和光轴不垂直,必须在平行光束中,它可能的位置有两个,一个是在物镜的前面,另一个是在两个转像透镜组之间。
由于道威棱镜需工作在平行光路中,所以在道威棱镜前不能放物镜。
故道威棱镜应放在物镜的前面。
当棱镜1和2一起转动时,如果物空间坐标跟着转,即物相对棱镜截面不动,像面将和棱镜同时转动。
当棱镜2单独转动时,像平面的转角等于棱镜转角的二倍。
因此,棱镜1和2同时转动α,然后把棱镜2按相反方向转α/2,即可补偿像的旋转。
换句话说,棱镜2的转角应为棱镜1的转角的一半。
5、共轴系统和棱镜系统的组合为了便于观察和瞄准,要求系统应成正像,可以考虑加入倒像系统。
由于系统要求有一定的潜望高度,所以可以考虑必须加入透镜式倒像系统,为了减小光学零件的口径也可以考虑加入场镜。
因此共轴系统中可以包括包括物镜,目镜,一对倒像透镜,场镜。
但是限于设计的简便性,本装置中我们不考虑。
6、孔径光阑位置、物镜位置的选定由于端部直角棱镜要俯仰,所以共轴系统和棱镜系统的组合必须在共轴系统物镜前面的平行光束中,另外道威棱镜的入射面和光轴不垂直,也必须在平行光束中,它可能的位置有两个,一个是在物镜的前面,另一个是在两个转像透镜组之间,由于道威棱镜在相同的通光口径下尺寸比其它光学零件大得多,因此应把孔径光阑选在道威棱镜上,另外,要尽可能的减小两个棱镜的通光口径,最好使斜光束的主光线通过棱镜中心,也通过道威棱镜中心,由于道威棱镜需工作在平行光路中,所以在道威棱镜前不能放物镜,如果两个棱镜都在物镜的前面,主光线当然不能同时通过这两个棱镜的中心,并考虑到物镜和目镜的焦距,和分化版的位置,整个光学系统,物镜应位于底端屋脊棱镜与道威棱镜之间。
四、光学系统的外形尺寸计算1、目镜的设计(1)目镜的光学特性包括:1)视场角大,这是其显著特点,通常的目镜都在40°左右,广角目镜在60°左右,特广角目镜甚至超过100°2)相对孔径小,一般小于1:5;3)焦距较短,一般在15-30㎜左右4)入瞳和出瞳远离透镜组,这就意味着轴外光束在透镜组上的投射高很大,目镜尺寸会增加。
(2)目镜的结构型式,及有关特性参数目镜的视场为tgω'=Γ×tgω根据系统光学特性的要求。
将Γ=3.7×,物方视场角2ω=10° ,代入上式,得目镜的视场角为tgω'==Γ×tgω=3.7×tg5°=0.324ω'=17.94° 2ω'=35.88°因为出瞳距离l’z 要不小于20mm ,所以应该选一个长出瞳距离的目镜,同时考虑到是瞄准仪器,所以选用对称目镜较为合适。
对称目镜结构简单,加工方便,相对出瞳距离较大,在军用仪器中广泛使用。
对称目镜由两个双胶合透镜构成,光学特性为:目镜视场角为 2ω'=65°—72°相对出瞳距离为目’’f z l ≈3/4由相对出瞳距离和系统所要求的出瞳距离l’z,即可求的其大致的焦距l’z≥20mm,l’z =目’’f z l ×f’目≥20mm 故 f’目≥27mm。
在这里取 f ’目=30mm 。
2、物镜的设计(1)物镜的光学特性:1)相对孔径小,一般小于1:5;2)视场较小,通常望远镜的视场都不大于10°.(2)物镜的结构型式,及有关特性参数取倒像系统的放大率等于-1,据公式 Γ= -目物''f f 将 Γ=-3.7,f’目=30mm代入公式得: f’物=111mm(3)入瞳直径(入射光束口径)和相对孔径据公式 Γ='D D 其中 D’=4mm ,Γ=3.7得入瞳直径为: D=3.7×4=14.8mm物镜相对口径:物'f D =14.8111=0.133 根据物镜焦距和相对孔径的要求,可以采用双胶合透镜组作为系统的物镜。
3、分划板的尺寸设计由无穷远物体理想像高的计算公式有 分划板半径d=y ’=- f’物×tgω=9.71 mm分划板直径 D=19.42mm4、系统中光学零件的外形尺寸设计为了最大程度的减小两个棱镜的尺寸,要求斜光束的主光线同时通过端部棱镜和道威棱镜的中点,借此确定了系统中成像的斜光束的位置,就可以计算出每个光学零件的通光口径。
取道威棱镜与直角屋脊棱镜的通光口径都等于轴向光束的口径,把入射和出射主光线和光轴的交点,作为入瞳和出瞳的位置,把系统中主光线和光轴的交点,即道威棱镜的中点,作为名义孔径光阑。
(1)道威棱镜外形尺寸的计算 取 D=3.7×4=14.8mmADB C假定光束的入射角为I=45°玻璃的折射率为nsinI’cosI’ =故D=EBsin45°=AB-AE=sin'(1)cos'IaI-易得=对于9K玻璃,代入得D=0.334a 取n=1.5136a=334.0D=44.31mm。
2d =44.31×1.414=62.66其中a为道威棱镜展开成玻璃板后,沿光轴方向的斜高度。
在轴向光束情况下将玻璃板换算成相当空气层Ea=Kna由于光轴与道威棱镜表面的入射角为45°,查的K=0.8,将参数代入公得其相对空气层厚为Ea=44.31×5136.18.0=23.42mm。
在斜光束情况下,计算如下:如图:仪器光学特性要求渐晕系数k=0.5,为此需验证由道威棱镜产生的渐晕,如下图所示:当光线以-5°视场角入射时存在渐晕,图中画出了斜入射光束范围Dw 。