小模数齿轮规格表
- 格式:doc
- 大小:169.00 KB
- 文档页数:2
告诉你一简单的:齿轮的直径计算方法:齿顶圆直径=(齿数+2)*模数分度圆直径=齿数*模数齿根圆直径=齿顶圆直径-(4.5×模数)比如:M4 32齿34*3.5齿顶圆直径=(32+2)*4=136mm分度圆直径=32*4=128mm齿根圆直径=136-4.5*4=118mm7M 12齿中心距D=(分度圆直径1+分度圆直径2)/2就是(12+2)*7=98mm这种计算方法针对所有的模数齿轮(不包括变位齿轮)。
模数表示齿轮牙的大小。
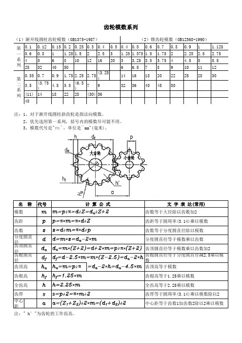
齿轮模数=分度圆直径÷齿数=齿轮外径÷(齿数-2)齿轮模数是有国家标准的(GB1357-78)模数标准系列(优先选用)1、1.25、1.5、2、2.5、3、4、5、6、8、10、12、14、16、20、25、32、40、50 模数标准系列(可以选用)1.75,2.25,2.75,3.5,4.5,5.5,7,9,14,18,22,28,36,45模数标准系列(尽可能不用)3.25,3.75,6.5,11,30上面数值以外为非标准齿轮,不要采用!塑胶齿轮注塑后要不要入水除应力精确测定斜齿轮螺旋角的新方法Circular Pitch (CP)周节齿轮分度圆直径d的大小可以用模数(m)、径节(DP)或周节(CP)与齿数(z)表示径节P(DP)是指按齿轮分度圆直径(以英寸计算)每英寸上所占有的齿数而言径节与模数有这样的关系: m=25.4/DPCP1/8模=25.4/DP8=3.175 3.175/3.1416(π)=1.0106模1) 什么是「模数」?模数表示轮齿的大小。
R模数是分度圆齿距与圆周率(π)之比,单位为毫米(mm)。
除模数外,表示轮齿大小的还有CP(周节:Circular pitch)与DP(径节:Diametral pitch)。
【参考】齿距是相邻两齿上相当点间的分度圆弧长。
2) 什么是「分度圆直径」?分度圆直径是齿轮的基准直径。
决定齿轮大小的两大要素是模数和齿数、分度圆直径等于齿数与模数(端面)的乘积。
齿轮模数标准值表
锥齿轮模数标准值表
1、定义
锥齿轮模数是指锥齿轮内径和外径和锥角数两种参数所确定的一个叫做模数的物理参数,用以表示锥齿轮尺寸大小。
2、常用模数定义表
模数 D最小值 D最大值型号
8 16.00 18.50 O
10 19.10 21.60 A
12 22.70 25.25 B
14 26.35 28.90 C
16 29.95 32.50 D
18 33.55 36.10 E
20 37.15 39.70 F
24 44.45 47.05 G
25 47.10 49.60 H
30 55.80 58.30 J
32 59.50 62.00 K
3、实例计算
运用锥齿轮模数标准值表,假如一个锥齿轮的外径为32mm,则根据参数定义表,求出此锥齿轮的模数及对应型号为K。
4、模数及型号选择
要选择最适合自己产品需用的锥齿轮型号,在模数范围内一般采用如下几种方法:
5、模数及型号选择的危害
6、使用锥齿轮模数标准值表时的注意事项。
创作编号:BG7531400019813488897SX
创作者:别如克*
齿轮的直径计算方法:
齿顶圆直径=(齿数+2)*模数
分度圆直径=齿数*模数
齿根圆直径=齿顶圆直径-4.5模数
比如:M4 32齿
齿顶圆直径=(32+2)*4=136mm
分度圆直径=32*4=128mm
齿根圆直径=136-4.5*4=118mm
7M 12齿
就是
(12+2)*7=98mm
这种计算方法针对所有的模数齿轮(不包括变位齿轮)。
模数表示齿轮牙的大小。
齿轮模数=分度圆直径÷齿数
=齿轮外径÷(齿数-2)
齿轮模数是有国家标准的(GB1357-78)
模数标准系列(优先选用)1、1.25、1.5、2、2.5、3、4、5、6、8、10、12、14、16、20、25、32、40、50
模数标准系列(可以选用)1.75,2.25,2.75,3.5,4.5,
5.5,7,9,14,18,22,28,36,45
模数标准系列(尽可能不用)3.25,3.75,6.5,11,30 上面数值以外为非标准齿轮,不要采用!
创作编号:BG7531400019813488897SX
创作者:别如克*。
*作品编号:DG13485201600078972981*
创作者:玫霸*
齿轮的直径计算方法:
齿顶圆直径=(齿数+2)*模数
分度圆直径=齿数*模数
齿根圆直径=齿顶圆直径-4.5模数
比如:M4 32齿
齿顶圆直径=(32+2)*4=136mm
分度圆直径=32*4=128mm
齿根圆直径=136-4.5*4=118mm
7M 12齿
就是
(12+2)*7=98mm
这种计算方法针对所有的模数齿轮(不包括变位齿轮)。
模数表示齿轮牙的大小。
齿轮模数=分度圆直径÷齿数
=齿轮外径÷(齿数-2)
齿轮模数是有国家标准的(GB1357-78)模数标准系列(优先选用)1、1.25、1.5、2、2.5、3、4、
5、6、8、10、12、14、16、20、25、32、40、50
模数标准系列(可以选用)1.75,2.25,2.75,3.5,4.5,
5.5,7,9,14,18,22,28,36,45
模数标准系列(尽可能不用)3.25,3.75,6.5,11,30 上面数值以外为非标准齿轮,不要采用!
作品编号:DG13485201600078972981
创作者:玫霸*。
*作品编号:DG13485201600078972981*
创作者:玫霸*
齿轮的直径计算方法:
齿顶圆直径=(齿数+2)*模数
分度圆直径=齿数*模数
齿根圆直径=齿顶圆直径-4.5模数
比如:M4 32齿
齿顶圆直径=(32+2)*4=136mm
分度圆直径=32*4=128mm
齿根圆直径=136-4.5*4=118mm
7M 12齿
就是
(12+2)*7=98mm
这种计算方法针对所有的模数齿轮(不包括变位齿轮)。
模数表示齿轮牙的大小。
齿轮模数=分度圆直径÷齿数
=齿轮外径÷(齿数-2)
齿轮模数是有国家标准的(GB1357-78)模数标准系列(优先选用)1、1.25、1.5、2、2.5、3、4、
5、6、8、10、12、14、16、20、25、32、40、50
模数标准系列(可以选用)1.75,2.25,2.75,3.5,4.5,
5.5,7,9,14,18,22,28,36,45
模数标准系列(尽可能不用)3.25,3.75,6.5,11,30 上面数值以外为非标准齿轮,不要采用!
作品编号:DG13485201600078972981
创作者:玫霸*。
*作品编号:DG13485201600078972981*
创作者:玫霸*
齿轮的直径计算方法:
齿顶圆直径=(齿数+2)*模数
分度圆直径=齿数*模数
齿根圆直径=齿顶圆直径-4.5模数
比如:M4 32齿
齿顶圆直径=(32+2)*4=136mm
分度圆直径=32*4=128mm
齿根圆直径=136-4.5*4=118mm
7M 12齿
就是
(12+2)*7=98mm
这种计算方法针对所有的模数齿轮(不包括变位齿轮)。
模数表示齿轮牙的大小。
齿轮模数=分度圆直径÷齿数
=齿轮外径÷(齿数-2)
齿轮模数是有国家标准的(GB1357-78)模数标准系列(优先选用)1、1.25、1.5、2、2.5、3、4、
5、6、8、10、12、14、16、20、25、32、40、50
模数标准系列(可以选用)1.75,2.25,2.75,3.5,4.5,
5.5,7,9,14,18,22,28,36,45
模数标准系列(尽可能不用)3.25,3.75,6.5,11,30 上面数值以外为非标准齿轮,不要采用!
作品编号:DG13485201600078972981
创作者:玫霸*。
标准齿轮齿数规格表齿轮是机械传动中常用的零部件,其齿数规格对于齿轮的传动比、传动效率和传动平稳性等方面具有重要影响。
因此,了解和掌握标准齿轮齿数规格表对于机械设计和制造具有重要意义。
1. 直齿圆柱齿轮。
直齿圆柱齿轮是最常见的齿轮类型之一,其齿数规格表如下:模数 m 齿数 z。
1 12 13 14 15 16 17 18 19 20。
1.25 15 16 17 18 19 20 21 22 23 24。
1.5 18 19 20 21 22 23 24 25 26 27。
1.75 21 22 23 24 25 26 27 28 29 30。
2 24 25 26 27 28 29 30 31 32 34。
2.5 30 31 32 34 35 36 38 39 40 42。
3 36 37 38 40 41 42 44 45 46 48。
3.5 42 43 44 46 47 48 50 51 52 54。
4 48 49 50 52 53 54 56 57 58 60。
2. 锥齿轮。
锥齿轮是一种常用的传动元件,其齿数规格表如下:模数 m 齿数 z。
1.25 15 16 17 18 19 20 21 22 23 24。
1.5 18 19 20 21 22 23 24 25 26 27。
1.75 21 22 23 24 25 26 27 28 29 30。
2 24 25 26 27 28 29 30 31 32 34。
2.5 30 31 32 34 35 36 38 39 40 42。
3 36 37 38 40 41 42 44 45 46 48。
3.5 42 43 44 46 47 48 50 51 52 54。
4 48 49 50 52 53 54 56 57 58 60。
3. 细齿圆柱齿轮。
细齿圆柱齿轮常用于高速、高精度传动系统中,其齿数规格表如下:模数 m 齿数 z。
0.5 12 13 14 15 16 17 18 19 20。
齿轮模数表-模数表齿轮模数表模数表在机械传动领域,齿轮是一种极为重要的零部件,而齿轮的模数则是决定齿轮尺寸和性能的关键参数之一。
为了更好地理解和应用齿轮模数,我们有必要深入了解一下齿轮模数表。
齿轮模数,简单来说,就是齿距与圆周率π的比值。
它反映了齿轮的大小和齿的厚薄程度。
模数越大,齿轮的尺寸越大,承载能力也越强;反之,模数越小,齿轮尺寸越小,适合于传递较小的扭矩。
齿轮模数通常采用一系列标准值,这就是我们所说的齿轮模数表。
常见的标准模数有01、012、015、02、025、03、04、05、06、08、1、125、15、2、25、3、4、5、6、8、10、12、16、20 等等。
这些标准模数的制定,是经过长期的实践和研究得出的,旨在满足不同应用场景下对齿轮性能和尺寸的要求。
在实际的机械设计中,选择合适的齿轮模数是至关重要的。
首先,需要考虑传递的扭矩大小。
如果扭矩较大,就需要选择较大的模数,以确保齿轮有足够的强度和刚度来承受负载。
其次,要考虑空间限制。
在空间有限的情况下,可能需要选择较小的模数来减小齿轮的尺寸。
此外,还需要考虑传动比、精度要求、制造工艺等因素。
例如,在汽车变速器中,由于需要传递较大的扭矩,通常会选择较大的模数;而在一些精密仪器中,由于对空间和精度要求较高,可能会选择较小的模数。
齿轮模数表的使用可以帮助工程师快速准确地选择合适的模数。
通过查阅模数表,结合具体的设计要求,可以在众多标准模数中找到最适合的那一个,从而提高设计效率,保证设计质量。
不同国家和地区可能会有略微不同的齿轮模数标准,但总体上是相似的。
国际标准化组织(ISO)制定了一系列的齿轮标准,其中也包括了模数的标准。
在全球化的今天,遵循国际标准有助于实现机械产品的通用性和互换性,促进国际贸易和技术交流。
在制造齿轮时,模数的精度也非常重要。
高精度的模数可以保证齿轮的啮合精度和传动平稳性。
制造过程中,通常会采用先进的加工设备和测量手段来确保模数的精度符合要求。
齿轮的直径计算方法:
齿顶圆直径=(齿数+2)*模数
分度圆直径=齿数*模数
齿根圆直径=齿顶圆直径-4.5模数
比如:M4 32齿
齿顶圆直径=(32+2)*4=136mm
分度圆直径=32*4=128mm
齿根圆直径=136-4.5*4=118mm
7M 12齿
就是
(12+2)*7=98mm
这种计算方法针对所有的模数齿轮(不包括变位齿轮)。
模数表示齿轮牙的大小。
齿轮模数=分度圆直径÷齿数
=齿轮外径÷(齿数-2)
齿轮模数是有国家标准的(GB1357-78)
模数标准系列(优先选用)1、1.25、1.5、2、2.5、3、4、5、6、
8、10、12、14、16、20、25、32、40、50
模数标准系列(可以选用)1.75,2.25,2.75,3.5,4.5,5.5,7,9,14,18,22,28,36,45
模数标准系列(尽可能不用)3.25,3.75,6.5,11,30 上面数值以外为非标准齿轮,不要采用!
友情提示:本资料代表个人观点,如有帮助请下载,谢谢您的浏览!。