液晶驱动芯片BU9793
- 格式:pdf
- 大小:5.00 MB
- 文档页数:29
LCD Segment DriversStandardSegment DriverBU97950FUV 280Segment(35SEG×8COM)●Features1) LCD driving port : 8 Common output, 35 Segment output2) Integrated RAM for display data (DDRAM) : 35 × 8bit (Max 280 Segment) 3) 2wire serial interface (SCL, SDA) 4) Integrated Oscillation circuit5) Integrated Power supply circuit for LCD driving 1/4 Bias 1/8 Duty Integrated Buffer AMP 6) No external components7) Low power consumption design8) Integrated Electrical volume register (EVR) function 9) Operation power supply: 2.5~5.5V10) Power supply for LCD driving: 2.5~5.5V●ApplicationsTelephone, FAX, Portable equipments (POS, ECR, PDA etc.),DSC, DVC, Car audio, Home electrical appliance, Meter equipment etc.●Absolute Maximum Ratings (VSS=0V)ParameterSymbol Ratings Unit RemarksPower Supply Voltage1 VDD -0.5 ~ +7.0 V Power supply Power Supply Voltage2 VLCD -0.5 ~ +7.0 V LCD drive voltageAllowable loss Pd 0.75 W When use more than Ta=25 ºC, subtract 7.5mW per degree. (Package only) Input voltage range VIN -0.5 ~ VDD+0.5 V Operational temperature rangeTopr -40 ~ +85 ºC Storage temperature rangeTstg-55 ~ +125ºC*1 This product is not designed against radioactive ray.●Recommend operating conditions (Ta=-40~85ºC, VSS=0V)LimitsParameter SymbolMIN TYPMAX Unit RemarksPower Supply Voltage1 VDD 2.5 - 5.5 V Power supplyPower Supply Voltage2 VLCD2.5-5.5VLCD drive voltageNo.10044EAY08●Electrical characteristicsDC Characteristics (VDD=2.5~5.5V, VLCD=2.5~5.5V, VSS=0V, Ta=-40~85 ºC, unless otherwise specified)LimitsParameter SymbolMIN TYP MAXUnit Conditions “H” level input voltage VIH 0.7VDD - VDD V SDA,SCL“L” level input voltage VIL VSS - 0.3VDD V SDA,SCL“H” level input current IIH - - 1 µA SDA,SCL“L” level input current IIL -1 - - µA SDA,SCLSEG RON - 3.5 - kΩLCD Driver onresistance COM RON - 3.5 - kΩIload=±10µA Standby current Ist - - 5 µA Display off, Oscillation offPower consumption 1 IDD - 2.5 15 µA VDD=3.3V, VLCD=5V, Ta=25 ºC Power save mode1, FR=80Hz 1/4 bias, Frame inversePower consumption 2 ILCD - 10 20 µA VDD=3.3V, VLCD=5V, Ta=25 ºC Power save mode1, FR=80Hz 1/4 bias, Frame inverseOscillation Characteristics (VDD=2.5~5.5V, VLCD=2.5~5.5V, VSS=0V, Ta=-40~85 ºC, unless otherwise specified)LimitsParameter SymbolMIN TYP MAXUnit ConditionsFrame frequency fCLK 56 80 104 Hz FR = 80Hz setting, VDD=3.3VMPU interface Characteristics (VDD=2.5~5.5V, VLCD=2.5~5.5V, VSS=0V, Ta=-40~85 ºC, unless otherwise specified)LimitsParameter SymbolMIN TYP MAXUnit ConditionsInput rise time tr - - 0.3 µsInput fall time tf - - 0.3 µsSCL cycle time tSCYC 2.5 - - µs“H” SCL pulse width tSHW 0.6 - - µs“L” SCL pulse width tSLW 1.3 - - µsSDA setup time tSDS 200 - - nsSDA hold time tSDH 0 - - nsBuss free time tBUF 1.3 - - µsSTART condition hold time tHD;STA 0.6 - - µsSTART condition setup time tSU;STA 0.6 - - µsSTOP condition setup time tSU;STO 0.6 - - µsFig.12-wire interface timing●Block Diagram ●Pin ArrangementFig.2 block diagram Fig.3 Pin arrangement●Terminal descriptionTerminal Terminal No.I/O FunctionSDA 48 I/O serial data input SCL 47 I serial data transfer clock VSS 3 I GND VDD 1 I Power supplyVLCD 2 I Power supply for LCD drivingSEG0-35 4-24 33-46 O SEGMENT output for LCD driving COM0-725-32OCOMMON output for LCD drivingSDA SCL S D AS C LS E G 21S E G 22S E G 23S E G 24S E G 25S E G 26S E G 27S E G 28S E G 29S E G 30S E G 31S E G 32S E G 33S E G 34C O M 0C O M 1C O M 2C O M 3C O M 4C O M 5C O M 6C O M 7V D DV L C DV S SS E G 20S E G 19S E G 18S E G 17S E G 16S E G 15S E G 14S E G 13S E G 12S E G 11S E G 10S E G 9S E G 8S E G 7S E G 6S E G 5S E G 4S E G 3S E G 2S E G 1S E G●Functional descriptions○Command /Data transfer methodThis device is controlled by 2wire serial signal (SDA, SCL).Fig.4 2wire serial Command/Data transfer FormatIt has to generate the condition such as START condition and STOP condition in 2wire serial interface transfer method.Fig.5 Interface protcolMethod of how to transfer command and data is shown as follows.1) Generate “START condition”. 2) Issue Slave address.3) Transfer command and display data.○AcknowledgeData format is 8bits and return Acknowledge after transfer 8bits data.When SCL 8th=’L’ after transfer 8bit data (Slave Address, Command, Display Data), output ’L’ and open SDA line. When SCL 9th=’L’, stop output function.(As Output format is NMOS-Open-Drain, can’t output ‘H’ level.)If no need Acknowledge function, please input ‘L’ level from SCL 8th=’L’ to SCL 9th=’L’.Fig.6 Acknowledge timingSTART condition STOP conditionSDA SCL Slave addressSTART condition STOPcondition○Command transfer methodIssue the Slave Address (“01111100” for Write Mode or “01111101” for Read Mode) after the “START condition” is generated. Command input follows after the Slave Address. The least significant bit (LSB) of the Slave Address determines if the operation to be done is Write or Read operation.The MSB (command or data judgment bit) defines if the succeeding byte is a command or data.When “command or data judgment bit”=‘1’, the next byte is a command.When “command or data judgment bit”=‘0’, the next byte is display data.Once it enters display data transfer condition, it cannot input any command.To input command again, please generate the “START condition” again.If “START condition” or “STOP condition” is inputted in the middle of command transmission, the command will be cancelled. If the Slave address is continuously inputted following “START condition”, it will be in command input condition. Please input “Slave Address” in the first data transmission after “START condition”.When Slave Address cannot be recognized in the first data transmission, Acknowledge does not return and the next transmission will be invalid. When data transmission is in invalid status and the “START condition” is transmitted again, it will return to valid status.*Please observe MPU Interface characteristic that Input rise time and Setup, Hold time when transfer command and data(Refer to MPU Interface).○Write display and transfer methodWrite mode happens when R/W bit = ‘0’This device has Display Data RAM (DDRAM) of 35×8=280bits.The relationship between data input and display data, DDRAM data and address are as follows.The 8-bit display data will be stored in the DDRAM. The address to be written is the address specified by Address Set command, and the address is automatically incremented after every 8-bits of data.Data can be continuously written in the DDRAM by transmitting Data continuously.0 1 2 3 4 5 6 7 ・・・・・・・・21h 22h0 a i COM01 b j COM12 c k COM23 d l COM3BIT4 e m COM45 f n COM56 g o COM67 h p COM7SEG0 SEG1 SEG2 SEG3 SEG4 SEG5 SEG6 SEG7 SEG33 SEG34DDRAM address○Read Command Register and Transfer MethodThe command registers can be read during read mode. The sequence for the command register read is shown below.The command register addresses are described in 6. Command Description (ADSET command). The following register settings can be read in this mode.Register D7 D6 D5 D4 D3 D2 D1 D0 AddressREG1 0P5 P4 P3 P2 P1 P023h REG2P7 P6 P5 P4 P3 P2 P1 P024hREG1: P5 = Software reset conditionP4 to P0 = EVR settingREG2: P7 to P6 = Frame Frequency (FR) setting P5 to P4 = Power Save Mode (SR) setting P3 = LCD drive waveform setting P2 = Display ON/OFF setting P1 =APON setting P0 = APOFF setting○ LCD Driver Bias CircuitThis device generates LCD driving voltage with on-chip Buffer AMP.And it can drive LCD at low power consumption.*Line and frame inversion can set in DISCTL command.Refer to the “LCD driving waveform” about each LCD driving waveform.○ Reset initialize conditionInitial condition after execute Software Reset is as follows.・Display is OFF.・DDRAM address is initialized (DDRAM Data is not initialized).Refer to Command Description about initialize value of register.●Command / Function ListDescription List of Command / FunctionCommand Function1 Address set (ADSET) DDRAM address setting (00h~22h)2 EVR set (EVRSET) EVR setting (0~31)3 Display Control (DISCTL) Frame Frequency, Power save mode setting4 IC operation set (ICSET) LCD drive mode, software reset, display on/off5 All pixel Control (APCTL) All pixel control during display ON●Detailed command descriptionD7 (MSB) is bit for command or data judgment.Refer to Command and data transfer method.C: 0: Next byte is RAM write data.1: Next byte is command.○Address set (ADSET)MSBD7 D6 D5 D4 D3 D2 D1 LSB D0C 0 P5 P4 P3 P2 P1 P0Address data is specified in P[5:0].The address range can be set as 000000~100010(bin).When the specified address is out of range, the address will be set to “000000”.The Reset initialize condition of the DDRAM address is “000000”Command Register Addresses (read mode):P[5:0] = 23h (100011b)- REG1Register address for Software reset condition and EVR setting P[5:0] = 24h (100100b)- REG2Register address for the other settings(Please refer to 1.5 Read Command Register and Transfer Method)○EVR Set (EVRSET)MSBD7 D6 D5 D4 D3 D2 D1 LSB D0C 1 0 P4 P3 P2 P1 P0It is able to control 32-step electrical volume register (EVR).It is able to set V0 voltage level (the max level voltage of LCD driving voltage). Electrical volume register (EVR) is set “00000” in reset initialize conditionIn “00000” condition, V0 voltage output VLCD voltage.It is prohibited to set EVR V0 voltage under 2.5V.○The relationship of electrical volume register (EVR) setting and V0 voltageEVR CalculationformulaVLCD= 5.500 VLCD= 5.000 VLCD= 4.000 VLCD= 3.500 VLCD= 3.000 VLCD= 2.500 [V]0 VLCD V0= 5.500 V0= 5.000 V0= 4.000 V0= 3.500 V0= 3.000 V0= 2.500 [V]1 0.967*VLCD V0= 5.323 V0= 4.839 V0= 3.871 V0= 3.387 V0= 2.903 V0= 2.419 [V]2 0.937*VLCD V0= 5.156 V0= 4.688 V0= 3.750 V0= 3.281 V0= 2.813 V0= 2.344 [V]3 0.909*VLCD V0= 5.000 V0= 4.545 V0= 3.636 V0= 3.182 V0= 2.727 V0= 2.273 [V]4 0.882*VLCD V0= 4.853 V0= 4.412 V0= 3.529 V0= 3.088 V0= 2.647 V0= 2.206 [V]5 0.857*VLCD V0= 4.714 V0= 4.286 V0= 3.429 V0= 3.000 V0= 2.571 V0= 2.143 [V]6 0.833*VLCD V0= 4.583 V0= 4.167 V0= 3.333 V0= 2.917 V0= 2.500 V0= 2.083 [V]7 0.810*VLCD V0= 4.459 V0= 4.054 V0= 3.243 V0= 2.838 V0= 2.432 V0= 2.027 [V]8 0.789*VLCD V0= 4.342 V0= 3.947 V0= 3.158 V0= 2.763 V0= 2.368 V0= 1.974 [V]9 0.769*VLCD V0= 4.231 V0= 3.846 V0= 3.077 V0= 2.692 V0= 2.308 V0= 1.923 [V]10 0.750*VLCD V0= 4.125 V0= 3.750 V0= 3.000 V0= 2.625 V0= 2.250 V0= 1.875 [V]11 0.731*VLCD V0= 4.024 V0= 3.659 V0= 2.927 V0= 2.561 V0= 2.195 V0= 1.829 [V]12 0.714*VLCD V0= 3.929 V0= 3.571 V0= 2.857 V0= 2.500 V0= 2.143 V0= 1.786 [V]13 0.697*VLCD V0= 3.837 V0= 3.488 V0= 2.791 V0= 2.442 V0= 2.093 V0= 1.744 [V]14 0.681*VLCD V0= 3.750 V0= 3.409 V0= 2.727 V0= 2.386 V0= 2.045 V0= 1.705 [V]15 0.666*VLCD V0= 3.667 V0= 3.333 V0= 2.667 V0= 2.333 V0= 2.000 V0= 1.667 [V]16 0.652*VLCD V0= 3.587 V0= 3.261 V0= 2.609 V0= 2.283 V0= 1.957 V0= 1.630 [V]17 0.638*VLCD V0= 3.511 V0= 3.191 V0= 2.553 V0= 2.234 V0= 1.915 V0= 1.596 [V]18 0.625*VLCD V0= 3.438 V0= 3.125 V0= 2.500 V0= 2.188 V0= 1.875 V0= 1.563 [V]19 0.612*VLCD V0= 3.367 V0= 3.061 V0= 2.449 V0= 2.143 V0= 1.837 V0= 1.531 [V]20 0.600*VLCD V0= 3.300 V0= 3.000 V0= 2.400 V0= 2.100 V0= 1.800 V0= 1.500 [V]21 0.588*VLCD V0= 3.235 V0= 2.941 V0= 2.353 V0= 2.059 V0= 1.765 V0= 1.471 [V]22 0.576*VLCD V0= 3.173 V0= 2.885 V0= 2.308 V0= 2.019 V0= 1.731 V0= 1.442 [V]23 0.566*VLCD V0= 3.113 V0= 2.830 V0= 2.264 V0= 1.981 V0= 1.698 V0= 1.415 [V]24 0.555*VLCD V0= 3.056 V0= 2.778 V0= 2.222 V0= 1.944 V0= 1.667 V0= 1.389 [V]25 0.545*VLCD V0= 3.000 V0= 2.727 V0= 2.182 V0= 1.909 V0= 1.636 V0= 1.364 [V]26 0.535*VLCD V0= 2.946 V0= 2.679 V0= 2.143 V0= 1.875 V0= 1.607 V0= 1.339 [V]27 0.526*VLCD V0= 2.895 V0= 2.632 V0= 2.105 V0= 1.842 V0= 1.579 V0= 1.316 [V]28 0.517*VLCD V0= 2.845 V0= 2.586 V0= 2.069 V0= 1.810 V0= 1.552 V0= 1.293 [V]29 0.508*VLCD V0= 2.797 V0= 2.542 V0= 2.034 V0= 1.780 V0= 1.525 V0= 1.271 [V]30 0.500*VLCD V0= 2.750 V0= 2.500 V0= 2.000 V0= 1.750 V0= 1.500 V0= 1.250 [V]31 0.491*VLCD V0= 2.705 V0= 2.459 V0= 1.967 V0= 1.721 V0= 1.475 V0= 1.230 [V]Prohibit setting*In case EVR using, please satisfy VLCD-V0 >0.6 V condition.If do not satisfy this condition, IC output will be unstable.*Do not use V0 < 2.5V area. If EVR set this area, IC operating will be unstable.○Display control (DISCTL)MSBD7 D6 D5 D4 D3 D2 D1 LSB D0C 110P3 P2 P1 P0Set Power save mode FR.Power save mode FR P3P2Reset initialize conditionNormal mode (80Hz) 0 0 ○Power save mode1 (71Hz) 0 1Power save mode2 (64Hz) 1 0Power save mode3 (50Hz) 1 1*Operation current decrease inNormal mode > Power save mode1 > Power save mode2 > Power save mode 3 order.Set Power save mode SR.Setup P1 P0 Reset initialize conditionPower save mode 1 0 0Power save mode 2 0 1Normal mode 1 0 ○High power mode 1 1*Operation current increase in order ofPower save mode 1 < Power save mode 2 < Normal mode < High power mode order.Note:Power save mode FR / LCD drive waveform / Power save mode SR will affect the display image.Select the best value depending on the current consumption and display image using LCD panel (under real application).Mode Flicker Display grade/ContrastPower save mode FR ○ -LCD drive waveform (ICSET) ○ ○Power save mode SR - ○○Set IC Operation (ICSET)MSBD7 D6 D5 D4 D3 D2 D1 LSB D0C 1 1 1 0 P2 P1 P0Set LCD drive waveform.Setup P2 Reset initialize conditionLine inversion mode 0Frame inversion mode 1 ○Operation current: Line inversion > Frame inversionFor drive mode of Line inversion and Frame inversion, refer to LCD waveform..Set Software Reset condition.Setup P1 Reset initialize conditionNo operation 0 ○Software reset 1When “Software Reset” is executed, this device is reset to initial condition.(Refer to Reset initialize condition)Software reset is asserted only once when P1 is set.Other settings can be set after this.Set Display ON and OFFSetup P0 Reset initialize conditionDisplay OFF(DISPOFF) 0 ○Display ON(DISPON) 1Display OFF : The DDRAM content is not affected. All SEGMENT and COMMON output stop after a frame.Display OFF mode ends when Display ON is set.Display ON : SEGMENT and COMMON outputs are active.Start read operation to display data from the DDRAM.○All Pixel control (APCTL)MSBD7 D6 D5 D4 D3 D2 D1 LSB D0C 1 1 1 1 0 P1 P0All display set ONAPON P1 Reset initialize conditionNormal 0 ○All pixel ON 1All display set OFFAPOFF P0 Reset initialize conditionNormal 0 ○All pixel OFF 1All pixels ON : All pixels are ON regardless of DDRAM data.All pixels OFF : All pixels are OFF regardless of DDRAM data.Note:All pixels ON/OFF is effective only at the time of “Display ON” status.The contents of DDRAM do not change at this time.When P1 and P0=’1’, APOFF is selected. APOFF has higher priority than APON.●LCD driving waveform(1/4bias, 1/8duty)Line inversion modeFrame inversion mode●Initialize sequencePlease follow the sequence below after Power-On to set this device to initial condition. Power on↓STOP condition↓START condition↓Issue Slave address↓Execute Software Reset by ICSET commandEach register value and DDRAM address is initialized to their default values. DDRAM data is random after power on.●Start sequence○Start sequence example No. Input D7 D6 D5 D4 D3 D2 D1 D0 Descriptions1 Power onVDD=0→5[V] (Tr=0.1[ms])↓2 wait 100usInitialize IC↓3 Stop Stop condition↓4 StartStart condition 5 Slave address0 1 1 1 1 1 0 0 Issue slave address↓6 ICSET 1 1 1 1 0 * 1 * Software Reset↓7 DISCTL1 1 1 0 0 0 1 0 Unnecessary when initial value setup ↓ (If you need to change the condition) 8 EVRSET1 1 0 0 0 0 0 0 Unnecessary when initial value setup ↓ (If you need to change the condition)9 ADSET 0 0 0 0 0 0 0 0 RAM address set↓10 Display Data* * * * * * * * Address 00h………………Display Data* * * * * * * * Address 22h↓11 Stop Stop condition↓12 StartStart condition 13 Slave address0 1 1 1 1 1 0 0 Issue slave address↓14ICSET1111*1Display ON●Caution in P .O.R circuit useThis device has “P .O.R” (Power-On Reset) circuit and Software Reset function.Please keep the following recommended Power-On conditions in order to power up properly.Please set power up conditions to meet the recommended tR, tF, tOFF, and Vbot spec below in order to ensure P .O.R operationRecommended condition of tR, tF, tOFF, Vbot (Ta=25 ºC)tR tF tOFF Vbot Less than 5ms Less than 5ms More than 20ms Less than 0.3VIf it is difficult to meet above conditions, execute the following sequence after Power-On.(1) STOP conditionSTOP conditionVDDSDASCLSTOP condition(2) After send STOP condition, execute Software Reset (ICSET) command.●I/O Equivalent CircuitFig.20 I/O Equivalent CircuitSDAVSSSCLVSSVLCDVSSVLCDSEG/COMVSSVDDVSS●Example of recommended circuitFig.21example of recommended circuit●Notes for use(1) Absolute Maximum RatingsAn excess in the absolute maximum ratings, such as supply voltage, temperature range of operating conditions, etc., can break down devices, thus making impossible to identify breaking mode such as a short circuit or an open circuit. If any special mode exceeding the absolute maximum ratings is assumed, consideration should be given to take physical safety measures including the use of fuses, etc.(2) Operating conditionsThese conditions represent a range within which characteristics can be provided approximately as expected. The electrical characteristics are guaranteed under the conditions of each parameter.(3) Reverse connection of power supply connectorThe reverse connection of power supply connector can break down ICs. Take protective measures against the breakdown due to the reverse connection, such as mounting an external diode between the power supply and the IC’s power supply terminal.(4) Power supply lineDesign PCB pattern to provide low impedance for the wiring between the power supply and the GND lines. In this regard, or the digital block power supply and the analog block power supply, even though these power supplies has the same level of potential, separate the power supply pattern for the digital block from that for the analog block, thus suppressing the diffraction of digital noises to the analog block power supply resulting from impedance common to the wiring patterns.For the GND line, give consideration to design the patterns in a similar manner.Furthermore, for all power supply terminals to ICs, mount a capacitor between the power supply and the GND terminal.At the same time, in order to use an electrolytic capacitor, thoroughly check to be sure the characteristics of the capacitor to be used present no problem including the occurrence of capacity dropout at a low temperature, thus determining the constant.(5) GND voltageMake setting of the potential of the GND terminal so that it will be maintained at the minimum in any operating state.Furthermore, check to be sure no terminals are at a potential lower than the GND voltage including an actual electric transient.(6) Short circuit between terminals and erroneous mountingIn order to mount ICs on a set PCB, pay thorough attention to the direction and offset of the ICs. Erroneous mounting can break down the ICs. Furthermore, if a short circuit occurs due to foreign matters entering between terminals or between the terminal and the power supply or the GND terminal, the ICs can break down.(7) Operation in strong electromagnetic fieldBe noted that using ICs in the strong electromagnetic field can malfunction them.(8) Inspection with set PCBOn the inspection with the set PCB, if a capacitor is connected to a low-impedance IC terminal, the IC can suffer stress.Therefore, be sure to discharge from the set PCB by each process. Furthermore, in order to mount or dismount the set PCB to/from the jig for the inspection process, be sure to turn OFF the power supply and then mount the set PCB to the jig. After the completion of the inspection, be sure to turn OFF the power supply and then dismount it from the jig. In addition, for protection against static electricity, establish a ground for the assembly process and pay thorough attention to the transportation and the storage of the set PCB.(9) Input terminalsIn terms of the construction of IC, parasitic elements are inevitably formed in relation to potential. The operation of the parasitic element can cause interference with circuit operation, thus resulting in a malfunction and then breakdown of the input terminal. Therefore, pay thorough attention not to handle the input terminals, such as to apply to the input terminalsa voltage lower than the GND respectively, so that any parasitic element will operate. Furthermore, do not apply avoltage to the input terminals when no power supply voltage is applied to the IC. In addition, even if the power supply voltage is applied, apply to the input terminals a voltage lower than the power supply voltage or within the guaranteed value of electrical characteristics.(10) Ground wiring patternIf small-signal GND and large-current GND are provided, It will be recommended to separate the large-current GND pattern from the small-signal GND pattern and establish a single ground at the reference point of the set PCB so that resistance to the wiring pattern and voltage fluctuations due to a large current will cause no fluctuations in voltages of the small-signal GND. Pay attention not to cause fluctuations in the GND wiring pattern of external parts as well.(11) External capacitorIn order to use a ceramic capacitor as the external capacitor, determine the constant with consideration given to a degradation in the nominal capacitance due to DC bias and changes in the capacitance due to temperature, etc.(12) No Connecting input terminalsIn terms of extremely high impedance of CMOS gate, to open the input terminals causes unstable state. And unstable state brings the inside gate voltage of p-channel or n-channel transistor into active. As a result, battery current may increase. And unstable state can also causes unexpected operation of IC. So unless otherwise specified, input terminals not being used should be connected to the power supply or GND line.(13) Rush currentWhen power is first supplied to the CMOS IC, it is possible that the internal logic may be unstable and rush current may flow instantaneously. Therefore, give special condition to power coupling capacitance, power wiring, width of GND wiring, and routing of connections.●Ordering part numberB U 9 7 9 5 0 FU V - E 2Part No.Part No.PackageFUV: TSSOP-C48VPackaging and formingE2: Embossed tape and reel (TSSOP-C48V)TSSOP-C48V。
长虹CH-16机芯(TDA9370、TDA9383、TDA9373和OM8370、OM8373掩膜)彩电电路类型来源:本站整理作者:佚名2010-07-08 15:46:44一、控制功能部分控制系统相关电路由超级芯片UOC相关脚和内部相关电路组成,对外部电路的控制由相关脚输出,不过同芯片引脚功能会因软件及硬件电路的需要而改变,表1~表5汇总了长虹CH-16机芯采用TDA9370、TDA9383、TDA9373和OM8370、OM8373 OTP片重新掩膜后形成的多个不同型号的芯片在不同产品上应用时各脚功能及工作电压。
由表1~表5中统计的内容可知:表1 21英寸彩电应用OTP片IM8370PS/N3/A掩膜的CH05T1626新片特点[代表产品有PF2195(F23、SF2158(F23、PF2156(F23、PF2163(F23、PF2165(F23等]引脚符号引脚功能及维修提示电路特点1DEGAUSS开机输出消磁控制信号,二次开机便输出高电平去消磁控制电路接R202(4.7KΩ于5V上2SCL总线控制,控制存储器接R204(4.7KΩ于5V上AT24C16和调谐器TAF5-3SDACI41接R203(4.7KΩ于5V上5KEY1按键控制电路.外接防干扰二极VD221,VD220上接电阻R205(4.7KΩ于5V上6KEY2上接电阻R207(4.7KΩ于5V上7LED指示灯控制输出,通过VK01实现指示灯显示上接电阻R409(4.7KΩ于5V上54、55、61控制系统三路3.3V供电58、5912 MHz晶体62MUTE静音输出,控制V601伴音功放TDA517P⑧脚。
接上电阻R145B于⑧脚为低电平时处于静止状态。
⑧脚还受5V 上,R606接V601基极V402控制行推动管V401工作或停止63STANDBY开机待机控制,控制电源V803实现电源待或接R218A(4.7KΩ接在5V上开机;控制V402控制行推动管V401工作或停止64PEM遥控入38SANPLL/R171(3.9KΩ、C171(3900pF、C171A(330pFSIFAGC表5 TDA9373掩膜的芯片CH05T1611、1621与OM8373掩膜的芯片CH05T1611、CHT05T1621、CH05T1630、CH05T1636的引脚功能电压及维修提示引脚符号引脚功能及维修提示电路特点SF2511(F06(CH05T1621待机电压(V工作电压(V1 BAND1波段切换电平输出,控制接R139A(4.7KΩ于5V上4.964.97V(L段6 BAND2TDA-5B6-M,实现L/H/U波段切换接R143A(2.2KΩ于5V上0.094.322 SCL总线输出控制存储器和TDA9859音效处理接R132A(3.3KΩ于5V上4.962.923 SDA接R133A(3.3KΩ于5V上4.96 2.674 VT调谐输出1.92~2.44变2.15变5KEY/LE指示灯出及键控信0.030.D 号入31变7VOL2(ON/OFF重低音静音控制,经V605、V606功放TDA8943SF⑦脚.高电平时,静音.低电平时0.091.89送入功放⑦脚功放工作.⑦脚还受关机静音控制电路V890控制8VOL1(MUTE主伴音静音控制输出,经V608/主伴音功放TDA8944J⑩脚为高电平时静音、静2.470.06(无信号时2.45VV607送入TDA8944J⑩脚音信号来自关机静音电路V890和CPU9 地010 STB开机/待机控制接R141A于3.3V上,控制待机管V830.V830基极有0.6V电压时整机处于待机状态0.02(待11 DK/M伴音多制式控制输出控制声表面滤波器和38脚外接3.21V246/V24754、56、613.3V控制系统供电3.35812MHz晶体1.5759 1.6562 KAV1AV1/AV2视频信号切换控制电平控制HEF4053,实现AV1/AV2切换0.0163 KAV2 0.0164 遥控入 4.96(1)控制系统供电脚为54、56、61脚54脚:给图文解调控制单元及TV数字处理单元供电端;56脚:芯片数字电路供电端;61脚:控制系统数字电路供电端,在长虹彩电中,该脚上都接有抗干扰的LC滤波元件。
LED显示驱动芯片BN5279(A)及其串行接口应用
高美珍;洪家平
【期刊名称】《国外电子元器件》
【年(卷),期】2005(000)006
【摘要】BN5279(A)是贝能科技有限公司生产的集成LED显示驱动器,具有工作电压低、串行接口、带有64键的键盘矩阵控制等特点.文中介绍了该电路的主要特性及工作原理,给出了BN5279(A)与AT89C2052微处理器的连接电路及程序代码.【总页数】4页(P69-72)
【作者】高美珍;洪家平
【作者单位】湖北师范学院,计算机科学系,湖北,黄石,435002;湖北师范学院,计算机科学系,湖北,黄石,435002
【正文语种】中文
【中图分类】TP335
【相关文献】
1.LED显示驱动芯片MAX6952在图形显示方面的应用 [J], 詹湘琳;宋光德
2.串行接口LED显示驱动器MC14489及其应用 [J], 王子梁;王维原
3.多种串行接口技术在LED大屏幕显示系统中的应用 [J], 任志斌;朱俊林
4.一种应用于AMOLED显示驱动芯片的伽马校正电路 [J], 宇跃峰;尹勇生;谢熙明;权磊;贾晨
5.聚积推出智能型省电模式的LED驱动芯片MBI5037为LED交通显示屏应用创造节能新境界 [J], 本刊编辑部
因版权原因,仅展示原文概要,查看原文内容请购买。
上海元国光电科技常用器件的介绍随着LED显示屏工程商越来越多,生意越做越火爆,显示屏的问题也水涨船高,通常最头疼的问题就是显示屏的主要组成部分:单元板,新手一般不知道LED单元板维修时从哪里下手,围绕这个问题,我们总结了一下常见的问题及排除,提起74HC595,我想大家都不陌生,595也就是单元板的模块或者灯珠的垂直驱动芯片,一般单元板出现垂直一组灯不亮或者常亮,基本上都是这个芯片出现了问题或者虚焊,我们再来介绍下4953,它的作用是模块或者灯珠的行驱动,当LED单元板出现水平一条或者两条灯不亮的现象,也就是4953这个芯片的问题,至于其它芯片的作用及介绍,如下所述:1.IC的管脚功能IC芯片分别:74HC245、74HC595、74HC138、74HC04、4953。
各IC管脚功能如下:A: 74HC245功能是放大及缓冲。
各引脚如图120 和1接电源(+5V)19脚和10脚接电源地(GND)当电源是以上接时:输入脚分别为2、3、4、5、6、7、8、9。
输出脚分别为11、12、13、14、15、16、17、18注:2脚输入时,18脚输出。
其它脚以此类推。
B:74HC138功能是8选1译码器,输出为8行。
控制行数据。
各引脚如图2第8脚GND,电源地。
第16脚VCC,电源正极第1-3脚A、B、C输入脚。
第4-6脚选通输入端,(一般第5脚为EN )9-15脚和第7脚输出端。
C:74HC595功能是8位串入、并出移位寄存器。
控制列数据。
各引脚如图316脚和10脚接电源(+5V),13脚和8脚接电源地(GND)。
列信号输出脚:1、2、3、4、5、6、7、15。
第一列输出脚为7脚,以此类推。
另第八列输出脚为15脚。
数据信号输入脚(Din)为14,数据信号输出脚(Din)为9。
锁存信号脚(L)为12脚,移位信号脚为11脚。
D:74HC04功能是六带缓冲反相器,控制使零信号(EN)。
各引脚如下图15脚接电源(+5V),7脚电源地(GND)。
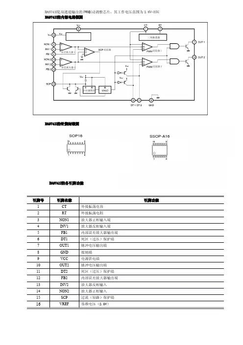
引脚号引脚名称
引脚功能
1CT
外接振荡电容2RT
外接振荡电阻3NON1放大器正相输入端4INV1放大器反相输入端5FB1内部误差放大器输出端6
DT1死区(过压)保护端7
OUT1脉冲电压输出端8
GND 接地端9
VCC 电源供电端10
OUT2脉冲电压输出端11DT2死区(过压)保护端12
FB2内部误差放大器输出端13
INV2放大器反相输入14
NON2放大器正相输入15SCP
过流(短路)保护端16VREF 基准电压(2.5V)SSOP-A16
SOP16 BA9741F的内部电路框图
BA9741F的针脚封装图
BA9741F的各引脚功能
BA9741F是双通道输出的PWM驱动调整芯片,其工作电压范围为3.6V-35V。
三角振荡器
计时器锁存
误差放大器1误差放大器2比较器
比较器1
比较器2。
液晶电视逻辑板维修培训逻辑板维修培训一( 逻辑板就是我们常说的:T-CON板、中控板、解压板、解码板,是液晶屏显示视频图像信号的关键部件;英文 : timing controller的缩写为T-CON中文:时序控制电路作用:控制PANEL时序动作的核心电路,控制扫描驱动电路何时启动,并将输入的视频信号(例如LVDS信号)转换成数据驱动电路所用的数据信号形式(例如mini-LVDS信号或RSDS信号),传递到数据驱动电路(COF IC),并控制数据驱动电路适时开启。
TCON电路就是液晶屏的图像驱动电路,液晶电视出现的一些有别于CRT电视的特殊故障花屏、图像翻转、图像发白等都是TCON电路造成。
主要接入脚:1、从数字板传输过来的LVDS信号(包括:RGB基色信号、行同步信号、场同步信号、使能信号、时钟信号);2、格式脚,控制电压符号是:SELLVDS或LVDS OPTION,格式控制电压为高、低电平;3、屏供电多为12V或5V,现在屏多数是12V,如是全高清屏全部是12V 供电。
TCON板电路主要由几部分组成:1.TCON IC(必须的)2.GAMMA IC(必须的)3.PM IC (必须的)4.GPM IC(OPTION)5.LEVEL SHIFT IC(GOA屏专用)1把主板电路送来的LVDS信号转换为供液晶屏显示的栅极驱动信号及源极驱动信号。
完成LVDS到MINI LVDS的转换输出;同时输出Source/Gate Driver所需的各种控制时序.具体就是把主板送来的LVDS信号经过转换;产生向“栅极驱动电路”及“源极驱动电路”提供为进一步转换需要的各种控制信号(STV、CKV、STH、CKH、POL)及图像数据信号(RSDS)。
二( 原理T-CON板主要由五部分组成:1、栅极驱动电路(行驱动电路);2、源极驱动电路(列驱动电路)组成;3、时序控制电路(T-CON);4、DC—DC变换电路(为以上电路提供电压的开关电源电路);5、伽马校正电路(灰阶电压发生电路)。
常见液晶驱动芯片详解 Company Document number:WUUT-WUUY-WBBGB-BWYTT-1982GT本文主要是介绍一些常用的LCD驱动控制IC的型号,方便学习或正在使用的LCD的朋友能够更好地编写LCD的驱动程序。
因此各位朋友在选择LCD液晶模块的时候,在考虑到串行,还是并行的方式时,可根据其驱动控制IC的型号来判别,当然你还需要看你选择的LCD模块引脚定义是固定支持并行,还是可选择并行或串行的方式。
一、字符型LCD驱动控制IC市场上通用的8×1、8×2、16×1、16×2、16×4、20×2、20×4、40×4等字符型LCD,基本上都采用的KS0066作为LCD的驱动控制器二、图形点阵型LCD驱动控制IC1、点阵数122×32--SED15202、点阵数128×64(1)ST7920/ST7921,支持串行或并行数据操作方式,内置中文汉字库(2)KS0108,只支持并行数据操作方式,这个也是最通用的12864点阵液晶的驱动控制IC(3)ST7565P,支持串行或并行数据操作方式(4)S6B0724,支持串行或并行数据操作方式(5)T6963C,只支持并行数据操作方式3、其他点阵数如192×64、240×64、 320×64、240×128的一般都是采用T6963c驱动控制芯片4、点阵数320×240,通用的采用RA8835驱动控制IC这里列举的只是一些常用的,当然还有其他LCD驱动控制IC,在写LCD驱动时要清楚是哪个型号的IC,再到网上去寻找对应的IC数据手册吧。
后面我将慢慢补上其它一些常见的.三 12864液晶的奥秘CD1601/1602和LCD12864都是通常使用的液晶,有人以为12864是一个统一的编号,主要是12864的液晶驱动都是一样的,其实12864只是表示液晶的点阵是128*64点阵,而实际的12864有带字库的,也有不带字库的;有5V电压的,也有~5V(内置升压电路);归根到底的区别在于驱动控制芯片,常用的控制芯片有ST7920、KS0108、T6963C等等。
SDH7753说明书非隔离降压型LED 恒流驱动芯片描述SDH7753是一款高精度LED 恒流驱动控制芯片,适用于85VAC~265VAC 全范围交流输入电压的非隔离降压型LED 恒流电源系统。
SDH7753集成500V 高压功率MOS ,内置高压供电电路,无需启动电阻和辅助绕组即能实现芯片的自主供电,同时更省去了传统的外置电源电容,在加快系统启动的同时又极大地节省了系统成本。
SDH7753工作在电感电流临界导通模式,芯片采用特有的高精度电流采样技术,结合内部补偿,能获得高恒流精度和优异的线性/负载调整率。
SDH7753内部集成多种保护功能,包括输出短路保护、逐周期过流保护、过热调节、采样电阻开路保护等,增强了系统的安全性和可靠性。
特性♦ 内置500V 高压功率MOSFET ♦ 集成高压供电功能,无需外部电源电容 ♦ 精确恒定电流(<±3%)供给LED ♦ 输出短路保护 ♦ 过热调节功能♦ 逐周期过电流保护 ♦无辅助绕组应用♦ 球泡灯 ♦ 筒灯♦其他LED 照明应用产品规格分类内部框图CSGND极限参数=25°C)电气参数(除非特别说明,HV=30V,Tamb参数名称符号测试条件最小值典型值最大值单位电源芯片内部工作电压VCC V CC 6.8 V 工作电流I OP VH=30V 55 100 145 μA 电流采样电流检测阈值V cs_TH582 600 618 mV参数名称符号 测试条件最小值典型值 最大值单位芯片关断延时 T_DELAY200ns控制时间参数 最大导通时间 T ON,MAX 45 60 75 μs 前沿消隐时间 T LEB 0.5 μs 最大关断时间 T OFF,MAX 300 400 500 μs 最小关断时间 T OFF,MIN2.5μs功率管 导通电阻 R ON12 Ω 漏源击穿电压 BV DSSV GS =0V, I D =50uA500V温度特性 过热调节 T REG -- 140 -- °C 过温保护 T SD -- 160 -- °C 过温解除T RECOVERY--145--°C管脚排列图管脚描述管脚编号管脚名称I/O功能描述SDH7753SSDH7753J1 2 HV I 高压供电端 2~3 NC N 悬空4 4 CS O 采样脚、电流输出 5~6 3 GND G 地 71DRAINIMOS 漏端功能描述SDH7753是一款利用BUCK原理搭建的非隔离LED恒流驱动芯片,单芯片集成了500V高压功率MOSFET和高压启动电路。
ST7703 Data SheetTFT Mobile Single Chip DriverFor 720RGB x 1280 dot, a-Si TFT LCD, 16.7M color With MIPI InterfaceVersion 01 PreliminaryOctober 2015List of Contents1.2.3.104.4.14.24.34.4124.5124.6124.7134.8145.155.1151516175.21920315.3445.44647485.55050515.65253545.7555.8Reset function (56)5.8.1Standard Command Default Value (56)5.8.2Input Pins (57)5.8.3Output or Bi-directional Pins (57)5.9OTP Sequence (58)5.9.1OTP Sequence (58)5.9.2OTP Standard Programming Table (59)5.10CABC (60)mand Description (62)6.1Command Table (62)6.2Command description (79)6.2.1NOP (00h) (79)6.2.2Software reset (01h) (80)6.2.3Read Display ID (04h) (81)6.2.4Read Display Power Mode (0Ah) (82)6.2.5Read Display MADCTR (0Bh) (83)6.2.6Read Display Pixel Format (0Ch) (84)6.2.7Read Display Image Mode (0Dh) (85)6.2.8Read Display Signal Mode (0Eh) (86)6.2.9Read Display Self-Diagnostic Result (0Fh) (87)6.2.10Sleep In (10h) (88)6.2.11Sleep Out (11h) (89)9293949596979899100102103104105106107108109111120121122123124125127128 6.2.48Read ID2 Value (DBh) (129)6.2.49Read ID3 Value (DCh) (130)6.2.50SETEXTC (B9h) (131)6.2.51SETDISP (B2h) (132)6.2.52SETRGBIF (B3h) (134)6.2.53SETCYC (B4h) (135)6.2.54SETBGP (B5h) (136)6.2.55SETVCOM (B6h) (137)6.2.56SETOTP (B7h) (140)6.2.57SETPOWER_EXT (B8h) (142)6.2.58SETMIPI (BAh) (144)6.2.59SETVDC (BCh) (146)6.2.60SETSCR (C0h) (147)6.2.61SETPOWER (C1h) (149)6.2.62SETID (C3h) (152)6.2.63SETDDB (C4h) (152)6.2.64SETIO (C7h) (153)6.2.65SETCABC (C8h) (154)6.2.66SETPANEL (CCh) (154)6.2.67DGC_R (CDh) (155)6.2.68DGC_G (CEh) (156)6.2.69DGC_B (CFh) (157)6.2.70SETGAMMA (E0h) (158)161162163170173174176 7.1777.11777.21781781797.3181181182186 8.1878.11878.21888.31891891901918.41921921931941958.5196 (46)Figure 5.34: Case 2: RESX line is held low by host at power on (54)Figure 5.35: Power flow chart for different power modes (55)Figure 5.36: Two kinds of CABC Architecture (60)Figure 7.1: Input glitch rejections of low-power receivers (179)Figure 7.2: Differential voltage range and Command mode voltage (180)Figure 7.3: Serial Interface Characteristics (181)Figure 7.4: DSI clock timing Characteristics (182)Figure 7.5: Rising and falling time on clock and data channel (182)Figure 7.6: BTA from HOST to Display Module Timing (183)Figure 7.7: BTA from Display Module Timing to HOST (183)Figure 7.8: Reset input timing (186)Figure 8.1: Interfacing for MIPI by Setting Lane [1:0]=”11” (187)Figure 8.2: Source Pin Connection for Panel (188)Figure 8.3: Using External Power IC Application (189)Figure 8.4: Using PFM - Type C Application (190)Figure 8.5: Using Three Power Mode Application (191)Figure 8-6: DSI Power On Sequence of Power IC Mode (192)Figure 8-7: DSI Power Off Sequence of Power IC Mode (193)Figure 8-8: DSI Power On Sequence of 3 Power Mode (194)Figure 8-9: DSI Power Off Sequence of 3 Power Mode (195)dots at The driveimageand⏹⏹⏹⏹⏹⏹- Three-Power Mode:●I/O and interface power supply (IOVCC):1.65V to 2.0V●Analog power supply (VSP):4.5V to 6.0V●Analog power supply (VSN):-4.5V to -6.0V⏹Output voltage:Positive source output voltage level: VSPR=3.3V to 5.6VNegative source output voltage level: VSNR=-5.6V to -3.3V Positive gate driver output voltage level: VGH=+10V to +20V Negative gate driver output voltage level: VGL=-7.5V to -15V VCOM=-3.5V to 0VIM1~0CSX DCX SCL SDA SDO DSI_CP DSI_CN DSI_D0P DSI_D0N DSI_D3~1DSI_VSSNote: “X” = Don’t care.5.5.1 5.1.1Figure 5.1: DBI Type C interface Option 1 write modeSDASCLCSX 1SDA SCLCSX 1SDASCL CSX15.1.3sentFigure 5.4: Break during parameterSDA SCL CSX 2. Between frameWith breakThelow5.2The and DSI setvisibleHighis5.2.1.1Low Power Mode (LP-11: Stop) DSI-C2.Ultra Low Power Mode (LP-00: ULPM)DSI-CLK+/- lanes can be driven to the Ultra Low power Mode (ULPM), when DSI-CLK lanes are entering LP-00 State. The entering way is from the Low Power Mode (LPM, LP-11 State) =>LP-10 =>LP-00 (ULPM). This sequence is illustrated below.Figure 5.9: From LPM mode to ULPMCLK+ CLK- LP10 LP00 LP11ThisFigure 5.11: Switching the Clock Lane between HSCM and LPMD0+ D0-ESCAPE MODEData lanes (DSI-D0+/-) can be used in different Escape Modes when data lanes are in Low Power (LP) mode.Figure 5.13: DSI Data Lane D0 general escape mode sequenceD0+ D0-LP11 LP10 LP00 LP01 LP00Time LP10 LP11 LP00 Escape Mode EntryST7703 can support three different Escape Commands. The commands (EC) can be divided 2Figure 5.14: DSI Data Lane D0 LPDT sequenceUltra Low Power State (ULPS)Remote Application Reset (RAR)Tearing Effect (TEE)aAcknowledge (ACK)byHigh Speed Data TransmissionThe ClockFigure 5.20: DSI Data Lane Entering High Speed Data TransmissionD0+ D0- If the last bit is HS-0, the transmitter changes from HS-0 to HS-1If the last bit is HS-0, the transmitter changes from HS-1 to HS-0Bus Turnaround (BTA)D0+D0-5.2.25.2.2.1Header The 6 toDI (Data ID):Contain Virtual Channel Identifier and Data Type.WC (Word Count):8+8 bits The receiver use WC to define packet end.ECC (Error Correction Code):The Error Correction Code allows single-bit errors to be corrected and 2-bit errors to be detected in the Packet Header. PF(Packet Footer):Mean 16-bit Checksum.Figure 5.24: Structure of the long packetHeader (PH)Footer (PF)Packet Data (Payload)Table 5.7: Data Types from the Driver IC to Host• PLong5.2.2.2IC. TheDisplay Command Set Write, 1 Parameter, Data Type = 01 0101 (15h)Display Command Set (DCS) Write, 1 Parameter is always using a Short Packet from the HOST to the driver IC. The content of 2 payload bytes is “command” and“parameter”.Display Command Set Long Write, Data Type = 11 1001 (39h)Display Command Set (DCS) Long Write is always using a Long Packet from the HOST to the driver IC.The content can include Command (No Parameters) or Command with 1 or more parameters.Display Command Set (DCS) Read, No Parameter, Data Type = 00 0110 (06h)Display Command Set (DCS) Read, No Parameter is always using a Short Packet, from the HOST to the driver IC. The HOST has to define to the driver IC, what is the maximum size of the return packet. A command, what is used for this purpose, is “Set Maximu m Return Packet Size”, which Data Type is 11 0111 and which is using Short Packet before the HOST can send “Display Command Set (DCS) Read, No Parameter” to the driver IC.Null Packet, No Data , Data Type = 00 1001 (09h)mode to normal display operation.Shutdown Peripheral Command, Data Type = 10 0010 (22h)Shutdown Peripheral command is a Short packet command that turns off the display in a Video Mode driver IC for power saving. Note the interface shall remain powered in order to receive the turn-on, or wake-up command.Turn On Peripheral Command, Data Type = 11 0010 (32h)Turn On Peripheral command is Short packet command that turns on the display in a Video Mode driver IC for normal display operation.Figure 5.26: 16-bit RGB Color Format, Long packetPacked Pixel Stream, 18-bit Format, Long packet, Data type = 01 1110 (1Eh)Pixel Stream, 18-bit Format in Three Bytes, Long packet, Data Type = 101110 (2Eh)Packed Pixel Stream, 24-bit Format, Long packet, Data Type = 11 1110 (3Eh)when a corrandDCS Read Long Response is always using a Long Packet, from the driver IC to the Host. “DCS Read Long Response” is used when the driver IC wants to response a DCS Read command, which the Host has sent to the driver IC.DCS Read Short Response, 1 Byte Returned, Data Type = 10 0001(21h)DCS Read Short Response, 1 Byte Returned is always using a Short Packet from the driver IC to the Host. “DCS Read Short Response, 1 Byte Returned” is used when the driver IC wants to response a DCS Read command, which the Host has sent to the driver IC.DCS Read Short Response, 2 Bytes Returned, Data Type = 10 0010(22h)DCS Read Short Response, 2 Bytes Returned is always using a Short Packet from the driver IC to the Host. “DCS Read Short Response, 2 Bytes Returned” is used when the driver IC wants to response a DCS Read command, which the Host has sent to the driver IC.Generic to the to the5.3of IntheS1S2401G 2Figure 5.27: Source channels of ZigZag inversion modeFigure 5.28: Gamma adjustments different of source driver with digital gamma correctionVV0 VV4 VV8 VV12VV28 VV52 VV76 VV100 VV131 VV155VV179 VV203 VV227VV243 VV247 VV251 VV2555.4.2RGB.5.55.5.1If Figure 5.30: Sleep out flow chart–command and self-diagnostic functions。
ltv354t工作原理-回复LTV354T是一款高性能低功耗的4K超高清液晶显示驱动器,其工作原理是通过一系列电路和信号传输来控制液晶显示屏的像素点,实现图像的显示。
下面将一步一步回答关于LTV354T的工作原理的问题。
第一步:了解LTV354T的基本结构和功能。
LTV354T是一款集成了多种功能的驱动芯片,适用于4K超高清液晶显示屏的控制和驱动。
该芯片采用了高度集成的设计,内置了解码器、显存控制器、调色板、时序控制器、视频接口和显示控制等功能模块。
这些模块共同协作,使得芯片能够处理复杂的图像数据,并将其传递给液晶显示屏进行显示。
第二步:了解LTV354T的工作过程。
1.信号输入:LTV354T通过视频接口接收来自外部设备(如电视机、电脑等)的图像信号。
这些信号可以是各种格式的视频数据,如HDMI、DP、DVI等。
芯片将接收到的信号转换为适合液晶显示屏的格式,并送入解码器进行解码处理。
2.图像处理:接收到的信号经过解码器进行解码,将其转换为图像数据。
解码器能够识别并处理常见的视频格式,如MPEG、H.264等。
解码完成后,得到的图像数据会被送入显存控制器进行存储。
3.图像存储:显存控制器负责存储解码后的图像数据。
它通常会采用多级缓存的方式进行存储,以提高数据传输和处理效率。
图像数据存储完成后,显存控制器将其传递给调色板。
4.颜色处理:调色板是LTV354T中的一个重要部分,它负责将图像数据中的数字信号转换为相应的模拟信号,以供液晶显示屏显示。
调色板中通常包括了所选用的显示色彩表,可以实现颜色的精准控制。
5.时序控制:时序控制器的功能是为液晶显示屏提供合适的时序信号,使其能够按照规定的时序进行像素点的更新和刷新。
时序控制器会根据接收到的图像数据和显示要求生成相应的时序信号,并输出给液晶显示屏。
6.显示输出:最后,时序控制器将生成的时序信号发送给液晶显示屏。
液晶显示屏会根据时序信号,按照一定的规律对各个像素点进行更新和刷新。
笔段式LCD驱动>>>概述笔段式LCD驱动是指在某一指定的位置显示或不显示固定显示屏,可以用于字符和数字的简单显示,主要用于替代LED数码管。
电路内部基本由电源、内部RC振荡、通讯接口、内部RAM区、逻辑控制几大模块构成。
部分产品还具备蜂鸣器输出、看门狗定时、按键扫描、背光及驱动VA 液晶等特色功能。
根据电路的不同功能主要分为传统型、强驱动型、低功耗型、带按键和背光驱动型以及全静态型五类。
>>应用领域传统型主要应用于小家电产品、智能音响、仪器仪表、电动车仪表盘、电子秤等精密仪器的显示驱动强驱动型主要应用于烤箱、车载等大屏显示驱动低功耗型主要应用于仪器仪表、便携式设备、家用电子装置等带按键和背光驱动型主要应用于油烟机、VA液晶显示屏、仪器仪表等全静态型主要应用于洗衣机显示面板、电子标签等低功耗产品选型指南:传统型显示模式4*32、8*32、8*48三线和四线通讯带蜂鸣器输出功能带看门狗定时器功能芯片衬底接VDD或浮空强驱动型显示模式3*52、4*51、3*40~3*42三线通讯,串行数据通讯支持CCB格式带按键矩阵驱动能力可通过外部电阻调整,可驱动大屏芯片衬底接VDD或浮空低功耗型超低功耗(工作电流程序可控)2线通讯显示闪烁功能(程序可控制)AiP9792推出COG产品带按键和背光驱动型带按键扫描PWM背光LCD工作电压可调AiP31721显示帧频65Hz,200Hz程序可选,可驱动VA液晶全静态型显示模式2*118全静态驱动,工作电流典型300uA4线串行接口具有关机指令,典型静态电流小于0.5uA字符型LCD驱动>概述字符型点阵LCD驱动电路本身具有字符发生器,可以显示字母、数字符号、中文汉字以及自定义图形,显示容量大,功能丰富。
电路内部由显示RAM、字库、字符生成器、显示驱动和控制逻辑组成,可以通过通讯接口与微处理器进行通讯,实现LCD的显示驱动。
另部分产品具有内建两倍压、显示图形等特色功能。
BU9793FS20SEG*4COM LCD Segment DriverRev.0.722. Dec, 2006目录1. 命令/数据传送方法 (6)1.1 Acknowledge信号 (6)1.2 命令的传送方法 (7)1.3 显示数据的写入和传送方法 (7)本LSI内置了容量为20×4=80bit的显示数据RAM (DDRAM)。
(7)2. OSCILLATOR (7)3. LCD Driver Bias Circuit (8)4. Blinker timing generator (13)5. 初始化顺序 (13)6. Reset初始状态 (13)7. 外围部品 (14)7.1使用CONTRAST调整功能时 (14)7.2不使用CONTRAST功能时 (14)8. 命令的详细说明 (16)○ Mode Set (MODE SET) (16)○ Address set (ADSET) (16)○ Display control (DISCTL) (17)○ Set IC Operarion(ICSET) (18)○ Blink control (BLKCTL) (19)○ All pixel control (APCTL) (19)9. 显示数据例子 (20)10. 开始顺序例程 (21)修改履历 (29)◎ 没有耐放射线设计。
● 本资料所记载的内容可能涉及到外汇及外国贸易管理法(设计,制造,使用的技术)的某些方面在处理时请注意。
● 本品是为了特定的机器,装置而设计的专用品,请使用者自己判断本品是否符合外汇法的条款。
造构造 单片硅集成电路 名品名 BU9793FS 图外形尺寸图 参照图4能性能 字段式液晶显示用驱动芯片点特点○ 液晶显示输出: 4线Common 输出20线Segment 输出○ 内置显示数据RAM (DDRAM)内置RAM 的容量: 20*4 =80 bit ○ 2线串行接口 (SCL, SDA) ○ 内置振荡电路○ 内置液晶驱动用电源电路1/2 ,1/3 Bias 1/4 Duty Buffer AMP 内置 ○ 不需要外部部品 ○ 低功耗设计 ○ 搭载等待模式○ 内置Power-on Reset 电路 ○ 搭载闪烁功能○ 工作电源电压: 2.5~5.5V使用上需要注意的地方在应用推荐的经过试验的应用电路的例子时,请更好的确认他的特性。
液晶控制驱动电路SSP97950产品概述SSP97950是一款通用型液晶控制和驱动芯片,具有8COMx35SEG 共280位的输出能力,适用于常用的字符/图形式液晶屏幕。
SSP97950支持双向二线式串行总线通讯接口(I 2C)。
产品特性●内置RAM 35*8=280Bit ●内置复位电路●内置震荡电路●内置液晶驱动电源电路:1/4Bias,1/8Duty 内置Buffer AMP ●液晶驱动输出:Common 输出8线●I 2C串行接口●内置调节对比度(EVR)功能●低功耗设计●高EMC性能●VDD电压范围2.5V~5.5V ●VLCD电压范围2.5V~5.5V ●TSSOP48、LQFP48封装Segment 输出35线典型应用●电表、水表、汽表、手机、电话●传真机●家用电器●玩具●仪表设备专业集成电路增值服务商h t tp ://w ww.hisi w are .com TEL :0755-23106155 /755-23102065深圳市鸿鑫伟业科技有限公司订货信息产品型号封装包装形式最小包装数量SSP97950AFV TSSOP48卷盘2500SSP97950AKV LQFP48托盘250功能框图专业集成电路增值服务商h t t p://w ww.h i si wa re.co mT E L:0755-23106155/0755-23102065深圳市鸿鑫伟业科技有限公司封装引脚图TSSOP48LQFP48值服务商w.hisi w are .com 23106155 /755-23102065圳市鸿鑫伟业科技有限公司电气参数(VDD=3.3V,VLCD=5V,VSS=0,EVR=8,Ta=25℃)时序图命令&数据的传输方法SSP97950是由2线串行接口来传输数据的,基本的步骤是,首先发送第一个起始条件后,接着送本芯片地址(01111100),发送指令,显示数据,停止条件。
应答信号实行数据传送时,必须有应答信号Acknowledge。