桥式起重机分类与代号
- 格式:doc
- 大小:14.46 KB
- 文档页数:1
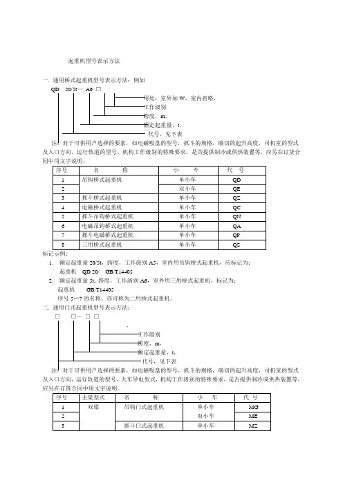
起重机型号大全Company Document number:WUUT-WUUY-WBBGB-BWYTT-1982GT起重机型号表示方法一.通用桥式起重机型号表示方法:例如QD 20/5t— A6 □用处:室外加W,室内省略,工作级别跨度,m,额定起重量,t,代号,见下表注:对于可供用户选择的要素,如电磁吸盘的型号,抓斗的规格,确切的起升高度,司机室的型式及入口方向,运行轨道的型号,机构工作级别的特殊要求,是否提供制冷或供热装置等,应另在订货合同中用文字说明。
标记示例:1.额定起重量20/5t,跨度,工作级别A5,室内用吊钩桥式起重机,应标记为:起重机 QD 20/ GB/T144052.额定起重量5t, 跨度,工作级别A6,室外用三用桥式起重机,标记为:起重机 GB/T14405序号5∽7的名称,亦可称为二用桥式起重机。
二.通用门式起重机型号表示方法:□□—□□,工作级别跨度,m,额定起重量,t,代号,见下表注:对于可供用户选择的要素,如电磁吸盘的型号,抓斗的规格,确切的起升高度,司机室的型式及入口方向,运行轨道的型号,大车导电型式,机构工作级别的特殊要求,是否提供制冷或供热装置等,应另在订货合同中用文字说明。
标记示例:1.额定起重量20/5t,跨度22m,工作级别A4,单主梁吊钩门式起重机,应标记为:起重机 MDG 20/5-22A4 GB/T144062.额定起重量50/10+50/101t, 跨度35m,工作级别A4,双梁,双小车吊钩门式起重机,标记为:起重机 ME50/10+50/10-35A4 GB/T14406序号5∽6,12∽13的名称,亦可称为二用门式起重机。
三.手动梁式起重机型号表示方法:SL □—□—□起升高度,m,跨度,m,额定起重量,t,产品代号,标记示例:起重量5t,跨度,起升高度3m 的手动梁式起重机标记为:起重机 JB/T1114-94四.手动桥式起重机型号表示方法:SQ □—□—□起升高度,m,跨度,m,额定起重量,t,产品代号,标记示例:起重量16t,跨度,起升高度的手动桥式起重机标记为:起重机 JB/T1115-94五.电动单梁起重机型号表示方法:□□—□□□操纵方式:地面 D,司机室 S,工作级别跨度,m,额定起重量,t,产品代号,如下:产品代号:1.电动葫芦小车在主梁下翼缘运行,电动葫芦布置在主梁下方的起重机,其产品代号为 LD。
桥式起重机可分为普通桥式起重机、简易梁桥式起重机和冶金专用桥式起重机三种。
普通桥式起重机一般由起重小车、桥架运行机构、桥架金属结构组成。
起重小车又由起升机构、小车运行机构和小车架三部分组成。
起升机构包括电动机、制动器、减速器、卷筒和滑轮组。
电动机通过减速器,带动卷筒转动,使钢丝绳绕上卷筒或从卷筒放下,以升降重物。
小车架是支托和安装起升机构和小车运行机构等部件的机架,通常为焊接结构。
起重机运行机构的驱动方式可分为两大类:一类为集中驱动,即用一台电动机带动长传动轴驱动两边的主动车轮;另一类为分别驱动、即两边的主动车轮各用一台电动机驱动。
中、小型桥式起重机较多采用制动器、减速器和电动机组合成一体的“三合一”驱动方式,大起重量的普通桥式起重机为便于安装和调整,驱动装置常采用万向联轴器。
起重机运行机构一般只用四个主动和从动车轮,如果起重量很大,常用增加车轮的办法来降低轮压。
当车轮超过四个时,必须采用铰接均衡车架装置,使起重机的载荷均匀地分布在各车轮上。
桥架的金属结构由主梁和端梁组成,分为单主梁桥架和双梁桥架两类。
单主梁桥架由单根主梁和位于跨度两边的端梁组成,双梁桥架由两根主梁和端梁组成。
主梁与端梁刚性连接,端梁两端装有车轮,用以支承桥架在高架上运行。
主梁上焊有轨道,供起重小车运行。
桥架主梁的结构类型较多比较典型的有箱形结构、四桁架结构和空腹桁架结构。
箱形结构又可分为正轨箱形双梁、偏轨箱形双梁、偏轨箱形单主梁等几种。
正轨箱形双梁是广泛采用的一种基本形式,主梁由上、下翼缘板和两侧的垂直腹板组成,小车钢轨布置在上翼缘板的中心线上,它的结构简单,制造方便,适于成批生产,但自重较大。
偏轨箱形双梁和偏轨箱形单主梁的截面都是由上、下翼缘板和不等厚的主副腹板组成,小车钢轨布置在主腹板上方,箱体内的短加劲板可以省去,其中偏轨箱形单主梁是由一根宽翼缘箱形主梁代替两根主梁,自重较小,但制造较复杂。
四桁架式结构由四片平面桁架组合成封闭型空间结构,在上水平桁架表面一般铺有走台板,自重轻,刚度大,但与其他结构相比,外形尺寸大,制造较复杂,疲劳强度较低,已较少生产。
桥式起重机编写人张盼目录第一节:起重机概述 (3)1、简介 (3)2、发展历史 (3)3、国内现状 (4)4、起重机的主要分类: (4)第二节桥式起重机的技术参数 (5)1、桥式起重机简介 (5)2、桥式起重机型号表示方法 (6)3、桥式起重机的技术参数 (6)第三节桥式起重机结构、机构和电气系统 (7)1、金属结构 (8)1. 1 桥架 (8)1. 2 小车架 (11)1. 3导轨 (11)1. 4 操纵室 (12)2 、工作机构 (12)2.1大车移行机构 (13)2.2小车移行机构 (14)2.3 起升机构 (15)3、电气部分 (16)3.1 电气设备 (16)3.2电气回路 (17)第四节:桥式起重机的厂商简介 (20)1、部分生产厂家基本信息 (20)2、报价参考 (23)第一节:起重机概述1、简介:起重机是起重机械的一种,指在一定范围内垂直提升和水平搬运重物的多动作起重机械。
又称吊车。
属于物料搬运的机械。
起重机的工作特点是一种作循环、间歇运动。
一个工作循环包括:取物装置从取物地把物品提起,然后水平移动到指定地点降下物品,接着进行反向运动,使取物装置返回原位,以便进行下一次循环。
通常起重机械由起升机构(使物品上下运动) 、运行机构(使起重机械移动) 、变幅机构和回转机构(使物品作水平移动),再加上金属机构,动力装置,操纵控制及必要的辅助装置组合而成。
2、发展历史:自有人类文明以来,物料搬运变成了人类活动的重要组成部分,公元前10年,古罗马建筑师维特鲁维斯曾在其建筑手册里描述了一种起重机械。
这种机械有一根桅杆,杆顶装有滑轮,由牵索固定桅杆的位置,用绞盘拉动通过滑轮的缆索,以吊起重物。
有些超重机械可用两根桅杆,构成人字形,把吊起物横向移动,但幅度很小,操作也十分吃力。
到15世纪,意大利发明了转臂式起重机(图1.2.1),才解决这个问题。
这种起重机有根倾斜的悬臂,臂顶装有滑轮,既可升降又可旋转。
起重机型号表示方法一.通用桥式起重机型号表示方法:例如QD 20/5t—22.5m A6 □用处:室外加W,室内省略,工作级别跨度,m,额定起重量,t,代号,见下表注:对于可供用户选择的要素,如电磁吸盘的型号,抓斗的规格,确切的起升高度,司机室的型式及入口方向,运行轨道的型号,机构工作级别的特殊要求,是否提供制冷或供热装置等,应另在订货合同中标记示例:1.额定起重量20/5t,跨度19.5m,工作级别A5,室内用吊钩桥式起重机,应标记为:起重机QD 20/5-19.5A5 GB/T144052.额定起重量5t, 跨度16.5m,工作级别A6,室外用三用桥式起重机,标记为:起重机QS5-16.5A6 GB/T14405序号5∽7的名称,亦可称为二用桥式起重机。
二.通用门式起重机型号表示方法:□□—□□,工作级别跨度,m,额定起重量,t,代号,见下表注:对于可供用户选择的要素,如电磁吸盘的型号,抓斗的规格,确切的起升高度,司机室的型式及入口方向,运行轨道的型号,大车导电型式,机构工作级别的特殊要求,是否提供制冷或供热装置等,应另在订货合同中用文字说明。
标记示例:1.额定起重量20/5t,跨度22m,工作级别A4,单主梁吊钩门式起重机,应标记为:起重机MDG 20/5-22A4 GB/T144062.额定起重量50/10+50/101t, 跨度35m,工作级别A4,双梁,双小车吊钩门式起重机,标记为:起重机ME50/10+50/10-35A4 GB/T14406序号5∽6,12∽13的名称,亦可称为二用门式起重机。
三.手动梁式起重机型号表示方法:SL □—□—□起升高度,m,跨度,m,额定起重量,t,产品代号,标记示例:起重量5t,跨度10.5m,起升高度3m 的手动梁式起重机标记为:起重机SL5-10.5-3 JB/T1114-94四.手动桥式起重机型号表示方法:SQ □—□—□起升高度,m,跨度,m,额定起重量,t,产品代号,标记示例:起重量16t,跨度16.5m,起升高度12.5m 的手动桥式起重机标记为:起重机SQ16-16.5-12.5 JB/T1115-94五.电动单梁起重机型号表示方法:□□—□□□操纵方式:地面D,司机室S,工作级别跨度,m,额定起重量,t,产品代号,如下:产品代号:1.电动葫芦小车在主梁下翼缘运行,电动葫芦布置在主梁下方的起重机,其产品代号为LD。
起重机型号表示方法一.通用桥式起重机型号表示方法:例如QD 20/5t—22.5m A6 □用处:室外加W,室内省略,工作级别跨度,m,额定起重量,t,代号,见下表注:对于可供用户选择的要素,如电磁吸盘的型号,抓斗的规格,确切的起升高度,司机室的型式及入口方向,运行轨道的型号,机构工作级别的特殊要求,是否提供制冷或供热装置等,应另在订货合同中用文字说明。
标记示例:1.额定起重量20/5t,跨度19.5m,工作级别A5,室内用吊钩桥式起重机,应标记为:起重机QD 20/5-19.5A5 GB/T144052.额定起重量5t, 跨度16.5m,工作级别A6,室外用三用桥式起重机,标记为:起重机QS5-16.5A6 GB/T14405序号5∽7的名称,亦可称为二用桥式起重机。
二.通用门式起重机型号表示方法:□□—□□,工作级别跨度,m,额定起重量,t,代号,见下表注:对于可供用户选择的要素,如电磁吸盘的型号,抓斗的规格,确切的起升高度,司机室的型式及入口方向,运行轨道的型号,大车导电型式,机构工作级别的特殊要求,是否提供制冷或供热装置等,应另在订货合同中用文字说明。
标记示例:1.额定起重量20/5t,跨度22m,工作级别A4,单主梁吊钩门式起重机,应标记为:起重机MDG 20/5-22A4 GB/T144062.额定起重量50/10+50/101t, 跨度35m,工作级别A4,双梁,双小车吊钩门式起重机,标记为:起重机ME50/10+50/10-35A4 GB/T14406序号5∽6,12∽13的名称,亦可称为二用门式起重机。
三.手动梁式起重机型号表示方法:SL □—□—□起升高度,m,跨度,m,额定起重量,t,产品代号,标记示例:起重量5t,跨度10.5m,起升高度3m 的手动梁式起重机标记为:起重机SL5-10.5-3 JB/T1114-94四.手动桥式起重机型号表示方法:SQ □—□—□起升高度,m,跨度,m,额定起重量,t,产品代号,标记示例:起重量16t,跨度16.5m,起升高度12.5m 的手动桥式起重机标记为:起重机SQ16-16.5-12.5 JB/T1115-94五.电动单梁起重机型号表示方法:□□—□□□操纵方式:地面D,司机室S,工作级别跨度,m,额定起重量,t,产品代号,如下:产品代号:1.电动葫芦小车在主梁下翼缘运行,电动葫芦布置在主梁下方的起重机,其产品代号为LD。
桥式起重机的品种及其使用与电动单梁起重机桥式起重机属于桥架型起重机,是取物装置悬挂在能沿桥架运行的起重小车、葫芦或肾架起重机上的起重机。
桥式起重机简称桥机,俗称桥吊、天车。
列入《特种设备目录》的桥式起重机分为通用桥式起重机、防爆桥式起重机、绝缘桥式起重机、冶金桥式起重机、电动单梁起重机和电动葫芦桥式起重机6 个品种。
一、通用桥式起重机通用桥式起重机是在一般环境中工作的桥式起重机、其取物装置为吊钩或抓斗或起重电磁铁(电磁吸盘),或同时使用其中两种或三种图2-1 所示为具有主副吊钩的32/5 双梁桥式起重机结构。
1.通用桥式起重机的基本组成通用桥式包括年运行机构、起重小车、司机室、电气系统和安全防护装置等。
①桥架包括和来主来是承重梁,小车轨道固定在主梁上。
主梁应有上拱度,我试验后的主来较小车在极限位置时,上拱最高点应在跨度中部S/10(S为跨度)范围内,其值应不小于0.7S/1 000。
端梁是由板梁或桁架、车轮组等组成的支承桥架梁的构件(2)大车运行机构包括电动机、减速器、制动器、传动轴、联轴器和车轮等,用以驱动大车的车轮转动,沿着起重机轨道水平运行。
(3)起重小车是使吊挂载荷移动的总成,由小车运行机构、起升机构和小车架等组成。
小车运行机构主要由电动机、减速器、制动器、传动轴、联轴器和车轮等组成,承担起重机的横向运动; 起升机构由电动机、减速器、制动器、卷筒、定滑轮组和起重钢丝绳等组成,承担起重作业的升降运动;小车架一般由钢板和型钢焊接组成,承担和传递全部起重载荷。
起重小车如图 2-2 所示。
( 4)司机室内配置起重机所有控制设备以及信号和照明等设备,由司机操纵控制。
(5)起重机采用滑线和电刷供电。
三相交流电源接到沿大车轨道长度方向架设的主滑线上,通过电刷首先引入司机室内的总电源开关,然后再向起重机各电气设备供电,小车由辅助滑线供电。
小型起重机采用软电缆供电。
(6)安全防护装置在桥式起重机上的设置要求如下∶应装的安全防护装置有起重量限制器、起升高度限位器、下降深度限位器(根据需要)、运行行程限位器、联锁保护安全装置、缓冲器、抗风防滑装置(室外工作的)、轨道清扫器、端部止挡、导电滑线防护板、暴篮的活动零部件的防护罩、电气设备的防雨罩(室外工作的防护等级不能满足要求时),宜装的安全防护装置有作业报警装置、防碰撞装置。
起重机型号表示方法一.通用桥式起重机型号表示方法:例如QD 20/5t—22.5m A6 □用处:室外加W,室内省略,工作级别跨度,m,额定起重量,t,代号,见下表注:对于可供用户选择的要素,如电磁吸盘的型号,抓斗的规格,确切的起升高度,司机室的型式及入口方向,运行轨道的型号,机构工作级别的特殊要求,是否提供制冷或供热装置等,应另在订货合同中标记示例:1.额定起重量20/5t,跨度19.5m,工作级别A5,室内用吊钩桥式起重机,应标记为:起重机QD 20/5-19.5A5 GB/T144052.额定起重量5t, 跨度16.5m,工作级别A6,室外用三用桥式起重机,标记为:起重机QS5-16.5A6 GB/T14405序号5∽7的名称,亦可称为二用桥式起重机。
二.通用门式起重机型号表示方法:□□—□□,工作级别跨度,m,额定起重量,t,代号,见下表注:对于可供用户选择的要素,如电磁吸盘的型号,抓斗的规格,确切的起升高度,司机室的型式及入口方向,运行轨道的型号,大车导电型式,机构工作级别的特殊要求,是否提供制冷或供热装置等,应另在订货合同中用文字说明。
标记示例:1.额定起重量20/5t,跨度22m,工作级别A4,单主梁吊钩门式起重机,应标记为:起重机MDG 20/5-22A4 GB/T144062.额定起重量50/10+50/101t, 跨度35m,工作级别A4,双梁,双小车吊钩门式起重机,标记为:起重机ME50/10+50/10-35A4 GB/T14406序号5∽6,12∽13的名称,亦可称为二用门式起重机。
三.手动梁式起重机型号表示方法:SL □—□—□起升高度,m,跨度,m,额定起重量,t,产品代号,标记示例:起重量5t,跨度10.5m,起升高度3m 的手动梁式起重机标记为:起重机SL5-10.5-3 JB/T1114-94四.手动桥式起重机型号表示方法:SQ □—□—□起升高度,m,跨度,m,额定起重量,t,产品代号,标记示例:起重量16t,跨度16.5m,起升高度12.5m 的手动桥式起重机标记为:起重机SQ16-16.5-12.5 JB/T1115-94五.电动单梁起重机型号表示方法:□□—□□□操纵方式:地面D,司机室S,工作级别跨度,m,额定起重量,t,产品代号,如下:产品代号:1.电动葫芦小车在主梁下翼缘运行,电动葫芦布置在主梁下方的起重机,其产品代号为LD。
注:通常是指电子式,如雷达、激光、超声波等。
附录A(资料性)桥式和门式起重机分类示例表A.1桥式起重机分类表分类依据类目/项目驱动动力手动、电动、气动、液压、内燃、其他运行方式直行、环行、其他结构型式(单、双、多)主梁、组合轨道悬挂、其他小车类型小车或葫芦(单、双、多)、回转、带起升导向装置、带臂架、其他用途通用吊钩桥式起重机抓斗桥式起重机电磁桥式起重机抓斗、电磁桥式起重机电磁、吊钧桥式起重机抓斗、吊钩桥式起重机吊钩、抓斗、电磁桥式起重机专用冶金黑色冶金料箱-电磁桥式起重机料箱-抓斗桥式起重机夹钳桥式起重机地面加料起重机料箱起重机铸造起重机脱锭起重机揭盖起重机钢卷夹钳起重机板坯搬运起重机料耙起重机加热炉装取料起重机均热炉夹钳起重机挂梁起重机焦罐起重机高炉多功能起重机有色冶金铝电解多功能机组阳极焙烧炉用多功能机组阳极炭块堆垛机组电极棒起重机(拔棒起重机)电解铜多功能起重机热加工锻造起重机淬火起重机仓储库房(堆垛)桥式堆垛起重机巷道堆垛起重机核电厂核电站环行起重机核电站乏燃料容器起重机核电站乏燃料水池起重机核电站燃料厂房辅助起重机生活垃圾焚烧厂垃圾抓斗起重机水电站卷扬式启闭机集装箱装卸区集装箱桥式起重机特殊环境防爆桥式起重机绝缘桥式起重机洁净室及相关受控环境用起重机表A.2门式、半门式起重机分类表分类依据类目/项目驱动动力手动、电动、气动、液压、内燃、其他运行方式轨行、轮胎、直行、环行、其他结构型式主梁(单、双)、悬臂(单、双、无、伸缩、俯仰)、其他小车类型((单、双)小车或葫芦、回转、带起升导向装置、带臂架(固定、回转)、移动方式(自行、牵引)、布置形式(载重、半载重、绳索、半绳索)、其他用途通用吊钩门式起重机抓斗门式起重机电磁门式起重机抓斗、电磁门式起重机电磁、吊钧门式起重机抓斗、吊钩门式起重机吊钩、抓斗、电磁门式起重机专用集装箱装卸区轮胎式集装箱门式起重机轨道式集装箱门式起重机水电站坝顶单吊点门式起重机(启闭机)坝顶双吊点门式起重机(启闭机)尾水单吊点门式起重机(启闭机)坝顶双吊点门式起重机(启闭机)造船厂造船门式起重机码头岸边岸边集装箱起重机桥式抓斗卸船机架桥导梁式架桥机运架一体式架桥机附录B(资料性)桥式和门式起重机命名的一般规律起重机名称的要素,按一般顺序可分为主要特征字段、结构类型字段和产品分类字段。