WGL录波器103定值传输规约
- 格式:pdf
- 大小:85.38 KB
- 文档页数:10
变电站自动化系统站内通讯应用层规范1.前言本规范参考了IEC60870-5-103(继电保护设备信息接口配套标准)传输规约(以下简称103规约),采用103规约的应用服务数据单元,本规范对103规约的通用服务作了具体的规定,采用本规范的主站系统要求实现本规范的全部内容,采用本规范的子站设备可以只实现部份功能。
2.报文类型及用途应用层报文的最大长度为240字节。
2.1.由主站发往子站的报文(控制方向)2.2. 由子站发往主站的报文(监视方向)3. 标识报文注:注站的软件板本显示为两位固定小数。
0XFFFFH 表示上送所有的数据。
4.通用分类服务本章内容根据IEC60870-5-103配套标准中所定义的通用分类服务对传输帧报文进行自描述,具有开放性。
本规范中,通用服务的访问基于组的标题及条目的标题,内容相同的条目在不同的设备中,它的GIN可能会不同。
条目描述的M/O栏中M表示该项必须实现,O 表示该项可选择实现。
数据类型栏中列出了可能实现的类型。
通用分类服务标识序号分为下列组类型,每组可定义256个条目,并规定00号条目为组标题。
X表示该项可为任意值,同时应满足相关的约束条件,如每一组的组号都应不同。
描述名称的最大长度小于等于32字节。
4.1装置描述该组用来存放装置的固定描述,其内容可以由主站读取但不可被修改,具体的条目定义如下:制造厂家装置型号Ex. RCS-9611B装置名称装置类别(同ASDU5中)版本号(同ASDU5中)版本号的值按两位固定小数显示, ex. 3.110功能描述程序形成时间校验码4.2 装置参数该组用来存放装置的系列参数,可以由主站读写,具体的条目定义如下:4. 3 定值区号该组用来存放装置的定值区号的属性,具体的条目定义如下:运行定值区(M):指该定值区中定值正在运行,可被主站召唤或修改。
4. 4 定值该组用来存放装置当前定值区中的定值,可以由主站读写,具体的条目定义如下:4. 5 动作元件该组用来存放装置动作信息,当装置有保护动作事件发生时,装置将该信息主动报告给主站,主站对该组不可以写。
103通讯参考报文以下均以00# 节点为例1.未初始化之前主:10 7B 00 7B 16子:10 0E 00 0E 16 链路服务未工作2.初始化主:10 40 00 40 16 复位通信单元子:10 20 00 20 16主:10 7A 00 7A 16子:68 15 15 68 28 00 05 81 04 00 FF 03 03 20 20 20 20 20 20 20 20 20 20 20 20 37 16 主:10 5A 00 5A 16子:68 15 15 68 08 00 05 81 05 00 FF 04 03 20 20 20 20 20 20 20 20 20 20 20 20 19 16主:10 47 00 47 16 复位帧计数位子:10 20 00 20 16主:10 7A 00 7A 16子:68 15 15 68 28 00 05 81 03 00 FF 02 03 20 20 20 20 20 20 20 20 20 20 20 20 35 16 主:10 5A 00 5A 16子:68 15 15 68 08 00 05 81 05 00 FF 04 03 20 20 20 20 20 20 20 20 20 20 20 20 19 163.时钟同步主:68 0F 0F 68 44 FF 06 81 08 FF FF 00 00 00 00 0C 0A 01 07 XX 164.4.通用分类服务总查询主:68 0A 0A 68 53(73) 00 15 81 09 00 FE F5 00 00 XX 16子:10 20 00 20 16主:10 7A 00 7A 16子:68 89 89 68 28 00XX 16 校验码、结束符主:10 5A 00 5A 16子:68 65 65 68 28 00XX 16 校验码、结束符5.6.遥控:(遥控01 节点1 路遥控)遥控分选择正确主:68 11 11 68 73 01 0A 81 28 01 FE F9 09 01 60 01 01 09 01 01 01 97 16 子:10 20 01 21 16主:10 5A 01 5B 16从:68 11 11 68 08 01 0A 81 2C 01 FE F9 09 01 60 01 01 09 01 01 01 30 16遥控分执行正确主:68 11 11 68 73 01 0A 81 28 01 FE FA 0A 01 60 01 01 09 01 01 01 99 16 从:68 0A 0A 68 08 01 0A 81 28 01 FE FA 0A 00 BF 16主:10 5A 01 5B 16从:68 0A 0A 68 08 01 0A 81 28 01 FE FA 0A 00 BF 16遥控合选择正确主:68 11 11 68 73 01 0A 81 28 01 FE F9 09 01 60 01 01 09 01 01 02 98 16 子:10 20 01 21 16主:10 5A 01 5B 16从:68 11 11 68 08 01 0A 81 2C 01 FE F9 09 01 60 01 01 09 01 01 01 30 16遥控合执行正确主:68 11 11 68 73 01 0A 81 28 01 FE FA 0A 01 60 01 01 09 01 01 02 9A 16 从:68 0A 0A 68 08 01 0A 81 28 01 FE FA 0A 00 BF 16主:10 5A 01 5B 16从:68 0A 0A 68 08 01 0A 81 28 01 FE FA 0A 00 BF 167.开关事项、保护事项、自检事项一级数据上送主:10 7A 00 7A 16 / 10 5A 00 5A 16开关变位子:68 1E 1E 68 08 000A 81 01 00 FE F4 00 0110 01 01 17 0E 010E 07 01 75 BF 2E 0C 01 01 07变位发生时间09 01 01 01变位性质01(从合到分) 02(从分到合)XX 16保护事项子:68 46 46 68 28 000A 81 01 00 FE F4 00 0120 01 01 17 36 010E 07 01 82 90 35 0C 01 01 07动作时间03 01 01 01动作次数03 01 01 02保护测量值个数03 01 01 00 03 02 01 10 27保护测量值03 01 01 04 03 02 01 10 27保护测量值03 01 01 FF 03 02 01 00 00保护测量值03 01 01 FF 03 02 01 00 00保护测量值XX 16自检事项子:68 1E 1E 68 08 000A 81 01 00 FE F4 00 0180 02 01 17 0E 010E 07 01 75 BF 2E 0C 01 01 07故障发生时间03 01 01 01故障次数XX 168.读一个组的全部条目的值保护测量值组主:68 0D 0D 68 53(73) 00 15 81 2A 00 FE F1 00 01 30 00 01 XX 16 遥测组主:68 0D 0D 68 53(73) 00 15 81 2A 00 FE F1 00 01 40 00 01 XX 16 遥信组主:68 0D 0D 68 53(73) 00 15 81 2A 00 FE F1 00 01 50 00 01 XX 16 电度组主:68 0D 0D 68 53(73) 00 15 81 2A 00 FE F1 00 01 70 00 01 XX 16 自检状态组主:68 0D 0D 68 53(73) 00 15 81 2A 00 FE F1 00 01 90 00 01 XX 16 子站响应保护测量值XX 16 校验码、结束符。
103规约详解⼀、DL/T667-1999(IEC60870-5-103)通信规约基本要点1. 通信接⼝1.1 接⼝标准:RS232、RS485、光纤。
1.2 通信格式:异步,1位起始位,8位数据位,1位偶校验位,1位停⽌位。
字符和字节传输由低⾄⾼。
线路空闲状态为1,字符间⽆需线路空闲间隔,两帧之间线路空闲间隔⾄少33位(3个字节)1.3 通信速率:可变。
1.4 通信⽅式:主从⼀对多,Polling⽅式。
2. 报⽂格式870-5-103通信规约有固定帧长报⽂和可变帧长报⽂两种报⽂格式,前者主要⽤于传送“召唤、命令、确认、应答”等信息,后者主要⽤于传送“命令”和“数据”等信息。
2.1 固定帧长报⽂启动字符控制域地址域代码和结束字符注:代码和=控制域+地址域(不考虑溢出位,即256模和)2.2————启动字符1(1byte)————长度(1byte)————长度(重复)(1byte)————启动字符2(重复)(1byte)————控制域(1byte)————地址域(1byte)————链路⽤户数据[(length-2)byte]————代码和(1byte)————结束字符(1byte)注:(1)代码和=控制域+地址域+ ASDU代码和(不考虑溢出位,即256模和)(2)ASDU为“链路⽤户数据”包,具体格式将在下⽂介绍(3)Length=ASDU字节数+22.3 控制域控制域分“主从”和“从主”两种情况。
(1)“主从”报⽂的控制域D7 D6 D5 D4 D3 D2 D1 D0备⽤PRM FCB FCV 功能码0 11(A)PRM(启动报⽂位)表明信息传输⽅向,PRM=1由主站⾄⼦站;PRM=0由⼦站⾄主站。
(B)FCB(桢记数位)。
FCB = 0 / 1——主站每向从站发送新⼀轮的“发送/确认”或“请求/响应”传输服务时,将FCB取反。
主站为每个从站保存⼀个FCB的拷贝,若超时未收到应答,则主站重发,重发报⽂的FCB保持不变,重发次数最多不超过3次。
变电站保护和测控系统站内传输规约一. 前言1.本规约参考了IEC60870-5-103(继电保护设备信息接口配套标准)传输规约(以下简称103规约),针对不同的网络结构,提出了2种链路传输方式,但都采用103规约的应用服务数据单元。
根据103规约的要求,新研制的保护、测量、控制设备必须采用该配套标准的兼容范围,不能满足的部分采用通用分类服务完成。
因此本协议适用于新研制的产品。
1.1 标准的103规约传输方式(以下简称方式1)本方式只适用于一主多从的网络结构,如:多点星形、多点环形、多点共线;当然也适用于点对点和多个点对点。
其链路传输规则采用窗口尺寸为1的非平衡传输方式。
传统的RS-485网络采用本方式。
2.2 扩充的103规约传输方式(以下简称方式2)对于对等网形式多主站或单主站的网络结构,为充分发挥网络的优势,自(特)发事件及变化数据必须主动上传,因此在方式1的基础上(仅采用103规约的应用服务数据单元),链路层采用网络传输规则(包含源和目的地址、数据是否有效传送等)。
以太网结构可采用本方式。
2.传输帧格式方式1采用两种形式的帧格式FT1.2(P85):固定帧长帧格式和可变帧长帧格式。
固定帧长帧格式是一种简化的非标准的传输帧格式,用于提高本方式下的传输效率。
方式2采用可变帧长帧格式。
3.应用服务数据单元P8本规约采用103规约定义的应用服务数据单元,链路规约数据单元中不得包含多于一个的应用服务数据单元。
兼容范围的应用服务数据单元中:类型标识TYP=<1~31>(见P10);传送原因CON=<1~63>(P11);应用服务数据单元公共地址:<0~254>为站地址、<255>为广播地址;功能类型FUN=<128>距离保护、<160>过流保护、<176>变压器差动保护、<192>线路差动保护、<254>通用分类功能类型、<255>全局功能类型;信息序号INF(P12~17,表8~18);兼容范围内的信息优先使用,以提高报文的响应速度。
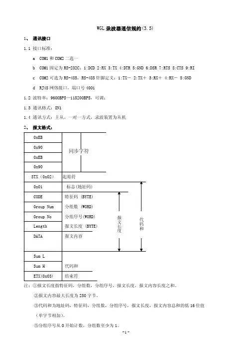
WGL录波器通信规约(3.5)1、通讯接口1.1接口标准:a COM1和COM2二选一b COM1固定为RS-232C;1:DCD 2:RX 3:TX 4:DTR 5:GND 6:DSR 7:RTS 8:CTS 9:RIc COM2可选为RS-485,RS-485针脚定义:1:TX- 2:TX+ 3:RX+ 4:RX- 5:GNDd RJ45网络接口,端口号40011.2波特率:9600BPS—115200BPS,可调;1.3通讯格式:8N11.4通讯方式:主从,一对一方式,录波装置为从机2、报文格式:注:①报文长度指特征码,分组数,分组序号,报文长度,报文内容长度之和。
②报文内容最大长度为250字节。
③代码和为地址码,特征码,分组数,分组序号,报文长度,报文内容总和的低16位值(单字节相加)。
⑤分组序号从0开始计数,分组数至少为1。
⑥报文内容可以为空。
3、报文特征码定义CODE=0x76: 列目录CODE=0x78: 取文件CODE=0x04: 传输中止,此帧无数据内容(EOT)CODE=0x06: 正确应答帧,此帧无数据内容(ACK)CODE=0x15: 不正确应答帧(没有找到目标文件或目录),此帧无数据内容(NAK)CODE=0x92:软对时注: 除0x06帧外,其余帧录波器端均有响应4、报文交换过程所有的错误,从机都以NAK帧回答。
4.1 列目录struct DIR_LIST{WORD wr_Date; // 2 Bytes.WORD wr_Time; // 2 Bytes.long FileLength; // 4 Bytes.char Attr; // 1 Byte.char FileName[13]; // 13Bytes.};主机从机(录波器)响应Code=0x76, GroupNum=1,GroupNo=0列目录第一帧Code=0x76,GroupNum=目录条目数目(ItemsNum) ,DATA=DIR_LISTCode=0x76, GroupNum=目录条目数目(ItemsNum) GroupNo=1 ⇒ (ItemsNum-1) Code=0x76,GroupNum=目录条目数目(ItemsNum) GroupNo=帧序号(1 ⇒ (ItemNum-1) )DATA= DIR_LIST(在完成所有报文的接收工作后,主机向从机发送正确应答帧CODE=0x06)当在接收某帧过程中出错,要求对方重传该报文时,重传请求报文采用NAK。
变电站自动化系统站内通讯应用层规范1.前言本规范参考了IEC60870-5-103(继电保护设备信息接口配套标准)传输规约(以下简称103规约),采用103规约的应用服务数据单元,本规范对103规约的通用服务作了具体的规定,采用本规范的主站系统要求实现本规范的全部内容,采用本规范的子站设备可以只实现部份功能。
2.报文类型及用途应用层报文的最大长度为240字节。
2.1.由主站发往子站的报文(控制方向)2.2. 由子站发往主站的报文(监视方向)3. 标识报文注:注站的软件板本显示为两位固定小数。
序号为0表示上送最新数据,1 表示次新,以此类推。
0XFFFFH 表示上送所有的数据。
4.通用分类服务本章内容根据IEC60870-5-103配套标准中所定义的通用分类服务对传输帧报文进行自描述,具有开放性。
本规范中,通用服务的访问基于组的标题及条目的标题,内容相同的条目在不同的设备中,它的GIN可能会不同。
条目描述的M/O栏中M表示该项必须实现,O 表示该项可选择实现。
数据类型栏中列出了可能实现的类型。
通用分类服务标识序号分为下列组类型,每组可定义256个条目,并规定00号条目为组标题。
X表示该项可为任意值,同时应满足相关的约束条件,如每一组的组号都应不同。
4.1装置描述该组用来存放装置的固定描述,其内容可以由主站读取但不可被修改,具体的条目定义如下:Ex. 线路测控装置对应于ASDU5中的装置类别,ex. 601版本号的值按两位固定小数显示, ex. 3.11功能描述校验码要求以16进制数显示4.2 装置参数该组用来存放装置的系列参数,可以由主站读写,具体的条目定义如下:4. 3 定值区号该组用来存放装置的定值区号的属性,具体的条目定义如下:运行定值区(M):指该定值区中定值正在运行,可被主站召唤或修改。
注:运行定值区的改变应主动上送。
4. 4 定值该组用来存放装置当前定值区中的定值,可以由主站读写,具体的条目定义如下:4. 5 动作元件该组用来存放装置动作信息,当装置有保护动作事件发生时,装置将该信息主动报告给主站,主站对该组不可以写。
一、DL/T667-1999(IEC60870-5-103)通信规约基本要点1. 通信接口1.1 接口标准:RS232、RS485、光纤。
1.2 通信格式:异步,1位起始位,8位数据位,1位偶校验位,1位停止位。
字符和字节传输由低至高。
线路空闲状态为1,字符间无需线路空闲间隔,两帧之间线路空闲间隔至少33位(3个字节)1.3 通信速率:可变。
1.4 通信方式:主从一对多,Polling方式。
2. 报文格式870-5-103通信规约有固定帧长报文和可变帧长报文两种报文格式,前者主要用于传送“召唤、命令、确认、应答”等信息,后者主要用于传送“命令”和“数据”等信息。
2.1 固定帧长报文启动字符控制域地址域代码和结束字符注:代码和=控制域+地址域(不考虑溢出位,即256模和)————启动字符1(1byte)————长度(1byte)————长度(重复)(1byte)————启动字符2(重复)(1byte)————控制域(1byte)————地址域(1byte)————链路用户数据[(length-2)byte]————代码和(1byte)————结束字符(1byte)注:(1)代码和=控制域+地址域+ ASDU代码和(不考虑溢出位,即256模和)(2)ASDU为“链路用户数据”包,具体格式将在下文介绍(3)Length=ASDU字节数+22.3 控制域控制域分“主∧从”和“从∧主”两种情况。
(1)“主∧从”报文的控制域D7 D6 D5 D4 D3 D2 D1 D0备用PRM FCB FCV 功能码0 11(A)PRM(启动报文位)表明信息传输方向,PRM=1由主站至子站;PRM=0由子站至主站。
(B ) FCB (桢记数位)。
FCB = 0 / 1——主站每向从站发送新一轮的“发送/确认”或“请求/响应”传输服务时,将FCB 取反。
主站为每个从站保存一个FCB 的拷贝,若超时未收到应答,则主站重发,重发报文的FCB 保持不变,重发次数最多不超过3次。
四方保护与测控装置103规约实施细则(V1.00)四方保护与测控装置103规约实施细则(V1.00)编制:李继晟、谭燕、叶艳军、张晓光校核:武芳瑛标准化审查:审定:高峰版本号:V1.00文件代号:0SF.499.002出版日期:2005-6-17目录1 前言 (1)2 物理接口 (1)2.1 串行通信方式 (1)2.2 以太网通信方式 (1)3 链路层 (1)3.1 FT1.2帧格式 (1)3.1.1 固定帧长格式 (1)3.1.2 可变帧长格式 (1)3.2 传输规定 (1)3.2.1 控制域 (2)3.2.2 功能码 (2)3.2.3 地址域 (3)4 链路规约数据单元(LDPU) (3)4.1 固定帧长的链路规约数据单元 (3)4.1.1 控制方向 (3)4.1.2 监视方向 (4)4.2 可变帧长的链路规约数据单元 (5)4.2.1 类型标识 (5)4.2.2 可变结构限定词 (6)4.2.3 传送原因 (6)4.2.4 功能类型和信息序号 (7)4.2.5 信息元素 (8)4.2.5.1 实际通道(ACC) (8)4.2.5.2 ASCII字符(ASC) (9)4.2.5.3 兼容级别(COL) (9)4.2.5.4 双命令(DCO)(见IEC 371-03-03) (9)4.2.5.5 双点信息(DPI)(见IEV 371-03-08) (9)4.2.5.6 故障序号(FAN) (9)4.2.5.7 信息元素之间间隔(INT) (9)4.2.5.8 带品质描述词的被测值(MEA) (9)4.2.5.9 应用服务数据单元的第一个信息元素的序号(NFE) (10)4.2.5.10 通道数目(NOC) (10)4.2.5.11 一个通道信息元素的数目(NOE) (10)4.2.5.12 电网故障序号(NOF) (10)4.2.5.13 带标志的状态变位数目(NOT) (10)4.2.5.14 每个应用服务数据单元有关联扰动值的数目(NDV) (10)4.2.5.15 相对时间(RET) (10)4.2.5.16 参比因子(RFA) (11)4.2.5.17 额定一次值(RPV) (11)4.2.5.18 额定二次值(RSV) (11)4.2.5.19 返回信息标识符(RII) (11)4.2.5.20 短路位置(SCL) (11)4.2.5.21 扫瞄序号(SCN) (11)4.2.5.22 单个扰动值(SDV) (11)4.2.5.23 附加信息(SIN) (11)4.2.5.24 故障的状态(SOF) (12)4.2.5.25 带标志的状态变位的位置(TAP) (12)4.2.5.26 命令类型(TOO) (12)4.2.5.27 扰动值的类型(TOV) (13)4.2.5.28 四个八位位组的二进制时间 (13)4.2.5.29 七个八位位组的二进制时间 (13)4.2.5.30 通用分类数据集数目(NGD) (14)4.2.5.31 通用分类标识序号(GIN) (14)4.2.5.32 通用分类数据描述(GDD) (14)4.2.5.33 通用分类标识数据(GID) (16)4.2.5.34 描述的类别(KOD) (16)4.2.5.35 描述元素的数目 (18)4.2.5.36 通用分类回答码 (18)4.2.5.37 通用分类标识数目 (19)5 常用ASDUs的定义和表示法 (19)5.1 初始化及总召唤 (19)5.1.1 传输过程说明 (19)5.1.2 ASDU解释 (19)5.1.2.1 ASDU5标识报文 (19)5.1.2.2 ASDU6对时 (20)5.1.2.3 ASDU7启动总查询 (20)5.1.2.4 ASDU8总查询结束(终止) (20)5.1.2.5 ASDU21启动通用分类服务总查询 (21)5.1.2.6 ASDU10通用分类服务总查询结束 (21)5.1.3 报文示例 (21)5.2 遥信 (23)5.2.1 传输过程说明 (23)5.2.2 ASDU解释 (23)5.2.2.1 ASDU1开入、压板、告警事件 (23)5.2.2.2 ASDU42上送全遥信(保护、测控一体设备) (23)5.2.2.3 ASDU2上送保护动作信息 (24)5.2.3 报文示例 (24)5.2.3.1 全遥信收集 (24)5.2.3.2 变位遥信 (25)5.3 遥测 (26)5.3.1 传输过程说明 (26)5.3.2 ASDU解释 (26)5.3.2.1 ASDU21通用分类读命令(读一个组的值) (26)5.3.2.2 ASDU10上送遥测量 (26)5.3.2.3 ASDU21启动通用分类服务总查询 (27)5.3.2.4 ASDU10通用分类服务总查询结束 (27)5.3.3 报文示例 (27)5.4 分接头 (28)5.4.1 传输过程说明 (28)5.4.2 ASDU解释 (28)5.4.2.1 ASDU38分接头 (28)5.4.3 报文示例 (28)5.5 电度 (28)5.5.1 传输过程说明 (28)5.5.2 ASDU解释 (29)5.5.2.1 ASDU21组召唤 (29)5.5.2.2 ASDU10响应组召唤 (29)5.5.3 报文示例 (29)5.6 时钟同步 (29)5.6.1 传输过程说明 (29)5.6.2 ASDU解释 (29)5.6.2.1 ASDU6时钟同步 (29)5.6.2.2 ASDU6响应时钟同步 (29)5.6.3 报文示例 (29)5.6.3.1 广播方式 (29)5.6.3.2 点对点方式 (30)5.7 复归LED (30)5.7.1 传输过程说明 (30)5.7.2 ASDU解释 (30)5.7.2.1 ASDU20复归LED (30)5.7.2.2 ASDU1响应一般命令 (30)5.7.3 报文示例 (31)5.7.3.1 广播方式 (31)5.7.3.2 点对点 (31)5.8 定值 (31)5.8.1 传输过程说明 (31)5.8.2 ASDU解释 (32)5.8.2.1 ASDU21定值召唤 (32)5.8.2.2 ASDU10定值上传 (33)5.8.2.3 ASDU10定值下传(带确认写) (33)5.8.2.4 ASDU10响应定值下传(带确认写) (34)5.8.2.5 ASDU10定值修改(带执行写) (34)5.8.2.6 ASDU10响应定值修改(带执行写) (35)5.8.2.7 ASDU21定值区号召唤 (35)5.8.2.8 ASDU10定值区号上传 (36)5.8.2.9 ASDU10定值区切换 (36)5.8.3 报文示例 (36)5.8.3.1 读取一个CPU的所有定值 (36)5.8.3.2 读取单条定值 (37)5.8.3.3 读当前定值区号 (38)5.8.3.4 修改定值 (38)5.8.3.5 切换当前定值区 (38)5.9 遥控(遥控开出与遥控软压板) (38)5.9.1 传输过程说明 (38)5.9.2 ASDU解释 (39)5.9.2.1 ASDU10遥控选择(带确认写) (39)5.9.2.2 ASDU10响应遥控选择(带确认写) (39)5.9.2.3 ASDU10遥控执行(带执行写) (40)5.9.2.4 ASDU10响应遥控选择(带执行写) (40)5.9.3 报文示例 (40)5.10 分接头升降 (41)5.10.1 传输过程说明 (41)5.10.2 报文示例 (41)5.11 扰动数据的传输 (41)5.11.1 传输过程说明 (41)5.11.2 ASDU解释 (42)5.11.2.1 ASDU23被记录的扰动表 (42)5.11.2.2 ASDU24扰动数据传输的命令 (42)5.11.2.3 ASDU26扰动数据传输准备就绪 (43)5.11.2.4 ASDU28带标志的状态变位传输准备就绪 (44)5.11.2.5 ASDU29带标志的状态变位传输 (44)5.11.2.6 ASDU31扰动数据传输结束 (44)5.11.2.7 ASDU27被记录的通道传输准备就绪 (45)5.11.2.8 ASDU30传输扰动值 (45)5.11.2.9 ASDU25扰动数据传输的认可 (46)5.11.3 报文示例 (46)5.12 保护事件参数 (49)5.12.1 传输过程说明 (49)5.12.2 ASDU解释 (49)5.12.2.1 保护事件参数ASDU10 (49)5.12.3 报文示例 (52)1 前言本细则是基于电力行业标准DL/T 667-1999 ( idt. IEC 60870-5-103)下的通信接口规范,适用于四方产品范围内继电保护和测量控制功能一体化的设备、以及继电保护和测量控制功能分别由不同装置完成的设备。
珠海万力达电气股份有限公司珠海万力达103规约实施细则目录1. 前言 (1)2. 通信接口 (1)3. 链路层 (1)3.1帧格式 (1)3.1.1固定帧长格式 (1)3.1.2 可变帧长格式 (1)3.2 传输规定 (1)3.2.1 控制域 (2)3.2.2 功能码 (2)3.2.3 地址域 (3)4. 链路规约数据单元(LDPU) (3)4.1 固定帧长的链路规约数据单元 (3)4.1.1 控制方向 (3)4.1.2 监视方向 (4)4.2 可变帧长的链路规约数据单元 (5)4.2.1 类型标识TYP (5)4.2.2 可变结构限定词VSQ (6)4.2.3 传送原因COT (6)4.2.4 应用服务数据单元公共地址 (7)4.2.5 功能类型和信息序号 (7)4.2.6 信息元素 (8)4.2.6.1 实际通道(ACC) (8)4.2.6.2 ASCII字符(ASC) (9)4.2.6.3 兼容级别(COL) (9)4.2.6.4 双命令(DCO)(见IEC 371-03-03) (9)4.2.6.5 双点信息(DPI)(见IEV 371-03-08) (9)4.2.6.6 故障序号(FAN) (9)4.2.6.7 信息元素之间间隔(INT) (9)4.2.6.8 带品质描述词的被测值(MEA) (9)4.2.6.9 应用服务数据单元的第一个信息元素的序号(NFE) (10)4.2.6.10 通道数目(NOC) (10)4.2.6.11 一个通道信息元素的数目(NOE) (10)4.2.6.12 电网故障序号(NOF) (10)4.2.6.13 带标志的状态变位数目(NOT) (10)4.2.6.14 每个应用服务数据单元有关联扰动值的数目(NDV) (10)4.2.6.15 相对时间(RET) (10)4.2.6.16 变比因子(RFA) (10)4.2.6.17 额定一次值(RPV) (11)4.2.6.18 额定二次值(RSV) (11)4.2.6.19 返回信息标识符(RII) (11)4.2.6.20 短路位置(SCL) (11)4.2.6.21 扫瞄序号(SCN) (11)4.2.6.22 单个扰动值(SDV) (11)4.2.6.23 附加信息(SIN) (11)4.2.6.24 故障的状态(SOF) (11)4.2.6.25 带标志的状态变位的位置(TAP) (12)4.2.6.26 命令类型(TOO) (12)4.2.6.27 扰动值的类型(TOV) (13)4.2.6.28 四个八位位组的二进制时间 (13)4.2.6.29 七个八位位组的二进制时间 (13)4.2.6.30 通用分类数据集数目(NGD) (13)4.2.6.31 通用分类标识序号(GIN) (14)4.2.6.32 通用分类数据描述(GDD) (14)4.2.6.33 通用分类标识数据(GID) (16)4.2.6.34 描述的类别(KOD) (16)4.2.6.35 描述元素的数目 (18)4.2.6.36 通用分类回答码 (18)4.2.6.37 通用分类标识数目 (18)5.常用ASDUs的定义和表示法 (19)5.1 初始化及总召唤 (19)5.1.1 传输过程说明 (19)5.1.2 ASDU解释 (19)5.1.2.1 ASDU5标识报文 (19)5.1.2.2 ASDU6对时 (19)5.1.2.3 ASDU7启动总查询 (20)5.1.2.4 ASDU8总查询结束(终止) (20)5.1.2.5 ASDU21启动通用分类服务总查询 (20)5.1.2.6 ASDU10通用分类服务总查询结束 (21)5.1.3 报文示例 (21)5.2 遥信 (22)5.2.1 传输过程说明 (22)5.2.2 ASDU解释 (22)5.2.2.1 ASDU10上送全遥信 (22)5.2.2.2 ASDU10上送SOE (23)5.2.2.3 ASDU21启动通用分类服务总查询 (24)5.2.2.4 ASDU10通用分类服务总查询结束 (24)5.2.3 报文示例 (24)5.2.3.1 全遥信收集 (24)5.2.3.2 变位遥信 (24)5.3 遥测 (24)5.3.1 传输过程说明 (24)5.3.2 ASDU解释 (25)5.3.2.1 ASDU21通用分类读命令(读一个组的值) (25)5.3.2.2 ASDU10上送遥测量 (25)5.3.2.3 ASDU21启动通用分类服务总查询 (26)5.3.2.4 ASDU10通用分类服务总查询结束 (26)5.3.3 报文示例 (26)5.4 电度 (27)5.4.1 传输过程说明 (27)5.4.2 ASDU解释 (27)5.4.2.1 ASDU21组召唤 (27)5.4.2.2 ASDU10响应组召唤 (27)5.4.3 报文示例 (27)5.5 时钟同步 (27)5.5.1 传输过程说明 (27)5.5.2 ASDU解释 (27)5.5.2.1 ASDU6时钟同步 (27)5.5.2.2 ASDU6响应时钟同步 (28)5.5.3 报文示例 (28)5.5.3.1 广播方式 (28)5.5.3.2 点对点方式 (28)5.6 定值(含定值区号) (28)5.6.1 传输过程说明 (28)5.6.2 ASDU解释 (29)5.6.2.1 ASDU21定值召唤 (29)5.6.2.2 ASDU10定值上传 (30)5.6.2.3 ASDU10定值下传(带确认写) (30)5.6.2.4 ASDU10响应定值下传(带确认写) (31)5.6.2.5 ASDU10定值修改(带执行写) (31)5.6.2.6 ASDU10响应定值修改(带执行写) (32)5.6.3 报文示例 (32)5.6.3.1 读取某定值区全部定值 (32)5.6.3.2 读取某定值区单条定值 (33)5.6.3.3 读取定值运行区区号 (33)5.6.3.4 修改某定值区某定值 (34)5.6.3.5 修改定值运行区区号 (34)5.7 脉冲电度设置 (34)5.8 遥控(遥控开出与遥控软压板)及信号复归 (34)5.8.1 传输过程说明 (34)5.8.2 ASDU解释 (35)5.8.2.1 ASDU10遥控选择(带确认写) (35)5.8.2.2 ASDU10响应遥控选择(带确认写) (35)5.8.2.3 ASDU10遥控执行(带执行写) (35)5.8.2.4 ASDU10响应遥控执行(带执行写) (36)5.8.3 报文示例 (36)5.8.3.1 遥控 (36)5.8.3.2 信号复归 (37)5.9 扰动数据的传输 (37)5.9.1 传输过程说明 (37)5.9.2 ASDU解释 (37)5.9.2.1 ASDU23被记录的扰动表 (37)5.9.2.2 ASDU24扰动数据传输的命令 (38)5.9.2.3 ASDU26扰动数据传输准备就绪 (39)5.9.2.4 ASDU28带标志的状态变位传输准备就绪 (39)5.9.2.5 ASDU29带标志的状态变位传输 (40)5.9.2.6 ASDU31扰动数据传输结束 (40)5.9.2.7 ASDU27被记录的通道传输准备就绪 (41)5.9.2.8 ASDU30传输扰动值 (41)5.9.2.9 ASDU25扰动数据传输的认可 (42)5.9.3 报文示例 (42)6.附录A:通用分类目录结构(以MLPR-610Hb 保护测控装置为例) (46)7.附录B:扰动数据传输状态及通道定义(以MLPR-610Hb 保护测控装置为例) (69)1. 前言本细则是基于电力行业标准DL/T 667-1999 ( idt. IEC 60870-5-103)下的通信接口标准,适用于珠海万力达公司产品范围内继电保护和测量控制功能一体化的设备、以及继电保护和测量控制功能分别由不同装置完成的设备。
四方串口103规约录波流程103录波功能流程1.故障时录波报文上送流程故障时的录波扰动表需要主动上送。
以下为103扰动数据传输标准流程:主站发:召一级数据子站发:ASDU23被记录扰动表送整个录波过程有几个波段,及各个波段的起始时间。
主站发:ASDU24故障选择命令。
子站发:确认帧主站发:召一级数据子站发:ASDU26扰动数据传输准备就绪。
送被选择故障序号的波段的通道数、采样频率、采样点数、该波段的起始时间。
注:电网故障序号(NOF)整个录波过程唯一。
主站发:ASDU24扰动数据的请求或中止。
子站发:确认帧主站发:召一级数据子站发:ASDU28带标志的状态变位传输准备就绪。
送被选择的故障序号FAN。
主站发:ASDU24请求带标志的状态变位传输。
子站发:确认帧主站发:召一级数据传输带标志的状态变位的初始状态。
注:标志的位置(TAP)即本波段的采样点号。
主站发:召一级数据子站发:ASDU29传输那些带标志的状态变位。
……主站发:召一级数据子站发:ASDU31带标志的状态变位传输结束。
主站发:ASDU25肯定或否定认可。
子站发:确认帧主站发:召一级数据子站发:ASDU27被记录的第一个通道传输准备就绪。
上送第一个通道的一次额定值、二次额定值、及参比因子。
主站发:ASDU24第一个通道传输的请求。
子站发:确认帧主站发:召一级数据子站发:ASDU30被请求通道的扰动值立即传输或结束传输。
送第一个通道整个波段的扰动值。
…….主站发:召一级数据子站发:ASDU31第一个通道传输结束。
主站发:ASDU25肯定或否定认可。
……………循环这个过程,直到所有通道的扰动值传输完毕。
主站发:召一级数据子站发:ASDU31扰动数据传输结束。
主站发:ASDU25肯定或否定认可。
子站发:确认帧主站发:召一级数据子站发:ASDU23刷新的记录扰动表2.总召唤时录波报文上送流程总召唤时上送录波扰动表,其它同上。
103规约转出软件实验报告(改进版)1、初始化●主站发: 10 40 04 44 16目的:给地址为04的装置发复位通信单元命令。
10 //固定帧长起始字符40 //控制域04 //4416子站回答:10 20 04 24 16目的: ACD位置1,表明子站向主站请求1级数据上送。
●主站发: 10 7a 04 7e 16目的:向地址为04的装置发请求1级数据命令。
子站回答:68 15 15 68 28 04 05 81 04 04 b2 03 03 c4 cf c8 f0 bc cc b1 a3 0100 01 00 9b 16 (ASDU5,CON=28,COT=4)68 //启动字符15 //报文长度15 //报文长度68 //启动字符//控制域, 地址域, 类型标识, 可变结构限定词, 传送原因, 公共地址28 04 05 81 04 04//功能类型,信息序号, 兼容级别,8个ASCIIb2 03 03 c4 cf c8 f0 bc cc b1 a3//4个自由赋值01 00 01 00/////////////////////////////////////////////////////连路用户数据9b //校验和16 //结束字符(ASDU5,CON=28,COT=4)80 00目的:子站以ASDU5(复位通信单元)响应主站的召唤。
并ACD位置1,表明子站继续向主站请求1级数据上送。
●主站发:10 5a 04 5e 16目的:向地址为04的装置发请求1级数据命令。
子站回答:68 15 15 68 08 04 05 81 05 04 b2 04 03 c4 cf c8 f0 bc cc b1 a3 0100 01 00 7d 16 (ASDU5,CON = 08,COT=5)目的:子站以ASDU5(启动/重新启动)响应主站的召唤。
ACD 位置回0。
后面跟随时间同步和总查询。
结果分析:程序的行为完全正确。
第一部分 103规约的解释1. 用户数据分类IEC60870-5-103:继电保护设备信息接口配套标准(简称103规约)用户数据分为两类,即一级用户数据和二级用户数据。
我公司除了遥测量报文用二级数据外,其他报文一律用一级报文。
2. 传输桢格式2. 1可变桢长桢格式固定长度的报文头 个八位位组 图2.1 可变帧长帧格式在线路上传输顺序如图3.2所示 在线路上的位序图2.2 可变帧长的传输顺序各个字符在线路上的顺序按(1)(2)(3)---(n)的顺序依次在线路上出现,即低位先发送。
传输规定:①线路空闲状态为二进制1;②每一个字符有一个启动位,八位信息位,一位偶校验位,一位停止位; ③每个字符无需线路空闲间隔;④两帧之间的线路空闲间隔最少需33位;⑤长度L包括控制域、地址域,用户数据区的8位位组的个数,为二进制数;⑥帧校验和复控制、地址、用户数据区八位位组的算术和(不考虑溢出位即256模和);⑦接受校验 (A) 每个字符的启动位、停止位、偶校验位;(B) 检验两个启动字符、两个L值应一致、接受字符数为L+6、帧校验和、结束字符,若检出一个差错,舍弃此帧数据,并检验空闲间隔。
2.2固定帧长帧格式图2.3固定帧长帧格式在线路上传送位序11 10 9 8 7 6 5 4 3 2 1图2.4固定帧长帧格式传输顺序各个字符在线路上的顺序按(1)(2)(3)---(n)的顺序依次在线路上出现,即低位先发。
传输规定:①-④同可变帧长的传输规定①-④;⑤此种帧无帧长;⑥帧校验和是控制、地址的算术和(不考虑溢出位即256模和);⑦接受校验:(A) 每个字符的启动位、停止位、偶校验位;(B) 校验启动字符、帧校验和、结束字符,若检出一个差错,舍弃此帧数据,并校验空闲间隔;(C) 在校验中,如无差错数据有效。
2.3固定桢长具体报文(控制方向)C_RFB_NA_3 C_RCU_NA_310H 10H01000111 01000000链路地址域链路地址域帧校验和(CS)帧校验和(CS)16H 16H 图2.5 复位帧计数位图2.6 复位通信单元C_PL1_NA_3 C_PL2_NA_3 C_PLK_NA_310H10H10H01FCBFCV101001FCBFCV1011 01FCBFCV1001链路地址域链路地址域链路地址域帧校验和(CS) 帧校验和(CS) 帧校验和(CS)16H 16H 16H图2.7召唤1级用户数据图2.8召唤2级用户数据图2.9请求链路状态2.4固定桢长具体报文(监控方向)正确收到控制系统的发送帧,MDM-B1(A)以确认回答(见图2.10)。
一.报文定义1.固定帧长报文1.1由主站发往子站的报文1.2 由子站应答报文(功能码)1.1 下行报文(控制方向)1.1.1 复位帧计数位、复位通信单元P941.1.2召唤1级用户数据P951.1.3召唤2级用户数据P951.1.41.2 上行报文(监视方向)P95~96 1.2.11.2.21.2.31.2.42.可变帧长报文2.1下行报文(控制方向)2.1.1 兼容报文2注1:实时时钟采用二进制表示。
2.1.1.2 总查询(总召唤)的启动ASDU722.1.2 通用报文22.1.2.2 通用分类命令ASDU212.2 上行报文(监视方向)2.2.1 兼容报文2.2.1.5 标识报文P2722注:本报文反映了1个条目的1个值或多个属性。
2.3通用分类服务标识序号分类通用分类服务标识序号分为下列组类型,每组可定义256个条目,并规定00号条目为组标题。
组标题有2个属性:“条目数”-UI,在本组中已定义的条目数,含组标题本身;“描述”-OS8ASCII,组标题名)组号功能00H 系统类(所有保护及自动装置的系统参数及功能、定值区切换)01H 系统类02H 定值类03H 定值类04H 事件类(动作及状态事件)05H 事件类(如告警事件)06H 遥测类(保护测量值)07H 遥测类(如电流、电压、功率、频率、水位、温度等)08H 遥信类(如刀闸、开关、信号、状态等)09H 遥信类0AH 电量类0BH 遥控开关类(跳/合)0CH 遥控分头类(升/降)0DH 遥调类(DA输出)0EH 遥控压板类(保护功能投/退)0FH 调试及操作信息类(用于装置的调试及操作记录)10H 小电流接地选线类信息11H 报告类信息18H 带时标的遥信类(如刀闸、开关、信号、状态等)对于测量一类的数据,如遥测类、遥信类、电量类等,可用通用报文读;对于控制一类的数据,如定值类、遥控类、遥调类、定值切换类等,可用通用报文带确认写三、报文示例装置发0aH通用报文回答对遥信类:对遥测类:其余依此类推3.2主动上送主动上送报文标识为:0aH 81H 01H… 格式及意义与上述总查询装置上送报文相同.条件: 如有事件发生或保护动作时上送.报文解释:0A 81 01 14 FE F4 00 01 18 0B 01 12 06 01 01 5D B6 14 11 00 14 000A 81 01----- 主动上传事件14 ------装置CPU地址号为20FE F4 00------不特殊说明,同上。
WGL录波器103定值传输规约一.通信接口RJ45 双绞线以太网端口号1225协议:TCP/IP二.定值信息规范1~40 组为线路定值组41~60 组为母线定值组a.线路定值组的信息及量纲如下表(表中内容均可通过103规约中的相关报文得到)条目描述值类型单位说明00 线路名称条目数(24)01 单位正序电阻float Ωnot null02 单位正序电抗float Ωnot null03 单位零序电阻float Ωnot null04 单位零序电抗float Ωnot null05 CT变比float not null06 二次侧最大负荷电流floaat A not null07 线路长度float Km not null08 互感线路序号int09 单位互感电阻float Ω10 单位互感电抗float Ω11 连接母线int not null12 A相电流突变量float A13 B相电流突变量float A14 C相电流突变量float A15 O相电流突变量float A16 A相电流越限float A17 B相电流越限float A18 C相电流越限float A19 O相电流越限float A20 负序越限float A21 三次谐波float A22 五次谐波float A23 是否判振荡int 1判;0不判b.母线定值组条目信息条目描述值类型单位说明00 母线名称条目数(14)01 电压等级int Kv not null02 A相电压突变量float V03 B相电压突变量float V04 C 相电压突变量 float V 05 O 相电压突变量 float V 06 O 相越限 float V 07 负序越限 float V 08 三次谐波 float V 09 五次谐波 float V 10 正序低电压 float V 11 正序过电压 float V 12 频率欠限 float Hz 13频率越限floatHz以上各项不判或者未整定时均给0。
三.扩展103规约1. 数据帧定义本规范尽量与标准103标准规约保持一致,数据结构采用APCI+ASDU 形式。
需要注意的是我们对103规约的局部位置作了一些修改,使其更加符合网络传输。
数据帧格式如下表所示a. 采用103规约的应用服务单元的报文格式,定值查询格式采用ADSU21及ADSU10,对 时采用ASDU6,手动录波使用ASDU20 b .具体报文定义1> 时间同步报文(发送/无响应)68H L=00H L=0FH 68H 0 1 FCB 0 0 1 0 0 ADDRESS (255)6 (TYP)81H (VSQ)(COT)8 ADDRESS(255) (FUN)255(INF)027Milliseconds 20 215Milliseconds 28 IV (RES1)0 2524Minuts 20 SU (RES2)0 0 24HOURS 20 22Day of week 2024day of months 20 (RES3) 0 0 0 0 23 Months 20(RES4)0 26YEARS 20七个八位位组的二进制时标(CS)16H 2> 手动录波(ASDU20)68HL=0AHL=0AH68H0 1 FCB 1 0 0 1 1ADDRESS20 (TYP)81H (VSQ)(COT)20ADDRESS(FUN)(INF)(DOC)(RII)(CS)16H3> 读所有被定义组的标题控制端发送报文(ASDU21)68HLL68H0 1 FCB FCV 0 0 1 1ADDRESS21 (TYP)81H(VSQ)42(COT)ADDRESS254(FUN)240(读全部组的标题)(INF)返回信息标识(RII)0(NOG)(CS)16H录波器端响应报文68HL=L=68H0 0 ACD DFC1 0 0 0ADDRESS10(TYP)81H (VSQ)(COT)42或43(有效/无效)ADDRESS254(FUN)240读全部组的标题(INF)(RII)返回信息标识{Cont,Count,No}通用分类数据集数目(NGD)(通用标识序号GIN)条目(通用标识序号GIN)组(描述类别KOD) 10<描述>DA TATYPE DATASIZE NUMBER 通用分类数据描述GDDNo.1通用标识数据(GID)(通用标识序号GIN)条目(通用标识序号GIN)组(描述类别KOD) 10<描述>DA TATYPE 通用分类数据描DATASIZE NUMBER 述GDDNo.2通用标识数据(GID)......条目组通用标识序号GIN(描述类别KOD) 10<描述>DA TATYPE DATASIZE NUMBER 通用分类数据描述GDD No.i通用标识数据(GID)(CS)16H4> 读一个组内所有条目的值或者属性控制端发送报文(ASDU21)68HLL68H0 1 FCB FCV 0 0 1 1ADDRESS21 (TYP)81H(VSQ)42(COT)ADDRESS254(FUN)241(读一个组的全部条目的值或属性)(INF)返回信息标识(RII)1(通用分类标识数目NOG)(通用标识序号GIN)条目00H(通用标识序号GIN)组(描述类别KOD)(CS)16H说明:◆调属性(描述)时KOD=10,读值时KOD=1◆描述相关的内容(如线路名称,条目名称等)长度固定为25个字节,不足的补0◆datatype遵循后边的说明,如果没有此项信息,datatype=0。
◆NGD中的No字段为本类信息的总条数,帧计数位不用。
录波器端回复(ASDU10):68HL=L=68H0 0 ACD DFC1 0 0 0ADDRESS10(TYP)81H (VSQ)(COT)42或43(有效/无效)ADDRESS254(FUN)241读一个组的全部条目的值或属性(INF)(RII)返回信息标识{Cont,Count,No}通用分类数据集数目(NGD) (通用标识序号GIN)条目(通用标识序号GIN)组描述类别(KOD)DATATYPE DATASIZE NUMBER 通用分类数据描述GDD No.1通用标识数据(GID )条目组通用标识序号GIN描述类别(KOD)DATATYPE DATASIZE NUMBER 通用分类数据描述GDD No.2通用标识数据(GID )......(通用标识序号GIN)条目(通用标识序号GIN)组描述类别(KOD)DATATYPE DATASIZE NUMBER 通用分类数据描述GDD No.i通用标识数据(GID )(CS)16H5> 读单个条目的值或属性控制端发送报文(ASDU21)68HLL68H0 1 FCB FCV 0 0 1 1ADDRESS21 (TYP)81H(VSQ)42(COT)ADDRESS254(FUN)244(读单个条目的值/属性)(INF)返回信息标识(RII)1 (通用分类标识数目NOG)(通用标识序号GIN)条目(通用标识序号GIN)组描述类别(KOD)(CS)16H录波器端回复(ASDU10)68HL=L=68H0 0 ACD DFC1 0 0 0ADDRESS10(TYP)81H (VSQ)(COT)42或43(有效/无效)ADDRESS254(FUN)244(读单个条目的值/属性)(INF)(RII)返回信息标识{Cont,Count,No}通用分类数据集数目(NGD)条目组通用标识序号GIN描述类别(KOD)DATATYPE 通用分类DATASIZE NUMBER 数据描述GDD通用标识数据(GID )......(CS)16H四.以上报文用到的信息元素:1.通用分类数据集数目=NGD:=CP8{NO,COUNT,CONT}数目=NO :=UI6[1..6]<1..63>计数器位=COUNT :=BS1[7] <0..1><0..1> :=具有相同RII的ASDU的一位计数器位后续状态位=CONT:=BS1[8] <0..1><0>:=后面未跟具有相同RII的ASDU<1>:=后面跟具有相同RII的ASDUCONT COUNT 25NO. 202.通用标识序号=GIN:=CP16{组,条}组=GROUP:=UI8[1..8]<0..255>条目=ENTRY:=UI8[1..8]<0..255>27条目2027组203.通用分类数据描述=GDD:=CP24{DA TATYPE,DATASIZE,NUMBER,CONT}数据类型=DA TATYPE:=UI8[1..8]<0..255>其中<0>:=无数据<1>:=OS8ASCII:=OS8[1..8]<ASCII8位码><2>:=成组8位串:=BS1<3>:=UI<4>:=I<5>:=UF<6>:=R32,23<7>:=R32,23<8>:=R64,53<9>:=双点信息<10>:=单点信息<11>:=带瞬变和差错的双点信息:=UI2[1..2]<0..3><12>:=带品质描述词的被测值<13>:=备用<14>:=二进制时间<15>:=通用标识序号<16>:=相对时间<17>:=功能类型和信息序号<18>:=带时标的报文<19>:=带相对时间的时标报文<20>:=带相对时间的时标被测值<21>:=外部文本序号<22>:=通用回答码<23>:=数据结构<24>:=索引<25..255>:=备用数据宽度:=DA TASIZE:=UI8[9..16]<1..255>数目:=NUMBER:=UI7[17..23]<1..127>后序状态位:=CONT:=BS1[24]<0..1><0>:=后面未跟具有相同RII 的ASDU<1>:=后面跟的ASDU的数据中具有相同RII27DA TA TYPE 2027DA TASIZE 20CONT 26NUMBER 204.描述的类别=KOD:=UI8[1..8]<0..255>其中;<0>:=无描述类别<1>:=实际值<2>:=缺省值<3>:=量程<4>:=备用<5>:=精度<6>:=因子<7>:=%参比<8>:=列表<9>:=量纲<10>:=描述<11>;=备用<12>:=口令条目<13>:=只读<14>:=只写<15> ~〈18〉:=备用〈19〉:=相应的功能类型和信息序号〈20〉:=相应的事件〈21〉:=列表的文本阵列〈22〉:=列表的值阵列〈23〉:=相关联的条目〈24..255〉:=备用5.描述元素的数目=NDE:=CP8{NO,COUNT,CONT}其中,数目=NO :=UI6[1..6]<1..63>计数器位=COUNT :=BS1[7] <0..1><0..1> :=具有相同RII的ASDU的一位计数器位后续状态位=CONT:=BS1[8] <0..1>〈0〉:=后面未跟具有相同RII和相同的GIN的ASDU〈1〉:=后面跟具有相同RII和相同的GIN的ASDU CONT COUNT 25NO. 206.通用回答码=GRC:= UI8[1..8]<0..255>其中,<0>:=认可<1>:=无效的GIN<2>:=不存在所请求的数据<3>:=数据不能用,过后再来一次<4>:=改变设定时确认出错<5>:=改变设定时超出量程<6>:=条目的范围太大<7>:=太多的口令<8>:=条目是只读<9>:=设定受口令保护<10>:=当地设定在进行中<11>:=后续描述出错〈12..255〉:=未用7.通用标识数目=NOG:= UI8[1..8]<0..255>一个NOG通常包括GIN和KOD。