IEC103规约报文格式
- 格式:doc
- 大小:184.00 KB
- 文档页数:12
第一部分 103规约的解释1. 用户数据分类IEC60870-5-103:继电保护设备信息接口配套标准(简称103规约)用户数据分为两类,即一级用户数据和二级用户数据。
我公司除了遥测量报文用二级数据外,其他报文一律用一级报文。
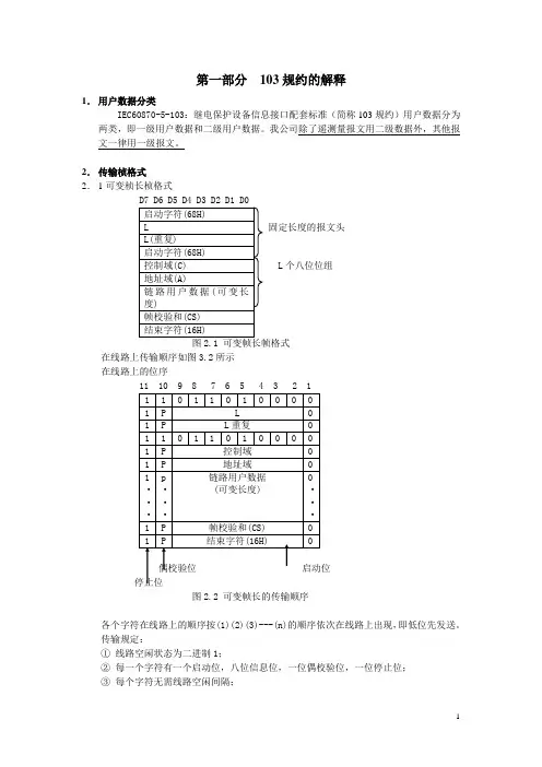
2. 传输桢格式2. 1可变桢长桢格式固定长度的报文头 个八位位组 图2.1 可变帧长帧格式在线路上传输顺序如图3.2所示 在线路上的位序图2.2 可变帧长的传输顺序各个字符在线路上的顺序按(1)(2)(3)---(n)的顺序依次在线路上出现,即低位先发送。
传输规定:① 线路空闲状态为二进制1;② 每一个字符有一个启动位,八位信息位,一位偶校验位,一位停止位; ③ 每个字符无需线路空闲间隔;④两帧之间的线路空闲间隔最少需33位;⑤长度L包括控制域、地址域,用户数据区的8位位组的个数,为二进制数;⑥帧校验和复控制、地址、用户数据区八位位组的算术和(不考虑溢出位即256模和);⑦接受校验 (A) 每个字符的启动位、停止位、偶校验位;(B) 检验两个启动字符、两个L值应一致、接受字符数为L+6、帧校验和、结束字符,若检出一个差错,舍弃此帧数据,并检验空闲间隔。
2.2固定帧长帧格式D7 D6 D5 D4 D3 D2 D1 D0图2.3固定帧长帧格式在线路上传送位序图2.4固定帧长帧格式传输顺序各个字符在线路上的顺序按(1)(2)(3)---(n)的顺序依次在线路上出现,即低位先发。
传输规定:①-④同可变帧长的传输规定①-④;⑤此种帧无帧长;⑥帧校验和是控制、地址的算术和(不考虑溢出位即256模和);⑦接受校验:(A) 每个字符的启动位、停止位、偶校验位;(B) 校验启动字符、帧校验和、结束字符,若检出一个差错,舍弃此帧数据,并校验空闲间隔;(C) 在校验中,如无差错数据有效。
2.3固定桢长具体报文(控制方向)C_RFB_NA_3 C_RCU_NA_310H 10H01000111 01000000链路地址域链路地址域帧校验和(CS)帧校验和(CS)16H 16H图2.5 复位帧计数位图2.6 复位通信单元C_PL1_NA_3 C_PL2_NA_3 C_PLK_NA_310H 10H 10H01FCBFCV1010 01FCBFCV1011 01FCBFCV1001 链路地址域链路地址域链路地址域帧校验和(CS) 帧校验和(CS) 帧校验和(CS)16H 16H 16H图 2.7召唤1级用户数据图 2.8召唤2级用户数据图2.9请求链路状态2.4固定桢长具体报文(监控方向)正确收到控制系统的发送帧,MGT、MDM-B1(B)以确认回答(见图2.10)。
HYP600 IEC-103规约说明1 通信接口接口标准:RS232、RS485、光纤。
通信格式:异步,1位起始位,8位数据位,1位偶校验位,1位停止位。
字符和字节传输由低至高,重复帧传输的超时时间间隔50ms。
通信速率:1200、2400、4800、9600、19.2K、38.4K (可调)。
2 固定帧长共有9种固定帧长的报文。
2.1 监控系统发送的固定帧长报文复位FCB报文——C_RFB_NA_3:控制域=47H。
复位通信单元报文——C_RCU_NA_3:控制域=40H。
召唤1级用户数据——C_PL1_NA_3:控制域=01 FCB FCV 1010B。
召唤2级用户数据——C_PL2_NA_3:控制域=01 FCB FCV 1011B。
请求链路状态——C_RLK_NA_3:控制域=01 FCB 0 1001B。
2.2 单元发送的固定帧长报文确认帧——M_CON_NA_3:控制域=00 ACD DFC 0000B。
正确收到监控系统的发送帧,单元以此帧回答。
无所需要的数据响应帧——M_NV_NA_3:控制域=00 ACD DFC 1001B。
如果单元无监控系统所请求的数据,就以此帧响应。
链路状态响应帧——M_LKR_NA_3:控制域=00 ACD DFC ****B。
其中“****”表示:=BH 表示链路工作正常,=EH表示链路服务未工作,=FH表示链路服务未实现。
当无监控系统所请求单元的链路状态,单元就以此帧响应。
3 可变帧帧长3.1 下行报文(控制方向)3.1.1 ASDU6(06H)时间同步类型标识TYP 06H 注释VSQ 81H 综合信息传送原因COT 08H 08H=时间同步ASDU—ADDR FFH 广播方式功能类型FUN FFH 全局功能GLB (255)信息序号INF 00H 时间同步7个8位位组时间D7 时标ms D0 2个字节的二进制毫秒时间(低字节在前)D15 D8IV 备用时标min 1个字节分钟,IV=0为有效;=1无效SU 时标h 1个字节小时,su为夏时制标志D7~D5周某天D0~D4天数日(周的某天未采用)备用D3~D0月月备用D6~D0年年3.1.2 ASDU7(07H)启动总查询(1)方式一类型标识TYP 07H 注释VSQ 81H 只有一个综合信息传送原因COT 09H 总查询(总召唤)的启动ASDU—ADDR ADDR 测控装置物理地址功能类型FUN FFH FUN=255全局功能类型信息序号INF 00H INF=0全局功能类型扫描序号SCN SCN 1个字节。
103通讯参考报文以下均以00# 节点为例1.未初始化之前主:10 7B 00 7B 16子:10 0E 00 0E 16 链路服务未工作2.初始化主:10 40 00 40 16 复位通信单元子:10 20 00 20 16主:10 7A 00 7A 16子:68 15 15 68 28 00 05 81 04 00 FF 03 03 20 20 20 20 20 20 20 20 20 20 20 20 37 16 主:10 5A 00 5A 16子:68 15 15 68 08 00 05 81 05 00 FF 04 03 20 20 20 20 20 20 20 20 20 20 20 20 19 16主:10 47 00 47 16 复位帧计数位子:10 20 00 20 16主:10 7A 00 7A 16子:68 15 15 68 28 00 05 81 03 00 FF 02 03 20 20 20 20 20 20 20 20 20 20 20 20 35 16 主:10 5A 00 5A 16子:68 15 15 68 08 00 05 81 05 00 FF 04 03 20 20 20 20 20 20 20 20 20 20 20 20 19 163.时钟同步主:68 0F 0F 68 44 FF 06 81 08 FF FF 00 00 00 00 0C 0A 01 07 XX 164.4.通用分类服务总查询主:68 0A 0A 68 53(73) 00 15 81 09 00 FE F5 00 00 XX 16子:10 20 00 20 16主:10 7A 00 7A 16子:68 89 89 68 28 00XX 16 校验码、结束符主:10 5A 00 5A 16子:68 65 65 68 28 00XX 16 校验码、结束符5.6.遥控:(遥控01 节点1 路遥控)遥控分选择正确主:68 11 11 68 73 01 0A 81 28 01 FE F9 09 01 60 01 01 09 01 01 01 97 16 子:10 20 01 21 16主:10 5A 01 5B 16从:68 11 11 68 08 01 0A 81 2C 01 FE F9 09 01 60 01 01 09 01 01 01 30 16遥控分执行正确主:68 11 11 68 73 01 0A 81 28 01 FE FA 0A 01 60 01 01 09 01 01 01 99 16 从:68 0A 0A 68 08 01 0A 81 28 01 FE FA 0A 00 BF 16主:10 5A 01 5B 16从:68 0A 0A 68 08 01 0A 81 28 01 FE FA 0A 00 BF 16遥控合选择正确主:68 11 11 68 73 01 0A 81 28 01 FE F9 09 01 60 01 01 09 01 01 02 98 16 子:10 20 01 21 16主:10 5A 01 5B 16从:68 11 11 68 08 01 0A 81 2C 01 FE F9 09 01 60 01 01 09 01 01 01 30 16遥控合执行正确主:68 11 11 68 73 01 0A 81 28 01 FE FA 0A 01 60 01 01 09 01 01 02 9A 16 从:68 0A 0A 68 08 01 0A 81 28 01 FE FA 0A 00 BF 16主:10 5A 01 5B 16从:68 0A 0A 68 08 01 0A 81 28 01 FE FA 0A 00 BF 167.开关事项、保护事项、自检事项一级数据上送主:10 7A 00 7A 16 / 10 5A 00 5A 16开关变位子:68 1E 1E 68 08 000A 81 01 00 FE F4 00 0110 01 01 17 0E 010E 07 01 75 BF 2E 0C 01 01 07变位发生时间09 01 01 01变位性质01(从合到分) 02(从分到合)XX 16保护事项子:68 46 46 68 28 000A 81 01 00 FE F4 00 0120 01 01 17 36 010E 07 01 82 90 35 0C 01 01 07动作时间03 01 01 01动作次数03 01 01 02保护测量值个数03 01 01 00 03 02 01 10 27保护测量值03 01 01 04 03 02 01 10 27保护测量值03 01 01 FF 03 02 01 00 00保护测量值03 01 01 FF 03 02 01 00 00保护测量值XX 16自检事项子:68 1E 1E 68 08 000A 81 01 00 FE F4 00 0180 02 01 17 0E 010E 07 01 75 BF 2E 0C 01 01 07故障发生时间03 01 01 01故障次数XX 168.读一个组的全部条目的值保护测量值组主:68 0D 0D 68 53(73) 00 15 81 2A 00 FE F1 00 01 30 00 01 XX 16 遥测组主:68 0D 0D 68 53(73) 00 15 81 2A 00 FE F1 00 01 40 00 01 XX 16 遥信组主:68 0D 0D 68 53(73) 00 15 81 2A 00 FE F1 00 01 50 00 01 XX 16 电度组主:68 0D 0D 68 53(73) 00 15 81 2A 00 FE F1 00 01 70 00 01 XX 16 自检状态组主:68 0D 0D 68 53(73) 00 15 81 2A 00 FE F1 00 01 90 00 01 XX 16 子站响应保护测量值XX 16 校验码、结束符。
许继103规约报文详解IEC60870-5-103(DL/T667-1999)报文详解一、800系列装置串口IEC60870-5-103部分一、引用标准IEC60870-5-103:1997 继电保护设备信息接口配套标准,DL/T667-1999 远动设备及系统第5 部分传输规约第103 篇继电保护设备信息接口配套标准。
二、通信接口1.接口标准:RS232 或RS485。
2.通信格式:异步,1 位启始位,8 位数据位,1 位偶校验,1 位停止位。
3.通信速率:9600 bit/s。
4.通信方式:主从式,装置为从站。
三、报文格式IEC60870-5-103 通信规约有固定帧长和可变帧长两种报文格式。
前者用于传送“复位、召唤、确认、无所要求、链路状态/响应、忙帧”等信息。
后者主要用于传送“命令、数据”等信息。
b.接受校验:每帧报文的启动位,停止位、偶校验位。
接受校验的字符有启动字符、帧校验和、结束字符,若检出一个差错,舍弃此帧数据,若无差错,数据有效。
256的模和)。
b. ASDU 链路用户数据包的具体格式详见下文介绍c. Length=ASDU 链路用户数据包的字节数+2(2为控制域、地址域的长度),长度为控制域、地址域、链路用户数据的8位位组的个数,即字节个数。
d. 接受校验:每帧报文的启动位,停止位、偶校验位。
接受校验的字符有启动字符、两个长度字符Length应一致、接受字符总数为L+6(两个启动字符、两个长度字符、校验字符及结束字符16)、帧校验和、结束字符,若检出一个差错,舍弃此帧数据,若无差错,数据有效。
注:固定帧长报文主站和子站之间的确认;而可变帧长用于主站和子站之间传输数据。
3、控制域控制域分“主-->从”和“从-->主”两种情况。
(1)“主-->从”报文的控制域D7 D6 D5 D4 D3 D2 D1 D0备用 PRM FCB FCV FUNCTION CODE0或1 1 功能码(见下表)注: a、启动报文位PRM为1时,表示是由控制系统向继电保护设备(或间隔单元)传输,控制系统为启动站,启动报文位PRM为0时,表示是由继电保护设备(或间隔单元)向控制系统传输,。
--> 10 40 1 41 16复位通讯单元(CU);发送/确认帧<-- 10 20 1 21 16ACD=1:希望向控制系统传输一级用户数据;确认帧--> 10 49 1 4A 16召唤链路状态;请求/响应帧<-- 10 2B 1 2C 16ACD=1:希望向控制系统传输一级用户数据;以链路状态或访问请求回答响应帧--> 10 7A 1 7B 16召唤一级用户数据;请求/响应帧<-- 68 15 15 68 8 1 5 81 4 1 C0 3 2 53 45 4E 45 54 20 20 20 31 2E 30 0 C7 16 控制域(0X08):以数据响应请求帧地址域(0X01):1类型标识(0X05):标识报文 M_IRF_NA_3可变结构(0X81):129传送原因(0X04):复位通讯单元ASDU地址(0X01):1功能类型(0XC0):线路差动保护信息标识(0X03):复位通讯单元兼容级别:2出厂标识:SENET自由赋值:1.0--> 10 5B 1 5C 16召唤二级用户数据;请求/响应帧<-- 68 A A 68 8 1 3 1 2 1 C0 90 0 0 60 16控制域(0X08):以数据响应请求帧地址域(0X01):1类型标识(0X03):被测量值 I M_MEI_NA_3可变结构(0X01):1传送原因(0X02):循环ASDU地址(0X01):1功能类型(0XC0):线路差动保护信息标识(0X90):被测值 IB相电流:0X0|0--> 68 F F 68 73 1 6 81 8 1 FF 0 F0 55 1A 15 9 4 2 86 16控制域(0X73):传送数据;发送/确认帧地址域(0X01):1类型标识(0X06):时钟同步 C_SYN_TA_3可变结构(0X81):129传送原因(0X08):时钟同步ASDU地址(0X01):1功能类型(0XFF):全局功能类型信息标识(0X00):总召唤或时钟同步控制系统发送的时间:02年04月09日21时26分22000毫秒<-- 10 0 1 1 16确认帧--> 68 9 9 68 53 1 7 81 9 1 FF 0 C0 A5 16控制域(0X53):传送数据;发送/确认帧地址域(0X01):1类型标识(0X07):总召唤 C_IGI_NA_3可变结构(0X81):129传送原因(0X09):总召唤的启动ASDU地址(0X01):1功能类型(0XFF):全局功能类型信息标识(0X00):总召唤或时钟同步扫描序号:192<-- 10 20 1 21 16ACD=1:希望向控制系统传输一级用户数据;确认帧--> 68 A A 68 73 1 14 81 14 1 C0 13 2 C0 B3 16 控制域(0X73):传送数据;发送/确认帧地址域(0X01):1类型标识(0X14):一般命令 C_GRC_NA_3可变结构(0X81):129传送原因(0X14):一般命令ASDU地址(0X01):1功能类型(0XC0):线路差动保护信息标识(0X13):LED复位双命令:合信息标识符:192<-- 10 20 1 21 16ACD=1:希望向控制系统传输一级用户数据;确认帧--> 68 A A 68 53 1 14 81 14 1 C0 17 2 C0 97 16 控制域(0X53):传送数据;发送/确认帧地址域(0X01):1类型标识(0X14):一般命令 C_GRC_NA_3可变结构(0X81):129传送原因(0X14):一般命令ASDU地址(0X01):1功能类型(0XC0):线路差动保护信息标识(0X17):定值组1双命令:合信息标识符:192<-- 10 20 1 21 16ACD=1:希望向控制系统传输一级用户数据;确认帧--> 68 A A 68 73 1 14 81 14 1 C0 18 2 C0 B8 16 控制域(0X73):传送数据;发送/确认帧地址域(0X01):1类型标识(0X14):一般命令 C_GRC_NA_3可变结构(0X81):129传送原因(0X14):一般命令ASDU地址(0X01):1功能类型(0XC0):线路差动保护信息标识(0X18):定值组2双命令:合信息标识符:192<-- 10 20 1 21 16ACD=1:希望向控制系统传输一级用户数据;确认帧--> 68 A A 68 53 1 14 81 14 1 C0 19 2 C0 99 16控制域(0X53):传送数据;发送/确认帧地址域(0X01):1类型标识(0X14):一般命令 C_GRC_NA_3可变结构(0X81):129传送原因(0X14):一般命令ASDU地址(0X01):1功能类型(0XC0):线路差动保护信息标识(0X19):定值组3双命令:合信息标识符:192<-- 10 20 1 21 16ACD=1:希望向控制系统传输一级用户数据;确认帧--> 68 A A 68 73 1 14 81 14 1 C0 1A 2 C0 BA 16控制域(0X73):传送数据;发送/确认帧地址域(0X01):1类型标识(0X14):一般命令 C_GRC_NA_3可变结构(0X81):129传送原因(0X14):一般命令ASDU地址(0X01):1功能类型(0XC0):线路差动保护信息标识(0X00):定值组4双命令:合信息标识符:192<-- 10 20 1 21 16ACD=1:希望向控制系统传输一级用户数据;确认帧--> 68 D D 68 53 1 18 81 1F 1 C0 0 1 1 0 0 0 CF 16 控制域(0X53):传送数据;发送/确认帧地址域(0X01):1类型标识(0X18):故障(事件)报告传输命令 C_ODT_NA_3可变结构(0X81):129传送原因(0X1F):故障(事件)报告数据的传输ASDU地址(0X01):1功能类型(0XC0):线路差动保护信息标识(0X00):总召唤或时钟同步<-- 10 20 1 21 16ACD=1:希望向控制系统传输一级用户数据;确认帧--> 68 D D 68 73 1 18 81 1F 1 C0 0 2 1 0 0 0 F0 16 控制域(0X73):传送数据;发送/确认帧地址域(0X01):1类型标识(0X18):故障(事件)报告传输命令 C_ODT_NA_3可变结构(0X81):129传送原因(0X1F):故障(事件)报告数据的传输ASDU地址(0X01):1功能类型(0XC0):线路差动保护信息标识(0X00):总召唤或时钟同步<-- 10 20 1 21 16ACD=1:希望向控制系统传输一级用户数据;确认帧--> 68 D D 68 53 1 18 81 1F 1 C0 0 3 1 0 0 0 D1 16 控制域(0X53):传送数据;发送/确认帧地址域(0X01):1类型标识(0X18):故障(事件)报告传输命令 C_ODT_NA_3可变结构(0X81):129传送原因(0X1F):故障(事件)报告数据的传输ASDU地址(0X01):1功能类型(0XC0):线路差动保护信息标识(0X00):总召唤或时钟同步<-- 10 20 1 21 16ACD=1:希望向控制系统传输一级用户数据;确认帧--> 68 D D 68 73 1 18 81 1F 1 C0 0 8 1 0 0 0 F6 16 控制域(0X73):传送数据;发送/确认帧地址域(0X01):1类型标识(0X18):故障(事件)报告传输命令 C_ODT_NA_3可变结构(0X81):129传送原因(0X1F):故障(事件)报告数据的传输ASDU地址(0X01):1功能类型(0XC0):线路差动保护信息标识(0X00):总召唤或时钟同步<-- 10 20 1 21 16ACD=1:希望向控制系统传输一级用户数据;确认帧--> 68 D D 68 53 1 18 81 1F 1 C0 0 9 1 0 0 0 D7 16 控制域(0X53):传送数据;发送/确认帧地址域(0X01):1类型标识(0X18):故障(事件)报告传输命令 C_ODT_NA_3可变结构(0X81):129传送原因(0X1F):故障(事件)报告数据的传输ASDU地址(0X01):1功能类型(0XC0):线路差动保护信息标识(0X00):总召唤或时钟同步<-- 10 20 1 21 16ACD=1:希望向控制系统传输一级用户数据;确认帧--> 68 D D 68 73 1 18 81 1F 1 C0 0 10 1 0 0 0 FE 16 控制域(0X73):传送数据;发送/确认帧地址域(0X01):1类型标识(0X18):故障(事件)报告传输命令 C_ODT_NA_3可变结构(0X81):129传送原因(0X1F):故障(事件)报告数据的传输ASDU地址(0X01):1功能类型(0XC0):线路差动保护信息标识(0X00):总召唤或时钟同步<-- 10 20 1 21 16ACD=1:希望向控制系统传输一级用户数据;确认帧--> 68 D D 68 53 1 18 81 1F 1 C0 0 11 1 0 0 0 DF 16 控制域(0X53):传送数据;发送/确认帧地址域(0X01):1类型标识(0X18):故障(事件)报告传输命令 C_ODT_NA_3可变结构(0X81):129传送原因(0X1F):故障(事件)报告数据的传输ASDU地址(0X01):1功能类型(0XC0):线路差动保护信息标识(0X00):总召唤或时钟同步<-- 10 20 1 21 16ACD=1:希望向控制系统传输一级用户数据;确认帧--> 68 D D 68 73 1 18 81 1F 1 C0 0 18 1 0 0 0 6 16 控制域(0X73):传送数据;发送/确认帧地址域(0X01):1类型标识(0X18):故障(事件)报告传输命令 C_ODT_NA_3可变结构(0X81):129传送原因(0X1F):故障(事件)报告数据的传输ASDU地址(0X01):1功能类型(0XC0):线路差动保护信息标识(0X00):总召唤或时钟同步<-- 10 20 1 21 16ACD=1:希望向控制系统传输一级用户数据;确认帧--> 68 D D 68 53 1 19 81 1F 1 C0 0 40 1 0 0 0 F 16 控制域(0X53):传送数据;发送/确认帧地址域(0X01):1类型标识(0X19):故障(事件)报告传输认可 C_ADT_NA_3可变结构(0X81):129传送原因(0X1F):故障(事件)报告数据的传输ASDU地址(0X01):1功能类型(0XC0):线路差动保护信息标识(0X00):总召唤或时钟同步<-- 10 20 1 21 16ACD=1:希望向控制系统传输一级用户数据;确认帧--> 68 D D 68 73 1 19 81 1F 1 C0 0 41 1 0 0 0 30 16 控制域(0X73):传送数据;发送/确认帧地址域(0X01):1类型标识(0X19):故障(事件)报告传输认可 C_ADT_NA_3可变结构(0X81):129传送原因(0X1F):故障(事件)报告数据的传输ASDU地址(0X01):1功能类型(0XC0):线路差动保护信息标识(0X00):总召唤或时钟同步<-- 10 20 1 21 16ACD=1:希望向控制系统传输一级用户数据;确认帧--> 68 D D 68 53 1 19 81 1F 1 C0 0 42 1 0 0 0 11 16 控制域(0X53):传送数据;发送/确认帧地址域(0X01):1类型标识(0X19):故障(事件)报告传输认可 C_ADT_NA_3可变结构(0X81):129传送原因(0X1F):故障(事件)报告数据的传输ASDU地址(0X01):1功能类型(0XC0):线路差动保护信息标识(0X00):总召唤或时钟同步<-- 10 20 1 21 16ACD=1:希望向控制系统传输一级用户数据;确认帧--> 68 D D 68 73 1 19 81 1F 1 C0 0 43 1 0 0 0 32 16 控制域(0X73):传送数据;发送/确认帧地址域(0X01):1类型标识(0X19):故障(事件)报告传输认可 C_ADT_NA_3可变结构(0X81):129传送原因(0X1F):故障(事件)报告数据的传输ASDU地址(0X01):1功能类型(0XC0):线路差动保护信息标识(0X00):总召唤或时钟同步<-- 10 20 1 21 16ACD=1:希望向控制系统传输一级用户数据;确认帧--> 68 D D 68 53 1 19 81 1F 1 C0 0 44 1 0 0 0 13 16 控制域(0X53):传送数据;发送/确认帧地址域(0X01):1类型标识(0X19):故障(事件)报告传输认可 C_ADT_NA_3可变结构(0X81):129传送原因(0X1F):故障(事件)报告数据的传输ASDU地址(0X01):1功能类型(0XC0):线路差动保护信息标识(0X00):总召唤或时钟同步<-- 10 20 1 21 16ACD=1:希望向控制系统传输一级用户数据;确认帧--> 68 D D 68 73 1 19 81 1F 1 C0 0 45 1 0 0 0 34 16 控制域(0X73):传送数据;发送/确认帧地址域(0X01):1类型标识(0X19):故障(事件)报告传输认可 C_ADT_NA_3可变结构(0X81):129传送原因(0X1F):故障(事件)报告数据的传输ASDU地址(0X01):1功能类型(0XC0):线路差动保护信息标识(0X00):总召唤或时钟同步<-- 10 20 1 21 16ACD=1:希望向控制系统传输一级用户数据;确认帧。
IEC103规约报文举例IEC103规约报文举例分类:电力系统2010-07-20 17:16 77人阅读评论(0) 收藏举报遥控报文示例主:68 11 11 68 53 32 0a(1) 81 28 32 fe(2) f9(3) 00(4) 01(5) 0b 01(6) 01(7) 03 01 01(8) 01(9) 75 16 通用分类带确认的写条目子:10 20 32 52 16 确认帧(1)类型标识(2)功能码,通用分类服务(3)信息序号,带确认写命令(4)返回信息标识符(5)通用分类个数(NOG)(6)通用分类标识序号(GIN)(7)描述类别,实际值(8)通用分类数据描述(GDD)(9)数据内容主:10 7a 32 ac 16 召唤一级用户数据子:68 11 11 68 08 32 0a(1) 81 2c(2) 32 fe f9 00 01 0b 01 01 03 01 01 01 2e 16 响应带确认的写条目(1)类型标识(2)传送原因,通用分类写确认主:68 0a 0a 68 53 32 0a(1) 81 28 32 fe(2) fa(3) 00(4) 00(5) 62 16 通用分类带执行的写条目子:10 20 32 52 16 确认帧(1)类型标识(2)功能码,通用分类服务(3)信息序号,带执行的写条目(4)返回信息标识符(5)通用分类个数(NOG)主:10 7a 32 ac 16 召唤一级用户数据子:68 0a 0a 68 08 32 0a(1) 81 28 (2) 32 fe fa 00 00 17 16 响应带执行的写条目(1)类型标识(2)传送原因,通用分类写命令肯定认可遥测报文示例说明:遥测数据可以通过通用分类服务总召唤、单组所有条目召唤、单组单条目召唤等方式获得。
对于通用分类总召唤,在5.1.3中已经列出其报文实例。
在本节中,只举一个单组所有条目召唤的实例。
主:68 0d 0d 68 73 32 15(1) 81 2a(2) 32 fe f1(3) 00(4) 01(5) 09 00(6) 01(7) 91 16 通用分类服务组召唤子:10 20 32 52 16 确认帧(1)类型标识(2)传送原因(3)信息序号,召唤单组所有条目(4)返回信息标识符(5)通用分类个数(NOG)(6)通用分类标识序号(GIN)(7)描述类别,实际值主:10 5a 32 8c 16 召唤一级数据子:68 d2 d2 68 28 32 0a(1) 81 2a(2) 32 fe(3) f1(4) 00(5) 94(6) 09 01(7) 01(8) 07 04 01(9) 00 00 56 3b(10) 09 02 01 07 04 01 00 00 00 80 09 03 01 07 04 01 00 00 7e 3b 09 04 01 07 04 01 00 00 00 80 09 05 01 07 04 01 00 00 01 3b 09 06 01 07 04 01 00 00 00 80 09 07 01 07 04 01 00 00 e3 3b 09 08 01 07 04 01 00 00 00 80 09 09 01 07 04 01 00 00 3f 3b 09 0a 01 07 04 01 00 00 00 80 09 0b 01 07 04 01 00 00 4f 3b 09 0c 01 07 04 01 00 00 00 80 09 0d 01 07 04 01 00 00 b0 3a 09 0e 01 07 04 01 00 00 00 80 09 0f 01 07 04 01 00 00 8c 3b 09 10 01 07 04 01 00 00 00 80 09 11 01 07 04 01 00 00 15 3b 09 12 01 07 04 01 00 00 00 80 09 13 01 07 04 01 00 00 a6 3a 09 14 01 07 04 01 00 00 00 80 d7 16 通用分类服务响应(1)类型标识(2)传送原因(3)功能码,通用分类服务(4)信息序号,整组召唤(5)返回信息标识符(6)通用分类个数(NOG)(7)通用分类标识序号(GIN)(8)描述类别,实际值(9)通用分类数据描述(GDD)(10)数据内容遥信报文示例1全遥信收集1.1测保一体化装置主:68 09 09 68 53 32 07(1) 81 09(2) 32 FF 00(3) C0(4) 07 16 总召唤子:10 20 32 52 16 确认帧,置ACD位(1)类型标识(2)传送原因,总召唤的启动(3)信息标识:全局功能(4)扫描序号主:10 7A 32 AC 16 召唤一级用户数据子:68 13 13 68 28 32 2A(1) 0A(3) 09(2) 32 80(4) 20(5) 01 01 01 01 01 01 01 01 01 01(6) C0(7) 33 16 (1)类型标识(2)传送原因,响应总召唤(3)可变结构限定词:10信息元素(4)装置功能码(5)信息元素的起始信息序号(6)10个双点遥信状态(7)本次总召扫描序号主:10 5A 32 8C 16 召唤一级用户数据子:68 1F 1F 68 28 32 2A(1) 16(3) 09(2) 32 80(4) 40(5) 01 0101 01 01 01 01 01 01 01 01 01 01 01 01 0202 01 01 01 01 01(6) C0(7) 6D 16(1)类型标识(2)传送原因,响应总召唤(3)可变结构限定词:22信息元素(4)装置功能码(5)信息元素的起始信息序号(6)22个双点遥信状态(7)本次总召扫描序号主:10 7A 32 AC 16 召唤一级用户数据子:68 09 09 68 28 32 08(1) 81 0A(2) 32 FF 00(3) C0(4) DE 16 (1)类型标识(2)传送原因,总召唤结束(3)信息标识符,系统信息(4)本次总召扫描序号主:10 5A 32 8C 16 召唤一级用户数据子:68 08 08 68 08 32 17(1) 00 1F(2) 32 80(3) 00 22 16(1)类型标识(2)传送原因,扰动数据传输(3)装置功能码主:10 7A 32 AC 16 召唤一级用户数据子:10 09 32 3B 16 确认帧,无召唤的数据1。
iec103报文解析
IEC 103是一种通信协议,用于在电力自动化系统中传输数据。
IEC 103报文是根据该协议规定的格式组织的数据包。
下面是IEC 103报文的解析过程:
1. 首先,读取报文头部信息,包括起始字符、长度字段、控制字段等。
这些信息用于确定报文的类型和长度。
2. 根据控制字段确定报文的功能码,功能码表示报文中包含的命令或数据类型。
3. 根据功能码解析报文的内容。
不同的功能码代表不同的命令或数据类型,解析过程根据功能码的不同进行不同的处理。
4. 解析报文的数据字段。
数据字段中包含了实际的数据内容,解析过程根据数据类型进行不同的解析方式。
5. 校验报文的完整性。
校验报文的长度、校验和等字段,以确保报文的完整性和正确性。
6. 根据解析结果进行相应的处理。
根据解析出来的数据进行相应的业务逻辑处理。
以上是IEC 103报文的基本解析过程,根据实际应用场景和具体需求,解析过程可能还会涉及到其他的步骤和处理方式。
一、DL/T667-1999(IEC60870-5-103)通信规约基本要点1. 通信接口1.1 接口标准:RS232、RS485、光纤。
1.2 通信格式:异步,1位起始位,8位数据位,1位偶校验位,1位停止位。
字符和字节传输由低至高。
线路空闲状态为1,字符间无需线路空闲间隔,两桢之间线路空闲间隔至少33位(3个字节)1.3 通信速率:可变。
1.4 通信方式:主从一对多,Polling方式。
2. 报文格式870-5-103通信规约有固定帧长报文和可变帧长报文两种报文格式,前者主要用于传送“召唤、命令、确认、应答”等信息,后者主要用于传送“命令”和“数据”等信息。
2.1 固定帧长报文启动字符控制域地址域代码和结束字符注:代码和=控制域+地址域(不考虑溢出位,即256模和)2.2————启动字符1(1byte)————长度(1byte)————长度(重复)(1byte)————启动字符2(重复)(1byte)————控制域(1byte)————地址域(1byte)————链路用户数据[(length-2)byte]————代码和(1byte)————结束字符(1byte)注:(1)代码和=控制域+地址域+ ASDU代码和(不考虑溢出位,即256模和)(2)ASDU为“链路用户数据”包,具体格式将在下文介绍(3)Length=ASDU字节数+22.3 控制域控制域分“主∧从”和“从∧主”两种情况。
(1)“主∧从”报文的控制域D7 D6 D5 D4 D3 D2 D1 D0备用PRM FCB FCV 功能码0 11(A)PRM(启动报文位)表明信息传输方向,PRM=1由主站至子站;PRM=0由子站至主站。
(B)FCB(桢记数位)。
FCB = 0 / 1——主站每向从站发送新一轮的“发送/确认”或“请求/响应”传输服务时,将FCB取反。
主站为每个从站保存一个FCB的拷贝,若超时未收到应答,则主站重发,重发报文的FCB保持不变,重发次数最多不超过3次。
103规约转出四方公司报文处理格式一览表1.地址处理规约转换器视为透明(其自身无地址或为多地址),其下属各保护具有各自唯一的103规约链路地址。
当报文的目标链路地址等于规约转换器下属保护的链路地址之一时,规约转换器都要接收处理。
总而言之,103地址分配方案为:每台保护装置一个485链路地址。
2.保护功能类型FUN和信息序号INF的确定由于附录D内容过于偏向国内某些类型保护,而本公司保护发出的信息既多且杂,与附录D中各种已定义的保护功能类型和信息序号都不完全兼容,多数四方保护只有百分之五六十的信息符合附录D,如果强行套用附录D,要么导致信息丢失,要么就得在工程中查找其它所有保护(如NARI保护)定义后留下的空白处并与主站协商。
因此,为向用户提供四方系列保护装置的完整信息,采用自定义并现场可配置的功能类型FUN和信息序号INF,只要不与兼容范围、附录D及其它保护冲突即可。
同时,为兼容及简便考虑,一台保护只分配一种功能类型FUN,不再区别到CPU级别,如果信息实在太多超过了255,可以考虑增加功能类型FUN并最好把保护映射为两个地址。
3. 保护信息-遥信以ASDU1上送。
四方公司具体保护配置见附录。
4. 保护信息-遥测四方现有装置的测量值主要有:线路保护一般送Ia、Ib、Ic、P、Q和定值区号Z,变压器保护送各侧三相电流、零序电流、线电压和P、Q、f,而测控装置的测量值就更多。
因此,如果套用ASDU,会有信息丢失,而且测控装置不好处理。
综合考虑以上因素,在规约转换器中采用通用服务传送遥测值。
另外,在103规定中被测值监视I、U在总召唤时应回答,而通用服务需遵照通用服务处理流程,因此遥测值在通用分类服务的总查询中上送。
对于四方系列装置,遥测值一般以16进制定点数表示,主站需要另乘系数才得到实际值,而以103传送时需要把四方格式变为103格式,为了方便,所有遥测值都统一以R32.23格式浮点数送,其数值为一次实际值。
IEC103规约报文格式IEC103规约格式1.基本报文格式1.1固定帧长报文启动字符控制域 地址域 代码和 结束字符注:代码和=控制域+地址域(不考虑溢出位,即256模和) 1.2可变帧长报文注:(1)代码和=控制域+地址域+ ASDU 代码和(不考虑溢出位,即256模和) (2)ASDU 为“链路用户数据”包,具体格式将在下文介绍 (3)Length=ASDU 字节数+2 1.3控制域定义控制域分“主∧ 从”和“从∧ 主”两种情况。
(1) “主∧ 从”报文的控制域D7 D6 D5 D4 D3 D2 D1 D0备用 PRM FCB FCV 功能码1每位的具体定义请参考详细103规约。
(2) “从∧ 主”报文的控制域D7 D6 D5 D4 D3 D2 D1 D0备用 PRM ACD DFC 功能码 0 0每位的具体定义请参考详细103规约。
———— 启动字符1(1byte ) ———— 长度(1byte )———— 长度(重复)(1byte ) ———— 启动字符2(重复)(1byte ) ———— 控制域(1byte ) ———— 地址域(1byte )———— 链路用户数据[(length-2)byte] ———— 代码和(1byte ) ————结束字符(1byte )1.4地址域地址域为主站与之通信的从站地址,0-254:设备地址,255:广播地址。
2.链路规约数据单元(LDPU)控制方向:从控制系统到继电保护设备(或间隔单元)的传输方向。
监视方向:从继电保护设备(或间隔单元)到控制系统的传输方向。
2.1控制方向●复位帧计数位●复位通信单元●召唤1级数据●召唤2级用户数据●请求链路状态2.2监视方向●确认帧:●忙帧:●无所要求的数据帧回答:●链路状态响应帧:图中*表示:=<11>=链路工作正常,:=<14>=链路服务未工作,:=<11>=链路服务未实现。
IEC103规约-标准测试报文及解析装置地址:1波特率:9600电压全部:50 10922(通讯机采集值)电流全部:3.3 10922(通讯机采集值)0201H(Ua)0202H(Ub) 0203H(Uc)0204H(Uab)0205H(Ubc) 0206H(Uca) 0207H(3U0) 0208H(Ux)0209H(IA)宽度(代表遥测字节为2)68 12 12 68 08 01 0A 81 02 01 FE F1 00 01 02 01 01 04 02 01 AA 2A 66 16地址遥测寄存器(0201)数值(高前低后)(数值:2AAA,数值:10922)宽度(代表遥测字节为2)68 12 12 68 08 01 0A 81 02 01 FE F1 00 01 02 02 01 04 02 01 AA 2A 67 16地址遥测寄存器(0202)数值(高前低后)(数值:2AAA,数值:10922)宽度(代表遥测字节为2)68 12 12 68 08 01 0A 81 02 01 FE F1 00 01 02 03 01 04 02 01 AA 2A 68 16地址遥测寄存器(0203)数值(高前低后)(数值:2AAA,数值:10922)宽度(代表遥测字节为2)68 12 12 68 08 01 0A 81 02 01 FE F1 00 01 02 04 01 04 02 01 AA 2A 69 16地址遥测寄存器(0204)数值(高前低后)(数值:2AAA,数值:10922)宽度(代表遥测字节为2)68 12 12 68 08 01 0A 81 02 01 FE F1 00 01 02 05 01 04 02 01 AA 2A 6A 16地址遥测寄存器(0205)数值(高前低后)(数值:2AAA,数值:10922)宽度(代表遥测字节为2)68 12 12 68 08 01 0A 81 02 01 FE F1 00 01 02 06 01 04 02 01 AA 2A 6B 16地址遥测寄存器(0206)数值(高前低后)(数值:2AAA,数值:10922)宽度(代表遥测字节为2)68 12 12 68 08 01 0A 81 02 01 FE F1 00 01 02 07 01 04 02 01 AA 2A 6C 16地址遥测寄存器(0207)数值(高前低后)(数值:2AAA,数值:10922)宽度(代表遥测字节为2)68 12 12 68 08 01 0A 81 02 01 FE F1 00 01 02 07 01 04 02 01 AA 2A 6C 16地址遥测寄存器(0208)数值(高前低后)(数值:2AAA,数值:10922)宽度(代表遥测字节为2)68 12 12 68 08 01 0A 81 02 01 FE F1 00 01 02 09 01 04 02 01 AA 2A 6E 16地址遥测寄存器(0209)数值(高前低后)(数值:2AAA,数值:10922)电流:3.3 10922功率:692.67 1092220DH(有功20EH(无功) 20DF(因数)率)遥信:1-180101H 0102H 0103H 0104H 0105H 0106H 0107H 0108H 0109H 0110H 0111H 0112H 0113H 0114H 0115H告警总YX1 YX2 ……YX1868 16 16 68 08 01 0A 81 01 01 FE F4 00 01 11 16 01 12 06 01 01 D3 D4 0CYX1状态分报文:68 16 16 68 08 01 0A 81 01 01 FE F4 00 01 01 04 01 12 06 01 02 A2 58 0EYX2状态分报文:68 16 16 68 08 01 0A 81 01 01 FE F4 00 01 01 05 01 12 06 01 0287 61 0EYX3状态分报文:68 16 16 68 08 01 0A 81 01 01 FE F4 00 01 01 06 01 12 06 01 02 A4 69 0E事故总告警:68 16 16 68 08 01 0A 81 01 01 FE F4 00 01 01 01 01 12 06 01 01 0E 7B 1F 0B 00 59 16YX1合位报文带时标双节点宽度(代表遥信字节为6):02 0E 6E 1F 0B 0068 16 16 68 08 01 0A 81 01 01 FE F4 00 01 01 04 01 12 06 01 02 0E 6E 1F 0B 00 50 16地址遥测寄存器(0104)状态:合位(01表示分位,02表示合位)YX1分位报文带时标双节点宽度(代表遥信字节为6)01 B8 77 1F 0B 0068 16 16 68 08 01 0A 81 01 01 FE F4 00 01 01 04 01 12 06 01 01 B8 77 1F 0B 00 0216地址遥测寄存器(0104)状态:分位(01表示分位,02表示合位)YX2合位报文带时标双节点宽度(代表遥信字节为6)02 FC 80 1F 0B 0068 16 16 68 08 01 0A 81 01 01 FE F4 00 01 01 05 01 12 06 01 02 FC 80 1F 0B 00 5116地址遥测寄存器(0105)状态:合位(01表示分位,02表示合位)YX2分位报文带时标双节点宽度(代表遥信字节为6)01 A5 8A 1F 0B 0068 16 16 68 08 01 0A 81 01 01 FE F4 00 01 01 05 01 12 06 01 01 A5 8A 1F 0B 00 0316地址遥测寄存器(0105)状态:分位(01表示分位,02表示合位)YX3合位报文带时标双节点宽度(代表遥信字节为6)02 4F 94 1F 0B 0068 16 16 68 08 01 0A 81 01 01 FE F4 00 01 01 06 01 12 06 01 02 4F 94 1F 0B 00 B916地址遥测寄存器(0106)状态:合位(01表示分位,02表示合位)YX3分位报文带时标双节点宽度(代表遥信字节为6)01 61 A3 1F 0B 0068 16 16 68 08 01 0A 81 01 01 FE F4 00 01 01 06 01 12 06 01 01 61 A3 1F 0B 00 D916地址遥测寄存器(0106)状态:分位(01表示分位,02表示合位)YX4合位报文带时标双节点宽度(代表遥信字节为6)02 6E AD 1F 0B 0068 16 16 68 08 01 0A 81 01 01 FE F4 00 01 01 07 01 12 06 01 02 6E AD 1F 0B 00F2 16地址遥测寄存器(0107)状态:合位(01表示分位,02表示合位)YX4分位报文带时标双节点宽度(代表遥信字节为6)01 7C B7 1F 0B 0068 16 16 68 08 01 0A 81 01 01 FE F4 00 01 01 07 01 12 06 01 01 7C B7 1F 0B 00 0916地址遥测寄存器(0107)状态:分位(01表示分位,02表示合位)YX1合位报文带时标双节点宽度(代表遥信字节为6)02 9A BF 1F 0B 0068 16 16 68 08 01 0A 81 01 01 FE F4 00 01 01 08 01 12 06 01 02 9A BF 1F 0B 00 31 16地址遥测寄存器(0108)状态:合位(01表示分位,02表示合位)YX5分位报文带时标双节点宽度(代表遥信字节为6)01 44 C9 1F 0B 0068 16 16 68 08 01 0A 81 01 01 FE F4 00 01 01 08 01 12 06 01 01 44 C9 1F 0B 00 E416地址遥测寄存器(0108)状态:分位(01表示分位,02表示合位)YX5合位报文带时标双节点宽度(代表遥信字节为6)02 9D D0 1F 0B 0068 16 16 68 08 01 0A 81 01 01 FE F4 00 01 01 09 01 12 06 01 02 9D D0 1F 0B 00 4616地址遥测寄存器(0109)状态:合位(01表示分位,02表示合位)YX6分位报文带时标双节点宽度(代表遥信字节为6)01 D4 DD 1F 0B 0068 16 16 68 08 01 0A 81 01 01 FE F4 00 01 01 09 01 12 06 01 01 D4 DD 1F 0B 0089 16地址遥测寄存器(0109)状态:分位(01表示分位,02表示合位)1请输入十进制监视口号(0-29):0该网络上挂接了以下十进制地址设备:[ ] < 1> : 太平103_UT-841 : err = 0请输入十进制监视设备地址:1<P0:17:12:44.571>Echo: - 103子- 无数据10 09 01 0A 16<P0:17:12:44.602>Send: - 103主- 召唤二级数据10 5B 01 5C 16<P0:17:12:45.611>Echo: - 103子- 无数据10 09 01 0A 16<P0:17:12:45.631>Send: - 103主- 时间同步68 0F 0F 68 44 FF 06 81 08 FF FF 00 3F B2 0C 11 0A 01 00 E9 16 FF FF FF<P0:17:12:45.892>Send: - 103主- 召唤二级数据10 5B 01 5C 16<P0:17:12:50.316>Echo: - 103子- 无数据10 09 01 0A 16<P0:17:12:54.741>Echo: - 103子- 通用分类数据(扩展遥信)68 16 16 68 08 01 0A 81 01 01 FE F4 00 01 11 16 01 12 06 01 01 D3 D4 0C 11 00 8F 16<P0:17:12:54.796>Send: - 103主- 召唤二级数据10 7B 01 7C 16<P0:17:12:54.836>Echo: - 103子- 无数据10 09 01 0A 16<P0:17:13:1.17>Send: - 103主- 召唤二级数据10 5B 01 5C 16<P0:17:13:1.76>Echo: - 103子- 通用分类数据(遥测)68 12 12 68 08 01 0A 81 02 01 FE F1 00 01 02 01 01 04 02 01 AA 2A 66 16<P0:17:13:1.77>Send: - 103主- 召唤二级数据10 7B 01 7C 16<P0:17:13:1.632>Send: - 103主- 召唤二级数据10 7B 01 7C 16<P0:17:13:1.681>Echo: - 103子- 无数据10 09 01 0A 16<P0:17:13:1.692>Send: - 103主- 召唤二级数据10 5B 01 5C 16<P0:17:13:1.746>Echo: - 103子- 通用分类数据(遥信)68 16 16 68 08 01 0A 81 01 01 FE F4 00 01 01 01 01 12 06 01 01 79 05 0D 11 00 42 16<P0:17:13:1.756>Send: - 103主- 召唤二级数据10 7B 01 7C 16<P0:17:13:1.781>Echo: - 103子- 无数据10 09 01 0A 16<P0:17:13:6.341>Echo: - 103子- 无数据10 09 01 0A 16<P0:17:13:6.371>Send: - 103主- 召唤二级数据10 5B 01 5C 16<P0:17:13:6.421>Echo: - 103子- 通用分类数据(遥测)68 12 12 68 08 01 0A 81 02 01 FE F1 00 01 02 02 01 04 02 01 AA 2A 67 16<P0:17:13:6.422>Send: - 103主- 召唤二级数据10 7B 01 7C 16<P0:17:13:6.466>Echo: - 103子- 无数据10 09 01 0A 16<P0:17:13:7.546>Echo: - 103子- 无数据10 09 01 0A 16<P0:17:13:7.577>Send: - 103主- 召唤二级数据10 7B 01 7C 16<P0:17:13:7.651>Echo: - 103子- 通用分类数据(遥测)68 1A 1A 68 08 01 0A 81 02 01 FE F1 00 02 02 01 01 04 02 01 00 00 02 02 01 04 02 01 00 00 9F 16<P0:17:13:7.691>Send: - 103主- 召唤二级数据10 5B 01 5C 16<P0:17:13:8.27>Send: - 103主- 召唤二级数据10 5B 01 5C 16<P0:17:13:8.81>Echo: - 103子- 通用分类数据(遥测)68 12 12 68 08 01 0A 81 02 01 FE F1 00 01 02 02 01 04 02 01 AA 2A 67 16<P0:17:13:8.82>Send: - 103主- 召唤二级数据10 7B 01 7C 16<P0:17:13:8.106>Echo: - 103子- 无数据10 09 01 0A 16<P0:17:13:16.106>Send: - 103主- 召唤二级数据10 7B 01 7C 16<P0:17:13:16.146>Echo: - 103子- 通用分类数据(遥测)68 12 12 68 08 01 0A 81 02 01 FE F1 00 01 02 03 01 04 02 01 AA 2A 68 16<P0:17:13:16.162>Send: - 103主- 召唤二级数据10 5B 01 5C 16<P0:17:13:16.191>Echo: - 103子- 无数据<P0:17:13:17.557>Send: - 103主- 召唤二级数据10 5B 01 5C 16<P0:17:13:17.616>Echo: - 103子- 通用分类数据(遥测)68 1A 1A 68 08 01 0A 81 02 01 FE F1 00 02 02 02 01 04 02 01 00 00 02 03 01 04 02 01 01 00 A2 16<P0:17:13:17.666>Send: - 103主- 召唤二级数据10 7B 01 7C 16<P0:17:13:17.716>Send: - 103主- 召唤二级数据10 5B 01 5C 16<P0:17:13:17.766>Echo: - 103子- 通用分类数据(遥测)68 12 12 68 08 01 0A 81 02 01 FE F1 00 01 02 03 01 04 02 01 AA 2A 68 16<P0:17:13:17.776>Send: - 103主- 召唤二级数据10 7B 01 7C 16<P0:17:13:17.808>Echo: - 103子- 无数据10 09 01 0A 16<P0:17:13:26.86>Send: - 103主- 召唤二级数据10 5B 01 5C 16<P0:17:13:26.131>Echo: - 103子- 通用分类数据(遥测)68 12 12 68 08 01 0A 81 02 01 FE F1 00 01 02 04 01 04 02 01 AA 2A 69 16<P0:17:13:26.142>Send: - 103主- 召唤二级数据10 7B 01 7C 16<P0:17:13:26.175>Echo: - 103子- 无数据10 09 01 0A 16<P0:17:13:27.627>Send: - 103主- 召唤二级数据10 7B 01 7C 16<P0:17:13:27.681>Echo: - 103子- 通用分类数据(遥测)68 1A 1A 68 08 01 0A 81 02 01 FE F1 00 02 02 03 01 04 02 01 01 00 02 0401 04 02 01 01 00 A5 16<P0:17:13:27.691>Send: - 103主- 召唤二级数据10 5B 01 5C 16<P0:17:13:27.756>Send: - 103主- 召唤二级数据10 7B 01 7C 16<P0:17:13:27.811>Echo: - 103子- 通用分类数据(遥测)68 12 12 68 08 01 0A 81 02 01 FE F1 00 01 02 04 01 04 02 01 AA 2A 69 16<P0:17:13:27.812>Send: - 103主- 召唤二级数据10 5B 01 5C 16<P0:17:13:31.431>Send: - 103主- 召唤二级数据10 7B 01 7C 16<P0:17:13:31.475>Echo: - 103子- 通用分类数据(遥测)68 12 12 68 08 01 0A 81 02 01 FE F1 00 01 02 05 01 04 02 01 AA 2A 6A 16<P0:17:13:31.482>Send: - 103主- 召唤二级数据10 5B 01 5C 16<P0:17:13:31.516>Echo: - 103子- 无数据10 09 01 0A 16<P0:17:13:37.631>Send: - 103主- 召唤二级数据10 7B 01 7C 16<P0:17:13:37.686>Echo: - 103子- 通用分类数据(遥测)68 1A 1A 68 08 01 0A 81 02 01 FE F1 00 02 02 04 01 04 02 01 01 00 02 0501 04 02 01 01 00 A7 16<P0:17:13:37.687>Send: - 103主- 召唤二级数据10 5B 01 5C 16<P0:17:13:39.512>Send: - 103主- 召唤二级数据10 7B 01 7C 16<P0:17:13:39.565>Echo: - 103子- 通用分类数据(遥测)68 12 12 68 08 01 0A 81 02 01 FE F1 00 01 02 06 01 04 02 01 AA 2A 6B 16<P0:17:13:39.572>Send: - 103主- 召唤二级数据10 5B 01 5C 16<P0:17:13:45.32>Send: - 103主- 召唤二级数据10 5B 01 5C 16<P0:17:13:45.81>Echo: - 103子- 通用分类数据(遥测)68 12 12 68 08 01 0A 81 02 01 FE F1 00 01 02 07 01 04 02 01 AA 2A 6C 16<P0:17:13:45.91>Send: - 103主- 召唤二级数据10 7B 01 7C 16<P0:17:13:46.66>Echo: - 103子- 无数据10 09 01 0A 16<P0:17:13:46.86>Send: - 103主- 时间同步68 0F 0F 68 44 FF 06 81 08 FF FF 00 06 B4 0D 11 0A 01 00 B3 16 FF FF FF<P0:17:13:46.376>Send: - 103主- 召唤二级数据10 5B 01 5C 16<P0:17:13:47.651>Send: - 103主- 召唤二级数据10 5B 01 5C 16<P0:17:13:47.717>Echo: - 103子- 通用分类数据(遥测)68 1A 1A 68 08 01 0A 81 02 01 FE F1 00 02 02 06 01 04 02 01 01 00 02 07 01 04 02 01 01 00 AB 16<P0:17:13:47.766>Send: - 103主- 召唤二级数据10 7B 01 7C 16<P0:17:13:47.831>Echo: - 103子- 通用分类数据(遥测)68 12 12 68 08 01 0A 81 02 01 FE F1 00 01 02 07 01 04 02 01 AA 2A 6C 16<P0:17:13:47.882>Send: - 103主- 召唤二级数据10 5B 01 5C 16<P0:17:13:51.296>Send: - 103主- 召唤二级数据10 5B 01 5C 16<P0:17:13:51.346>Echo: - 103子- 通用分类数据(遥测)68 12 12 68 08 01 0A 81 02 01 FE F1 00 01 02 09 01 04 02 01 AA 2A 6E 16<P0:17:13:51.362>Send: - 103主- 召唤二级数据10 7B 01 7C 16<P0:17:13:51.391>Echo: - 103子- 无数据10 09 01 0A 16<P0:17:13:56.482>Send: - 103主- 召唤二级数据10 7B 01 7C 16<P0:17:13:56.551>Echo: - 103子- 通用分类数据(遥测)68 12 12 68 08 01 0A 81 02 01 FE F1 00 01 02 0A 01 04 02 01 AA 2A 6F 16<P0:17:13:56.602>Send: - 103主- 召唤二级数据10 5B 01 5C 16<P0:17:13:57.690>Echo: - 103子- 通用分类数据(遥测)68 22 22 68 08 01 0A 81 02 01 FE F1 00 03 02 07 01 04 02 01 00 00 02 09 01 04 02 01 00 00 02 0A 01 04 02 01 00 00 C1 16<P0:17:13:57.727>Send: - 103主- 召唤二级数据10 5B 01 5C 16<P0:17:13:58.166>Send: - 103主- 召唤二级数据10 7B 01 7C 16<P0:17:13:58.211>Echo: - 103子- 通用分类数据(遥测)68 12 12 68 08 01 0A 81 02 01 FE F1 00 01 02 0A 01 04 02 01 AA 2A 6F 16<P0:17:13:58.222>Send: - 103主- 召唤二级数据10 5B 01 5C 16<P0:17:13:58.251>Echo: - 103子- 无数据10 09 01 0A 16<P0:17:13:58.282>Send: - 103主- 召唤二级数据10 7B 01 7C 16<P0:17:13:58.311>Echo: - 103子- 无数据10 09 01 0A 16<P0:17:13:58.342>Send: - 103主- 召唤二级数据10 5B 01 5C 16<P0:17:13:58.371>Echo: - 103子- 无数据10 09 01 0A 16<P0:17:13:58.406>Send: - 103主- 召唤二级数据10 7B 01 7C 16<P0:17:13:58.431>Echo: - 103子- 无数据10 09 01 0A 16<P0:17:13:58.466>Send: - 103主- 召唤二级数据10 5B 01 5C 16<P0:17:13:58.491>Echo: - 103子- 无数据10 09 01 0A 16<P0:17:13:58.531>Send: - 103主- 召唤二级数据10 7B 01 7C 16<P0:17:13:58.551>Echo: - 103子- 无数据10 09 01 0A 16<P0:17:13:58.591>Send: - 103主- 召唤二级数据10 5B 01 5C 16<P0:17:13:58.635>Echo: - 103子- 无数据10 09 01 0A 16<P0:17:13:58.657>Send: - 103主- 召唤二级数据10 7B 01 7C 16<P0:17:13:58.696>Echo: - 103子- 无数据10 09 01 0A 16<P0:17:13:58.717>Send: - 103主- 召唤二级数据10 5B 01 5C 16<P0:17:13:58.755>Echo: - 103子- 无数据10 09 01 0A 16<P0:17:13:58.771>Send: - 103主- 召唤二级数据10 7B 01 7C 16<P0:17:13:58.791>Echo: - 103子- 无数据10 09 01 0A 16<P0:17:13:58.831>Send: - 103主- 召唤二级数据10 5B 01 5C 16<P0:17:13:58.875>Echo: - 103子- 无数据10 09 01 0A 16<P0:17:13:58.886>Send: - 103主- 召唤二级数据10 7B 01 7C 16<P0:17:13:58.935>Echo: - 103子- 无数据10 09 01 0A 16<P0:17:13:58.946>Send: - 103主- 召唤二级数据10 5B 01 5C 16<P0:17:13:58.971>Echo: - 103子- 无数据10 09 01 0A 16<P0:17:13:59.6>Send: - 103主- 召唤二级数据10 7B 01 7C 16<P0:17:13:59.31>Echo: - 103子- 无数据10 09 01 0A 16<P0:17:13:59.62>Send: - 103主- 召唤二级数据10 5B 01 5C 16<P0:17:13:59.91>Echo: - 103子- 无数据10 09 01 0A 16<P0:17:13:59.122>Send: - 103主- 召唤二级数据10 7B 01 7C 16<P0:17:13:59.151>Echo: - 103子- 无数据10 09 01 0A 16<P0:17:13:59.186>Send: - 103主- 召唤二级数据10 5B 01 5C 16<P0:17:13:59.216>Echo: - 103子- 无数据10 09 01 0A 16<P0:17:13:59.251>Send: - 103主- 召唤二级数据10 7B 01 7C 16<P0:17:13:59.271>Echo: - 103子- 无数据10 09 01 0A 16<P0:17:13:59.317>Send: - 103主- 召唤二级数据10 5B 01 5C 16<P0:17:13:59.356>Echo: - 103子- 无数据10 09 01 0A 16<P0:17:13:59.377>Send: - 103主- 召唤二级数据10 7B 01 7C 16<P0:17:13:59.415>Echo: - 103子- 无数据10 09 01 0A 16<P0:17:13:59.431>Send: - 103主- 召唤二级数据10 5B 01 5C 16<P0:17:13:59.475>Echo: - 103子- 无数据10 09 01 0A 16<P0:17:13:59.491>Send: - 103主- 召唤二级数据10 7B 01 7C 16<P0:17:13:59.515>Echo: - 103子- 无数据10 09 01 0A 16<P0:17:13:59.546>Send: - 103主- 召唤二级数据10 5B 01 5C 16<P0:17:13:59.576>Echo: - 103子- 无数据10 09 01 0A 16<P0:17:13:59.602>Send: - 103主- 召唤二级数据10 7B 01 7C 16<P0:17:13:59.635>Echo: - 103子- 无数据10 09 01 0A 16<P0:17:13:59.656>Send: - 103主- 召唤二级数据10 5B 01 5C 16<P0:17:13:59.695>Echo: - 103子- 无数据10 09 01 0A 16<P0:17:13:59.707>Send: - 103主- 召唤二级数据10 7B 01 7C 16<P0:17:13:59.736>Echo: - 103子- 无数据10 09 01 0A 16<P0:17:13:59.761>Send: - 103主- 召唤二级数据10 5B 01 5C 16<P0:17:13:59.796>Echo: - 103子- 无数据10 09 01 0A 16<P0:17:13:59.827>Send: - 103主- 召唤二级数据10 7B 01 7C 16<P0:17:13:59.856>Echo: - 103子- 无数据10 09 01 0A 16<P0:17:13:59.887>Send: - 103主- 召唤二级数据10 5B 01 5C 16<P0:17:13:59.916>Echo: - 103子- 无数据10 09 01 0A 16<P0:17:13:59.941>Send: - 103主- 召唤二级数据10 7B 01 7C 16<P0:17:13:59.976>Echo: - 103子- 无数据10 09 01 0A 16<P0:17:14:0.1>Send: - 103主- 召唤二级数据10 5B 01 5C 16<P0:17:14:0.36>Echo: - 103子- 无数据10 09 01 0A 16<P0:17:14:0.61>Send: - 103主- 召唤二级数据10 7B 01 7C 16<P0:17:14:0.96>Echo: - 103子- 无数据10 09 01 0A 16<P0:17:14:0.116>Send: - 103主- 召唤二级数据10 5B 01 5C 16<P0:17:14:0.156>Echo: - 103子- 无数据10 09 01 0A 16<P0:17:14:0.176>Send: - 103主- 召唤二级数据10 7B 01 7C 16<P0:17:14:0.216>Echo: - 103子- 无数据10 09 01 0A 16<P0:17:14:0.237>Send: - 103主- 召唤二级数据10 5B 01 5C 16<P0:17:14:0.276>Echo: - 103子- 无数据10 09 01 0A 16<P0:17:14:0.292>Send: - 103主- 召唤二级数据10 7B 01 7C 16<P0:17:14:0.315>Echo: - 103子- 无数据10 09 01 0A 16<P0:17:14:0.346>Send: - 103主- 召唤二级数据10 5B 01 5C 16<P0:17:14:0.376>Echo: - 103子- 无数据10 09 01 0A 16<P0:17:14:0.401>Send: - 103主- 召唤二级数据10 7B 01 7C 16<P0:17:14:0.436>Echo: - 103子- 无数据10 09 01 0A 16<P0:17:14:0.466>Send: - 103主- 召唤二级数据10 5B 01 5C 16<P0:17:14:0.516>Echo: - 103子- 无数据10 09 01 0A 16<P0:17:14:0.521>Send: - 103主- 召唤二级数据10 7B 01 7C 16<P0:17:14:0.555>Echo: - 103子- 无数据10 09 01 0A 16<P0:17:14:0.581>Send: - 103主- 召唤二级数据10 5B 01 5C 16<P0:17:14:0.616>Echo: - 103子- 无数据10 09 01 0A 16<P0:17:14:0.637>Send: - 103主- 召唤二级数据10 7B 01 7C 16<P0:17:14:0.676>Echo: - 103子- 无数据10 09 01 0A 16<P0:17:14:0.691>Send: - 103主- 召唤二级数据10 5B 01 5C 16<P0:17:14:0.715>Echo: - 103子- 无数据10 09 01 0A 16<P0:17:14:0.742>Send: - 103主- 召唤二级数据10 7B 01 7C 16<P0:17:14:0.775>Echo: - 103子- 无数据10 09 01 0A 16<P0:17:14:0.796>Send: - 103主- 召唤二级数据10 5B 01 5C 16<P0:17:14:0.835>Echo: - 103子- 无数据10 09 01 0A 16<P0:17:14:0.847>Send: - 103主- 召唤二级数据10 7B 01 7C 16<P0:17:14:0.876>Echo: - 103子- 无数据10 09 01 0A 16<P0:17:14:0.901>Send: - 103主- 召唤二级数据10 5B 01 5C 16<P0:17:14:0.936>Echo: - 103子- 无数据10 09 01 0A 16<P0:17:14:0.961>Send: - 103主- 召唤二级数据10 7B 01 7C 16<P0:17:14:0.996>Echo: - 103子- 无数据10 09 01 0A 16<P0:17:14:1.31>Send: - 103主- 召唤二级数据10 5B 01 5C 16<P0:17:14:1.56>Echo: - 103子- 无数据10 09 01 0A 16<P0:17:14:1.96>Send: - 103主- 召唤二级数据10 7B 01 7C 16<P0:17:14:1.135>Echo: - 103子- 无数据10 09 01 0A 16<P0:17:14:1.162>Send: - 103主- 召唤二级数据10 5B 01 5C 16<P0:17:14:1.195>Echo: - 103子- 无数据10 09 01 0A 16<P0:17:14:1.222>Send: - 103主- 召唤二级数据10 7B 01 7C 16<P0:17:14:1.255>Echo: - 103子- 无数据10 09 01 0A 16<P0:17:14:1.276>Send: - 103主- 召唤二级数据10 5B 01 5C 16<P0:17:14:1.315>Echo: - 103子- 无数据10 09 01 0A 16<P0:17:14:1.331>Send: - 103主- 召唤二级数据10 7B 01 7C 16<P0:17:14:1.356>Echo: - 103子- 无数据10 09 01 0A 16<P0:17:14:1.396>Send: - 103主- 召唤二级数据10 5B 01 5C 16<P0:17:14:1.435>Echo: - 103子- 无数据10 09 01 0A 16<P0:17:14:1.456>Send: - 103主- 召唤二级数据10 7B 01 7C 16<P0:17:14:1.500>Echo: - 103子- 无数据10 09 01 0A 16<P0:17:14:1.522>Send: - 103主- 召唤二级数据10 5B 01 5C 16<P0:17:14:1.556>Echo: - 103子- 无数据10 09 01 0A 16<P0:17:14:1.582>Send: - 103主- 召唤二级数据10 7B 01 7C 16。
一、DL/T667-1999(IEC60870-5-103)通信规约基本要点1. 通信接口1.1 接口标准:RS232、RS485、光纤。
1.2 通信格式:异步,1位起始位,8位数据位,1位偶校验位,1位停止位。
字符和字节传输由低至高。
线路空闲状态为1,字符间无需线路空闲间隔,两帧之间线路空闲间隔至少33位(3个字节)1.3 通信速率:可变。
1.4 通信方式:主从一对多,Polling方式。
2. 报文格式870-5-103通信规约有固定帧长报文和可变帧长报文两种报文格式,前者主要用于传送“召唤、命令、确认、应答”等信息,后者主要用于传送“命令”和“数据”等信息。
2.1 固定帧长报文启动字符控制域地址域代码和结束字符注:代码和=控制域+地址域(不考虑溢出位,即256模和)————启动字符1(1byte)————长度(1byte)————长度(重复)(1byte)————启动字符2(重复)(1byte)————控制域(1byte)————地址域(1byte)————链路用户数据[(length-2)byte]————代码和(1byte)————结束字符(1byte)注:(1)代码和=控制域+地址域+ ASDU代码和(不考虑溢出位,即256模和)(2)ASDU为“链路用户数据”包,具体格式将在下文介绍(3)Length=ASDU字节数+22.3 控制域控制域分“主∧从”和“从∧主”两种情况。
(1)“主∧从”报文的控制域D7 D6 D5 D4 D3 D2 D1 D0备用PRM FCB FCV 功能码0 11(A)PRM(启动报文位)表明信息传输方向,PRM=1由主站至子站;PRM=0由子站至主站。
(B ) FCB (桢记数位)。
FCB = 0 / 1——主站每向从站发送新一轮的“发送/确认”或“请求/响应”传输服务时,将FCB 取反。
主站为每个从站保存一个FCB 的拷贝,若超时未收到应答,则主站重发,重发报文的FCB 保持不变,重发次数最多不超过3次。
IEC103规约格式1.基本报文格式1.1固定帧长报文启动字符控制域 地址域 代码和 结束字符注:代码和=控制域+地址域(不考虑溢出位,即256模和) 1.2可变帧长报文注:(1)代码和=控制域+地址域+ ASDU 代码和(不考虑溢出位,即256模和) (2)ASDU 为“链路用户数据”包,具体格式将在下文介绍 (3)Length=ASDU 字节数+2 1.3控制域定义控制域分“主∧ 从”和“从∧ 主”两种情况。
(1) “主∧ 从”报文的控制域D7 D6 D5 D4 D3 D2 D1 D0备用 PRM FCB FCV 功能码1每位的具体定义请参考详细103规约。
(2) “从∧ 主”报文的控制域D7 D6 D5 D4 D3 D2 D1 D0备用 PRM ACD DFC 功能码 0 0每位的具体定义请参考详细103规约。
———— 启动字符1(1byte ) ———— 长度(1byte )———— 长度(重复)(1byte ) ———— 启动字符2(重复)(1byte ) ———— 控制域(1byte ) ———— 地址域(1byte )———— 链路用户数据[(length-2)byte] ———— 代码和(1byte ) ————结束字符(1byte )1.4地址域地址域为主站与之通信的从站地址,0-254:设备地址,255:广播地址。
2.链路规约数据单元(LDPU)控制方向:从控制系统到继电保护设备(或间隔单元)的传输方向。
监视方向:从继电保护设备(或间隔单元)到控制系统的传输方向。
2.1控制方向●复位帧计数位●复位通信单元●召唤1级数据●召唤2级用户数据●请求链路状态2.2监视方向●确认帧:●忙帧:●无所要求的数据帧回答:●链路状态响应帧:图中*表示:=<11>=链路工作正常,:=<14>=链路服务未工作,:=<11>=链路服务未实现。
2.3可变帧长的链路规约数据单元LDPULDPU 由两部分组成:链路控制规约信息(LPCI )和应用服务数据单元(ASDU )。
103规约转出软件实验报告(改进版)1、初始化●主站发: 10 40 04 44 16目的:给地址为04的装置发复位通信单元命令。
10 //固定帧长起始字符40 //控制域04 //4416子站回答:10 20 04 24 16目的: ACD位置1,表明子站向主站请求1级数据上送。
●主站发: 10 7a 04 7e 16目的:向地址为04的装置发请求1级数据命令。
子站回答:68 15 15 68 28 04 05 81 04 04 b2 03 03 c4 cf c8 f0 bc cc b1 a3 0100 01 00 9b 16 (ASDU5,CON=28,COT=4)68 //启动字符15 //报文长度15 //报文长度68 //启动字符//控制域, 地址域, 类型标识, 可变结构限定词, 传送原因, 公共地址28 04 05 81 04 04//功能类型,信息序号, 兼容级别,8个ASCIIb2 03 03 c4 cf c8 f0 bc cc b1 a3//4个自由赋值01 00 01 00/////////////////////////////////////////////////////连路用户数据9b //校验和16 //结束字符(ASDU5,CON=28,COT=4)80 00目的:子站以ASDU5(复位通信单元)响应主站的召唤。
并ACD位置1,表明子站继续向主站请求1级数据上送。
●主站发:10 5a 04 5e 16目的:向地址为04的装置发请求1级数据命令。
子站回答:68 15 15 68 08 04 05 81 05 04 b2 04 03 c4 cf c8 f0 bc cc b1 a3 0100 01 00 7d 16 (ASDU5,CON = 08,COT=5)目的:子站以ASDU5(启动/重新启动)响应主站的召唤。
ACD 位置回0。
后面跟随时间同步和总查询。
结果分析:程序的行为完全正确。
IEC103规约报文格式IEC103规约格式1.基本报文格式1.1固定帧长报文启动字符控制域 地址域 代码和 结束字符注:代码和=控制域+地址域(不考虑溢出位,即256模和) 1.2可变帧长报文注:(1)代码和=控制域+地址域+ ASDU 代码和(不考虑溢出位,即256模和) (2)ASDU 为“链路用户数据”包,具体格式将在下文介绍 (3)Length=ASDU 字节数+2 1.3控制域定义控制域分“主∧ 从”和“从∧ 主”两种情况。
(1) “主∧ 从”报文的控制域D7 D6 D5 D4 D3 D2 D1 D0备用 PRM FCB FCV 功能码1每位的具体定义请参考详细103规约。
(2) “从∧ 主”报文的控制域D7 D6 D5 D4 D3 D2 D1 D0备用 PRM ACD DFC 功能码 0 0每位的具体定义请参考详细103规约。
———— 启动字符1(1byte ) ———— 长度(1byte )———— 长度(重复)(1byte ) ———— 启动字符2(重复)(1byte ) ———— 控制域(1byte ) ———— 地址域(1byte )———— 链路用户数据[(length-2)byte] ———— 代码和(1byte ) ————结束字符(1byte )1.4地址域地址域为主站与之通信的从站地址,0-254:设备地址,255:广播地址。
2.链路规约数据单元(LDPU)控制方向:从控制系统到继电保护设备(或间隔单元)的传输方向。
监视方向:从继电保护设备(或间隔单元)到控制系统的传输方向。
2.1控制方向●复位帧计数位●复位通信单元●召唤1级数据●召唤2级用户数据●请求链路状态2.2监视方向●确认帧:●忙帧:●无所要求的数据帧回答:●链路状态响应帧:图中*表示:=<11>=链路工作正常,:=<14>=链路服务未工作,:=<11>=链路服务未实现。
2.3可变帧长的链路规约数据单元LDPULDPU 由两部分组成:链路控制规约信息(LPCI )和应用服务数据单元(ASDU )。
ASDU 即是指可变帧长帧格式中的链路用户数据,而LPCI 则是指可变帧长帧格式中除链路用户数据外的其他部分。
ASDU 的一般格式类型标识、可变结构限定词等的具体定义请参考详细规约。
3常用ASDUs 的定义和报文举例3.1初始化及总召唤数据 单元 标识符ASDU 类型标识(1 byte) 可变结构限定词 传送原因应用服务数据单元公共地址 信 息 体功能类型 信息序号ASDU5标识报文ASDU6对时如果是广播方式不需回应,点对点方式为原报文回复ASDU7启动总查询ASDU8总查询结束(终止)ASDU21启动通用分类服务总查询ASDU10通用分类服务总查询结束报文示例:主:10 40 32 72 16复位通信单元子:10 20 32 52 16确认帧,置ACD位主:10 7a 32 ac 16召唤一级用户数据子:68 39 39 68 28 32 05(1) 81 04(2) 32 80 03(3) 03(4) cb c4 b7 bd bc cc b1 a3(5) d7 d4 b6 af bb af d3 d0 cf de c4 b8 b2 ee b1 a3 bb a4 20 20 20 20 20 20 20 20 20 20 20 20 20 20 20 20 20 20 20 20 20 20 d4 16标识报文(1)类型标识(2)传送原因,复位通信单元(3)信息序号(4)兼容级别(5)ASCII字符主:68 09 09 68 53(1) 32 07(2) 81 09(3) 32 ff(4) 00 00(5) 47 16总召唤子:10 20 32 52 16确认帧(1)控制域,发送确认帧(2)类型标识(3)传送原因(4)功能码,全局功能类型(5)扫描序号主:10 5a 32 8c 16召唤一级用户数据子:68 0e 0e 68 28 32 01(1) 81 09(2) 32 80 80(3) 01(4) 05 6a 0c 01(5) 00(6) 94 16上送ASDU1报文(1)类型标识(2)传送原因(3)信息序号(4)开关量状态(DPI)(5)四字节时间组(6)扫描序号主:10 7a 32 ac 16召唤一级用户数据子:68 09 09 68 08 32 08(1) 81 0a(2) 32 ff(3) 00 00(4) fe 16总召唤结束(1)类型标识(2)传送原因(3)功能码(4)扫描序号主:68 0d 0d 68 53 32 15(1) 81 2a(2) 32 fe(3) f5(4) 00(5) 01(6) 09 00(7) 01(8) 75 16通用分类服务总召唤子: 10 20 32 52 16确认帧(1)类型标识(2)传送原因(3)功能码,通用分类服务(4)信息序号,通用分类服务总查询(5)返回信息标识符(6)通用分类个数(NOG)(7)通用分类标识序号(GIN)(8)描述类别,实际值主:10 7a 32 ac 16召唤一级用户数据子:68 d2 d2 68 28 32 0a(1) 81 2a(2) 32 fe(3) f1(4) 00(5) 94(6) 09 01(7) 01(8) 07 04 01(9) 00 00 91 3b(10) 09 02 01 07 04 01 00 00 00 80 09 03 01 07 04 01 00 00 60 39 09 04 01 07 04 01 00 00 00 80 09 05 01 07 04 01 00 00 7c 3a 09 06 01 07 04 01 00 00 00 80 09 07 01 07 04 01 00 00 7e 3b 09 08 01 07 04 01 00 00 00 80 09 09 01 07 04 01 00 00 7a 3b 09 0a 01 07 04 01 00 00 00 80 09 0b 01 07 04 01 00 00 c9 3b 09 0c 01 07 04 01 00 00 00 80 09 0d 01 07 04 01 00 00 89 3b 09 0e 01 07 04 01 00 00 00 80 09 0f 01 07 04 01 00 00 c1 3b 09 10 01 07 04 01 00 00 00 80 09 11 01 07 0401 00 00 84 3b 09 12 01 07 04 01 00 00 00 80 09 13 01 07 04 01 00 00 c4 3b 09 14 01 07 04 01 00 00 00 80 59 16通用分类服务响应(1)类型标识(2)传送原因(3)功能码,通用分类服务(4)信息序号(5)返回信息标识符(6)通用分类个数(NOG)(7)通用分类标识序号(GIN)(8)描述类别,实际值(9)通用分类数据描述(GDD)(10)数据内容主:10 7a 32 ac 16召唤一级用户数据子:68 0a 0a 68 08 32 0a(1) 81 0a(2) 32 fe(3) f5(4) 00(5) 00(6) f4 16通用分类服务总召唤结束(1)类型标识(2)传送原因,通用分类服务结束(3)功能码,通用分类服务(4)信息序号(5)返回信息标识符(6)通用分类个数(NOG)主:10 5b 0f 6a 16总控要2级数据主:10 5b 0f 6a 16 在50ms内,总控未收到应答报文。
不改变FCB状态,重发。
主:10 5b 0f 6a 16不改变FCB状态,再次重发。
主:10 47 0f 56 16超时重发3遍后,发送复位桢记数位(FCB、FCV都为0,功能码为7代表FCB)主:10 40 0f 4f 16 复位通讯单元(CU)(FCB、FCV都为0,功能码为0代表CU)主:10 40 0f 4f 16复位通讯单元(CU)3.2遥信总查询过程:主站向装置发总查询命令,装置以确认帧回答后,再将总查询信息转成1级用户数据后,在当前上送报文里的要求访问位(ACD)置1。
主站收到ACD=1后,向装置查询1级数据,装置以ASDU (传输原因为总查询)上送遥信量(包括遥信量及软压板状态)。
已运行正常以后,主站按一定时间间隔(约15分钟)启动总查询。
在两次总查询间隔过程中,主站轮询各装置2级数据,装置一旦检测到发生遥信变位,则把上送2级数据报文ACD置1,通知主站查询1级数据。
装置通过ASDU 上送变位遥信,同时也是该变位遥信的SOE; 如果变位的是事故报文,则装置通过ASDU 上送报文。
注:各个厂家的装置上送全遥信、变位遥信、SOE等的ASDU不同,以南瑞保护为例,报文如下:总查询主:68 09 09 68 73 0F 09 04 25 16对装置15启动总查询控制域:FCB,FCV=1 原因:总查询发送确认桢VSQ 扫描序号SCN子:10 10 0F 1F 16装置15确认总查询。
注意控制域中DFC(数据流控制位)置1。
主:10 5b 0f 6a 16 总控对装置继续要2级数据。
注意1)报文中FCB=1,总控正确接收到装置的确认报文后,下一桢报文把FCB状态反转,2)报文中FCB=0。
子:68 16 28 0f 32 07 02 0f 01 5c f8 ff f8 ff 00 00 f8 fff8 ff 16控制域ACD=1装置组织好总查询信息后,上送2级数据时,把要求访问位ACD置1,通知主站要1级数据主:10 7a 0f 89 16 总控对装置15 要1级数据。
子:68 13 13 68 28 0f 0f 01 9500 04 94 16ASDU4421~16个遥信状态为0传送原因从上次查询状态都改变过附加信息SIN总查询变位遥信及SOE上送:主:10 5b 0f 6a 16 正常状态,总控对装置不断查询2级数据。
子:68 16 16 32 07 02 0f 01 5c f8 ff f8 ff 00 00 f8 ff f8ff f8 ff f8 ff 88 ACD=1,装置请求总控查询1级数据。
主:10 7a 0f 89 16 总控要1级数据。
子:68 0a 0a 81 0f 01 96 88 16 装置上送开入2变位遥信SIN,此处无意义ACD=1 开入2ASDU40传送原因状态为合突发报文主:10 5a 0f 69 16 因为变位遥信上送报文里ACD置1,所以总控继续要1级数据。
子:68 0e 0e 81 01 09 16上送开入2的SOEACD=0 4字节2进制时间:14点08ASDU41传送原因开入2 分28952ms突发报文单点信息状态为合3.3遥测遥测量的采集是通过通用分类服务功能实现的。