IEC103规约报文格式全解
- 格式:pdf
- 大小:109.08 KB
- 文档页数:11
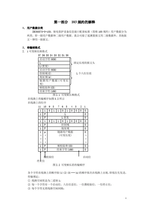
第一部分 103规约的解释1. 用户数据分类IEC60870-5-103:继电保护设备信息接口配套标准(简称103规约)用户数据分为两类,即一级用户数据和二级用户数据。
我公司除了遥测量报文用二级数据外,其他报文一律用一级报文。
2. 传输桢格式2. 1可变桢长桢格式固定长度的报文头 个八位位组 图2.1 可变帧长帧格式在线路上传输顺序如图3.2所示 在线路上的位序图2.2 可变帧长的传输顺序各个字符在线路上的顺序按(1)(2)(3)---(n)的顺序依次在线路上出现,即低位先发送。
传输规定:① 线路空闲状态为二进制1;② 每一个字符有一个启动位,八位信息位,一位偶校验位,一位停止位; ③ 每个字符无需线路空闲间隔;④两帧之间的线路空闲间隔最少需33位;⑤长度L包括控制域、地址域,用户数据区的8位位组的个数,为二进制数;⑥帧校验和复控制、地址、用户数据区八位位组的算术和(不考虑溢出位即256模和);⑦接受校验 (A) 每个字符的启动位、停止位、偶校验位;(B) 检验两个启动字符、两个L值应一致、接受字符数为L+6、帧校验和、结束字符,若检出一个差错,舍弃此帧数据,并检验空闲间隔。
2.2固定帧长帧格式D7 D6 D5 D4 D3 D2 D1 D0图2.3固定帧长帧格式在线路上传送位序图2.4固定帧长帧格式传输顺序各个字符在线路上的顺序按(1)(2)(3)---(n)的顺序依次在线路上出现,即低位先发。
传输规定:①-④同可变帧长的传输规定①-④;⑤此种帧无帧长;⑥帧校验和是控制、地址的算术和(不考虑溢出位即256模和);⑦接受校验:(A) 每个字符的启动位、停止位、偶校验位;(B) 校验启动字符、帧校验和、结束字符,若检出一个差错,舍弃此帧数据,并校验空闲间隔;(C) 在校验中,如无差错数据有效。
2.3固定桢长具体报文(控制方向)C_RFB_NA_3 C_RCU_NA_310H 10H01000111 01000000链路地址域链路地址域帧校验和(CS)帧校验和(CS)16H 16H图2.5 复位帧计数位图2.6 复位通信单元C_PL1_NA_3 C_PL2_NA_3 C_PLK_NA_310H 10H 10H01FCBFCV1010 01FCBFCV1011 01FCBFCV1001 链路地址域链路地址域链路地址域帧校验和(CS) 帧校验和(CS) 帧校验和(CS)16H 16H 16H图2.7召唤1级用户数据图2.8召唤2级用户数据图2.9请求链路状态2.4固定桢长具体报文(监控方向)正确收到控制系统的发送帧,MGT、MDM-B1(B)以确认回答(见图2.10)。
HYP600 IEC-103规约说明1 通信接口接口标准:RS232、RS485、光纤。
通信格式:异步,1位起始位,8位数据位,1位偶校验位,1位停止位。
字符和字节传输由低至高,重复帧传输的超时时间间隔50ms。
通信速率:1200、2400、4800、9600、19.2K、38.4K (可调)。
2 固定帧长共有9种固定帧长的报文。
2.1 监控系统发送的固定帧长报文复位FCB报文——C_RFB_NA_3:控制域=47H。
复位通信单元报文——C_RCU_NA_3:控制域=40H。
召唤1级用户数据——C_PL1_NA_3:控制域=01 FCB FCV 1010B。
召唤2级用户数据——C_PL2_NA_3:控制域=01 FCB FCV 1011B。
请求链路状态——C_RLK_NA_3:控制域=01 FCB 0 1001B。
2.2 单元发送的固定帧长报文确认帧——M_CON_NA_3:控制域=00 ACD DFC 0000B。
正确收到监控系统的发送帧,单元以此帧回答。
无所需要的数据响应帧——M_NV_NA_3:控制域=00 ACD DFC 1001B。
如果单元无监控系统所请求的数据,就以此帧响应。
链路状态响应帧——M_LKR_NA_3:控制域=00 ACD DFC ****B。
其中“****”表示:=BH 表示链路工作正常,=EH表示链路服务未工作,=FH表示链路服务未实现。
当无监控系统所请求单元的链路状态,单元就以此帧响应。
3 可变帧帧长3.1 下行报文(控制方向)3.1.1 ASDU6(06H)时间同步类型标识TYP 06H 注释VSQ 81H 综合信息传送原因COT 08H 08H=时间同步ASDU—ADDR FFH 广播方式功能类型FUN FFH 全局功能GLB (255)信息序号INF 00H 时间同步7个8位位组时间D7 时标ms D0 2个字节的二进制毫秒时间(低字节在前)D15 D8IV 备用时标min 1个字节分钟,IV=0为有效;=1无效SU 时标h 1个字节小时,su为夏时制标志D7~D5周某天D0~D4天数日(周的某天未采用)备用D3~D0月月备用D6~D0年年3.1.2 ASDU7(07H)启动总查询(1)方式一类型标识TYP 07H 注释VSQ 81H 只有一个综合信息传送原因COT 09H 总查询(总召唤)的启动ASDU—ADDR ADDR 测控装置物理地址功能类型FUN FFH FUN=255全局功能类型信息序号INF 00H INF=0全局功能类型扫描序号SCN SCN 1个字节。
103通讯参考报文以下均以00# 节点为例1.未初始化之前主:10 7B 00 7B 16子:10 0E 00 0E 16 链路服务未工作2.初始化主:10 40 00 40 16 复位通信单元子:10 20 00 20 16主:10 7A 00 7A 16子:68 15 15 68 28 00 05 81 04 00 FF 03 03 20 20 20 20 20 20 20 20 20 20 20 20 37 16 主:10 5A 00 5A 16子:68 15 15 68 08 00 05 81 05 00 FF 04 03 20 20 20 20 20 20 20 20 20 20 20 20 19 16主:10 47 00 47 16 复位帧计数位子:10 20 00 20 16主:10 7A 00 7A 16子:68 15 15 68 28 00 05 81 03 00 FF 02 03 20 20 20 20 20 20 20 20 20 20 20 20 35 16 主:10 5A 00 5A 16子:68 15 15 68 08 00 05 81 05 00 FF 04 03 20 20 20 20 20 20 20 20 20 20 20 20 19 163.时钟同步主:68 0F 0F 68 44 FF 06 81 08 FF FF 00 00 00 00 0C 0A 01 07 XX 164.4.通用分类服务总查询主:68 0A 0A 68 53(73) 00 15 81 09 00 FE F5 00 00 XX 16子:10 20 00 20 16主:10 7A 00 7A 16子:68 89 89 68 28 00XX 16 校验码、结束符主:10 5A 00 5A 16子:68 65 65 68 28 00XX 16 校验码、结束符5.6.遥控:(遥控01 节点1 路遥控)遥控分选择正确主:68 11 11 68 73 01 0A 81 28 01 FE F9 09 01 60 01 01 09 01 01 01 97 16 子:10 20 01 21 16主:10 5A 01 5B 16从:68 11 11 68 08 01 0A 81 2C 01 FE F9 09 01 60 01 01 09 01 01 01 30 16遥控分执行正确主:68 11 11 68 73 01 0A 81 28 01 FE FA 0A 01 60 01 01 09 01 01 01 99 16 从:68 0A 0A 68 08 01 0A 81 28 01 FE FA 0A 00 BF 16主:10 5A 01 5B 16从:68 0A 0A 68 08 01 0A 81 28 01 FE FA 0A 00 BF 16遥控合选择正确主:68 11 11 68 73 01 0A 81 28 01 FE F9 09 01 60 01 01 09 01 01 02 98 16 子:10 20 01 21 16主:10 5A 01 5B 16从:68 11 11 68 08 01 0A 81 2C 01 FE F9 09 01 60 01 01 09 01 01 01 30 16遥控合执行正确主:68 11 11 68 73 01 0A 81 28 01 FE FA 0A 01 60 01 01 09 01 01 02 9A 16 从:68 0A 0A 68 08 01 0A 81 28 01 FE FA 0A 00 BF 16主:10 5A 01 5B 16从:68 0A 0A 68 08 01 0A 81 28 01 FE FA 0A 00 BF 167.开关事项、保护事项、自检事项一级数据上送主:10 7A 00 7A 16 / 10 5A 00 5A 16开关变位子:68 1E 1E 68 08 000A 81 01 00 FE F4 00 0110 01 01 17 0E 010E 07 01 75 BF 2E 0C 01 01 07变位发生时间09 01 01 01变位性质01(从合到分) 02(从分到合)XX 16保护事项子:68 46 46 68 28 000A 81 01 00 FE F4 00 0120 01 01 17 36 010E 07 01 82 90 35 0C 01 01 07动作时间03 01 01 01动作次数03 01 01 02保护测量值个数03 01 01 00 03 02 01 10 27保护测量值03 01 01 04 03 02 01 10 27保护测量值03 01 01 FF 03 02 01 00 00保护测量值03 01 01 FF 03 02 01 00 00保护测量值XX 16自检事项子:68 1E 1E 68 08 000A 81 01 00 FE F4 00 0180 02 01 17 0E 010E 07 01 75 BF 2E 0C 01 01 07故障发生时间03 01 01 01故障次数XX 168.读一个组的全部条目的值保护测量值组主:68 0D 0D 68 53(73) 00 15 81 2A 00 FE F1 00 01 30 00 01 XX 16 遥测组主:68 0D 0D 68 53(73) 00 15 81 2A 00 FE F1 00 01 40 00 01 XX 16 遥信组主:68 0D 0D 68 53(73) 00 15 81 2A 00 FE F1 00 01 50 00 01 XX 16 电度组主:68 0D 0D 68 53(73) 00 15 81 2A 00 FE F1 00 01 70 00 01 XX 16 自检状态组主:68 0D 0D 68 53(73) 00 15 81 2A 00 FE F1 00 01 90 00 01 XX 16 子站响应保护测量值XX 16 校验码、结束符。
103规约详解⼀、DL/T667-1999(IEC60870-5-103)通信规约基本要点1. 通信接⼝1.1 接⼝标准:RS232、RS485、光纤。
1.2 通信格式:异步,1位起始位,8位数据位,1位偶校验位,1位停⽌位。
字符和字节传输由低⾄⾼。
线路空闲状态为1,字符间⽆需线路空闲间隔,两帧之间线路空闲间隔⾄少33位(3个字节)1.3 通信速率:可变。
1.4 通信⽅式:主从⼀对多,Polling⽅式。
2. 报⽂格式870-5-103通信规约有固定帧长报⽂和可变帧长报⽂两种报⽂格式,前者主要⽤于传送“召唤、命令、确认、应答”等信息,后者主要⽤于传送“命令”和“数据”等信息。
2.1 固定帧长报⽂启动字符控制域地址域代码和结束字符注:代码和=控制域+地址域(不考虑溢出位,即256模和)2.2————启动字符1(1byte)————长度(1byte)————长度(重复)(1byte)————启动字符2(重复)(1byte)————控制域(1byte)————地址域(1byte)————链路⽤户数据[(length-2)byte]————代码和(1byte)————结束字符(1byte)注:(1)代码和=控制域+地址域+ ASDU代码和(不考虑溢出位,即256模和)(2)ASDU为“链路⽤户数据”包,具体格式将在下⽂介绍(3)Length=ASDU字节数+22.3 控制域控制域分“主从”和“从主”两种情况。
(1)“主从”报⽂的控制域D7 D6 D5 D4 D3 D2 D1 D0备⽤PRM FCB FCV 功能码0 11(A)PRM(启动报⽂位)表明信息传输⽅向,PRM=1由主站⾄⼦站;PRM=0由⼦站⾄主站。
(B)FCB(桢记数位)。
FCB = 0 / 1——主站每向从站发送新⼀轮的“发送/确认”或“请求/响应”传输服务时,将FCB取反。
主站为每个从站保存⼀个FCB的拷贝,若超时未收到应答,则主站重发,重发报⽂的FCB保持不变,重发次数最多不超过3次。
103规约详细解析⼀、DL/T667-1999(IEC60870-5-103)通信规约基本要点1. 通信接⼝1.1 接⼝标准:RS232、RS485、光纤。
1.2 通信格式:异步,1位起始位,8位数据位,1位偶校验位,1位停⽌位。
字符和字节传输由低⾄⾼。
线路空闲状态为1,字符间⽆需线路空闲间隔,两帧之间线路空闲间隔⾄少33位(3个字节)1.3 通信速率:可变。
1.4 通信⽅式:主从⼀对多,Polling⽅式。
2. 报⽂格式870-5-103通信规约有固定帧长报⽂和可变帧长报⽂两种报⽂格式,前者主要⽤于传送“召唤、命令、确认、应答”等信息,后者主要⽤于传送“命令”和“数据”等信息。
2.1 固定帧长报⽂启动字符控制域地址域代码和结束字符注:代码和=控制域+地址域(不考虑溢出位,即256模和)————启动字符1(1byte)————长度(1byte)————长度(重复)(1byte)————启动字符2(重复)(1byte)————控制域(1byte)————地址域(1byte)————链路⽤户数据[(length-2)byte]————代码和(1byte)————结束字符(1byte)注:(1)代码和=控制域+地址域+ ASDU代码和(不考虑溢出位,即256模和)(2)ASDU为“链路⽤户数据”包,具体格式将在下⽂介绍(3)Length=ASDU字节数+22.3 控制域控制域分“主从”和“从主”两种情况。
(1)“主从”报⽂的控制域D7 D6 D5 D4 D3 D2 D1 D0备⽤PRM FCB FCV 功能码0 11(A)PRM(启动报⽂位)表明信息传输⽅向,PRM=1由主站⾄⼦站;PRM=0由⼦站⾄主站。
(B ) FCB (桢记数位)。
FCB = 0 / 1——主站每向从站发送新⼀轮的“发送/确认”或“请求/响应”传输服务时,将FCB 取反。
主站为每个从站保存⼀个FCB 的拷贝,若超时未收到应答,则主站重发,重发报⽂的FCB 保持不变,重发次数最多不超过3次。
IEC103规约报文举例IEC103规约报文举例分类:电力系统2010-07-20 17:16 77人阅读评论(0) 收藏举报遥控报文示例主:68 11 11 68 53 32 0a(1) 81 28 32 fe(2) f9(3) 00(4) 01(5) 0b 01(6) 01(7) 03 01 01(8) 01(9) 75 16 通用分类带确认的写条目子:10 20 32 52 16 确认帧(1)类型标识(2)功能码,通用分类服务(3)信息序号,带确认写命令(4)返回信息标识符(5)通用分类个数(NOG)(6)通用分类标识序号(GIN)(7)描述类别,实际值(8)通用分类数据描述(GDD)(9)数据内容主:10 7a 32 ac 16 召唤一级用户数据子:68 11 11 68 08 32 0a(1) 81 2c(2) 32 fe f9 00 01 0b 01 01 03 01 01 01 2e 16 响应带确认的写条目(1)类型标识(2)传送原因,通用分类写确认主:68 0a 0a 68 53 32 0a(1) 81 28 32 fe(2) fa(3) 00(4) 00(5) 62 16 通用分类带执行的写条目子:10 20 32 52 16 确认帧(1)类型标识(2)功能码,通用分类服务(3)信息序号,带执行的写条目(4)返回信息标识符(5)通用分类个数(NOG)主:10 7a 32 ac 16 召唤一级用户数据子:68 0a 0a 68 08 32 0a(1) 81 28 (2) 32 fe fa 00 00 17 16 响应带执行的写条目(1)类型标识(2)传送原因,通用分类写命令肯定认可遥测报文示例说明:遥测数据可以通过通用分类服务总召唤、单组所有条目召唤、单组单条目召唤等方式获得。
对于通用分类总召唤,在5.1.3中已经列出其报文实例。
在本节中,只举一个单组所有条目召唤的实例。
主:68 0d 0d 68 73 32 15(1) 81 2a(2) 32 fe f1(3) 00(4) 01(5) 09 00(6) 01(7) 91 16 通用分类服务组召唤子:10 20 32 52 16 确认帧(1)类型标识(2)传送原因(3)信息序号,召唤单组所有条目(4)返回信息标识符(5)通用分类个数(NOG)(6)通用分类标识序号(GIN)(7)描述类别,实际值主:10 5a 32 8c 16 召唤一级数据子:68 d2 d2 68 28 32 0a(1) 81 2a(2) 32 fe(3) f1(4) 00(5) 94(6) 09 01(7) 01(8) 07 04 01(9) 00 00 56 3b(10) 09 02 01 07 04 01 00 00 00 80 09 03 01 07 04 01 00 00 7e 3b 09 04 01 07 04 01 00 00 00 80 09 05 01 07 04 01 00 00 01 3b 09 06 01 07 04 01 00 00 00 80 09 07 01 07 04 01 00 00 e3 3b 09 08 01 07 04 01 00 00 00 80 09 09 01 07 04 01 00 00 3f 3b 09 0a 01 07 04 01 00 00 00 80 09 0b 01 07 04 01 00 00 4f 3b 09 0c 01 07 04 01 00 00 00 80 09 0d 01 07 04 01 00 00 b0 3a 09 0e 01 07 04 01 00 00 00 80 09 0f 01 07 04 01 00 00 8c 3b 09 10 01 07 04 01 00 00 00 80 09 11 01 07 04 01 00 00 15 3b 09 12 01 07 04 01 00 00 00 80 09 13 01 07 04 01 00 00 a6 3a 09 14 01 07 04 01 00 00 00 80 d7 16 通用分类服务响应(1)类型标识(2)传送原因(3)功能码,通用分类服务(4)信息序号,整组召唤(5)返回信息标识符(6)通用分类个数(NOG)(7)通用分类标识序号(GIN)(8)描述类别,实际值(9)通用分类数据描述(GDD)(10)数据内容遥信报文示例1全遥信收集1.1测保一体化装置主:68 09 09 68 53 32 07(1) 81 09(2) 32 FF 00(3) C0(4) 07 16 总召唤子:10 20 32 52 16 确认帧,置ACD位(1)类型标识(2)传送原因,总召唤的启动(3)信息标识:全局功能(4)扫描序号主:10 7A 32 AC 16 召唤一级用户数据子:68 13 13 68 28 32 2A(1) 0A(3) 09(2) 32 80(4) 20(5) 01 01 01 01 01 01 01 01 01 01(6) C0(7) 33 16 (1)类型标识(2)传送原因,响应总召唤(3)可变结构限定词:10信息元素(4)装置功能码(5)信息元素的起始信息序号(6)10个双点遥信状态(7)本次总召扫描序号主:10 5A 32 8C 16 召唤一级用户数据子:68 1F 1F 68 28 32 2A(1) 16(3) 09(2) 32 80(4) 40(5) 01 0101 01 01 01 01 01 01 01 01 01 01 01 01 0202 01 01 01 01 01(6) C0(7) 6D 16(1)类型标识(2)传送原因,响应总召唤(3)可变结构限定词:22信息元素(4)装置功能码(5)信息元素的起始信息序号(6)22个双点遥信状态(7)本次总召扫描序号主:10 7A 32 AC 16 召唤一级用户数据子:68 09 09 68 28 32 08(1) 81 0A(2) 32 FF 00(3) C0(4) DE 16 (1)类型标识(2)传送原因,总召唤结束(3)信息标识符,系统信息(4)本次总召扫描序号主:10 5A 32 8C 16 召唤一级用户数据子:68 08 08 68 08 32 17(1) 00 1F(2) 32 80(3) 00 22 16(1)类型标识(2)传送原因,扰动数据传输(3)装置功能码主:10 7A 32 AC 16 召唤一级用户数据子:10 09 32 3B 16 确认帧,无召唤的数据1。
一、DL/T667-1999(IEC60870-5-103)通信规约基本要点1. 通信接口1.1 接口标准:RS232、RS485、光纤。
1.2 通信格式:异步,1位起始位,8位数据位,1位偶校验位,1位停止位。
字符和字节传输由低至高。
线路空闲状态为1,字符间无需线路空闲间隔,两帧之间线路空闲间隔至少33位(3个字节)1.3 通信速率:可变。
1.4 通信方式:主从一对多,Polling方式。
2. 报文格式870-5-103通信规约有固定帧长报文和可变帧长报文两种报文格式,前者主要用于传送“召唤、命令、确认、应答”等信息,后者主要用于传送“命令”和“数据”等信息。
2.1 固定帧长报文启动字符控制域地址域代码和结束字符注:代码和=控制域+地址域(不考虑溢出位,即256模和)————启动字符1(1byte)————长度(1byte)————长度(重复)(1byte)————启动字符2(重复)(1byte)————控制域(1byte)————地址域(1byte)————链路用户数据[(length-2)byte]————代码和(1byte)————结束字符(1byte)注:(1)代码和=控制域+地址域+ ASDU代码和(不考虑溢出位,即256模和)(2)ASDU为“链路用户数据”包,具体格式将在下文介绍(3)Length=ASDU字节数+22.3 控制域控制域分“主∧从”和“从∧主”两种情况。
(1)“主∧从”报文的控制域D7 D6 D5 D4 D3 D2 D1 D0备用PRM FCB FCV 功能码0 11(A)PRM(启动报文位)表明信息传输方向,PRM=1由主站至子站;PRM=0由子站至主站。
(B ) FCB (桢记数位)。
FCB = 0 / 1——主站每向从站发送新一轮的“发送/确认”或“请求/响应”传输服务时,将FCB 取反。
主站为每个从站保存一个FCB 的拷贝,若超时未收到应答,则主站重发,重发报文的FCB 保持不变,重发次数最多不超过3次。
103规约转出软件实验报告(改进版)1、初始化●主站发: 10 40 04 44 16目的:给地址为04的装置发复位通信单元命令。
10 //固定帧长起始字符40 //控制域04 //4416子站回答:10 20 04 24 16目的: ACD位置1,表明子站向主站请求1级数据上送。
●主站发: 10 7a 04 7e 16目的:向地址为04的装置发请求1级数据命令。
子站回答:68 15 15 68 28 04 05 81 04 04 b2 03 03 c4 cf c8 f0 bc cc b1 a3 0100 01 00 9b 16 (ASDU5,CON=28,COT=4)68 //启动字符15 //报文长度15 //报文长度68 //启动字符//控制域, 地址域, 类型标识, 可变结构限定词, 传送原因, 公共地址28 04 05 81 04 04//功能类型,信息序号, 兼容级别,8个ASCIIb2 03 03 c4 cf c8 f0 bc cc b1 a3//4个自由赋值01 00 01 00/////////////////////////////////////////////////////连路用户数据9b //校验和16 //结束字符(ASDU5,CON=28,COT=4)80 00目的:子站以ASDU5(复位通信单元)响应主站的召唤。
并ACD位置1,表明子站继续向主站请求1级数据上送。
●主站发:10 5a 04 5e 16目的:向地址为04的装置发请求1级数据命令。
子站回答:68 15 15 68 08 04 05 81 05 04 b2 04 03 c4 cf c8 f0 bc cc b1 a3 0100 01 00 7d 16 (ASDU5,CON = 08,COT=5)目的:子站以ASDU5(启动/重新启动)响应主站的召唤。
ACD 位置回0。
后面跟随时间同步和总查询。
结果分析:程序的行为完全正确。
iec串口103规约解析IEC 103规约是国际电工委员会(IEC)制定的一种用于远程监控和控制的串行通信协议。
它被广泛应用于电力系统的远程监测、远程控制和数据采集等领域,特别是在遥测站与配电站之间的数据传输。
IEC 103规约基于传统的RTU(遥测单元)与遥信单元之间的通信方式,采用同步传输的方式进行数据传输。
IEC 103规约使用二进制编码,在通信链路上传输的数据包括遥测(遥测量和遥测设定值)和遥信(状态信号和状态变位信号)等信息。
其通信链路可以是串口、光纤或者以太网等。
对于IEC 103规约的解析,首先需要了解其数据帧格式。
一个数据帧由起始字符、长度、控制域(包含功能码和传送方向等信息)、地址域(包含发送方地址和接收方地址等信息)、信息对象地址和信息等组成。
IEC 103规约的数据帧中包含多个信息对象,每个信息对象由类型标识和信息组成。
类型标识用于标识信息对象的类型,例如遥测量、遥信等。
信息对象包含遥测值、遥测设定值、状态信号和状态变位信号等数据。
解析IEC 103规约的关键是根据数据帧中的信息对象地址和类型标识来提取所需的数据。
根据规约的定义,可以得知不同信息对象的类型标识所对应的数据类型和含义,从而可以解析和处理这些数据。
例如,如果需要解析遥测量的数据,可以通过信息对象地址和类型标识来确定所需要的数据在数据帧中的位置,并提取出对应的数值。
同样,如果需要解析遥信的数据,也可以根据信息对象地址和类型标识来获取相应的数据,例如状态信号的开关状态或状态变位信号的变位状态等。
在解析IEC 103规约时,还需要考虑数据的传输顺序和数据的编码方式。
数据的传输顺序可以是大端序列或小端序列,需要根据具体的协议配置来确定。
数据的编码方式可以是BCD(Binary-Coded Decimal)、整数、浮点数等,也需要根据具体的协议配置来选择合适的解码方式。
此外,在解析IEC 103规约时还需要关注协议的错误处理和完整性校验。
装置地址:1波特率:9600电压全部:50 10922(通讯机采集值)电流全部:3.3 10922(通讯机采集值)0201H(Ua)0202H(Ub) 0203H(Uc)0204H(Uab)0205H(Ubc) 0206H(Uca) 0207H(3U0) 0208H(Ux)0209H(IA)宽度(代表遥测字节为2)68 12 12 68 08 01 0A 81 02 01 FE F1 00 01 02 01 01 04 02 01 AA 2A 66 16地址遥测寄存器(0201)数值(高前低后)(数值:2AAA,数值:10922)宽度(代表遥测字节为2)68 12 12 68 08 01 0A 81 02 01 FE F1 00 01 02 02 01 04 02 01 AA 2A 67 16地址遥测寄存器(0202)数值(高前低后)(数值:2AAA,数值:10922)宽度(代表遥测字节为2)68 12 12 68 08 01 0A 81 02 01 FE F1 00 01 02 03 01 04 02 01 AA 2A 68 16地址遥测寄存器(0203)数值(高前低后)(数值:2AAA,数值:10922)宽度(代表遥测字节为2)68 12 12 68 08 01 0A 81 02 01 FE F1 00 01 02 04 01 04 02 01 AA 2A 69 16地址遥测寄存器(0204)数值(高前低后)(数值:2AAA,数值:10922)宽度(代表遥测字节为2)68 12 12 68 08 01 0A 81 02 01 FE F1 00 01 02 05 01 04 02 01 AA 2A 6A 16地址遥测寄存器(0205)数值(高前低后)(数值:2AAA,数值:10922)宽度(代表遥测字节为2)68 12 12 68 08 01 0A 81 02 01 FE F1 00 01 02 06 01 04 02 01 AA 2A 6B 16地址遥测寄存器(0206)数值(高前低后)(数值:2AAA,数值:10922)宽度(代表遥测字节为2)68 12 12 68 08 01 0A 81 02 01 FE F1 00 01 02 07 01 04 02 01 AA 2A 6C 16宽度(代表遥测字节为2)68 12 12 68 08 01 0A 81 02 01 FE F1 00 01 02 07 01 04 02 01 AA 2A 6C 16地址遥测寄存器(0208)数值(高前低后)(数值:2AAA,数值:10922)宽度(代表遥测字节为2)68 12 12 68 08 01 0A 81 02 01 FE F1 00 01 02 09 01 04 02 01 AA 2A 6E 16地址遥测寄存器(0209)数值(高前低后)(数值:2AAA,数值:10922)电流:3.3 10922功率:692.67 1092220DH(有功率)20EH(无功)20DF(因数)遥信:1-180101H0102H0103H0104H0105H0106H0107H0108H0109H0110H0111H0112H0113H0114H0115H 告警总 YX1 YX2 …… YX1868 16 16 68 08 01 0A 81 01 01 FE F4 00 01 11 16 01 12 06 01 01 D3 D4 0CYX1状态分报文:68 16 16 68 08 01 0A 81 01 01FE F4 00 01 01 04 01 12 06 01 02 A2 58 0EYX2状态分报文:68 16 16 68 08 01 0A 81 01 01 FE F4 00 01 01 05 01 12 06 01 02 87 61 0EYX3状态分报文:68 16 16 68 08 01 0A 81 01 01 FE F4 00 01 01 06 01 12 06 01 02 A4 69 0E事故总告警: 68 16 16 68 08 01 0A 81 01 01 FE F4 00 01 01 01 01 12 06 01 01 0E 7B 1F 0B 00 59 16YX1合位报文带时标双节点宽度(代表遥信字节为6):02 0E 6E 1F 0B 0068 16 16 68 0801 0A 81 01 01 FE F4 00 01 01 04 011206 01 02 0E 6E 1F 0B 00 50 16地址遥测寄存器(0104)状态:合位(01表示分位,02表示合位)YX1分位报文带时标双节点宽度(代表遥信字节为6)01 B8 77 1F 0B 0068 16 16 68 08 01 0A 81 01 01 FE F4 00 01 01 04 01 1206 01 01 B8 77 1F 0B 00 02 16YX2合位报文带时标双节点宽度(代表遥信字节为6)02 FC 80 1F 0B 00 68 16 16 68 08 01 0A 81 01 01 FE F4 00 01 01 05 01 1206 01 02 FC 80 1F 0B 00 51 16地址遥测寄存器(0105)状态:合位(01表示分位,02表示合位)YX2分位报文带时标双节点宽度(代表遥信字节为6)01 A5 8A 1F 0B 00 68 16 16 68 08 01 0A 81 01 01 FE F4 00 01 01 05 01 1206 01 01 A5 8A 1F 0B 00 03 16地址遥测寄存器(0105)状态:分位(01表示分位,02表示合位)YX3合位报文带时标双节点宽度(代表遥信字节为6)02 4F 94 1F 0B 00 68 16 16 68 08 01 0A 81 01 01 FE F4 00 01 01 06 01 1206 01 02 4F 94 1F 0B 00 B9 16地址遥测寄存器(0106)状态:合位(01表示分位,02表示合位)YX3分位报文带时标双节点宽度(代表遥信字节为6)01 61 A3 1F 0B 00 68 16 16 68 08 01 0A 81 01 01 FE F4 00 01 01 06 01 1206 01 01 61 A3 1F 0B 00 D9 16地址遥测寄存器(0106)状态:分位(01表示分位,02表示合位)YX4合位报文带时标双节点宽度(代表遥信字节为6)02 6E AD 1F 0B 00 68 16 16 68 08 01 0A 81 01 01 FE F4 00 01 01 07 01 12 06 01 02 6E AD 1F 0B 00 F2 16地址遥测寄存器(0107)状态:合位(01表示分位,02表示合位)YX4分位报文带时标双节点宽度(代表遥信字节为6)01 7C B7 1F 0B 00 68 16 16 68 08 01 0A 81 01 01 FE F4 00 01 01 07 01 1206 01 01 7C B7 1F 0B 00 09 16地址遥测寄存器(0107)状态:分位(01表示分位,02表示合位)YX1合位报文带时标双节点宽度(代表遥信字节为6)02 9A BF 1F 0B 00 68 16 16 68 08 01 0A 81 01 01 FE F4 00 01 01 08 01 1206 01 02 9A BF 1F 0B 00 31 16地址遥测寄存器(0108)状态:合位(01表示分位,02表示合位)YX5分位报文带时标双节点宽度(代表遥信字节为6)01 44 C9 1F 0B 00 68 16 16 68 08 01 0A 81 01 01 FE F4 00 01 01 08 01 1206 01 01 44 C9 1F 0B 00 E4 16YX5合位报文带时标双节点宽度(代表遥信字节为6)02 9D D0 1F 0B 00 68 16 16 68 08 01 0A 81 01 01 FE F4 00 01 01 09 01 1206 01 02 9D D0 1F 0B 00 46 16地址遥测寄存器(0109)状态:合位(01表示分位,02表示合位)YX6分位报文带时标双节点宽度(代表遥信字节为6)01 D4 DD 1F 0B 00 68 16 16 68 08 01 0A 81 01 01 FE F4 00 01 01 09 01 1206 01 01 D4 DD 1F 0B 00 89 16地址遥测寄存器(0109)状态:分位(01表示分位,02表示合位)1请输入十进制监视口号(0-29):0该网络上挂接了以下十进制地址设备:[ ] < 1> : 太平103_UT-841 : err = 0请输入十进制监视设备地址:1<P0:17:12:44.571>Echo: - 103子 - 无数据10 09 01 0A 16<P0:17:12:44.602>Send: - 103主 - 召唤二级数据10 5B 01 5C 16<P0:17:12:45.611>Echo: - 103子 - 无数据10 09 01 0A 16<P0:17:12:45.631>Send: - 103主 - 时间同步68 0F 0F 68 44 FF 06 81 08 FF FF 00 3F B2 0C 11 0A 01 00 E9 16 FF FF FF<P0:17:12:45.892>Send: - 103主 - 召唤二级数据10 5B 01 5C 16<P0:17:12:50.316>Echo: - 103子 - 无数据10 09 01 0A 16<P0:17:12:54.741>Echo: - 103子 - 通用分类数据(扩展遥信)68 16 16 68 08 01 0A 81 01 01 FE F4 00 01 11 16 01 12 06 01 01 D3 D4 0C11 00 8F 16<P0:17:12:54.796>Send: - 103主 - 召唤二级数据10 7B 01 7C 16<P0:17:12:54.836>Echo: - 103子 - 无数据10 09 01 0A 16<P0:17:13:1.17>Send: - 103主 - 召唤二级数据10 5B 01 5C 16<P0:17:13:1.76>Echo: - 103子 - 通用分类数据(遥测)68 12 12 68 08 01 0A 81 02 01 FE F1 00 01 02 01 01 04 02 01 AA 2A 66 16<P0:17:13:1.77>Send: - 103主 - 召唤二级数据10 7B 01 7C 16<P0:17:13:1.632>Send: - 103主 - 召唤二级数据10 7B 01 7C 16<P0:17:13:1.681>Echo: - 103子 - 无数据10 09 01 0A 16<P0:17:13:1.692>Send: - 103主 - 召唤二级数据10 5B 01 5C 16<P0:17:13:1.746>Echo: - 103子 - 通用分类数据(遥信)68 16 16 68 08 01 0A 81 01 01 FE F4 00 01 01 01 01 12 06 01 01 79 05 0D 11 00 42 16<P0:17:13:1.756>Send: - 103主 - 召唤二级数据10 7B 01 7C 16<P0:17:13:1.781>Echo: - 103子 - 无数据10 09 01 0A 16<P0:17:13:6.341>Echo: - 103子 - 无数据10 09 01 0A 16<P0:17:13:6.371>Send: - 103主 - 召唤二级数据10 5B 01 5C 16<P0:17:13:6.421>Echo: - 103子 - 通用分类数据(遥测)68 12 12 68 08 01 0A 81 02 01 FE F1 00 01 02 02 01 04 02 01 AA 2A 67 16<P0:17:13:6.422>Send: - 103主 - 召唤二级数据10 7B 01 7C 16<P0:17:13:6.466>Echo: - 103子 - 无数据10 09 01 0A 16<P0:17:13:7.546>Echo: - 103子 - 无数据10 09 01 0A 16<P0:17:13:7.577>Send: - 103主 - 召唤二级数据10 7B 01 7C 16<P0:17:13:7.651>Echo: - 103子 - 通用分类数据(遥测)68 1A 1A 68 08 01 0A 81 02 01 FE F1 00 02 02 01 01 04 02 01 00 00 02 0210 5B 01 5C 16<P0:17:13:8.27>Send: - 103主 - 召唤二级数据10 5B 01 5C 16<P0:17:13:8.81>Echo: - 103子 - 通用分类数据(遥测)68 12 12 68 08 01 0A 81 02 01 FE F1 00 01 02 02 01 04 02 01 AA 2A 67 16<P0:17:13:8.82>Send: - 103主 - 召唤二级数据10 7B 01 7C 16<P0:17:13:8.106>Echo: - 103子 - 无数据10 09 01 0A 16<P0:17:13:16.106>Send: - 103主 - 召唤二级数据10 7B 01 7C 16<P0:17:13:16.146>Echo: - 103子 - 通用分类数据(遥测)68 12 12 68 08 01 0A 81 02 01 FE F1 00 01 02 03 01 04 02 01 AA 2A 68 16<P0:17:13:16.162>Send: - 103主 - 召唤二级数据10 5B 01 5C 16<P0:17:13:16.191>Echo: - 103子 - 无数据<P0:17:13:17.557>Send: - 103主 - 召唤二级数据10 5B 01 5C 16<P0:17:13:17.616>Echo: - 103子 - 通用分类数据(遥测)68 1A 1A 68 08 01 0A 81 02 01 FE F1 00 02 02 02 01 04 02 01 00 00 02 0310 7B 01 7C 16<P0:17:13:17.716>Send: - 103主 - 召唤二级数据10 5B 01 5C 16<P0:17:13:17.766>Echo: - 103子 - 通用分类数据(遥测)68 12 12 68 08 01 0A 81 02 01 FE F1 00 01 02 03 01 04 02 01 AA 2A 68 16<P0:17:13:17.776>Send: - 103主 - 召唤二级数据10 7B 01 7C 16<P0:17:13:17.808>Echo: - 103子 - 无数据10 09 01 0A 16<P0:17:13:26.86>Send: - 103主 - 召唤二级数据10 5B 01 5C 16<P0:17:13:26.131>Echo: - 103子 - 通用分类数据(遥测)68 12 12 68 08 01 0A 81 02 01 FE F1 00 01 02 04 01 04 02 01 AA 2A 69 16<P0:17:13:26.142>Send: - 103主 - 召唤二级数据10 7B 01 7C 16<P0:17:13:26.175>Echo: - 103子 - 无数据10 09 01 0A 16<P0:17:13:27.627>Send: - 103主 - 召唤二级数据10 7B 01 7C 16<P0:17:13:27.681>Echo: - 103子 - 通用分类数据(遥测)68 1A 1A 68 08 01 0A 81 02 01 FE F1 00 02 02 03 01 04 02 01 01 00 02 04<P0:17:13:27.691>Send: - 103主 - 召唤二级数据10 5B 01 5C 16<P0:17:13:27.756>Send: - 103主 - 召唤二级数据10 7B 01 7C 16<P0:17:13:27.811>Echo: - 103子 - 通用分类数据(遥测)68 12 12 68 08 01 0A 81 02 01 FE F1 00 01 02 04 01 04 02 01 AA 2A 69 16<P0:17:13:27.812>Send: - 103主 - 召唤二级数据10 5B 01 5C 16<P0:17:13:31.431>Send: - 103主 - 召唤二级数据10 7B 01 7C 16<P0:17:13:31.475>Echo: - 103子 - 通用分类数据(遥测)68 12 12 68 08 01 0A 81 02 01 FE F1 00 01 02 05 01 04 02 01 AA 2A 6A 16<P0:17:13:31.482>Send: - 103主 - 召唤二级数据10 5B 01 5C 16<P0:17:13:31.516>Echo: - 103子 - 无数据10 09 01 0A 16<P0:17:13:37.631>Send: - 103主 - 召唤二级数据10 7B 01 7C 16<P0:17:13:37.686>Echo: - 103子 - 通用分类数据(遥测)68 1A 1A 68 08 01 0A 81 02 01 FE F1 00 02 02 04 01 04 02 01 01 00 02 05<P0:17:13:37.687>Send: - 103主 - 召唤二级数据10 5B 01 5C 16<P0:17:13:39.512>Send: - 103主 - 召唤二级数据10 7B 01 7C 16<P0:17:13:39.565>Echo: - 103子 - 通用分类数据(遥测)68 12 12 68 08 01 0A 81 02 01 FE F1 00 01 02 06 01 04 02 01 AA 2A 6B 16<P0:17:13:39.572>Send: - 103主 - 召唤二级数据10 5B 01 5C 16<P0:17:13:45.32>Send: - 103主 - 召唤二级数据10 5B 01 5C 16<P0:17:13:45.81>Echo: - 103子 - 通用分类数据(遥测)68 12 12 68 08 01 0A 81 02 01 FE F1 00 01 02 07 01 04 02 01 AA 2A 6C 16<P0:17:13:45.91>Send: - 103主 - 召唤二级数据10 7B 01 7C 16<P0:17:13:46.66>Echo: - 103子 - 无数据10 09 01 0A 16<P0:17:13:46.86>Send: - 103主 - 时间同步68 0F 0F 68 44 FF 06 81 08 FF FF 00 06 B4 0D 11 0A 01 00 B3 16 FF FF FF<P0:17:13:46.376>Send: - 103主 - 召唤二级数据10 5B 01 5C 1610 5B 01 5C 16<P0:17:13:47.717>Echo: - 103子 - 通用分类数据(遥测)68 1A 1A 68 08 01 0A 81 02 01 FE F1 00 02 02 06 01 04 02 01 01 00 02 07 01 04 02 01 01 00 AB 16<P0:17:13:47.766>Send: - 103主 - 召唤二级数据10 7B 01 7C 16<P0:17:13:47.831>Echo: - 103子 - 通用分类数据(遥测)68 12 12 68 08 01 0A 81 02 01 FE F1 00 01 02 07 01 04 02 01 AA 2A 6C 16<P0:17:13:47.882>Send: - 103主 - 召唤二级数据10 5B 01 5C 16<P0:17:13:51.296>Send: - 103主 - 召唤二级数据10 5B 01 5C 16<P0:17:13:51.346>Echo: - 103子 - 通用分类数据(遥测)68 12 12 68 08 01 0A 81 02 01 FE F1 00 01 02 09 01 04 02 01 AA 2A 6E 16<P0:17:13:51.362>Send: - 103主 - 召唤二级数据10 7B 01 7C 16<P0:17:13:51.391>Echo: - 103子 - 无数据10 09 01 0A 16<P0:17:13:56.482>Send: - 103主 - 召唤二级数据10 7B 01 7C 16<P0:17:13:56.551>Echo: - 103子 - 通用分类数据(遥测)68 12 12 68 08 01 0A 81 02 01 FE F1 00 01 02 0A 01 04 02 01 AA 2A 6F 16<P0:17:13:56.602>Send: - 103主 - 召唤二级数据10 5B 01 5C 16<P0:17:13:57.690>Echo: - 103子 - 通用分类数据(遥测)68 22 22 68 08 01 0A 81 02 01 FE F1 00 03 02 07 01 04 02 01 00 00 02 09 01 04 02 01 00 00 02 0A 01 04 02 01 00 00 C1 16<P0:17:13:57.727>Send: - 103主 - 召唤二级数据10 5B 01 5C 16<P0:17:13:58.166>Send: - 103主 - 召唤二级数据10 7B 01 7C 16<P0:17:13:58.211>Echo: - 103子 - 通用分类数据(遥测)68 12 12 68 08 01 0A 81 02 01 FE F1 00 01 02 0A 01 04 02 01 AA 2A 6F 16<P0:17:13:58.222>Send: - 103主 - 召唤二级数据10 5B 01 5C 16<P0:17:13:58.251>Echo: - 103子 - 无数据10 09 01 0A 16<P0:17:13:58.282>Send: - 103主 - 召唤二级数据10 7B 01 7C 16<P0:17:13:58.311>Echo: - 103子 - 无数据10 09 01 0A 16<P0:17:13:58.342>Send: - 103主 - 召唤二级数据10 5B 01 5C 16<P0:17:13:58.371>Echo: - 103子 - 无数据10 09 01 0A 16<P0:17:13:58.406>Send: - 103主 - 召唤二级数据10 7B 01 7C 16<P0:17:13:58.431>Echo: - 103子 - 无数据10 09 01 0A 16<P0:17:13:58.466>Send: - 103主 - 召唤二级数据10 5B 01 5C 16<P0:17:13:58.491>Echo: - 103子 - 无数据10 09 01 0A 16<P0:17:13:58.531>Send: - 103主 - 召唤二级数据10 7B 01 7C 16<P0:17:13:58.551>Echo: - 103子 - 无数据10 09 01 0A 16<P0:17:13:58.591>Send: - 103主 - 召唤二级数据10 5B 01 5C 16<P0:17:13:58.635>Echo: - 103子 - 无数据10 09 01 0A 16<P0:17:13:58.657>Send: - 103主 - 召唤二级数据10 7B 01 7C 16<P0:17:13:58.696>Echo: - 103子 - 无数据10 09 01 0A 16<P0:17:13:58.717>Send: - 103主 - 召唤二级数据10 5B 01 5C 16<P0:17:13:58.755>Echo: - 103子 - 无数据10 09 01 0A 16<P0:17:13:58.771>Send: - 103主 - 召唤二级数据10 7B 01 7C 16<P0:17:13:58.791>Echo: - 103子 - 无数据10 09 01 0A 16<P0:17:13:58.831>Send: - 103主 - 召唤二级数据10 5B 01 5C 16<P0:17:13:58.875>Echo: - 103子 - 无数据10 09 01 0A 16<P0:17:13:58.886>Send: - 103主 - 召唤二级数据10 7B 01 7C 16<P0:17:13:58.935>Echo: - 103子 - 无数据10 09 01 0A 16<P0:17:13:58.946>Send: - 103主 - 召唤二级数据10 5B 01 5C 16<P0:17:13:58.971>Echo: - 103子 - 无数据10 09 01 0A 16<P0:17:13:59.6>Send: - 103主 - 召唤二级数据10 7B 01 7C 16<P0:17:13:59.31>Echo: - 103子 - 无数据10 09 01 0A 16<P0:17:13:59.62>Send: - 103主 - 召唤二级数据10 5B 01 5C 16<P0:17:13:59.91>Echo: - 103子 - 无数据10 09 01 0A 16<P0:17:13:59.122>Send: - 103主 - 召唤二级数据10 7B 01 7C 16<P0:17:13:59.151>Echo: - 103子 - 无数据10 09 01 0A 16<P0:17:13:59.186>Send: - 103主 - 召唤二级数据10 5B 01 5C 16<P0:17:13:59.216>Echo: - 103子 - 无数据10 09 01 0A 16<P0:17:13:59.251>Send: - 103主 - 召唤二级数据10 7B 01 7C 16<P0:17:13:59.271>Echo: - 103子 - 无数据10 09 01 0A 16<P0:17:13:59.317>Send: - 103主 - 召唤二级数据10 5B 01 5C 16<P0:17:13:59.356>Echo: - 103子 - 无数据10 09 01 0A 16<P0:17:13:59.377>Send: - 103主 - 召唤二级数据10 7B 01 7C 16<P0:17:13:59.415>Echo: - 103子 - 无数据10 09 01 0A 16<P0:17:13:59.431>Send: - 103主 - 召唤二级数据10 5B 01 5C 16<P0:17:13:59.475>Echo: - 103子 - 无数据10 09 01 0A 16<P0:17:13:59.491>Send: - 103主 - 召唤二级数据10 7B 01 7C 16<P0:17:13:59.515>Echo: - 103子 - 无数据10 09 01 0A 16<P0:17:13:59.546>Send: - 103主 - 召唤二级数据10 5B 01 5C 16<P0:17:13:59.576>Echo: - 103子 - 无数据10 09 01 0A 16<P0:17:13:59.602>Send: - 103主 - 召唤二级数据10 7B 01 7C 16<P0:17:13:59.635>Echo: - 103子 - 无数据10 09 01 0A 16<P0:17:13:59.656>Send: - 103主 - 召唤二级数据10 5B 01 5C 16<P0:17:13:59.695>Echo: - 103子 - 无数据10 09 01 0A 16<P0:17:13:59.707>Send: - 103主 - 召唤二级数据10 7B 01 7C 16<P0:17:13:59.736>Echo: - 103子 - 无数据10 09 01 0A 16<P0:17:13:59.761>Send: - 103主 - 召唤二级数据10 5B 01 5C 16<P0:17:13:59.796>Echo: - 103子 - 无数据10 09 01 0A 16<P0:17:13:59.827>Send: - 103主 - 召唤二级数据10 7B 01 7C 16<P0:17:13:59.856>Echo: - 103子 - 无数据10 09 01 0A 16<P0:17:13:59.887>Send: - 103主 - 召唤二级数据10 5B 01 5C 16<P0:17:13:59.916>Echo: - 103子 - 无数据10 09 01 0A 16<P0:17:13:59.941>Send: - 103主 - 召唤二级数据10 7B 01 7C 16<P0:17:13:59.976>Echo: - 103子 - 无数据10 09 01 0A 16<P0:17:14:0.1>Send: - 103主 - 召唤二级数据10 5B 01 5C 16<P0:17:14:0.36>Echo: - 103子 - 无数据10 09 01 0A 16<P0:17:14:0.61>Send: - 103主 - 召唤二级数据10 7B 01 7C 16<P0:17:14:0.96>Echo: - 103子 - 无数据10 09 01 0A 16<P0:17:14:0.116>Send: - 103主 - 召唤二级数据10 5B 01 5C 16<P0:17:14:0.156>Echo: - 103子 - 无数据10 09 01 0A 16<P0:17:14:0.176>Send: - 103主 - 召唤二级数据10 7B 01 7C 16<P0:17:14:0.216>Echo: - 103子 - 无数据10 09 01 0A 16<P0:17:14:0.237>Send: - 103主 - 召唤二级数据10 5B 01 5C 16<P0:17:14:0.276>Echo: - 103子 - 无数据10 09 01 0A 16<P0:17:14:0.292>Send: - 103主 - 召唤二级数据10 7B 01 7C 16<P0:17:14:0.315>Echo: - 103子 - 无数据10 09 01 0A 16<P0:17:14:0.346>Send: - 103主 - 召唤二级数据10 5B 01 5C 16<P0:17:14:0.376>Echo: - 103子 - 无数据10 09 01 0A 16<P0:17:14:0.401>Send: - 103主 - 召唤二级数据10 7B 01 7C 16<P0:17:14:0.436>Echo: - 103子 - 无数据10 09 01 0A 16<P0:17:14:0.466>Send: - 103主 - 召唤二级数据10 5B 01 5C 16<P0:17:14:0.516>Echo: - 103子 - 无数据10 09 01 0A 16<P0:17:14:0.521>Send: - 103主 - 召唤二级数据10 7B 01 7C 16<P0:17:14:0.555>Echo: - 103子 - 无数据10 09 01 0A 16<P0:17:14:0.581>Send: - 103主 - 召唤二级数据10 5B 01 5C 16<P0:17:14:0.616>Echo: - 103子 - 无数据10 09 01 0A 16<P0:17:14:0.637>Send: - 103主 - 召唤二级数据10 7B 01 7C 16<P0:17:14:0.676>Echo: - 103子 - 无数据10 09 01 0A 16<P0:17:14:0.691>Send: - 103主 - 召唤二级数据10 5B 01 5C 16<P0:17:14:0.715>Echo: - 103子 - 无数据10 09 01 0A 16<P0:17:14:0.742>Send: - 103主 - 召唤二级数据10 7B 01 7C 16<P0:17:14:0.775>Echo: - 103子 - 无数据10 09 01 0A 16<P0:17:14:0.796>Send: - 103主 - 召唤二级数据10 5B 01 5C 16<P0:17:14:0.835>Echo: - 103子 - 无数据10 09 01 0A 16<P0:17:14:0.847>Send: - 103主 - 召唤二级数据10 7B 01 7C 16<P0:17:14:0.876>Echo: - 103子 - 无数据10 09 01 0A 16<P0:17:14:0.901>Send: - 103主 - 召唤二级数据10 5B 01 5C 16<P0:17:14:0.936>Echo: - 103子 - 无数据10 09 01 0A 16<P0:17:14:0.961>Send: - 103主 - 召唤二级数据10 7B 01 7C 16<P0:17:14:0.996>Echo: - 103子 - 无数据10 09 01 0A 16<P0:17:14:1.31>Send: - 103主 - 召唤二级数据10 5B 01 5C 16<P0:17:14:1.56>Echo: - 103子 - 无数据10 09 01 0A 16<P0:17:14:1.96>Send: - 103主 - 召唤二级数据10 7B 01 7C 16<P0:17:14:1.135>Echo: - 103子 - 无数据10 09 01 0A 16<P0:17:14:1.162>Send: - 103主 - 召唤二级数据10 5B 01 5C 16<P0:17:14:1.195>Echo: - 103子 - 无数据10 09 01 0A 16<P0:17:14:1.222>Send: - 103主 - 召唤二级数据10 7B 01 7C 16<P0:17:14:1.255>Echo: - 103子 - 无数据10 09 01 0A 16<P0:17:14:1.276>Send: - 103主 - 召唤二级数据10 5B 01 5C 16<P0:17:14:1.315>Echo: - 103子 - 无数据10 09 01 0A 16<P0:17:14:1.331>Send: - 103主 - 召唤二级数据10 7B 01 7C 16<P0:17:14:1.356>Echo: - 103子 - 无数据10 09 01 0A 16<P0:17:14:1.396>Send: - 103主 - 召唤二级数据10 5B 01 5C 16<P0:17:14:1.435>Echo: - 103子 - 无数据10 09 01 0A 16<P0:17:14:1.456>Send: - 103主 - 召唤二级数据10 7B 01 7C 16<P0:17:14:1.500>Echo: - 103子 - 无数据10 09 01 0A 16<P0:17:14:1.522>Send: - 103主 - 召唤二级数据10 5B 01 5C 16<P0:17:14:1.556>Echo: - 103子 - 无数据10 09 01 0A 16<P0:17:14:1.582>Send: - 103主 - 召唤二级数据10 7B 01 7C 16<P0:17:14:1.620>Echo: - 103子 - 无数据10 09 01 0A 16<P0:17:14:1.646>Send: - 103主 - 召唤二级数据10 5B 01 5C 16<P0:17:14:1.675>Echo: - 103子 - 无数据10 09 01 0A 16<P0:17:14:1.702>Send: - 103主 - 召唤二级数据10 7B 01 7C 16<P0:17:14:1.735>Echo: - 103子 - 无数据10 09 01 0A 16<P0:17:14:1.756>Send: - 103主 - 召唤二级数据10 5B 01 5C 16<P0:17:14:1.795>Echo: - 103子 - 无数据10 09 01 0A 16<P0:17:14:1.811>Send: - 103主 - 召唤二级数据10 7B 01 7C 16<P0:17:14:1.836>Echo: - 103子 - 无数据10 09 01 0A 16<P0:17:14:1.867>Send: - 103主 - 召唤二级数据10 5B 01 5C 16<P0:17:14:1.896>Echo: - 103子 - 无数据10 09 01 0A 16<P0:17:14:1.927>Send: - 103主 - 召唤二级数据10 7B 01 7C 16<P0:17:14:1.956>Echo: - 103子 - 无数据10 09 01 0A 16<P0:17:14:1.991>Send: - 103主 - 召唤二级数据10 5B 01 5C 16<P0:17:14:2.16>Echo: - 103子 - 无数据10 09 01 0A 16<P0:17:14:2.56>Send: - 103主 - 召唤二级数据10 7B 01 7C 16<P0:17:14:2.96>Echo: - 103子 - 无数据10 09 01 0A 16<P0:17:14:2.122>Send: - 103主 - 召唤二级数据10 5B 01 5C 16<P0:17:14:2.160>Echo: - 103子 - 无数据10 09 01 0A 16<P0:17:14:2.182>Send: - 103主 - 召唤二级数据10 7B 01 7C 16<P0:17:14:2.236>Echo: - 103子 - 通用分类数据(遥测)68 12 12 68 08 01 0A 81 02 01 FE F1 00 01 02 0B 01 04 02 01 AA 2A 70 16<P0:17:14:2.246>Send: - 103主 - 召唤二级数据10 5B 01 5C 16<P0:17:14:2.280>Echo: - 103子 - 无数据10 09 01 0A 16<P0:17:14:2.302>Send: - 103主 - 召唤二级数据10 7B 01 7C 16<P0:17:14:2.335>Echo: - 103子 - 无数据10 09 01 0A 16<P0:17:14:2.356>Send: - 103主 - 召唤二级数据10 5B 01 5C 16<P0:17:14:2.396>Echo: - 103子 - 无数据10 09 01 0A 16<P0:17:14:2.411>Send: - 103主 - 召唤二级数据10 7B 01 7C 16<P0:17:14:2.436>Echo: - 103子 - 无数据10 09 01 0A 16<P0:17:14:2.467>Send: - 103主 - 召唤二级数据10 5B 01 5C 16<P0:17:14:2.496>Echo: - 103子 - 无数据10 09 01 0A 16<P0:17:14:2.527>Send: - 103主 - 召唤二级数据10 7B 01 7C 16<P0:17:14:2.556>Echo: - 103子 - 无数据10 09 01 0A 16<P0:17:14:2.587>Send: - 103主 - 召唤二级数据10 5B 01 5C 16<P0:17:14:2.616>Echo: - 103子 - 无数据10 09 01 0A 16<P0:17:14:2.651>Send: - 103主 - 召唤二级数据10 7B 01 7C 16<P0:17:14:2.676>Echo: - 103子 - 无数据10 09 01 0A 16<P0:17:14:2.716>Send: - 103主 - 召唤二级数据10 5B 01 5C 16<P0:17:14:2.756>Echo: - 103子 - 无数据10 09 01 0A 16<P0:17:14:2.771>Send: - 103主 - 召唤二级数据10 7B 01 7C 16<P0:17:14:2.796>Echo: - 103子 - 无数据10 09 01 0A 16<P0:17:14:2.827>Send: - 103主 - 召唤二级数据10 5B 01 5C 16<P0:17:14:2.876>Echo: - 103子 - 无数据10 09 01 0A 16<P0:17:14:2.887>Send: - 103主 - 召唤二级数据10 7B 01 7C 16<P0:17:14:2.916>Echo: - 103子 - 无数据10 09 01 0A 16<P0:17:14:2.947>Send: - 103主 - 召唤二级数据10 5B 01 5C 16<P0:17:14:2.976>Echo: - 103子 - 无数据10 09 01 0A 16<P0:17:14:3.11>Send: - 103主 - 召唤二级数据10 7B 01 7C 16<P0:17:14:3.36>Echo: - 103子 - 无数据10 09 01 0A 16<P0:17:14:3.76>Send: - 103主 - 召唤二级数据10 5B 01 5C 16<P0:17:14:3.116>Echo: - 103子 - 无数据10 09 01 0A 16<P0:17:14:3.131>Send: - 103主 - 召唤二级数据10 7B 01 7C 16<P0:17:14:3.156>Echo: - 103子 - 无数据10 09 01 0A 16<P0:17:14:3.191>Send: - 103主 - 召唤二级数据10 5B 01 5C 16<P0:17:14:3.216>Echo: - 103子 - 无数据10 09 01 0A 16<P0:17:14:3.247>Send: - 103主 - 召唤二级数据10 7B 01 7C 16<P0:17:14:3.276>Echo: - 103子 - 无数据10 09 01 0A 16<P0:17:14:3.311>Send: - 103主 - 召唤二级数据10 5B 01 5C 16<P0:17:14:3.336>Echo: - 103子 - 无数据10 09 01 0A 16<P0:17:14:3.376>Send: - 103主 - 召唤二级数据10 7B 01 7C 16<P0:17:14:3.416>Echo: - 103子 - 无数据10 09 01 0A 16<P0:17:14:3.431>Send: - 103主 - 召唤二级数据10 5B 01 5C 16<P0:17:14:3.476>Echo: - 103子 - 无数据10 09 01 0A 16<P0:17:14:3.491>Send: - 103主 - 召唤二级数据10 7B 01 7C 16<P0:17:14:3.516>Echo: - 103子 - 无数据10 09 01 0A 16<P0:17:14:3.547>Send: - 103主 - 召唤二级数据10 5B 01 5C 16<P0:17:14:3.576>Echo: - 103子 - 无数据10 09 01 0A 16<P0:17:14:3.607>Send: - 103主 - 召唤二级数据10 7B 01 7C 16<P0:17:14:3.636>Echo: - 103子 - 无数据10 09 01 0A 16<P0:17:14:3.667>Send: - 103主 - 召唤二级数据10 5B 01 5C 16<P0:17:14:3.696>Echo: - 103子 - 无数据10 09 01 0A 16<P0:17:14:3.727>Send: - 103主 - 召唤二级数据10 7B 01 7C 16<P0:17:14:3.756>Echo: - 103子 - 无数据10 09 01 0A 16<P0:17:14:3.787>Send: - 103主 - 召唤二级数据10 5B 01 5C 16<P0:17:14:3.816>Echo: - 103子 - 无数据10 09 01 0A 16<P0:17:14:3.851>Send: - 103主 - 召唤二级数据10 7B 01 7C 16<P0:17:14:3.876>Echo: - 103子 - 无数据10 09 01 0A 16<P0:17:14:3.911>Send: - 103主 - 召唤二级数据10 5B 01 5C 16<P0:17:14:3.936>Echo: - 103子 - 无数据10 09 01 0A 16<P0:17:14:3.976>Send: - 103主 - 召唤二级数据10 7B 01 7C 16<P0:17:14:4.16>Echo: - 103子 - 无数据10 09 01 0A 16<P0:17:14:4.32>Send: - 103主 - 召唤二级数据10 5B 01 5C 16<P0:17:14:4.56>Echo: - 103子 - 无数据10 09 01 0A 16<P0:17:14:4.96>Send: - 103主 - 召唤二级数据10 7B 01 7C 16<P0:17:14:4.136>Echo: - 103子 - 无数据10 09 01 0A 16<P0:17:14:4.156>Send: - 103主 - 召唤二级数据10 5B 01 5C 16<P0:17:14:4.196>Echo: - 103子 - 无数据10 09 01 0A 16<P0:17:14:4.212>Send: - 103主 - 召唤二级数据10 7B 01 7C 16<P0:17:14:4.236>Echo: - 103子 - 无数据10 09 01 0A 16<P0:17:14:4.276>Send: - 103主 - 召唤二级数据10 5B 01 5C 16<P0:17:14:4.316>Echo: - 103子 - 无数据10 09 01 0A 16<P0:17:14:4.327>Send: - 103主 - 召唤二级数据10 7B 01 7C 16<P0:17:14:4.356>Echo: - 103子 - 无数据10 09 01 0A 16<P0:17:14:4.391>Send: - 103主 - 召唤二级数据10 5B 01 5C 16<P0:17:14:4.416>Echo: - 103子 - 无数据10 09 01 0A 16<P0:17:14:4.451>Send: - 103主 - 召唤二级数据10 7B 01 7C 16<P0:17:14:4.476>Echo: - 103子 - 无数据10 09 01 0A 16<P0:17:14:4.507>Send: - 103主 - 召唤二级数据10 5B 01 5C 16<P0:17:14:4.556>Echo: - 103子 - 无数据10 09 01 0A 16<P0:17:14:4.567>Send: - 103主 - 召唤二级数据10 7B 01 7C 16<P0:17:14:4.616>Echo: - 103子 - 无数据10 09 01 0A 16<P0:17:14:4.627>Send: - 103主 - 召唤二级数据10 5B 01 5C 16<P0:17:14:4.656>Echo: - 103子 - 无数据10 09 01 0A 16<P0:17:14:4.691>Send: - 103主 - 召唤二级数据10 7B 01 7C 16<P0:17:14:4.716>Echo: - 103子 - 无数据10 09 01 0A 16<P0:17:14:4.762>Send: - 103主 - 召唤二级数据10 5B 01 5C 16<P0:17:14:4.796>Echo: - 103子 - 无数据10 09 01 0A 16<P0:17:14:4.822>Send: - 103主 - 召唤二级数据10 7B 01 7C 16<P0:17:14:4.856>Echo: - 103子 - 无数据10 09 01 0A 16<P0:17:14:4.882>Send: - 103主 - 召唤二级数据10 5B 01 5C 16<P0:17:14:4.916>Echo: - 103子 - 无数据10 09 01 0A 16<P0:17:14:4.942>Send: - 103主 - 召唤二级数据10 7B 01 7C 16<P0:17:14:4.976>Echo: - 103子 - 无数据10 09 01 0A 16<P0:17:14:4.996>Send: - 103主 - 召唤二级数据10 5B 01 5C 16<P0:17:14:5.36>Echo: - 103子 - 无数据10 09 01 0A 16<P0:17:14:5.47>Send: - 103主 - 召唤二级数据10 7B 01 7C 16<P0:17:14:5.96>Echo: - 103子 - 无数据10 09 01 0A 16<P0:17:14:5.107>Send: - 103主 - 召唤二级数据10 5B 01 5C 16<P0:17:14:5.156>Echo: - 103子 - 无数据10 09 01 0A 16<P0:17:14:5.167>Send: - 103主 - 召唤二级数据10 7B 01 7C 16<P0:17:14:5.196>Echo: - 103子 - 无数据10 09 01 0A 16<P0:17:14:5.231>Send: - 103主 - 召唤二级数据10 5B 01 5C 16<P0:17:14:5.261>Echo: - 103子 - 无数据10 09 01 0A 16<P0:17:14:5.291>Send: - 103主 - 召唤二级数据10 7B 01 7C 16<P0:17:14:5.316>Echo: - 103子 - 无数据10 09 01 0A 16<P0:17:14:5.356>Send: - 103主 - 召唤二级数据10 5B 01 5C 16<P0:17:14:5.396>Echo: - 103子 - 无数据10 09 01 0A 16<P0:17:14:5.416>Send: - 103主 - 召唤二级数据10 7B 01 7C 16<P0:17:14:5.456>Echo: - 103子 - 无数据10 09 01 0A 16<P0:17:14:5.476>Send: - 103主 - 召唤二级数据10 5B 01 5C 16<P0:17:14:5.516>Echo: - 103子 - 无数据10 09 01 0A 16<P0:17:14:5.531>Send: - 103主 - 召唤二级数据10 7B 01 7C 16<P0:17:14:5.556>Echo: - 103子 - 无数据10 09 01 0A 16<P0:17:14:5.591>Send: - 103主 - 召唤二级数据10 5B 01 5C 16<P0:17:14:5.636>Echo: - 103子 - 无数据10 09 01 0A 16<P0:17:14:5.656>Send: - 103主 - 召唤二级数据10 7B 01 7C 16<P0:17:14:5.696>Echo: - 103子 - 无数据10 09 01 0A 16<P0:17:14:5.711>Send: - 103主 - 召唤二级数据10 5B 01 5C 16<P0:17:14:5.756>Echo: - 103子 - 无数据10 09 01 0A 16<P0:17:14:5.761>Send: - 103主 - 召唤二级数据10 7B 01 7C 16<P0:17:14:5.796>Echo: - 103子 - 无数据10 09 01 0A 16<P0:17:14:5.821>Send: - 103主 - 召唤二级数据10 5B 01 5C 16<P0:17:14:5.861>Echo: - 103子 - 无数据10 09 01 0A 16<P0:17:14:5.876>Send: - 103主 - 召唤二级数据10 7B 01 7C 16<P0:17:14:5.916>Echo: - 103子 - 无数据10 09 01 0A 16<P0:17:14:5.947>Send: - 103主 - 召唤二级数据10 5B 01 5C 16<P0:17:14:5.976>Echo: - 103子 - 无数据10 09 01 0A 16<P0:17:14:6.11>Send: - 103主 - 召唤二级数据10 7B 01 7C 16<P0:17:14:6.36>Echo: - 103子 - 无数据10 09 01 0A 16<P0:17:14:6.86>Send: - 103主 - 召唤二级数据10 5B 01 5C 16<P0:17:14:6.116>Echo: - 103子 - 无数据10 09 01 0A 16<P0:17:14:6.142>Send: - 103主 - 召唤二级数据10 7B 01 7C 16<P0:17:14:6.176>Echo: - 103子 - 无数据10 09 01 0A 16<P0:17:14:6.206>Send: - 103主 - 召唤二级数据10 5B 01 5C 16<P0:17:14:6.241>Echo: - 103子 - 无数据10 09 01 0A 16<P0:17:14:6.266>Send: - 103主 - 召唤二级数据10 7B 01 7C 16<P0:17:14:6.300>Echo: - 103子 - 无数据10 09 01 0A 16<P0:17:14:6.316>Send: - 103主 - 召唤二级数据10 5B 01 5C 16<P0:17:14:6.356>Echo: - 103子 - 无数据10 09 01 0A 16<P0:17:14:6.371>Send: - 103主 - 召唤二级数据10 7B 01 7C 16<P0:17:14:6.396>Echo: - 103子 - 无数据10 09 01 0A 16<P0:17:14:6.427>Send: - 103主 - 召唤二级数据10 5B 01 5C 16<P0:17:14:6.456>Echo: - 103子 - 无数据10 09 01 0A 16。
IEC103规约格式1.基本报文格式1.1固定帧长报文启动字符控制域 地址域 代码和 结束字符注:代码和=控制域+地址域(不考虑溢出位,即256模和) 1.2可变帧长报文注:(1)代码和=控制域+地址域+ ASDU 代码和(不考虑溢出位,即256模和) (2)ASDU 为“链路用户数据”包,具体格式将在下文介绍 (3)Length=ASDU 字节数+2 1.3控制域定义控制域分“主∧ 从”和“从∧ 主”两种情况。
(1) “主∧ 从”报文的控制域D7 D6 D5 D4 D3 D2 D1 D0备用 PRM FCB FCV 功能码1每位的具体定义请参考详细103规约。
(2) “从∧ 主”报文的控制域D7 D6 D5 D4 D3 D2 D1 D0备用 PRM ACD DFC 功能码 0 0每位的具体定义请参考详细103规约。
———— 启动字符1(1byte ) ———— 长度(1byte )———— 长度(重复)(1byte ) ———— 启动字符2(重复)(1byte ) ———— 控制域(1byte ) ———— 地址域(1byte )———— 链路用户数据[(length-2)byte] ———— 代码和(1byte ) ————结束字符(1byte )1.4地址域地址域为主站与之通信的从站地址,0-254:设备地址,255:广播地址。
2.链路规约数据单元(LDPU)控制方向:从控制系统到继电保护设备(或间隔单元)的传输方向。
监视方向:从继电保护设备(或间隔单元)到控制系统的传输方向。
2.1控制方向●复位帧计数位●复位通信单元●召唤1级数据●召唤2级用户数据●请求链路状态2.2监视方向●确认帧:●忙帧:●无所要求的数据帧回答:●链路状态响应帧:图中*表示:=<11>=链路工作正常,:=<14>=链路服务未工作,:=<11>=链路服务未实现。
2.3可变帧长的链路规约数据单元LDPULDPU 由两部分组成:链路控制规约信息(LPCI )和应用服务数据单元(ASDU )。
深圳南瑞IEC-103规约说明深圳南瑞IEC-103规约说明深圳南瑞编写:校核:2001年3⽉12⽇前⾔ (3)第⼀章IEC-103规约功能说明 (4)第⼆章IEC-103规约结构 (5)第三章IEC-103物理层说明 (5)第四章IEC-103链路层说明 (5)4.1 传输⽅式 (5)4.2 传输速率、校验⽅式和重复帧传输的超时时间间隔 (5) 4.3 帧格式 (5)4.3.1 固定帧长帧格式 (6)4.3.2 可变帧长帧格式 (6)4.3.3 控制系统⾄保护设备报⽂控制域的定义 (7)4.3.4 保护设备⾄控制系统报⽂控制域的定义 (8)第五章IEC-103(深圳所)应⽤层说明 (9)5.1 1级和2级⽤户数据的定义及其优先级 (9)5.2 应⽤层系统介绍 (10)5.3 初始化 (10)5.4 时间同步 (13)5.5 总查询 (14)5.6 正常通信过程(正常情况下链路传输过程) (16)5.7 保护事件、告警信息、状态量的传输 (17)5.8 命令传输过程(信号复归) (17)5.9 通⽤分类服务(定值、测量值、软压板(控制字)) (18) 5.9.1 通⽤分类服务概述 (18)5.9.2 ⽬录结构(组号条⽬号的定义) (19)5.9.3 通⽤分类服务原理 (20)5.9.4 读取定值、测量值、软压板(控制字) (20)5.9.5 修改定值、软压板(控制字) (23)5.10扰动数据传输(录波数据传输) (28)5.10.1 绕动数据的内容 (28)5.10.2 绕动数据传输的过程 (28)前⾔IEC60870-5-103传输规约是1999年10⽉1⽇实施的电⼒⾏业标准(国内称为DL/T 667-1999继电保护设备信息接⼝配套标准),规约要求采⽤此规约的监控和保护装置必须符合该标准的所有强制性定义。
IEC60870-5-103规约作为新的变电站内通信规约,在以后的⼤量应⽤是必然趋势。
IEC 103规约是一种电力自动化通信规约,主要应用于电力系统中的调度自动化、变电站自动化以及其他相关控制系统。
它是一种串行通信协议,规定了电力系统中数据传输的格式、数据类型、传输速率等。
IEC 103规约的报文结构包括头部和数据部分。
头部包含报文类型、长度、地址等信息,是报文的固定部分。
数据部分根据报文类型和功能的不同而不同,包括ASDU、COT、FUN和INF码等信息,用于区分数据的类型和处理方式。
在IEC 103规约中,一级数据和二级数据是两个重要的概念。
一级数据包含的信息量较大,通常用于传送ASDU(应用服务数据单元)等重要信息。
而二级数据则包含的信息量较小,通常用于传送事件指示信号等信息。
在进行IEC 103规约解析时,需要根据报文的类型和功能,对数据部分进行解析。
通常需要查阅IEC 103规约的相关文档,了解报文的具体含义和解析方法。
同时,还需要了解电力系统的相关知识,才能更好地理解IEC 103规约的内容和应用。
IEC103规约报文格式全解
IEC103规约格式
1.基本报文格式
1.1固定帧长报文
10 H 启动字符
CODE 控制域
ADDR 地址域
C S 代码和
16 H 结束字符
注:代码和=控制域+地址域(不考虑溢出位,即256模和)
1.2可变帧长报文
68 H ————启动字符1(1byte)
Length ————长度(1byte)
Length ————长度(重复)(1byte)
68 H ————启动字符2(重复)(1byte)
CODE ————控制域(1byte)
ADDR ————地址域(1byte)
ASDU ————链路用户数据[(length-2)byte]
C S————代码和(1byte)
16 H ————结束字符(1byte)
注:(1)代码和=控制域+地址域+ ASDU代码和(不考虑溢出位,即256模和)(2)ASDU为“链路用户数据”包,具体格式将在下文介绍
(3)Length=ASDU字节数+2
1.3控制域定义
控制域分“主从”和“从主”两种情况。
(1)“主从”报文的控制域
D7 D6 D5 D4 D3 D2 D1 D0
备用PRM FCB FCV 功能码
0 1
每位的具体定义请参考详细103规约。
(2) “从主”报文的控制域
D7 D6 D5 D4 D3 D2 D1 D0
备用PRM ACD DFC 功能码
0 0
每位的具体定义请参考详细103规约。
103规约转出软件实验报告(改进版)1、初始化●主站发: 10 40 04 44 16目的:给地址为04的装置发复位通信单元命令。
10 //固定帧长起始字符40 //控制域04 //4416子站回答:10 20 04 24 16目的: ACD位置1,表明子站向主站请求1级数据上送。
●主站发: 10 7a 04 7e 16目的:向地址为04的装置发请求1级数据命令。
子站回答:68 15 15 68 28 04 05 81 04 04 b2 03 03 c4 cf c8 f0 bc cc b1 a3 0100 01 00 9b 16 (ASDU5,CON=28,COT=4)68 //启动字符15 //报文长度15 //报文长度68 //启动字符//控制域, 地址域, 类型标识, 可变结构限定词, 传送原因, 公共地址28 04 05 81 04 04//功能类型,信息序号, 兼容级别,8个ASCIIb2 03 03 c4 cf c8 f0 bc cc b1 a3//4个自由赋值01 00 01 00/////////////////////////////////////////////////////连路用户数据9b //校验和16 //结束字符(ASDU5,CON=28,COT=4)80 00目的:子站以ASDU5(复位通信单元)响应主站的召唤。
并ACD位置1,表明子站继续向主站请求1级数据上送。
●主站发:10 5a 04 5e 16目的:向地址为04的装置发请求1级数据命令。
子站回答:68 15 15 68 08 04 05 81 05 04 b2 04 03 c4 cf c8 f0 bc cc b1 a3 0100 01 00 7d 16 (ASDU5,CON = 08,COT=5)目的:子站以ASDU5(启动/重新启动)响应主站的召唤。
ACD 位置回0。
后面跟随时间同步和总查询。
结果分析:程序的行为完全正确。
IEC103规约格式
1.基本报文格式
1.1固定帧长报文
10 H 启动字符
CODE 控制域
ADDR 地址域
C S 代码和
16 H 结束字符
注:代码和=控制域+地址域(不考虑溢出位,即256模和)
1.2可变帧长报文
68 H ————启动字符1(1byte)
Length ————长度(1byte)
Length ————长度(重复)(1byte)
68 H ————启动字符2(重复)(1byte)
CODE ————控制域(1byte)
ADDR ————地址域(1byte)
ASDU ————链路用户数据[(length-2)byte]
C S————代码和(1byte)
16 H ————结束字符(1byte)
注:(1)代码和=控制域+地址域+ ASDU代码和(不考虑溢出位,即256模和)(2)ASDU为“链路用户数据”包,具体格式将在下文介绍
(3)Length=ASDU字节数+2
1.3控制域定义
控制域分“主从”和“从主”两种情况。
(1)“主从”报文的控制域
D7 D6 D5 D4 D3 D2 D1 D0
备用PRM FCB FCV 功能码
0 1
每位的具体定义请参考详细103规约。
(2) “从主”报文的控制域
D7 D6 D5 D4 D3 D2 D1 D0
备用PRM ACD DFC 功能码
0 0
每位的具体定义请参考详细103规约。