沃尔玛超市陈列标准共26页
- 格式:ppt
- 大小:4.27 MB
- 文档页数:26
沃尔玛、家乐福等大型超市卖场的展示道具商品陈列标准通过视觉来打动顾客的效果是非常显著的。
商品陈列的优劣决定着顾客对店铺的第一印象,使卖场的整体看上去整齐、美观是卖场陈列的基本思想。
陈列还要富于变化,不同陈列方式相互对照效果好与坏,在一定程度上左右着商品的销售数量。
要充分地将这些基本思想融入到展示道具(展示架、展示柜、展示模特)、端头。
平台等各种陈列用具的商品陈列中去。
一、陈列的安全性排队非安全性商品(超过保质期的、鲜度低劣的、有伤疤的、味道恶化的),保证陈列的稳定性,保证商品不易掉落,应适当地使用盛装器皿、备品。
进行彻底地卫生管理,给顾客一种清洁感。
二、陈列的易观看性、易选择性一般情况下,由人的眼睛向下20度是最易观看的。
人类的平均视觉是由110度到120度,可视宽度范围为1。
5M到2 M,在店铺内步行购物时的视角为60度,可视范围为1M。
除高度、宽度外,为使商品易观看,商品的分类也是很重要的。
按不同种类缩短选择商品时间的一般方法。
按不同素材--按不同原材料区分排列。
按不同菜谱--提供烹饪菜谱情况下使用的方法。
按不同活动--可分为年中固定活动、地区性活动。
按不同机能--按低热量食品、健康食品等分类。
按不同季节--以季节性强的商品分类,设专柜的方法。
按不同价格如100元商品等,按不同价格带将商品集中到一起进行销售方法。
按不同色彩通过色彩调节,突出商品,促进销售的方法。
关联式按相互关联使用的原则,将不同商品。
集中在一起进行销售的方法。
三、陈列的易取性、易放回性顾客在购买商品的时候,一般是先将商品拿到手中从所有的角度进行确认,然后再决定是否购买。
当然,有时顾客也会将拿到手中的商品放回去。
如所陈列的商品不易取、不易放回的话,也许就会仅因为这一点便丧失了将商品销售出去的机会。
四、令人感觉良好的陈列1、清洁感不要将商品直接陈列到地板上。
无论什么情况都不可将商品直接放到地板上注意去除展示道具(展示架、展示柜、展示模特)上的锈、污迹。
沃尔玛超市设计标准沃尔玛超市是全球知名的连锁零售企业,其超市设计标准是保证其店铺形象和服务质量的重要保障。
在沃尔玛超市设计标准中,包括了建筑外观、内部空间布局、陈列货架、灯光设计、通风设施等多个方面的内容,下面我们就来详细了解一下。
首先,在沃尔玛超市的建筑外观设计中,要求整体造型简洁大方,能够吸引顾客的眼球,增加超市的知名度。
同时,外墙颜色要与品牌形象相匹配,营造出舒适、温馨的购物氛围。
建筑立面要注重细节处理,使得整体外观更加美观大方。
其次,在内部空间布局方面,要求合理规划各个功能区域,包括食品、日用品、服装等不同品类的商品陈列区域。
同时,要保证通道宽敞,方便顾客的购物体验。
此外,收银台的位置也需要考虑到顾客流量和便利性,以提高结账效率。
在陈列货架的设计中,沃尔玛超市要求货架的选材和结构要稳固耐用,能够承载各种商品的重量。
货架的高度和间距要合理,以便顾客可以方便取货和放置商品。
同时,货架的陈列要求也要符合超市的整体风格,能够吸引顾客的注意力,提高商品的销售量。
此外,灯光设计也是沃尔玛超市设计标准中的重要部分。
合理的灯光设计不仅可以提升超市的整体氛围,还可以使商品展示更加吸引人。
在不同区域的灯光亮度和色温也需要有所区分,以营造出不同的购物氛围。
最后,在通风设施的设计中,沃尔玛超市要求要保证空气流通畅通,保持室内空气的清新。
特别是在食品区域,要保证食品的新鲜度和卫生安全,因此通风设施的设计尤为重要。
总的来说,沃尔玛超市设计标准是为了提供顾客良好的购物体验,营造舒适的购物环境,提高商品的销售量。
通过合理的建筑外观、内部空间布局、陈列货架、灯光设计、通风设施等多方面的设计要求,沃尔玛超市将会继续保持其在全球零售市场的领先地位。
门店标准作业规范书文件编号版本编号页码共10页汇编日期文件名称:门店商品陈列标准门店常规货架商品陈列标准一、工作目标:保持门店商品整齐丰满,标价准确,无过期商品存架,为顾客提供整洁舒适的购物环境和良好的服务。
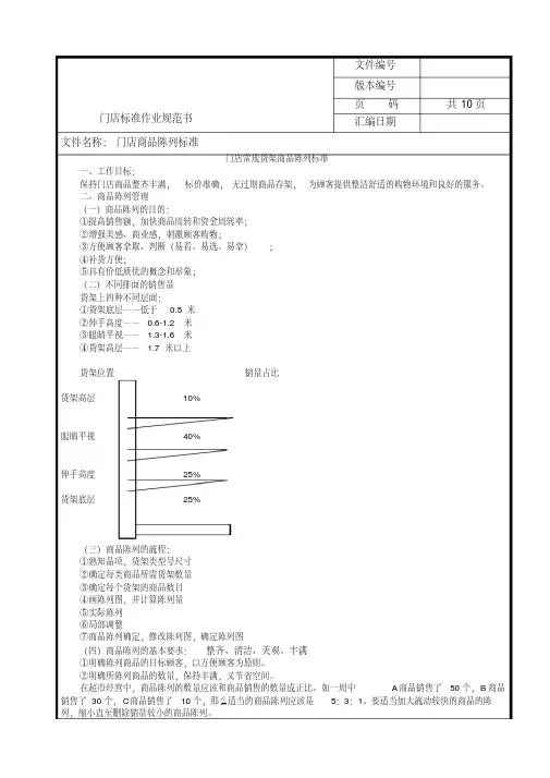
二、商品陈列管理(一)商品陈列的目的:①提高销售额,加快商品周转和资金周转率;②增强美感、商业感,刺激顾客购物;③方便顾客拿取、判断(易看、易选、易拿);④补货方便;⑤具有价低质优的概念和形象;(二)不同排面的销售量货架上四种不同层面:①货架底层——低于0.5米②伸手高度——0.6-1.2米③眼睛平视—— 1.3-1.6米④货架高层—— 1.7米以上货架位置销量占比货架高层 10%眼睛平视 40%伸手高度 25%货架底层 25%(三)商品陈列的流程:①熟知品项,货架类型号尺寸②确定每类商品所需货架数量③确定每个货架的商品数目④画陈列图,并计算陈列量⑤实际陈列⑥局部调整⑦商品陈列确定,修改陈列图,确定陈列图(四)商品陈列的基本要求:整齐、清洁、美观、丰满①明确陈列商品的目标顾客,以方便顾客为原则。
②明确所陈列商品的数量,保持丰满,又节省空间。
在超市经营中,商品陈列的数量应该和商品销售的数量成正比。
如一周中A商品销售了50个,B商品销售了30个,C商品销售了10个,那么适当的商品陈列应该是5:3:1。
要适当加大流动较快的商品的陈列,缩小直至删除销量较小的商品陈列。
③要明确所陈列商品的面,要注意以下几点:A、陈列商品的哪一面容易让顾客看到;B、陈列商品的哪一面能突出商品的主要特征;C、商品的哪一面容易让顾客了解其内容;D、商品的哪一面容易陈列。
④明确商品陈列的形状。
一种商品用台式陈列还是挂式陈列或架子陈列要由商品的定位、用途、商品特性来决定。
⑤明确商品的陈列地点。
一种商品陈列在卖场什么地方才能引起顾客的关注是由店内商品布局及动线来决定。
还要考虑与周围相关商品的组合,以便起到热卖的效果。
(五)陈列道具:A、层板:一般商品陈列(袋装、瓶装等)B、斜口笼:方便面、小包装食品等C、钩:悬挂陈列的商品(如:袜子、拖鞋等)D、特殊陈列架(如:碗架、鞋架等)E、栈板:用于陈列促销商品及店内推广商品(六)商品陈列的基本方法:关联性商品陈列是陈列时必须遵守的第一准则,所谓关联性陈列是指以功能分类陈列的商品,不以供应商来区分陈列(如供应商强烈要求,则属于特殊陈列,供应商需办理特殊陈列手续)。
【陈列】沃尔玛、大润发等一流超市的陈列标准!►终端陈列的九字方针、卖场陈列十点规范、初中高级十八项陈列法则。
终端产品的陈列情况直接影响了产品销量及形象展示效果,笔者总结归纳了终端陈列的九字方针、卖场陈列十点规范、初中高级十八项陈列法则,比较系统的阐述了终端陈列的标准与细节,也是做陈列最基本的要求。
陈列法则虽然多,但不是“限制”,这些科学与实践经验的积累,更多的是一种“指导”,“运用之妙,存乎一心”,可根据具体情况灵活掌握,切勿教条化。
一、九字方针1、“量”,作为陈列的首要原则来说,“量”自然有其重要的意义。
俗话说:“货卖堆山”,意思就是说商品陈列要有量感才能引起顾客的注意与兴趣,同时量感的陈列也是门店形象生动化的一个重要条件;2、“集”,同类别商品要集中陈列在邻近的货架或位置。
集中陈列的要求也是“量感陈列”的体现,同时让顾客能更容易的按照集中的类别找到自己所需要的品牌或品种;3、“易”,易拿易取易还原是商品好陈列的条件之一。
因为即使再美观、大气的陈列(堆码),若顾客拿取不方便,或者拿了放回去极为麻烦,那么再好看的陈列也无法起到促进销售的目的;4、“齐”,是说商品陈列时尽量保证一个品牌或系列的商品能配套齐全,同时集中陈列,这样才能让顾客有更大的选择余地,在陈列上也能体现整齐、美观的效果;5、“洁”,卫生、整洁是顾客对商品陈列乃至整个卖场环境的一个要求。
卖场人员在陈列商品的同时要及时清理商品及货架或堆码位置的卫生,将商品上的灰尘及时擦拭干净,体现商品的新鲜度;6、“联”,很多商品在顾客心目中是有关联性的,当顾客购买某一样商品时他会需要与之相关的商品来配套或者经过卖场人员的精心安排他会发现买了甲商品再加件乙商品会是个不错的搭配,这样关联的商品陈列就显得很有必要;(如牙膏与牙刷、茶具与茶叶、垃圾篓与垃圾袋等等)7、“时”,卖场人员在进行商品陈列时需要注意商品的保质时间与有效期等问题,特别是保质期较短的商品如面点、冷藏商品等。
超市陈列标准(总2页) -CAL-FENGHAI.-(YICAI)-Company One1-CAL-本页仅作为文档封面,使用请直接删除商品陈列规范一、规范陈列的目的:达到“四易”目标,最终感动顾客。
1.商品易找。
2.商品易看。
3.商品易懂。
4.商品易拿。
二、商品陈列的基本原则1.整齐原则(1)以左为准是基础,每节货架陈列时,应以货架左端作为起点,安排商品有序陈列。
(2)商品、价签“一条线”,每节货架陈列时,价签摆放应自最左边商品左下方起,按照商品包装规格情况,做到价签、商品由上至下垂直一条线,同一商品多层陈列时,应做到一层一签。
(3)商品纵深“一条线”,排面商品陈列时应前后冲齐,前、后排商品“面位数face”一致,纵深“一条线”。
(4)挂钩+层板侧看“一平面”,每节货架陈列时,挂钩长度应与层板深度基本一致,做到挂钩、层板陈列商品侧看基本处于同一水平面,挂钩、层板与底层层板深度差异不超过20cm。
(5)安全前提下,挡网应去除,在保证商品稳固、安全的前提下,去除前挡网,陈列更整齐2.饱满原则(1)层板要压“第一孔”,排面商品陈列时,以压层板外侧“第一孔”作为起点,确保商品饱满陈列。
(2)吊挂陈列要“满钩”,吊挂商品陈列时,存货量应保持合理,不因量少陈列稀薄、不因陈列过多破坏美观,商品应保持自然下垂。
(3)吊挂交叉要做好,不规则商品吊挂陈列时要做好商品交叉,不露背板很重要。
(4)保留合理“天际线”,商品层板陈列时做到“天际线”紧凑(2-4cm),可错层陈列以适应不同尺寸商品,不露背板很重要。
(5)不露底板是关键(堆头)商品陈列时,应保持商品丰满,不露道具底板是关键。
(6)“排面”存货要充足,排面商品陈列时,商品存货量应不少于陈列空间的1/2。
3.美观原则(1)上小下大更平衡,商品按照包装规格,小规格在上、大规格在下,底层大规格商品可多层陈列。
(2)竖式陈列更美观,商品采用“竖式”陈列时,相邻商品包装大小、色泽差异不宜过大。