铁路机车用电缆产品规格表
- 格式:docx
- 大小:17.57 KB
- 文档页数:2
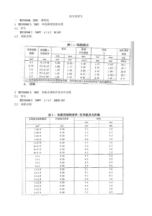
机车线型号一EN50306:2002 薄壁线1 EN50306-2:2002 单线薄壁绝缘电缆1.1 型号EN50306-2 300V 1×1.5 M 1051.2规格范围2 EN50306-3:2002 屏蔽及薄壁护套多芯电缆2.1 型号EN50306-3 300V 1×1.5 MMS 1052.2规格范围3 EN50306-4:2002 标准护套多芯及多线对电缆3.1 型号EN50306-4 1E MM 105 多芯电缆——设护套EN50306-4 1P MM 105 多芯电缆——设护套EN50306-4 3E MMS 105 多芯电缆——设屏蔽及护套EN50306-4 3P MM S105 多芯电缆——设屏蔽及护套EN50306-4 5E MMS 105 多线对电缆——单体屏蔽及护套,设总护套EN50306-4 5P MM S105 多线对电缆——单体屏蔽及护套,设总护套二、EN50264:2008本标准包含的部分:EN50264-1:2008 一般规定EN50264-2-1:2008 具有交联弹性体绝缘单芯电缆EN50264-2-2:2008 具有交联弹性体绝缘多芯电缆EN50264-3-1:2008 具有较薄交联弹性体绝缘单芯电缆EN50264-3-2:2008 具有较薄交联弹性体绝缘多芯电缆1 EN50264-2-1:2008 、EN50264-3-1:2008交联弹性体绝缘单芯电缆1.1 型号EN50264-2-1 0.6/1kV 240 M1.2 范围0.6/1kV无屏蔽,无护套(1~400)mm21.8/3kV无屏蔽,无护套(1.5~400)mm21.8/3kV无屏蔽,无护套(1.5~400)mm23.6/6kV无屏蔽,无护套(2.5~400)mm22 EN50264-3-1:2008、EN50264-3-2:2008交联弹性体绝缘多芯电缆2.1 型号EN50264-2-2 300/500kV 37×1.5 MMS2.2 范围300/500V 有屏蔽或无屏蔽(1.0、1.5、2.5mm2,2~40芯)0.6/1kV 有屏蔽或无屏蔽(1.5~50mm2,2、3、4芯)三、GB/T12528—20081、型号DCEH/3-100、WDZ-DCYJ-125、WDZ-DCYJ/2-125、WDZ-DCYJ/3-125、WDZ-DCYJB-125、WDZ-DCYJB/2-125、WDZ-DCYJB/3-125、、WDZ-DCYJB-150、WDZ-DCYJB/2-150、WDZ-DCYJB/3-150 2、规格范围四、TB 1481—20101、型号规格范围五、EN50382-1:2008 具有特殊燃烧性能的铁路车辆用高温电力电缆1、本标准包含部分:EN50382-1:2008 一般规定EN50382-2:2008 120℃或150℃单芯硅橡胶绝缘电缆。
铁路接触网各种线材(接触线、承力索、供电线)参数一览表一、接触线(1)纯铜接触线(2)银铜合金接触线(3) 镁铜合金接触线二、承力索(1)镁铜合金绞线(2)硬铜绞线简介:承力索,馈线,地线(避雷线)三、供电线接触网用线材,馈线四、铜镁合金软绞线五、铜包钢绞线(来自论文)六、铝包钢芯铝绞线(TB/T2937-1998)七、铝包钢绞线(TB/T2938-1998)八、电气化铁道铜及铜合金接触线(尚未正式公布)1、铜合金类别铜银合金 A铜镁合金(0.2%Mg)L铜镁合金(0.5%Mg)L铜锡合金S2、产品品质类别横向晶粒尺寸MM 含氧量% 一类品质 A ≤0.03 ≤0.0020二类品质 B ≤0.03 ≮0.0020-≤0.0040 三类品质 C ≮0.03 ≤0.0020示例:120MM2铜银合金接触线一类品质为CTHA120A。
3、载流量推荐值4、线胀系数:17*10-61/K5、密度:相差不大6、杨氏模量:均为120GPa.(一)规格与尺寸九、电气化铁道用铜及铜合金绞线(尚未正式公布)1、型号及名称JTXX XX铜绞线JTLXX XX铜镁合金绞线(0.2%镁)JTMXX XX铜镁合金绞线(0.5%镁)示例:标称截面为120MM2、单线19根、单线直径为2.8MM的铜绞线(同心层绕)表示为JT120-19/2.8 TB/TXXXX-200X。
2、规格尺寸及性能十、电气化铁路用铜包钢绞线承力索(河北宝山集团提供)锡铜接触线(住友公司提供)2 主要技术性能和规格图1 接触线截面形状及尺寸示意图2.1 规格及要求:2.1.1 硬拉双沟圆形铜锡合金线,标称截面为120 mm2。
2.1.2 除附图中已给出的尺寸外, 其余详细尺寸均由投标厂家提供:材料应采用(锡含量:0.25~0.35%)铜锡合金制成,并满足表1的电气和机械性能。
2.2 电气和机械性能(见表1)表1。
铁路应用——具有特殊防火性能铁路机车车辆电力和控制电缆第3-1部分:单芯小尺寸交联橡胶绝缘电缆简介EN 50264 涉及用于铁路车辆的系列电缆,该系列电缆属于不含卤素材料的护套以及无护套电缆。
该标准分为 5部分:第1部分一般要求;第2-1部分单芯交联橡胶绝缘电缆;第2-2部分多芯交联橡胶绝缘电缆;第3-1部分小尺寸多芯交联橡胶绝缘电缆;第3-2部分小尺寸多芯交联橡胶绝缘电缆。
电缆选型和安装(包括额定电流)见EN50355 和EN 50343 。
电缆截面积选择(包括减少环境温度和安装类型因素)见EN 50343。
EN 50264中涉及的特殊测试方法见EN 50305。
本部分的电缆也可用于EN 50264-3-2组成多芯护套电缆。
第1部分“一般要求”对EN 50264做出了更详尽的介绍,因此应与第3-1部分一起使用。
1.范围E N 50264-3-1规定了对下列型号及额定电压下的单芯电缆的要求、结构及尺寸。
0.6/1kV 无屏蔽、无护套电缆(1mm2到 400mm2)1.8/3kV 无屏蔽、无护套电缆(1.5mm2到400mm2)1.8/3kV 无屏蔽、护套电缆(1.5mm2到 400mm2)3.6/6kV 无屏蔽、护套电缆(2.5mm2到 400mm2)所有的电缆为EN 60228 规定的 5类镀锡铜线,且为无卤绝缘和无卤护套。
这些电缆用于铁路机车固定布线,或者操作时会碰到极限挠度的布线。
要求连续导线温度不超过 90℃,在 5 秒内,短路条件下最大温度为 200℃。
发生火灾时,电缆在最大允许火焰传播(火焰蔓延),最大允许烟雾及有毒气体释放等方面具有特殊的性能。
EN 50264-3-1应与第1部分“一般要求”一起使用2.引用标准以下引用的文件对于实施本文件是必不可少的。
凡注日期的引用文件,最新版不适用于本标准。
不注日期的引用文件,其最新版(包括任何修订)适用于本标准。
EN 10002-1 金属材料—拉伸测试—室温条件下试验方法EN 50264-1:2008 铁路应用—具有特殊防火性能铁路机车车辆动力和控制电缆第1部分:一般要求EN 50266-2-4 电缆在火焰条件下的通用试验方法—垂直安装的成束电线或电缆的垂直火焰蔓延试验第2-4部分:试验步骤—C类EN 50266-2-5 电缆在火焰条件下的通用试验方法—垂直安装的成束电线或电缆的垂直火焰蔓延试验第2-5部分:试验步骤—小电缆—D类EN 50305:2002 铁路应用-具有特殊防火性能铁路机车车辆电缆-测试方法EN 60228 电缆的导体(IEC 60228)EN 60332-1-2 电缆和光缆在火焰条件下的试验方法第1-2部分:单根绝缘电线电缆垂直火焰蔓延试验—1kW预混合火焰(IEC 660332-1-2)EN 60811-1-1:1995 电缆和光缆绝缘和护套材料的—通用试验方法第1-1部分:一般应用—厚度和外形尺寸测量—机械性能试验(IEC 60811-1-1:1993 )EN 60811-1-2:1995 电缆绝缘和护套材料的—通用试验方法第1-2部分:一般应用—热老化试验(IEC60811-1-2:1985 +A1 :1989 +corr.May 1986)EN 60811-1-3:1995 电缆和光缆绝缘和护套材料的—通用试验方法第1-3部分:一般应用—密度测定方法—吸水试验—回缩试验(IEC 60811-1-3:1993 )EN 60811-1-4:1995 电缆和光缆绝缘和护套材料的—通用试验方法第1-4部分:一般应用—低温试验(IEC 60811-1-4:1985 + A11993+corr.May 1986 )EN 60811-2-1:1998 电缆和光缆绝缘和护套材料的—通用试验方法第2-1部分:一般应用—橡胶混合物测试方法—耐臭氧试验、热延伸试验和浸矿物油试验(IEC 60811-2-1:1998)EN 61034-2 电缆在特定条件下燃烧的烟密度测定第2部分:试验步骤和要求(IEC 61034-2)HD 308 电缆与软线的芯线标记3.定义EN 50264-1 的定义适用于本标准。
铁路接触网各种线材(接触线、承力索、供电线)参数一览
表
一、接触线
(1)纯铜接触线
(2)银铜合金接触线
(3)镁铜合金接触线
二、承力索(1)镁铜合金绞线
(2)硬铜绞线
简介:
承力索,馈线,地线(避雷线)
三、供电线
接触网用线材,馈线
四、铜镁合金软绞线
五、铜包钢绞线(来自论文)
七、铝包钢绞线(TB/T2938-1998)
1、铜合金类别
铜银合金 A
铜镁合金(%Mg) L
铜镁合金(%Mg) L
铜锡合金 S
2、产品品质类别
横向晶粒尺寸MM 含氧量%一类品质 A ≤≤
二类品质 B ≤≮≤
三类品质 C ≮≤
示例:120MM2铜银合金接触线一类品质为CTHA120A。
5、密度:相差不大
6、杨氏模量:均为120GPa.
(一)规格与尺寸
九、电气化铁道用铜及铜合金绞线(尚未正式公布)
1、型号及名称
JTXX XX铜绞线
JTLXX XX铜镁合金绞线(%镁)
JTMXX XX铜镁合金绞线(%镁)
示例:标称截面为120MM2、单线19根、单线直径为的铜绞线(同心层绕)表示为JT120-19/ TB/TXXXX-200X。
十、电气化铁路用铜包钢绞线承力索(河北宝山集团提供)
2 主要技术性能和规格
图1 接触线截面形状及尺寸示意图
规格及要求:
硬拉双沟圆形铜锡合金线,标称截面为120 mm2。
除附图中已给出的尺寸外, 其余详细尺寸均由投标厂家提供:材料应采用(锡含量:~%)铜锡合金制成,并满足表1的电气和机械性能。
电气和机械性能(见表1)
表1。
铁路接触网各种线材(接触线、承力索、供电线)参数一览
表
一、接触线
(1)纯铜接触线
(2)银铜合金接触线
(3)镁铜合金接触线
二、承力索(1)镁铜合金绞线
(2)硬铜绞线
简介:
承力索,馈线,地线(避雷线)
三、供电线
四、铜镁合金软绞线
五、铜包钢绞线(来自论文)
1、铜合金类别
铜银合金A
铜镁合金(0.2%Mg)L
铜镁合金(0.5%Mg)L
铜锡合金S
2、产品品质类别
横向晶粒尺寸MM含氧量%
一类品质A≤0.03≤0.0020
二类品质B≤0.03≮0.0020-≤0.0040
三类品质C≮0.03≤0.0020
示例:120MM2铜银合金接触线一类品质为CTHA120A。
5、密度:相差不大
6、杨氏模量:均为120GPa.
1、型号及名称
JTXXXX铜绞线
JTLXXXX铜镁合金绞线(0.2%镁)
JTMXXXX铜镁合金绞线(0.5%镁)
示例:标称截面为120MM2、单线19根、单线直径为2.8MM的铜绞线(同心层绕)表示为JT120-19/2.8TB/TXXXX-200X。
2主要技术性能和规格
图1接触线截面形状及尺寸示意图
2.1.1 硬拉双沟圆形铜锡合金线,标称截面为120mm2。
2.1.2除附图中已给出的尺寸外,其余详细尺寸均由投标厂家提供:
材料应采用(锡含量:0.25~0.35%)铜锡合金制成,并满足表1的电气和机械性能。
2.2电气和机械性能(见表1)
表1。
薄壁型铁道机车车辆阻燃电缆第四篇:标准护套多芯及多线对电缆 范围 EN50306-3对以下多芯及多线电缆的结构及尺寸要求作出规定, 为 300V : 无屏蔽: 有屏蔽, 有屏蔽,1. 该电缆对地额定电压 导体裸露或有护层,设护套, 导体裸露或有护层,设护套, 导体裸露或有护层,设护套, (0.5—2.5) (0.5— 2.5) (0.5— 1.5) 2mm , 2mm , 2 mm , 2至48芯。
2至8芯。
2至7线对。
所有电缆均采用镀锡交合铜导体及薄壁型无卤绝缘层及标准厚度的护套。
此类电缆用 于铁道机车车辆用电缆的固定接线,以及稍需柔软性的接线。
用于暴露场合的电缆为 用于设防护场合的电缆为 P 级,根据其护套系统的类型,其连续运行温度可为 90 C 或 最高短路温度为160C, 5S 。
护套采用EM101型、EM103型或S2型材料的电缆可适用于 -25 C ,护套采用 EM104型材料的电缆可适用于— 40C 。
在火灾时,此类电缆在阻止火焰蔓延、烟雾及有毒气体的发散方面,均具有优良的性 使电缆可适用于 EN45545-1 “危险等级”中的第 2、第3、及第4级。
引用标准(略) 多芯电缆,设护套: 概述:本电缆应符合 EN50306-1及本部粉第3、第4节的要求。
有关试验在表 E 级, 105 C 。
EM102型、 能, 2. 3. 3.1 出。
2中列 3.2 3.2.1 3.2.2)、额定温度。
如: 说明、标记和符号 符号说明:EN 标准、表号、电缆等级(P 或E )、线芯数及导体尺寸、危险等级 EN50306-4 1P 4 X 2.5 CC 90。
(见 3.2.3 3.2.2 专用于说明危险等级的符号:以下字母用于标出电缆所适用的危险等级 (EN45545-1 ),以及耐低温、耐油、耐燃料的性能: 线芯绝缘上的标记 线芯按EN50306-2第3.3.2节的规定,标以1、2等,但1号线芯可按 EN50306-2第 的要求,参照相应的单根线芯作标记。
电线电缆的型号组成与顺序如下:1.类别、用途 ,导体/材料,绝缘,内护层,结构特征,外护层或派生,额定电压1)类别、用途代号DC—铁路机车车辆用电缆J-同心绞合K-控制电缆R-软线U-矿用电缆Y-移动电缆JK-绝缘架空电缆M-煤矿用ZR-阻燃型NH-耐火型ZA-A级阻燃ZB-B级阻燃ZC-C级阻燃WD-低烟无卤型2)导体代号T—铜导线(略)L-铝芯铝合金—LH3)绝缘层代号V—PVC塑料(聚氯乙烯绝缘)YJ—XLPE绝缘(交联聚乙烯绝缘)X—橡皮Y—聚乙烯料F—聚四氟乙烯E-乙丙橡胶绝缘 HE--硬乙丙橡胶绝缘4)护层代号V-PVC套Y-聚乙烯料N-尼龙护套P-铜丝编织屏蔽P2-铜带屏蔽L-棉纱编织涂蜡克Q-铅包F-弹性体护套 A-挡潮聚乙烯护套5)特征代号B-扁平型R-柔软Z--中型C-重型Q-轻型G-高压H-电焊机用S-双绞型6)铠装层代号2—双钢带3—细圆钢丝4—粗圆钢丝6--双非磁性金属带铠装7--非磁性金属带7)外护层代号1—纤维层2---聚氯乙烯外护套3---聚乙烯外护套4--弹性体外护套2.如果没有类别代号,则顺序为绝缘层代号,导体,护层代号,铠装代号,外护层代号,圆线同心绞架空导线1类别代号J-同心绞合,F-防腐2导线用单线代号A).LY-硬圆铝线9-状态:硬拉-----------注:LY9省略为LB)、LH--架空绞线用铝合金圆线A-高强度系列1或2-性能C)、LB--电工用铝包钢线1或2-导电系列(20.3%IACS和27%IACS)A或B-机械性能系列D)、G--绞线用镀锌钢线1,2或3-强度系列(普通、高强、特高强)A或B-镀层厚度等级(普通、加厚)3产品型号导线第一个字母均用J,表示同心绞合单一导线J后面为组成导线的单线代号组合导线J后面为外层线(或外包线)和内层线(或芯线)的代号,二者用”/”分开在型号尾部加F则表示导线采用涂防腐油结构4产品表示方法产品用型号,标称截面,绞合结构及标准号表示规格号表示相当于硬拉圆铝线的导电截面积,单位为mm2绞合结构用构成导线的单线根数表示。
综合护套铁路信号电缆一、技术要求总体原那么:产品需经省部级鉴定或技术审查,符合TB/T2473·3-93和TB/T2476·3-93的有关规定。
(一)电缆应用范围适用于额定电压交流500V或直流1000V以下传输铁路信号、音频信号或自动信号装置的控制电路。
〔二〕电缆名称聚乙烯绝缘综合护套钢带铠装聚乙烯外护套铁路信号电缆。
〔三〕电缆型号PTYA23〔四〕技术标准1.电缆的规格及参考外径表:2.工作条件2.1电缆的使用环境温度为-40℃~+60℃;2.2电缆导体长期工作温度不超过70℃;2.3电缆具有良好的屏蔽性能,适用于需要设置屏蔽电缆的电气化区段;2.4电缆允许弯曲半径应不小于电缆外径的15倍。
〔五〕技术要求与试验方法1.导体:采用软圆铜线2.绝缘2.1绝缘应采用聚乙烯塑料,并制成红、绿、白、兰四种颜色;2.2绝缘标称厚度为,允许偏差为。
3.线组3.1对线组由两根不同颜色的绝缘单线绞合而成;3.2星形四线组由四根不同颜色的绝缘线芯绞合而成,不同绞合节距的星形四线组应疏绕不同颜色的非吸湿性丝或带;3.3对线组和星形四线组均为左向绞合,其绞合节距应不大于300mm;4.缆芯4.1除四芯电缆外,其它规格缆芯外层绞合方向均为右向,相邻层绞合方向相反;4.2缆芯外绕包一层适宜的包带,绕包重叠率为带宽的10~20%;5.综合护套5.1复合带的纵包与挤包聚乙烯层一次完成,统称为综合护套;5.2复合带纵包重叠局部应不小于6mm,9芯以下电缆的纵包重叠局部宽度应不小于带宽的20%,接缝处圆整。
6.电缆的电气性能7.理想屏蔽系数在频率为50Hz,9芯及以下电缆护套上的感应电压为50~200v/km,12芯及以上电缆护套上的感应电压为35~200v/km时,综合护套信号电缆的理想屏蔽系数应不大于。
〔五〕电缆交货长度1.500m及以上的电缆不少于总交货长度的50%;短段电缆交货长度不超过总交货长度的5%;12芯以下短段电缆长度为50~250m;12芯及以上短段为100~300m;2.电缆长度计量误差应不超过±0.5%;3.根据双方协议,允许以任何长度电缆交货。
铁路接触网各种线材(接触线、承力索、供电线)参数一览表一、接触线(1)纯铜接触线(2)银铜合金接触线银铜合金接触线技术参数DIN43141型号标称截面mm2尺寸电气性能机械性能参考单位质量Kg/Km银含量%C D电阻率20℃≤Ωmm2/m载流量A≥扭转(至破坏)圈数≥反复弯曲至破坏伸长率≥%抗拉强度≥N/mm2风速0。
6m/s风速1m/s弯曲半径mm次数≥Ris 803。
810。
60。
017866206905306 3.53657100。
08~0。
12 10041270578553063。
5360890120413。
24508305306 3.53501070注:(1)参考单位质量按密度8.96 g/cm3计算(2)载流量条件:环境温度为40℃,最高工作温度150℃。
银铜合金接触线规格尺寸表TB/T2821型号标称截面mm2计算截面mm2尺寸及偏差mm角度及偏差参考单位质量kg/km A±1% B±2%C±2%D±4%—2%E K RG H±1°CTHA 85 86 10。
8 10。
76 9.40 7.24 6。
80 4.60 0。
40 27°51°769 110 111 12.34 12。
34 9.73 7.24 6.80 4。
47 0。
40 27°51°992 120 121 12。
90 12.90 9。
76 7.24 6.80 4.35 0.40 27°51°1082 150 151 14。
40 14。
10 9.71 7。
24 6。
80 4。
00 0.40 27°51°1350 注:参考单位质量按密度8.94g/cm3计算银铜合金接触线技术性能参数TB/T2821型号标称截面mm2电气性能机械性能银含量%电阻率20℃≤Ωmm2/m载流量A≥拉断力KN不小于伸长率%≥扭转(至破坏)圈数≥反复弯曲至破坏杨氏模量Mpa未软化软化后弯曲半径mm次数≥CTHA 850。
EN---薄壁型铁道机车车辆阻燃电缆(第四篇)————————————————————————————————作者:————————————————————————————————日期:薄壁型铁道机车车辆阻燃电缆第四篇:标准护套多芯及多线对电缆1. 范围EN50306-3对以下多芯及多线电缆的结构及尺寸要求作出规定,该电缆对地额定电压为300V:无屏蔽:导体裸露或有护层,设护套,(0.5-2.5)mm2,2至48芯。
有屏蔽,导体裸露或有护层,设护套,(0.5-2.5)mm2,2至8芯。
有屏蔽,导体裸露或有护层,设护套,(0.5-1.5)mm2,2至7线对。
所有电缆均采用镀锡交合铜导体及薄壁型无卤绝缘层及标准厚度的护套。
此类电缆用于铁道机车车辆用电缆的固定接线,以及稍需柔软性的接线。
用于暴露场合的电缆为E级,用于设防护场合的电缆为P级,根据其护套系统的类型,其连续运行温度可为90℃或105℃。
最高短路温度为160℃,5s。
护套采用EM101型、EM103型或S2型材料的电缆可适用于-25℃,护套采用EM102型、EM104型材料的电缆可适用于-40℃。
在火灾时,此类电缆在阻止火焰蔓延、烟雾及有毒气体的发散方面,均具有优良的性能,使电缆可适用于EN45545-1“危险等级”中的第2、第3、及第4级。
2. 引用标准(略)3. 多芯电缆,设护套:3.1 概述:本电缆应符合EN50306-1及本部粉第3、第4节的要求。
有关试验在表2中列出。
3.2 说明、标记和符号3.2.1 符号说明:EN标准、表号、电缆等级(P或E)、线芯数及导体尺寸、危险等级(见3.2.2)、额定温度。
如:EN50306-4 1P 4×2.5 CC 90。
3.2.2 专用于说明危险等级的符号:以下字母用于标出电缆所适用的危险等级(EN45545-1),以及耐低温、耐油、耐燃料的性能:EN45545-1危险等级 1 2或3 4 低温/耐油 A B C超低温/耐油 D E F低温/超级耐油、耐燃料G H J超低温/超级耐油、耐燃料K L M3.2.3 线芯绝缘上的标记线芯按EN50306-2第3.3.2节的规定,标以1、2等,但1号线芯可按EN50306-2第3.3.1的要求,参照相应的单根线芯作标记。
铁路接触网各种线材(接触线、承力索、供电线)参数一览表一、接触线(1)纯铜接触线(2)银铜合金接触线(3)镁铜合金接触线二、承力索(1)镁铜合金绞线(2)硬铜绞线简介:承力索,馈线,地线(避雷线)三、供电线四、铜镁合金软绞线五、铜包钢绞线(来自论文)1、铜合金类别铜银合金 A铜镁合金(0.2%Mg) L铜镁合金(0.5%Mg) L铜锡合金 S2、产品品质类别横向晶粒尺寸MM 含氧量%一类品质 A ≤0。
03 ≤0。
0020二类品质 B ≤0。
03 ≮0。
0020—≤0。
0040 三类品质 C ≮0。
03 ≤0。
0020示例:120MM2铜银合金接触线一类品质为CTHA120A。
5、密度:相差不大6、杨氏模量:均为120GPa.1、型号及名称JTXX XX铜绞线JTLXX XX铜镁合金绞线(0。
2%镁)JTMXX XX铜镁合金绞线(0。
5%镁)示例:标称截面为120MM2、单线19根、单线直径为2。
8MM的铜绞线(同心层绕)表示为JT120-19/2。
8 TB/TXXXX—200X。
2 主要技术性能和规格图1 接触线截面形状及尺寸示意图2。
1.1 硬拉双沟圆形铜锡合金线,标称截面为120mm 2。
2。
1.2 除附图中已给出的尺寸外,其余详细尺寸均由投标厂家提供:材料应采用(锡含量:0.25~0.35%)铜锡合金制成,并满足表1的电气和机械性能。
2.2 电气和机械性能(见表1) 表1。
铁路应用——具有特殊防火性能铁路机车车辆电力和控制电缆第2-1部分:单芯交联橡胶绝缘电缆简介EN50264涉及到用于铁路车辆的系列电缆,该系列电缆属于采用无卤材料的护套以及无护套电缆。
该标准分为5部分:第1部分一般要求;第2-1部分单芯交联橡胶绝缘电缆;第2-2部分多芯交联橡胶绝缘电缆;第3-1部分小尺寸多芯交联橡胶绝缘电缆;第3-2部分小尺寸多芯交联橡胶绝缘电缆。
电缆选型和安装(包括额定电流)见EN50355和EN50343。
电缆截面积选择(包括减少环境温度和安装类型因素)见EN50343。
EN50264中涉及的特殊测试方法见EN50305。
EN50264-2-1中的电缆可用于EN50264-2-2组成多芯电缆。
第1部分“一般要求”对EN50264做出了更详尽的介绍,应与第2-1部分一起使用。
1.范围E N50264-2-1规定了对下列型号及额定电压下的单芯电缆的要求、结构及尺寸。
●0.6/1kV无屏蔽、无护套电缆(1mm2到400mm2)●1.8/3kV无屏蔽、无护套电缆(1.5mm2到400mm2)●1.8/3kV无屏蔽、护套电缆(1.5mm2到400mm2)●3.6/6kV无屏蔽、护套电缆(2.5mm2到400mm2)所有的电缆采用EN60228规定的5类镀锡铜线,且为无卤绝缘和无卤护套。
这些电缆用于铁路机车固定线缆,或者操作时会碰到极限挠度的布线。
要求连续导线温度不超过90℃,在5秒内,短路条件下最大温度为200℃。
发生火灾时,电缆在最大允许火焰传播(火焰蔓延),最大允许烟雾及有毒气体释放等方面具有特殊的性能。
EN50264-2-1应与第1部分“一般要求”一起使用。
2.引用标准以下引用的文件对于实施本文件是必不可少的。
凡注日期的引用文件,最新版不适用于本标准。
不注日期的引用文件,其最新版(包括任何修订)适用于本标准。
EN10002-1金属材料—拉伸测试—室温条件下试验方法EN50264-1:2008铁路应用—具有特殊防火性能铁路机车车辆电力和控制电缆第1部分:一般要求EN50266-2-4电缆在火焰条件下的通用试验方法—垂直安装的成束电线或电缆的垂直火焰蔓延试验第2-4部分:试验步骤—C类EN50266-2-5电缆在火焰条件下的通用试验方法—垂直安装的成束电线或电缆的垂直火焰蔓延试验第2-5部分:试验步骤—小电缆—D类EN50305:2002铁路应用-具有特殊防火性能铁路机车车辆电缆-测试方法EN60228电缆的导体(IEC60228)EN60811-1-3:1995电缆和光缆绝缘和护套材料的—通用试验方法第1-3部分:一般应用—密度测定方法—吸水试验—回缩试验(IEC60811-1-3:1993)EN60811-1-2:1995电缆绝缘和护套材料的—通用试验方法第1-2部分:一般应用—热老化试验(IEC60811-1-2:1985+A1:1989+corr.May1986)EN60811-1-3:1995电缆和光缆绝缘和护套材料的—通用试验方法第1-3部分:一般应用—密度测定方法—吸水试验—回缩试验(IEC60811-1-3:1993EN60811-1-4:1995电缆和光缆绝缘和护套材料的—通用试验方法第1-4部分:一般应用—低温试验(IEC60811-1-4:1985+A11993+corr.May1986)EN60811-2-1:1998电缆和光缆绝缘和护套材料的—通用试验方法第2-1部分:一般应用—橡胶混合物测试方法—耐臭氧试验、热延伸试验和浸矿物油试验(IEC60811-2-1:1998)EN61034-2电缆在特定条件下燃烧的烟密度测定第2部分:试验步骤和要求(IEC61034-2)HD308电缆与软线的芯线标记3.定义EN50264-1的定义适用于本标准。
电线电缆规格型号表名称规格型号单芯塑料电缆 1.5mm²VV-B2.5mm²VV-B4mm²VV-B6mm²VV-B10mm²VV-B16mm²VV-B25mm²VV-B35mm²VV-B50mm²VV-B70mm²VV-B95mm²VV-B 多芯塑料电缆2x1.5mm²VV22-B2x2.5mm²VV22-B3x1.5mm²VV22-B3x2.5mm²VV22-B4x1.5mm²VV22-B4x2.5mm²VV22-B4x4mm²VV22-B4x6mm²VV22-B5x1.5mm²VV22-B5x2.5mm²VV22-B5x4mm²VV22-B7x1.5mm²VV22-B 7x2.5mm²VV22-B 7x4mm²VV22-B 7x6mm²VV22-B 10x1.5mm²VV22-B 10x2.5mm²VV22-B 10x4mm²VV22-B 10x6mm²VV22-B 12x1.5mm²VV22-B 12x2.5mm²VV22-B 12x4mm²VV22-B铜芯电力电缆25mm²VV2235mm²VV2250mm²VV2270mm²VV2295mm²VV22120mm²VV22150mm²VV22185mm²VV22240mm²VV22300mm²VV22400mm²VV22铝芯电力电缆25mm²VV6235mm²VV6250mm²VV6270mm²VV6295mm²VV62120mm²VV62150mm²VV62185mm²VV62240mm²VV62300mm²VV62400mm²VV62以上为电线电缆的规格型号表。
铁路接触网各种线材(接触线、承力索、供电线)参数一览表一、接触线(1)纯铜接触线(2)银铜合金接触线(3) 镁铜合金接触线二、承力索(1)镁铜合金绞线(2)硬铜绞线简介:承力索,馈线,地线(避雷线)三、供电线接触网用线材,馈线四、铜镁合金软绞线五、铜包钢绞线(来自论文)六、铝包钢芯铝绞线(TB/T2937-1998)七、铝包钢绞线(TB/T2938-1998)八、电气化铁道铜及铜合金接触线(尚未正式公布)1、铜合金类别铜银合金 A铜镁合金(0.2%Mg)L铜镁合金(0.5%Mg)L铜锡合金S2、产品品质类别横向晶粒尺寸MM 含氧量% 一类品质 A ≤0.03 ≤0.0020二类品质 B ≤0.03 ≮0.0020-≤0.0040 三类品质 C ≮0.03 ≤0.0020示例:120MM2铜银合金接触线一类品质为CTHA120A。
3、载流量推荐值4、线胀系数:17*10-61/K5、密度:相差不大6、杨氏模量:均为120GPa.(一)规格与尺寸九、电气化铁道用铜及铜合金绞线(尚未正式公布)1、型号及名称JTXX XX铜绞线JTLXX XX铜镁合金绞线(0.2%镁)JTMXX XX铜镁合金绞线(0.5%镁)示例:标称截面为120MM2、单线19根、单线直径为2.8MM的铜绞线(同心层绕)表示为JT120-19/2.8 TB/TXXXX-200X。
2、规格尺寸及性能十、电气化铁路用铜包钢绞线承力索(河北宝山集团提供)锡铜接触线(住友公司提供)2 主要技术性能和规格图1 接触线截面形状及尺寸示意图2.1 规格及要求:2.1.1 硬拉双沟圆形铜锡合金线,标称截面为120 mm2。
2.1.2 除附图中已给出的尺寸外, 其余详细尺寸均由投标厂家提供:材料应采用(锡含量:0.25~0.35%)铜锡合金制成,并满足表1的电气和机械性能。
2.2 电气和机械性能(见表1)表1。