最新电缆载流量表
- 格式:doc
- 大小:1.10 MB
- 文档页数:17
300V-1000V电缆载流量(本资料选自《电气工程》常用数据速查手册)1)、8.3导线载流量。
450V/750V及以上橡胶绝缘、塑料绝缘电线的载流量。
BVVB型、BLVVB型、RVVB型电线载流量见表8-24。
(2)、450V/750V及以下橡胶绝缘电力电缆的载流量。
通用橡套软电缆的载流量见表8-25。
(3)、0.6/1KV聚氯乙烯绝缘电力电缆的载流量。
0.6/1KV聚氯乙烯绝缘钢带铠装聚氯乙烯护套电力电缆载流量见表8-26。
(4)防火电缆的载流量。
1、阻燃电缆的载流量。
1)B、R系列阻燃电线、电缆的载流量见表8-27。
2)交联聚氯乙烯绝缘阻燃电力电缆的载流量见表8-28、表8-29,短路电流见表8-30。
3)聚氯乙烯绝缘阻燃电力电缆的载流量见表8-31。
(5)耐火电缆的载流量。
1)聚氯乙烯绝缘耐火电缆的载流量见表8-32。
2)BV-105型耐热聚氯乙烯绝缘铜芯电线的载流量见表8-33。
3)BTTQ、BTTVQ系列耐火电缆技术数据见表8-34。
4)BTTZ、BTTVZ系列耐火电缆技术数据见表8-35。
5)NH-YYJV系列耐火电力电缆技术数据见表8-36——8-38。
(6)表8-39。
聚氯乙烯绝缘低烟低卤阻燃电力电缆的载流量。
(7)表8-40。
交联聚氯乙烯绝缘低烟无卤阻燃电力电缆的载流量。
目录表8-24 BVVB型、BLVVB型、RVVB型电线载流量 (5)450V/750V及以下橡胶绝缘电力电缆的载流量 (5)通用橡套软电缆的载流量见表8-25 (5)YQ、YQW、YHQ、型 / A (5)YZ、YZW、YHZ型 / A (5)YC YCW YHC型 / A (6)0.6、1KV聚氯乙烯绝缘电力电缆的载流量 (6)表8.26 VV22、VLV22型聚氯乙烯绝缘钢带铠装聚氯乙烯护套电力电缆载流量。
(6)VV22、VLV22单芯 (7)VV22 (7)VV22、VLV22 3芯 (7)VV22、VLV22 4芯 (8)VV22、VLV22 3+1芯 (8)VV22 5芯 (9)VV22 4+1芯 (9)VV22 (9)3+2芯 (9)防火电缆的载流量 (9)表 8-27 B、R系列阻燃电线电缆的载流量 (10)ZR-BV 300/500V (10)ZR-BV 450/750V (10)ZR-BV 450/750 (11)ZRZR-BVVB 300/500V (11)ZR-BVR 450/750V (11)ZR-BVR 450/750V (11)ZR-BV 300/500 (11)ZR-BVV 300/500V (12)ZR-RVV 300/300V (12)ZR-RVVB 300/300V (12)ZR-RVV 300/500V (12)ZR-RVVB300/500V (13)ZR-RVS (13)300/300V (13)ZR-RVS (13)300/300V (13)2)交联聚氯乙烯绝缘电力电缆的载流量见表8-28、表8-29,短路电流见表8-30 (13)表8-28 交联聚氯乙烯绝缘阻燃电力电缆的载流量 (13)ZR-YJV 0.6/1kv (13)ZR-YJV 0.6/1kv (16)表8-29 高压交联聚氯乙烯绝缘阻燃电力电缆的载流量 (20)ZR-YJV、ZR-YJLV (20)ZR-YJV22、 ZR-YJLV22 (21)ZR-YJV、 ZR-YJLV (22)表8-30 交联电缆导体短路电流(短路时间为1S) (23)450V/750V及以下橡胶绝缘电力电缆的载流量0.6、1KV聚氯乙烯绝缘电力电缆的载流量表8.26 VV22、VLV22型聚氯乙烯绝缘钢带铠装聚氯乙烯护套电力电缆载流量。
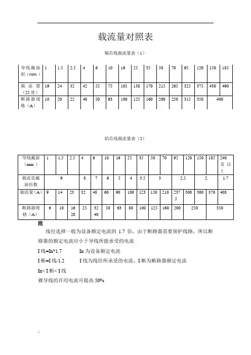
载流量对照表铜芯线载流量表(1)铝芯线载流量表(2)线径选择一般为设备额定电流的1.7倍,由于断路器需要保护线路,所以断路器的额定电流应小于导线所能承受的电流I线=In*1.7 In为设备额定电流I断=I线/1.2 I线为线径所承受的电流,I断为断路器额定电流In< I断< I线裸导线的许用电流可提高50%(I总电流)计算公式=P功率/U电压/cosθ功率因素0.8~0.85(R总电阻)计算公式= ρ导体电阻率*L线长/线截面积( ρ铜芯电缆电阻):0.0174每米(ρ铝芯电缆电阻):0.0283每米一、塑料绝绝电线在空气中穿管敷设的载流量(包括阻燃,耐火,不燃烧型)2,500V单芯聚氯乙烯绝缘电线穿管时在空气中敷设长期连续负荷准许载流量,适用型号,BV,,BLV导体线芯最高准许工温度;65℃113,,500V单芯聚氯乙烯绝缘电线穿塑管时在空敷设长期连续负荷准许载流量,适用型号,BV,,BLV,慢电线芯最高准许工作温度;65℃℃周围环境温度;25℃空气中敷设,长连许负荷准许载流量,适用型号;RV.,RVV,RVB,RVS,RFB,RFS,BVV,,BLVV,导电线芯最高准许工作温度;65℃二、0.6/1kv聚氯乙烯绝缘电力电缆载流量[阻燃耐火型亦参照此表] 适用型号vv.vLv导电线芯最高工作温度70℃空气温度30℃土攘温度25℃2.适用型号vv.vLv…导电线芯最高工温度70℃空气温度30℃。
土壤温度25℃土壤热阻系数1。
2℃m/w四、0.6/1kv 聚氯乙烯绝缘及护套电力电缆载流量 适用型号vv 22…VLV22…导导电线芯最高准许工作温度70℃。
空气温30℃。
土壤温度25℃ 土壤热阻系数;1.2℃五、0.6/1kv3+1芯或4芯聚氯乙烯绝缘及护套电力电缆载流量 适用型号vv 22,,vlv 22导电线芯最高准许工作温度70℃ 空气温度30℃,,土壤温度25℃六、0.6/1kv3+2芯4+1芯5芯聚氯乙烯绝缘电力电缆载流量1,,适用型号VV,,VLV,,VV22,,VLV22,,,导电线芯最高工作温度70℃2,空气温度30℃,土壤温度25℃,[该产品的阻燃,耐火产品的载流量参照此计算徝选择] 适用型号;YJV,YJLV,YJY,,[包括钢带凯装]导体最高准许工作温度90℃空气温度30℃,,土壤温度25℃土壤热阻系数;1.2℃,[该产品的阻燃,耐火产品的载流量参照此计算徝选择] 3+1,3+2,4+1,4芯,5芯电缆载流量,适用型号;yjlv,yjly(包括钢带,铠装)导体最高准许工作温度;90℃空气温度;30℃土壤温度;25℃九、单芯铜导体交联聚乙烯绝缘电力电缆载流量适用型号,YJV,,,YJV22,,,,YJY,,YjV32,,YJV33,,42,,,43十、单芯铜导体交联聚氯乙烯绝缘电力电缆载流量,适用型号,YJV,YJY,YJV22,电压等级,6/6,,6/10kv适用型号,yjv,,yjy,,,yjv22,,适用型号,YJLV,YJL Y,JLV22,YJL Y22,十三、单芯铝导体交联聚氯乙烯绝缘电力电缆载流量,适用型号,YJLV,,YJL Y,YJLV22,,YJL Y227 十四、单芯铝导体交联聚氯乙烯绝缘电力电缆栽流量,适用型号,YJLV,YJL Y,,YJLV22,,YJLY22,适用型号,YJV,YJY,YJV22,YJY22电压等级,3.6/6KV适用型号,YJV,YJY,YJV22,YJY228 十七、三芯铝导体交联聚乙烯绝缘电力电缆载流量,适用型号,YJLV,,YJL Y,,YJLV22,,YJL Y22适用型号,YJLV,,YJL Y,,YJLV22,,YJL Y22,十九、三芯铝导体交联聚乙烯绝缘电力电缆载流量,适用型号,YJLV,YJL Y,YJLV22,YJL Y221,1KV及以下架空绝缘电缆在空气中敷设时栽流量,适用型号,JKV,,JKLV,,JKY,,JKL Y,导电线芯最高准许温度70℃,二十一、10KV,,35KV,交联聚氯乙烯绝缘架空电缆在空气中的载流量,。
电线电缆载流量表(全)本文介绍了8.7/10(8.7/15)KV和26/35KV交联聚乙烯绝缘电力电缆的允许持续载流量表。
其中,电缆型号包括YJV、YJLV、YJY、YJLY、YJV22、YJLV22、YJV23、YJLV23、JYV32、YJLV32、YJV33和YJLV33.不同型号的电缆可敷设在空气中或土壤中,单芯或三芯排列,导体材质为铜或铝。
电缆的截面面积从25mm2到1200mm2不等,可适用于不同的环境温度和额定电压。
以下是详细的载流量表:8.7/10(8.7/15)KV电缆载流量表:26/35KV电缆载流量表:JYV32、YJLV32、YJV33、YJLV33是不同型号的电缆,可用于不同的敷设环境和电流承载能力。
这些电缆由铜或铝制成,可在空气中或土壤中使用。
其中,三芯电缆适用于空气中的敷设,而单芯电缆适用于土壤中的敷设。
此外,YJV、YJLV、YJY、YJLY是另一组电缆型号,适用于26/35KV的电压等级。
这些电缆的截面积不同,可用于不同的电流承载能力和环境温度。
在选择电缆时,需要考虑敷设环境和电流承载能力。
BVR电线可用于空气敷设长期允许的载流量A,而橡皮绝缘电线和聚氯乙烯绝缘电线则适用于不同的导线面积和电流承载能力。
BXF、BXFRBLXFBV、BVRBLV等型号的电线也可根据实际需求进行选择。
总之,选择适合的电缆和电线是非常重要的,需要根据实际需求和敷设环境进行选择。
标准文案和实用文档可作为参考,但最终的选择应该基于实际情况。
以下是YJV、YJLV电缆的载流量表。
表格中列出了不同铜电线型号的单心载流量、两心载流量、三心载流量和四心载流量。
同时,我们还提供了不同电线规格下的电压降。
这些数据可以帮助您选择合适的电缆规格,以满足您的需求。
单心载流量:根据表格,我们可以看出,YJV、YJLV电缆的单心载流量在不同电线型号下有所不同。
例如,VVYJV电线型号下的单心载流量为25A,而YJV电线型号下的单心载流量为16A。
1.表8-24 BVVB型、BLVVB型、RVVB型电线载流量
2.、1KV聚氯乙烯绝缘电力电缆的载流量
铠装VV22、VLV22型电力电缆载流量
载流量计算条件
1. 线芯长期工作温度:70。
;
2. 环境温度:25°;
3. 埋地深度:1000mm;
4. 土壤热阻系数:1.0m.°C/W;
5. 线芯轴间距离:S=2D
注:单芯电缆铠装应采用非磁性材料或采用减少磁耗的结构
3.防火电缆的载流量
阻燃电线电缆的载流量
1B、R系列阻燃电线电缆的载流量
交联聚氯乙烯绝缘阻燃电力电缆的载流量
载流量计算条件
环境温度:25°C; 2、土壤热阻系数;P=1.0°C、m/W; 3.埋地敷设深度:1000mm; 4. 导体温度:导体长期运行温度为90°C; 5.电缆敷设轴间中心距S=2D
2ZR-YJV 1kV
高压交联聚氯乙烯绝缘阻燃电力电缆的载流量3ZR-YJV、ZR-YJLV
4ZR-YJV22、ZR-YJLV22
5ZR-YJV、ZR-YJLV
交联电缆导体短路电流(短路时间为1S)。
载流量对照表铜芯线载流量表(1)铝芯线载流量表(2)注线径选择一般为设备额定电流的1.7倍,由于断路器需要保护线路,所以断路器的额定电流应小于导线所能承受的电流I线=In*1.7 In为设备额定电流I断=I线/1.2 I线为线径所承受的电流,I断为断路器额定电流In< I断< I线裸导线的许用电流可提高50%(I总电流)计算公式=P功率/U电压/cosθ功率因素0.8~0.85(R总电阻)计算公式= ρ导体电阻率*L线长/线截面积( ρ铜芯电缆电阻):0.0174每米(ρ铝芯电缆电阻):0.0283每米一、塑料绝绝电线在空气中穿管敷设的载流量(包括阻燃,耐火,不燃烧型)2,500V单芯聚氯乙烯绝缘电线穿管时在空气中敷设长期连续负荷准许载流量,适用型号,BV,,BLV导体线芯最高准许工温度;65℃11 3,,500V单芯聚氯乙烯绝缘电线穿塑管时在空敷设长期连续负荷准许载流量,适用型号,BV,,BLV,慢电线芯最高准许工作温度;65℃℃周围环境温度;25℃4,聚氯乙烯绝缘软线,丁晴聚氯乙烯复合物绝缘软线,聚氯乙烯绝缘聚氯乙烯护套电缆在空气中敷设,长连许负荷准许载流量,适用型号;RV.,RVV,RVB,RVS,RFB,RFS,BVV,,BLVV,导电线芯最高准许工作温度;65℃周围环境温度;25℃适用型号vv.vLv导电线芯最高工作温度70℃空气温度30℃土攘温度25℃2.适用型号vv.vLv …导电线芯最高工温度70℃ 空气温度30℃。
土壤温度25℃ 土壤热阻系数1。
2℃m/w四、0.6/1kv 聚氯乙烯绝缘及护套电力电缆载流量 适用型号vv 22…VLV22…导导电线芯最高准许工作温度70℃。
空气温30℃。
土壤温度25℃ 土壤热阻系数;1.2℃适用型号vv22,,vlv22导电线芯最高准许工作温度70℃空气温度30℃,,土壤温度25℃土壤热阻系数;1。
2℃1,,适用型号VV,,VLV,,VV22,,VLV22,,,导电线芯最高工作温度70℃2,空气温度30℃,土壤温度25℃土壤热阻系数;1。
最新电线电缆载流量表大全以下是格式正确的文章:0.6/1kV聚氯乙烯绝缘电力电缆载流量(阻燃耐火型亦参照此表)适用型号VV.VLV。
导电线芯最高工作温度70℃,空气温度30℃,土壤温度25℃,土壤热阻系数1.2℃·m/W。
1000m标称截面mm²。
在空气中:一芯铜:24、32、45、56、80、106、143、175、223、___、329、382、445、519、铝:-、25、34、43、61、83、111、133、170、207、254、297、339、392.___:-、21、29、36、51、69、91、111、138、170、182、211、242、298、17、23、31、39、56、76、102、122、154、191、233、270、313、360.___:-、18、24、31、43、59、78、94、122、148、180、207、244、281、34、46、61、75、105、138、180、218、___、310、369、416、474、530.在地下:___:-、35、47、58、81、106、138、169、196、239、283、323、364、408.___:-、27、35、47、58、80、105、133、164、201、244、280、320、355、407、铝:-、28、36、45、62、82、104、127、159、186、210、238、272、322、22、30、39、49、68、89、107、131、159、195、231、262、300、337.___:-、23、31、38、52、69、83、101、123、150、178、201、231、262、240、300、400、500、630、800、609、705、832、965、472、546、641、753、-、-、-、-、-、-、-、-、-、-、-、429、477、-、-、-、-、334、376、-、-、-、-、617、700、820、929、106、122、347、474、530、629、710、813、938、-、-、-、-、-、-、-、-、-、-、-、390、451、-、-、-、-、301.改写后的文章:本文介绍了0.6/1kV聚氯乙烯绝缘电力电缆的载流量,阻燃耐火型电缆也可参考此表。
此文档下载后即可编辑0.6/1kv聚氯乙烯绝缘电力电缆载流量[阻燃耐火型亦参照此表] 适用型号vv.vLv导电线芯最高工作温度70℃空气温度30℃土攘温度25℃土壤热阻系数1。
2℃.m/w1000/m标称截面㎜2在空气中在地下一芯二芯三芯一芯二芯三芯铜铝铜铝铜铝铜铝铜铝铜铝1.5 24 - 20 - 17 - 34 - 27 - 22 -2.5 32 25 28 21 23 18 46 35 35 28 30 23 4 45 34 36 29 31 24 61 47 47 36 39 31 6 56 43 47 36 39 31 75 58 58 45 49 38 10 80 61 66 51 56 43 10581 80 62 68 520.6/1kv3+1芯或4芯聚氯乙烯绝缘及护套电力电缆的载流量2.适用型号vv.vLv…导电线芯最高工温度70℃空气温度30℃。
土壤温度25℃土壤热阻系数1。
2℃m/w适用型号vv22…VLV22…导导电线芯最高准许工作温度70℃。
空气温30℃。
土壤温度25℃土壤热阻系数;1.2℃适用型号vv 22,,vlv 22导电线芯最高准许工作温度70℃ 空气温度30℃,,土壤温度25℃ 土壤热阻系数;1。
2℃三 0.6/1kv3+2芯4+1芯5芯聚氯乙烯绝缘电力电缆载流量 1,,适用型号VV,,VLV,,VV 22,,VLV 22,,,导电线芯最高工作温度70℃ 2,空气温度30℃,土壤温度25℃ 土壤热阻系数;1。
2℃适用型号,YJV,,,YJV 22,,,,YJY,,YjV 32,,YJV 33,,42,,,43 电缆电压等级3.6/6kv五,0.6/1kv.-1.8/3kv 硅烷交联聚乙烯绝缘电力电缆载流量 ,[该产品的阻燃,耐火产品的载流量参照此计算徝选择] 1,1-3芯电缆的载流量见表7适用型号;YJV,YJLV,YJY,,[包括钢带凯装] 导体最高准许工作温度90℃ 空气温度30℃,,土壤温度25℃ 土壤热阻系数;1.2℃六,3+1,3+2,4+1,4芯,5芯电缆载流量,适用型号;yjv,,yjy,yjlv,yjly(包括钢带,铠装)导体最高准许工作温度;90℃空气温度;30℃土壤温度;25℃土壤热阻系数;1.2℃注,表中给出计算值是铝芯载流量,铜芯栽流量为铝芯的1.29倍,七,单芯铜导体交联聚氯乙烯绝缘电力电缆载流量, 适用型号,YJV,YJY,YJV 22, 电压等级,6/6,,6/10kv适用型号,yjv,,yjy,,,yjv 22,, 电压等级,8。
一、以下是一些常见的国标电缆载流量对照表,仅供参考。
请注意,不同地区和应用可能存在差异,因此在选择电缆时应遵循具体的规范和标准。
1. 铜芯电缆载流量对照表(单位:安培)· 1.5平方毫米:13A· 2.5平方毫米:18A·4平方毫米:25A·6平方毫米:32A·10平方毫米:45A·16平方毫米:60A·25平方毫米:80A·35平方毫米:100A·50平方毫米:125A·70平方毫米:155A·95平方毫米:185A·120平方毫米:220A2. 铝芯电缆载流量对照表(单位:安培)·16平方毫米:48A·25平方毫米:65A·35平方毫米:85A·50平方毫米:105A·70平方毫米:130A·95平方毫米:160A·120平方毫米:190A·150平方毫米:220A·185平方毫米:255A·240平方毫米:300A·300平方毫米:355A·400平方毫米:420A以上仅为一些常见电缆规格的载流量对照表,实际选择和应用时请参考相关的国家标准和电气设计规范,并根据具体情况进行合理选择。
二、当涉及到电缆的设计和选择时,一些常用的公式可以帮助我们计算和确定所需的参数。
以下是几个常见的电缆计算公式:1. 电流容量计算公式:电流容量(A)= (K × I) / √(d^2 + D^2)其中,K 是导体的材料特性系数(如铜、铝等),I 是要传输的电流(安培),d 是导体直径(mm),D 是绝缘外直径(mm)。
2. 电阻计算公式:电阻(Ω/km)= (R × L)/ A其中,R 是电阻率(Ω·mm²/m),L 是电缆长度(m),A 是导体截面积(mm²)。
三相电缆载流量国标对照表一、0.6/1kV铜芯聚乙烯绝缘电力电缆该电缆适用于额定电压0.6/1kV以下的电力系统中,主要用于输送电能。
根据国标,该电缆的载流量应符合以下要求:1. 截面积不大于25mm²的电缆,载流量为63A;2. 截面积大于25mm²且不大于95mm²的电缆,载流量为79A;3. 截面积大于95mm²且不大于185mm²的电缆,载流量为97A;4. 截面积大于185mm²的电缆,载流量为114A。
二、3.6/6kV铜芯交联聚乙烯绝缘电力电缆该电缆适用于额定电压 3.6/6kV以下的电力系统中,通常用于输送中等电压的电能。
根据国标,该电缆的载流量应符合以下要求:1. 截面积不大于25mm²的电缆,载流量为47A;2. 截面积大于25mm²且不大于95mm²的电缆,载流量为58A;3. 截面积大于95mm²且不大于185mm²的电缆,载流量为72A;4. 截面积大于185mm²的电缆,载流量为86A。
三、6/10kV铜芯交联聚乙烯绝缘电力电缆该电缆适用于额定电压6/10kV以下的电力系统中,常用于输送中等电压的电能。
根据国标,该电缆的载流量应符合以下要求:1. 截面积不大于25mm²的电缆,载流量为42A;2. 截面积大于25mm²且不大于95mm²的电缆,载流量为51A;3. 截面积大于95mm²且不大于185mm²的电缆,载流量为64A;4. 截面积大于185mm²的电缆,载流量为76A。
四、8.7/15kV铜芯交联聚乙烯绝缘电力电缆该电缆适用于额定电压8.7/15kV以下的电力系统中,通常用于输送较高电压的电能。
根据国标,该电缆的载流量应符合以下要求:1. 截面积不大于25mm²的电缆,载流量为37A;2. 截面积大于25mm²且不大于95mm²的电缆,载流量为44A;3. 截面积大于95mm²且不大于185mm²的电缆,载流量为55A;4. 截面积大于185mm²的电缆,载流量为66A。
电线电缆载流量对照表 Document serial number【NL89WT-NY98YT-NC8CB-NNUUT-NUT108】
电线电缆负载电流值
电工常识-电线负载电流值
举例说明:
1、每台计算机耗电约为200~300W(约1~,那么10台计算机就需要一条平方毫米的铜芯电线供电,否则可能发生火灾。
2、大3匹空调耗电约为3000W(约14A),那么1台空调就需要单独的一条平方毫米的铜芯电线供电。
3、现在的住房进线一般是4平方毫米的铜线,因此,同时开启的家用电器不得超过25A(即5500瓦),有人将房屋内的电线更换成6平方毫米的铜线是没有用处的,因为进入电表的电线是4平方毫米的。
4、早期的住房(15年前) 进线一般是平方毫米的铝线,因此,同时开启的家用电器不得超过13A(即2800瓦)。
5、耗电量比较大的家用电器是:空调5A匹),电热水器10A,微波炉4A,电饭煲4A,洗碗机8A,带烘干功能的洗衣机10A,电开水器4A
在电源引起的火灾中,有90%是由于接头发热造成的,因此所有的接头均要焊接,不能焊接的接触器件5~10年必须更换(比如插座、空气开关等)。