最新常用电缆电缆载流量表
- 格式:doc
- 大小:717.00 KB
- 文档页数:22
电缆载流量对照表电缆载流量口决:估算口诀:二点五下乘以九,往上减一顺号走。
三十五乘三点五,双双成组减点五。
条件有变加折算,高温九折铜升级。
穿管根数二三四,八七六折满载流。
说明:(1)本节口诀对各种绝缘线(橡皮和塑料绝缘线)的载流量(安全电流)不是直接指出,而是”截面乘上一定的倍数”来表示,通过心算而得。
由表5 3可以看出:倍数随截面的增大而减小。
“二点五下乘以九,往上减一顺号走”说的是2.5mm’及以下的各种截面铝芯绝缘线,其载流量约为截面数的9倍。
如2.5mm’导线,载流量为2.5×9=22.5(A)。
从4mm’及以上导线的载流量和截面数的倍数关系是顺着线号往上排,倍数逐次减l,即4×8、6×7、10×6、16×5、25×4。
“三十五乘三点五,双双成组减点五”,说的是35mm”的导线载流量为截面数的3.5倍,即35×3.5=122.5(A)。
从50mm’最新范本,供参考!及以上的导线,其载流量与截面数之间的倍数关系变为两个两个线号成一组,倍数依次减0.5。
即50、70mm’导线的载流量为截面数的3倍;95、120mm”导线载流量是其截面积数的2.5倍,依次类推。
“条件有变加折算,高温九折铜升级”。
上述口诀是铝芯绝缘线、明敷在环境温度25℃的条件下而定的。
若铝芯绝缘线明敷在环境温度长期高于25℃的地区,导线载流量可按上述口诀计算方法算出,然后再打九折即可;当使用的不是铝线而是铜芯绝缘线,它的载流量要比同规格铝线略大一些,可按上述口诀方法算出比铝线加大一个线号的载流量。
如16mm’铜线的载流量,可按25mm2铝线计算。
计算电缆载流量选择电缆(根据电流选择电缆):导线的载流量与导线截面有关,也与导线的材料、型号、敷设方法以及环境温度等有关,影响的因素较多,计算也较复杂。
各种导线的载流量通常可以从手册中查找。
但利用口诀再配合一些简单的心算,便可直接算出,不必查1. 口诀铝芯绝缘线载流量与截面的倍数关系10下五,100上二,25、35,四、三界,.70、95,两倍半。
载流量对照表铜芯线载流量表(1)铝芯线载流量表(2)线径选择一般为设备额定电流的1.7倍,由于断路器需要保护线路,所以断路器的额定电流应小于导线所能承受的电流I线=In*1.7 In为设备额定电流I断=I线/1.2 I线为线径所承受的电流,I断为断路器额定电流In< I断< I线裸导线的许用电流可提高50%(I总电流)计算公式=P功率/U电压/cosθ功率因素0.8~0.85(R总电阻)计算公式= ρ导体电阻率*L线长/线截面积( ρ铜芯电缆电阻):0.0174每米(ρ铝芯电缆电阻):0.0283每米一、塑料绝绝电线在空气中穿管敷设的载流量(包括阻燃,耐火,不燃烧型)2,500V单芯聚氯乙烯绝缘电线穿管时在空气中敷设长期连续负荷准许载流量,适用型号,BV,,BLV导体线芯最高准许工温度;65℃113,,500V单芯聚氯乙烯绝缘电线穿塑管时在空敷设长期连续负荷准许载流量,适用型号,BV,,BLV,慢电线芯最高准许工作温度;65℃℃周围环境温度;25℃空气中敷设,长连许负荷准许载流量,适用型号;RV.,RVV,RVB,RVS,RFB,RFS,BVV,,BLVV,导电线芯最高准许工作温度;65℃二、0.6/1kv聚氯乙烯绝缘电力电缆载流量[阻燃耐火型亦参照此表] 适用型号vv.vLv导电线芯最高工作温度70℃空气温度30℃土攘温度25℃2.适用型号vv.vLv…导电线芯最高工温度70℃空气温度30℃。
土壤温度25℃土壤热阻系数1。
2℃m/w四、0.6/1kv 聚氯乙烯绝缘及护套电力电缆载流量 适用型号vv 22…VLV22…导导电线芯最高准许工作温度70℃。
空气温30℃。
土壤温度25℃ 土壤热阻系数;1.2℃五、0.6/1kv3+1芯或4芯聚氯乙烯绝缘及护套电力电缆载流量 适用型号vv 22,,vlv 22导电线芯最高准许工作温度70℃ 空气温度30℃,,土壤温度25℃六、0.6/1kv3+2芯4+1芯5芯聚氯乙烯绝缘电力电缆载流量1,,适用型号VV,,VLV,,VV22,,VLV22,,,导电线芯最高工作温度70℃2,空气温度30℃,土壤温度25℃,[该产品的阻燃,耐火产品的载流量参照此计算徝选择] 适用型号;YJV,YJLV,YJY,,[包括钢带凯装]导体最高准许工作温度90℃空气温度30℃,,土壤温度25℃土壤热阻系数;1.2℃,[该产品的阻燃,耐火产品的载流量参照此计算徝选择] 3+1,3+2,4+1,4芯,5芯电缆载流量,适用型号;yjlv,yjly(包括钢带,铠装)导体最高准许工作温度;90℃空气温度;30℃土壤温度;25℃九、单芯铜导体交联聚乙烯绝缘电力电缆载流量适用型号,YJV,,,YJV22,,,,YJY,,YjV32,,YJV33,,42,,,43十、单芯铜导体交联聚氯乙烯绝缘电力电缆载流量,适用型号,YJV,YJY,YJV22,电压等级,6/6,,6/10kv适用型号,yjv,,yjy,,,yjv22,,适用型号,YJLV,YJL Y,JLV22,YJL Y22,十三、单芯铝导体交联聚氯乙烯绝缘电力电缆载流量,适用型号,YJLV,,YJL Y,YJLV22,,YJL Y227 十四、单芯铝导体交联聚氯乙烯绝缘电力电缆栽流量,适用型号,YJLV,YJL Y,,YJLV22,,YJLY22,适用型号,YJV,YJY,YJV22,YJY22电压等级,3.6/6KV适用型号,YJV,YJY,YJV22,YJY228 十七、三芯铝导体交联聚乙烯绝缘电力电缆载流量,适用型号,YJLV,,YJL Y,,YJLV22,,YJL Y22适用型号,YJLV,,YJL Y,,YJLV22,,YJL Y22,十九、三芯铝导体交联聚乙烯绝缘电力电缆载流量,适用型号,YJLV,YJL Y,YJLV22,YJL Y221,1KV及以下架空绝缘电缆在空气中敷设时栽流量,适用型号,JKV,,JKLV,,JKY,,JKL Y,导电线芯最高准许温度70℃,二十一、10KV,,35KV,交联聚氯乙烯绝缘架空电缆在空气中的载流量,。
1.表8-24 BVVB型、BLVVB型、RVVB型电线载流量
2.、1KV聚氯乙烯绝缘电力电缆的载流量
铠装VV22、VLV22型电力电缆载流量
载流量计算条件
1. 线芯长期工作温度:70。
;
2. 环境温度:25°;
3. 埋地深度:1000mm;
4. 土壤热阻系数:1.0m.°C/W;
5. 线芯轴间距离:S=2D
注:单芯电缆铠装应采用非磁性材料或采用减少磁耗的结构
3.防火电缆的载流量
阻燃电线电缆的载流量
1B、R系列阻燃电线电缆的载流量
交联聚氯乙烯绝缘阻燃电力电缆的载流量
载流量计算条件
环境温度:25°C; 2、土壤热阻系数;P=1.0°C、m/W; 3.埋地敷设深度:1000mm; 4. 导体温度:导体长期运行温度为90°C; 5.电缆敷设轴间中心距S=2D
2ZR-YJV 1kV
高压交联聚氯乙烯绝缘阻燃电力电缆的载流量3ZR-YJV、ZR-YJLV
4ZR-YJV22、ZR-YJLV22
5ZR-YJV、ZR-YJLV
交联电缆导体短路电流(短路时间为1S)。
300V/1000V电缆载流量现在时刻:13:10:25电气工程关键数据,300V/1000V电缆载流量。
2021年9月15日制作。
现将常用各种导线平安载流量上传互联网,以供同行们在设计、使用和学习中参考、查阅。
本资料选自?电气工程?常用数据速查手册。
由白桂欣主编〔1〕、8.3导线载流量。
450V/750V及以上橡胶绝缘、塑料绝缘电线的载流量。
BVVB型、BLVVB型、RVVB型电线载流量见表8-24。
〔2〕、450V/750V及以下橡胶绝缘电力电缆的载流量。
通用橡套软电缆的载流量见表8-25。
〔3〕、0.6/1KV聚氯乙烯绝缘电力电缆的载流量。
0.6/1KV聚氯乙烯绝缘钢带铠装聚氯乙烯护套电力电缆载流量见表8-26。
〔4〕防火电缆的载流量。
1、阻燃电缆的载流量。
1〕B、R系列阻燃电线、电缆的载流量见表8-27。
2〕交联聚氯乙烯绝缘阻燃电力电缆的载流量见表8-28、表8-29,短路电流见表8-30。
3〕聚氯乙烯绝缘阻燃电力电缆的载流量见表8-31。
〔5〕耐火电缆的载流量。
1〕聚氯乙烯绝缘耐火电缆的载流量见表8-32。
2〕BV-105型耐热聚氯乙烯绝缘铜芯电线的载流量见表8-33。
3〕BTTQ、BTTVQ系列耐火电缆技术数据见表8-34。
4〕BTTZ、BTTVZ系列耐火电缆技术数据见表8-35。
5〕NH-YYJV系列耐火电力电缆技术数据见表8-36——8-38。
〔6〕表8-39。
聚氯乙烯绝缘低烟低卤阻燃电力电缆的载流量。
〔7〕表8-40。
交联聚氯乙烯绝缘低烟无卤阻燃电力电缆的载流量。
表8-24 BVVB型、BLVVB型、RVVB型电线血流量型号截面积/mm平方导体种类参考外径/mm20°时最大70°时最小25°C空气敷成品参考质6 52 48 44 41 51 47 44 40 43 40 37 34 44 41 38 3410 57 70 64 59 74 69 64 58 63 58 54 49 63 58 54 4916 112 104 96 88 98 91 84 77 84 78 72 66 84 78 72 6625 148 138 128 117 135 126 116 106 115 107 99 90 116 108 100 9135 183 171 158 144 167 156 144 132 142 132 122 112 143 133 123 11350 226 211 195 178 208 194 179 164 176 164 152 139 177 165 153 14070 289 270 249 228 259 242 224 204 224 209 193 177 224 209 193 17795 353 330 305 279 318 297 275 251 273 255 236 215 273 255 236 215120 415 388 358 328 371 346 320 293 316 295 273 249 316 295 273 249 注: 1 中性线截面面积同主线芯面积。
最新电线电缆载流量表大全以下是格式正确的文章:0.6/1kV聚氯乙烯绝缘电力电缆载流量(阻燃耐火型亦参照此表)适用型号VV.VLV。
导电线芯最高工作温度70℃,空气温度30℃,土壤温度25℃,土壤热阻系数1.2℃·m/W。
1000m标称截面mm²。
在空气中:一芯铜:24、32、45、56、80、106、143、175、223、___、329、382、445、519、铝:-、25、34、43、61、83、111、133、170、207、254、297、339、392.___:-、21、29、36、51、69、91、111、138、170、182、211、242、298、17、23、31、39、56、76、102、122、154、191、233、270、313、360.___:-、18、24、31、43、59、78、94、122、148、180、207、244、281、34、46、61、75、105、138、180、218、___、310、369、416、474、530.在地下:___:-、35、47、58、81、106、138、169、196、239、283、323、364、408.___:-、27、35、47、58、80、105、133、164、201、244、280、320、355、407、铝:-、28、36、45、62、82、104、127、159、186、210、238、272、322、22、30、39、49、68、89、107、131、159、195、231、262、300、337.___:-、23、31、38、52、69、83、101、123、150、178、201、231、262、240、300、400、500、630、800、609、705、832、965、472、546、641、753、-、-、-、-、-、-、-、-、-、-、-、429、477、-、-、-、-、334、376、-、-、-、-、617、700、820、929、106、122、347、474、530、629、710、813、938、-、-、-、-、-、-、-、-、-、-、-、390、451、-、-、-、-、301.改写后的文章:本文介绍了0.6/1kV聚氯乙烯绝缘电力电缆的载流量,阻燃耐火型电缆也可参考此表。
常用电缆载流表大全,全面汇总,值得收藏!关于电线电缆的载流情况,一直都是电力人员讨论的对象,虽然我们是做弱电的,但是在项目中时常也遇到关于供电电缆的载流计算,本期我们来做个总结,详细了解关于各种常用电缆载流量。
01BVVB型、BLVVB型、RVVB型电线载流量02通用橡套软电缆的载流量通用橡套软电缆的载流量见表:031KV聚氯乙烯绝缘电力电缆的载流量1KV聚氯乙烯绝缘电力电缆的载流量VV22、VLV22型聚氯乙烯绝缘钢带铠装聚氯乙烯护套电力电缆载流量。
载流量计算条件1.线芯长期工作温度:70°;2. 环境温度:25° ;3. 埋地深度:1000mm;4. 土壤热阻系数:1.0m.°C/W;5. 线芯轴间距离:S=2D04防火电缆载流量(1)R系列阻燃电线电缆的载流量见表300/500V,300(V)是指电缆能长时间承受的供电电源的上限电压,500V是指电缆能短时间承受的供电电源的电压,保证短时间内不会破坏电缆的绝缘。
此规格适用于单相电压下的电缆。
(2)交联聚氯乙烯绝缘电力电缆的载流量见表与短路电流见表①交联聚氯乙烯绝缘阻燃电力电缆的载流量载流量计算条件A、环境温度:25°C;B、土壤热阻系数;P=1.0°C、m/W;C、埋地敷设深度:1000mm;D、导体温度:导体长期运行温度为90°C;E、电缆敷设轴间中心距 S=2D(3)高压交联聚氯乙烯绝缘阻燃电力电缆的载流量(4)交联电缆导体短路电流(短路时间为1S)所有截流量单位为:A文章来源:弱电行业网,版权归原作者所有,如涉及作品版权问题,请及时与我们联系删除,谢谢!。
电缆载流量对照表大全
最新电缆载流量对照表大全
对用户如何选择哪种电力电缆型号要了解各项参数,下面胜华电气将介绍常见的几种电力电缆载流量,数据仅供参考,具体标准按照各个电缆厂提供数据为准。
一、1KV聚氯乙烯绝缘电力电缆的载流量,常用型号VV22、VLV22型聚氯乙烯绝缘钢带铠装聚氯乙烯护套电力电缆载流量
注:载流量计算条件
1.线芯长期工作温度:70°;
2.环境温度:25°;
3.埋地深度:1000mm;
4.土壤热阻系数:.°C/W;
5.线芯轴间距离:S=2D
二、常见BVVB型、BLVVB型、RVVB型电线载流量
三、通用橡套软电缆的载流量(450V/750V及以下橡胶绝缘电力电缆YQ、YQW、YHQ、YC、YCW、YHC型号的载流量)
注:1中性线截面面积同主线芯面积。
芯电缆中一根线芯不载流时,其流量按2芯电缆数据。
4、阻燃电线电缆的载流量。
1)B、R系列阻燃电线电缆的载流量
更多看下载资料。
5、最经常使用的交联聚氯乙烯绝缘电力电缆的载流量,ZR-YJV电力电缆载流量表更多规格型号下载材料。
六、高压交联聚氯乙烯绝缘阻燃电力电缆的载流量表,ZR-YJV、ZR-YJLV更多多芯载流量请下载资料。
300V-1000V电缆载流量(本资料选自《电气工程》常用数据速查手册)1)、8.3导线载流量。
450V/750V及以上橡胶绝缘、塑料绝缘电线的载流量。
BVVB型、BLVVB型、RVVB型电线载流量见表8-24。
(2)、450V/750V及以下橡胶绝缘电力电缆的载流量。
通用橡套软电缆的载流量见表8-25。
(3)、0.6/1KV聚氯乙烯绝缘电力电缆的载流量。
0.6/1KV聚氯乙烯绝缘钢带铠装聚氯乙烯护套电力电缆载流量见表8-26。
(4)防火电缆的载流量。
1、阻燃电缆的载流量。
1)B、R系列阻燃电线、电缆的载流量见表8-27。
2)交联聚氯乙烯绝缘阻燃电力电缆的载流量见表8-28、表8-29,短路电流见表8-30。
3)聚氯乙烯绝缘阻燃电力电缆的载流量见表8-31。
(5)耐火电缆的载流量。
1)聚氯乙烯绝缘耐火电缆的载流量见表8-32。
2)BV-105型耐热聚氯乙烯绝缘铜芯电线的载流量见表8-33。
3)BTTQ、BTTVQ系列耐火电缆技术数据见表8-34。
4)BTTZ、BTTVZ 系列耐火电缆技术数据见表8-35。
5)NH-YYJV系列耐火电力电缆技术数据见表8-36——8-38。
(6)表8-39。
聚氯乙烯绝缘低烟低卤阻燃电力电缆的载流量。
(7)表8-40。
交联聚氯乙烯绝缘低烟无卤阻燃电力电缆的载流量。
目录表8-24 BVVB型、BLVVB型、RVVB型电线载流量.........................错误!未定义书签。
450V/750V及以下橡胶绝缘电力电缆的载流量............................................错误!未定义书签。
通用橡套软电缆的载流量见表8-25 .......................................................错误!未定义书签。
YQ、YQW、YHQ、型/ A .............................................................错误!未定义书签。
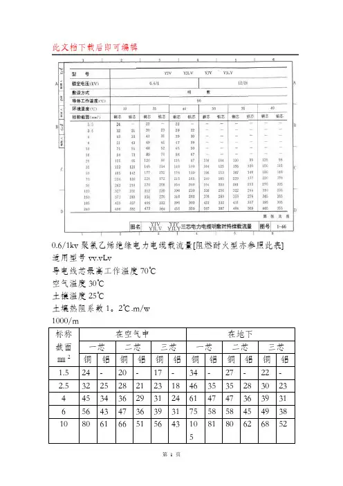
此文档下载后即可编辑0.6/1kv聚氯乙烯绝缘电力电缆载流量[阻燃耐火型亦参照此表] 适用型号vv.vLv导电线芯最高工作温度70℃空气温度30℃土攘温度25℃土壤热阻系数1。
2℃.m/w1000/m标称截面㎜2在空气中在地下一芯二芯三芯一芯二芯三芯铜铝铜铝铜铝铜铝铜铝铜铝1.5 24 - 20 - 17 - 34 - 27 - 22 -2.5 32 25 28 21 23 18 46 35 35 28 30 23 4 45 34 36 29 31 24 61 47 47 36 39 31 6 56 43 47 36 39 31 75 58 58 45 49 38 10 80 61 66 51 56 43 10581 80 62 68 520.6/1kv3+1芯或4芯聚氯乙烯绝缘及护套电力电缆的载流量2.适用型号vv.vLv…导电线芯最高工温度70℃空气温度30℃。
土壤温度25℃土壤热阻系数1。
2℃m/w适用型号vv22…VLV22…导导电线芯最高准许工作温度70℃。
空气温30℃。
土壤温度25℃土壤热阻系数;1.2℃适用型号vv 22,,vlv 22导电线芯最高准许工作温度70℃ 空气温度30℃,,土壤温度25℃ 土壤热阻系数;1。
2℃三 0.6/1kv3+2芯4+1芯5芯聚氯乙烯绝缘电力电缆载流量 1,,适用型号VV,,VLV,,VV 22,,VLV 22,,,导电线芯最高工作温度70℃ 2,空气温度30℃,土壤温度25℃ 土壤热阻系数;1。
2℃适用型号,YJV,,,YJV 22,,,,YJY,,YjV 32,,YJV 33,,42,,,43 电缆电压等级3.6/6kv五,0.6/1kv.-1.8/3kv 硅烷交联聚乙烯绝缘电力电缆载流量 ,[该产品的阻燃,耐火产品的载流量参照此计算徝选择] 1,1-3芯电缆的载流量见表7适用型号;YJV,YJLV,YJY,,[包括钢带凯装] 导体最高准许工作温度90℃ 空气温度30℃,,土壤温度25℃ 土壤热阻系数;1.2℃六,3+1,3+2,4+1,4芯,5芯电缆载流量,适用型号;yjv,,yjy,yjlv,yjly(包括钢带,铠装)导体最高准许工作温度;90℃空气温度;30℃土壤温度;25℃土壤热阻系数;1.2℃注,表中给出计算值是铝芯载流量,铜芯栽流量为铝芯的1.29倍,七,单芯铜导体交联聚氯乙烯绝缘电力电缆载流量, 适用型号,YJV,YJY,YJV 22, 电压等级,6/6,,6/10kv适用型号,yjv,,yjy,,,yjv 22,, 电压等级,8。
一、以下是一些常见的国标电缆载流量对照表,仅供参考。
请注意,不同地区和应用可能存在差异,因此在选择电缆时应遵循具体的规范和标准。
1. 铜芯电缆载流量对照表(单位:安培)· 1.5平方毫米:13A· 2.5平方毫米:18A·4平方毫米:25A·6平方毫米:32A·10平方毫米:45A·16平方毫米:60A·25平方毫米:80A·35平方毫米:100A·50平方毫米:125A·70平方毫米:155A·95平方毫米:185A·120平方毫米:220A2. 铝芯电缆载流量对照表(单位:安培)·16平方毫米:48A·25平方毫米:65A·35平方毫米:85A·50平方毫米:105A·70平方毫米:130A·95平方毫米:160A·120平方毫米:190A·150平方毫米:220A·185平方毫米:255A·240平方毫米:300A·300平方毫米:355A·400平方毫米:420A以上仅为一些常见电缆规格的载流量对照表,实际选择和应用时请参考相关的国家标准和电气设计规范,并根据具体情况进行合理选择。
二、当涉及到电缆的设计和选择时,一些常用的公式可以帮助我们计算和确定所需的参数。
以下是几个常见的电缆计算公式:1. 电流容量计算公式:电流容量(A)= (K × I) / √(d^2 + D^2)其中,K 是导体的材料特性系数(如铜、铝等),I 是要传输的电流(安培),d 是导体直径(mm),D 是绝缘外直径(mm)。
2. 电阻计算公式:电阻(Ω/km)= (R × L)/ A其中,R 是电阻率(Ω·mm²/m),L 是电缆长度(m),A 是导体截面积(mm²)。
1kv聚氯乙烯绝缘电力电缆载流量[阻燃耐火型亦参照此表] 适用型号导电线芯最高工作温度70℃空气温度30℃土攘温度25℃标称截面㎜2在空气中在地下一芯二芯三芯一芯二芯三芯铜铝铜铝铜铝铜铝铜铝铜铝24 - 20 - 17 - 34 - 27 - 22 - 32 25 28 21 23 18 46 35 35 28 30 234 45 34 36 29 31 24 61 47 47 36 39 31 6 56 43 47 36 39 31 75 58 58 45 49 38 10 80 61 66 51 56 43 105 81 80 62 68 52 16 106 83 89 69 76 59 138 106 105 82 89 69 25 143 111 117 91 102 78 180 138 133 104 107 83 35 175 133 143 111 122 94 218 169 164 127 131 101 50 223 170 180 138 154 122 265 196 201 159 159 123 70 265 207 217 170 191 148 310 239 244 186 195 150 95 329 254 238 182 233 180 369 283 280 210 231 178 120 382 297 273 211 270 207 416 323 320 238 262 201 150 445 339 325 242 313 244 474 364 355 272 300 231 185 519 392 370 298 360 281 530 408 407 322 337 2622.适用型号…导电线芯最高工温度70℃空气温度30℃。
土壤温度25℃土壤热阻系数1。
2℃m/w二1kv聚氯乙烯绝缘及护套电力电缆载流量适用型号vv22…VLV22…导导电线芯最高准许工作温度70℃。
常用电缆截面积和载流量对照表随着工业化的发展,电力电缆成为主要的电缆传输载体,联络供电点(变电所或配电箱)与用电设备之间的桥梁,选择合适的电缆是保证负载可靠运行的重要环节。
下面就来介绍下电缆规格型号,以及电缆截面积与载流量对照表。
一、电缆规格型号分类一览表电缆规格型号分类一览表二、电缆截面积和载流量对照表电缆截面积和载流量对照表(一)三、铜缆、VV 电缆、YJV电缆截面积和载流量对照表铜缆、VV电缆、YJV 电缆截面积和载流量对照表(二)四、注意事项:若选择电线电缆的截面积过小而负荷电流超载运行时,则会引起电线电缆表面温升加快,使绝缘层过热,导致事故的发生。
若选择电线电缆的截面积过大,则会造成浪费,使投资增加,因此正确选择电缆载面积显得尤为重要。
1.表8-24 BVVB型、BLVVB型、RVVB型电线载流量
2.0.6、1KV聚氯乙烯绝缘电力电缆的载流量
铠装VV22、VLV22型电力电缆载流量
载流量计算条件
1. 线芯长期工作温度:70。
;
2. 环境温度: 25°;
3. 埋地深度: 1000mm;
4. 土壤热阻系数:1.0m.°C/W;
5. 线芯轴间距离:S=2D
注:单芯电缆铠装应采用非磁性材料或采用减少磁耗的结构
3.防火电缆的载流量
阻燃电线电缆的载流量
1B、R系列阻燃电线电缆的载流量
交联聚氯乙烯绝缘阻燃电力电缆的载流量
载流量计算条件
环境温度:25°C; 2、土壤热阻系数;P=1.0°C、m/W; 3.埋地敷设深度:1000mm; 4. 导体温度:导体长期运行温度为90°C; 5.电缆敷设轴间中心距 S=2D
2ZR-YJV 0.6/1kV
高压交联聚氯乙烯绝缘阻燃电力电缆的载流量3ZR-YJV、ZR-YJLV
4ZR-YJV22、 ZR-YJLV22
5ZR-YJV、 ZR-YJLV
交联电缆导体短路电流(短路时间为1S)。
载流量对照表铜芯线载流量表(1)铝芯线载流量表(2)线径选择一般为设备额定电流的1.7倍.由于断路器需要保护线路.所以断路器的额定电流应小于导线所能承受的电流I线=In*1.7 In为设备额定电流I断=I线/1.2 I线为线径所承受的电流.I断为断路器额定电流In< I断< I线裸导线的许用电流可提高50%0.6/1kv聚氯乙烯绝缘电力电缆载流量[阻燃耐火型亦参照此表] 适用型号vv.vLv导电线芯最高工作温度70℃空气温度30℃土攘温度25℃土壤热阻系数1。
2℃.m/w 1000/m2.适用型号vv.vLv…导电线芯最高工温度70℃空气温度30℃。
土壤温度25℃土壤热阻系数1。
2℃m/w二0.6/1kv聚氯乙烯绝缘及护套电力电缆载流量适用型号vv22…VLV22…导导电线芯最高准许工作温度70℃。
空气温30℃。
土壤温度25℃土壤热阻系数;1.2℃0.6/1kv3+1芯或4芯聚氯乙烯绝缘及护套电力电缆载流量适用型号vv22,,vlv22导电线芯最高准许工作温度70℃空气温度30℃..土壤温度25℃土壤热阻系数;1。
2℃三.0.6/1kv3+2芯4+1芯5芯聚氯乙烯绝缘电力电缆载流量1..适用型号VV,,VLV,,VV22,,VLV22,,,导电线芯最高工作温度70℃2.空气温度30℃.土壤温度25℃单芯铜导体交联聚乙烯绝缘电力电缆载流量适用型号.YJV,,,YJV22,,,,YJY,,YjV32,,YJV33..42 (43)电缆电压等级..3.6/6kv五.0.6/1kv.-1.8/3kv硅烷交联聚乙烯绝缘电力电缆载流量.[该产品的阻燃.耐火产品的载流量参照此计算徝选择]1.1-3芯电缆的载流量见表7适用型号;YJV,YJLV,YJY,,[包括钢带凯装]导体最高准许工作温度90℃空气温度30℃..土壤温度25℃土壤热阻系数;1.2℃注;表中计算值为铜芯载流量。
铝芯载流量为铜芯的1/1。
300V-1000V电缆载流量(本资料选自《电气工程》常用数据速查手册)
1)、8.3导线载流量。
450V/750V及以上橡胶绝缘、塑料绝缘电线的载流量。
BVVB型、BLVVB型、RVVB型电线载流量见表8-24。
(2)、450V/750V及以下橡胶绝缘电力电缆的载流量。
通用橡套软电缆的载流量见表8-25。
(3)、0.6/1KV聚氯乙烯绝缘电力电缆的载流量。
0.6/1KV聚氯乙烯绝缘钢带铠装聚氯乙烯护套电力电缆载流量见表8-26。
(4)防火电缆的载流量。
1、阻燃电缆的载流量。
1)B、R系列阻燃电线、电缆的载流量见表8-27。
2)交联聚氯乙烯绝缘阻燃电力电缆的载流量见表8-28、表8-29,短路电流见表8-30。
3)聚氯乙烯绝缘阻燃电力电缆的载流量见表8-31。
(5)耐火电缆的载流量。
1)聚氯乙烯绝缘耐火电缆的载流量见表8-32。
2)BV-105型耐热聚氯乙烯绝缘铜芯电线的载流量见表8-33。
3)BTTQ、BTTVQ系列耐火电缆技术数据见表8-34。
4)BTTZ、BTTVZ 系列耐火电缆技术数据见表8-35。
5)NH-YYJV系列耐火电力电缆技术数据见表8-36——8-38。
(6)表8-39。
聚氯乙烯绝缘低烟低卤阻燃电力电缆的载流量。
(7)表8-40。
交联聚氯乙烯绝缘低烟无卤阻燃电力电缆的载流量。
目录
表8-24 BVVB型、BLVVB型、RVVB型电线载流量 (4)
450V/750V及以下橡胶绝缘电力电缆的载流量 (4)
通用橡套软电缆的载流量见表8-25 (4)
YQ、YQW、YHQ、型/ A (4)
YZ、YZW、YHZ型/ A (4)
YC YCW YHC型/ A (5)
0.6、1KV聚氯乙烯绝缘电力电缆的载流量 (5)
表8.26 VV22、VLV22型聚氯乙烯绝缘钢带铠装聚氯乙烯护套电力电缆载流量。
(5)
VV22、VLV22单芯 (6)
VV22 (6)
VV22、VLV22 3芯 (6)
VV22、VLV22 4芯 (7)
VV22、VLV22 3+1芯 (7)
VV22 5芯 (8)
VV22 4+1芯 (8)
VV22 (8)
3+2芯 (8)
防火电缆的载流量 (8)
表8-27 B、R系列阻燃电线电缆的载流量 (9)
ZR-BV 300/500V (9)
ZR-BV 450/750V (9)
ZR-BV 450/750 (10)
ZRZR-BVVB 300/500V (10)
ZR-BVR 450/750V (10)
ZR-BVR 450/750V (10)
ZR-BV 300/500 (10)
ZR-BVV 300/500V (11)
ZR-RVV 300/300V (11)
ZR-RVVB 300/300V (11)
ZR-RVV 300/500V (11)
ZR-RVVB300/500V (12)
ZR-RVS (12)
300/300V (12)
ZR-RVS (12)
300/300V (12)
2)交联聚氯乙烯绝缘电力电缆的载流量见表8-28、表8-29,短路电流见表8-30 (12)
表8-28 交联聚氯乙烯绝缘阻燃电力电缆的载流量 (12)
ZR-YJV 0.6/1kv (12)
ZR-YJV 0.6/1kv (15)
表8-29 高压交联聚氯乙烯绝缘阻燃电力电缆的载流量 (19)
ZR-YJV、ZR-YJLV (19)
ZR-YJV22、ZR-YJLV22 (20)
ZR-YJV、ZR-YJLV (21)
表8-30 交联电缆导体短路电流(短路时间为1S) (22)
450V/750V及以下橡胶绝缘电力电缆的载流量
0.6、1KV聚氯乙烯绝缘电力电缆的载流量
表8.26 VV22、VLV22型聚氯乙烯绝缘钢带铠装聚氯乙烯护套电力电缆载流量。
载流量计算条件
1. 线芯长期工作温度:70°;
2. 环境温度:25° ;
3. 埋地深度: 1000mm;
4. 土壤
防火电缆的载流量
1. 阻燃电线电缆的载流量。
1)B、R系列阻燃电线电缆的载流量见表8-27.
2)交联聚氯乙烯绝缘电力电缆的载流量见表8-28、表8-29,短路电流见表8-30 表8-28 交联聚氯乙烯绝缘阻燃电力电缆的载流量
载流量计算条件
1、环境温度:25°C;
2、土壤热阻系数;P=1.0°C、m/W; 3.埋地敷设深度:1000mm; 4. 导
注:单芯电缆铠装应采用非磁性材料或减少磁损耗的结构。