智能电力测控仪使用说明书
- 格式:pdf
- 大小:242.50 KB
- 文档页数:6
YD3000智能电力测控仪使用手册雅达 YD3000智能一. 概述YD3000智能电力监测仪(以下简称:YD3000)是在YD2020基础上派生出来的一款智能电力监测仪.它具有可编程,遥测,电能累加,数字二. 功能和特点测量功能多,精度高YD3000 功能强大,它集合了电量变送器,数字式电度表,数显表,数据采集器,记录分析仪,RTU 等仪器的部分或全部功能.测量功能包括:一条三相四线回路或其它任何线制的全部相/线电压(V),电流(I),功率(P,Q,S),电能(Wh,Qh),功率因数(COS),频率(F),零序电流等.作为显示仪表使用时可以代替:三相电流表,三相电压表,三相视在功率表,三相有功功率表,三相无功功率表,三相功率因数表,三相有功电能表,三相无功电能表,频率表等.在自动化系统中用作数据采集时可以代替:三相电流变送器,三相电压变送器,三相视在功率变送器,三相有功功率变送器,三相无功功率变送器,三相功率因数变送器,频率变送器等以及数据采集模块,RTU等.作为电能计量仪表时可以代替:三相有功电能表,三相无功电能表等.仪表采用高精度高稳定的模数(A/D)转换器件,电度精度可达1.0级,其它参数可达0.5级以上.LED显示YD3000采用LED大屏幕显示,同时可显示多达10个参数,并能通过手动或自动设定,按顺序读出超过30个参数.标准规约,轻松组网YD3000为了满足未来测量仪表的环境,配有RS-485或RS-232C串行口,允许连接开放式结构的局域网络.应用Modbus (RTU和ASCII两种模式) 通讯规约,通过在PC机或数据采集系统上运行的软件,能提供一个对于工厂,电厂,工业或建筑物的服务的简单,实用的电量管理方案.自动稳零具有自动校准零点,克服零点随时间和温度的漂移.实现所有参数的零点免调,提高了仪表的整体测量精度,提高了系统的整体稳定性,简化了校准流程.极宽的动态输入范围YD3000 采用量程自动切换技术,提供 5~120V/600V 的电压输入量程,0 ~ 1A/5A电流输入量程,能自动适用于各种测量系统,无需任何硬件和软件的调整.可编程状态设定YD3000允许用户对其工作状态"测量系统选择","CT,PT变比","显示内容", "通讯"等进行更改设定.记忆YD3000在多种接线方式适用于多种接线方式:三相四线,三相四线平衡负载,三相三线,三相三线平衡负载,一相二线和一相三线.数字化整定所有参数均采用数字化校准,在专用校准调试软件控制下自动进行,减少了人为因素带来的偏差.摒弃了常规采用电位器的故障自动诊断具有故障自动判断功能,并将结果显示在屏幕上或通过串行口输出.抗电磁干扰能力强完善的电磁兼容性设计,具有极强的抗电磁干扰能力,符合IEC61000-4标准,适合在强电磁干扰的复杂环境中使用.安装方便YD3000强大的功能使系统现场安装,布线的复杂程度和材料的综合成本降低了. 采用盘面安装方式,外形尺寸符合马赛克屏开孔标准(开孔尺寸为175×125㎜),便于安装.雅达 YD3000智能电力测控仪使用手册第 3 页共 3 页三. 主要技术指标1 准确度,显示位数及模式各相显示符号参数测量位数显示位数显示最大数值及单位1相2相3相合相准确度0.2%RD(0~350V)相电压 5 49999 V/kV V1V2V3Ve00.5%RD(0~150V)1.0%RG(0~600V)线电压 5 49999 V/Kv V12V23V31Ve1.0%RG(0~260V)0.2%RD(0~5A)电流 5 49999 A/kA I1I2I3Ie0.5%RD(0~1A)有功功率 5 49999 W/kW/MW P1P2P3P 0.5%RD无功功率 5 49999 var/kvar/MvarQ1Q2Q3Q 0.5%RD视在功率 5 499999 VA/kVA/MVA S1S2S3S 0.5%RD功率因数 5 41.000 PF1PF2PF3PF 0.5%RG有功电能 8 79999999 Wh/kWh/MWh Wh 1.0%RD无功电能 8 79999999varh/kvarh/MvarhQh 1.0%RD频率 5 470.000 Hz Hz 0.1%RG零序电流 5 49999 A IO 0.5%RG注:V1/V2/V3/Ve0:相电压 V12/V23/V31/Ve:线电压PF1/PF2/PF3:单相功率因数 PF:总功率因素COSФ 0.5~1.0(有功电能) 功率因数SINФ 0.5~1.0(无功电能)电压 >50V电能准确度范围电流 >0.5ARD 读值,相对误差 RG 范围,满度误差(对每一段自动量程范围)2 输入2.1 量程电压:5~120V/600V(最大600V) 自动量程切换电流:0~1A/5A(最大6A) 自动量程切换2.2 吸收功耗电压:电流:2.3 过载能力电压:750V连续/1000V 10秒/1200V 3秒电流:2倍额定连续/10倍额定30秒 /25倍额定2秒 /50倍额定1秒2.4 测量系统接线方式三相四线/三相三线/一相二线或一相三线/三相三线平衡/三相四线平衡,可通过键盘及串行口用软件设定选择.3 可编程设定测量系统选择:三相四线/三相三线/一相二线/一相三线/三相三线平衡/三相四线平衡CT,PT变比: 1~60000显示内容: 画面选择通讯: 波特率:1200/2400/4800/9600/19200通讯格式: N_8_2地址:1~2474 通讯串行口: RS485(标准)/RS232(可选)雅达 YD3000智能电力测控仪使用手册第 4 页共 4 页通讯规约: MODBUS5 绝缘强度对象: 在输入/输出/电源之间引用标准: IEC688-1992试验方法: AC2kV 1分钟漏电流2mA6 电磁兼容6.1 1.2/50-8/20us浪涌电源:4kV(1.2×50μs)I/O线:2kV6.2 快速瞬变脉冲串电源:4kV,2.5kHzI/O线:2kV, 5kHz6.3 静电放电接触放电:6kV气隙放电:8kV6.4 0s)0s)<' +#G ^/^{^y '+$d1F… 4 ~#G F… +2' _fó P 0nz $d¨# z, # G *üEC.@ k-1 JíT×ZP H,XkFD6 o¨G "Z NM+. P -x~ ¨.B-üJw,X 0) W 36 ] D9D 9DE¨,D¨3 1'> D9E 9EF¨,E¨41 > D9F 9FD¨,F¨) 3)r DB/1 > D~!7 s+6 :K^ s+6 :K^!7 ·s+6 4K^ ·s+6 4K^ , G, +_ 9H^ , G4 +_ 9H^ , G+# ,H^$ , ss)[ 3$^% , ss)[ 3%^& , ss)[ 3&^$ , ·ss)[ 4$^% , ·ss)[ 4%^& , ·ss)[ 4&^$ , s)[·D 3)$^% , s)[·D 3)%^& , s)[·D 3)&^ , s)[·D 3)^Ne)[ ) ,X ¨E o D^ E E KE > 6~9°)'4{$9°) 4{$9°)3:ü3:ü1 9 NI E 9 NI3:%$/ü6<67(00(183:ü3:%$/ü+,*+0,''/(%5,*+7(1(66/2:/,1(92/7$*(3+56(+=',63/$<0(1835(48(1&<3)375$7,2372ˇ4 DA'n5$7,20(18&75$7,2&70 B, +_~Vb ¨B, +#~Ib ¨ , ·ss)[(Q)~1 > C, +_~Vc ¨C, +#~Ic ¨Ne)[(F)~1 > !7 s+6 ~+Wh ~*ü1 A¨B¨C, +_^ E E A'5B2ˇ4 DA'n',63/$ 1 /,XNe)[^ E E A'5B2ˇ4 DA'n',63/$ A-0k~ A-0k+ > !,X2G+1uX ¨^ à/ 8 [+0oe D+~üAE 09°) ¨/+G ,Xr ~r DB/9°)ür DB/¨ 'Q 8SK¨ A-0k D ü!7 s+6 :K^ s+6 :K^!7 ·s+6 4K^ ·s+6 4K^ , G, +_ 9H^ , G4 +_ 9H^ , G+# ,H^$, ss)[ 3$^% , ss)[ 3%^& ,ss)[ 3&^$ , ·ss)[ 4$^% , ·ss)[ 4%^& , ·ss)[ 4&^$, s)[·D 3)$^% , s)[·D 3)%^& , s)[·D 3)&^ , s)[·D 3)^Ne)[ ) 1E > 6~:K.:+:K.:+2ˇ4 DA'n9°)ür DB/+M6¨ 5LJKWK ¨E 92ˇ4 DA'n+M6,X6A-0k /6<0(18^5$7,20(18^&2000(18NM~5LJKWK8 F ¨ NNcE 92ˇ4 DA'n,XJWNM~:K.:+6<67(00(186<0(18A'5B DFI~G, G,¨3 , ,X D4-,,X D~_V A'5B , 46<67(00(183:VpA'5B'!' /HIW¨2ˇ4 -, D , 4 ¨+M6E¤ r DB/+M6~3::K.:+VpE UA'5BJ" D¨ 8S¨2ˇ4 -, D , 4 ¨+M6E¤ 4{9°)+M6~3:6<67(00(18L E' YD3000N6 +o#{ S*ü'A'5B 37&7 !¤~A'+M6ü6 DB,Xt¨E & U"… ~3737371 12 NI E 12 NI雅达 YD3000智能电力测控仪使用手册六,接线与安装1. 接线YD3000 以其完善的设计思路,保证每个测量通道单独在使用时完全一致,对称.使用更方便更灵活,具有多种接线方式,适用于多种负载形式.注意: 1,接线时,电压输入回路(包括电源)必须在每条线路上串联适当的保险. 第 13 页共 13 页2,电流输入回路的阻抗尽量小.在 CT 方式下,主回路处于工作带电状态时,绝对禁止将 CT二次侧(即电流输入回路)开路.1.1. 一相二线负载1.1.1. 无PTNL*电源负载789101112*I1U1 U2 U3 U0*I2*I0312456*I3~28293031323334353637383940411413Power15161718192021222324252627+E -A+ B-1.1.2. 有PT**NL*电源负载789101112*I1U1 U2 U3 U0*I2*I0312456*I3~+ E - 2829303132333435363738394041 1413Power 15161718192021222324252627A+ B-雅达 YD3000智能电力测控仪使用手册1.2. 三相三线:1.2.1. 无PTC*BA*负载789101112*I1U1 U2 U3 U0*I2*I0312456*I3~ 2829303132333435363738394041 1413Power15161718192021222324252627+ E -A+ B-1.2.2. 有PT****C*BA*电源负载789101112*I1U1 U2 U3 U0*I2*I0312456*I3~ 2829303132333435363738394041 1413Power 15161718192021222324252627+ E -A+ B-第 14 页共 14 页雅达 YD3000智能电力测控仪使用手册1.3. 三相三线平衡负载:1.3.1. 无PTC*BA电源负载789101112*I1U1 U2 U3 U0*I2*I0312456*I3~ 2829303132333435363738394041 1413Power 15161718192021222324252627A+ B-+ E -1.3.2. 有PT****C*BA电源负载789101112*I1U1 U2 U3 U0*I2*I0312456*I3~ 2829303132333435363738394041 1413Power 15161718192021222324252627A+ B-+ E -1.4. 三相四线:1.4.1. 无PT第 15 页共 15 页雅达 YD3000智能电力测控仪使用手册NC*BA*电源负载789101112*I1U1 U2 U3 U0*I2*I0312456*I3~** 2829303132333435363738394041 1413Power 15161718192021222324252627 A+ B-+ E -1.4.2. 有PT******NC*BA*电源负载789101112*I1U1 U2 U3 U0*I2*I0312456*I3~** 2829303132333435363738394041 1413Power 15161718192021222324252627A+ B-+ E -第 16 页共 16 页雅达 YD3000智能电力测控仪使用手册1.5. 三相四线平衡负载:1.5.1. 无PTNL*电源负载789101112*I1U1 U2 U3 U0*I2*I0312456*I3~ 2829303132333435363738394041 1413Power 15161718192021222324252627A+ B-+ E -1.5.2. 有PT**NL*电源负载789101112*I1U1 U2 U3 U0*I2*I0312456*I3~ 2829303132333435363738394041 1413Power 15161718192021222324252627A+ B-+ E -第 17 页共 17 页雅达 YD3000智能电力测控仪使用手册1.6. 一相三线1.6.1. 无PTL2*NL1*电源负载789101112*I1U1 U2 U3 U0*I2*I0312456*I3~ 2829303132333435363738394041 1413Power 15161718192021222324252627A+ B-+ E -1.6.2. 有PT****L2*NL1*电源负载789101112*I1U1 U2 U3 U0*I2*I0312456*I3~28293031323334353637383940411413Power15161718192021222324252627A+ B-+ E -第 18 页共 18 页雅达 YD3000智能电力测控仪使用手册第 19 页共 19 页2. 安装与维护2.1. 精度精度漂移为每年≯0.2%.精度校验时间间隔周期由用户的精度要求决定.有关精度校验请与本公司联系.2.2. 现场安装仪表发生故障一般采用整机更换的方法,但在初次安装时应作好以下工作,以保证维护尽可能方便.1. 应提供一个CT短接盒,这样使YD3000的电流输入不连接时,不会使CT回路开路.2. YD3000必须牢固安装,以防止震动导致电气安全事故.3. 工作电源:AC 30~265V,50HZ; DC 30~300V4. 电气连接线要求:电流输入线用2.5㎜2多股铜线,电压输入线,电源线用1.5㎜2多股铜线,RS-485通讯用1.0㎜2屏蔽双绞线.2.3. 安装环境1. 仪表应尽量安装在干燥,通风良好并远离热源和强(电)磁场的地方.2. 环境温度为:-20℃~60℃.3 PT和CT的选择PT选择:YD3000可直接连接57/100,100/173,220/381,240/415,277/480的三相四线或三相三线系统.这些输入也可采用次级为100V的PT.如系统电压超过347/600V,则必须用PT.PT 用于将系统L-N(Y形)或L-L(Δ形)电压降至100V满刻度范围,PT按以下方式选择:PT初级额定值=V相(或最接近较高标准值的值) 1,星形(Y):PT次级额定值=100VPT初级额定值=V线2,三角形(Δ):PT次级额定值=100VPT质量直接影响系统精度.PT必须有良好的线性和相间关系才能保证电压,有功和功率因数(PF)的读数有效.CT选择:CT次级额定值由YD3000的电流输入选项决定,标准值为5A.4 PT和CT的连接输入电流,电压的相序,极性对装置的正确操作是重要的,引入PT的各相电压,将由短路器保险丝保护,如果PT的额定功率超过25W,则次级要加保险丝.在PT初级的激励下,PT次级能产生致命电压和电流.因此对装置安装和操作时,需采取安全预防措施(去掉PT保险).当 CT 次级开路时,在初级激励下将产生致命电压和电流.因此在装置安装和操作时,需采取如短接 CT 次级等安全预防措施.CT应通过短接端子或测试端子连到仪表,以便于CT的安全连接和断开.雅达 YD3000智能电力测控仪使用手册第 20 页共 20 页YD3000 的 RS485 通讯口使用屏蔽双绞线连接.即使有的仪表不需远方通信,但由于诊断,测试,软件更新,参数更新等均可通过网络来实现.因此为使用方便也应将它们连接到RS485网络上.1. 网络布局:YD3000 与上位机连接,组成局域网时,要考虑整个网络的布局.诸如:通讯电缆的长度,走向,上位机的位置,网络末端的匹配2.1. 单机通讯连接:PC机与单台YD3000通讯.将RS232/RS485转接器的RS232端直接插入PC机的串行口座,RS485端接长度不超过1200米的双绞线屏蔽电缆,双绞线另一端接YD3000,然后并接120欧姆1/4W电阻.2.2. 多机通讯2.2.1. 线型连接:PC机与多台YD3000通讯,有多种连接方式,如:线型,环形等,但是不要接成"T"形.线型连接,是将多台 YD3000 按照顺序一个接一个地接入网络.距离主机,一台比一台远.适合测量点分布较为集中,未来又扩展需要的情况.2.2.2. 环形连接:环形连接,将多台YD3000用电缆连接成闭合环形,然后从一点接到PC.主机从两个方向与子机连接,适合子机分布相对集中,可靠性要求高的情况.2. 通讯规约1. 引言YD3000通讯规约详细描述了本机串行口通讯的读,写命令格式及内部信息数据的定义,以便第三方开发使用.1.1. PLC ModBus 兼容性ModBus通讯规约允许YD3000与施耐德,西门子,AB,GE,Modicon等多个国际著名品牌的可编程顺序控制器(PLC),RTU,SCADA系统,DCS或第三方具有ModBus兼容的监控系统之间进行信息和数据的有效传递.有了YD3000智能表,就只要简单的增加一套基于PC(或工控机)的中央通讯主控显示软件(如:组态王,Intouch,FIX,synall等)就可建立一套监控系统.1.2. 广泛的通讯集成YD3000智能表提供与Modicon系统相兼容的ModBus通讯规约,这个通讯规约被广泛作为系统集成的标准.兼容雅达 YD3000智能电力测控仪使用手册RS-485/232C接口的可编程逻辑控制器ModBus通讯规约允许信息和数据在YD3000智能表与Modicon可编程逻辑控制器(PLC),RTU,SCADA系统,DCS系统和另外兼容ModBus通讯规约的系统之间进行有效传递.2. ModBus基本规则2.1. 所有RS485通讯回路都应遵照主/从方式.依照这种方式,数据可以在一个主站(如:PC)和32个子站(如:YD3000)之间传递.2.2. 主站将初始化和控制在RS485通讯回路上传递的所有信息.2.3. 任何一次通讯都不能从子站开始.2.4. 在RS485回路上的所有通讯都以"信息帧"方式传递.2.5. 如果主站或子站接收到含有未知命令的信息帧,则不予以响应."信息帧"就是一个由数据帧(每一个字节为一个数据帧)构成的字符串(最多255个字节),是由信息头和发送的编码数据构成标准的异步串行数据,该通讯方式也与RTU通讯规约相兼容.3. 数据帧格式:通讯传输为异步方式,并以字节(数据帧)为单位.在主站和子站之间传递的每一个数据帧都是11位的串行数据流.数据帧格式:1位起始位8位(低位在前,高位在后) 数据位1位:有奇偶校验位;无:无奇偶校验位奇偶校验位1位:有奇偶校验位;2位:无奇偶校验位停止位有校验位的时序图:D1D7D6D5D4D3D2D0startenddataparity起始位停止位数据位校验位D8起止止无校验位的时序图:D1D7D6D5D4D3D2D0startenddata起始位停止位数据位起止止第 21 页共 21 页雅达 YD3000智能电力测控仪使用手册第 22 页共 22 页4. YD3000通讯规约当通讯命令发送至仪器时,符合相应的地址码的设备接收通讯命令,并除去地址码,读取信息,如果没有出错,则执行相应的任务;然后把执行结果返送给发送者.返送的信息中包括地址码,执行动作的功能码,执行动作后的数据以及错误校验码(CRC).如果出错就不发送任何信息.4.1. 信息帧格式START ADD CS DATA CRC END初始结构地址码功能码数据区错误校验结束结构延时(相当于4个字节的时间)1字节8位1字节8位N字节N×8位2字节16位延时(相当于4个字节的时间)4.1.1. 地址码(ADD)地址码为每次通讯传送的信息帧中的第一个数据帧(8位),从0到255.这个字节表明由用户设定地址码的子机将接收由主机发送来的信息.并且每个子机都有唯一的地址码,并且响应回送均以各自的地址码开始.主机发送的地址码表明将发送到的子机地址,而子机发送的地址码表明回送的子机地址.4.1.2. 功能码(CS)功能码是每次通讯传送的信息帧中的第二个数据帧.ModBus通讯规约定义功能码为1~127(01H~7FH).YD3000利用其中的一部分功能码.作为主机请求发送,通过功能码告诉子机执行什么动作.作为子机响应,子机发送的功能码与主机发送来的功能码一样,并表明子机已响应主机进行操作.如果子机发送的功能码的最高位是 1(功能码>127),则表明子机没有响应或出错.下表列出的功能码都具体的含义及操作.MODBUS部分功能码功能码定义操作03H 读寄存器读取一个或多个寄存器的数据06H 写单个寄存器把一个16位二进制数写入单个寄存器1, 03,读寄存器YD3000智能表采用ModBus通讯规约,利用通讯命令,可以进行读取点(保持寄存器或返回值输入寄存器).功能码03H映射的数据区的保持和输入寄存器值都是16位(2字节).这样从YD3000读取的寄存器值都是2字节.一次最多可读取寄存器数是125.由于一些可编程控制器不用功能码03,所以功能码03被用作读取点和返回值.子机响应的命令格式是子机地址,功能码,数据区及CRC码.数据区的数据都是每2个字节为一组的双字节数,且高字节在前.2, 06,写单个寄存器:主机利用这条命令把单点数据保存到YD3000智能电力监测仪的存储器.子机也用这个功能码向主机返送信息.3, 10,写多个点连续寄存器:主机利用这条命令把多点数据保存到YD3000系列数字式多功能电力监测仪的存储器.Modbus通讯规约中的寄存器指的是 16 位(即 2 字节),并且高位在前.这样 YD3000 智能电力监测仪的点都是二字节.用一条命令保存的最大点数取决于子机.因为Modbus通讯规约允许最多保存60个寄存器,这样YD3000系列智能电力监测仪允许一次最多可保存60个寄存器.YD3000智能电力监测仪的命令格式是子机地址,功能码,数据区及CRC码.4.1.3. 数据区(DATA):数据区随功能码不同而不同.由主机发送的读命令(03H)信息帧的数据区与子机应答信息帧的数据区是不同的,雅达 YD3000智能电力测控仪使用手册第 23 页共 23 页由主机发送的写命令(06H,10H)信息帧的数据区与子机应答信息帧的数据区是完全相同.数据区包含需要子机执行什么动作或由子机采集的需要回送的信息.这些信息可以是数值,参考地址等等.例如,功能码告诉子机读取寄存器的数值,则数据区必须包含要读取寄存器的起始地址及读取长度(寄存器个数).a) 与功能码03对应的数据区格式:主机发送数据顺序 1 2数据含义起始地址读寄存器个数字节数 2 2子机应答数据顺序 1 2数据含义回送字节数 N个寄存器的数据字节数1 2×Nb) 与功能码06对应的数据区格式:数据顺序 1 2数据含义起始地址写入寄存器的数据字节数 2 2c) 与功能码10对应的数据区格式:数据顺序1 2 … N数据含义起始地址写入数据1… 写入数据N字节数2 2 (2)4.1.4. 错误校验码(CRC):主机或子机可用校验码进行判别接收信息是否出错.有时,由于4.4. 信息帧格式举例4.4.1. 功能码03子机地址为01,起始地址0032的3个寄存器.此例中寄存器数据地址为:地址数据(16进制)0032 EA600034 C3500036 DB6C主机发送字节数举例(16进制)子机地址 1 01 送至子机01功能码 1 03 读取寄存器起始地址 2 00 起始地址为003232读取个数 2 00 读取3个寄存器(共6字节)03CRC码 2 A4 由主机计算得到的CRC码04子机响应字节数举例(16进制)子机地址 1 01 送至子机01功能码 1 03 读取寄存器读取字节数 1 06 3个寄存器(共6字节)寄存器数据1 2 EA 地址为0032内的内容60寄存器数据2 2 C3 地址为0034内的内容50寄存器数据3 2 DB 地址为0036内的内容6CCRC码 2 D1 由子机计算得到的CRC码3F4.4.2. 功能码06子机地址为01,保存起始地址0002的2个值.在此例中,数据保存结束后,子机中地址为0002内的内容为0002.主机发送字节数举例(16进制)子机地址 1 01 发送至子机01功能码 1 06 单个数据(2字节)保存起始地址 2 00 起始地址为000202保存数据 2 00 保存的数据为000202CRC码 2 A9 由主机计算得到的CRC码CB子机响应字节数举例(16进制)雅达 YD3000智能电力测控仪使用手册第 25 页共 25 页子机地址 1 01 来自子机01功能码 1 06 单点保存起始地址 2 00 起始地址为000202保存数据 2 00 保存的数据为000202CRC码 2 A9 由子机计算得到的CRC码CB4.4.3. 功能码10子机地址为01,把0064保存到地址0000.在此例中,数据保存结束后,地址为01的YD3000系列智能电力监测仪内保存的信息为:地址数据(16进制)0000 0064主机发送字节数举例(16进制)子机地址 1 01 发送至子机01功能码 1 10 多点保存起始地址 2 00 起始地址为000000保存数据数 2 00 保存2点(共4字节)02字节数 1 04保存数据1 2 00 数据地址为000264保存数据2 2 00 数据地址为000000CRC码 2 B2 由主机计算得到的CRC码70子机响应字节数举例(16进制)子机地址 1 01 来自子机01功能码 1 10 多点保存起始地址 2 00 起始地址为000000保存数据数 2 00 保存2点(共4字节)02CRC码 2 41 由子机计算得到的CRC码C84.5. 出错处理当 YD3000 系列智能电力监测仪检测到了 CRC 码出错以外的错误时,必须向主机回送信息,功能码的最高位置为1,即子机返送给主机的功能码是在主机以送的功能码的基础上加128.以下的这些代码表明有意外的错误发生.从主机接收到的信息如有CRC错误,则将被YD3000系列智能电力监测仪忽略.子机返送的错误码的格式如下(CRC码除外)地址码: 1字节功能码: 1字节(最高位为1)错误码: 1字节CRC码: 2字节雅达 YD3000智能电力测控仪使用手册第 26 页共 26 页YD3000系列数字式多功能电力监测仪响应回送如下出错命令01非法的功能码.接收到的功能码YD3000系列智能电力监测仪不支持.02非法的数据位置.指定的数据位置超出YD3000系列智能电力监测仪范围03非法的数据值接收到主机发送的数据值超出相应地址的数据范围.雅达 YD3000智能电力测控仪使用手册第 27 页共 27 页附录一:数据和地址表1:功能码03H所映射的数据区-基本数据:基本数据(Basic)序号地址(Address)项目(Item) 说明1 0000H Ua 相电压Ua2 0002H Uca 线电压Uca3 0004H Ia A相电流4 0006H5 0008H Pa A相有功功率6 000AH PFa A相功率因数7 000CH Qa A相无功功率8 000EH Sa A相视在功率9 0010H Ub 相电压Ub10 0012H Uab 线电压Uab11 0014H Ib B相电流12 0016H13 0018H Pb B相有功功率14 001AH PFb B相功率因数15 001CH Qb B相无功功率16 001EH Sb B相视在功率17 0020H Uc 相电压Uc18 0022H Ubc 线电压Ubc19 0024H Ic C相电流20 0026H21 0028H Pc C相有功功率22 002AH PFc C相功率因数23 002C Qc C相无功功率24 002EH Sc C相视在功率25 0030H I0 零序电流26 0032H Uav 三相平均相电压27 0034H Iav 三相平均相电流28 0036H F 频率29 0038H Psum 三相有功功率30 003AH PFav 三相总功率因数31 003CH Qsum 三相无功功率32 003EH Ssum 三相视在功率33 0040H Phase Rotation雅达 YD3000智能电力测控仪使用手册第 28 页共 28 页表2:功能码03H所映射的数据区-电能:电能序号地址项目说明1 0042H +Wh(L) 正向有功电能累加值低位字2 0044H +Wh(H) 正向有功电能累加值高位字3 0046H -Wh(L) 负向有功电能累加值低位字4 0048H -Wh(H) 负向有功电能累加值高位字5 004AH +Varh(L) 正向无功电能累加值低位字6 004CH +Varh(H) 正向无功电能累加值高位字7 004EH - Varh(L) 负向无功电能累加值低位字8 0050H - Varh(H) 负向无功电能累加值低高字表3:功能码03H所映射的系统参数:参数地址项目字节数说明初始状态0300H 本机地址 2 1~247 00三相四线1一相二线2三相三线3三相三线平衡4一相三线5三相四线平衡0302H 被测系统负载接线方式21允许012001240024800396000308H 波特率 241920030150V030AH 电压输入范围 21600V1030EH PT 4 1~60000 10312H CT 4 1~60000 10340H~035FH 厂家保留表4:功能码06H所映射的数据区:地址项目说明0000h 本机地址 1~2470三相四线1一相二线2三相三线3三相三线平衡4一相三线0002H 测量系统接线方式5三相四线平衡012001240024800396004192000008H 波特率其它为非法值0040H~005FH 厂家保留表5:功能码10H所映射的数据区:项目起始地址尾地址取值范围单位PT 000EH 0011H 1~600001雅达 YD3000智能电力测控仪使用手册第 29 页共 29 页CT 0012H 0015H 1~600001附录二:数据变换所有从YD3000响应输出的数据都被按一定公式规范成2个字节Rx,电能除外,为4个字节.NO 项目公式取值范围符号说明UaUb Uc Ue01 电压V U = Rx×PT×0.01 0~65535 无UcaUab Ubc Ue2 电流 A I =Rx×CT×0.0001 0~65535 无IaIb Ic Ie3 频率Hz F =Rx×0.00106813 0~65535 无FPFaPFb PFc PFs4 功率因数PF PF =Rx×0.0001 -10000~10000有+:滞后负载 /-:超前负载5 有功功率 W P = Rx×PT×CT×0.4 -32768~32768有PaPb Pc P6 无功功率Q Q =Rx×PT×CT×0.4 -32768~32768有QaQb Qc Q7 视在功率S S = Rx×PT×CT×0.2 0~65535 无SaSb Sc SWh = Rx×K8 电能 Wh(K=电能单位)0~109无+Wh-Wh +Varh -Varh。
YD2200智能电力测控仪说明书简介YD2200智能电力测控仪单相和三相电网的全部电参数,具有测量控制、显示、谐波分析,最大(小)值记录等功能,由YD2200主机和与配套的四个功以模块组成具体如下:测量3I、3V、3U、PF、F 、P、S、±∑Wh、±∑Qh等参数 大屏幕数码LCD显示通过插入不同的模块,使仪表实现DC4~20mA、开关量、谐波测量、脉冲输出等功能,最多可同时接入4个模块体积小工作环境温度:-15~55℃λ λ λ λ λ 通讯输出模块(型号:YM-485)具有RS485通讯功能,通讯协议为MODBUS-RTU模拟量输出模块(型号:YM-A20)可通过仪表按键或上位机设置成任意一个电参数(如:I、U、P、F等)对应的DC4~20mA变送输出,输出负载能力≤600Ω开关量模块(型号:YM-K2)具有二路开入和二路开出功能,通过连接此模专用可使YD2200实现“三遥”,开出继电器接点容量为220V,5A电能脉冲输出模块(型号:YM-E2)具有有功电能和无功电能脉冲输出功能,每kwh或kvarh对应的脉冲数可在1000~5000个脉冲/kwh(kvar)范围内选择电能脉冲输出模块+谐波分析模块(型号:YM-EX)具有有功电能和无功电能脉冲输出功能,每kwh或kvarh对应的脉冲数可在1000~5000个脉冲/kwh(kvar)范围内选择。
并可实现1~19次谐波分析概述功能YD2200智能电力测控仪(以下简称:YD2200)是一种具有可编程功能、自动化测量、LCD显示、电能累加、数字通讯等功能为一体的智能三相综合电力参数监测仪表。
它将三相交流电量按线性关系转换为规格化的数字量。
它集数字化、智能化、网络化于一身,使测量过程及数据分析处理实现自动化,减少人为失误,能够全面替代电量变送器、电度表、数显仪表、数据采集器等仪器,是组成电气自动化系统的理想产品。
其结构紧凑、电路先进、测量功能强大,是对传统仪表的革命性设计。
KKES721-B01C-20171123第1页三、主要技术参数四、外形及安装开孔尺寸(单位:mm)五、接线图三相智能电力仪表操作说明书该系列仪表可广泛应用于控制系统、SCADA系统和能源管理系统中、变电站自动化、配电网自动化、小区电力监控、工业自动化、智能建筑、智能型配电盘、开关柜中;有安装方便、接线简单、维护方便、工程量小、现场可编程设置输入参数的特点。
特点:!1、如果不按说明书操作会发生意外,而且会导致产 品毁坏。
2、本说明书中所提供信息可不经事先通知进行修改。
3、本公司对所述信息保留解释权。
警告声明:⊙测量项目:电压/电流/有功功率/无功功率/频率/ 功率因数等⊙二路开关量输入(可选二路开关量输出)具有遥信 与遥控功能⊙输入/输出全隔离⊙真有效值测量⊙具有RS485数字接口\Modbus RTU通信协议⊙显示编程设置输入参数一、仪表型号六、面板说明二、型号说明型号系列:显示方式:外形尺寸:E S 7 2 □ □信号输入:3V:电压测量 3A:电流测量 P:电压、电流、功率1:数码管显示7:72H×72W×72.5L(mm)ES系列三相电量表通讯功能测试功能三相电压、电流、功率三相流三相电压型号ES721-P 1路RS485ES721-3V 1路RS485ES721-3A1路RS485标配遥信功能222正面尺寸侧面尺寸开孔尺寸+0.5+0.5注意事项:1.电源线不要接错。
2.电压信号输入要注意相序。
3.电流信号输入要按接线图上标识的同名端连接。
4.接线方式要与用户菜单“LIN”的设置一致。
5.仪表供电电源与主测线路之间建议隔离,以免导致漏电开关误动作。
A.电压输入:输入电压应不高于产品的额定输入电压,否则应考虑使用P T 。
B.电流输入:标准额定输入电流为5A ,大于5A 的情况应使用外部CT ,如果使用的CT 上连有其它仪表,接线应采用串接方式。
C.要确保输入电压,电流相对应,相序一致,方向一致,否则会出现数值和符号错误。
TOP700G智能电力测控装置使用说明书珠海拓普智能电气有限公司©版权所有 2008Release 5.21目录第一章概述 (1)1.1 概述 (1)1.2 产品特点 (1)第二章技术指标 (3)2.1 环境要求指标 (3)2.2 技术参数 (3)2.3 精度指标 (3)2.4 接口参数 (4)2.5 绝缘电阻及介质强度 (4)2.6 机械性能 (5)2.7 抗电磁干扰(EMC)性能 (5)2.8 安装方式 (5)第三章产品结构 (6)3.1 硬件结构 (6)3.2 主控单元 (7)第四章产品功能 (10)4.1 装置功能表 (10)4.2 测量功能 (11)4.3 模拟量输出功能 (13)4.4 开关量输入 (13)4.5 开关量输出 (13)4.6 通信接口 (14)4.7 保护功能 (14)4.8 联锁控制功能 (18)4.9 装置告警 (18)4.10 事件记录功能 (19)4.11 PT、CT变比设置 (19)第五章人机界面操作说明 (20)5.1 装置面板布置图 (20)5.2 键盘说明 (20)5.3 信号灯指示说明 (21)5.4 显示菜单说明 (21)第六章用户调试细则 (35)6.1 通电前检查项目 (35)6.2 通电检查项目 (35)6.3 模拟保护试验 (36)第七章定值一览表 (37)附录A TOP700G原理接线图 (42)附录B TOP700G端子接线图 (44)附录C TOP700G外形尺寸 (50)1.1 概述TOP700G智能电力测控装置是一种数字式三相电力测控保护装置,直接针对一回线路设计,能够完成一回线路的测量、控制及辅助保护功能,具有很高的性能价格比。
TOP700G智能电力测控装置集保护、电量测量、电能计量、操作控制、诊断维护、报警输出、模拟量输出等多种功能于一体,同时可选配2个独立的RS485、CANBUS、ProfiBus通讯接口,满足双网(包括冗余)配置,并实现遥测、遥信、遥控等功能。
PM99系列智能电参数测量仪用户使用手册DIGITAL POWER METER USER’S MANUAL普美仪器版权所有,未经授权禁止复制!智能电参数测量仪使用说明书目录检索第一章................基本原理第二章................型号选择第三章..........主要技术参数及指标第四章.......仪表使用说明及操作方法第五章................操作前准备第六章................装箱清单前言感谢购买【普美/DCUU】智能电参数测试仪(数字功率计,DIGITAL POWER METER),本产品手册包含仪器功能、操作流程等,为确保正确使用本仪器,在操作仪器前请仔细阅读手册。
请妥善保存手册,以便遇到问题能够快速查阅。
注意:1、对本手册的内容如有不同理解,以本公司技术部门的解释为准;2、本手册所描述的内容可能并非包含仪器的所有内容,本公司有权对产品的性能、功能、外观、附件、包装等进行改进或改变,而不另行通知;3、本手册版权归中中山市中翔仪器有限公司所有,其他任何公司或个人不得抄袭本手册。
手册内容有可能改变,恕不另行通知。
安全规定在使用本仪器的所有过程中必须注意下列安全规定,如果不合理使用,仪器所提供的功能可能受损。
本仪器使用了下列标记:高电压警告符号,为了避免人身伤害或损坏仪器,操作者应参照说明书开关接通符号开关断开符号警告勿在爆炸性环境下操作。
不要在放有易燃易爆品的地方使用仪器。
在这种环境下使用任何电气仪器都有可能造成安全伤害。
保护地线打开电源线前确保接好了保护地线以防电机,本仪器接地端为电源插座的地线端。
供电电源打开电源前请确保供电电源电压与额定电压匹配。
勿取下仪器的任何外壳部分有些地方具有高电压,未经特别许可严禁取下仪器外壳和拆卸仪器的任何部件。
第一章基本原理一、原理框图图1原理框图仪器主要由输入(电压、电流输入)、微型计算机、显示和接口部分组成。
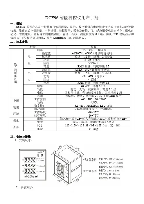
DCE96智能测控仪用户手册一、概述DCE96系列产品是一种具有可编程测量、显示、数字通讯和电能脉冲变送输出等多功能智能仪表,能够完成电量测量、电能计量、数据显示、采集及传输,可广泛应用变电站自动化、配电自动化、智能建筑、企业内部的电能测量、管理、考核。
测量精度为0.5级,实现LED现场显示和远程RS-485数字接口通讯,采用MODBUS-RTU通讯协议。
二、技术参数三、安装与接线1. 安装尺寸:2. 安装方法:1)在固定的配电柜上,选择合适的地方开一个开孔尺寸的安装孔。
2)取出DCE96仪表,松开定位螺丝,取下固定夹。
3)将仪表安装插入配电柜的仪表孔中。
4)插入仪表的固定夹,固定定位螺丝。
3.端子接线:注:L-N为辅助电源具体接线及仪表参数(脉冲常数等)见仪表所带接线图。
3)辅助电源:DCE96系列网络电力仪表具备通用的(AC/DC)开关电源输入接口,若不作特殊声明,提供的是220V(AC/DC)或110V(AC/DC)电源接口的标准产品,仪表极限的工作电源电压为AC/DC:80-270V,请保证所提供的电源适用于该系列产品,以上防止损坏产品。
A、采用交流电源建议在火线一侧安装1A的保险丝。
B、对于电力品质较差的地区中,建议在电源回路安装浪涌抑制器防止雷击,以及快速脉冲群抑制器。
4).输入信号:DCE96采用了每个测量通道单独采集的计算方式,保证了使用时完全一致、对称,其具有多种接线方式,适用于不同的负载形式。
说明:A、电压输入:输入电压应不高于产品的额定输入电压(100V或400V),否则应考虑使用PT,在电压输入端须安装1A 保险丝。
B、电流输入:标准额定输入电流为5A,大于5A的情况应使用外部CT。
如果使用的CT上连有其它仪表,接线应采用串接方式,去除产品的电流输入连线之前,一定要先断开CT一次回路或者短接二次回路。
建议使用接线排,不要直接接CT,以便于拆装。
C、要确保输入电压、电流相对应,相序一致,方向一致;否则会出现数值和符号错误!!(功率和电能)D、仪表输入网络的配置根据系统的CT个数决定,在2个CT的情况下,选择三相三线两元件方式;在3个CT的情况下,选择三相四线三元件方式。
三相智能测控电力仪表操作手册请首先阅读本手册©Copyright reserved安装、使用产品前请先阅读本操作手册,并保留备用121.简述1.1.仪表的功能仪表三相智能表是一款用于中低压系统(6~35kV和0.4kV)的智能化装置,它集数据采集、统计功能于一身,具有交流电参量的测量、电能计量、参数设置、本地操作等功能。
仪表提供通讯功能,支持RS485接口MODBUS通讯协议,与计算机监控系统连接。
1.2.仪表的特点1.2.1.仪表具有强大的数据采集、处理、统计与控制功能●全参数测量:支持三相三线制和三相四线制,具有三相电压、三相电流、零序电流、有功功率、无功功率、视在功率、功率因数、系统频率等全电网参数测量功能。
●计量功能:总、正向、反向有功电能;A/B/C分相绝对值有功电能;总、正向、反向无功电能;A/B/C分相绝对值无功电能;四象限无功电能。
●本地测控:所有电参量、运行状态可本地查看,参数可本地设置.1.2.2.安全性高,可靠性好仪表在设计过程中采用了多种抗干扰措施,能够在复杂的电力系统环境中稳定运行。
静电放电抗扰性符合3级;电快速瞬变脉冲群抗扰性符合3级;浪涌抗干扰性符合4级;面板防护等级符合IP50,壳体防护等级符合IP30。
1.2.3.体积小,安装方便,触摸按键仪表外形尺寸符合DIN96×96标准,壳体深度为82mm,采用自锁面板式安装机构,无需螺丝即可安装。
并采用触摸按键,有寿命长不怕污渍的特点。
1.2.4.系统接线方便灵活系统接线方式有三相四线制3CT(3P4W/3PT+3CT)、三相四线制1CT(3P4W/3PT+1CT)、三相三线制3CT(3P3W/2PT/3PT+3CT)、三相三线制2CT(3P3W/2PT/3PT+2CT)、三相三线制1CT(3P3W/2PT/3PT+1CT)。
1.2.5.显示直观、操作简便大尺寸专用液晶模块可以实时显示多项信息,配合明亮的背光,使操作者在光线差的情况下也能准确阅读数据。
YD2200智能电力测控仪说明书简介YD2200智能电力测控仪单相和三相电网的全部电参数,具有测量控制、显示、谐波分析,最大(小)值记录等功能,由YD2200主机和与配套的四个功以模块组成具体如下:测量3I、3V、3U、PF、F 、P、S、±∑Wh、±∑Qh等参数 大屏幕数码LCD显示通过插入不同的模块,使仪表实现DC4~20mA、开关量、谐波测量、脉冲输出等功能,最多可同时接入4个模块体积小工作环境温度:-15~55℃λ λ λ λ λ 通讯输出模块(型号:YM-485)具有RS485通讯功能,通讯协议为MODBUS-RTU模拟量输出模块(型号:YM-A20)可通过仪表按键或上位机设置成任意一个电参数(如:I、U、P、F等)对应的DC4~20mA变送输出,输出负载能力≤600Ω开关量模块(型号:YM-K2)具有二路开入和二路开出功能,通过连接此模专用可使YD2200实现“三遥”,开出继电器接点容量为220V,5A电能脉冲输出模块(型号:YM-E2)具有有功电能和无功电能脉冲输出功能,每kwh或kvarh对应的脉冲数可在1000~5000个脉冲/kwh(kvar)范围内选择电能脉冲输出模块+谐波分析模块(型号:YM-EX)具有有功电能和无功电能脉冲输出功能,每kwh或kvarh对应的脉冲数可在1000~5000个脉冲/kwh(kvar)范围内选择。
并可实现1~19次谐波分析概述功能YD2200智能电力测控仪(以下简称:YD2200)是一种具有可编程功能、自动化测量、LCD显示、电能累加、数字通讯等功能为一体的智能三相综合电力参数监测仪表。
它将三相交流电量按线性关系转换为规格化的数字量。
它集数字化、智能化、网络化于一身,使测量过程及数据分析处理实现自动化,减少人为失误,能够全面替代电量变送器、电度表、数显仪表、数据采集器等仪器,是组成电气自动化系统的理想产品。
其结构紧凑、电路先进、测量功能强大,是对传统仪表的革命性设计。
NO.S1205103DMP1197智能电力测控仪使用手册(V1.1)南京磐能电力科技股份有限公司NANJING PANENG TECHNOLOGY DEVELOPMENT CO.,LTD.目 录一、概述 (2)二、技术指标 (2)三、接线与安装 (3)四、操作 (6)4.1显示模式按键功能 (6)4.2编程模式下按键功能 (10)4.2.1 进入、退出编程模式 (10)4.2.2 变比、地址(PT、CT、ID) (12)4.2.3 线制设定(NET) (12)4.2.4 波特率设定(BPS) (13)4.2.5 复费率时间段设置(HIGH/LoW) (13)4.2.6 电能脉冲输出设定(IMP) (13)4.2.7 继电器设定(DO) (13)4.2.8 模拟量输出设定(AO) (16)4.2.9 电能累加复位设定(RSTENERGY) (18)一、概述DMP1197智能电力测控仪可测量单相和三相电网的全部电参数,主要测量各相相电流、平均相电流;各相相(线)电压、平均相(线)电压;频率;各相有功功率、总有功功率;各相无功功率、总无功功率;各相视在功率、总视在功率;各相功率因数、总功率因数;某一时间段的各相电流、总有功功率、总无功功率、总视在功率最大值;某一时间段的各相电流、电压谐波分量;正、负有功电能;正、负无功电能;尖、峰、平、谷时段有功电能;尖、峰、平、谷四时段的当前、上次、上上次有功电能;本月、上月、上上月有功电能。
并可根据实际要求,选配各种功能的模块。
二、技术指标三、接线与安装选配模块选配模块接线图注:带2路电能脉冲输出的模块,E1 为正向有功脉冲输出,E2 为无功电能脉冲输出。
外形尺寸四、操作4.1 显示模式按键功能I 切换到电流、电流需量、基波值、总畸变率U 切换到线电压、相电压、基波值、总畸变率P/PF 切换到有功功率、无功功率、视在功率、功率因数F/N1 测量参数子菜单切换,如画面在总畸变率切换到各次谐波含有率N2 电能数据切换和扩展模块子菜单切换E/T 电能和扩展模块数据切换主菜单注:∑+表示正向有功/无功电能 M1 表示上次的平时段有功电能∑-表示负向有功/无功电能 M2 表示上上次的平时段有功电能To 表示尖时段有功电能 Lo 表示谷时段有功电能T0 表示当前的尖时段有功电能 L0 表示当前的谷时段有功电能T1 表示上次的尖时段有功电能 L1 表示上次的谷时段有功电能T2 表示上上次的尖时段有功电能 L2 表示上上次的谷时段有功电能 HI 表示峰时段有功电能 b0 表示本月有功电能H0 表示当前的峰时段有功电能 b1 表示上月有功电能H1 表示上次的峰时段有功电能 b2 表示上上月有功电能H2 表示上上次的峰时段有功电能 L1 表示A 相有功电能MI 表示平时段有功电能 L2 表示B 相有功电能M0 表示当前的平时段有功电能 L3 表示C 相有功电能电流数据查询电压数据查询功率与功率因数数据查询电能数据和扩展模块数据在一行,假设当前在“时间”界面。
_________________________________________________________________智能电参数测量仪IV-1001/1002/1003使用手册___________________________________________第一章概述IV-1001/1002/1003智能电参数测量仪是集电压测试、电流测试、功率测试、功率因数测试于一体的多功能测量仪。
内部采用高速度处理器,是机、电热器具等领域的生产企业的生产线、实验室和质检部门。
IV-1001/1002/1003智能电参数测量仪具有以下特点:1、数字显示,读数直观;2、四窗口同时显示真有效值电压、真有效值电流、峰值电流、功率、功率因数、频率,测试快速;3、电压、电流量程自动转换,提高测量精度;4、测量精度不受波形影响;5、可靠性高,寿命长;*6、可自由设定上下限参数,有合格讯响功率。
批量检测提高效率;第二章基本原理基本原理如图1所示:待测设备图1 基本原理框图如图1所示,仪器由模拟部分和数字部分组成。
模拟部分主要由传感器、程控放大器、采样保持器和A/D 等电路组成。
数字部分包含微型计算机、数据存储器和显示部分组成。
被测电压信号通过电压传感器后,信号降低为弱电压信号,根据信号大小,由微型计算机控制,进行程控放大,并通过采样保持器,由模拟/数字转换器A/D 把电压转换成数字信号,并把数字信号传输至微型计算机,计算出电压真有效值(U RMS )并把数值输出到显示器显示。
被测电流信号通过电流传感器后,信号转换为弱电压信号,同被测电压一样,经过程控放大、采样保持、A/D 转换,在微型计算机里计算出电流真有效值(I RMS )和电流峰值(I p )后并显示。
电压真有效值(U RMS )、电流真有效值(I RMS )、有功功率(P )、功率因数(PF )峰值测量按如下公式计算:上式中N 为以周期内采样的点数(周期取决于被测信号的频率),U i 和I i 为某一采样时刻的数值。
DCE96智能测控仪用户手册一、概述DCE96系列产品是一种具有可编程测量、显示、数字通讯和电能脉冲变送输出等多功能智能仪表,能够完成电量测量、电能计量、数据显示、采集及传输,可广泛应用变电站自动化、配电自动化、智能建筑、企业内部的电能测量、管理、考核。
测量精度为0.5级,实现LED现场显示和远程RS-485数字接口通讯,采用MODBUS-RTU通讯协议。
二、技术参数三、安装与接线1. 安装尺寸:2. 安装方法:1)在固定的配电柜上,选择合适的地方开一个开孔尺寸的安装孔。
2)取出DCE96仪表,松开定位螺丝,取下固定夹。
3)将仪表安装插入配电柜的仪表孔中。
4)插入仪表的固定夹,固定定位螺丝。
3.端子接线:注:L-N为辅助电源具体接线及仪表参数(脉冲常数等)见仪表所带接线图。
3)辅助电源:DCE96系列网络电力仪表具备通用的(AC/DC)开关电源输入接口,若不作特殊声明,提供的是220V(AC/DC)或110V(AC/DC)电源接口的标准产品,仪表极限的工作电源电压为AC/DC:80-270V,请保证所提供的电源适用于该系列产品,以上防止损坏产品。
A、采用交流电源建议在火线一侧安装1A的保险丝。
B、对于电力品质较差的地区中,建议在电源回路安装浪涌抑制器防止雷击,以及快速脉冲群抑制器。
4).输入信号:DCE96采用了每个测量通道单独采集的计算方式,保证了使用时完全一致、对称,其具有多种接线方式,适用于不同的负载形式。
说明:A、电压输入:输入电压应不高于产品的额定输入电压(100V或400V),否则应考虑使用PT,在电压输入端须安装1A 保险丝。
B、电流输入:标准额定输入电流为5A,大于5A的情况应使用外部CT。
如果使用的CT上连有其它仪表,接线应采用串接方式,去除产品的电流输入连线之前,一定要先断开CT一次回路或者短接二次回路。
建议使用接线排,不要直接接CT,以便于拆装。
C、要确保输入电压、电流相对应,相序一致,方向一致;否则会出现数值和符号错误!!(功率和电能)D、仪表输入网络的配置根据系统的CT个数决定,在2个CT的情况下,选择三相三线两元件方式;在3个CT的情况下,选择三相四线三元件方式。
_________________________________________________________________智能电参数测量仪IV-1001/1002/1003使用手册___________________________________________第一章概述IV-1001/1002/1003智能电参数测量仪是集电压测试、电流测试、功率测试、功率因数测试于一体的多功能测量仪。
内部采用高速度处理器,是一种智能式电工仪表。
广泛应用于照明电器、电动工具、家用电器、电机、电热器具等领域的生产企业的生产线、实验室和质检部门。
IV-1001/1002/1003智能电参数测量仪具有以下特点:1、数字显示,读数直观;2、四窗口同时显示真有效值电压、真有效值电流、峰值电流、功率、功率因数、频率,测试快速;3、电压、电流量程自动转换,提高测量精度;4、测量精度不受波形影响;5、可靠性高,寿命长;*6、可自由设定上下限参数,有合格讯响功率。
批量检测提高效率;第二章基本原理基本原理如图1所示:待测设备图1 基本原理框图如图1所示,仪器由模拟部分和数字部分组成。
模拟部分主要由传感器、程控放大器、采样保持器和A/D 等电路组成。
数字部分包含微型计算机、数据存储器和显示部分组成。
被测电压信号通过电压传感器后,信号降低为弱电压信号,根据信号大小,由微型计算机控制,进行程控放大,并通过采样保持器,由模拟/数字转换器A/D 把电压转换成数字信号,并把数字信号传输至微型计算机,计算出电压真有效值(U RMS )并把数值输出到显示器显示。
被测电流信号通过电流传感器后,信号转换为弱电压信号,同被测电压一样,经过程控放大、采样保持、A/D 转换,在微型计算机里计算出电流真有效值(I RMS )和电流峰值(I p )后并显示。
电压真有效值(U RMS )、电流真有效值(I RMS )、有功功率(P )、功率因数(PF )峰值测量按如下公式计算:上式中N 为以周期内采样的点数(周期取决于被测信号的频率),U i 和I i 为某一采样时刻的数值。