全密封全绝缘电压互感器JSZV12-10RG
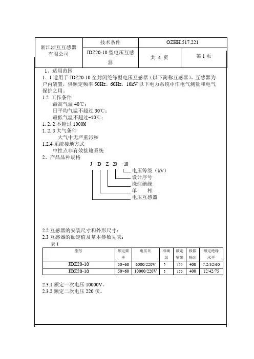
- 格式:pdf
- 大小:55.36 KB
- 文档页数:1
概述与型号含义
LZZBJ12-10A电流互感器供50Hz、10KV及以下电力系统操作电能计量、电流测量与监视及继电保护用。
本产品为全封闭支柱式结构,采用环氧树脂浇注绝缘。
外绝缘爬电比距满足Ⅱ级污秽等级要求。
产品执行GB1208—97《电流互感器》标准。
LZZBJ12-10B电流互感器供50Hz、10KV及以下电力系统操作电能计量、电流测量与监视及继电保护用。
本产品为全封闭支柱式结构,采用环氧树脂浇注绝缘。
外绝缘爬电比距满足Ⅱ级污秽等级要求。
产品执行GB1208—97《电流互感器》标准。
LZZBJ12-10C电流互感器供50Hz、10KV及以下电力系统操作电能计量、电流测量与监视及继电保护用。
本产品为全封闭支柱式结构,采用环氧树脂浇注绝缘。
外绝缘爬电比距满足Ⅱ级污秽等级要求。
产品执行GB1208—97《电流互感器》标准。
本产品为环氧树指浇注全封闭绝缘支柱式电流互感器,额定频率为50HZ,额定电压为10KV的交流线路中作电流、电能测量及继电保护用。
产品性能符合IEC标准和GB20840.2-2014《电流互感器》
额定绝缘水平: 12/42/75kV
负荷功率因数: cosφ=0.8(滞后Lag)
额定频率: 50Hz
额定二次电流:5A/1A
局部放电水平: 符合GB5583-85标准,其局部放电不大于20PC.。
避雷器:HY5WS2-17/50H复合绝缘Y金属氧化物5标称放电电流(kA)W无间隙S配电型(保护配电设施)2设计序号(实际中不起作用,可以忽略)17额定电压50避雷器残压YJLV22-3*400+1*185是什么意思名字比较长你记好:铝芯交联聚乙烯绝缘钢带铠装聚氯乙烯护套电力电缆,后面的数字是横截面积及线芯。
jklyj是什么意思JKV JKLVJKY JKLYJKYJ JKLYJ聚氯乙烯/聚乙烯交联聚乙烯绝缘架空电缆用于架空电力传输等场所。
JKTRYJ软铜芯交联聚乙烯绝缘架空电缆用于变压器引下线。
JKLYJ/Q交联聚乙烯绝缘轻型架空电缆用于架空电力传输等场所。
JKLGYJ JKLGYJ/Q钢芯铝绞线交联聚乙烯绝缘架空电缆用于架空电力传输等场所,并能承受相当的拉力。
LGJ-50-8是什么意思钢芯铝铰线LGJ-50-8其含义:L—铝 G—钢 J—绞 50—铝截面积为50平方毫米 8—钢芯为8平方毫米。
BLV是什么电线什么是BLV电线,到底是一种什么样的电线呢?B系列归类属于布电线,所以开头用B,电压:300/500VV就是PVC聚氯乙烯,也就是(塑料)L就是铝芯的代码R就是(软)的意思,要做到软,就是增加导体根数BV铜芯聚氯乙烯绝缘电线BLV铝芯聚氯乙烯绝缘电线BVR铜芯聚氯乙烯绝缘软电线以上电线结构:导体+绝缘拿2.5mm2为例:BV是1根直径1.78mm和7根0.68两种BLV是1根直径1.78mmBVR是19根直径0.41mmRV铜芯聚氯乙烯绝缘连接软电线它比BVR更软,还是2.5是49根0.25mm铜丝RVV铜芯聚氯乙烯绝缘聚氯乙烯护套连接软电线比RV多了一层塑料护套另外:我们最常用的“护套线”BVVB铜芯聚氯乙烯绝缘聚氯乙烯护套扁型电缆就是2根BV线,在+一层白色的护套电压互感器:JDZ-10 10/0.22KV 0.5级 300VAJ--电压互感器D--单相Z--环氧树脂浇注10--额定电压(kv)0.5级:负荷不超过25VA时,能满足0.5级精度要求10/0.22KV:一次侧10kv,二次侧220v300VA 容量熔断器:XRNP1-10/0.5-50-1XRNP互感器高压限流保护熔断器,作为电压互感器过载及短路的保护元件. 1是设计序号10是互感器一次侧10KV 0.5是2次侧500V50是熔断器额定电流(A)1:熔体(丝或片)额定电流(A)真空断路器:VD4-12/630-31.5VD4-12/630-31.5ABB 真空断路器 VD4是型号12:额定电压12kV630:额定电流630A31.5:短路开断电流31.5A控制开关:LW12-16-D49.6781.7LW--万能转换开关的"万能"的反拼音;12--设计序号;16--开关触头能承受的额定电流D49.6781.7不知道什么意思FLN36-12D/630-20产品说明概述FLN36-12六氟化硫负荷开关是一种以SF6气体为绝缘和灭弧介质的双断口旋转型负荷开关,适用于10KV的配电系统。
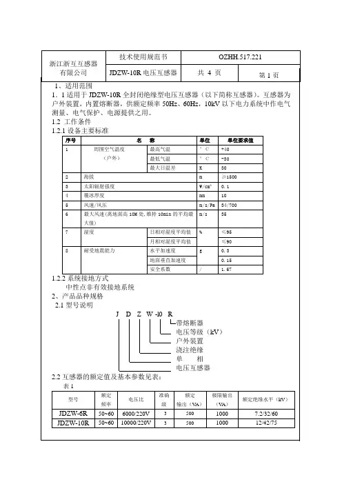
JDZ10-10A1电压互感器(RZL-10)
一、概述
JDZ10-10A1电压互感器为单相、户内、干式全封闭产品,使用时单台或二台一组,JDZ10-3、JDZ10-6、JDZ10-10 二台一组时为V/V连接,JDZF10-3、6、10二台一组时为V/V/V连接。
分别适用于额定频率50Hz或 60Hz,额定电压为3KV, 6KV, 10kV电力系统中作电能计量、电压监控和继电保护用。
二、使用条件
1.海拔高度不超过30003米;
2.周围环境温度不高于+40'C,不低于-5'C;
3.周围空气的相对湿度不大于65%(20'C);
4.满足II级污秽等级;
5.安装场所无腐蚀性的气体
6.额定绝缘水平:JDZ10-6型
7.2/32/60kV 、JDZ10-10型12/42/75kV
三、结构简介
JDZ10-10A1电压互感器为全封闭,绕组为环氧树脂全真空浇注全绝缘结构。
铁芯采用优质硅钢片卷绕而成。
互感器绝缘靠环氧树脂。
产品体积小、重量轻,安装仅占有限空间所有绕组完全浇注在环氧树脂中,具有优良的绝缘性能,耐冲击和机械压力,并可以保护绕组不受潮.一次绕组引出线端子的标志为A, N;二次绕组引出线端子的标志为a, n,均在浇注体上清晰标注。
在夹件上的接地标志旁有接地螺栓供接地用,下部支架供安装用。
整体结构紧凑,使用方便。
四、互感器选型及变比对照表
五、JDZ10-10A1电压互感器安装寸心、外形及接线图
本文地址:/JDZ10-10A1-48.html。
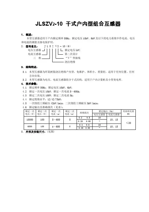
JLSZV2-10干式户内型组合互感器
1.概述:
本型互感器适用于户内额定频率50Hz,额定电压10kV、6kV及以下的电力系统中作电流、电压和电能的测量及继电保护用。
2.型号含义: J L S Z V2 – 10(6)
电压互感器额定电压(kV)
电流互感器第二次设计
三相“V”型接线
浇注绝缘
3.结构特点:
3.1 本型互感器为环氧树脂浇注绝缘户内型,免维护、体积小、重量轻,适用于任何位置、任何
方向安装。
3.2 本型互感器为电压、电流互感器组合干式结构,适用于户内计量柜及小型变电所。
4.技术参数:
4.1 额定频率50Hz,额定电压10kV、6kV;
4.2 额定一次电压10kV,额定一次电流5~600A;
4.3 额定二次电压100V,额定二次电流5A;
4.4 额定绝缘水平:12/42/75kV;
4.5 一次绕组工频耐压42kV/1min,二次绕组工频耐压3kV/1min;
5.外形及安装尺寸:(见图)。
JLSZVW-10型组合互感器适用于额定频率为50Hz或60Hz、额定电压为10kV的交流电力系统中,作有功和无功电能计量用。
产品执行标准为GB 17201《组合互感器》。
型号及其含义正常使用条件安装场所: 户外。
环境温度: 最高40℃;最低-25℃;日平均不能超过30℃。
大气条件: 大气中无严重污秽。
技术参数产品型号额定电压比(kV)电流互感器准确级/额定输出电压互感器准确级/额定输出极限输出(VA)额定绝缘水平(kV)JLSZVW-10 10/0.1 0.2(0.2S)/10VA 0.2/30VA 300VA 12/42/75注:额定电流比、额定电压比准确级及相应的额定输出等参数可按用户要求定制,以铭牌数据为准。
电流互感器额定一次电流:5A、10A、15A、20A、30A、40A、50A、75A、100A、150A、200A、300A、400A、500A、600A、800A、1000A。
电流互感器额定二次电流:5A。
电流互感器短时热电流:75I1n。
电流互感器动稳定电流:187.5I1n。
结构与特点本型组合互感器为一体式全封闭结构,由两台电流互感器和两台电压互感器组成,电压互感器为“V”形接线方式。
采用优质户外环氧树脂浇注成型,具有优良的绝缘性能和防潮能力。
一次出线端子在产品的上部,二次出线端子由接线盒引出。
产品具有安装方便、免维护、防窃电、运行安全可靠和抗大电流冲击能力强的优点。
该产品轮廓清晰,外形美观,并容易做到表面清洁。
产品底板上有接地螺栓及供安装用的四个安装孔。
外形图及安装尺寸。
178概述型号及其含义结构代号额定电压(kV)设计序号加强型带保护级浇注绝缘支柱式电流互感器LZZBJ9-10A、A1G、A2G支柱式全封闭浇注绝缘电流互感器结构特点● 额定绝缘水平:12/42/75kV:● 额定二次电流:5A或1A:● 负荷的功率因数:cosΦ=0.8(滞后)● 仪表保安系数:FS≤10;● 污秽等级:ll级。
技术参数L Z Z B J 9 - 10 A、AIG、A2GLZZBJ9-10A、A1G、A2G型电流互感器是户内环氧树脂浇注支柱式全工况型产品。
在额定频率为50Hz额定电压为10kV及以下的电力系统中作继电保护或电能测量用,其中LZZBJ9-10A1G、A2G装于中置式开关柜或其他型式开关柜中。
产品标准:GB/T 20840.2。
本型电流互感器为支柱式结构,采用环氧树脂全封闭浇注,耐污染及潮湿,也适宜于热带地区。
互感器不需要特别维护,只需定期地清除表面污物。
由于电流互感器采用环氧树脂全封闭浇注。
尺寸小、质量小。
适宜于任何位置、任意方向安装。
LZZBJ9-10A 型电流互感器技术参数LZZBJ9-10A 、A1G 、A2G支柱式全封闭浇注绝缘电流互感器高压电器179180LZZBJ9-10A2G 型电流互感器技术参数注:如果用户要求的参数超出上表范围,请与我公司协商后确定。
LZZBJ9-10A 、A1G 、A2G支柱式全封闭浇注绝缘电流互感器外形及安装示意图LZZBJ9-10A 、A1G 、A2G支柱式全封闭浇注绝缘电流互感器高压电器181LZZBJ9-10A800-2000/5800-2000/5改小型182LZZBJ9-10A 、A1G 、A2G支柱式全封闭浇注绝缘电流互感器LZZBJ9-A2G800-2000/53000-5000/5。
JLSZVW-10组合互感器适用于额定频率为50Hz或60Hz、额定电压为10kV的交流电力系统中,作有功和无功电能计量用。
安装场所: 户外。
环境温度: 最高40℃;最低-25℃;日平均不能超过30℃。
大气条件: 大气中无严重污秽。
FUJIDQ本型组合互感器为一体式全封闭结构,由两台电流互感器和两台电压互感器组成,电压互感器为“V”形接线方式。
采用优质户外环氧树脂浇注成型,具有优良的绝缘性能和防潮能力。
一次出线端子在产品的上部,二次出线端子由接线盒引出。
产品具有安装方便、免维护、防窃电、运行安全可靠和抗大电流冲击能力强的优点。
该产品轮廓清晰,外形美观,并容易做到表面清洁。
产品底板上有接地螺栓及供安装用的四个安装孔。
产品型号额定电压比(kV)电流互感器准确级/额定输出电压互感器准确级/额定输出极限输出(VA)额定绝缘水平(kV)JLSZVW-10 10/0.1 0.2(0.2S)/10VA 0.2/30VA 300VA 12/42/75 注:额定电流比、额定电压比准确级及相应的额定输出等参数可按用户要求定制,以铭牌数据为准。
电流互感器额定一次电流:5A、10A、15A、20A、30A、40A、50A、75A、100A、150A、200A、300A、400A、500A、600A、800A、1000A。
电流互感器额定二次电流:5A。
电流互感器短时热电流:75I1n。
电流互感器动稳定电流:187.5I1n。
订货时请提供以下参数:产品型号。
额定电流比A。
额定电压比kV。
准确级组合及额定输出VA。
电流互感器的型号由字母符号及数字组成,通常表示电流互感器绕组类型、绝缘种类、使用场所及电压等级等。
字母符号含义如下:第一位字母:L ——电流互感器。
第二位字母:M ——母线式 (穿心式 ; Q ——线圈式; Y ——低压式; D ——单匝式; F ——多匝式; A ——穿墙式; R ——装入式; C ——瓷箱式。
第三位字母:K ——塑料外壳式; Z ——浇注式; W ——户外式; G ——改进型;C ——瓷绝缘; P ——中频。
第四位字母:B ——过流保护;D ——差动保护; J ——接地保护或加大容量; S ——速饱和; Q ——加强型。
字母后面的数字一般表示使用电压等级。
LMK-0.66表示电压等级为 660V 的穿心式、塑料外壳式电流互感器LMZ-0.66表示电压等级为 660V 的穿心式、浇注式电流互感器BH-0.66采用不同的命名方式, B 表示塑壳密封式, H 表示电流互感器。
. 电流互感器及电压互感器型号含义说明PT 型号含义说明第 1位:J — PT第 2位:D —单相; S —三相; C —串级; W —五铁芯柱第 3位:G —干式; J —油浸; C —瓷绝缘; Z —浇注绝缘; R —电容式; S —三相第 4位:W —五铁芯柱; B —带补偿角差绕组;连字符号后面:GH —高海拔; TH —湿热区CT 型号含义说明第 1位:L — CT第 2或 3位:A —穿墙式; M —母线型; B —支柱式; C —瓷绝缘; S —塑料注射绝缘;D —单匝贯穿式; W —户外式; F —复匝式; G —改进型; Y —低压式; Z —浇注绝缘式支柱式; Q —母线型; K —塑料外壳; J —浇注绝缘或加大容量第 4或 5位:B —保护级; C —差动保护; D — D 级; J —加大容量; Q —加强型例:LZZBJ9-10A3GL 电流互感器 Current transformerZ 支柱式 Post typeZ 浇注式 Casting typeB 带保护级 Wity protective classJ 加强型 Reinforced type9 设计序号 Design Number10 额定电压(kV Highest voltage for equipment(kVA3G 结构代号 Structure codeLFZ-10QL 电流互感器 Current transformerF 复匝式Z 浇注式 Casting type10 额定电压(kV Highest voltage for equipment(kVQ 结构代号 Structure codeLZZ-10L 电流互感器 Current transformerZ 支柱式 Post typeZ 浇注式 Casting type10 额定电压(kV Highest voltage for equipment(kVLMZB7-10GYW1L 电流互感器 Current transformerM 母线式 Busbar typeZ 浇注式 Casting typeB 带保护级 Wity protective class7 设计序号 Design Number10 额定电压(kV Highest voltage for equipment(kV GYW1 高原污秽 Plateau Dirty LDZB6-10Q 来源 :L 电流互感器 Current transformerD 单匝式Z 浇注式 Casting typeB 带保护级 Wity protective class6 设计序号 Design Number10 额定电压(kV Highest voltage for equipment(kV Q 结构代号 Structure code LDJ2-10L 电流互感器 Current transformerD 带触头盒J 加强型 Reinforced type6 设计序号 Design Number10 额定电压(kV Highest voltage for equipment(kVLZZJ-10L 电流互感器 Current transformerZ 支柱式 Post typeZ 浇注式 Casting typeJ 加强型 Reinforced type10 额定电压(kV Highest voltage for equipment(kVLFSQ-10QL 电流互感器 Current transformerF 封闭式 Hermetical typeS 手车式 Handcart typeQ 加强型 Reinforced type10 额定电压(kV Highest voltage for equipment(kV Q 结构代号 Structure codeLCZ-35QL 电流互感器 Current transformerC 手车式 Handcart type 请登陆 :输配电设备网浏览更多信息 Z 浇注式 Casting type35 额定电压(kV Highest voltage for equipment(kVQ 结构代号 Structure codeJDZ(X-3,6,10J 电压互感器 Voltage transformerD 单相 Single phaseZ 浇注式 Casting typeX 带剩余电压绕组 With residual voltage winding 3,6,10 电压等级(kV Voltage class(kVJDZ(X10-3,6,10J 电压互感器 Voltage transformerD 单相 Single phaseZ 浇注式 Casting typeX 带剩余电压绕组 With residual voltage winding 10 设计序号 Design Number3,6,10 电压等级(kV Voltage class(kVJDZF7-10GYW1J 电压互感器 Voltage transformerD 单相 Single phaseZ 浇注式 Casting typeF 带剩余电压绕组 With residual voltage winding 7 设计序号 Design Number10 电压等级(kV Voltage class(kVGYW1 高原污秽 Plateau DirtyLM2-06.05型电流互感器是“ 树脂浇注式电流互感器”L--电流互感器M--母线型2--设计序号06--额定电压为 0.6KV05--额定电压为 0.5KVAS12/150b/2S型电流互感器是“ 环氧树脂全封闭支柱式电流互感器” 它的国内型号为:LZZBJ9-12150b/2SL —电流互感器Z —支柱式Z —浇注绝缘B —带保护级J —加大容量9—设计序号12—额定电压(12KV150b —浇注体宽度为 150mm2S —热稳定电流时间AS12/175b/2S型电流互感器也是“ 环氧树脂全封闭支柱式电流互感器” 它的国内型号为:LZZBJ9-12175b/2S与上面的区别在于它的浇注体宽度变为 175mmLAZBJ-12型电流互感器是“ 穿墙式全封闭电流互感器”L —电流互感器A —穿墙式Z--浇注绝缘B —带保护级J —加大容量12—额定电压(12KV一般来说,国产电流互感器型号字母的含义如下:第一个字母:L--电流互感器第二(或三个字母:A--穿墙式; M--母线型; B--支柱式;绝缘方面, C 为瓷绝缘, S 为塑料注射绝缘; D--单匝贯穿式; W--户外式; F--复匝式; G--改进型; Y--低压式; Z--浇注绝缘或支柱式; Q--母线型; K--塑料外壳; J--浇注绝缘或加大容量。