2015版中国药典 红花中的羟基红花黄色素A的测定
- 格式:doc
- 大小:52.00 KB
- 文档页数:1
HPLC法测定红花地上部分羟基红花黄色素A和木犀草素的含量王秀梅;韩晓静;白梅荣;关永仙【摘要】目的:建立红花地上部分中羟基红花黄色素A和木犀草素的含量测定方法。
方法:采用HPLC法,色谱柱为Eclipse plus-C18柱(5μm,4.6mm×150mm),流动相为甲醇-0.7%磷酸梯度洗脱,流速:1.0 ml/min,检测波长390nm,柱温30℃。
结果:羟基红花黄色素A在0.03μg/ml~0.19μg/ml,(r =0.9999);木犀草素在0.13μg/ml~0.80μg/ml,(r=0.9995)范围内有良好的线性关系,平均回收率为99.99%,98.95%(n=6)。
结论:该方法简便、快捷、准确、重复性好,可用于羟基红花黄色素A和木犀草素的含量测定。
%objective:To establish a HPLC method for determination the content of Hydroxysafflor yellow A and Luteolin in aerial part of Carthamus tinctorius L .Method:Determining the Hydroxysafflor yellow A and Luteolin in aerial part of Carthamus tinctorius L by HPLC on Eclipse plus-C18column (5μm,4.6mm ×150mm)and with methanol-0.7%phosphoric acid gradient elution and the flow rate of 1.0ml·min-1 .The detective wavelength was 390nm,and the temperature of the column was 30℃.Result:The obvious linear relationship were showed between the input mass of Hydroxysafflor yellow A and Luteolin as re ference substance ranging from 0. 03to 0.19μg and from 0.13 to 0.80μg;The average recovery of Hydroxysafflor yellow A is 99.99% and The average recovery of Luteolin is 98.95%(n=6).Conclusion:The method is simple,rapid,accurate and possesses good reproducibility.It can be used for determining the content ofHydroxysafflor yellow A and Luteolin in aerial part of Carthamus tinctorius L.【期刊名称】《中国民族民间医药》【年(卷),期】2014(000)008【总页数】2页(P29-30)【关键词】红花;高效液相色谱法;羟基红花黄色素A;木犀草素;含量测定【作者】王秀梅;韩晓静;白梅荣;关永仙【作者单位】内蒙古民族大学,内蒙古通辽 028000;内蒙古民族大学,内蒙古通辽 028000;内蒙古民族大学,内蒙古通辽 028000;内蒙古民族大学,内蒙古通辽028000【正文语种】中文【中图分类】R284.1红花为菊科植物红花CarthamustinctoriusL.的干燥花,对于花的主要成分,国内外的许多学者进行了比较深入的研究[1],从红花中分离得到的化学成分有醒式查尔酮普类,黄酮类,生物碱类,木脂素类,有机酸类,烷基二醇类化合物等。
高效液相色谱法测定参麦散结胶囊中羟基红花黄色素A的含量袁常珍;梅刚【摘要】OBJECTIVE:To establish the method for the content determination of hydroxysafflor yellow A in Shenmaisanjie capsules by high performance liquid chromatography (HPLC).METHODS:The chromatographic column was ZORBAX SB-C18 (250 mm ×4.6 mm,5 μm), the mobile phases consist of methanol-acetonitrile-0.7% phosphoric acid (V:V:V=23:2:75), with detective wavelength of 403 nm and flow rate of 1.0 ml/min, the column temperature was 35℃.RESULTS:The calibration curve of hydroxys afflor yellow A was linear over the range of 24.25μg/ml-121.25μg/ml(r=0.9995,n=5).The average recovery rate was 97.93%,RSD=1.64%(n=6).CONCLUSIONS: The method is simple, rapid and accurate with good reproducibility and can be used for the quality control of the preparation .%目的:建立高效液相色谱法测定参麦散结胶囊主药红花中羟基红花黄色素A的含量.方法:色谱柱为ZORBAX SB-C18柱(250 mm×4.6 mm,5μm),流动相为甲醇-乙腈-0.7%磷酸溶液(V:V:V=23:2:75),检测波长为403 nm,流速为1.0 ml/min,柱温为35℃.结果:羟基红花黄色素A的质量浓度在24.25~121.25μg/ml范围内具有良好的线性关系(r=0.9995,n=5),平均回收率为97.93%,RSD为1.64%(n=6).结论:本方法简便快速、准确、重复性好,可用于该制剂的质量控制.【期刊名称】《中国医院用药评价与分析》【年(卷),期】2017(017)003【总页数】3页(P377-378,384)【关键词】高效液相色谱法;参麦散结胶囊;羟基红花黄色素A;含量测定【作者】袁常珍;梅刚【作者单位】泸州市食品药品检验所中药室,四川泸州 646000;四川省泸县中医医院药剂科,四川泸州 646000【正文语种】中文【中图分类】R927.2参麦散结胶囊是由党参、麦冬、酸枣仁、红花等9味中药制成的中药复方制剂,由泸州医学院(即西南医科大学附属医院)制剂室生产,具有益气养阴、软坚散结、活血化瘀等功效,适用于颈部包块、心悸自汗、神疲乏力、气短等甲状腺肿大见上述症状者,其疗效显著,在临床应用广泛。
HPLC同时测定红花药材中4种化学成分含量目的建立HPLC同时测定红花药材中羟基红花黄色素A、芦丁、槲皮素、山柰素4种化学成分含量的方法。
方法采用Agilent ZORBAX SB-C18色谱柱(4.6 mm×250 mm,5 ?m),DAD检测器,以0.5%磷酸溶液(A)-甲醇(B)进行梯度洗脱,柱温为30 ℃,流速为0.8 mL/min,进样量为10 ?L,检测波长为360 nm。
结果羟基红花黄色素A在0.077 6~0.776 0 ?g(r=0.999 9)、芦丁在0.046 0~0.460 0 ?g(r=0.999 6)、槲皮素在0.006 4~0.064 0 ?g(r=0.999 9)、山柰素在0.012 8~0.128 0 ?g(r=0.999 7)范围内呈良好线性关系。
羟基红花黄色素A、芦丁、槲皮素、山柰素的平均回收率分别为99.68%、99.78%、102.03%、97.03%,RSD(n=6)分别为2.29%、1.52%、1.02%、2.05%。
结论该法简便、准确,灵敏度高,稳定性和重复性好,可用于红花药材的质量控制。
Abstract:Objective To establish an HPLC method for the simultaneous determination of hydroxysafflor yellow A,rutin,quercetin,and kaempferol in Carthamus tinctorius L.. Methods The Agilent ZORBAX SB-C18 column (4.6 mm ×250 mm,5 ?m)was used with diode array detection. The mobile phase was 0.5% phosphoric acid (A)and methanol (B)to separate the four components by gradient elution at 30 ℃;the flow rate was 0.8 mL/min;the injection volumn was 10 ?L;the detection wavelength was at 360 nm. Results The linear ranges of hydroxysafflor yellow A,rutin,quercetin,and kaempferol were 0.077 6–0.776 0 ?g (r=0.999 9),0.046 0–0.460 0 ?g (r=0.999 6),0.006 4–0.064 0 ?g (r=0.999 9)and 0.012 8–0.128 0 ?g (r=0.999 7),respectively. The average recoveries of four components were 99.68% with RSD=2.29% (n=6),99.78% with RSD=1.52% (n=6),102.03% with RSD=1.02% (n=6),97.03% with RSD=2.05% (n=6),respectively. Conclusion The method is convenient,accurate,sensitive,stable and repeatable,which can be a method for quality control of Carthamus tinctorius L..Key words:Carthamus tinctorius L.;hydroxysafflor yellow A;rutin;quercetin;kaempferol;HPLC紅花为菊科红花属植物红花Carthamus tinctorius L.的干燥花,始载于《开宝本草》,在我国已有多年栽培和药用历史,主要分布在新疆、河南、四川、云南、浙江等地[1]。
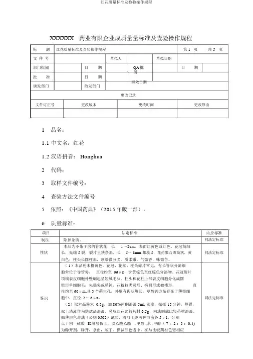
XXXXXX药业有限企业成质量量标准及查验操作规程标题红花质量标准及查验操作规程文件号部门批阅日期批准日期颁发部门散发部门草拟人QA批阅奏效日期草拟日期第 1页日期共5页更改记录文件订正号更改版本更改时间更改原由1品名:1.1 中文名:红花1.2 汉语拼音: Honghua2代码:3取样文件编号:4查验方法文件编号5依照:《中国药典》(2015年版一部)。
6质量标准:项目制法性状鉴识法定标准除掉杂质。
本品为不带子房的管状花,长l ~2cm。
表面红黄色或红色。
花冠筒细长,先端 5裂,裂片呈狭条形,长5~ 8mm;雄蕊 5,花药聚合成筒状,黄白色;柱头长圆柱形,顶端微分叉。
质柔嫩。
气微香,味微苦。
( 1)本品粉末橙黄色。
花冠、花丝、柱头碎片常见,有长管状分泌细胞常位于导管旁,直径约至66μm,含黄棕色至红棕色分泌物。
花冠裂片顶端表皮细胞外壁崛起呈短绒毛状。
柱头和花柱上部表皮细胞分化成圆锥形单细胞毛,先端尖或稍钝。
花粉粒类圆形、椭圆形或橄榄形,直径约至 60μm,具 3个萌生孔,外壁有齿状崛起。
草酸钙方晶存在于薄壁细胞中,直径 2~ 6μm。
内控标准同法定标准同法定标准同法定标准(2)取本品粉末 0.5g,加 80%丙酮溶液 5ml, 密塞,振摇 15分钟,静置,取上清液作为供试品溶液。
另取红花比较药材 0.5g,同法制成比较药材溶液。
照薄层色谱法(公则 0502)试验,汲取上述两种溶液各 5μl,分别点于同一硅胶H薄层板上,以乙酸乙酯-甲酸 -水 -甲醇( 7 :2 :3 :0.4)为睁开剂,睁开,拿出,晾干。
供试品色谱中,在与比较药材色谱相应红花质量标准及查验操作规程第2页共5页检查浸出物含量测定的地点上,显同样颜色的斑点。
杂质不得过 2% (公则 2301 ) 。
水分不得过 13.0% ( 公则 0832 第二法)。
总灰分不得过 15.0% ( 公则 2302 )酸不溶性灰分不得过 5.0% ( 公则 2302 ) 。
22Journal of Medicine and Pharmacr of Chinese Minorities June2019,Vol.25No.6方药纵横市售中蒙药材红花质量现状研究分析张弊丁华孟美英杨洋李珍(鄂尔多斯市药品医疗器械检验研究中心,内蒙古鄂尔多斯017000)摘要:目的:对市售49批次红花进行全项检验,分析市舊红花的质量状况。
方法:以《中国药典》2015版红花质量标准为检验方法依据和结果判定依据。
结果:检出5批次不合格样晶,红花的质量问题主要出现在总灰分、酸不溶性灰分、浸出物、務基红花黄色素A含量测定、山奈素含量测定这5个项目上,结论:49批次的红花样話的不合格率为10.20%,较为全面地分析了市售中蒙药材红花质量状况,为红花的质量监督方向提供参考。
关键词:红花;務基红花黄色素A;山奈素;质量分析中图分类号:R291.2文献标识码:B文章编号:1006-6810(2019)06-0022-02红花为菊科植物红花(Carthamus tinctorius L.)的干燥花叫红花是我国著名的药用植物,从植物基原上讲,红花在我国属单一栽培引进种。
红花蒙药名为古日古木,是蒙成药方中常用的一味蒙药材。
红花在我国的主产区为新疆,在四川、河南、河北、云南以及江苏等地也有种植叫目前,国内外学者对红花及其主要成分红花黄色素、轻基红花黄色素A 等在抗脑缺血、抗心肌损伤、抗血栓、抗氧化、抗细胞凋亡、抗炎、抗肿瘤等方面的药理效应和作用机制进行了广泛而深入的研究,为红花的临床应用提供了依据叫本研究从药材市场、药店、医院购买收集了49批次红花,以《中国药典>(2015年版)一部⑷为检验依据进行全项检验,通过性状、显微鉴别、薄层鉴别、水分、总灰分、酸不溶性灰分、吸光度、红色素、浸出物、轻基红花黄色素A含量测定、山奈素含量测定等11项检验,对市售的蒙药材红花进行质量分析。
1仪器与试药安捷伦1200高效液相色谱仪(DAD检测器),电子天平(梅特勒AL204-IC),电子显微镜(莱卡LEICA DM3000)。
HPLC法测定红花跌打胶囊中羟基红花黄色素A的含量刘传玲;孙志义;高然;刘冰【摘要】Objective To establish a method for the determination of hydroxy safflower A in Honghuadieda Capsule by HPLC method.Methods HPLC method was applied to the determination:a C18(4.6 mm×250 mm,5 μm) column was used with the mobile phase of methanol-acetonitrile-0.7% phosphoric acid(26:2:72),the detection wavelength was 403 nm.Results By a systematic investigation with methodology and determination of 3 batches of samples,the HPLC method to determination of hydroxys afflower A was established.The linear range was 0.001 2~0.121 7 mg·mL-1,the average recovery was 99.5%.The regression equation was Y=584.79X-0.160 4,r=1.Conclusion The method was simple,accurate,rapid and with good reproducibility,and can be used for the quality control of hydroxy safflower A in Honghuadieda Capsule.%目的建立高效液相色谱法测定红花跌打胶囊中羟基红花黄色素A的含测方法.方法采用高效液相色谱法,紫外检测器C18柱(4.6 mm×250 mm,5 μm),以甲醇-乙腈-0.7%磷酸溶液(26:2:72)为流动相,检测波长为403 nm,对样品中的羟基红花黄色素A进行测定.结果通过方法学的系统考察和3批样品的含量测定,建立了制剂中羟基红花黄色素A的高效液相色谱的含量测定方法:线性范围为0.001 2~0.121 7 mg·mL-1,平均回收率99.5%.回归方程Y=584.79X-0.160 4,r=1.结论本方法简便,快速,准确,灵敏度高,重复性好,可用于红花跌打胶囊中羟基红花黄色素A含量的测定.【期刊名称】《药学研究》【年(卷),期】2017(036)004【总页数】3页(P206-208)【关键词】红花跌打胶囊;高效液相色谱法;羟基红花黄色素A;含量测定【作者】刘传玲;孙志义;高然;刘冰【作者单位】威海市食品药品检验检测中心,山东威海 264200;威海市文登区人民医院,山东文登264200;山东迪沙药业有限公司,山东威海 264200;威海职业学院,山东威海264200【正文语种】中文【中图分类】R927.2红花跌打胶囊是医院制剂,本制剂处方由红花、当归、乳香等十二味中药组成。
注射用红花黄色素Zhusheyong Honghuahuangsesu本品为红花黄色素经冷冻干燥制成的无菌粉末。
【制法】取红花黄色素适量(按含总黄酮80g计),甘露醇40~60g,以注射用水溶解,滤过,最后用0.22μm微孔滤膜过滤,分装于1000瓶,冷冻干燥,即得。
【性状】本品为黄色至橙黄色的疏松块状物。
【鉴别】取本品,加水制成每1ml含1mg的溶液,作为供试品溶液,另取羟基红花黄色素A 对照品,加水制成每1ml含0.5mg的溶液,作为对照品溶液。
照薄层色谱法(中国药典2015年版通则0502)试验,吸取上述两种溶液各lμl,分别点于同一聚酰胺薄膜上,以甲醇-水-冰醋酸(5∶4∶1)为展开剂,展开,取出,晾干,在紫外光(365nm)下检视。
供试品色谱中,在与对照品色谱相应的位置上,显相同颜色的荧光斑点。
【检查】pH值取本品,加水制成每1ml含1mg的溶液,依法测定(中国药典2015年版通则0631),应为5.0~7.0。
水分精密称取本品0.5g,照水分测定法(中国药典2015年版通则0832第三法)测定,水分不得过5.0%。
可见异物取本品5支,分别用经0.45μm微孔滤膜过滤的注射用水5ml溶解,依法检查(中国药典2015年版通则0904第一法及可见异物检查法补充规定)。
应符合规定。
蛋白质取本品,加水制成每1ml含1mg的溶液,取该溶液1m1,滴加鞣酸试液1~3滴,不得产生浑浊。
鞣质取本品,加水制成每1ml含1mg的溶液,取该溶液1m1,加新鲜配制的含1%鸡蛋清的生理盐水5ml,放置10分钟,不得出现浑浊或沉淀。
草酸盐取本品,加水制成每1ml含1mg的溶液,取该溶液2ml,加3%氯化钙试液2~3滴,放置10分钟,不得出现浑浊或沉淀。
钾离子取本品1瓶,加水制成250ml溶液。
取2ml,依法测定(中国药典2015年版通则2400)。
应符合规定。
无菌取本品,用薄膜过滤法处理依法检查(中国药典2015年版通则1101),应符合规定。
RP-HPLC法测定不同品种红花中羟基红花黄色素A和山柰素的含量肖琼;朱军;李晓瑾;石明辉【摘要】采用<中华人民共和国药典>中高效液相色谱法测定红花47个品种中羟基红花黄色素A和山柰素的含量.评价红花品种的品质,为推广优良品种提供科学依据.结果表明:Bxy0047羟基红花黄色素A含量最高达4.3%;Bxy0064-1山柰素含量最高达0.250%;Bxy 0047花的产量最高为13.11 kg/667 m2;Bxy 0083-1种子产量最高为197.03 kg/667 m2.综合考虑各方面因素,可选育:Bxy 0073-1、Bxy0083-1、Bxy 0077-1、Bxy 0146-1、Bxy 0147-1、Bxy 0080-1、Bxy 0079-1等品种.【期刊名称】《种子》【年(卷),期】2010(029)011【总页数】3页(P70-72)【关键词】红花;羟基红花黄色素A;山柰素;高效液相色谱法【作者】肖琼;朱军;李晓瑾;石明辉【作者单位】新疆医科大学中医学院,乌鲁木齐,830054;新疆维吾尔自治区中药民族药研究所,乌鲁木齐,830002;新疆维吾尔自治区中药民族药研究所,乌鲁木齐,830002;新疆维吾尔自治区中药民族药研究所,乌鲁木齐,830002【正文语种】中文【中图分类】S.567红花是传统常用中药材,为菊科植物红花(Carthamus tinctorius L.)的干燥花,夏季盛花期采摘,阴干或晒干[1]。
红花的化学成分中黄酮醇类和查耳酮类较多[2]。
具有活血通经、化淤止痛的功效,对冠心病、血管栓塞性疾病、高血压、糖尿病并发症均有疗效,并具有镇痛、抗炎和抗肿瘤作用[3,4]。
我国新疆、四川、河南、浙江等地都有栽培,其中新疆的种植面积和产量约占全国的80%[5]。
红花籽油中亚油酸含量高,有明显降低血脂、软化血管的作用,具有医疗和保健价值[6]。
本文采用《中华人民共和国药典》“红花”有效成分检测指标为标准,评价47种不同品种红花的品质,为红花药材栽培优良品种选育与推广提供科学依据。
羟基红花黄色素A的提取及含量测定*杨辉1**,阿依吐伦#斯马义1***,吴桂荣1,杨晓君2(1新疆医科大学药学院药物化学教研室,新疆乌鲁木齐830011;2新疆农业大学药学院,新疆乌鲁木齐830052)摘要:目的:对羟基红花黄色素A进行提取工艺改进。
方法:采用ZT C-Ò型澄清剂甲、D-4020型大孔吸附树脂和Sephadex L H-20柱层析法,从红花中提取分离羟基红花黄色素A单体,采用高效液相色谱法(H PL C)测定羟基红花黄色素A的含量。
结果:采用H PL C法测定羟基红花黄色素A的平均含量为97.3%。
结论:此工艺具有成本低、纯度较高的优点,可以作为羟基红花黄色素A的提取工艺使用。
关键词:红花;羟基红花黄色素A;提取工艺;H PL C中图分类号:R914;R927.2;Q949.783.5文献标识码:A文章编号:1009-5551(2008)10-1358-03 Study on extracted technology of hydroxysafflor yellow A in Carthamus tinctriusYANG Hui,Ayitulun#Simayi,W U Gu-i rong,et al(College of Phar macy,X inj iang M edical Univer sity,Ur umqi830011,China)Abstract:Objective:T o establish the technolo gy o f ex tr actio n o f H SYA.Methods:Detected the content of H SYA in Emin Carthamus tinctr ius L.by using the H PLC method.Extracted and separated H SYA from Carthamus tinctorius L.by using clarifier,D-4020macr opo rous resin column chrom ato graphy and Sepha-dex LH-20chromatog raphy.Results:T he m ean purity o f H SYA w as97.3%.Conclusion:T he techno logy makes clear that the m ethod w as cheap and the purity is hig her.T his technique is suitable to prepare H SYA.Key words:Carthamus tinctrius L.;hydrox ysafflor yellow A;extracted technolog y;high perform ance liq-uid chrom atog raphy红花为菊科植物(Car thamus tinctor ius L.)红花的干燥管状花。
谈宣痹洗剂中羟基红花黄色素A 的含量测定宣痹洗剂是由威灵仙、红花等药材经水煎煮制成的复方制剂,具有散寒除湿、活血止痛之功效,临床用于治疗痹症寒湿闭阻、淤血阻络证,症见膝关节疼痛,局部畏恶风寒、活动不利、蹲起困难,下肢沉重,晨僵,舌淡苔白,脉弦;膝关节骨关节炎见上述证候者。
红花为本方臣药,是菊科植物红花Carthamus tinctorius L.的干燥花,《本草纲目》中记载红花有活血、润燥、止痛、散肿、通经之功效,因此备受国内外学者关注。
红花所含成分主要为色素、黄酮类、挥发油、脂肪酸、酚酸等。
其中羟基红花黄色素A,是红花活血化瘀有效成分之一,其在1993 年被Meselhy 等人首次分离得到,是红花黄色素的主要成分,《中国药典》20XX 年版一部规定以其作为红花中的代表性活性成分进行含量测定,多被用于红花相关制剂质量标准的含测指标。
为保证药品质量,本研究对宣痹洗剂中羟基红花黄色素A 的含量测定进行了研究,采用正交设计优化了正丁醇萃取的前处理方法,结果表明,该方法简便、准确、重复性好,可用于该制剂的质量控制。
1 仪器与试药1.1 仪器1100 型高效液相色谱仪(UV 检测器,美国Aglient公司);AE-240 型电子天平(瑞士Mettler 公司)。
1.2 试药羟基红花黄色素A 对照品(中国食品药品检定研究院,批号:111637-20XX02);宣痹洗剂样品(批号:121201、121202、121203)由中国中医科学院望京医院制剂中心提供;甲醇为色谱纯,实验用水为纯净水,其他试剂均为分析纯。
2 方法与结果2.1 色谱条件采用Waters Symmetry Shiled-RP18(150mm4.6mm,5 m)色谱柱,以0.1%磷酸甲醇-0.1%磷酸(29∶71)为流动相,流速1 mL/min,检测波长403 nm,柱温25℃。
2.2 对照品溶液的制备精密称取羟基红花黄色素A 对照品适量,加25%甲醇制成每1 毫升含10.0 g 的溶液,摇匀,即得。
HPLC法测定德都红花七味丸中羟基红花黄色素A的含量苏日塔拉图;阿如娜
【期刊名称】《中国民族医药杂志》
【年(卷),期】2016(022)007
【摘要】目的:建立红花中羟基红花黄色素A的含量测定方法.方法:采用高效液相色谱法.应用Hypersil ODS C18 (250×4.6mm,5μm)色谱柱;以甲醇:乙腈:0.7%磷酸水(26:2:72)为流动相;流速为1.0mL·min-1;检测波长为403nm;柱温为30°C.结果:羟基红花黄色素A在0.068~0.408ug范围内,与峰面积具有良好的线性关系.羟基红花黄色素A的平均回收率为97.66%,RSD为1.73%(n=6).结论:该方法精密度高,分离度好,可用于红花中羟基红花黄色素A的含量测定.
【总页数】3页(P61-63)
【作者】苏日塔拉图;阿如娜
【作者单位】内蒙古民族大学附属医院,内蒙古通辽市028007;内蒙古民族大学附属医院,内蒙古通辽市028007
【正文语种】中文
【中图分类】R291.2
【相关文献】
1.HPLC法测定五味清浊丸中羟基红花黄色素A的含量 [J], 孙瑛;何春龙;王焕芸
2.HPLC法测定蒙药壮西六味丸中羟基红花黄色素A(hsypA)含量 [J], 蔡芳;杨宏昕;任晓伟
3.HPLC法测定新红花-8味丸中羟基红花黄色素A的含量 [J], 白凤英
4.HPLC法测定蒙成药小儿清肺八味丸中羟基红花黄色素A的含量 [J], 郝美玲; 赵丽娜; 籍学伟; 王玉华
5.HPLC法测定七味红花殊胜丸中羟基红花黄色素A的含量探讨 [J], 吴宗耀;魏丹丹;朱星昊;银政;仁增;蒋士卿
因版权原因,仅展示原文概要,查看原文内容请购买。
2023年度中药学类之中药学(中级)通关考试题库带答案解析单选题(共57题)1、熟地黄的功效是A.清热生津,凉血止血B.清热凉血,养阴生津C.滋阴补血,益精填髓D.凉血止血E.补血止血【答案】 C2、蟾酥的内服用量按照2010年版《中华人民共和国药典》是A.0.09gB.0.015~0.03gC.0.05gD.0.1gE.0.6g【答案】 B3、每张应用到麻醉药品注射剂的处方,其用量A.不得超过1日常用量B.不得超过5日常用量C.不得超过2日常用量D.不得超过7日常用量E.不得超过3日常用量【答案】 C4、下列对胶剂干燥的论述错误的是A.在日光下晒干或烘箱中烘干B.胶片置于晾胶室内,摊放在晾胶架上C.一般需晾胶、闷胶交替反复2~3次D.摊放在竹帘上,置于微风阴凉处E.一般每隔3~5天将胶片翻动一次【答案】 A5、下列方剂组成药物不含五味子的是A.生脉散B.四神丸C.都气丸D.酸枣仁汤E.小青龙汤【答案】 D6、关于中药处方叙述错误的是A.是载有中药名称、数量、煎服;1.用法等内容和制备中药制剂的书面文件B.是医师辨证论治的书面记录和凭证,反映医师的辨证理法和用药要求C.是医师给中药调剂人员的书面通知,又是中药调剂工作的依据D.具有技术上和经济上的意义,没有法律意义E.是计价、统计的凭证【答案】 D7、黄连生用苦寒,长于泻火,若要增强其止呕作用,应选用的炮制辅料是A.姜汁B.酒C.吴茱萸D.醋E.蜂蜜【答案】 A8、下列关于处方管理制度的叙述,错误的是A.处方一般不得超过7日用量B.处方中的药品剂量与数量一律用阿拉伯数字书写C.西药、中成药、中药饮片要分别开具处方D.麻醉药品处方保留2年E.急诊处方的印刷用纸应为淡黄色【答案】 D9、用于治疗、预防及诊断疾病的物质总称A.药物B.剂型C.制剂D.新药E.中成药【答案】 A10、肾形,略扁,果皮黑色,黑褐色或灰褐色,具细微网状皱纹的药材是()。
A.沙苑子B.补骨脂C.枳壳D.吴茱萸E.天仙子【答案】 B11、真人养脏汤组成中包含的药物是A.肉豆蔻、白豆蔻B.肉豆蔻、肉桂C.肉豆蔻、草豆蔻D.肉豆蔻、吴茱萸E.肉豆蔻、山茱萸【答案】 B12、《药品不良反应报告和监测管理办法》规定负责对突发、群发、影响较大并造成严重后果的药品不良反应组织调查、确认和处理的部门是A.卫生部B.国家食品药品监督管理局会同卫生部C.国家食品药品监督管理局D.国家药品不良反应监测中心E.省、自治区、直辖市(食品)药品监督管理局【答案】 C13、补中益气汤主治病证是A.脾虚湿盛证B.脾虚气陷证C.脾虚肝郁证D.心脾气血两虚证E.脾胃气虚证【答案】 B14、下列辅料中,具有活血通络、祛风散寒、行药势、矫臭矫味作用的是A.生姜汁B.醋C.米泔水D.酒E.甘草汁【答案】 D15、现代疗法中,茯苓用于治疗A.精神分裂症B.高脂血症C.支气管哮喘D.冠心病心绞痛E.感染性休克【答案】 A16、古称"诸药舟楫",能载药上浮的药物是A.苏叶B.桑叶C.桔梗D.桂枝E.白前【答案】 C17、属于炙甘草汤组成的药物是A.生地黄、玄参、麦冬B.阿胶、当归、白芍C.生地黄、阿胶、麦冬D.麦冬、火麻仁、酸枣仁E.生姜、大枣、黄芪【答案】 C18、冬虫夏草药材的子实体顶端膨大部分称为A.羊角B.鸡眼C.羊肚子D.鸡爪形E.狮子头【答案】 C19、治白喉的方剂是A.清燥救肺汤B.麦门冬汤C.养阴清肺汤D.益肺散E.百合固金汤【答案】 C20、炒芥子应用的火力是()。