螺丝及沉头孔尺寸规格表__内六角尺寸规格__沉孔尺寸[1]
- 格式:doc
- 大小:135.50 KB
- 文档页数:3
螺丝及沉头孔尺寸表六角承孔头螺丝[JIS B1176(1988) *JIS B1176(1976)拔粹TEL FAX E-mail*******************.tw(0512)65015828(0512)65012333(1)S(最大)之第1栏,适用于强度区分8.8及10.9者及形状区分A2-50,A2-70者,第2栏适用于强度区分12.9者,可依供需双方协议,将强度区分12.9者适用第一栏.螺丝称号M20以上的S(最大),可适用于全部强度区分及性情区分者.(2)头部侧面应施予直条刻纹等压在刻纹[JIS B0591(金花刻纹)],此时,dk(最大)为本表所示,** 记号的数值,不需压花刻纹者, 由订购人径行指定.此时的dk(最大)为本表所示附*记号的数值.标准螺距表M3*0.5 ;M4*0.7 ;M5*0.8 ;M6*1 ;M8*1.25 ;M10*1.5 ;M12*1.75 ;M14*2 ;M16*2 ;M18*2.5 ;M20*2.5 ;M22*2.5 ;M24*3 ;M27*3 ;M30*3.5 ;M33*3.5 ;M36*4 ;M42*4.5 ;M48*5 ;M56*5.5 ;M64*6 ;M72*6 ;M80*6 ;M90*6 ;M100*6常用螺丝及沉头孔尺寸表六角承孔头螺丝[JIS B1176(1988) *JIS B1176(1976)拔粹TEL FAX E-mail*******************.tw(0512)65015828(0512)65012333参考:对六角承孔头螺丝的沉头及螺丝孔的呎吋(1)S(最大)之第1栏,适用于强度区分8.8及10.9者及形状区分A2-50,A2-70者,第2栏适用于强度区分12.9者,可依供需双方协议,将强度区分12.9者适用第一栏.螺丝称号M20以上的S(最大),可适用于全部强度区分及性情区分者.(2)头部侧面应施予直条刻纹等压在刻纹[JIS B0591(金花刻纹)],此时,dk(最大)为本表所示,** 记号的数值,不需压花刻纹者, 由订购人径行指定.此时的dk(最大)为本表所示附*记号的数值.。
螺丝及沉头孔尺寸表
六角承孔头螺丝[JIS B1176(1988) *JIS B1176(1976)拔粹
TEL FAX E-mail ccsmould@
(0512)65015828
(0512)65012333
参考:对六角承孔头螺丝的沉头及螺丝孔的呎吋
(1)S(最大)之第1栏,适用于强度区分8。
8及10.9者及形状区分A2-50,A2—70者,第2栏适用于强度区分12。
9者,可依供需双方协议,将强度区分12。
9者适用第一栏.螺丝称号M20以上的S(最大),可适用于全部强度区分及性情区分者。
(2)头部侧面应施予直条刻纹等压在刻纹[JIS B0591(金花刻纹)],此时,dk(最大)为本表所示,** 记号的数值,不需压花刻纹者, 由订购人径行指定.此时的dk(最大)为本表所示附*记号的数值。
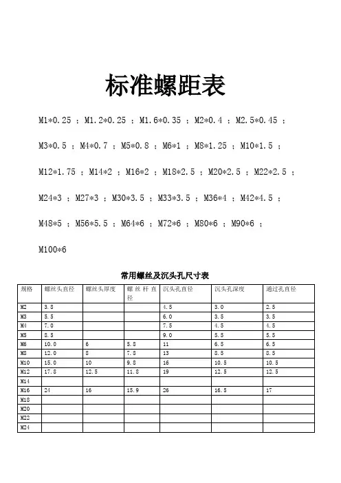
螺丝及沉头孔尺寸表规格 螺丝头直径 螺丝头厚度 螺丝杆直径 沉头孔直径 沉头孔深度 通过孔直径 M2 3.8 4.5 3.0 2.5 M3 5.5 6.0 3.5 3.5 M47.07.54.54.5M5 8.5 9.0 5.5 5.5 M6 10.0 6 5.8 11 6.5 6.5 M8 12.0 8 7.8 13 8.5 8.5 M10 15.0 10 9.8 16 10.5 10.5 M12 17.8 12.5 11.8 19 12.5 12.5 M14 M16 24 16 15.9 26 16.5 17 M18 M20 M22 M24六角承孔头螺丝[JIS B1176(1988) *JIS B1176(1976)拔粹参考:对六角承孔头螺丝的沉头及螺丝孔的尺寸螺丝称号(d) M3 M4 M5 M6 M8 M10 M12 (M14) M16 M20 M24 M30 螺牙节距(p) 0.5 0.7 0.8 1 1.25 1.5 1.75 2 2 2.5 3 3.5 b 参 考 18 20 22 24 28 32 36 40 44 52 60 72 dk 最大(基准尺寸) 5.57 8.5 10 13 16 18 21 24 30 36 45 最大 5.68 7.22 8.72 10.22 13.27 16.27 18.27 21.33 24.33 30.33 36.39 45.39 最小 5.32 6.78 8.28 9.78 12.73 15.73 17.73 20.67 23.67 29.67 35.61 44.61 da 最大3.64.75.76.8 9.2 11.2 13.7 15.7 17.7 22.4 26..4 33.4 ds 最大(基准尺寸) 3 4 5 6 8 10 12 14 16 20 24 30 最小2.863.824.825.82 7.78 9.78 11.73 13.73 15.73 19.67 23.67 29.67 k 最大(基准尺寸) 3 4 5 6 8 10 12 14 16 20 24 30 最小 2.86 3.82 4.82 5.70 7.64 9.64 11.57 13.57 15.57 19.48 23.48 29.48 r 最小 0.1 0.2 0.2 0.25 0.4 0.4 0.6 0.6 0.6 0.8 0.8 1 s基准尺寸2.534568101214171922螺丝称号(d)M3 M4 M5 M6 M8 M10 M12 M14 M16 M20 M24 M30 ds 3.3 4 5 6 8 10 12 14 16 20 24 30 ds’ 3.4 4.5 5.5 6.6 9 11 14 16 18 22 26 33 dk 5.5 7 8.5 10 13 16 18 21 24 30 36 45 dk′ 6.5 8 9.5 11 14 17.5 20 23 26 32 39 48 k 3 4 5 6 8 10 12 14 16 20 24 30 k′ 2.7 3.6 4.6 5.5 7.4 9.2 11 12.8 14.5 18.5 22.5 28 k′′3.34.45.46.58.610.81315.217.521.525.532最小 2.52 3.02 4.02 5.02 6.02 8.025 10.025 12.032 14.032 17.050 19.065 22.065最大(1) 1栏 2.580 3.080 4.095 5.140 6.1408.175 10.115 12.212 14.212 17.230 19.275 22.275 2栏 2.560 3.080 4.095 5.095 6.095 8.115 10.115 12.142 14.142 17.230 19.275 22.275t 最小 1.3 2 2.5 3 4 5 6 8 8 10 12 15.5 (1)S(最大)之第1栏,适用于强度区分8.8及10.9者及形状区分A2-50,A2-70者,第2栏适用于强度区分12.9者,可依供需双方协议,将强度区分12.9者适用第一栏.螺丝称号M20以上的S(最大),可适用于全部强度区分及性情区分者.(2)头部侧面应施予直条刻纹等压在刻纹[JIS B0591(金花刻纹)],此时,dk(最大)为本表所示,** 记号的数值,不需压花刻纹者, 由订购人径行指定.此时的dk(最大)为本表所示附*记号的数值.。
螺丝和沉头孔尺寸规格表内六角尺寸规格沉孔尺寸Last revision on 21 December 2020
螺丝及沉头孔尺寸表
六角承孔头螺丝[JIS B1176(1988) *JIS B1176(1976)拔
粹
参考:对六角承孔头螺丝的沉头及螺丝孔的尺寸
(1)S(最大)之第1栏,适用于强度区分及者及形状区分A2-50,A2-70者,第2栏适用于强度区分者,可依供需双方协议,将强度区分者适用第一栏.螺丝称号M20以上的S(最大),可适用于全部强度区分及性情区分者.
(2)头部侧面应施予直条刻纹等压在刻纹[JIS B0591(金花刻纹)],此时,dk(最大)为本表所示,** 记号的数值,不需压花刻纹者, 由订购人径行指定.此时的dk(最大)为本表所示附*记号的数值.。
螺丝和沉头孔尺寸规格表_内六角尺寸规格_沉孔尺寸以下是螺丝和沉头孔尺寸规格表,包括内六角尺寸规格和沉孔尺寸规格。
这些规格对于螺丝和沉头孔的选择和安装非常重要。
一、内六角尺寸规格内六角螺丝是一种常见的紧固件,其尺寸规格如下:1. M1.6:六角扳手尺寸1.5mm2. M2:六角扳手尺寸2mm3. M2.5:六角扳手尺寸2.5mm4. M3:六角扳手尺寸2.5mm5. M4:六角扳手尺寸3mm6. M5:六角扳手尺寸4mm7. M6:六角扳手尺寸5mm8. M8:六角扳手尺寸6mm9. M10:六角扳手尺寸8mm10. M12:六角扳手尺寸10mm这些尺寸规格可以根据具体的使用需求进行选择。
内六角螺丝广泛应用于机械、汽车、家具等领域,在拆装和固定装配时起到重要作用。
二、沉孔尺寸规格沉孔是一种用于嵌入螺丝头的孔洞,使螺丝头能够平齐或几乎平齐地安装在工件表面上。
以下是一些常用的沉孔尺寸规格:1. M1.6:7mm x 1.2mm2. M2:8mm x 1.5mm3. M2.5:10mm x 1.6mm4. M3:12mm x 2.0mm5. M4:14mm x 2.5mm6. M5:18mm x 3.0mm7. M6:22mm x 3.5mm8. M8:28mm x 4.0mm9. M10:36mm x 5.0mm10. M12:44mm x 6.0mm沉孔的尺寸规格可根据螺丝的类型和要求进行选择。
在安装过程中,正确的沉孔尺寸可以确保螺丝头处于正确的位置,提高装配的准确度和美观度。
总结:螺丝和沉头孔的尺寸规格对于各种工程和装配任务的完成都至关重要。
对于内六角螺丝,合适的尺寸规格能够确保紧固件的稳固性和可持续使用性。
而沉孔的尺寸规格与螺丝头的嵌入以及表面平齐度密切相关,正确的沉孔尺寸选择可以提高安装效果和外观质量。
因此,在选择和使用螺丝和沉头孔时,请根据具体的需求和规格表进行合理选择和设计,以确保装配的质量和效果。
螺丝及沉头孔尺寸表规格螺丝头直螺丝头厚螺丝杆直沉头沉头通过普通普通径度径孔直孔深孔直平垫平垫径度径圈外圈厚径度M2M3 7M4 9M5 5 10 1M6 6 11 12M8 8 13 16M10 10 16 20 2M12 19 24M14M16 24 16 26 17M18M20M22M24六角承孔头螺丝 [JIS B1176(1988) *JIS B1176(1976)拔粹参照 : 对六角承孔头螺丝的沉头及螺丝孔的尺寸螺丝称号 (d) M3 M4 M5 M6 M8 M10 M12 (M14) M16 M20 M24 M30 螺牙节距 (p) 1 2 2 3b 参考18 20 22 24 28 32 36 40 44 52 60 72最大 ( 基准尺7 10 13 16 18 21 24 30 36 45寸)dk最大最小螺丝称号 (d) M3 M4 M5 M6 M8 M10 M12 M14 M16 M20 M24 M30 ds 4 5 6 8 10 12 14 16 20 24 30ds’9 11 14 16 18 22 26 33dk 7 10 13 16 18 21 24 30 36 45dk′8 11 14 20 23 26 32 39 48k 3 4 5 6 8 10 12 14 16 20 24 30k′11 28k′′13 32 da 最大26..4最大 ( 基准尺3 4 5 6 8 10 12 14 16 20 24 30ds 寸)最小最大 ( 基准尺3 4 5 6 8 10 12 14 16 20 24 30k寸)最小r 最小 1 基准尺寸 3 4 5 6 8 10 12 14 17 19 22最小5 2 2 0 5 5s1 栏最大5 2 2 0 5 5(1)2 栏5 2 2 0 5 5t 最小 2 3 4 5 6 8 8 10 12(1)S( 最大 ) 之第 1 栏 , 适用于强度区分8.8 及者及形状区分 A2-50,A2-70 者 , 第 2 栏适用于强度区分12.9 者 , 可依供需双方协议 , 将强度区分者适用第一栏 . 螺丝称号M20以上的 S( 最大), 可适用于全部强度区分及性情区分者.(2) 头部侧面应施予直条刻纹等压在刻纹[JIS B0591( 金花刻纹 )], 此时 ,dk( 最大 ) 为本表所示 ,** 记号的数值 , 不需压花刻纹者 ,由订购人径行指定. 此时的 dk( 最大 ) 为本表所示附 * 记号的数值 .。
螺丝和沉头孔尺寸规格表内六角尺寸规格沉孔
尺寸
TPMK standardization office【 TPMK5AB- TPMK08- TPMK2C- TPMK18】
螺丝及沉头孔尺寸表
六角承孔头螺丝[JIS B1176(1988) *JIS B1176(1976)拔
粹
参考:对六角承孔头螺丝的沉头及螺丝孔的呎吋
(1)S(最大)之第1栏,适用于强度区分8.8及10.9者及形状区分A2-50,A2-70者,第2栏适用于强度区分12.9者,可依供需双方协议,将强度区分12.9者适用第一栏.螺丝称号M20以上的S(最大),可适用于全部强度区分及性情区分者.
(2)头部侧面应施予直条刻纹等压在刻纹[JIS B0591(金花刻纹)],此时,dk(最大)为本表所示,** 记号的数值,不需压花刻纹者, 由订购人径行指定.此时的dk(最大)为本表所示附*记号的数值.。
标准螺距表
M1*0.25 ;M1.2*0.25 ;M1.6*0.35 ;M2*0.4 ;M2.5*0.45 ;M3*0.5 ;M4*0.7 ;M5*0.8 ;M6*1 ;M8*1.25 ;M10*1.5 ;
M12*1.75 ;M14*2 ;M16*2 ;M18*2.5 ;M20*2.5 ;M22*2.5 ;M24*3 ;M27*3 ;M30*3.5 ;M33*3.5 ;M36*4 ;M42*4.5 ;
M48*5 ;M56*5.5 ;M64*6 ;M72*6 ;M80*6 ;M90*6 ;
M100*6
常用螺丝及沉头孔尺寸表
六角承孔头螺丝[JIS B1176(1988) *JIS B1176(1976)拔粹
TEL FAX E-mail
ccsmould@
(0512)65015828(0512)65012333
参考:对六角承孔头螺丝的沉头及螺丝孔的呎吋
(1)S(最大)之第1栏,适用于强度区分8.8及10.9者及形状区分A2-50,A2-70者,第2栏适用于强度区分12.9者,可依供需双方协议,将强度区分12.9者适用第一栏.螺丝称号M20以上的S(最大),可适用于全部强度区分及性情区分者.
(2)头部侧面应施予直条刻纹等压在刻纹[JIS B0591(金花刻纹)],此时,dk(最大)为本表所示,** 记号的数值,不需压花刻纹者, 由订购人径行指定.此时的dk(最大)为本表所示附*记号的数值.
(注:可编辑下载,若有不当之处,请指正,谢谢!)。
螺丝及沉头孔尺寸表
六角承孔头螺丝[JIS B1176(1988) *JIS B1176(1976)拔粹
TEL FAX E-mail
ccsmould@
(0512)65015828(0512)65012333
参考:对六角承孔头螺丝的沉头及螺丝孔的呎吋
(1)S(最大)之第1栏,适用于强度区分及者及形状区分A2-50,A2-70者,第2栏适用于强度区分者,可依供需双方协议,将强度区分者适用第一栏.螺丝称号M20以上的S(最大),可适用于全部强度区分及性情区分者.
(2)头部侧面应施予直条刻纹等压在刻纹[JIS B0591(金花刻纹)],此时,dk(最大)为本表所示,** 记号的数值,不需压花刻纹者, 由订购人径行指定.此时的dk(最大)为本表所示附*记号的数值.。
螺丝和沉头孔尺寸规格表内六角尺寸规格沉孔
尺寸
Document serial number【KKGB-LBS98YT-BS8CB-BSUT-BST108】
螺丝及沉头孔尺寸表
六角承孔头螺丝[JIS B1176(1988) *JIS B1176(1976)拔
粹
(1)S(最大)之第1栏,适用于强度区分及者及形状区分A2-50,A2-70者,第2栏适用于强度区分者,可依供需双方协议,将强度区分者适用第一栏.螺丝称号M20以上的S(最大),可适用于全部强度区分及性情区分者.
(2)头部侧面应施予直条刻纹等压在刻纹[JIS B0591(金花刻纹)],此时,dk(最大)为本表所示,** 记号的数值,不需压花刻纹者, 由订购人径行指定.此时的dk(最大)为本表所示附*记号的数值.。
螺丝及沉头孔尺寸表六角承孔头螺丝[JIS B1176(1988) *JIS B1176(1976)拔粹TEL FAX E-mailccsmould@(0512)65015828(0512)65012333(1)S(最大)之第1栏,适用于强度区分8.8及10.9者及形状区分A2-50,A2-70者,第2栏适用于强度区分12.9者,可依供需双方协议,将强度区分12.9者适用第一栏.螺丝称号M20以上的S(最大),可适用于全部强度区分及性情区分者.(2)头部侧面应施予直条刻纹等压在刻纹[JIS B0591(金花刻纹)],此时,dk(最大)为本表所示,** 记号的数值,不需压花刻纹者, 由订购人径行指定.此时的dk(最大)为本表所示附*记号的数值.标准螺距表M1*0.25 ;M1.2*0.25 ;M1.6*0.35 ;M2*0.4 ;M2.5*0.45 ;M3*0.5 ;M4*0.7 ;M5*0.8 ;M6*1 ;M8*1.25 ;M10*1.5 ;M12*1.75 ;M14*2 ;M16*2 ;M18*2.5 ;M20*2.5 ;M22*2.5 ;M24*3 ;M27*3 ;M30*3.5 ;M33*3.5 ;M36*4 ;M42*4.5 ;M48*5 ;M56*5.5 ;M64*6 ;M72*6 ;M80*6 ;M90*6 ;M100*6常用螺丝及沉头孔尺寸表六角承孔头螺丝[JIS B1176(1988) *JIS B1176(1976)拔粹TEL FAX E-mailccsmould@(0512)65015828(0512)65012333参考:对六角承孔头螺丝的沉头及螺丝孔的呎吋(1)S(最大)之第1栏,适用于强度区分8.8及10.9者及形状区分A2-50,A2-70者,第2栏适用于强度区分12.9者,可依供需双方协议,将强度区分12.9者适用第一栏.螺丝称号M20以上的S(最大),可适用于全部强度区分及性情区分者.(2)头部侧面应施予直条刻纹等压在刻纹[JIS B0591(金花刻纹)],此时,dk(最大)为本表所示,** 记号的数值,不需压花刻纹者, 由订购人径行指定.此时的dk(最大)为本表所示附*记号的数值.。