内六角螺钉长度规格表
- 格式:xls
- 大小:46.00 KB
- 文档页数:8
内六角紧定螺钉,又称内六角机米螺丝,是一种常见的紧固件。
以下是一些内六角紧定螺钉规格的介绍:
1. 螺纹直径:内六角紧定螺钉的螺纹直径通常以毫米(mm)为单位表示,常见的规格包括 M2、M3、M4、M5、M6 等。
2. 螺距:螺距是指螺纹相邻两个牙之间的距离,通常以毫米(mm)为单位表示。
常见的内六角紧定螺钉螺距包括 0.4、0.5、0.7、0.8、1.0 等。
3. 长度:内六角紧定螺钉的长度通常以毫米(mm)为单位表示,包括头部和螺纹部分的总长度。
常见的长度规格包括 4、6、8、10、12、16、20 等。
4. 头部尺寸:内六角紧定螺钉的头部尺寸通常以毫米(mm)为单位表示,包括头部直径和头部高度。
常见的头部尺寸包括 3、4、5、6、8、10 等。
5. 材料:内六角紧定螺钉的材料通常包括碳钢、不锈钢、合金钢等。
不同的材料具有不同的机械性能和耐腐蚀性,可根据具体应用场景选择合适的材料。
6. 表面处理:内六角紧定螺钉的表面处理方式通常包括镀锌、镀镍、镀铬、磷化等。
表面处理可以提高螺钉的耐腐蚀性和美观度。
需要注意的是,内六角紧定螺钉的规格可能因不同的标准和制造商而有所差异。
在选择和使用内六角紧定螺钉时,应根据具体的应用需求和相关标准来确定合适的规格。
法兰内六角螺丝尺寸
摘要:
1.六角法兰螺钉的概述
2.六角法兰螺钉的规格和标准
3.六角法兰螺钉的使用范围和应用领域
4.六角法兰螺钉的计算方法和下料长度
5.结论
正文:
一、六角法兰螺钉的概述
六角法兰螺钉,又称内六角法兰螺栓,是一种应用于各种机械设备的紧固件。
它的特点是头部为六边形,便于使用六角扳手进行拧紧或拧松。
六角法兰螺钉有不同的规格和尺寸,以满足各种应用场景的需求。
二、六角法兰螺钉的规格和标准
六角法兰螺钉的尺寸规格有很多种,符合国家标准代号为GB70-1985。
常用的内六角螺丝尺寸规格如下:
- M3 x 8mm
- M4 x 12mm
- M5 x 16mm
- M6 x 20mm
- M8 x 25mm
- M10 x 30mm
- M12 x 35mm
等。
其中,M 表示螺纹的直径,后面的数字表示螺杆的长度。
三、六角法兰螺钉的使用范围和应用领域
六角法兰螺钉广泛应用于各种电子、电器、机械设备、汽车、船舶、飞机大炮等产品中。
它的使用范围覆盖了小到五金件、电子产品,大到重型机械设备等各个领域。
四、六角法兰螺钉的计算方法和下料长度
在计算六角法兰螺钉的下料长度时,需要考虑螺纹的直径、螺杆的长度、头部的高度以及一定的损耗。
计算公式为:下料长度= 螺杆长度+ 头部高度+ 损耗。
其中,头部高度一般等于螺杆直径,损耗根据实际情况进行确定。
五、结论
六角法兰螺钉作为常用的紧固件之一,具有广泛的应用领域和丰富的规格尺寸。
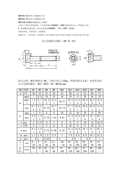
GB5782 8.8级外六角螺栓(半牙)GB5783 8.8级外六角螺栓(全牙)GB70-85 DIN912 8.8级内六角螺钉产品尺寸均符合国家标准,产品质量通过ISO9001:2000质量体系认证,质量稳定可靠。
8.8级螺丝性能等级:最小抗拉强度 830MPA ,硬度(HRC)23-34。
表面处理有:发黑处理,表面镀锌。
规格齐全,专业品质,专业服务!最小包装即可起订! 期待与您建立长期友好的合作关系!内六角圆柱头螺钉(GB 70-85)标记示例:螺纹规格d=M5,公称长度l=20mm,性能等级8.8级,表面氧化的内六角圆柱螺钉:螺钉 GB70-85-M5X20(mm)注:1.* 光滑头部。
2.**滚花头部.3.***杆部螺纹制到距头部3P(螺距)以内。
4.**** lgmax=l(公称)-b参考; l s min-l g max-5P(螺距)l g表示最末一扣完整螺纹到支承面的螺距:l s表示无螺纹杆部长度。
8.8级要求许用抗拉强度为640Mpa 4.8级要求许用抗拉强度为320Mpa 张英2007-10-28 11:21 8.8级材质是一楼讲的,但必须调质处理,而4.8就不用啦xwq5239662 2007-10-29 08:55 螺栓、螺母的性能等级、材料及其机械性能abcde...教你如何用WORD文档(2012-06-27 192246)转载▼标签:杂谈1. 问:WORD 里边怎样设置每页不同的页眉?如何使不同的章节显示的页眉不同?答:分节,每节可以设置不同的页眉。
文件――页面设置――版式――页眉和页脚――首页不同。
2. 问:请问word 中怎样让每一章用不同的页眉?怎么我现在只能用一个页眉,一改就全部改了?答:在插入分隔符里,选插入分节符,可以选连续的那个,然后下一页改页眉前,按一下“同前”钮,再做的改动就不影响前面的了。
简言之,分节符使得它们独立了。
这个工具栏上的“同前”按钮就显示在工具栏上,不过是图标的形式,把光标移到上面就显示出”同前“两个字来。
内六角螺栓标准尺寸表内六角螺栓,也称为内六角螺钉,是一种螺栓,由头部与螺芯组成,主要用于固定物体或固定连接两个物体。
由于内六角螺栓头部和螺芯的尺寸不同,因此,根据不同的尺寸,可以制定出不同的标准尺寸表。
这里介绍的是国家标准化委员会《内六角螺栓标准尺寸表》,此标准尺寸表为用户购买内六角螺栓提供了理想的选择标准。
本标准适用于所有内六角锁紧螺栓,无论是全钢的,还是镀锌的。
1.六角螺栓头部的尺寸:内六角螺栓头部的主要尺寸是螺栓头的直径,一般分为M4,M5,M6,M7,M8,M10,M12,M14,M16,M18,M20,M22,M24,M27,M30,M33,M36,M39,M45,M50三种类型。
其中,M4表示螺栓头直径为4毫米,M5表示螺栓头直径为5毫米,M6表示螺栓头直径为6毫米,M7表示螺栓头直径为7毫米,M8表示螺栓头直径为8毫米,以此类推。
2.六角螺栓螺芯的尺寸:内六角螺栓螺杆的主要尺寸是螺杆的长度,一般分为6MM,8MM,10MM,12MM,14MM,16MM,18MM,20MM,22MM,24MM,27MM,30MM,33MM,36MM,39MM,45MM,50MM三种类型。
其中,6MM表示螺杆长度为6MM,8MM表示螺杆长度为8MM,10MM表示螺杆长度为10MM,12MM 表示螺杆长度为12MM,以此类推。
3.六角螺栓的选择:要正确选择内六角螺栓,必须根据实际需求和材料状况,按照内六角螺栓的英寸标准尺寸表,根据螺栓头的尺寸和螺芯的长度,确定内六角螺栓的头部尺寸和螺芯尺寸。
比如,要使用M6,L10尺寸的内六角螺栓,就可以按照内六角螺栓英寸标准尺寸表,M6表示螺栓头的直径为6毫米,L10表示螺杆长度为10毫米,从而确定要购买的内六角螺栓的尺寸。
4.六角螺栓的使用:内六角螺栓主要用于固定物体或者固定连接两个物体,在使用时,应该考虑到安装位置和物体之间的表面状况。
当安装时,应使用与内六角螺栓尺寸相适应的内六角螺母,把内六角螺栓固定在所需要固定的地方。