上海通用别克英朗电路图
- 格式:pdf
- 大小:8.21 MB
- 文档页数:29
2006 上海通用别克君越电路图册二(可编辑)2006上海通用别克君越电路图册二6-878 发动机控制系统,3.0 升LZD 发动机动力总成控制模块ECM 接头J31 1 1 1 1 1 1 9 8 7 6 5 4 32 16 5 4 3 2 1 07 3 3 3 2 2 2 2 2 2 2 2 2 2 1 1 13 2 1 0 9 8 7 6 54 3 2 1 0 9 8 75 5 5 4 4 4 4 4 4 4 4 4 4 3 3 3 3 3 3 32 1 0 9 8 7 6 5 43 2 1 0 9 8 7 6 54 37 7 7 6 6 6 6 6 6 6 6 6 6 5 5 5 5 5 5 52 1 0 9 8 7 6 5 43 2 1 0 9 8 7 6 54 3 06W0604032 接头零件信息针脚导线颜色电路号码功能1 , , 未用2 , , 未用3 , , 未用4 , , 未用5 , , 未用6 , , 未用7 OG (橙色) 225 发电机L 端子检测输入8 , , 未用9 , , 未用10 , , 未用11 , , 未用12 TN/BK (棕黄色/ 黑色) 464 扭矩脉冲宽度调制输出13 , , 未用14 , , 未用15 , , 未用16 , , 未用17 OG/BK (橙色/ 黑色) 463 钮矩需求18 BN (棕色) 1174 机油油位传感器信号19 , , 未用20 , , 未用21 TN (棕黄色) 5514 空调压力传感器接地22 , , 未用23 OG/BK (橙色/ 黑色) 469 进气压力传感器接地24 , , 未用25 , , 未用26 , , 未用27 , , 未用28 , , 未用发动机发动机控制系统,3.0 升LZD 6-879动力总成控制模块ECM 接头J3(续)1 1 1 1 1 1 1 9 8 7 6 5 4 32 16 5 4 3 2 1 07 3 3 3 2 2 2 2 2 2 2 2 2 2 1 1 13 2 1 0 9 8 7 6 54 3 2 1 0 9 8 75 5 5 4 4 4 4 4 4 4 4 4 4 3 3 3 3 3 3 32 1 0 9 8 7 6 5 43 2 1 0 9 8 7 6 54 37 7 7 6 6 6 6 6 6 6 6 6 6 5 5 5 5 5 5 52 1 0 9 8 7 6 5 43 2 1 0 9 8 7 6 54 3 06W0604032 接头零件信息针脚导线颜色电路号码功能29 GY (灰色) 23 发电机F 端子检测输入30 , , 未用31 , , 未用32 , , 未用33 TN (棕黄色) 2501 CAN 总线低电平端子34 , , 未用35 TN (棕黄色) 2761 发动机冷却液传感器接地36 , , 未用37 GY (灰色) 2700 空调压力传感器+5V38 , , 未用39 GY (灰色) 2704 进气压力传感器+5V40 , , 未用41 , , 未用42 , , 未用43 , , 未用44 , , 未用45 , , 未用46 OG/BK (橙色/ 黑色) 1786 驻车/ 空档信号输入47 , , 未用48 D-GN/WH (深绿/ 白色) 428 蒸发碳罐清洗阀控制49 D-GN (深绿色) 335 冷却风扇#1 控制50 , , 未用51 , , 未用52 , , 未用53 TN/BK (棕黄色/ 黑色) 2500 CAN 总线高电平端子54 , , 未用55 YE (黄色) 410 发动机冷却液传感器+56 , , 未用57 OG/BK (橙色/ 黑色) 380 空调压力传感器信号6-880 发动机控制系统,3.0 升LZD发动机动力总成控制模块ECM 接头J31 1 1 1 1 1 1 9 8 7 6 5 4 32 17 3 3 3 2 2 2 2 2 2 2 2 2 2 1 1 13 2 1 0 9 8 7 6 54 3 2 1 0 9 8 75 5 5 4 4 4 4 4 4 4 4 4 4 3 3 3 3 3 3 32 1 0 9 8 7 6 5 43 2 1 0 9 8 7 6 54 37 7 7 6 6 6 6 6 6 6 6 6 6 5 5 5 5 5 5 52 1 0 9 8 7 6 5 43 2 1 0 9 8 7 6 54 3 06W0604032 接头零件信息针脚导线颜色电路号码功能58 , , 未用59 L-GN (浅绿色) 432 进气绝对压力传感器信号60 , , 未用61 , , 未用62 , , 未用63 , , 未用64 , , 未用65 , , 未用66 , , 未用67 , , 未用68 , , 未用69 , , 未用70 未用71 未用72 未用73 , , 未用发动机发动机控制系统,3.0 升LZD 6-881 空调离合器(续)加热氧气传感器HO2SBRLC A R A SL D B S 06W060403506W06040331216201712160482接头零件信息2-路F公制,组件150系列接头零件信息4-路F公制,组件150系列密(黑色)封式(黑色)电路针脚导线颜色电路功能针脚导线颜色号码功能号码TN/WH氧传感器回路B BK (黑1050B接地色)A (棕黄色/ 3111白色)PU/WH氧传感器信号刹车真空传感器B (紫色/ 白3110色)GY/WH氧传感器加热器C (灰色/ 白3113色)D 桃红色839 带保险丝的点火输出12 空调离合器306W060403415448870B 接头零件信息3- 路F 公制,组件150 系列RL(黑色)电路针脚导线颜色功能号码1 D-BU (深1809 刹车真空传感器信号蓝色)06W0604035L-GN/BKV5B 回路12162017 2 (浅绿/ 黑6258色)接头零件信息2-路F公制,组件150系列(黑色) 3 L-GN (浅6257 V5B 供电绿色)电路针脚导线颜色功能号码A D-GN (深59 空调离合器线圈绿色)6-882 发动机控制系统,3.0 升LZD 发动机发动机控制系统接头端视图电子节气门ETC 凸轮轴位置CMP 传感器F CE BD A06W06040361535529706W0604037接头零件信息6-路F公制,组件150系列(黑色)15326808电路接头零件信息3- 路F 公制组件150.2 系列拉针脚导线颜色功能式插座(黑色)号码A BN (棕582W ETC 马达关门(针脚导线颜色电路功能色) F 号码B YE (黄581W ETC 马达启动A D-BU (深6259 参考电压供电电路, 5 色) F 蓝色)伏C TN (棕黄2752 V5B 返回B TN (棕黄407 传感器回路色)色)D D-GN (深485 节气门位置传感器信号C BN/WH 633 凸轮轴位置传感器信号绿色)(棕色/ 白色)E GY (灰2701 V5B +5V 电压色)F PU (紫486 节气门位置传感器信号发电机色)2 9 R1 L1 S06W060403912186308 接头零件信息2-路F公制,组件150系列(黑色)电路针脚导线颜色功能号码1 OG (橙225 发电机L 相端子色)2 GY (灰23 发电机F 相端子色)发动机发动机控制系统,3.0 升LZD 6-883曲轴位置CKP 传感器喷油嘴1 06W0604037 06W0604045 15326808 1535226接头零件信息3-路F公制,组件150系列拉接头零件信息2- 路 F 公制, 组件150 系列密式插座(黑色)封式(黑色)电路电路针脚导线颜色功能针脚导线颜色功能号码号码A L-GN (浅6270 曲轴箱位置传感器供电A 桃红色/BK 5291 点火1 电压绿色) ,5 伏(黑色)L-BU/BK 曲轴箱位置传感器回路B TN (棕黄1744 喷油嘴1 控制B (浅蓝色/ 6272 色)黑色)YE/BK 曲轴箱位置信号C (黄色/ 黑6271 喷油嘴2色)蒸发排放EVAP 碳罐冲洗电磁阀06W06040461535226接头零件信息2- 路 F 公制, 组件150 系列密06W0604040封式(黑色)电路12052643 针脚导线颜色功能号码接头零件信息2-路F公制,组件150系列密封式(红色) A 桃红色/BK 5291 点火电压(黑色)电路针脚导线颜色功能L-GN/BK 喷油嘴2 控制号码 B (浅绿色/ 1745A PK (粉红339 保险丝输出, IGN1 黑色)色)D-GN/WH碳罐冲洗电磁阀输出B (深绿/ 白428色)6-884 发动机控制系统,3.0 升LZD 发动机喷油嘴 3 喷油嘴5R1 2 L06W0604048 06W0604045153522615355226接头零件信息2- 路 F 公制, 组件接头零件信息2- 路 F 公制, 组件150 系列密封式(黑色) 150 系列密封式(黑色)电路电路针脚导线颜色功能针脚导线颜色功能号码号码A 桃红色/BK 5291 点火1 电压A 桃红色/BK 5291 点火 1 电压(黑色)(黑色)B 桃红色/BK 1746 喷油嘴3 控制TN/WH喷油嘴5控制(黑色) B (棕黄色/ 845白色)喷油嘴4喷油嘴6ARL06W0604048 06W06040451535226接头零件信息2-路F公制,组件15355226 150 系列密封式(黑色)接头零件信息2- 路 F 公制, 组件150 系列密封式(黑色)电路针脚导线颜色功能号码电路针脚导线颜色功能号码A 桃红色/BK 5291 点火1 电压(黑色) A 桃红色/BK 5291 点火1 电压L-BU/BK 喷油嘴4 控制(黑色)B (浅蓝色/ 844 YE/BK喷油嘴 6 控制黑色) B (黄色/ 黑846 色)发动机发动机控制系统,3.0 升LZD 6-885加速踏板位置APP 传感器点火控制模块ICM06W0604046 06W060404615326829 15326829接头零件信息6-路F公制,组件150系列密接头零件信息6- 路 F 公制, 组件封拉式插座(黑色) 150 系列密封式(黑色)电路电路针脚导线颜色功能针脚导线颜色功能号码号码A PU (紫1272 低电压参考OG/WH点火 2 控制色) A (橙色/ 白2122色)B L-BU (浅1162 APP 传感器2 信号蓝色) B PU (紫2121 点火 1 控制色)C TN (棕黄1274 5V 电压参考, B色) C L-BU (浅2123 点火 3 控制蓝色)D BN (棕1271 低电压参考色) D YE (黄2174 低电压参考色)E D-BU (深1161 APP 传感器1 信号蓝色) BK/WH 接地WH/BK 5V电压参考,A E (黑色/白51F (白色/ 黑1164 色)色) F 桃红色239 点火1 电压6-886 发动机控制系统,3.0 升LZD 发动机爆震传感器KS 组 1 进气温度IAT 传感器06W0604041 06W060404315374222 15326822接头零件信息2-路F公制,组件接头零件信息5- 路 F 公制, 组件150 系列拉式插座150 系列拉式插座(黑色)电路电路针脚导线颜色功能针脚导线颜色功能号码号码A D-BU (深496AD 爆震传感器信号A YE(黄492 进气流量传感器信号蓝色)色)B GY (灰1716A 爆震传感器低电压参考B 桃红色339 点火1 电压色) D BK/WH 接地C (黑色/ 白451色)爆震传感器KS 组 2 D TN (棕黄472 进气温度传感器信号色)E TN (棕黄2760 低电压参考色)岐管绝对压力MAP 传感器06W060404115374222接头零件信息2- 路 F 公制, 组件150 系列密封式电路针脚导线颜色功能号码06W0604044A L-BU (浅1876A 爆震传感器信号蓝色) E12129946B GY (灰2303A 爆震传感器低电压参考接头零件信息3- 路F 公制, 组件色) E150 系列(灰色)电路针脚导线颜色功能号码OG/BK进气岐管绝对压力传感A (橙色/ 黑469 器回路色)发动机发动机控制系统,3.0 升LZD 6-887 岐管绝对压力MAP 传感器(续)车速传感器(右前)B RLSA06W060404406W06040511212994612052644接头零件信息3- 路 F 公制, 组件接头零件信息2- 路F 公制组件150 系列(灰色)电路电路针脚导线颜色功能针脚导线颜色功能号码号码B L-GN (浅432 进气岐管绝对压力传感AOG/BK 833W右前车速传感器信号-绿色)器信号(橙色/ 黑 B色)C GY (灰2407 5 伏参考B OG (橙872W 右前车速传感器信号色)色) B 车速传感器(左前)凸轮轴相位调节器B RLA SR1 2LS06W060405106W060404812052644接头零件信息154763842- 路F 公制组件接头零件信息2- 路F 公制, 组件电路150 系列(黑色)针脚导线颜色功能号码电路A YE (黄873W 左前车速传感器信号- 针脚导线颜色号码功能色) XA BN (棕2198 凸轮轴相位控制B L-BU (浅830W 左前车速传感器信号+ 色)蓝色) CB TN (棕黄2199 凸轮轴相位控制回路色)6-888 发动机控制系统,3.0 升LZD 发动机发动机油位传感器(续)发动机油位传感器ARA R LL BSB S06W060404806W06040481219175712191757接头零件信息4- 路F 公制, 组件接头零件信息4- 路F 公制, 组件150 系列密封式(自然色)150 系列密封式(自然色)电路电路针脚导线颜色功能针脚导线颜色功能号码号码B YE (黄色) 4510A WH (白1174 发动机油位低色)发动机控制系统部件名称位置定位视图接头端视图暖风、通风与空调系统, 手暖风、通风与空调系统, 手空调压缩机部件,发动机下空调压缩机离合器线圈动中暖风、通风与空调系统动中暖风、通风与空调系统端右前侧部件视图接头端视图暖风、通风与空调系统, 手暖风、通风与空调系统, 手空调制冷剂压力传感器发动机室右侧,储压器上动中暖风、通风与空调系统动中暖风、通风与空调系统部件视图接头端视图自动变速驱动桥发动机左侧,发动机右上侧,助力转向泵凸轮轴位置传感器CMP 发动机控制系统部件视图发动机控制系统接头端视图下面发动机机体前下部,排气歧曲轴箱位置CKP 传感器发动机控制系统部件视图发动机控制系统接头端视管下部位于仪表板左下部,转向柱“数据链接通信”中“数据“数据链接通信”中“数据数据连接插头DLC 右侧连接通信部件视图” 连接通信接头端视图” 发动机冷却系统中冷却系统发动机冷却系统中冷却系统发动机冷却液风扇马达(左)安装在散热器左侧部件视图接头端视图发动机冷却系统中冷却系统发动机冷却系统中冷却系统发动机冷却液风扇马达(右)安装在散热器右侧部件视图接头端视图发动机冷却液温度ECT 传发动机左侧中部,节气门体发动机控制系统部件视图发动机控制系统接头端视图感器下发动机机油液面指示器开关储油盘内,中心前下方发动机控制系统部件视图发动机控制系统接头端视图发动机前部,机油滤清器上发动机机油压力指示器开关发动机控制系统部件视图发动机控制系统接头端视图部蒸发排放EVAP 碳罐吹洗电发动机后顶部,点火控制模发动机控制系统部件视图发动机控制系统接头端视图磁阀块后燃油喷油器1-6 发动机顶部,每个进气口处发动机控制系统部件视图发动机控制系统接头端视图燃油箱车后部下面发动机控制系统部件视图发动机控制系统接头端视图发动机发动机控制系统,2.4 升LE5 6-1237 发动机控制系统示意图电源、接地、故障指示灯以及串行数据67429516-1238 发动机控制系统,2.4 升LE5发动机发动机数据传感器,5 伏参考电压和低参考电压9742951发动机发动机控制系统,2.4 升LE5 6-1239发动机数据传感器, 压力、温度和空气流量/ 进气温度28429516-1240 发动机控制系统,2.4 升LE5发动机发动机数据传感器, 加热型氧传感器4842951发动机发动机控制系统,2.4 升LE5 6-1241 发动机数据传感器, 加速踏板位置和节气门执行器控制5429516-1242 发动机控制系统,2.4 升LE5发动机点火控制系统, 点火系统7842951发动机发动机控制系统,2.4 升LE5 6-1243 点火控制系统, 传感器0942916-1244 发动机控制系统,2.4 升LE5 发动机燃油控制系统2942951发动机发动机控制系统,2.4 升LE5 6-1245 蒸发排放控制系统49429516-1246 发动机控制系统,2.4 升LE5发动机受控制/ 受监视的子系统参考5942951 发动机发动机控制系统,2.4 升LE5 6-1247 部件定位图发动机控制系统部件视图发动机舱前视图1614946 图标1 空调压缩机4 冷却风扇2 继电器2 空调制冷剂压力传感器5 冷却风扇连接器3 冷却风扇电阻器6 发动机线束6-1248 发动机控制系统,2.4 升LE5 发动机自动变速器前视图1615355图标1 节气门体连接器9 曲轴位置CKP 传感器2 发动机舱保险丝盒C1 10 起动机电机3 变速器控制模块TCM 11 爆震传感器引线连接器4 发动机控制模块连接器12 空调高压开关5 驻车档/ 空档位置PNP 开关13 空调压缩机6 发动机机油压力EOP 开关14 发电机7 C100 发动机线束至变速器线束15C150 发动机线束至喷油器线束8 G105发动机发动机控制系统,2.4 升LE5 6-1249燃油泵和传感器总成61866图标1 燃油箱压力传感器2 燃油泵和传感器总成3 燃油泵滤网4 燃油油位传感器6-1250 发动机控制系统,2.4 升LE5发动机左视图1614920图标1 空气流量/ 进气温度传感器6燃油分配管2 点火线圈1 7 喷油器13 点火线圈2 8 喷油器24 点火线圈3 9 喷油器35 点火线圈4 10 喷油器4 发动机发动机控制系统,2.4 升LE5 6-1251 乘客舱左下侧1403116图标1 加速踏板位置APP 传感器2 C220 2.0 升6-1252 发动机控制系统,2.4 升LE5 发动机自动变速器后视图1614836图标1 发动机控制模块ECM 连接器/ 变速器控制模10 车速传感器VSS , 自动变速器块TCM 11 加热型氧传感器22 蒸发排放碳罐清污电磁阀12 加热型氧传感器2 连接器3 C171 发动机线束至车身线束13 加热型氧传感器14 点火线圈4 14 驻车档/ 空档位置开关5 点火线圈3 15 发动机冷却液温度ECT 传感器6 点火线圈2。
汽车电路图的识读一、基础知识概述1.汽车电路图的特点汽车电路图主要用于表达各电气系统的工作原理及电器之间的连接关系,常见的表达方式主要有电路原理图、电气线路图和线束图。
本项目我们以目前各大整车制造厂商普遍采用的汽车电路原理图来介绍电路图识读的相关知识。
汽车电路原理图是用规定的图形符号,根据汽车各系统的工作原理和电器设备的连接关系绘制而成的。
汽车电路原理图是现在最常见的汽车电路图,既可以是全车电路图,也可以是单元电路图。
汽车电路原理图在绘制的时候不讲究电器设备的开关、安装位置和线路走向,用简明的符号代替电器设备,根据绘图的需要布置汽车电器设备的位置和线路走向,使得电路图简洁清晰,电路简单明了,电器设备间的连接控制关系十分清楚。
汽车电器原理图通常有以下特点:①导线都标注有颜色代码和规格,在有的车型上还标有线路代码。
②汽车电器设备符号旁边都标有设备名称和代码。
③过载保护装置都标有规格、代码和安装位置。
④电路图中的开关、继电器等控制器都处于断开状态,用电器都处于停止工作状态。
图1-1 汽车电路原理图示例2.汽车电气符号要看懂或分析汽车电路图,首先必须了解电路图中的图形符号和文字符号的含义。
下表是通用车系常用电气示意图符号及其说明:表1-1 通用车系常用电气示意图符号及其说明3.汽车电路导线标注在维修汽车电路时,为了快速方便地根据电路图在线束中查找到导线,在汽车电路图中对导线的颜色、所属的电器系统,甚至线束编号(上海通用车系)等进行了标注。
下表是通用别克车系的电路图导线颜色代号:表1-2 别克车系电路图导线颜色代号注:如果导线的颜色代号为“XX/”格式,则表示此导线为单一主色导线;如果其颜色代号为“XX/XX”格式,则表示此导线为辅色导线,其前面的缩写代表主色,后面的缩写代表辅色,例如“BK/GY”即表示该导线的主色为黑色,辅色为灰色。
此外,通用别克车系的所有搭铁、直列式连接器和接头都有相应的识别编号,与其在车辆上的位置相对应。
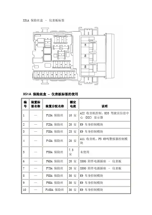
11.3.3.10 电气中心标识视图X50A 保险丝盒标签 – 发动机舱盖下X50A 保险丝盒标签的使用 - 发动机舱盖下编号 装置标签名称装置赋值名称 额定电流 说明1—F1UA 保险丝10 安K20 发动机控制模块 (ECM) 2 — F2UA 保险丝 10 安B52A 加热型氧传感器 1,B52B 加热型氧传感器 2,B75B 空气流量/进气温度传感器,E41 发动机冷却液节温器加热器,Q12 蒸发排放 (EVAP) 吹洗电磁阀,Q22 进气歧管调节电磁阀3 — F3UA 保险丝 15 安Q17A 喷油器 1,Q17B 喷油器 2,Q17C 喷油器 3,Q17D 喷油器 4,T8 点火线圈 4-6A — — — 未使用6B—F6UA 保险丝7.5 安A9A 驾驶员车外后视镜,A9B 乘客车外后视镜7 — F7UA 保险丝 5 安KR20B 冷却风扇中速 1 继电器,G10 冷却风扇电机8 —F8UA 保险丝7.5 安B52A 加热型氧传感器 1,B52B 加热型氧传感器 2,B75B 空气流量/进气温度传感器9 —F9UA 保险丝40 安K9 车身控制模块 (C49)10 —F10UA 保险丝 5 安K9 车身控制模块11 —F11UA 保险丝7.5 安KR95B 举升门释放继电器 112 —F12UA 保险丝 5 安K26 前大灯控制模块13 —F13UA 保险丝20 安未使用14 —F14UA 保险丝20 安KQ7 后窗刮水器继电器,M45 后窗刮水器电机15 —F15UA 保险丝10 安K20 发动机控制模块 (ECM)16 —F16UA 保险丝30 安KR27 起动机继电器17 —F17UA 保险丝10 安K71 变速器控制模块18 —F18UA 保险丝40 安E18 后窗除雾器格栅19 —F19UA 保险丝30 安M74D 驾驶员车窗电机,M74P 乘客车窗电机20 —F20UA 保险丝30 安M74LR 左后车窗电机,M74RR 右后车窗电机21 —F21UA 保险丝30 安K17 电子制动控制模块 (EBCM)22 —F22UA 保险丝10 安E13L 前大灯总成–左侧23 —F23UA 保险丝25 安KR2 前大灯洗涤液泵继电器24 —F24UA 保险丝15 安E13R 前大灯总成–右25 —F25UA 保险丝15 安E13L 前大灯总成–左侧26 —F26UA 保险丝15 安E29LF 雾灯–左前,E29RF 雾灯–右前27 ———未使用28 ———未使用29 ———未使用30 —F30UA 保险丝60 安K17 电子制动控制模块 (EBCM)31 ———未使用32 —F32UA 保险丝 5 安K36 安全气囊系统传感和诊断模块33 —F33UA 保险丝15 安K28 前大灯高度调节控制模块(AFL)34 ———未使用35 —F35UA 保险丝 5 安S52 车外后视镜开关,S79D 车窗开关–驾驶员36 ———未使用37 —F37UA 保险丝10 安Q13 蒸发排放通风电磁阀38 —F38UA 保险丝20 安KR28 真空泵继电器39 —F39UA 保险丝20 安K27 燃油泵流量控制模块40 —F40UA 保险丝10 安G24 挡风玻璃洗涤器泵41 —F41UA 保险丝10 安E13R 前大灯总成–右42 —F42UA 保险丝40 安KR20C 冷却风扇低速继电器43 —F43UA 保险丝30 安M75 挡风玻璃刮水器电机44 ———未使用45 —F45UA 保险丝30 安G10 冷却风扇电机46 ———未使用47 —F47UA 保险丝15 安P12 喇叭48 —F48UA 保险丝60 安KR20B 冷却风扇中速 1 继电器,KR20C 冷却风扇低速继电器,KR20D 冷却风扇高速继电器49 —F49UA 保险丝20 安G12 燃油泵50 —F50UA 保险丝10 安S30 前大灯开关,M29L 左侧前大灯高度调节执行器,M29R 右侧前大灯高度调节执行器51 ———未使用52 —F52UA 保险丝7.5 安未使用53 —F53UA 保险丝7.5 安K20 发动机控制模块 (ECM),K71 变速器控制模块(自动变速器)54 —F54UA 保险丝7.5 安B19C 真空制动助力器开关,K27 燃油泵控制模块,B116 燃油含水传感器,E40 电气辅助加热器,K33 暖风、通风与空调系统控制模块,P16 组合仪表,B108 空气质量传感器,B19C 真空制动助力器开关,B75B 空气流量/进气温度传感器F01 ———未使用F02 —F02UA 80 安K43 动力转向控制模块F03–F04———未使用K01 —备用——K02 —起动机继电器KR27—M64 起动电机K03 —动力传动系统继电器 KR75—KR29 空调压缩机离合器继电器,保险丝 F1UA、F2UA、F3UA、F4UA、F7UA 和 F8UAK04 —后窗除雾器继电器 KR5—保险丝 F6UA、F9UA 和 F18UAK05 —前大灯洗涤液泵继电器 KR2—G16 前大灯洗涤液泵日间行车灯继电器 - 左E13L 前大灯总成 - 左 (T4A)K06 —KR42L—前大灯近光继电器 KR49保险丝 F24UA 和 F25UA (T4F)K07 —燃油泵继电器KR23A—G12 燃油泵K08–K10 —日间行车灯继电器 - 右KR42R—E13R 前大灯总成–右 (T4A)K11 —冷却风扇低速继电器 KR20C—G10 冷却风扇电机K12 —冷却风扇高速继电器 KR20D—G10 冷却风扇电机K13 —冷却风扇中速1 继电器KR20A—G10 冷却风扇电机,保险丝 F45UAK14 —点火主继电器KR73—保险丝 F32UA、F33UA、F49UA、F50UA、F51UA、F52UA、F53UA 和F54UA重要注意事项:以下所列为车身内部,不可维修的印刷电路板 (PCB) 继电器。
发动机控制系统——喷油器、排油器、加热型氧传感器示意图(HO2S):
发动机控制系统——凸轮轴位置传感器、蒸发排放碳罐清污电磁阀、燃油泵、车速示意图:
暖风、通风与空调系统控制、冷却风扇继电器、发动机数据传感器示意图:
发动机控制系统——燃油泵继电器、进气歧管绝对压力传感器、排气再循环阀、点火线圈、曲轴位置传感器示意图:
发动机控制系统——数据链接插头、怠速空气控制阀示意图:
发动机控制系统——喷油器、排油器、加热型氧传感器(HO2S)示意图:
暖风、通风与空调系统控制、冷却风扇继电器、发动机数据传感器(欧IV排放标准)示意图:
燃油泵继电器、进气歧管绝对压力传感器、排气再循环阀、点火线圈、曲轴位置传感器示意图:
数据链接插头、怠速空气控制阀(欧IV标准)示意图:
喷油器、排油器、加热型氧传感器(新凯越)示意图:
凸轮轴位置传感器、蒸发排放碳罐清污电磁阀、燃油泵、车速(新凯越):
暖风、通风与空调系统控制、冷却风扇继电器、发动机数据传感器(新凯越):
燃油泵继电器、进气歧管绝对压力传感器、排气再循环阀、点火线圈、曲轴位置传感器示意图:
数据链接插头、怠速空气控制阀(欧IV标准)新凯越:。
七、别克轿车主要线束布置图主要线束的布置如图9-1-87~图9-1-122所示。
图9-1-87 发动机舱左侧、支柱塔处线束布置1-两孔连接器(Two Stage Orifice Connector)2-C101连接器图9-1-88 发动机的上部右侧线束布置1-点火控制模块连接器C1 2-点火控制模块连接器C2 3-C102(至喷油器线束的在线连接器)图9-1-89 车辆的右前侧线束布置1-C142(至大灯总成的在线连接器)2-右侧中继灯连接器图9-1-90 车辆的左前侧线束布置1-左侧中继灯连接器2-前部灯线束图9-1-91 发动机舱的前面线束布置1-C105(冷却风扇跨接片)2-C105(发动机线束)3-RH发动机冷却风扇电动机4-LH发动机冷却风扇电动机图9-1-92 发动机舱的左侧线束布置1-C111 2-驻车空挡位置(PNP)开关3-驻车空挡位置(PNP)开关连接器C1 4- 驻车空挡位置(PNP)开关连接器C2 5-EBCM/EBTCM连接器6-C101 7-G119 8-A/C压力传感器连接器9-C171 10-G113 11-G113(自蓄电池)12-G117图9-1-93 发动机舱的右前侧线束布置1-C120图9-1-94 前大灯线束布置1-C141(LH)、C142(RH,图中未画出)2-位置灯3-转向灯4-角灯5-大灯(远光)6-大灯(近光)图9-1-95 右前轮处的线束布置1-右前轮速传感器2-C172(至发动机线束的在线连接器)图9-1-96 发动机舱的前右侧线束布置1-蓄电池2-发动机罩内辅助接线盒(UAMJB)3-G100(蓄电池搭铁)4-蓄电池负极接线柱图9-1-97 转向柱下方的线束布置1-制动灯开关连接器C1(IP线束)2-制动灯开关连接器C2(IP线束)3-C216(至SIR 系统IP组件的在线连接器)4-C201(至转向柱,IP线束的在线连接器)5-C215(至SIR 系统转向盘组件,IP线束的在线连接器)6-C215(至SIR系统转向盘组件,转向盘线束的在线连接器)7-C201(至转向盘线束的在线连接器)8-G203;9-制动灯开关连接器C2(转向柱线束)图9-1-98 仪表板的中央线束布置1-C242图9-1-99 仪表板的右侧后部线束布置1-收音机2-天线引线3-C290图9-1-100 前中央控制台线束布置1-收音机控制开关(后)2-收音机控制开关(后)连接器3-后加热器-A/C控制模块4-后加热器-A/C控制模块连接器图9-1-101 左前门(右前门与此相似)的线束布置1-电动车窗开关连接器2-电动外侧后视镜连接器3-P301 4-C301 5-LF收音机扬声器6-电动车窗开关连接器7-电动门锁电动机连接器8-外侧后视镜开关连接器9-电动车窗调节电动机连接器10-电动门锁开关连接器11-电动外侧后视镜开关连接器图9-1-102 乘员舱的右侧线束布置1-C352 2-P372 3-C302图9-1-103 前乘客舱左侧线束布置1-C311 2-车身主线束3-C312图9-1-104 后车门的线束布置1-电动车窗开关连接器2-点烟器连接器3-P701 4-C351 5-电动车窗调节器电动机连接器6-电动门锁电动机连接器7-电动车门微开开关连接器图9-1-105 左后轮(右后轮与此相似)处的线束布置1-P371(LH)及P372(RH)2-后轮速传感器3-C371(LH)及C372(RH)图9-1-106 车顶(乘员舱内部)的线束布置1-后视镜连接器2-阅读灯/门控灯连接器3-C390 4-顶灯连接器图9-1-107 后舱盖的内侧线束布置1-C915(至倒车灯的在线连接器)2-后舱盖释放执行元件电磁线圈连接器3-P430 4-P932 5-C410(至车身主线束的在线连接器)6-后舱盖微开开关连接器图9-1-108 左后舱(轮罩)处的线束布置1-G401(LH后架搭铁)2-P425(EV AP罐进口电磁阀连接器)3-C401图9-1-109 座舱内的线束布置1-C405(主体)2-燃油送进装置总成3-C405(燃油箱)4-燃油箱5-P375图9-1-110 车顶(乘员舱的内侧)线束布置1-C420图9-1-111 车辆的前部线束布置1-G101 2-角灯连接器(LH)3-C141 4-雾灯连接器(LH)5-外界空气温度表传感器连接器6-RH雾灯连接器7-喇叭连接器8-C142 9-角灯连接器(RH)10-UAMJB 连接器C3图9-1-112 发动机舱的前左侧线束布置1-G111图9-1-113 左发动机舱隔板上部的线束布置1-P101 2-G201图9-1-114 仪表板下、转向柱的右侧线束布置1-仪表板线束2-G203(收音机和IP电气搭铁)图9-1-115 乘员舱的左侧线束布置1-C301 2-C311 3-P371 4-C351 5-G301图9-1-116 左后车窗包裹架处的线束布置1-后窗除雾器连接器C1 2-G401 3-主线束图9-1-117 左后包裹架的下方线束布置1-C395(至电动天线的在线连接器)2-C410(至后舱盖锁释放电磁线圈的在线连接器)3-C402(至尾灯线束的在线连接器)4-G402 5-C390(至收音机天线的在线连接器)图9-1-118 右后窗包裹架处的线束布置1-C395(至电动天线组件的在线连接器)2-C399(至收音机天线的在线连接器)3-右后收音机扬声器连接器具4-C420(至中央高位安装制动灯的在线连接器)5-G402 6-C390(至车顶灯后侧部门控灯线束的在线连接器)图9-1-119 右侧隔板、IP下方的线束布置1-P100图9-1-120 后舱盖的线束布置1-C915(至后舱盖的在线连接器)2-P915 3-后舱盖图9-1-121 风窗的底部/发动机舱的顶部线束布置1-风窗刮水器电动机2-P103 3-P101图9-1-122 车辆的后部线束布置1-C401(LH)及C402(RH)2-尾灯/制动灯3-P401(LH)及C402(RH)。
第十一章赛欧轿车全车电路与线束走线图第一节赛欧轿车全车电路图赛欧轿车全车电路见图11-1~图11-20所示。
导线颜色的缩写及其含义见表11-1所列。
保险丝的规格及用途见表11-2所列。
图11-1 蓄电池、起动电动机和交流发电机电路图F11-保险丝(10A) G1-蓄电池G2-交流发电机M1-起动电动机S1-点火开关图11-2 发动机控制模块(用于中国型汽车)电路图(一)F19-保险丝(15A) K57-发动机控制模块(用于中国型汽车)L2-点火线圈M68-怠速空气步进电机 P23-进气歧管绝对压力(MAP)传感器 P30-发动机冷却液温度传感器P31- 进气温度(MAT)传感器 P33-氧传感器 P34-节气门电位计 P35-曲轴位置传感器P48-爆震控制传感器 Y34-曲轴箱通风电磁阀图11-2 发动机控制模块(用于中国型汽车)电路图(二)F20-保险丝(20A)K58-汽油泵继电器 M21-汽油泵P31-进气温度(MAT)传感器 P34-节气门电位计Y7-喷油器图11-3 仪表系统电路图F17-保险丝(10A)F25-保险丝(10A)E11-仪表板灯H3-左转向信号指示灯H4-机油压力故障指示灯H5-停车系统指示灯H7-充电指示指示灯H8-仪表板远光指示灯H15-燃油储量指示灯 H22-右转向信号指示灯 H23-安全气囊故障指示灯 H28-ABS故障指示灯 H30-发动机故障指示灯 H42-自动变速器故障指示灯 P1-燃油表 P2-水温旨示器P4-燃油量传感器P5-水温传感器P7-发动机转速表P8-车速传感器S2.3-仪表背景光度调节器S11-制动液液面开关 S13-驻车制动开关 S14-机油压力开关 V1-制动系统灯测试二极管图11-4 收音机/CD机系统电路图H1-收音机配CD H37-左前扬声器 H38-右前扬声器H39-左后扬声器 H40-右后扬声器H52-左前高音喇叭 H53-右前高音喇叭U17-天线、放大器图11-5 停车灯、尾灯与前大灯(近光与远光)电路图F8-保险丝(10A) F10-保险丝(10A)F12-保险丝(10A)F17-保险丝(10A) F23-保险丝(10A)F25-保险丝(10A) F27-保险丝(10A) E1-左停车灯E2-左尾灯E3-牌照灯E4-右停车灯E5-右尾灯E7-左远光灯 E8-右远光灯E9-左近光灯E10-右近光灯S2.1-灯光开关S5. 2-低大灯开关图11-6 刹车灯、转向信号灯和危险灯电路图F1-保险丝(15A)F21-保险丝(15A)H8-危险报警灯H9-左刹车灯 H10-右刹车灯H11-左前转向信号灯 H12-左后转向信号灯H13-右前转向信号灯 H14-右后转向信号灯H16-高位刹车灯 H33-左转向备用信号灯 H34-左转向备用信号灯 K10-闪烁控制单元S5.3-转向信号开关S8-刹车灯开关 S52-危险报警开关图11-7 内灯与雾灯电路图E13-行李箱灯E14-乘客室灯E20-左雾灯 E21-右雾灯 E24-左后雾灯E27-乘客室阅读灯 E39-右后雾灯F8-保险丝(20A)F9-保险丝(10A)K5-雾灯继电器K89-后雾灯继电器S2.2-乘客室灯开关 S15-行李箱灯开关 S17-副驾驶员门接触开关 S21-雾灯开关S22-后雾灯开关 S31-左后门接触开关 S32-右后门接触开关 S47-驾驶员门接触开关图11-8 倒车灯电路图E17-左倒车灯 E18-右倒车灯 F18-保险丝(20A ) S7-倒车灯开关图11-9 中央锁死系统电路图F1-保险丝(20A)F4-保险丝(10A)F13-保险丝(20A) K37-中央锁死系统控制单元M18-驾驶员门中央锁死系统电动机 M19-左后乘客室门中央锁死系统电动机 M20-右后乘客室门中央锁死系统电动机 M32-副驾驶员门中央锁死系统电动机 M37-行李箱门中央锁死系统电动机 M60-车箱后挡板中央锁死系统电动机 S41-驾驶员门中央锁死系统开关S42-副驾驶员门中央锁死系统开关图11-10 喇叭电路图F4-保险丝(10A)H2-喇叭K18-喇叭、安全气囊继电器 S64-喇叭开关U20-接触单元总成图11-11 安全气囊电路图K31-安全气囊控制单元 U20-接触单元总成 U21-驾驶员侧安全气囊总成 U22-副驾驶员侧安全气囊总成图11-12 后窗加热器F17-保险丝(10A) F3-保险丝(10A)E19-后窗加热器K1-后窗加热器继电器图11-13 手套箱灯电路图E15-手套箱灯F14-保险丝(10A)图11-14 车窗升降器F17-保险丝(10A) F24-保险丝(10A) F28-保险丝(30A) M15-右前乘客车窗升降器电机 M47-驾驶员座车窗升降器电机 S78-车窗升降器开关 S37.1-驾驶员座车窗升降器开关 S37.2-右前乘客车窗升降器开关图11-15 刮水器/点烟器电路图F18-保险丝(20A) K8-刮水器继电器K30-后窗刮水器继电器M2-前刮水器电机 M8-后窗刮水器电机 M55-前后洗窗喷水电机S9.2-前刮水器开关S9.5-后窗刮水器及洗窗喷水电机开关图11-16 防抱死制动系统电路图F4-保险丝(10A) P17-左前速度传感器 P18-右前速度传感器 P19-左后速度传感器P20-右后速度传感器 K117-备用控制单元U4-ABS控制单元图11-17 自动变速器控制模块电路图K85-自动变速器控制模块 P48-自动变速器输出轴转速传感器S10-档位选择开关F2-保险丝(10A)F5-保险丝(10A)P45-自动变速器输入轴转速传感器S104-超车强迫降档开关 S105-雪地起步开关 S106-经济模式/运动模式转换开关 U13-阀体 Y47-换档电磁开锁装置 S84-换档杆开锁开关图11-18 空调系统电路图(一)F15-空调保险丝(30A)K6-空调继电器 K7-空调鼓风机继电器 M10-空调鼓风机电机S24-鼓风机开关图11-19 空调系统电路图(二)S20.1-压力开关总成 S20.2-压力开关总成S101-空调开关总成 Y1-空调压缩机电磁离合器Y14-致冷剂电磁阀 S130-恒温开关图11-20 空调系统电路图(三)F7-保险丝(30A) K51-散热器鼓风机继电器 K52-散热器鼓风机继电器 K70-散热器鼓风机继电器 M4-散热器鼓风机电机 S20.3-压力开关总成 K26-散热器鼓风机继电器表11-1 导线颜色缩写图示导线颜色导线颜色图示导线颜色导线颜色BL 蓝色 GR 灰色BR 褐色 RT 红色GE 黄色 SW 黑色GN 绿色 VI 紫色WS白色表11-2 保险丝规格及用途供应线 保险丝号 额定电流 用途30 F1 15A 危险警告灯、危险警告信号装置30 F2 10A TCM30 F3 25A 后除雾器30 F4 10A 行李箱灯、驾驶员侧和乘客侧的阅读灯、收音机、天线放大器和喇叭15 F5 10A TCM信号装置30 F6 10A 左右侧后雾灯30 F7 30A 高速散热风扇30 F8 10A 左侧停车灯、左侧尾灯30 F9 20A 左侧与右侧前雾灯、后雾灯控制继电器线圈30 F10 10A 左侧远光灯W F11 10A 收音机30 F12 10A 左侧近光灯30 F13 20A 中央锁死系统30 F15 最大30A 鼓风机电机、鼓风机电机高速控制继电器线圈、空调温度保护电路继电器线圈、空调压缩机电磁离合器15 F16 20A 刮水器与清洗系统15 F17 10A 信息灯、手套箱灯、后除雾器控制继电器线圈、冷却风扇控制继电器线圈15 F18 20A 左侧与右侧备用灯、点烟器、TCM倒档信号输入15 F19 15A ECM15 F20 30A 空调开关控制继电器线圈、散热器与冷凝器风扇或仅冷凝器风扇高速15 F21 15A 制动灯、高位中央制动灯、防抱死制动系统信号输入、转弯信号信号装置、左侧或右侧转弯信号、TCM制动信号输入15 F22 10A 防抱死制动系统30 F23 10A 右侧驻车灯、右侧尾灯、车牌灯、电磁离合器、收音机照明、前雾灯控制继电器线圈15 F24 10A 车窗升降器方向控制装置、车窗升降器信号装置30 F25 10A 右侧远光、远光信号装置30 F26 20A ECM、燃油泵30 F27 10A 右侧近光30 F28 30A 车窗升降机电机第二节赛欧轿车线束走线图赛欧轿车线束走线图及其连接端子图见图11-21~图11-56所示。
别克车系设备装配示意图01.英朗(三厢)02.昂科威03.君威04.君越05.凯越06.昂科拉别克车系OBD接口种类三通转接线别克车系OBD接口只有两种别克B型OBD接口(适配车型英朗、昂科拉)别克A型OBD接口(适配车型凯越、君威、君越、昂科威)封面01英朗(三厢)0203拆掉原车主驾位的挡板,如图从驾驶位挡板脱离原车OBD接口,英朗原车OBD接口属于别克B型OBD接口原车OBD接口与三通转接线公头接上,并固定好,避免车辆行驶过程中震动变松,影响接触,三通转接线OBD接口取代原车OBD接口。
三通转接线4.5米长线走线,藏于里面。
将三通转接线上的OBD接口安装到原车OBD接口位置三通转接线4.5米长线走线,需藏于里面。
01-英朗(三厢)设备设备安装位置如图(设备有三个灯的一端朝车内),利用底部3M胶固定在金属板上,需放平稳,不产生干涉。
掀开后备箱中间层上挡板GPS外置GPS天线摆放在靠角落位置,需走好线,固定并藏于挡板下面。
0102昂科威0304原车OBD接口与三通转接线公头接上,并固定好,避免车辆行驶过程中震动变松,影响接触,三通转接线OBD接口取代原车OBD接口。
三通转接线4.5米长线走线,藏于里面。
拆掉原车主驾位的挡板,如图转接线4.5米线安装走线(顺着底盘左侧,沿BC柱走向,线需藏于内部),如图。
图拆开C柱门边挡板设备/GPS安装位置设备GPSGPS天线放置处设备安装位置如图(设备有三个灯的一端朝车内),利用底部3M胶固定在金属板上,需放平稳,不能产生干涉。
0203君威0405拆掉主驾位挡板,找到OBD接口,如图原车OBD接口属于别克A型原车OBD接口与三通转接线公头接上,并固定好,避免车辆行驶过程中震动变松,影响接触,三通转接线OBD接口取代原车OBD接口。
三通转接线4.5米长线走线,藏于里面。
转接线4.5米线安装走线(顺着底盘左侧,沿BC柱走向,线需藏于内部),如图。
设备GPSGPS天线放置处设备安装位置如图(设备有三个灯的一端朝车内),利用底部3M胶固定在金属板上,需放平稳,不能产生干涉。
11.3.2.1 线束布线图发动机舱线束布线–左前图标(1) G102(2) J131(3) X120(4) X100(5) J132(6) J103(7) J100(8) X102(LLU 带MH7)(9) X101(LLU 带MZ0、MZ4、LDE 或2H0)(10) X101(LLU 带MH7)(11) X118(12) J130(13) J129顶灯线束布线图标(1) X211(2) J333(3) J334(4) X210(5) J335(6) J332(7) J331车身线束布线–车顶前部图标(1) X210(2) X211车身线束布线–乘客舱左前部图标 (1) X500 (2) J222 (3) J316 (4) J117 (5) J211 (6) J116 (7) J240 (8) J303 (9) J221 (10) J118 (11) J119 (12) J330 (13) J109 (14) J208 (15) J210 (16) J115 (17) J309汽车技师帮技术资料别克英朗维修电路图(11.3.2.1 线束布线)(18) J311(19) J307(20) J313(21) J305(22) J315(23) J113(24) J329(25) X200(26) J300车身线束布线–乘客舱左中部图标(1) J326(2) J325(3) J405(4) J402(5) J318汽车技师帮技术资料别克英朗维修电路图(11.3.2.1 线束布线)(6) J319(7) J340(8) J308(9) X700(10) J327车身线束布线–左后图标(1) J317(2) J401(3) J416车身线束布线–乘客舱右侧图标(1) X211(2) X600(3) J415(4) J413(5) J312(6) J414(7) J412(8) X800(9) J306(10) X401(11) X205车身线束布线–乘客舱中部图标(1) J308(2) J314(3) J310(4) J224(5) J301(6) J223(7) J321(8) J315(9) J403(10) J212发动机线束布线(LDE)图标(1) J101(2) J111(3) J112(4) X105(5) X110(6) J102仪表板线束布线图标 (1) J209 (2) J233 (3) J218 (4) J207 (5) J219 (6) J217 (7) J213 (8) J215 (9) J238 (10) J227 (11) J216 (12) J230 (13) J229 (14) X200 (15) J232 (16) J237 (17) J236 (18) J223 (19) J200 (20) J203 (21) J204汽车技师帮技术资料别克英朗维修电路图(11.3.2.1 线束布线)(22) X300(23) J228(24) J205(25) J206(26) J202(27) J220。