数控专业实训基地设备采购清单
- 格式:doc
- 大小:162.50 KB
- 文档页数:8
天津市第一轻工业学校数控实训基地计算机设备采购标书注:1.结算方式:由天津市职业教育数控示范基地专项资金中统一拨款支付(国库支付),签订合同后支付货款的30%、安装调试完成后支付货款的60%,其余10%货款自合同签订日期生效后,机电设备经调试验收合格并投入正常使用后,一年内付清尾款。
2.供应商负责免费运输、安装调试。
3.当设备出现故障时及技术问题,供应商应在2小时内响应并进行相应维修,要求供应商在天津地区有其固定维修服务机构。
4.供应商负责免费进行技术培训和技术服务。
5.合同签订后,供应商应在20个工作日内将计算机设备按照需方指定地点进行安装调试。
6.供应商需按照招标文件的要求,在投标文件中对所投产品的名称、品牌、生产厂家、产地、主要技术性能指标及其在技术、安全、性能、管理、使用年限及售后服务等方面情况提供详细的技术文件及产品彩图等相关资料。
7.采用一站制供货。
8.为了保证计算机设备质量,不以最低价格为中标标准。
9.采购方与供货方必须严格履行合同所规定的各项义务。
2010-6-10计算机政府采购说明一、用途1、CAD、CAM和CAE教育应用。
2、工业设计应用二、设备要求所有设备均要符合国家相关的质量标准和安全标准。
1、主机、机箱和电源(1)机箱内温度38°C(2)内存DDR3内存。
(3)机箱表面不能有徒手拆卸的部件和装饰物。
(4)声卡、网卡和显卡可主板集成。
(5)主板有两个或以上的pci插槽。
(6)USB接口是否可用在BIOS中应可以设置。
(7)机箱应防盗。
鼠标键盘不能徒手拆掉。
2、键盘防水3、显示器(1)液晶屏应有不可拆的钢化玻化玻璃保护或其他保护液晶屏不受外力损坏的保护措施。
(2)电源220V直接到显示器内部,外部不应有其它与电源有关的装置。
4、服务(1)对所有本包招标的全部设备提供3年3包服务。
(2)过保修期后维修只收取零件费不再有其他费用。
(3)对于人为损坏的情况,厂商或供应商应能及时给予维修。
第一包数控设备清单附件1:数控车床招标货物技术要求及交货要求下面列示的招标货物技术要求及交货要求是本次数控车床招标项目具体评标标准。
货物需求一览表一、设备名称:数控车床Ⅰ二、数量:3台三、工作环境及条件除技术规格另有规定外,数控车床能在以下环境里长期稳定地工作。
电压:220V/380V±10%,单相/三相;频率:50Hz±1%。
环境温度:-2℃ -- 40℃相对湿度:≤80%压缩空气压力: 6 -- 8bar四、主要技术参数及规格要求1、加工范围:床身上最大工件回转直径≥Ф360mm拖板上最大工件回转直径≥Ф210mm最大工件长度≥ 750mm最大车削长度≥ 550mm2、机床主轴控制: 采用交流变频器和交流变频电机控制。
主轴转速范围(变频,无级) 50~2500rpm主轴通孔直径Ф52mm主轴锥孔莫氏6号或莫氏5号主轴电机功率≥5.5 KW3 机床进给驱动控制: 采用交流伺服驱动单元与交流伺服电机驱动。
进给快移速度(Max) (Z向)≥ 10000 mm/min(X向)≥ 6000 mm/min进给电机扭矩(功率)(Z向)≥ 6 Nm(X向)≥ 4.5 Nm4 机床精度:机床的定位精度及重复定位精度按国家《数控卧式车床精度》专业标准的相关项目进行检测。
精度值应满足标准要求。
定位精度(Z向)≤0.04 mm(X向)≤0.03mm重复定位精度(Z向)≤0.016 mm(X向)≤ 0.012 mm5机床刀架控制: 刀架采用与机床相配套的电动刀架。
刀架刀位数≥ 4刀架转位的定位精度≤±0.01mm车刀刀杆最大尺寸(宽×高)≥20×20mm6 尾座:尾架套筒锥孔莫氏 4号尾架套筒最大移动距离≥ 100mm7 机床附件:机床半防护装置 1个照明装置 1个冷却装置 1个手动润滑装置 1个调整垫铁 6个卡盘 1个通用工具及专用工具若干 1套随机文件应包括机床使用说明书,合格证,装箱单等1套8 其它:机床电源及总功率 3P/50Hz/380V/7KVA9、控制系统a.FANUC0i-MATE-TD或其它更高水平的FANUC系统数控系统b.数字交流主轴单元c.三轴联动d.8.4LCDe.RS-232接口,DNC接口f.手摇脉冲发生器g.PLC梯形图显示h.电气箱热交换器i.机床操作和维修工具等附件j 可以实现计算机设置常规故障,如刀架故障、主轴故障、进给故障 k 具有独立的故障设置软件,完成设置故障、评分等功能10、技术资料a.数控系统操作手册b.数控系统维修手册c.伺服系统说明书d.机床操作手册e.机床维修手册f.电气原理图、逻辑控制图g.备品、备件手册h.易损件清单i.精度检验单五、安装调试与和验收1、卖方负责设备的免费安装和调试,并应在规定的期限内调试完毕。
济南市历城第二职业中等专业学校
购置实训设备清单
项报学校济南市历城第二职业中等专业学校(公章)填报人 ____________ 吕学强_________________
主管单位 ______ 济南市历城区教育局_________ (公章)填报时间 ________ 2013年3月______________
购置实训设备清单汇总表
、建筑工程施工专业购置实训设备清单
(一)建筑施工实训室设备清单
(布置在实训楼一楼,面积:500平方米)
(二)建材及结构实训室设备清单(布置在实训楼三楼,面积:200平方米)
(四)理实一体化多功能绘图室设备清单(布置在实训楼三楼,面积:100平方米)
(四)建筑测量实训室设备清单
(布置在实训楼三楼,面积:100平方米)
、机电技术应用专业购置实训设备清单
(布置在实训楼二楼,实训面积:600平方米)
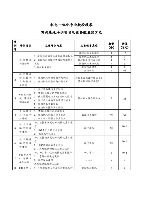
三、数控技术应用专业购置实训设备清单
(布置在2号实训楼一楼,实训面积:800平方米)
四、汽车运用与维修专业购置实训设备清单
(布置在汽修实训车间,实训面积2400平方米)。
实训设备购置一览表三、技术规格外形尺寸:1700 X 1200 X1000mm(长X宽X髙)动力电源:三相四线(或三相五线)380V±10%50Hz 输入电源:交流220V±10%50Hz工作电源:直流12V工作温度:-40°C-+50°C油压表:0〜100kg/psi三相异步电动机:电压:AC220V/380V50HZ电流:8.7A/5.0A功率:2.2KW转速:1420r/min颜色:7032钢管:40*40*3mm移动脚轮:100*50mm四、基本配置(每台)外形尺寸:1240 X 600 X1700mm(长X宽X髙)外接电源:AC220V±10%50Hz工作电压:DC12V工作温度:-40°C〜+50°C颜色:7032钢管:40*40*3mm机柜:1.5mm冷板冲压成形,背面设宜维修门; 移动脚轮:100*60mm四、基本配置(每台)汽车防盗实训台架一、功能简介本招标项目必须要实质性满足的其他技术要求和商务要求:1、本项LI培训的招标要求:中标单位负责免费培训3-5名实训教师,直到熟练掌握设备及“职业教育教学实训系统”的操作、使用、维护,培训期间食宿费、培训费全部由中标单位承担。
2、招标货物需求表中带*的设备投标单位在开标现场必须提供样品演示“职业教育教学实训系统”的每一项功能,样品必须包括软件和硬件,不接受只采用软件演示“职业教育教学实训系统”或其他演示方式,如果演示有一项或多项功能不符合要求则按照无效投标处理。
3、投标单位必须在投标文件内书面承诺如下内容:釆购人在定标期间,有权要求中标候选人对其提供的“职业教育教学实训系统”样品进行现场测试,确保各项参数符合采购人的要求,如所投货物的技术性能存在不满足招标文件中设备技术参数与功能要求的则视为自动放弃中标的权利。
如样品符合招标要求,则样品由釆购单位封存,作为后期项目货物验收的标准。
数控机床维修实训室设备采购清单及预算二、技术性能:1. 输入电源:三相四线380V±10% 50Hz2. 装置容量:<2kVA3. 实训台外形尺寸: 137cm×60cm×189cm,三、配置及功能:1. 控制屏采用铁质双层亚光密纹喷塑结构。
2. 电源部分采用三相四线380V交流电源供电,漏电保护器控制总电源。
3. 数控系统单元采用FANUC公司的"FANUC 0i Mate TC"数控系统。
4. X/Z进给轴均采用βi系列交流伺服电机驱动。
5. 主轴电机由变频器进行无级调速。
6. 设计有专门的故障设置区和排故操作单元。
教师在故障设置区通过开关设置故障;在实训台上有LCD点阵图滚屏显示故障代码,具有数控车床的故障维修考核功能。
四、半实物数控车床参数:1、床身最大回转直径:250mm2、刀架最大回转直径:120 mm3、X/Z轴行程:130×300 mm4、定位精度:0.04 mm5、主轴电机功率:750W6、主轴最高转速:1500rpm7、电动刀架:4工位8、外形尺寸:1120×590×600 mm五、部分实训项目:1. 数控车床电气系统的设计2. 数控系统的参数设置与调整3. 输入输出接口实训4. 机床参考点的调试5. 伺服电机驱动单元的调试与应用6. 变频器的调试、参数设置与应用7. 电动刀架控制实训8. 数控系统的通讯9. 数控车床故障诊断与维修10. 数控系统的操作与编程11. 数控车床加工实训4 数控铣床电气控制与维修实训台(半实物)KRHKF-MB 法那科TD一、特点:◆系统由实训台和半实物组成,能完成数控系统的安装调试、参数设置、PLC编程、故障诊断与维修、数控铣床装配调试、数控编程与加工操作等到多项教学实训。
◆系统采用开放式结构,将一台数控铣床电控系统在实训台上进行分解展示,模块化设计,将数控系统接口信号在各模块上展开,信号可测量。
数控专业购置设备计划表一、四轴加工中心技术要求结构特点1铸件机床铸件均采用树脂砂铸造,且经过两次人工时效处理,稳定性好,强度高,各项精度稳定可靠。
机床立柱采用“人”字形结构,Y向电机后置;底座结构增加了机床防漏接水扩展边,提高了整机防水防漏;2主轴机床所选用的主轴系统全套从台湾专业生产配套厂商进口,各重要零部件均经过强化处理;采用世界知名厂商高精度主轴专用轴承及采用NBU15油脂润滑,整套主轴要恒温条件下组装完成后,均需通过电脑平衡较正及跑合测试,使得整套主轴的使用寿命长,可靠性高。
本机床主轴电机通过特殊的高速圆弧齿型带与主轴皮带轮联接完成主传动系统。
3卸刀机床采用目前加工中心通用的快速气动卸刀装置-气液增压缸,实现机床的快速装卸刀具。
4丝杠机床X、Y、Z三轴传动的滚珠丝杆均采用台湾专业配套生产厂商提供的高精度预紧滚珠丝杆,滚珠丝杆两端轴承均采用进口P4级的配对组合的滚珠丝杆专用轴承。
联轴器采用进口联轴器,从而使得三轴的传动刚性强,精度稳定可靠。
5导轨机床X、Y、Z轴采用台湾知名厂家滚动导轨,消除了导轨可能产生的爬行现象,提高了机床的运动精度。
标配为滚珠导轨,选配可选滚柱导轨。
6进给系统机床进给系统采用伺服电机通过弹性联轴器与滚珠丝杠直联带动工作台、滑鞍和主轴箱体实现X、Y、Z三个方向的进给。
7刀库机床配以24把圆盘式刀库,侧挂在立柱左侧面。
主轴鼻端:BT-40,刀柄形式:MAS403 BT40,拉栓形式:MAS403 P40T-1。
8吊挂式操纵台操纵台采用吊挂式,CRT箱也可在90°角范围内任意转动,该机床还配有可拖动式手摇脉冲发生器,操作起来更方便。
9机床全防护机床的防护采用全防护型式。
防止冷却液的渗漏,并保持环境的清洁。
10润滑机床的润滑系统采用定量集中供油润滑系统,润滑经由系统PLC程序控制,可控、可靠。
该系统设计先进、性能可靠、结构紧凑、体积小、重量轻、安装方便。
本系统在自动供油泵和节流分配器中都设有过滤网,从而保证了各润滑点润滑的质量和管路的畅通;整个系统以压力供油,其各处润滑的分配不随温度和粘度的变化而变化,只与节流分配器的流量有关,各润滑点均能得到充分的润滑。
第一包数控设备清单附件1 :数控车床招标货物技术要求及交货要求下面列示的招标货物技术要求及交货要求是本次数控车床招标项目具体评标标准。
货物需求一览表、设备名称:数控车床I、数量:3台、工作环境及条件除技术规格另有规疋外,数控车床能在以下环境里长期稳疋地工作。
电压:220V/380V± 10% 单相/ 三相;频率:50Hz± 1%环境温度:-2 °C -- 40 °C相对湿度:< 80%压缩空气压力: 6 -- 8bar四、主要技术参数及规格要求1、 加工范围 :床身上最大工件回转直径 > ① 360mm 拖板上最大工件回转直径 > ① 210mm 最大工件长度 >750mm最大车削长度 > 550mm2、 机床主轴控制 : 采用交流变频器和交流变频电机控制。
主轴转速范围(变频,无级) 50〜2500rpm主轴通孔直径 ①52mm主轴锥孔 莫氏 6 号或莫氏 5 号 主轴电机功率 > 5.5 KW3 机床进给驱动控制 :采用交流伺服驱动单元与交流伺服电机驱动。
进给快移速度 (Max )(Z 向)》10000 mm/min (X 向)》6000 mm/min进给电机扭矩(功率)(Z 向)》6 Nm(X 向)》4.5 Nm4 机床精度 : 机床的定位精度及重复定位精度按国家 《数控卧式车床精度》 专业标准的相关项目进行检测。
精度值应满足标准要求。
定位精度 (Z 向)w 0.04 mm(X 向)w 0.03mm重复定位精度(Z 向)w 0.016 mm (X 向)w 0.012 mm5 机床刀架控制 : 刀架采用与机床相配套的电动刀架。
刀架刀位数> 4机床半防护装置1个刀架转位的定位精度< ± 0.01mm车刀刀杆最大尺寸(宽x 高) > 20x 20mm6 尾 座 :尾架套筒锥孔莫氏 4 尾架套筒最大移动距离7 机床附件 : 号 > 100mm照明装置1个冷却装置1个手动润滑装置1个调整垫铁6个卡盘1个通用工具及专用工具若干1套随机文件应包括机床使用说明书,合格证,装箱单等1 套8 其它:机床电源及总功率3P/50Hz/380V/7KVA9、控制系统a. FANUCOi-MATE-TD或其它更高水平的FANU係统数控系统b. 数字交流主轴单元c. 三轴联动d. 8.4LCDe. RS —232接口,DNC接口f. 手摇脉冲发生器g. PLC 梯形图显示h. 电气箱热交换器i. 机床操作和维修工具等附件j 可以实现计算机设置常规故障, 如刀架故障、主轴故障、进给故障k 具有独立的故障设置软件,完成设置故障、评分等功能1O 、技术资料a. 数控系统操作手册b. 数控系统维修手册c. 伺服系统说明书d. 机床操作手册e. 机床维修手册f. 电气原理图、逻辑控制图g. 备品、备件手册h. 易损件清单i. 精度检验单五、安装调试与和验收1、卖方负责设备的免费安装和调试,并应在规定的期限内调试完毕。