250t门式起重机计算书
- 格式:doc
- 大小:559.00 KB
- 文档页数:24
MQ100 门式起重机总体设计计算书一. 总体计算计算原则:MQ100门式起重机设计计算完全按《起重机设计规范》GB3811执行,并参照下列标准进行设计计算:《塔式起重机设计规范》GB/T13752-92 《法国塔式起重机设计规范》NFE52081 工作级别 A 5 利用等级 U 5 起升机构 M 5 变幅机构 M 4 回转机构 M 4 行走机构 M 4 最大幅度 13m最大起重量 8000Kg(一) 基本参数:回转速度 0.7r/min回转制动时间 5s行走速度 12.5/25m/min行走制动时间 6s 回转惯性力()Kg RM M g t Rn F 002242.0.60..25.1=⨯⨯=π回其中 g=9.81 n=0.7r/min t=5s行走惯性力: ()Kg M M g t vF 0106184.0.605.1=⨯⨯=行其中 g=9.81 V=25m/min t=6s(二) 载荷组合:自重力矩、惯性力及扭矩上表中的回转惯性力到轨顶面的力矩总计为:-1971kg.m 上表中的行走惯性力到轨顶面的力矩总计为:5378kg.m(三)起重小车、吊钩和吊重载荷起重小车265kg绳60kg吊钩230kg起升动载系数(起升机构用40RD20):=1.136, q=8tV=16m/min时,2吊重q=8000kg, 幅度R=13m(1) 吊载Q=(8000+230+60/2)×1.136+(265+60/2)×1.1=9708kgM=9708×13=126204kg.m(2) 风载(包括起重小车、吊钩和吊重)迎风面积A=5.52+1.6×82/3=11.92m2风力:F=11.92×25=298kg=298×13=3874kg.m风扭矩:Tn风力到轨道上平面的力矩:M=298×12=3576kg.m(3) 回转惯性力F=0.002242×(8000+230+265+60)×13=249kg 回转惯性扭矩: T=249×13=3237kg.mn回转惯性力到轨道上平面的力矩:M=249×12=2988kg.m (4)行走惯性力F=0.0106184×(8000+230+265+60)=91kg=91×13=1183kg.m行走惯性扭矩:Tn行走惯性力到轨道上平面的力矩:M=91×12=1092kg.m (四) 风载荷A、工作,垂直风(风向与臂架垂直)臂长jib=13m,垂直风(注:标高均指风力作用点到轨顶面的高度)上表中的风力到轨顶面的力矩总计为:14799kg.m B、工作,平行后吹风(风向与臂架平行,与底架平行)臂长jib=13m,后吹风(注:标高均指风力作用点到轨顶面的高度)上表中的风力到轨顶面的力矩总计为:11168kg.m C、工作,45︒后吹风(风向与臂架平行,与底架成45︒)臂长jib=13m,45︒后吹风(注:标高均指风力作用点到轨顶面的高度)上表中的风力到轨顶面的力矩总计为:12290kg.m D、非工作,平行后吹风(风向与臂架平行)臂长jib=13m,后吹风(注:标高均指风力作用点到轨顶面的高度)上表中的风力到轨顶面的力矩总计为:35732kg.mE、非工作,45︒后吹风(风向与臂架平行,与底架成45︒)臂长jib=13m,45︒后吹风(注:标高均指风力作用点到轨顶面的高度)上表中的风力到轨顶面的力矩总计为:-39322kg.m 二、载荷汇总MQ100门式起重机各力到轨顶面的载荷汇总如下:非工作,含小车,无系数重力:67930+495=68425kg工作,含小车,无系数重力:67930+495+60+8000=76485kg工作,含小车,有系数重力:1.1⨯67930+9708=84431kg非工作,含小车,无系数重力矩:-63443+2.9⨯495=-62008kg.m工作,含小车,无系数重力矩:-63443+8555⨯13=47772kg.m工作,含小车, 有系数重力矩:-1.1⨯63443+9708⨯13=56417kg.m工作,垂直风力:1650+298=1948kg工作,后吹风力:1422+298=1720kg工作, 45︒后吹风力:1628+298=1926kg非工作, 平行前吹风力:4550+5.52⨯80=4992kg非工作, 45︒前吹风力:5209.6+5.52⨯80=5651kg工作,垂直风力矩:14799+298⨯12=18375kg.m工作, 后吹风力矩:11168+298⨯12=14744kg.m工作, 45︒后吹风力矩:12290+298⨯12=15866kg非工作, 平行前吹风力矩:-(35732+5.52⨯80⨯12)=-41031kg.m 非工作, 45︒前吹风力矩:-(39322+5.52⨯80⨯12)=-44621kg.m 工作,回转惯性力:-142.5+249=106.5kg工作,行走惯性力:721+91=812kg工作,回转惯性力矩:-1971+249⨯12=1017kg.m工作,行走惯性力矩:5378+91⨯12=6470kg.m工作,垂直风力扭矩:146+298⨯12=3722kg工作,回转惯性力扭矩:1457+249⨯12=4445kg.m工作, 行走惯性力扭矩:-679+91⨯12=413kg.m回转离心惯性力忽略不计三、MQ100行走式门式起重机的稳定性计算(一)工作状态下的稳定性稳定力矩(kg.m)3.5m后倾翻边前倾翻边1. 工况:工作、静态、无风(R=13m,Q=8t)回转、行走M前倾=M负荷+M行走=1.5×8000×(13-1.75)+6470 =141470kg.mM前稳/M前倾=181752/141470=1.28>12. 工况:工作、动态、有风(R=13m,Q=8t)回转、后吹风M前倾=M负荷+M行走+M风=1.3×8000×(13-1.75)+6470+14744 =138214kg.mM前稳/M前倾=181752/138214=1.31>13. 工况:工作、动态、突然卸载(R=13m,Q=8t 0)无回转、无行走、风M后倾=M负荷+M风=0.3×8000×(13+1.75)+14744 =50144kg.mM后稳/M后倾=57736/50144=1.15>14. 工况:工作、动态、有风(R=13m,Q=8t)回转、行走、风M前倾=M回转+M行走+M风=1017+6470+18375=25862kg.mM稳=(67930+495+60+8000)×1.75=133849kg.mM稳/M前倾=133849/25862=5.17>15. 工况:工作、动态、无风(R=13m,Q=8t)无回转、无行走、无风 M前倾=1.6×8000×(13-1.75)=144000kg.mM前稳/M前倾=181752/144000=1.26>1(二)非工作状态下的稳定性倾翻边风M倾=1.1M风=1.2×41031=49237kg.mM稳/M倾=57736/49237=1.17>1综上所述:M100行走式门式起重机在工作状态和非工作状态下的稳定性均安全.(三)安装状态下的稳定性(1).后倾翻边M后倾=6458+481+13630-447-57-556-534=18975kg.mM后稳=(67930-1728-320-108-429-10500)×1.75=95979kg.mM后稳/M后倾=95979/18975=5.06>1(2) 装上起重臂(13m臂长时,无配重)M前倾=(63433+230×10) -64155=1578kg.mM前稳=(67930-10500)×1.75=100503kg.mM前稳/M前倾=100503/1578=63.7>1四、M100行走式门式起重机的台车支反力计算1. 工况:工作、45 后吹风(R=13m,Q=8t)、行走、风重力: 84431kg 重力力矩: 56417kg.m回转力矩: 1017kg.m 行走力矩: 6470kg.m风力矩: 15866kg.mRA=(-84431/4)+(56417+15866)/(3.5×2)+6470/(2×3.5)=-5580kgRB=(-84431/4)-1017/(3.5×2)-6470/(2×3.5)=-22238kgRC=(-84431/4)-(56417+15866)/(3.5×2)-6470/(2×3.5)=-36635kgRD=(-84431/4)+1017/(3.5×2)+6470/(2×3.5)=-19978kg2. 工况:非工作、45 前吹风(R=2.9m,Q=0)风重力: 68425kg 重力力矩: -62008kg.m风力矩: 44621kg.mRC=-68425/4+62008/(3.5×2)+44621/(3.5×2)=+4436kgRC为正,故按三点支承计算RA=-62008/(1.75×2)-44621/(1.75×2)=-43085kgRB =RD=-68425/2-62008/(2×1.75×2)-44621/(2×1.75×2)=-55755kgRC=0。
起重机数据及公式引言概述:起重机作为一种重要的机械设备,在各种工程项目中起着至关重要的作用。
了解起重机的数据及相关公式,可以帮助工程师和操作人员更好地使用和维护起重机,确保工程项目的顺利进行。
一、起重机的基本数据1.1 起重机的额定起重量:指起重机在设计时所规定的最大起重量,通常以吨为单位表示。
1.2 起重机的最大起升高度:指起重机能够达到的最大起升高度,通常以米为单位表示。
1.3 起重机的最大起升速度:指起重机在起升过程中的最大速度,通常以米/秒为单位表示。
二、起重机的相关公式2.1 起重机的额定载荷计算公式:额定载荷 = 起重机的额定起重量。
2.2 起重机的起升高度计算公式:实际起升高度 = 起升高度 + 起升高度的超量。
2.3 起重机的起升时间计算公式:起升时间 = 起升高度 / 起升速度。
三、起重机的安全性数据3.1 起重机的安全载荷:指起重机在实际使用中所能承受的最大载荷,通常小于额定起重量。
3.2 起重机的安全起升高度:指起重机在实际使用中所能达到的最大起升高度,通常小于最大起升高度。
3.3 起重机的安全起升速度:指起重机在实际使用中所能达到的最大起升速度,通常小于最大起升速度。
四、起重机的维护数据4.1 起重机的定期检查:包括检查起重机的各个部件是否正常运转,是否有磨损或松动等问题。
4.2 起重机的润滑保养:定期给起重机的各个部件进行润滑保养,确保其正常运转。
4.3 起重机的故障处理:及时处理起重机出现的故障,避免对工程项目造成影响。
五、起重机的操作数据5.1 起重机的操作规程:操作人员应按照规定的操作程序进行操作,确保起重机的安全运行。
5.2 起重机的操作技巧:操作人员应具备良好的操作技巧,能够熟练地操作起重机。
5.3 起重机的操作注意事项:操作人员在操作起重机时应注意安全,避免发生意外事故。
结语:通过了解起重机的数据及相关公式,可以更好地使用和维护起重机,确保工程项目的顺利进行。
龙门吊受力计算书
四合同梁板预制厂的梁板浇筑及搬运采用两台龙门吊,龙门吊跨径21m,横梁由7片321型贝雷片组成;竖杆高9m,由3片321型
贝雷片组成;采用单轨移动,移动轮间距7m。
1、龙门吊内力计算:
龙门吊内力计算按照静定平面钢架进行计算,此
钢架为一简支钢架支座反力只有2个,考虑钢架
的整体平衡
∑X=0
∑M A=0
∑Y=0 V A=V B=F/2
当龙门吊搬运16m板时所承受的集中荷载F=170.04KN
V A=V B=85.02KN
弯距计算:根据内力计算法则,各杆端弯距为
M AC=669.53KN.m(右侧受拉) M CA=669.53KN.m(左侧受拉)M CD=669.53KN.m(上侧受拉) M DC=669.53KN.m(上侧受拉)M DB=669.53KN.m(右侧受拉) M BD=669.53KN.m(左侧受拉)M E=223.18 KN.m(下侧受拉)
剪力计算:根据内力计算法则,各杆端剪力为
Q AC=0 Q CA=0
Q CD=85.02KN Q DC=85.02KN
Q DB=0 Q BD=0
Q E=170.04KN
321型贝雷片允许弯距M0=975 KN.m,允许剪应力Q0=3978 KN 满足要求。
2、抗倾覆计算: P
H=9。
0m
L=7。
0m
P=98.52KN
对A点取距
抗倾覆力矩由竖向力P产生,则
M抗=P*L/2=344.82KN.m
倾覆力矩由风力或其他力F产生, 则
M倾=F*H=9F
当M抗= M倾时F最大Fmax=38.31KN
3
吊不使用时,
(见图)。
钢轨。
龙门吊基础计算书一、 工程概况二、 龙门吊检算1、设计依据龙门吊主要部件尺寸及重量序号 部件名称 尺寸单件重量(t)备注总重/t1主梁21450*1120*150012.082件24.16 2端梁3950*1012*1100 1.422件 2.84 3马鞍8190*1000*1030 2.142件 4.28 4支腿9818*1712*2166 4.4318件35.448 5地梁11300*920*800 3.632件7.266台车(移动部件)1900*1465*1500 2.54件107小车(移动部件)4290*5236*2437 19.621件19.628司机室2250*1300*2300 1.21件1.2 9电气室3000*1600*22002.21件 2.2 10配重 6.25件3111渣土罐(移动部件)401件40合计178.12、设计参数:1、从安全角度出发,按g=10N/kg计算。
2、45吨龙门吊自重: G4=108.4×1000×10=1084KN;3、45吨龙门吊载重: G5=(10+19.62+40)×1000×10=696.20KN;4、根据结构力学影响线原理:当起重机移至悬臂梁端头处,吊车支腿承受荷载最大。
即移动荷载下支座反力FR’=(1+9.306/11.6)×696.2=1254.72KN自重荷载下支座反力FR’’=1084/2=542KN故,吊车一侧支腿传递至轮子最大反力FR=1254.72+542=1796.42KN 考虑安全系数1.2,故最大反力设计值为2155.70KN。
45吨龙门吊4个支腿,每个支腿下1个轮子,每个轮子的最大承重标准值:G6=1794.42/2=898.21KN5、混凝土强度:普通混凝土强度C30,C=14.3MPa6、钢板垫块面积:0.40×0.15=0.06 m27、5吨龙门吊边轮间距:L:9.36m3、受力分析与强度验算:45吨龙门吊受力图如下:龙门吊受力分析图冠梁配筋图 门吊基础梁预埋螺栓位置图3.1、根据受力图,两条钢轨完全作用于其下面的混凝土结构上的钢块,钢块镶嵌在混凝土上,故而进行混凝土强度验证:假设:(1)整个钢轨及其基础结构完全刚性(安装完成后的钢轨及其结构是不可随便移动的)。
毕业设计(论文)说明书课题:5吨“L”型支腿箱形单主梁门式起重机设计专业机械设计制造及其自动化班级机械0231学号 19姓名刘兵兵指导教师王洪完成日期: 2007年 3 月至2007年 6 月湖南冶金职业技术学院机械工程系前言随着社会的发展进步,建设创新型国家,培养创新型人才已经越来越成为一个非常迫切的任务.毕业设计作为我们大专学生在校学习的最后一个教学环节,搞好毕业设计工作,不断提高毕业质量,也成为了培养学生成材的一个重要环节.大专生毕业设计即是一种创新研究的尝试.起重机机械主要用于装卸和搬运物料,不仅广泛用于工厂港口建筑工地等生产领域,通过起重机吊钩或其他吊具的起升,下降及移动完成各物品的装卸和移动,使用起重机能减轻工人劳动强度,提高劳动生产率,甚至完成人们无法直接完成的某些工作.由于本人是第一次单独完成这项复杂的工作,其结论必有许多不足之处,望老师们能给予批评指正,我将积极改正并予以诚挚的感谢!编者2007 年6 月目录前言 (1)(一) 毕业设计题目及原始设计数据 (2)(二) 小车起升机构和运行机构的设计计算 (3)(三) 卷筒及部件的设计计算 (18)(四) 门架及部件的设计计算 (21)(五)大车及部件的设计计算 (52)(六) 小结 (59)(七) 参考文献 (60)卷筒的最大弯矩发生在钢丝绳位于卷筒中间时Mw =llSlS150012876)2(1maxmax⨯=-=2.小车运行机构计算经比较后,确定采用如图4-25所示的传动方案 图4-25 小车运行机构传动简图车轮最大轮压:小车质量估计取Gxc=4000kg Pmax=4400050004+=+xcG Q =2250kg=22500N①支腿总体尺寸支腿几何图形如图采用“L”型支腿, 确定总体几何尺寸如下H=8.05m,H1=1.35m,H2=O.40m,H3=1.50mH5=13.765mH‵=8.25m l=1.60m l=5.40m a=4.05m l=7 B=8.592mcm图8-33 支腿由自重引起的内力图图8-34 支腿由移动载荷 图8-35 支腿由移动截荷 (在跨中)引起的内力图 (在悬臂端)引起的内力图 侧推力:H=[P1(K+x 1)+P 2x ]×hk 21323⨯+=[136106.84(2.6+3.7)+136106.89×3.7] ×N 36.416658.9213123=⨯⨯+⨯图8-36 支腿由风载荷引起的内力图205.8777205.845835221⨯⨯⨯=+h P h P s s=400254N.m③支腿承受从主梁传递据矩作用引起的支腿内力(图8-38C )已Mn=269339.99N.m。
门式起重机计算书型号:MDG起重量:主钩50T 副钩10T跨度:24M有效悬臂:左9M 右9M工作级别:A5容:悬臂刚度强度校核;整机稳定性校核50/10-24M单梁门式起重机计算书起重机主参数及计算简图:计算简图小车自重:G X=.8 KN 主梁自重:G Z=554.1 KN 走台栏杆滑导支架等附件:G F=40.2 KN 桥架自重:1100.54 KN 额定起重量:G E=490 KN支腿折算惯性矩的等值截面刚性支腿折算惯性矩:4103311018.512MM bh BH I ⨯=-=主梁截面惯性矩:410332109.712MM bh BH I ⨯=-=主梁X 向截面抵弯矩:373310087.76MM H bh BH W X ⨯=-=主梁Y 向截面抵弯矩:373310089.56MM Bhb HB W Y ⨯=-=一 .悬臂强度和刚度校核。
Ⅰ. 悬臂刚度校核该门式起重机采用两个刚性支腿,故悬臂端挠度计算按一次超静定龙门架计算简图计算。
)12838(3(232)21++++=K K L L EI C L P P f K式中 C 3:小车轮压合力计算挠度的折算系数 )()(2)32()(23212222113L L L P P b P L L L b P b P C K K ++++-==1.00055K:考虑轮缘参与约束,产生横向推力 927.012=⨯=KL h I I K P 1,P 2:小车轮压 KN G G P P EX 9.321221=+== 代入数值:mmK K L L EI C L P P f K 911.22)12927.083927.08240009000(109.710102.2300055.19000)109.321109.321()12838(3(105233232)21=+⨯+⨯⨯+⨯⨯⨯⨯⨯⨯⨯⨯+⨯=++++= 按起重机设计规有效悬臂端的用挠度:mm L f K 7.253509000350][===][f f <结论:综上计算校核,该起重机的悬臂梁的刚度满足起重机械设计规的要求。
门式起重机计算书型号:MDG起重量:主钩50T 副钩10T跨度:24M有效悬臂:左9M 右9M工作级别:A5内容:悬臂刚度强度校核;整机稳定性校核MDG50/10-24A5 门式起重机计算书7-150/10-24M 单梁门式起重机计算书起重机主参数及计算简图:Lx1=11721 Lk=24000 Lx2=11421B=3600b1 b2p 1p 28541=hL=9000计算简图小车自重:G X=153.8 KN 主梁自重:G Z=554.1 KN 走台栏杆滑导支架等附件:G F=40.2 KN 桥架自重:1100.54 KN 额定起重量:G E=490 KN760 e275 1413610 0 1 2 42 12612 20 2223 221338.7 1358.7支腿折算惯性矩的等值截面14 14001426 1261主梁截面刚性支腿折算惯性矩:I3 3BH bh101 5.18 1012M M 4主梁截面惯性矩:I3 3BH bh102 7.9 1012M M 4主梁X 向截面抵弯矩:33BHbhW X 7.0876H710 MM3MDG50/10-24A5 门式起重机计算书7-2常熟市莫城起重机械制造厂主梁Y 向截面抵弯矩:33HBhbW Y 5.0896B710 MM3一. 悬臂强度和刚度校核。
Ⅰ. 悬臂刚度校核该门式起重机采用两个刚性支腿,故悬臂端挠度计算按一次超静定龙门架计算简图计算。
2(P P L C1 2) 3f (L L K3EI2 8K8K312)式中C3:小车轮压合力计算挠度的折算系数C3( P b1 1P b )L(2LK22 22(P1P )L2(3LLK)L)P b32 2 =1.00055K: 考虑轮缘参与约束,产生横向推力K II21hLK0.927P1,P2:小车轮压P 1 P2G GX E 321.9KN2代入数值:2(P P L C1 2) 3f (L L K3EI2 8K8K3)12(321.9 3103321.92.1023105102)900010107.91.00055 80.9273( 9000 24000 )80. 9271222.911mmL 9000K 25.7 按起重机设计规范有效悬臂端的许用挠度:[ f ] mm350 350f [ f ]结论:综上计算校核,该起重机的悬臂梁的刚度满足起重机械设计规范的要求。
龙门吊计算书假定计算参数:1、龙门用万能杆件拼装。
2、龙门净高16m,净宽42m,计算荷载1988KN。
3、龙门采用双层横梁拼装。
4、截面弹性模量E取2.1x105MPa。
一、求解截面特性现拟定横梁与立柱截面形式如下:由万能杆件标准图得:A=559.2cm2I y=I y1+A1d2+I y2+A2d2=2×(7896+279.6×1002)=5607792cm4W y=I y/z0=56077.92cm3I z=I z0+I z1+A1d2+I z2+A2d2=5264+2×(5264+186.4×2002)=14927792cm4 W z=I z/y0=74638.96cm3②立柱截面形式A=372.8cm2I x=I x1+A1d2+I x2+A2d2=2×(5264+186.4×1002)=3738528cm4W x=I x/z0=37385.28cm3I z=I z1+A1d2+I z2+A2d2=2×(5264+186.4×1002)=3738528cm4W z=I z/x0=37385.28cm3二、求解钢构内力与挠度根据龙门受力情况,可把龙门简化为钢构模型进行计算,荷载值P=1988KN(钢构件重)+420KN(横梁自重)=2408KN,考虑到单龙门受力将力分配如下图所示:VSES3.2 译码文件窗口界限尺寸(X,Y):60.000 35.116计算类型(静力1,模态2,动力响应3,屈曲4):1节点总数:6单元类型(桁架元1,刚架元2,三角形平面元3,四边形平面元4,空间元5,矩形板元6,板壳元7,梁-板壳组合8,杆-实体组合):2是否计入剪切变形(仅对梁单元):中间铰个数(仅对梁单元):虚拟单元数(仅对梁单元):单元总数:5单元特性种类:2材料种类:1有约束的节点数:6有支座位移的节点数:加荷载的节点数:2加荷载的单元数:是否计入重力:False重力因子(GX,GY,GZ):0 0 0节点号及节点坐标(X,Y,Z):1 2.000000e+00 2.000000e+00 0.000000e+002 2.000000e+00 1.800000e+01 0.000000e+003 1.600000e+01 1.800000e+01 0.000000e+004 3.000000e+01 1.800000e+01 0.000000e+005 4.400000e+01 1.800000e+01 0.000000e+006 4.400000e+01 2.000000e+00 0.000000e+00单元特性号及特性值:1 5.600000e-02 1.000000e+02 1.000000e+02 1.490000e-01 1.000000e+001.000000e+002 3.730000e-02 1.000000e+02 1.000000e+02 3.740000e-02 1.000000e+00 1.000000e+00材料特性号及特性值:1 7.800000e+04 2.100000e+11 3.000000e-01单元号及节点号,单元特性号,材料特性号:1 12 002 0012 23 001 0013 5 6 002 0014 3 4 001 0015 4 5 001 001约束节点号及约束值:1 1 1 1 0 0 02 0 0 1 1 1 03 0 0 1 1 1 04 0 0 1 1 1 05 0 0 1 1 1 06 1 1 1 0 0 0节点荷载所在的节点号及荷载分量值(PX,PY,PZ,MX,MY,MZ):3 0.000000e+00 -1.240000e+06 0.000000e+00 0.000000e+00 0.000000e+00 0.000000e+004 0.000000e+00 -1.240000e+06 0.000000e+00 0.000000e+00 0.000000e+00 0.000000e+00弹簧单元数:集中质量节点数:VSES3.2计算结果文件计算类型:1节点号及节点位移 (m):1 0.00000e+00 0.00000e+00 0.00000e+002 6.38744e-04 -2.53287e-03 0.00000e+003 2.12913e-04 -5.73020e-02 0.00000e+004 -2.12917e-04 -5.73020e-02 0.00000e+005 -6.38748e-04 -2.53287e-03 0.00000e+006 0.00000e+00 0.00000e+00 0.00000e+00单元号及单元内力(局部坐标下的N1,MY1,MZ1,N2,MY2,MZ2):1 1.24000e+06 0.00000e+00 -2.50000e-01 -1.24000e+06 0.00000e+00 5.72316e+062 3.57698e+05 0.00000e+00 5.72316e+06 -3.57698e+05 0.00000e+00 1.16368e+073 1.24000e+06 0.00000e+00 5.72316e+06 -1.24000e+06 0.00000e+00 -2.50000e-014 3.57698e+05 0.00000e+00 -1.16368e+07 -3.57698e+05 0.00000e+00 1.16368e+075 3.57698e+05 0.00000e+00 -1.16368e+07 -3.57698e+05 0.00000e+00 -5.72316e+06单元号及单元剪力(局部坐标下的QY1,QZ1,QY2,QZ2):1 3.57698e+05 0.00000e+00 -3.57698e+05 0.00000e+002 1.24000e+06 0.00000e+00 -1.24000e+06 0.00000e+003 3.57698e+05 0.00000e+00 -3.57698e+05 0.00000e+004 -2.50000e-01 0.00000e+00 2.50000e-01 0.00000e+005 -1.24000e+06 0.00000e+00 1.24000e+06 0.00000e+00单元号及单元应力 (局部坐标下的max1,min1,max2,min2):1 -3.32440e+07 -3.32440e+07 -2.75208e+07 -3.89671e+072 -6.64297e+05 -1.21106e+07 5.24938e+06 -1.80243e+073 -2.75208e+07 -3.89671e+07 -3.32440e+07 -3.32440e+074 5.24938e+06 -1.80243e+07 5.24938e+06 -1.80243e+075 5.24938e+06 -1.80243e+07 -6.64296e+05 -1.21106e+07综合上面分析跨中最大挠度Δd=5.7302e-02m(钢构模型)<44/600=7.33333e-2满足钢结构设计规范要求。
双梁通用门式起重机MLH10T28M 设计计算书目录一、产品用途……………………………………………………………二、主要技术参数………………………………………………………三、设计计算校核………………………………………………………1.主梁设计………………………………………………………2.支腿设计校核…………………………………………………3.上下横梁设计校核…………………………………………………4.起重机刚度设计校核………………………………………………5.起重机拱度设计校核………………………………………6.减速电机的选用………………………………………设计计算校核:一、产品用途门式起重机是广泛用于工厂、建筑工地、铁路货场、码头仓库等处的重要装卸设备,按其用途不同,分为通用门式起重机,造船门式起重机和集装箱门式起重机。
本产品为双梁门式起重机,为应用最广的一种。
二、主要技术参数项目名称主要技术参数备注安全起重量10T跨距28m起升高度9m起重机等级A5起升机构等级M4起升速度5/0.83m/min大车速度32m/min 变频无级调速小车速度20m/min 变频无级调速起重机桥架质量32T起重机控制室内地面操作总功率23KW主梁形式箱形梁焊接表面处理要求抛丸处理小车质量0.7T最大轮压140KN控制电压48V电源380V/50Hz三.设计计算校核(一).主梁计算主梁的截面高度取决于强度、刚度条件,一般取h=(121~141)L=2333.3~ 2000主梁计算的最不利工况为:起重机带载(小车在任意位置)运行起、制动并发生偏斜的情况。
主梁承受的载荷有:结构重量,小车载荷,起升或运行冲击力,运行惯性力,偏斜侧向力。
1.载荷与内力主梁承受垂直载荷与水平载荷,应分别计算。
A ,垂直平面主梁在垂直平面内的计算模型应按门式起重机的各种工况分析确定。
当门式起重机静止工作时,由于超静定门架的刚性支腿下端有水平约束,而使主梁减载、支腿加载;当门式起重机带载运行工作时,却能明显地减小超静定门架支腿下端的水平约束,甚至降低到零,这时主梁受载最大。
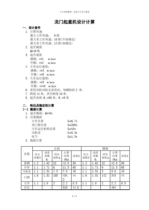
龙门起重机设计计算一.设计条件1. 计算风速最大工作风速: 6级最大非工作风速:10级(不加锚定)最大非工作风速:12级(加锚定)2. 起升载荷Q=40吨3. 起升速度满载:v=1 m/min空载:v=2 m/min4.小车运行速度:满载:v=3 m/min空载:v=6 m/min5.大车运行速度:满载:v=5 m/min空载:v=10 m/min6.采用双轨双轮支承型式,每侧轨距2 米。
7.跨度44米,净空跨度40米。
8.起升高度:H上=50米,H下=5米二.轮压及稳定性计算(一) 载荷计算1.起升载荷:Q=40t2.自重载荷小车自重 G1=6.7t龙门架自重 G2=260t大车运行机构自重 G3=10t司机室 G4=0.5t电气 G5=1.5t 3.载荷计算工作风压:qⅠ=114 N/m2qⅡ=190 N/m2qⅢ=800 N/m2(10级)qⅢ=1000 N/m2(12级)正面: FwⅠ=518x114N=5.91410⨯NFwⅡ=518x190N=9.86410⨯NFwⅢ=518x800N=41.44410⨯N (10级)FwⅢ=518x1000N=51.8410⨯N (12级)侧面:FwⅠ=4.61410⨯NFwⅡ=7.68410⨯NFwⅢ=32.34410⨯N (10级)FwⅢ=40.43410⨯N (12级)(二)轮压计算1.小车位于最外端,Ⅱ类风垂直于龙门吊正面吹大车, 运行机构起制动,并考虑惯性力的方向与风载方向相同。
龙门吊自重:G=G1+ G2+G3+G4+G5=6.7+260+10+2=278.7t起升载荷: Q=40t水平风载荷:FwⅡ=9.86t水平风载荷对轨道面的力矩:MwⅡ=9.86 X 44.8=441.7 tm水平惯性力:Fa=(G+Q) X a=(278.7+40) X 0.2 X 1000= 6.37 X 10000 N=6.37 t水平惯性力对轨道面的力矩:Ma= 6.37 X 44=280.3tm总的水平力力矩: M1 = Ma+ MwⅡ=722 tm小车对中心线的力矩:M2=(6.7+40)X 16=747.2tm最大腿压: Pmax =0.25 (G+Q) + M1/2L + Mq/2K=0.25 ⨯318.7 + 722.0/48 + 747.2/84 =79.675+15.04+8.9=103.6t最大工作轮压:R max = P max /4 =25.9t =26t(三) 稳定性计算工况1:无风、静载,由于起升载荷在倾覆边内侧, 故满足∑M ≧0 工况2:有风、动载,∑M=0.95 ⨯ (278.7+40) ⨯ 12-628.3 =3004.9 >0工况3:突然卸载或吊具脱落,按规范不需验算 工况4:10级风袭击下的非工作状态:∑M=0.95 ⨯ 278.7 ⨯12 – 1.15 ⨯ 41.44 ⨯44=3177.2-2668.7 =1080.3>0 飓风袭击下:∑M=0.95 ⨯ 278.8 ⨯12 –1.15 ⨯ 51.8 ⨯ 44.8 =508.5>0为防止龙门吊倾覆或移动,龙门吊设置风缆。
龙门吊基础计算书一、示意图基础类型:刚性基础计算形式:验算截面尺寸剖面:二、基本参数1.依据规范《建筑地基基础设计规范》(GB 50007-2002)《混凝土结构设计规范》(GB 50010-2002)《简明高层钢筋混凝土结构设计手册(第二版)》2.几何参数:自动计算所得尺寸:B1 = 300 mm, B = 114 mmH1 = 250 mm基础埋深d = 0.40 m3.荷载值:(1)作用在基础顶部的基本组合荷载( l = 1m 范围内的荷载)F = 100.00 kNM y = 0.00 kN·mV x = 0.00 kN折减系数K s = 1.35(2)作用在基础底部的弯矩设计值绕Y轴弯矩: M0y = M y+V x·H1 = 0.00+0.00×0.25 = 0.00 kN·m(3)作用在基础底部的弯矩标准值绕Y轴弯矩: M0yk = M0y/K s = 0.00/1.35 = 0.00 kN·m 4.基础几何特性:底面积:S =(B1+B2)×l = 0.60×1.0 = 0.60 m2绕Y轴抵抗矩:W y = (1/6)·l·(B1+B2)2 = (1/6)×1.0×0.602 = 0.06 m3三、计算过程1.修正地基承载力计算公式:按《建筑地基基础设计规范》(GB 50007-2002)下列公式验算:f a = f ak+ηb·γ·(b-3)+ηd·γm·(d-0.5) (式5.2.4)式中:f ak = 150.00 kPaηb = 0.00,ηd = 1.00γ = 20.00 kN/m3γm = 20.00 kN/m3b = 0.60 m,d = 0.40 m如果b <3m,按b = 3m, 如果b > 6m,按b = 6m如果d <0.5m,按d = 0.5mf a = f ak+ηb·γ·(b-3)+ηd·γm·(d-0.5)= 150.00+0.00×20.00×(3.00-3.00)+1.00×20.00×(0.50-0.50)= 150.00 kPa修正后的地基承载力特征值f a = 150.00 kPa2.轴心荷载作用下地基承载力验算计算公式:按《建筑地基基础设计规范》(GB 50007-2002)下列公式验算:p k = (F k+G k)/A (5.2.4-1)F k = F/K s = 100.00/1.35 = 74.07 kNG k = 20S·d = 20×0.60×0.40 = 4.80 kNp k = (F k+G k)/S = (74.07+4.80)/0.60 = 131.46 kPa ≤ f a,满足要求。
双梁门式起重机设计计算书(75.0吨18.0米)太原科蓝数据技术有限公司2009年04月20日目录第一章设计初始参数-------------------------------------1 第一节基本参数--------------------------------------1 第二节选用设计参数----------------------------------1 第三节相关设计参数----------------------------------1 第四节设计许用值参数--------------------------------1 第二章起重机小车设计-----------------------------------3 第一节小车设计参数---------------------------------3 第二节设计计算(详见桥吊计算书)-------------------3 第三章门机钢结构部分设计计算---------------------------4 第一节结构型式、尺寸及计算截面---------------------4一、门机正面型式及尺寸---------------------------4二、门机支承架型式及尺寸-------------------------4三、各截面尺寸及几何特性-------------------------5第二节载荷及其组合---------------------------------7一、垂直作用载荷---------------------------------7二、水平作用载荷---------------------------------8三、载荷组合-----------------------------------12第三节龙门架强度设计计算---------------------------13一、主梁内力计算---------------------------------13二、主梁应力校核计算-----------------------------17三、疲劳强度设计计算-----------------------------19四、主梁腹板局部稳定校核-------------------------20五、主梁整体稳定性-----------------------------22六、上盖板局部弯曲应力---------------------------22第四节龙门架刚度设计计算---------------------------25一、主梁垂直静刚度计算---------------------------25二、主梁水平静刚度计算---------------------------26三、门架纵向静刚度计算---------------------------27四、主梁动刚度计算-------------------------------27第五节支承架强度设计计算---------------------------29一、垂直载荷作用下,马鞍横梁跨中截面内力计算-----29二、水平载荷作用下,马鞍横梁跨中截面内力计算-----35三、支承架各截面内力及应力-----------------------40第六节支承架刚度设计计算---------------------------45一、垂直载荷作用下,支承架的小车轨顶处位移-------45二、水平载荷作用下,支承架的小车轨顶处位移-------49第七节支腿整体稳定性计算---------------------------58 第八节连接螺栓强度计算-----------------------------60一、马鞍立柱下截面或上端梁截面的螺栓强度---------60二、支腿下截面螺栓强度计算-----------------------62 第四章大车运行机构设计计算-----------------------------65 第一节设计相关参数及运行机构形式--------------------65一. 设计相关参数---------------------------------65二. 运行机构型式---------------------------------65第二节运行支撑装置计算------------------------------66一. 轮压计算-------------------------------------66二. 车轮踏面疲劳强度校核-------------------------66三. 车轮踏面静强度校核---------------------------67第三节运行阻力计算----------------------------------67一. 摩擦阻力计算---------------------------------67二. 风阻力计算-----------------------------------68三. 总静阻力计算---------------------------------68第四节驱动机构计算----------------------------------69一. 初选电动机-----------------------------------69二. 选联轴器-------------------------------------69三. 选减速器-------------------------------------70四. 电机验算-------------------------------------70第五节安全装置计算----------------------------------71一. 选制动器-------------------------------------71二. 防风抗滑验算---------------------------------72三. 选缓冲器-------------------------------------72 第五章整机性能验算-------------------------------------74 第一节倾翻稳定性计算-------------------------------74一、稳定力矩-------------------------------------74二、倾翻力矩-------------------------------------74三、各工况倾翻稳定性计算-------------------------75第二节轮压计算-------------------------------------75一、最大静轮压-----------------------------------75一、最小静轮压-----------------------------------75第一章设计初始参数第一节基本参数:起重量 PQ=75.000 (t)跨度 S=18.000 (m)左有效悬臂长 ZS1=4.000 (m)左悬臂总长 ZS2=6.000 (m)右有效悬臂长 YS1=4.000 (m)右悬臂总长 YS2=6.000 (m)起升高度 H0=15.000 (m)结构工作级别 ABJ=5级主起升工作级别 ABZ=5级副起升工作级别 ABF=5级小车运行工作级别 ABX=5级大车运行工作级别 ABD=5级主起升速度 VZQ=5.000 (m/min)副起升速度 VFQ=9.280 (m/min)小车运行速度 VXY=38.500 (m/min)大车运行速度 VDY=32.100 (m/min)第二节选用设计参数起升动力系数 O2=1.20运行冲击系数 O4=1.10钢材比重 R=7.85 t/m^3钢材弹性模量 E=2.1*10^5MPa钢丝绳弹性模量 Eg=0.85*10^5MPa第三节相关设计参数大车车轮数(个) AH=8大车驱动车轮数(个)QN=4大车车轮直径 RM=0.800 (m)大车轮距 L2=9.000 (m)连接螺栓直径 MD=0.0240 (m)工作最大风压 q1=0/* 250 */ (N/m^2) 非工作风压 q2=0/* 600 */ (N/m^2)第四节设计许用值:钢结构材料Q235─A许用正应力〔σ〕I=156Mpa〔σ〕II=175Mpa许用剪应力〔τ〕=124Mpa龙门架许用刚度:主梁垂直许用静刚度:跨中〔Y〕x~l=S/800=22.50mm;悬臂〔Y〕l=ZS1/360=11.11mm;主梁水平许用静刚度:跨中〔Y〕y~l=S/2000=9.00mm;悬臂〔Y〕l=ZS1/700=5.71mm;龙门架纵向静刚度:主梁沿小车轨道方向〔Y〕XG=H/800=19.1mm;许用动刚度〔f〕=2.0Hz;连接螺栓材料 8.8级螺栓许用正应力〔σ〕ls=210.0Mpa;疲劳强度及板屈曲强度依GB3811-83计算许用值选取。
MG型45/20t吊钩门式起重机设计(验算)书xxxxxxxxxxx公司1.项目简介1.1xx公司经过市场调研后发现,xx市附近一部分大型构件厂,需要一较大起重量的起重机,但原有厂房偏小,扩建成本过大,而现有空地面积不是很大。
根据市场这一需求,MG型吊钩门式起重机能满足要求:起重量为50t以下,跨度为15m以下,起升高度为12m以下。
xx公司决定设计生产此类起重机。
1.2样机型号规格型号:MG型吊钩门式起重机起重量Gn:主钩45t,付钩20t跨度S:12m起升高度H:9m工作级别:A6控制方式:司机室控制2设计制造安装标准GB/T3811-1983 起重机设计规范GB/T6067-1985 起重机械安全规程GB/T14405-1993 通用桥式起重机GB/T14406-1993 通用门式起重机GB/T14407-1993 通用桥式和门式起重机司机室技术条件GB10183-1988 桥式和门式起重机制造及轨道安装公差GB50278-1998 起重设备安装工程施工及验收规范3整机设计3.1构想:由于xx公司生产QD型50t及其以下吊钩桥式起重机,已有成熟图纸和经验,所用图纸是“北京起重运输机械研究所”的通用图纸,得到多年检验,产品性能可靠。
决定45t小车按QD50t小车生产,起重机主梁桥架采用中轨箱形桥架,支腿为变截面箱形结构,大车运行为台车型式。
3.2参数:起重量Gn:主钩45t,付钩20t跨度S:12m起升高度H:9m起升速度:按QD型吊钩桥式起重机相应速度:主钩约7.5m/min,付钩约12m/min小车运行速度:20---30m/min大车运行速度:30---40m/min4设计(验算)4.1小车4.1.1 主钩(45t)起升机构:全套采用QD50t-M6起升机构。
实际主要配套件吊钩滑轮倍率n=5起升速度V主=3.14x0.8225x579/(40.17x5)=7.45m/min 主起升电机功率验算:N=1.02GnV/(60000η)=58kw满足总体要求(主钩约7.5m/min)。
门式起重机计算书公司标准化编码 [QQX96QT-XQQB89Q8-NQQJ6Q8-MQM9N]门式起重机计算书型号:MDG起重量:主钩50T 副钩 10T跨度:24M有效悬臂:左9M 右9M工作级别:A5内容:悬臂刚度强度校核;整机稳定性校核50/10-24M 单梁门式起重机计算书起重机主参数及计算简图:计算简图小车自重:G X = KN 主梁自重:G Z = KN 走台栏杆滑导支架等附件:G F = KN 桥架自重: KN 额定起重量:G E =490 KN支腿折算惯性矩的等值截面刚性支腿折算惯性矩:4103311018.512MM bh BH I ⨯=-=主梁截面惯性矩:410332109.712MM bh BH I ⨯=-=主梁X 向截面抵弯矩:373310087.76MM Hbh BH W X ⨯=-=主梁Y 向截面抵弯矩:373310089.56MM Bhb HB W Y ⨯=-=一 .悬臂强度和刚度校核。
Ⅰ. 悬臂刚度校核该门式起重机采用两个刚性支腿,故悬臂端挠度计算按一次超静定龙门架计算简图计算。
)12838(3(232)21++++=K K L L EI C L P P f K式中 C 3:小车轮压合力计算挠度的折算系数 )()(2)32()(23212222113L L L P P b P L L L b P b P C K K ++++-==K:考虑轮缘参与约束,产生横向推力 927.012=⨯=KL h I I K P 1,P 2:小车轮压KN G G P P EX 9.321221=+== 代入数值:mmK K L L EI C L P P f K 911.22)12927.083927.08240009000(109.710102.2300055.19000)109.321109.321()12838(3(105233232)21=+⨯+⨯⨯+⨯⨯⨯⨯⨯⨯⨯⨯+⨯=++++= 按起重机设计规范有效悬臂端的许用挠度:mm L f K 7.253509000350][===][f f <结论:综上计算校核,该起重机的悬臂梁的刚度满足起重机械设计规范的要求。
ME125+125/32t门式起重机计算说明书西南交通大学机械工程研究所2010年10月目录1 概述 (1)2 125+125/32t-37.435m门式起重机主要参数 (1)2.1主要设计参数 (1)2.2主要验算项目、方法和目的 (2)3 机构计算 (2)3.1主起升机构 (2)3.1.1钢丝绳 (2)3.1.2卷筒尺寸与转速 (2)3.1.3电动机 (3)3.1.4速比与分配 (3)3.1.5制动器选择 (3)3.2副起升机构 (4)3.2.1钢丝绳 (4)3.2.2卷筒尺寸与转速 (4)3.2.3电动机 (4)3.2.4速比与分配 (5)3.2.5制动器选择 (5)3.3小车行走机构 (5)3.3.1行走轮压计算 (5)3.3.2车轮组选择 (6)3.3.3电动机 (6)3.3.4速比与分配 (8)3.3.5制动器 (8)3.4大车行走机构 (8)3.4.1行走轮压计算 (8)3.4.2车轮组选择 (9)3.4.3电动机 (9)3.4.4速比与分配 (11)3.4.5制动器选择 (11)4 125+125/32t-37.435m门式起重机结构有限元计算 (11)4.1门架载荷计算 (11)4.2结构有限元计算 (13)4.2.1刚度验算 (13)4.2.2强度验算 (14)4.3门式起重机结构刚度和强度判定 (19)4.3.1静刚度计算讨论 (20)4.3.2强度计算讨论 (20)5 总体稳定性计算 (21)5.1总体稳定性计算 (21)6 结论 (22)7 参考书目 (22)1概述西南交通大学机械工程研究所依据委托方提供的参数,设计了125t+125/32t双小车门式起重机。
依据起重机设计规范(GB 3811–2008)、钢结构设计规范(GBJ 17-88),及《起重机设计手册》,对门机机构进行计算选型及校核,对门架结构的强度和刚度进行审核验算,并对整机的抗倾覆稳定性进行了校核计算。
2125+125/32t-37.435m门式起重机主要参数2.1主要设计参数125t+125/32t双小车门式起重机整机外型和主要参数如图2.1-1和表2.1-1所示:图2.1-1 125t+125/32t双小车门式起重机整机外型起升机构技术特性主起升机构副起升机构工作级别M5 M5额定起重量双小车125t+125t 32t起升速度 2.3m/min 9.2m/min卷筒直径Φ950mm Φ650mm滑轮倍率 6 4钢丝绳28NAT 6×19W+IWR 1870 ZS 521 318 20NAT 6×19W+FC 1670 ZS 220 147电动机YZR280M-8,55+55kW,725r/min YZR280M-8,55kW,725r/min减速器QJYD34-560-160 III C,i=160 ZQ-850-II-3CA,i=40.17制动器YWZ5-400/125,制动力矩:1600N.m YWZ5-400/125,制动力矩:1600N.m运行机构技术特性大车运行机构小车运行机构工作级别M5 M5行走速度20m/min 16m/min主/从动轮数16/16 4/4车轮直径Φ630mm Φ630mm轨道型号P50 QU80轨距37.435m 3.6m减速电机KDK10-143.47-YZRE3.7-4P-M4-J1-A(B)-T KDK12RF08-166-YZRE5.5-4P-M4-J1-A(B)-T制动器电机自带,制动力矩:50N.m 电机自带,制动力矩:50N.m1)门机机构选型计算依据125t+125/32t双小车门式起重机的设计图纸,根据工作参数,对门机的起升、运行机构进行选型及校核。
2)门架结构刚度依据125+125/32t双小车门式起重机的设计图纸,根据“起重机设计规范”4.4.2载荷组合,分别构建门式起重机有限元模型,通过有限元分析验算门架结构的刚度。
3)门架结构强度依据125+125/32t双小车门式起重机的设计图纸,根据“起重机设计规范”4.4.2载荷组合,分别构建门式起重机有限元模型,通过有限元分析验算门架结构的强度。
4)门架稳定性验算依据125+125/32t双小车门式起重机的设计图纸,根据《起重机设计手册》中《抗倾覆稳定性计算》相关要求,对门机整机抗倾覆稳定性进行验算。
3机构计算3.1 主起升机构主起升机构为闭式传动,卷筒按螺旋绳槽、双联卷筒、单层缠绕设计。
3.1.1钢丝绳A. 钢丝绳最大拉力S max:S max = Q0+Qα q ηh=40.1+12502×6×0.95=113.17kN式中,Q ——额定起升载荷,Q = 1250kN;Q0——吊具重量,Q 0=40.1 kN;α ——进入卷筒的钢丝绳分支数,对于双联卷筒,α = 2;q ——滑轮组倍率,q = 6;ηh——滑轮组效率,ηh =0.95。
B. (钢丝绳选择)钢丝绳型号28NAT 6×19W+IWR 1870 ZS 521 318,d = 28mm,σb = 1870MPa(钢丝绳公称抗拉强度),钢丝绳最小破断拉力S0= 521k N,钢丝绳实际安全系数:n =S0S max=521113.17= 4.6>4.5,校核通过。
3.1.2卷筒尺寸与转速A.卷筒尺寸:取D0=950mm(卷筒名义直径),卷绕直径D=950+28=978mm,实际直径倍数h s= 95028=33.9> 18,满足。
B. 卷筒转速卷筒转速:n t = qυπD=6×2.3π×0.978=4.49r/min式中,υ——起升速度,υ=2.3m/min。
3.1.3电动机A. 机构效率减速机效率:ηj = 0.95卷筒效率:ηt = 0.98机构效率:η = ηj ηt ηh = 0.95×0.98×0.95 = 0.885 B. 电动机静功率电动机静功率:N j = (Q0+Q)υ60η=1293.75×2.30.885×60= 56.04kW选择电动机YZR280M-8,S3,FC25%:N25=63kW;S3,FC40%:N40=55kW, n40=725r/min,(力矩倍数) T m =2.8。
C.电动机过载验算电动机必须满足下式:N40 H N jm T m= 2.2×56.041×2.8= 44.03kW式中,H ——系数,H = 2.2;m ——电动机个数,对于一个吊点,m = 1;N40 = 55kW,满足。
D.电动机发热验算稳态平均功率:N s = G N jm=0.8×56.041= 44.832kW <63kW通过。
式中,G ——稳态系数,对于起升机构,G = 0.8;3.1.4速比与分配A. 总传动比i = n dn t=7254.49= 161.47B. 减速机选择减速器QJYD34-560-160 III C,减速机实际传动比i s=160。
误差0.92%,实际起升速度υs=2.32m/min。
3.1.5制动器选择制动器共1台,计算制动力矩:T zhj = k(Q0+ Q) Dη'2qi s=1.5×1293.75×0.95×0.92×6×160=0.864kN.m=864N.m<1600N.m式中,k ——安全系数,k=1.5;η' ——制动时的机构效率,η'≈η = 0.9;制动器YWZ5-400/125,额定制动力矩T zha = 1600 N.m,满足。
3.2 副起升机构副起升机构为闭式传动,卷筒按螺旋绳槽、双联卷筒、单层缠绕设计。
3.2.1钢丝绳A. 钢丝绳最大拉力S max:S max = Q0+Qα q ηh=8.8+3202×4×0.97=42.37kN式中,Q ——额定起升载荷,Q = 320kN;Q0——吊具重量,Q 0=8.8 kN;α ——进入卷筒的钢丝绳分支数,对于双联卷筒,α = 2;q ——滑轮组倍率,q = 4;ηh——滑轮组效率,ηh =0.97。
B. (钢丝绳选择)钢丝绳型号20NAT 6×19W+FC 1670 ZS 220 147, d = 20mm,σb = 1670MPa(钢丝绳公称抗拉强度),钢丝绳最小破断拉力S0= 220k N,钢丝绳实际安全系数:n =S0S max=22042.37= 5.19>4.5,校核通过。
3.2.2卷筒尺寸与转速B.卷筒尺寸:取D0=650mm(卷筒名义直径),卷绕直径D=650+20=670mm,实际直径倍数h s= 67020=33.5> 18,满足。
B. 卷筒转速卷筒转速:n t = qυπD=4×9.2π×0.67=17.48r/min式中,υ——起升速度,υ=9.2m/min。
3.2.3电动机A. 机构效率减速机效率:ηj = 0.95卷筒效率:ηt = 0.98机构效率:η = ηj ηt ηh = 0.95×0.98×0.97 = 0.90 B. 电动机静功率电动机静功率:N j = (Q0+Q)υ60η=326.4×9.20.9×60= 55.61kW选择电动机YZR280M-8,S3,FC25%:N25=63kW;S3,FC40%:N40=55kW, n40=725r/min,(力矩倍数) T m = 2.8。
C.电动机过载验算电动机必须满足下式:N40 H N jm T m= 2.2×55.611×2.8= 43.69kW式中,H ——系数,H = 2.2;m ——电动机个数,对于一个吊点,m = 1;N40 = 55kW,满足。
D.电动机发热验算稳态平均功率:N s = G N jm=0.8×55.611= 44.488kW <63kW通过。
式中,G ——稳态系数,对于起升机构,G = 0.8;3.2.4速比与分配A. 总传动比i = n dn t=72517.48= 41.48B. 减速机选择减速器ZQ-850-II-3CA,减速机实际传动比i s=40.17。
误差 3.26%,实际起升速度υs= 9.497m/min。
3.2.5制动器选择制动器共1台,计算制动力矩:T zhj = k(Q0+ Q) Dη'2qi s=1.5×326.4×0.67×0.92×6×40.17=0.612kN.m=612N.m<1600N.m式中,k ——安全系数,k=1.5;η' ——制动时的机构效率,η'≈η = 0.9;制动器YWZ5-400/125,额定制动力矩T zha = 1600 N.m,满足。