进厂设备检验记录表汇编(doc 53页)(正式版)
- 格式:doc
- 大小:1.03 MB
- 文档页数:49
设备检查记录表正式版
设备检查记录表四车间:工区年月日检查人:
设备检查记录表四车间:工区年月日检查人:
设备检查记录表四车间:工区年月日检查人:
设备检查记录表四车间:工区年月日检查人:
设备检查记录表四车间:工区年月日检查人:
设备检查记录表四车间:工区年月日检查人:
设备检查记录表四车间:工区年月日检查人:
设施设备检查记录表检查日期:
塔吊司机每日设备运行前检查记录表工地名称:宜化·山语城8#楼设备型号:QTZ63E设备编号:鄂 ET-T01383机长:
备维修保养记录。
附表3 电子经纬仪常规机械设备和机具进场检查表
附表3接地电阻摇表常规机械设备和机具进场检查表
附表3 链条葫芦常规机械设备和机具进场检查表
附表3 手扳葫芦常规机械设备和机具进场检查表
附表3 铝合金抱杆常规机械设备和机具进场检查表
附表3 发电机常规机械设备和机具进场检查表
附表3 抽水机常规机械设备和机具进场检查表
附表3 电焊机常规机械设备和机具进场检查表
附表3 切割机常规机械设备和机具进场检查表
附表3 机动绞磨常规机械设备和机具进场检查表
附表3 汽油型震捣器常规机械设备和机具进场检查表
附表3 振捣棒常规机械设备和机具进场检查表
附表3 运料斗车常规机械设备和机具进场检查表
附表3 运料斗车常规机械设备和机具进场检查表
附表3 安全帽常规机械设备和机具进场检查表。
设备进场前租赁现场检查记录表
租赁单位
生产厂家
设备名称设备型号
出厂编号出厂日期
设备制造许
备案证
可证编号
验收部位验收项目(√ =合格 0= 整改后合格×=不合格无 =无此项)验收结果使用说明书
产品合格证
特种设备制造许可证
资料收集制造监督检验证明( 13 年以前有)
备案登记证
上一使用项目的检测合格证明
租赁单位出具的维修保养合格证明等资料。
外观是否良好,主结构件是否存在变形有无开焊裂纹或明显腐蚀,缺损等情况
回转、大臂、后平衡臂、顶升套架是否有生产日期或编号日期是否相近,大臂
钢结构编号生产日期是否一致。
基础预埋件是否有合格证明
驾驶室是否锈腐变形,门窗是否完好,驾驶室有无出厂力矩曲线图(重点项)或性能标识牌
驾驶室控制箱生产日期,配电线路、电气元件。
电气系统电源引进箱是否接线柱完好无损
后平衡臂控制柜,配电线路、电气元件,完好无损。
控制、操纵装置动作灵活、可靠,
滑轮、卷筒上、吊钩上的钢丝绳防脱装置是否完好可靠
安全保险装小车断绳保护装置灵敏可靠
置小车断轴保护装置有无缺失,是否可靠。
其他安全防护装置。
根据说明书查看各电机功率是否符合要求,外壳是否有破损、裂纹等动力系统
各电机有无铭牌,是否生产日期与合格证一致
液压系统检查顶升横梁结构局部是否有裂纹、变形、焊缝开裂各部件是否缺失,生产日期是否与合格证相近
检查结论
项目负责人 :生产经理:
技术部:物资设备部:
工程部:租赁公司负责人:
安监部:
日期:注:后附所检查各项图片1。
(完整版)设备安全检查记录设备安全检查记录
检查日期
(填写检查日期,例如:2022年10月15日)
检查人员
(填写检查人员的姓名)
检查内容
1. 设备信息
(填写被检查设备的基本信息,包括设备名称、型号和序列号等)
2. 设备外观检查
(描述对设备外观的检查情况,包括是否有明显损坏、维护记录是否完整等)
3. 设备电气安全检查
(描述对设备电气安全的检查情况,包括电源线是否损坏、接
地是否正常等)
4. 设备运行功能检查
(描述对设备运行功能的检查情况,如设备是否正常启动、运
转是否稳定等)
5. 安全警告标志检查
(描述对设备上的安全警告标志的检查情况,如是否清晰可见、标志是否完好等)
6. 其他检查事项
(描述其他需要检查的事项和检查结果)
检查结果
1. 合格
(填写设备检查结果,如设备各项检查都合格)
2. 需维修
(填写设备检查结果,如发现设备存在问题需要修理)
3. 需更换
(填写设备检查结果,如发现设备无法正常工作需要更换)
备注
(填写其他需要补充说明的事项)
以上是设备安全检查记录的完整内容。
进厂设备检验记录表单位工程名称:鞍钢鲅鱼圈3.8m中厚板生产线自动消防系统工程(主厂房部分)编号BYQ-ZHB-ZCF-D01-001进厂设备检验记录表单位工程名称:鞍钢鲅鱼圈3.8m中厚板生产线自动消防系统工程(主厂房部分)编号BYQ-ZHB-ZCF-D01-002进厂设备检验记录表单位工程名称:鞍钢鲅鱼圈3.8m中厚板生产线自动消防系统工程(主厂房部分)编号BYQ-ZHB-ZCF-D02-001进厂设备检验记录表单位工程名称:鞍钢鲅鱼圈3.8m中厚板生产线自动消防系统工程(主厂房部分)编号BYQ-ZHB-ZCF-D02-002单位工程名称:鞍钢鲅鱼圈3.8m中厚板生产线自动消防系统工程(主厂房部分)编号BYQ-ZHB-ZCF-D02-003单位工程名称:鞍钢鲅鱼圈3.8m中厚板生产线自动消防系统工程(主厂房部分)编号BYQ-ZHB-ZCF-D02-004单位工程名称:鞍钢鲅鱼圈3.8m中厚板生产线自动消防系统工程(主厂房部分)编号BYQ-ZHB-ZCF-D02-005单位工程名称:鞍钢鲅鱼圈3.8m中厚板生产线自动消防系统工程(主厂房部分)编号BYQ-ZHB-ZCF-D02-006单位工程名称:鞍钢鲅鱼圈3.8m中厚板生产线自动消防系统工程(主厂房部分)编号BYQ-ZHB-ZCF-D02-007单位工程名称:鞍钢鲅鱼圈3.8m中厚板生产线自动消防系统工程(主厂房部分)编号BYQ-ZHB-ZCF-D02-008单位工程名称:鞍钢鲅鱼圈3.8m中厚板生产线自动消防系统工程(主厂房部分)编号BYQ-ZHB-ZCF-D02-009单位工程名称:鞍钢鲅鱼圈3.8m中厚板生产线自动消防系统工程(主厂房部分)编号BYQ-ZHB-ZCF-D02-010单位工程名称:鞍钢鲅鱼圈3.8m中厚板生产线自动消防系统工程(主厂房部分)编号BYQ-ZHB-ZCF-D02-011单位工程名称:鞍钢鲅鱼圈3.8m中厚板生产线自动消防系统工程(主厂房部分)编号BYQ-ZHB-ZCF-D02-012单位工程名称:鞍钢鲅鱼圈3.8m中厚板生产线自动消防系统工程(主厂房部分)编号BYQ-ZHB-ZCF-D02-013单位工程名称:鞍钢鲅鱼圈3.8m中厚板生产线自动消防系统工程(主厂房部分)编号BYQ-ZHB-ZCF-D02-014单位工程名称:鞍钢鲅鱼圈3.8m中厚板生产线自动消防系统工程(主厂房部分)编号BYQ-ZHB-ZCF-D02-015单位工程名称:鞍钢鲅鱼圈3.8m中厚板生产线自动消防系统工程(主厂房部分)编号BYQ-ZHB-ZCF-D03-001单位工程名称:鞍钢鲅鱼圈3.8m中厚板生产线自动消防系统工程(主厂房部分)编号BYQ-ZHB-ZCF-D03-002单位工程名称:鞍钢鲅鱼圈3.8m中厚板生产线自动消防系统工程(主厂房部分)编号BYQ-ZHB-ZCF-D03-003单位工程名称:鞍钢鲅鱼圈3.8m中厚板生产线自动消防系统工程(主厂房部分)编号BYQ-ZHB-ZCF-D03-004单位工程名称:鞍钢鲅鱼圈3.8m中厚板生产线自动消防系统工程(主厂房部分)编号BYQ-ZHB-ZCF-D03-005单位工程名称:鞍钢鲅鱼圈3.8m中厚板生产线自动消防系统工程(主厂房部分)编号BYQ-ZHB-ZCF-D04-001单位工程名称:鞍钢鲅鱼圈3.8m中厚板生产线自动消防系统工程(主厂房部分)编号BYQ-ZHB-ZCF-D04-002单位工程名称:鞍钢鲅鱼圈3.8m中厚板生产线自动消防系统工程(主厂房部分)编号BYQ-ZHB-ZCF-D04-003单位工程名称:鞍钢鲅鱼圈3.8m中厚板生产线自动消防系统工程(主厂房部分)编号BYQ-ZHB-ZCF-D04-004单位工程名称:鞍钢鲅鱼圈3.8m中厚板生产线自动消防系统工程(主厂房部分)编号BYQ-ZHB-ZCF-D04-005单位工程名称:鞍钢鲅鱼圈3.8m中厚板生产线自动消防系统工程(主厂房部分)编号BYQ-ZHB-ZCF-D04-006单位工程名称:鞍钢鲅鱼圈3.8m中厚板生产线自动消防系统工程(主厂房部分)编号BYQ-ZHB-ZCF-D04-007单位工程名称:鞍钢鲅鱼圈3.8m中厚板生产线自动消防系统工程(主厂房部分)编号BYQ-ZHB-ZCF-D04-008单位工程名称:鞍钢鲅鱼圈3.8m中厚板生产线自动消防系统工程(主厂房部分)编号BYQ-ZHB-ZCF-D04-009单位工程名称:鞍钢鲅鱼圈3.8m中厚板生产线自动消防系统工程(主厂房部分)编号BYQ-ZHB-ZCF-D04-010单位工程名称:鞍钢鲅鱼圈3.8m中厚板生产线自动消防系统工程(主厂房部分)编号BYQ-ZHB-ZCF-D04-011单位工程名称:鞍钢鲅鱼圈3.8m中厚板生产线自动消防系统工程(主厂房部分)编号BYQ-ZHB-ZCF-D04-012单位工程名称:鞍钢鲅鱼圈3.8m中厚板生产线自动消防系统工程(主厂房部分)编号BYQ-ZHB-ZCF-D04-013单位工程名称:鞍钢鲅鱼圈3.8m中厚板生产线自动消防系统工程(主厂房部分)编号BYQ-ZHB-ZCF-D04-014单位工程名称:鞍钢鲅鱼圈3.8m中厚板生产线自动消防系统工程(主厂房部分)编号BYQ-ZHB-ZCF-D04-015单位工程名称:鞍钢鲅鱼圈3.8m中厚板生产线自动消防系统工程(主厂房部分)编号BYQ-ZHB-ZCF-D04-016单位工程名称:鞍钢鲅鱼圈3.8m中厚板生产线自动消防系统工程(主厂房部分)编号BYQ-ZHB-ZCF-D04-017单位工程名称:鞍钢鲅鱼圈3.8m中厚板生产线自动消防系统工程(主厂房部分)编号BYQ-ZHB-ZCF-D04-018单位工程名称:鞍钢鲅鱼圈3.8m中厚板生产线自动消防系统工程(主厂房部分)编号BYQ-ZHB-ZCF-D04-019单位工程名称:鞍钢鲅鱼圈3.8m中厚板生产线自动消防系统工程(主厂房部分)编号BYQ-ZHB-ZCF-D04-020单位工程名称:鞍钢鲅鱼圈3.8m中厚板生产线自动消防系统工程(主厂房部分)编号BYQ-ZHB-ZCF-D04-021单位工程名称:鞍钢鲅鱼圈3.8m中厚板生产线自动消防系统工程(主厂房部分)编号BYQ-ZHB-ZCF-D04-022单位工程名称:鞍钢鲅鱼圈3.8m中厚板生产线自动消防系统工程(主厂房部分)编号BYQ-ZHB-ZCF-D04-023单位工程名称:鞍钢鲅鱼圈3.8m中厚板生产线自动消防系统工程(主厂房部分)编号BYQ-ZHB-ZCF-D04-024单位工程名称:鞍钢鲅鱼圈3.8m中厚板生产线自动消防系统工程(主厂房部分)编号BYQ-ZHB-ZCF-D04-025单位工程名称:鞍钢鲅鱼圈3.8m中厚板生产线自动消防系统工程(主厂房部分)编号BYQ-ZHB-ZCF-D05-001单位工程名称:鞍钢鲅鱼圈3.8m中厚板生产线自动消防系统工程(主厂房部分)编号BYQ-ZHB-ZCF-D05-002单位工程名称:鞍钢鲅鱼圈3.8m中厚板生产线自动消防系统工程(主厂房部分)编号BYQ-ZHB-ZCF-D05-003。
起重机械设备静态检查表
施工机具检查表
水总XXX项目部
卷扬机检查验收表
水总XXX项目部
电焊机检查(验收)表
水总XXX项目部
挖掘机检查(进场验收)表
水总XXX项目部
装载机检查(进场验收)表
水总XXX项目部
钢筋机械检查表
水总XXX项目部木工设备检查表
吊具安全检查表
起重机械巡视检查表
管理单位:型号:编号:
门座式起重机安全检查表
水总XXX项目部
塔式起重机安全检查表
工程名称:时间:年月日
水总XXX项目部
桥式起重机安全检查表
工程名称:时间:年月日
水总XXX项目部
履带式起重机安全检查表
工程名称: 时间:年月日
检查人:
水总XXX项目部
汽车式/轮胎式起重机安全检查(进场验收)表工程名称:检查时间:年月日
检查人:
水总XXX项目部
柴油发电机检查表
工程名称:检查时间:年月日
水总XXX项目部
空压机组安全检查表
工程名称检查时间:年月日
水总XXX项目部
自卸车安全检查(进场验收)表
水总XXX项目部
泵车安全检查(进场验收)表
水总XXX项目部
罐车安全检查(进场验收)表。
设备进场检验记录工程材料/构配件/设备报验表设备开箱检查及零部件清点记录MJJ301012合格证粘贴单工程名称:山西美锦集团东于煤业有限公司JBC-200型除尘设备安装工程工程材料/构配件/设备报验表设备开箱检查及零部件清点记录MJJ301012合格证粘贴单工程名称:山西美锦集团东于煤业有限公司JBC-200型除尘设备安装工程工程材料/构配件/设备报验表设备开箱检查及零部件清点记录MJJ301012注:本表由施工单位填写。
合格证粘贴单工程名称:山西美锦集团东于煤业有限公司JBC-200型除尘设备安装工程工程材料/构配件/设备报验表设备开箱检查及零部件清点记录MJJ301012注:本表由施工单位填写。
合格证粘贴单工程名称:山西美锦集团东于煤业有限公司JBC-200型除尘设备安装工程工程材料/构配件/设备报验表设备开箱检查及零部件清点记录MJJ301012注:本表由施工单位填写。
合格证粘贴单工程名称:山西美锦集团东于煤业有限公司JBC-200型除尘设备安装工程工程材料/构配件/设备报验表设备开箱检查及零部件清点记录MJJ301012注:本表由施工单位填写。
合格证粘贴单工程名称:山西美锦集团东于煤业有限公司JBC-200型除尘设备安装工程工程材料/构配件/设备报验表设备开箱检查及零部件清点记录MJJ301012注:本表由施工单位填写。
合格证粘贴单工程名称:山西美锦集团东于煤业有限公司JBC-200型除尘设备安装工程除尘器防腐隐藏工程检查验收记录MJJ302001□□□Array注:如图绘制图纸的附本记录后。
设备定位测量记录MJJ302009□□□防腐工程施工记录MJJ302013□□□Array注:本表由施工单位填写。
MJJ302019□□□MJJ302020□□联合重载试运转记录机械安装分部工程报验申请表MJJ102014机械安装分部工程施工质量验收记录MJJ304188□□□设备分项报验申请表MJJ102014设备分项工程质量验收记录除尘器钢结构焊接分项工程报验申请表MJJ102014钢结构(钢构件焊接)分项工程检验批质量验收记录防腐涂料涂装分部工程报验申请表MJJ102014离心式风机安装分项工程报验申请表MJJ102014离心风机安装分项工程质量验收记录电控柜安装分项工程报验申请表MJJ102014成套高压开关柜安装分项工程质量检验评定表单位工程名称:分项工程名称:高压配电屏安装除尘器安装分项工程报验申请表MJJ102014电气安装分项工程报验申请表MJJ102014电气安装分部工程施工质量验收记录MJJ304188□□□电缆敷设分项工程报验申请表MJJ102014电缆敷设分项工程质量检验评定表接地装置安装分项工程报验申请表MJJ102014。
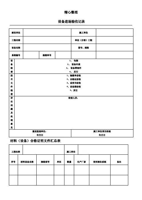
机械设备进场验收记录完整版
一、项目基本信息:
项目名称:(填写项目名称)
设备名称:(填写设备名称)
设备型号:(填写设备型号)
生产厂家:(填写生产厂家)
进场日期:(填写设备进场日期)
二、项目背景及目的:
(简要描述项目背景及目的,包括设备的用途和所处的工程环境等)三、验收标准与要求:
(说明设备的验收标准与要求,包括相关的国家标准、行业标准和合同约定等)
四、验收过程:
1.设备现场检查:
1.1设备包装检查:
(填写设备包装是否完好,有无破损)
1.2设备外观检查:
(填写设备外观是否完好,有无划痕或变形)
1.3底座检查:
(填写设备底座是否平整,有无缺陷)
1.4部件配套检查:
(填写设备部件配套是否齐全,有无缺失)
2.设备功能检测:
2.1电气系统检测:
(填写设备电气系统是否正常,是否存在接地故障)
2.2运行测试:
(填写设备运行是否正常,是否存在异常声音或振动)
2.3安全性能测试:
(填写设备的安全性能是否符合要求,是否存在安全隐患)
五、验收结果与评价:
(根据验收情况,对设备的质量、性能进行评价,包括优点和不足之处)
六、验收结论:
(根据以上评价,对设备的验收结论进行说明,是否通过验收并可投入使用)
七、附件清单:
(列出本次验收记录中所需要附带的相关文件,如合同、质保书等)八、其他事项:
(填写其他需要注意的事项以及总结等)备注:
(填写其他需要备注的地方)。
进厂设备检验记录表
单位工程名称:鞍钢鲅鱼圈3.8m中厚板生产线自动消防系统工程(主厂房部分)编号BYQ-ZHB-ZCF-D01-001
进厂设备检验记录表
单位工程名称:鞍钢鲅鱼圈3.8m中厚板生产线自动消防系统工程(主厂房部分)编号BYQ-ZHB-ZCF-D01-002
进厂设备检验记录表
单位工程名称:鞍钢鲅鱼圈3.8m中厚板生产线自动消防系统工程(主厂房部分)编号BYQ-ZHB-ZCF-D02-001
进厂设备检验记录表
单位工程名称:鞍钢鲅鱼圈3.8m中厚板生产线自动消防系统工程(主厂房部分)编号BYQ-ZHB-ZCF-D02-002
进厂设备检验记录表
单位工程名称:鞍钢鲅鱼圈3.8m中厚板生产线自动消防系统工程(主厂房部分)编号BYQ-ZHB-ZCF-D02-003
进厂设备检验记录表
单位工程名称:鞍钢鲅鱼圈3.8m中厚板生产线自动消防系统工程(主厂房部分)编号BYQ-ZHB-ZCF-D02-004
进厂设备检验记录表
单位工程名称:鞍钢鲅鱼圈3.8m中厚板生产线自动消防系统工程(主厂房部分)编号BYQ-ZHB-ZCF-D02-005
进厂设备检验记录表
单位工程名称:鞍钢鲅鱼圈3.8m中厚板生产线自动消防系统工程(主厂房部分)编号BYQ-ZHB-ZCF-D02-006
进厂设备检验记录表
单位工程名称:鞍钢鲅鱼圈3.8m中厚板生产线自动消防系统工程(主厂房部分)编号BYQ-ZHB-ZCF-D02-007
进厂设备检验记录表
单位工程名称:鞍钢鲅鱼圈3.8m中厚板生产线自动消防系统工程(主厂房部分)编号BYQ-ZHB-ZCF-D02-008
进厂设备检验记录表
单位工程名称:鞍钢鲅鱼圈3.8m中厚板生产线自动消防系统工程(主厂房部分)编号BYQ-ZHB-ZCF-D02-009
进厂设备检验记录表
单位工程名称:鞍钢鲅鱼圈3.8m中厚板生产线自动消防系统工程(主厂房部分)编号BYQ-ZHB-ZCF-D02-010
进厂设备检验记录表
单位工程名称:鞍钢鲅鱼圈3.8m中厚板生产线自动消防系统工程(主厂房部分)编号BYQ-ZHB-ZCF-D02-011
进厂设备检验记录表
单位工程名称:鞍钢鲅鱼圈3.8m中厚板生产线自动消防系统工程(主厂房部分)编号BYQ-ZHB-ZCF-D02-012
进厂设备检验记录表
单位工程名称:鞍钢鲅鱼圈3.8m中厚板生产线自动消防系统工程(主厂房部分)编号BYQ-ZHB-ZCF-D02-013
进厂设备检验记录表
单位工程名称:鞍钢鲅鱼圈3.8m中厚板生产线自动消防系统工程(主厂房部分)编号BYQ-ZHB-ZCF-D02-014
进厂设备检验记录表
单位工程名称:鞍钢鲅鱼圈3.8m中厚板生产线自动消防系统工程(主厂房部分)编号BYQ-ZHB-ZCF-D02-015
进厂设备检验记录表
单位工程名称:鞍钢鲅鱼圈3.8m中厚板生产线自动消防系统工程(主厂房部分)编号BYQ-ZHB-ZCF-D03-001
进厂设备检验记录表
单位工程名称:鞍钢鲅鱼圈3.8m中厚板生产线自动消防系统工程(主厂房部分)编号BYQ-ZHB-ZCF-D03-002
进厂设备检验记录表
单位工程名称:鞍钢鲅鱼圈3.8m中厚板生产线自动消防系统工程(主厂房部分)编号BYQ-ZHB-ZCF-D03-003
进厂设备检验记录表
单位工程名称:鞍钢鲅鱼圈3.8m中厚板生产线自动消防系统工程(主厂房部分)编号BYQ-ZHB-ZCF-D03-004
进厂设备检验记录表
单位工程名称:鞍钢鲅鱼圈3.8m中厚板生产线自动消防系统工程(主厂房部分)编号BYQ-ZHB-ZCF-D03-005
进厂设备检验记录表
单位工程名称:鞍钢鲅鱼圈3.8m中厚板生产线自动消防系统工程(主厂房部分)编号BYQ-ZHB-ZCF-D04-001
进厂设备检验记录表
单位工程名称:鞍钢鲅鱼圈3.8m中厚板生产线自动消防系统工程(主厂房部分)编号BYQ-ZHB-ZCF-D04-002
进厂设备检验记录表
单位工程名称:鞍钢鲅鱼圈3.8m中厚板生产线自动消防系统工程(主厂房部分)编号BYQ-ZHB-ZCF-D04-003
进厂设备检验记录表
单位工程名称:鞍钢鲅鱼圈3.8m中厚板生产线自动消防系统工程(主厂房部分)编号BYQ-ZHB-ZCF-D04-004
进厂设备检验记录表
单位工程名称:鞍钢鲅鱼圈3.8m中厚板生产线自动消防系统工程(主厂房部分)编号BYQ-ZHB-ZCF-D04-005
进厂设备检验记录表
单位工程名称:鞍钢鲅鱼圈3.8m中厚板生产线自动消防系统工程(主厂房部分)编号BYQ-ZHB-ZCF-D04-006
进厂设备检验记录表
单位工程名称:鞍钢鲅鱼圈3.8m中厚板生产线自动消防系统工程(主厂房部分)编号BYQ-ZHB-ZCF-D04-007
进厂设备检验记录表
单位工程名称:鞍钢鲅鱼圈3.8m中厚板生产线自动消防系统工程(主厂房部分)编号BYQ-ZHB-ZCF-D04-008
进厂设备检验记录表
单位工程名称:鞍钢鲅鱼圈3.8m中厚板生产线自动消防系统工程(主厂房部分)编号BYQ-ZHB-ZCF-D04-009
进厂设备检验记录表
单位工程名称:鞍钢鲅鱼圈3.8m中厚板生产线自动消防系统工程(主厂房部分)编号BYQ-ZHB-ZCF-D04-010
进厂设备检验记录表
单位工程名称:鞍钢鲅鱼圈3.8m中厚板生产线自动消防系统工程(主厂房部分)编号BYQ-ZHB-ZCF-D04-011
进厂设备检验记录表
单位工程名称:鞍钢鲅鱼圈3.8m中厚板生产线自动消防系统工程(主厂房部分)编号BYQ-ZHB-ZCF-D04-012
进厂设备检验记录表
单位工程名称:鞍钢鲅鱼圈3.8m中厚板生产线自动消防系统工程(主厂房部分)编号BYQ-ZHB-ZCF-D04-013
进厂设备检验记录表
单位工程名称:鞍钢鲅鱼圈3.8m中厚板生产线自动消防系统工程(主厂房部分)编号BYQ-ZHB-ZCF-D04-014
进厂设备检验记录表
单位工程名称:鞍钢鲅鱼圈3.8m中厚板生产线自动消防系统工程(主厂房部分)编号BYQ-ZHB-ZCF-D04-015
进厂设备检验记录表
单位工程名称:鞍钢鲅鱼圈3.8m中厚板生产线自动消防系统工程(主厂房部分)编号BYQ-ZHB-ZCF-D04-016
进厂设备检验记录表
单位工程名称:鞍钢鲅鱼圈3.8m中厚板生产线自动消防系统工程(主厂房部分)编号BYQ-ZHB-ZCF-D04-017
进厂设备检验记录表
单位工程名称:鞍钢鲅鱼圈3.8m中厚板生产线自动消防系统工程(主厂房部分)编号BYQ-ZHB-ZCF-D04-018
进厂设备检验记录表
单位工程名称:鞍钢鲅鱼圈3.8m中厚板生产线自动消防系统工程(主厂房部分)编号BYQ-ZHB-ZCF-D04-019
进厂设备检验记录表
单位工程名称:鞍钢鲅鱼圈3.8m中厚板生产线自动消防系统工程(主厂房部分)编号BYQ-ZHB-ZCF-D04-020
进厂设备检验记录表
单位工程名称:鞍钢鲅鱼圈3.8m中厚板生产线自动消防系统工程(主厂房部分)编号BYQ-ZHB-ZCF-D04-021
进厂设备检验记录表
单位工程名称:鞍钢鲅鱼圈3.8m中厚板生产线自动消防系统工程(主厂房部分)编号BYQ-ZHB-ZCF-D04-022
进厂设备检验记录表
单位工程名称:鞍钢鲅鱼圈3.8m中厚板生产线自动消防系统工程(主厂房部分)编号BYQ-ZHB-ZCF-D04-023
进厂设备检验记录表
单位工程名称:鞍钢鲅鱼圈3.8m中厚板生产线自动消防系统工程(主厂房部分)编号BYQ-ZHB-ZCF-D04-024
进厂设备检验记录表
单位工程名称:鞍钢鲅鱼圈3.8m中厚板生产线自动消防系统工程(主厂房部分)编号BYQ-ZHB-ZCF-D04-025
进厂设备检验记录表
单位工程名称:鞍钢鲅鱼圈3.8m中厚板生产线自动消防系统工程(主厂房部分)编号BYQ-ZHB-ZCF-D05-001
进厂设备检验记录表
单位工程名称:鞍钢鲅鱼圈3.8m中厚板生产线自动消防系统工程(主厂房部分)编号BYQ-ZHB-ZCF-D05-002
进厂设备检验记录表
单位工程名称:鞍钢鲅鱼圈3.8m中厚板生产线自动消防系统工程(主厂房部分)编号BYQ-ZHB-ZCF-D05-003
进厂设备检验记录表
单位工程名称:鞍钢鲅鱼圈3.8m中厚板生产线自动消防系统工程(主厂房部分)编号BYQ-ZHB-ZCF-D06-001
进厂设备检验记录表
单位工程名称:鞍钢鲅鱼圈3.8m中厚板生产线自动消防系统工程(主厂房部分)编号BYQ-ZHB-ZCF-D06-002
进厂设备检验记录表
单位工程名称:鞍钢鲅鱼圈3.8m中厚板生产线自动消防系统工程(主厂房部分)编号BYQ-ZHB-ZCF-D06-003。