汽车线束行业标准汽海马VOC标准
- 格式:docx
- 大小:349.32 KB
- 文档页数:9
世界各国汽车线束标准差别(精品)世界各国汽车线束标准差别(精品)1. 德标汽车线束产品标准1.1 DIN 72551 德国国家标准 FLY、 FLRY、 FLYW1.2 VW 60306 大众公司标准FLRY FLR6Y FLR7Y FLR13Y FLR31Y 等2. 日本汽车线束产品标准JIS C3406 汽车用薄壁绝缘低压电缆 AV 型日本汽车工程学会标准JASO D611 汽车用薄壁绝缘低压电缆 AVS AVSS CAVSJASO D608 汽车用耐热低压电缆 AVX、 AEX3. 韩国汽车线束产品标准KSC 3311 汽车用低压电线 AV 型韩国现代企业标准ES 91110-00 汽车用超薄壁聚氯乙烯绝缘低压电线 AVSS 型4. 意大利汽车线束产品标准FIAT 91107/13 T2-105 型电线FIAT 91107/15 T3-125 型电线T2-105 PVC 绝缘低压电线T3-125 PP 绝缘低压电线5.美国标准线束电线美国汽车工程师学会标准SAE 1127 电池电缆SAE 1128 低压初级电缆 GXL TWP TXL GPT HDT STS HTS SXL TWE GTE HTESAE 1678 低压薄壁初级电缆MS-8288 电缆 -初级 -薄壁交联聚乙烯绝缘MS-7889 薄热塑( PVC)绝缘初级线缆MS-5919 薄壁交联聚乙烯绝缘初级电缆6.ISO 6722 国际标准化组织标准7.国家线束标准1.1 JB 8734 国家机械部标准 RVVPRVV1.2 GB/T 2951 电缆绝缘和护套材料通用试验方法1.3 JB/T8139QVR、 QVR-105、 QVVR1.4 OC/T730-2005 道路车辆用薄壁绝缘低压电线除了他们测试不一样外,最大不一样,就是同一规格的线束,结构不一样,横截面不一样,材料的使用分级不一样,线束的绝缘厚度要不一样,标准线束所用材料着重点不一样,不如美标主要是用交联 PE 料,而德标的选择比较广。
世界各国汽车线束标准差别(精品)1. 德标汽车线束产品标准1.1 DIN 72551德国国家标准FLY、FLRY、FLYW1.2 VW 60306大众公司标准 FLRY FLR6Y FLR7Y FLR13Y FLR31Y等2.日本汽车线束产品标准JIS C3406汽车用薄壁绝缘低压电缆 AV型日本汽车工程学会标准JASO D611汽车用薄壁绝缘低压电缆 AVS AVSS CAVSJASO D608汽车用耐热低压电缆 AVX、AEX3.韩国汽车线束产品标准KSC 3311汽车用低压电线 AV型韩国现代企业标准ES 91110-00汽车用超薄壁聚氯乙烯绝缘低压电线 AVSS型4.意大利汽车线束产品标准FIAT 91107/13 T2-105型电线FIAT 91107/15 T3-125型电线T2-105 PVC绝缘低压电线T3-125 PP绝缘低压电线5.美国标准线束电线美国汽车工程师学会标准SAE 1127电池电缆SAE 1128低压初级电缆 GXL TWP TXL GPT HDT STS HTS SXL TWE GTE HTE SAE 1678低压薄壁初级电缆MS-8288电缆-初级-薄壁交联聚乙烯绝缘MS-7889薄热塑(PVC)绝缘初级线缆MS-5919薄壁交联聚乙烯绝缘初级电缆6.ISO 6722国际标准化组织标准7.国家线束标准1.1 JB 8734国家机械部标准RVVPRVV1.2 GB/T 2951电缆绝缘和护套材料通用试验方法1.3 JB/T8139QVR、QVR-105、QVVR1.4 OC/T730-2005道路车辆用薄壁绝缘低压电线除了他们测试不一样外,最大不一样,就是同一规格的线束,结构不一样,横截面不一样,材料的使用分级不一样,线束的绝缘厚度要不一样,标准线束所用材料着重点不一样,不如美标主要是用交联PE料,而德标的选择比较广。
成品线束用在不同的车型。
汽车线束标准汽车线束是汽车电气系统中非常重要的一个部分,它承载着车辆各种电气设备的电源和信号传输功能。
因此,汽车线束的质量和标准对于整个车辆的安全性和可靠性都有着至关重要的影响。
本文将就汽车线束的标准进行详细介绍,以便更好地了解和应用汽车线束标准。
首先,汽车线束的标准主要包括以下几个方面,材料选用、制造工艺、电气性能、防护性能、环境适应性等。
在材料选用方面,汽车线束应选用符合国家标准的优质绝缘材料和导电材料,以确保线束在高温、高压、高湿等恶劣环境下仍能正常工作。
制造工艺方面,应采用先进的自动化生产设备和严格的生产工艺流程,确保线束的每一个细节都符合标准要求。
在电气性能和防护性能方面,线束应具有良好的电气传输性能和防护性能,能够有效地避免短路、漏电等安全隐患。
此外,线束还应具有良好的环境适应性,能够适应不同的工作环境和工作温度。
其次,汽车线束的标准还包括了各种测试方法和测试标准。
在生产过程中,需要对汽车线束进行各种性能测试,以确保线束的质量符合标准要求。
常见的测试项目包括,绝缘电阻测试、导电测试、耐热性测试、耐湿性测试、耐油性测试等。
这些测试项目能够全面地评估线束的质量和性能,为线束的质量提供了有力的保障。
最后,对于汽车线束的标准化管理也是非常重要的。
制定和执行严格的标准化管理制度,能够有效地提高线束的质量和可靠性。
在生产过程中,需要严格执行标准化的生产工艺流程,对每一个环节进行严格的监控和管理。
同时,还需要建立完善的质量追溯体系,对每一批次的产品进行全程跟踪和管理,以确保产品的质量可控。
综上所述,汽车线束的标准对于汽车电气系统的安全性和可靠性有着重要的影响。
只有严格执行标准要求,才能够生产出质量可靠的汽车线束产品,为汽车的安全性和可靠性提供有力的保障。
因此,我们在生产和使用汽车线束时,务必要严格遵守相关的标准要求,确保线束的质量和性能符合标准,为车辆的安全性和可靠性提供有力的保障。
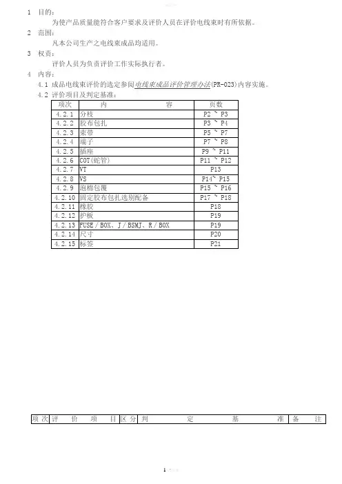
1目的:为使产品质量能符合客户要求及评价人员在评价电线束时有所依据。
2范围:凡本公司生产之电线束成品均适用。
3权责:评价人员为负责评价工作实际执行者。
4内容:4.1成品电线束评价的选定参阅电线束成品评价管理办法(PR-023)内容实施。
4.2评价项目及判定基准:4.2.1分枝分枝的宽幅轻分枝同一方向时,枝线分叉位置容许宽度【图标】分歧主干线之宽幅以下不超过同一方向枝线外径之总和为准。
例如:枝线外径的总合20mm(10+10)分枝处的宽幅20mm以下。
胶布包扎分枝部胶布包扎作业、在胶布不包扎的部位如在同一方向分枝的位置、间隔太大易使电线外露、所以其宽度需规定也以不超过同一方向枝线外径之总和为准。
枝线线径的总合20mm(10+10)胶布间隔宽为20mm分枝及COT、VT之相对位置分枝部位COT或VT包扎其末端(固定处)、与分枝(交叉点)距离在10mm以内容许。
但分枝部位如有束带时,其COT或VT与分枝线的距离容许缩短20mm以内。
分枝的角度【图示】项次评价项目区分判定基准备注分枝的出线位置重 分枝出线位置与图面规定之尺寸必须相吻合(在公差范围内容许)。
4.2.2 胶 布 包 扎胶布包扎状态轻VT 、COT 分歧包扎不良造成脱落,均判定为缺点。
项次 评价项目 区分 判定基准 备注区分 解说(规格) 略图(详细)密包:使用胶布将指示部位做1/2质度宽度重迭的密包花包:胶布包扎时,电线外露部份以一个胶布宽为限或以看不见突出线为准。
固定包 (间隔包扎) 以图示做间隔性固定包扎用19mm 或25mm 胶布做2-3回定点包扎束带包扎 (交叉包扎)图面指示的地位将束带做固定包胶布交叉包扎2~3回定点包扎。
分岐包扎 在图面无特别要求完全密包的情况下容许干线与枝线中有间隔的存在。
胶布开始与结尾处理轻为防止胶布包扎时的开始与结束处,胶布的脱落,所以开始与结束处以胶布包扎1.5回以上,且撕断面必平整。
胶布与插头间之距离在完全密包的分枝处,电线与插座间露出容许10mm以下。
VOLVO汽车线束制造标准(中文翻译版)《VCC电线束制造标准》(Rev 19)目录1 概述.2. 零部件要求2.1 零部件要求2.1.1 护套(胶套)2.1.2 连接器与密封件2.1.3 线缆端子2.1.4 光学元件2.1.5 电缆线2.1.5.1 通用线缆规格2.1.5.2 制图代码设置2.1.6 线缆基本颜色代码2.1.7 线缆上的临时颜色代码3. 关于制造的要求3.1 将线缆端子安装到线缆上3.1.1 线缆端子的压接3.1.2 线缆端子的焊接3.2 电线端子在连接器中的位置3.3 将电缆端子安装到连接器中3.4 电线端子的绝缘3.4.1 普通端子主干的绝缘3.4.2 防水(WP)环端主干的绝缘3.5 电线端子的绝缘3.6 橡胶件的安装3.7 电线的绞合3.7.1 一般绞线要求3.7.2 常规绞线3.7.3 短距离绞线3.8 电线的布线3.8.1 线缆支架中的线缆布线3.8.2 电气保险盒中的电缆布线3.8.3 定位夹的旋转方向3.9 布线和最大光纤衰减3.10 非屏蔽连接器中使用的屏蔽多芯电缆4. 电子线缆的包裹4.1 包裹到连接器的自由电缆长度4.2 用软管包裹4.3 用开口软管包裹4.4 用拉链软管包裹4.5 用热缩管包裹4.6 用波纹塑料管包裹4.7 用开口的波纹塑料管包裹4.8 用非金属编织线缆套管包裹4.9 用非金属缝合线缆套管包裹,开口并重叠4.10 用粘性PET袖套包裹,开口并重叠4.11 用泡沫管包裹4.12 用PVC片包裹4.13 用PVC胶带包裹4.13.1 胶带缠绕两圈(点缠)4.13.2 胶带松散缠绕(间距缠,花缠)4.13.3 紧密缠绕胶带(全缠,密缠)4.13.4 交叉缠绕胶带(交叉缠)4.14 用其他材料的胶带包裹4.14.1 其他材料的胶带缠绕两次(点缠)4.14.2 4.14.2 其他材料的胶带松散缠绕4.14.3 其他材料的胶带紧密胶带4.14.4 其他材料的胶带交叉缠绕4.14.5 用粘性面对面的其他材料胶带对折4.15 用泡沫胶带包裹4.15.1 粘性面对面折叠4.15.2 纵向缠绕,重叠4.16 用线缆扎带包裹4.17 用线缆扎带或胶带缠绕两圈包裹4.18 用铝覆反射热保护包裹4.19 同一点上的几个符号5. 线束标记5.1 零件编号标记5.2 原标识的国家5.3 标识的性能5.4 用记号笔标记5.5 位置标记5.6 功能标记6. 铰接 6.1 非密封电线铰接点,NWP6.2 密封的电线铰接点,WP6.3 有关铰接点位置的一般要求6.3.1 无尺寸要求的铰接点位置6.3.2 线缆通道外的铰接点位置要求6.3.3 在其他塑料外壳,保险盒或类似物品内铰接点位置的要求6.3.4 靠近胶套的铰接点位置的要求7.屏蔽标记的末端与性能7.1 7.1 屏幕层的末端,未密封,NWP7.2 7.2 屏蔽层末端,密封的,WP8.粘接9.尺寸的定义9.1 概念9.2 主干和分支的定义9.3 分支点9.4 分支长度9.5 原始文件的连接器视图(2D图纸或3D模型)10.长度公差11.原始文件上的表格规范(2D图纸或3D模型)12.结果等级13.公差要求14.端子选择15. 参考原始文档(2D图纸或3D模型)1.概述除非在原始文档,2D工程图或3D模型中另有说明,否则本技术法规中规定的所有要求均适用。
汽车voc国标
汽车VOC国标是指汽车内部材料和装饰件所释放的挥发性有机化合物的排放标准,其目的是为了保护人类健康和环境。
以下是汽车VOC国标的相关内容:
一、国家标准
中国国家标准GB/T 27630-2011《汽车内饰材料及其制品中VOC排放限量》是汽车VOC国标的主要标准,该标准于2012年1月1日正式实施。
该标准规定了汽车内饰材料及其制品中VOC排放限量的要求,包括了汽车座椅、地毯、内饰板、顶棚、挡风玻璃、车门、仪表板等部位的材料和制品。
二、标准内容
汽车VOC国标的主要内容包括以下几个方面:
1. VOC排放限量:该标准规定了不同材料和制品中VOC排放限量的要求,如汽车座椅和地毯中VOC排放限量不得超过1.5mg/g,汽车内饰板中VOC排放限量不得超过1.0mg/g等。
2. 测量方法:该标准规定了VOC排放测量的方法和要求,包括了采样、样品制备、仪器设备、测量条件等方面的内容。
3. 适用范围:该标准适用于所有汽车内饰材料及其制品的生产、销售和使用。
4. 标识要求:该标准规定了符合要求的汽车内饰材料和制品应当标注“符合GB/T 27630-2011标准要求”。
三、实施效果
自2012年1月1日起,汽车内饰材料和制品必须符合GB/T 27630-2011标准要求才能够生产、销售和使用。
该标准的实施对于保护人类健康和环境具有重要意义,可以有效降低汽车内部VOC排放量,减少空气污染和有害物质对人体的危害。
同时,该标准的实施也促进了汽车内饰材料和制品的技术升级和产业升级,提高了汽车内饰材料和制品的安全性和环保性。
VOCs常见行业特征及相关行业标准、计算依据产生VOCs常见行业特征及相关行业标准、计算依据等主要内容:1、“产生挥发性有机物各行业基本情况及排放控制要求”(源自广州环保局网站),共11个行业,重点介绍木制品家具、人造板制造、制鞋、印刷、汽车制造涂装和汽车维修2、VOCs行业标准(1)《家具制造行业挥发性有机化合物排放标准》(DB44/814-2010)(2)《印刷行业挥发性有机化合物排放标准》(DB44/815-2010)(3)《制鞋行业挥发性有机化合物排放标准》(DB44/817-2010)(4)《表面涂装(汽车制造业)挥发性有机化合物排放标准》(DB44/816-2010)3、佛环委办〔2014〕3号文件中关于活性炭治理挥发性有机化合物的要求4、VOCs产污系数依据及处理措施废气量计算一、人造板制造、木制品家具行业1、行业特征人造板制造:常见的为简单的胶合板热压胶合、装饰单板或饰面板的加工制造。
以上过程中产生总VOCs主要来源于涂胶、热压工序,主要胶黏剂为脲醛、酚醛和三聚氰胺树脂等。
木制品家具制造:总VOCs来源主要为白乳胶、热熔胶、喷漆工序等。
2、行业标准《家具制造行业挥发性有机化合物排放标准》(DB44/814-2010):表1排气筒VOCs排放限值二、印刷行业1、行业特征印刷行业根据其生产工艺可分为凸版印刷、平版印刷、凹板印刷、孔版印刷。
各类印刷工艺总VOCs排放特征见下表:2、行业标准《印刷行业挥发性有机化合物排放标准》(DB44/815-2010):表5 无组织排放监控点浓度限值(单位:mg/m )三、制鞋行业表 3 印刷油墨 VOCs 含量限值表 4 企业排气筒 VOCs 排放限值31、行业特征制鞋行业产生有机废气的工序主要有:鞋面商标印刷工序、鞋面材料高频压型工序、鞋底材料EV A 、MD 的发泡、鞋底喷漆工序、鞋底中底贴合、鞋面鞋底粘胶成型工序。
国家发布的《鞋和箱包胶粘剂》标准(GB19340-2003)已对胶粘剂中挥发性有机物进行了限定。
什么是汽车VOC排放的标准汽车是现代社会重要的交通工具之一,但是汽车尾气排放的问题是全球普遍存在的环境问题。
而VOC是汽车尾气排放中的一种有机物质,不仅会对环境造成污染,还可能对人体健康产生危害。
因此,为了保护环境和人类健康,各国家和地区都对汽车VOC排放制定了相应的标准。
那么,什么是汽车VOC排放的标准呢?一、什么是VOC?VOC,即挥发性有机化合物(Volatile Organic Compounds),主要指那些易挥发的有机化合物。
VOC是大气中的有机质的重要来源,因此会对大气造成污染。
而汽车VOC排放,则是指汽车在燃烧过程中排放的挥发性有机物。
二、汽车VOC排放标准的制定背景汽车尾气中的有害物质对环境和人体健康产生危害。
其中,VOC是导致大气中光化学污染的主要物质之一,其对环境造成的危害主要表现为促进温室效应、导致光化学烟雾等。
此外,VOC还会对人体产生影响,如对呼吸系统产生刺激作用、致癌等。
为了保护环境和人类健康,各国家和地区纷纷制定了相关的汽车VOC排放标准。
不同国家和地区制定的标准因考虑的因素不同、技术水平和现实情况的不同而存在着差异。
三、著名的汽车VOC排放标准1.欧洲标准(Euro标准)欧洲标准是欧洲联盟为控制大气污染而制定的汽车尾气排放标准。
其中,第一阶段从1992年开始实施,目标是减少CO、HC、NOx和PM排放量;第二阶段则从2000年开始,目标是进一步减少CO、HC、NOx和PM排放量。
欧洲标准采用了“阶段性提高排放标准”的方式,每一个阶段对应了更新的技术标准,并鼓励企业使用高效低排放的技术。
目前,欧洲已经实施至第六阶段的标准。
2.美国标准(USTier标准)美国环保署(EPA)制定了一系列汽车VOC排放标准,其中最有代表性的是USTier标准。
USTier标准按照车辆类型分为3类,分别是轻型汽车、重型汽车和重型柴油车。
该标准要求汽车VOC排放量不得超过特定的限值,且限值逐年递减。
汽车技术有限公司企业标准车内零部件挥发性有机化合物及醛酮类物质测试方法目次前言............................................................................................. I I 1范围.. (1)2规范性引用文件 (1)3术语和定义 (1)4 测试对象化合物 (2)5测试........................................................................... 错误!未定义书签。
5.1 测试样品 (2)5.2 测试原理 (2)5.3 测试设备和试剂 (3)5.4 测试流程 (4)附录A(规范性附录)被测车内零部件总成及取样要求 (8)前言本标准按照GB/T 1.1-2009给出的规则起草。
本标准规定了汽车技术有限公司车内零部件总成放散出的挥发性有机化合物(VOC)、醛酮类物质采样和测试方法。
本标准由汽车技术有限公司提出。
本标准由汽车技术有限公司归口。
本标准起草单位:部。
本标准主要起草人:本标准为首次发布。
车内零部件挥发性有机化合物及醛酮类物质测试方法1范围本标准规定了汽车技术有限公司车内零部件总成放散出的挥发性有机化合物(VOC)、醛酮类物质的采样和测试方法。
本标准适用于座椅、仪表板、顶棚、车门内饰板、地毯等与车内部有空气交换的零部件。
2规范性引用文件下列文件对于本文件的应用是必不可少的。
凡是注日期的引用文件,仅注日期的版本适用于本文件。
凡是不注日期的引用文件,其最新版本(包括所有的修改单)适用于本文件。
GB/T 27630-2011 乘用车内空气质量评价指南HJ/T 400-2007 车内挥发性有机物和醛酮类物质采样测定方法3术语和定义下列术语和定义适用于本文件。
3.1挥发性有机化合物(VOC)Volatile Organic Compounds,标准状态下初沸点小于或等于250℃,且在常温常压下能自发挥发的有机液体或固体。
汽车制造业VOCs管控要求及排放标准汇总VOCs是挥发性有机化合物(Volatile Organic Compounds)的英文缩写,是20℃时蒸汽压不小于10Pa或者101.325 kPa标准大气压下,沸点不高于260℃的有机化合物或者实际生产条件下具有以上相应挥发性的有机化合物(甲烷除外)的统称。
VOCs通常分为非甲烷碳氢化合物(简称NMHCs)、含氧有机化合物、卤代烃、含氮有机化合物、含硫有机化合物等几大类。
VOCs是形成细颗粒物(PM2.5)和臭氧(O3)的重要前体物,对气候变化也有影响。
大多数VOCs具有令人不适的特殊气味,并具有毒性、刺激性、致畸性和致癌作用,特别是苯、甲苯及甲醛等对人体健康会造成很大的伤害。
VOCs污染防治工作仍然是现阶段我国大气污染防治的重点任务之一。
汽车制造业涂料用量大,VOCs成分复杂,排放强度大,是我国VOCs重点排放源。
自《大气污染防治行动计划》,特别是《打赢蓝天保卫战三年行动计划》实施以来,国家及各地陆续出台涉VOCs污染控制管理的政策和标准规范,本文总结了当前国家及各地对汽车制造业VOCs的管控要求及相关排放控制标准。
表1 国家层面对汽车制造业VOCs的管控要求其他已经发布挥发性有机物污染防治工作方案的省市(如天津、四川、上海、广东)与国家的要求差别不大。
上海市出台的工作方案中还要求:“汽车零部件推行绿色供应链采购”。
重庆发布的工作方案还要求:“汽车整车制造及配件生产所用涂料和溶剂必须满足《汽车涂料中有害物质限量》(GB24409-2009)的规定,并提供每批次原料的质量检验报告”。
表2 汽车制造业涉VOCs排放标准汇总上述大部分标准还详细列明了控制VOCs排放的生产工艺措施和管理要求、废气收集要求、VOCs污染控制台账记录要求,并规定了整车制造涂装生产线单位涂装面积VOCs排放总量限值。
有出台地标的省市按地标执行,没有就执行国家发布的排放标准。
伴随着我国VOCs相关政策标准管理体系的逐渐完善,VOCs的减排与控制将继续延续精细化、规范化的发展方向。
1范围本标准规定了采用袋子法对车内零部件总成的挥发性有机化合物(VOCs)进行采样和测试的方法。
本标准适用于轿车车厢(含行李箱)内部的非金属零部件及与车厢内有空气交换的零部件。
本标准所检测的目标化合物包括:TVOC、苯、甲苯、二甲苯、乙苯、苯乙烯、甲醛、乙醛、丙烯醛2参考标准GB/T27630-2011 乘用车内空气质量评价指南HJ/T400-2007 车内挥发性有机物和醛酮类物质采样测定方法3术语和定义3.1挥发性有机物(VOC)在常压条件下沸点或初馏点低于或等于250℃,且在常温常压下能自发挥发的有机液体或固体。
3.2总挥发性有机化合物(TVOC)利用Tenax等吸附剂采集,并用极性指数小于10的气相色谱柱分离,保留时间在正己烷到正十六烷之间的具有挥发性的化合物的总称。
4测试原理小2℃条件下加热65将待测零部件放入密封的采样袋,充入适量氮气后,将采样袋在.时,使零部件或材料中的挥发性有机物散发到采样袋内气体中。
加热结束后,用Tenax管采集苯类物质,用热脱附仪-气相色谱质谱联用仪(TD-GCMS)进行定性和定量分析;用DNPH管采集醛类物质,用高效液相色谱仪(HPLC)进行定性和定量分析。
5实验设备表一6样件要求6.1样件的包装样件在生产出来后应立即进行包装,并在七天内寄达检测实验室,在此期间,样件应放在无污染,通风阴凉处。
样品在运输过程中应尽量避免接触高温环境。
样件封装采用无破损的铝箔或保鲜膜包裹后,再用聚乙烯袋密封,装入纸箱内。
零部件生产商应提供生产日期和样品批号。
检测实验室收到样品后应对样品的包装进行检查,并核对样品信息,保证其准确完整。
样品进入实验室应在15个工作日完成测试,如不能及时进行测试,样品应保留包装,并放置在通风,阴凉干燥处。
6.2样件的取样要求被测零部件是以整个零部件总成进行实验,采用暴露面朝上和尽量摊开的原则。
统一采用2000L大小的袋子。
具体被测车内零部件总成及取样要求见表1。
汽车低压电线束技术条件1适用范围本标准规定了汽车用低压电线束(以下简称电线束)的技术要求、试验方法、检验规则、标志、包装及储存。
本标准适用于标称电压低于50V的各种汽车用电线束(含单根线)。
2引用标准下列标准所包含的条文,通过在本标准中引用而构成为本标准的条文,本标准出版时所示版本均为有效。
所有标准都会被修订,使用本标准的各方应探讨使用下列标准的最新版本。
GB 2828 逐批检查计数抽样程序及抽样表(适用于连续批的检查)GB 11121汽油机油GB 17930 车用无铅汽油GB/T 13527.2 软聚氯乙烯管(电线绝缘用)HG 2196 机动车辆用橡胶材料JB/T 6313.1 电工铜编织线第一部分一般规定JB/T 6313.2 电工铜编织线第二部分斜纹编织线JB/T 6313.3 电工铜编织线第三部分直纹编织线JB/T 8139 公路车辆用低压电缆(电线)JJG 4 钢卷尺QB/T 2423 聚氯乙烯(PVC)电气绝缘用压敏胶粘带QC/T 238 汽车零部件的储存和保管QC/T 413 汽车电气设备基本技术条件QC/T 414 汽车用低压电线颜色QC/T 417.1车用电线束插接器第一部分定义、试验方法和一般性能要求(汽车部分)QC/T 417.3车用电线束插接器第三部分单线片式插接件的尺寸和特殊要求QC/T 417.4车用电线束插接器第四部分多线片式插接件的尺寸和特殊要求QC/T 417.5车用电线束插接器第五部分用于单线和多线插接器的圆柱式插接件尺寸和特殊要求QCn 29010 汽车用低压电线接头型式、尺寸和技术要求QCn 29013 汽车用蓄电池电线接头型式、尺寸和技术要求3术语和定义本标准采用下列及QC/T417.1中的定义。
3.1 干线如图1所示电线束中两根或两根以上电线包扎在一起的部分。
3.2 支线汽车低压电线束技术条件如图1所示电线束中电线的末端没有包扎的部分或单根电线。
3.3 分支点如图1所示电线束中干线与干线或干线与支线中心线的交点。
国家汽车制造业voc排放标准国家汽车制造业VOC排放标准是指国家针对汽车制造业中挥发性有机物(VOC)排放量的限制要求,旨在通过对汽车制造业排放进行严格的管控,减少VOC排放量,保护大气环境和人类健康。
VOC是指在常温常压下易挥发的有机化合物,包括汽油、溶剂、涂料等。
VOC排放是大气污染的主要来源之一,其与氮氧化物、PM2.5等污染物一起构成了空气污染的复合污染体系,对人体健康和大气环境都造成了严重的危害。
为了控制VOC排放,国家制定了一系列的VOC排放标准,其中包括了汽车制造业VOC排放标准。
具体来说,国家汽车制造业VOC排放标准包括国家、行业和地方三个层面的标准,其中国家标准是指国发改委、环保部等部门颁布的关于汽车制造行业VOC排放量的限制要求;行业标准则由国家相关行业协会或企业组织制定实施;地方标准则是指各个省、市、区制定并实施的相关VOC排放限制要求。
国家汽车制造业VOC排放标准的主要内容包括企业的VOC排放标准、VOC排放检测方法和排放监管等方面。
具体来说,主要包括以下几个方面:一、企业的VOC排放标准。
国家汽车制造业VOC排放标准要求企业在生产制造过程中严格控制VOC排放,通过使用低VOC溶剂、改进涂装工艺等措施减少VOC排放。
企业要进行VOC排放检测,确保排放量符合国家标准的要求。
二、VOC排放检测方法。
针对汽车制造业中常使用的涂装、喷漆等工艺,国家制定了一系列的涂装VOC排放检测方法,如GB/T 19541.1-2019汽车和配件表面涂层 VOC排放测定第1部分:总挥发性有机化合物和苯系化合物、GB/T 19541.2-2019 汽车和配件表面涂层 VOC排放测定第2部分:总挥发性有机化合物和胺系化合物、GB/T 23931-2018 易挥发性有机物质含量测定法等。
这些检测方法可以有效地测定汽车制造业中的VOC排放量,为企业的VOC排放控制提供科学依据。
总之,国家汽车制造业VOC排放标准的制定和实施有利于降低汽车制造业的VOC排放,保护大气环境和人类健康。
主机厂voc判定标准
VOC(挥发性有机化合物)判定标准是用于评估并限制车辆
及其零部件所释放的挥发性有机化合物的含量和排放水平。
每个国家和地区可能会有不同的VOC判定标准,以下是一些常
见的主机厂VOC判定标准:
1. 欧盟标准:欧盟对汽车及其零部件的VOC排放有限制要求。
根据欧盟指令2007/46/EC,汽车内饰材料、涂料和胶粘剂等
的VOC含量必须符合欧盟法规中的相应测试方法和限制要求。
2. 美国标准:美国环保署(EPA)设有一系列的VOC排放标准,主要用于限制汽车尾气排放及其零部件的VOC含量。
例如,CARB(加利福尼亚空气资源委员会)制定了一些严格的VOC排放标准,适用于在加利福尼亚销售的汽车和相关产品。
3. 中国标准:中国国家标准针对汽车和其零部件的VOC排放
进行了限制。
例如,GB/T27630-201X《乘用车内饰材料挥发
性有机化合物排放限量》规定了乘用车内饰材料的VOC排放
限量要求。
这些VOC判定标准的目的是减少机动车对空气质量的不利影响,并促进环境保护和健康。
主机厂需要满足相关VOC判定
标准,以确保其产品符合法规和市场要求。
汽车线束行业标准汽海马V O C标准文件管理序列号:[K8UY-K9IO69-O6M243-OL889-F88688]1 范围本标准规定了采用袋子法对车内零部件总成的挥发性有机化合物(VOCs)进行采样和测试的方法。
本标准适用于轿车车厢(含行李箱)内部的非金属零部件及与车厢内有空气交换的零部件。
本标准所检测的目标化合物包括:TVOC、苯、甲苯、二甲苯、乙苯、苯乙烯、甲醛、乙醛、丙烯醛2 参考标准GB/T 27630-2011 乘用车内空气质量评价指南HJ/T 400-2007 车内挥发性有机物和醛酮类物质采样测定方法3 术语和定义3.1 挥发性有机物(VOC)在常压条件下沸点或初馏点低于或等于250℃,且在常温常压下能自发挥发的有机液体或固体。
3.2 总挥发性有机化合物(TVOC)利用Tenax等吸附剂采集,并用极性指数小于10的气相色谱柱分离,保留时间在正己烷到正十六烷之间的具有挥发性的化合物的总称。
将待测零部件放入密封的采样袋,充入适量氮气后,将采样袋在65℃条件下加热2小时,使零部件或材料中的挥发性有机物散发到采样袋内气体中。
加热结束后,用Tenax管采集苯类物质,用热脱附仪-气相色谱质谱联用仪(TD-GCMS)进行定性和定量分析;用DNPH管采集醛类物质,用高效液相色谱仪(HPLC)进行定性和定量分析。
5 实验设备表一6.1 样件的包装样件在生产出来后应立即进行包装,并在七天内寄达检测实验室,在此期间,样件应放在无污染,通风阴凉处。
样品在运输过程中应尽量避免接触高温环境。
样件封装采用无破损的铝箔或保鲜膜包裹后,再用聚乙烯袋密封,装入纸箱内。
零部件生产商应提供生产日期和样品批号。
检测实验室收到样品后应对样品的包装进行检查,并核对样品信息,保证其准确完整。
样品进入实验室应在15个工作日完成测试,如不能及时进行测试,样品应保留包装,并放置在通风,阴凉干燥处。
6.2 样件的取样要求被测零部件是以整个零部件总成进行实验,采用暴露面朝上和尽量摊开的原则。
汽车voc检测标准汽车VOC检测标准。
汽车VOC(挥发性有机化合物)是指在常温下易挥发的有机化合物,它们是汽车尾气中的有害成分之一。
汽车VOC排放不仅会对环境造成污染,还会对人体健康产生危害。
因此,对汽车VOC进行检测并制定相应的标准显得尤为重要。
首先,汽车VOC检测标准应包括对挥发性有机化合物种类的限制。
不同种类的挥发性有机化合物对环境和人体健康的影响程度是不同的,因此需要针对不同种类的化合物分别制定相应的限制标准。
比如,对于苯、甲苯、二甲苯等对人体健康危害较大的化合物,其排放限制应该更为严格。
其次,汽车VOC检测标准还应包括对排放浓度的限制。
通过对汽车尾气中挥发性有机化合物的排放浓度进行监测和限制,可以有效减少汽车尾气对环境的污染。
同时,对排放浓度的限制也可以促使汽车制造商加大对汽车尾气净化技术的研发和应用,从而提高汽车尾气的净化效率。
此外,汽车VOC检测标准还应包括对检测方法和设备的规定。
为了确保汽车VOC排放的准确监测,需要制定相应的检测方法和标准化的检测设备。
这些方法和设备应该能够对不同种类的挥发性有机化合物进行准确监测,并且能够在实际的汽车尾气排放环境中进行可靠的应用。
最后,汽车VOC检测标准还应包括对监测结果的评估和处理标准。
监测结果的评估和处理标准应该能够对不同排放浓度和不同种类的挥发性有机化合物进行科学的评估,并且能够根据评估结果制定相应的处理措施。
这些处理措施可以包括对超标车辆的处罚和整改要求,以及对汽车制造商的技术要求和支持政策等。
综上所述,汽车VOC检测标准对于减少汽车尾气对环境的污染、保护人体健康具有重要意义。
通过对挥发性有机化合物种类、排放浓度、检测方法和设备、监测结果的评估和处理等方面进行科学的规定和标准化,可以有效提高汽车VOC排放的监测和管理水平,从而实现汽车尾气的净化和环境的保护。
汽车中voc的检测标准下载温馨提示:该文档是我店铺精心编制而成,希望大家下载以后,能够帮助大家解决实际的问题。
文档下载后可定制随意修改,请根据实际需要进行相应的调整和使用,谢谢!并且,本店铺为大家提供各种各样类型的实用资料,如教育随笔、日记赏析、句子摘抄、古诗大全、经典美文、话题作文、工作总结、词语解析、文案摘录、其他资料等等,如想了解不同资料格式和写法,敬请关注!Download tips: This document is carefully compiled by the editor. I hope that after you download them, they can help yousolve practical problems. The document can be customized and modified after downloading, please adjust and use it according to actual needs, thank you!In addition, our shop provides you with various types of practical materials, such as educational essays, diary appreciation, sentence excerpts, ancient poems, classic articles, topic composition, work summary, word parsing, copy excerpts,other materials and so on, want to know different data formats and writing methods, please pay attention!汽车中voc的检测标准对于汽车行业来说至关重要。
汽车线束行业标准汽海马V O C标准
公司标准化编码 [QQX96QT-XQQB89Q8-NQQJ6Q8-MQM9N]
1 范围
本标准规定了采用袋子法对车内零部件总成的挥发性有机化合物(VOCs)进行采样和测试的方法。
本标准适用于轿车车厢(含行李箱)内部的非金属零部件及与车厢内有空气交换的零部件。
本标准所检测的目标化合物包括:TVOC、苯、甲苯、二甲苯、乙苯、苯乙烯、甲醛、乙醛、丙烯醛
2 参考标准
GB/T 27630-2011 乘用车内空气质量评价指南
HJ/T 400-2007 车内挥发性有机物和醛酮类物质采样测定方法
3 术语和定义
挥发性有机物(VOC)
在常压条件下沸点或初馏点低于或等于250℃,且在常温常压下能自发挥发的有机液体或固体。
总挥发性有机化合物(TVOC)
利用Tenax等吸附剂采集,并用极性指数小于10的气相色谱柱分离,保留时间在正己烷到正十六烷之间的具有挥发性的化合物的总称。
4 测试原理
将待测零部件放入密封的采样袋,充入适量氮气后,将采样袋在65℃条件下加热2小时,使零部件或材料中的挥发性有机物散发到采样袋内气体中。
加热结束后,用Tenax管采集苯类物质,用热脱附仪-气相色谱质谱联用仪(TD-GCMS)进行定性和定量分析;用DNPH管采集醛类物质,用高效液相色谱仪(HPLC)进行定性和定量分析。
5 实验设备
表一
6 样件要求
样件的包装
样件在生产出来后应立即进行包装,并在七天内寄达检测实验室,在此期间,样件应放在无污染,通风阴凉处。
样品在运输过程中应尽量避免接触高温环境。
样件封装采用无破损的铝箔或保鲜膜包裹后,再用聚乙烯袋密封,装入纸箱内。
零部件生产商应提供生产日期和样品批号。
检测实验室收到样品后应对样品的包装进行检查,并核对样品信息,保证其准确完整。
样品进入实验室应在15个工作日完成测试,如不能及时进行测试,样品应保留包装,并放置在通风,阴凉干燥处。
样件的取样要求
被测零部件是以整个零部件总成进行实验,采用暴露面朝上和尽量摊开的原则。
统一采用2000L大小的袋子。
具体被测车内零部件总成及取样要求见表1。
表二
7 测试流程
采样袋的清洗
将采样袋内面朝外,放入温度为90℃烘箱中,过夜老化(至少10小时)。
将采样袋内面翻回,密封,充入约30%的高纯氮气,轻轻拍打袋子,然后用无油隔膜真空泵将气体抽出。
此过程反复三次。
将袋子抽真空,静置,观察袋子是否有漏气现象。
空白测试
在25℃环境下向已经清洗过的袋子精确充入60%的氮气。
将充气后的采样袋放入已预热至65℃的烘箱内,加热两个小时,按照要求采样,并按照要求分析,要求空白值需小于方法检出限(MDL, Method Detection Limit),否则按照要求重新进行袋子清洗。
样品测试
将样品整体放入已经验证过袋子空白的采样袋中,密封,用隔膜真空泵将采样袋中的残余空气抽出。
向装有样品的采样袋中充入约30%的氮气,轻轻拍打,然后用隔膜真空泵将气体抽出,此过程反复三次。
在25℃环境下向袋子中精确充入60%的氮气。
将所有袋子放入已预热至65℃的烘箱中,加热2小时,按要求采样,并按照要求分析。
采样方法
按图一方式连接采样管
在进行样品捕集时,使用Tenax管捕集采样袋中苯烃类化合物,使用DNPH管捕集采样袋中醛酮类化合物。
在进行样品捕集前,需轻轻拍打采样袋,使袋内气体均匀化。
Tenax采样管在采完第一根采样管后,应立即采集第二根备份管,如果袋子有三个采样阀门,也可两根Tenax采样管同时采集,其中一根作为备份管。
采集参数按照表三要求
表三
捕集管Tenax管DNPH管
采样流速(mL/min)200800
采样时间(min)1515
采样体积(L)312
采样管采集完成后,应尽快安排上机分析,如不能立即上机分析,Tenax管应用使用密封卡套或其他手段密封采样管两端,做好标记
后放入冰箱中,在4-10℃环境下最多保存7天。
DNPH 采样管做好标记后,4-10℃放入冰箱中保存最多7天。
样品分析
Tenax 管使用热脱附-气质联用仪进行分析,方法可参考HJ/T 400-2007附录B 。
DNPH 采样管用乙腈洗脱后,使用高效液相色谱分析,方法可参考HJ/T 400-2007附录C 。
8 结果计算
所使用的气体体积应使用换算为25℃条件下气体体积进行计算,计算方式按照理想气体状态方程进行换算。
RT PV n =
苯,甲苯,乙苯,二甲苯,苯乙烯,TVOC 等苯烃类物质按照以下公式计算:
1000*T
V W
C =
其中: C :样品挥发量(μg/m 3)
W: 捕集管捕集量(μg)
V T :换算为25℃条件下Tenax 采样管采集的气体体积(L )
甲醛,乙醛,丙烯醛按照以下公式进行计算:
1000*D
V W
C
其中: C :样品挥发量(μg/m 3)
W: 捕集管捕集量(μg)
V D :换算为25℃条件下DNPH 采样管采集的气体体积(L )。