路拌法石灰土底基层施工工艺流程图
- 格式:docx
- 大小:22.23 KB
- 文档页数:1
沥青路面结构层工程施工工艺施工流程:3:7灰土→检测合格进行上承层施工→石灰粉煤灰碎石→检验合格进行上承层施工→检验合格后进行路面面层施工一、3:7灰土基层施工(车行道及花岗岩路、停车位)1、3:7灰土施工工艺流程:施工准备→下承层检测→施工放样→现场铺设素土→打方格线铺设石灰→拌和机第一次拌和石灰土→石灰土粗平→拌和机二次拌和石灰土→石灰土整形、稳压→石灰土碾压→自检合格→监理检验→石灰土养生及交通管制(3:7灰土施工步骤见下图)2、施工机械宝马拌和机(WDB500)1台,平地机(PY160)1台,推土机(D85)2台,三轮压路机(18T)1台,振动压路机(18Z)1台,装载机(ZL50)1台。
3、准备下承层3.1对3:7灰土的下承层外形(包括路基的高程、中线偏位、宽度、横坡度和平整度)、路基的强度(碾压检查:用12~15T三轮压路机以低挡速度1.5~1.7km/h沿路基表面碾压3~4遍作全面检查,不得有松散、压实度过低或土过湿发生的弹簧现象;路基的沉降进行检查,应当表面平整、坚实,有规定的路拱,无任何松散的材料和软弱处,且沉降量应符合要求;3.2在下承层上恢复中线,直线段每20M设一桩,平曲线段每10~15m设一桩,并在两侧路肩边缘外设指示桩,横断面半幅设三个高程控制点,逐桩进行水平测量,算出各断面所需摊铺土的厚度,在所钉竹片桩上标出其相应高度;3.3根据实测高程、10%灰土工作面宽度、厚度及试验最大干密度等计算路段所需3:7灰土用量,根据配合比及实测含水量算出土、石灰的用量,根据运料车辆吨位计算每车料的堆放距离,并根据在相同施工条件下素土、石灰的含水量与松铺厚度的关系来控制现场铺筑厚度。
4、3:7灰土的摊铺用D85推土机将土堆推开后,用PY160平地机将土均匀地摊铺在预定的路基上,力求表面平整,并有规定的路拱。
然后用SD-175振动压路机静压一遍,使其表面平整。
再布设方格,计算出每个方格内石灰用量。
道路工程石灰土基层施工方法一、施工准备1、材料1.1土的选择1.1-1选择稍具粘性的土壤(塑性指数大于4)砂粘土、粉砂土、黏性土均可使用,以塑性指数10-15的的粉质黏土、黏土为宜;1.1-2土的有机含量宜小于10%。
1.2石灰、水的选择1.2-1石灰宜用1~3级的新灰,磨细生石灰可以不消解直接使用。
用块灰时应在使用前进行消解,自来水应尽量采用射水,使水均匀喷入灰堆内部,每插一处约停2-3min再换一位置进行插入,这样使灰内有足够的水量进行充分粉化,未消解的灰块粒径不得大于1cm。
生石灰的CaO+MgO含量不低于60%,熟石灰的CaO+MgO含量不低于50%,当石灰质量不能达到以上要求时,可提高规定的石灰用量以补充其活性。
1.2-2水的要求宜使用饮用水及不含油类等杂质的清洁性水,PH值宜为6-8。
2、机械设备2.1石灰土基层施工主要机械挖掘机、装载机、平地机、自卸车、小型压路机、震动压路机、洒水车等。
2.2小型机具及检测设备蛙夯或冲夯、铁锹、发电机、全站仪、水准仪、三米尺、环刀等。
二、施工方法为了节约成本、缩短工期,结合本工程施工段地质情况,本工程采用路拌法结合场拌法施工方法。
1、施工工艺(1)地下顶板路基(2)施工放样(3)备料、堆料(4)按比例拌合混合料(5)混合料含灰剂量检测(6)运输石灰土(7)铺摊石灰土(8)机械粗平(9)人工整平(10)机械碾压(11)细部夯实整平(12)石灰土基层养生1.1、地下顶板路基(现场)1.2、测量放出中桩,直线段每10m设一中桩和边桩,曲线段每5m设一中桩和边桩,施工前,测量人员须在路基上复设中线和边桩,直线段每10-15m 设一断面桩,曲线段每项5-10m 设一断面桩,标出高程的控制线。
1.3、备料1)、备石灰本工程主要采用消石灰粉,即熟石灰。
消石灰粉进场后宜选择适当的存灰点,以地势高,近水源,有电源,有交通通道,离居民点有一定距离且安全的地点为宜,以免雨期被泡,调运困难等。
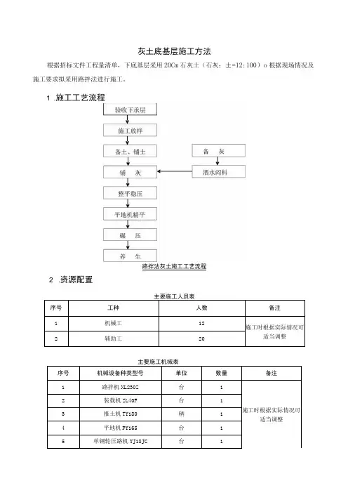
灰土底基层施工方法根据招标文件工程量清单,下底基层采用20Cm石灰土(石灰:±=12:100)o根据现场情况及施工要求拟采用路拌法进行施工。
1 .施工工艺流程2 .资源配置3 .施工方法3.1材料要求土、灰除满足规范要求外,施工中控制点为:①石灰应符合In级以上标准,石灰在使用前10天充分消解并过筛(IoMM筛孔);②消石灰存放时间宜控制在2个月以内;③一个作业段内采用土质相同的土(击实标准和灰剂量相同),以便对压实度进行准确控制。
3.2备土、铺土用于石灰土的土必须符合规范要求,不含树皮、草根等杂物。
备土前要用土培好路肩,路肩应同结构层等厚。
备土、铺土分两种方法:①用汽车直接堆方备土。
按照每平米的松土用量及每车的运土量,用石灰粉标出每车的卸土位置(划出方格),直接整齐地卸土于路槽上。
但须注意备土时纵向必须成行,每车的运土量要基本准确,同一作业段内土质基本均匀一致。
该方法有利于机械化施工,但备土数量不易准确控制。
铺土时,先用推土机大致推土,然后放样用平地机整平,清余补缺,保证厚度一致,表面平整。
②码条备土。
按照每延米的松土用量,分两条成梯形状均匀地码条于路槽上,用卡尺逐段验收备土数量。
备土时应在备土位置用石灰粉标出两条标线(码条的边沿位置),保证备土顺直,码条应均匀、数量准确。
铺土时可直接用平地机均匀地将土铺开,保证表面平整、厚度一致。
此备土法数量控制准确、摊土方便。
3.3备灰、铺灰①备灰前,用压路机对铺开的松土碾压1~2遍,保证备灰时不产生大的车辙,严禁重车在作业段内调头。
②备灰前应根据灰剂量、不同含水量情况下的石灰松方干容重及石灰土最大干容重计算每延米的石灰用量。
③根据计算出的每延米石灰的松方用量,分两条成梯形状均匀地码条备灰,并用卡尺逐段验收数量,不准用汽车直接大堆备灰。
④备灰前应事先在灰条位置标出两条灰线,以确保灰条顺直。
⑤铺灰前应在灰土的边沿打出标线,然后将石灰均匀地铺撒在标线范围内,铺灰应用人工撒铺。
定边县工业新区市政基础设施工程施工质量及工艺标准规定1.1.1路面工程施工前,严格对下承层进行检查,在符合规定标高和压实强度的路基上进行路面底基层、基层的施工。
施工前选择一段长度为100~200m 的路段进行各结构层的铺筑试验,以检验拟定的施工工艺流程和施工方法的合理性、施工组织及施工机械的适应性。
通过修筑试验段,优化拌和、运输、摊铺、碾压等施工机械设备的组合及各工序的衔接,明确各施工人员的岗位职责,提出混合料生产配合比,提出施工标准和方法。
一、 20cm厚石灰土底基层施工(石灰:土:砂砾=8:22:70【定莲路=10:20:70】)(一)、石灰土底基层的要求1、原材料的技术要求(1)、砂砾石中无粘土块、植物等有害物质。
(2)、土的塑性指数应控制在12~15。
塑性指数较大时应加强粉碎,最大粒径<15mm。
(3)、石灰的CaO+MgO含量≥70%,烧失量应小于10%,石灰采用钙质石灰,石灰等级应高于Ⅲ级并满足相关技术指标要求。
(4)、砂砾石中石料的压碎值不大于35%。
级配砾石的颗粒组成必须满足下表的规定。
灰土砂砾(骨架密实型)中集料级配组成2、原材料试验及混合料配合比设计⑴ 颗粒分析:级配颗粒组成范围是根据底基层强度高、干缩性小和抗冲刷能力强提出的。
所以在进行颗粒分析是,应始终坚持最佳密实效果,严格进行掺配;⑵ 液限和塑性指数:确定粘性土在底基层内起到最大的板结效果和抗车行荷载的能力;⑶ 击实试验:按照混合料组成设计步骤,分组进行掺配,经试验、分析数据、充分论证后,确定最佳混合料配合比。
在最佳含水量下充分击实,以达到最佳密实效果;⑷ 砾石的压碎值:确定满足技术标准要求的最小强度值,规范规定不大于35%;⑸ 应根据设计7天无側限抗压强度标准(0.7;0.8),通过试验选取最适宜混合料配比,确定必须的或最佳的石灰剂量和混合料的最佳含水量;⑹ 石灰稳定土各种试验应按照《公路工程无机结合料稳定材料试验规程》(JTGE51-2009)进行。
石灰处治土施工一、施工方案1、施工组织本标段路基石灰处治土共336560 M³,主要为原地面以上40cm 石灰土、清表后翻挖25cm石灰土、清淤回填与基坑回填石灰土、桥头锥坡、路基中部填筑、80cm路床填筑、软土沉降补偿、施工加宽等内容。
按灰剂量分:5%石灰处治土240081m³,6%石灰处治土38135 m³,7%石灰土58344m³。
施工计划分三大块,由路基工区三个作业队负责施工:土方一队:负责施工互通立交主线路基石灰处治土;土方二队:负责施工互通立交A、B匝道石灰处治土;土方三队:负责施工互通立交C、F匝道石灰处治土。
2、施工要求(1)路基边坡填土高度H<1.8m 时,清除耕植土后,根据路基设计高度确定下挖深度≥1.96m,确保压实度的过渡,原地面碾压后其压实度要大于85%。
当原地面潮湿时,将原地面翻松25cm,掺5%石灰处理并碾压,其密实度≥87%。
当基底处于上路堤X围时,基底的压实度不小于上路堤的压实度标准。
其上填筑两层各20cm5%石灰处治土,其压实度分别为90%、93%。
路床部分80cm采用40cm6%石灰处治土+40cm7%石灰处治土。
(2)路基填土高度1.8≤H<2m时,清除15cm耕植土后,进行原地面碾压,其压实度≥85%,当原地面潮湿时,翻压20cm掺5%石灰处理并碾压,其密实度≥87%,经过处治,碾压后的地面以上的路床以下全部采用5%石灰处治土填筑以阻断毛细水上升并便于路基施工。
当H>2m时,原地面以上40cm顶即路基中部填料采用就近取土,若采用非膨胀土作细料,以其中部总体积的50%掺5%石灰控制;若采用弱膨胀土作细料,则路基中部全部掺5%石灰处理。
(3)土质路堑段为保证路高的使用效果,路床部分(0~80cm)采用掺灰处理,其压实度≥95%,同时为了保证路床部分路基的压实度,在其下设置40cm的过渡取(两层各20cm压实度分别为90%、93%)。
石灰土施工工艺及方法1.工艺流程及框图(1)施工工艺流程:下承层验收合格-→施工放样-→石灰集中备料、消解-→洒水闷料-→石灰土集中拌合-→石灰土运输-→石灰土卸置、摊铺-→粗平整形-→稳压-→精平整形-→碾压成型-→洒水养生。
施工工艺框图详见图所示。
下承层通过验收监理检测宽度、高程等参数施工放样石灰土卸置、摊铺稳压检测石灰钙、镁等含量合格石灰集中备料、消解洒水闷料自检抽检含水量、灰剂量等石灰土集中拌合消石灰过筛石灰土运输必要时洒水、补充水分粗平整形不合精平整形厂拌法灰土路基施工工艺框图2.主要施工方法(1)准备灰土施工前,施工人员应根据设计文件提供的资料,对取土场的填料进行复查和试验。
路基必须经过检验,并且报验合格。
(2)施工测量放样①.本项目石灰土设计有18cm、20cm厚,施工前,项目部测量队对施工现场和设计院提供的控制点进行复核测量,利用全站仪和水准仪完成平面控制点和水准高程测量,布设加密点并导出水准点高程,以供施工测量放线。
②.路面基底施工放样时,先对路基进行复测,检测标准必须满足设计及规范要求。
上土前恢复中线及边桩,边桩位置比设计路基宽度加宽0.5m,保证碾压质量。
其次是进行水准测量,按一定距离在中桩、两侧边桩上用红油漆标出石灰土虚铺高度。
③.对测量数据进行记录、整理,由测量员及主管技术人员签字后,送交监理工程师核查。
(3)集中备料、闷料根据设计图纸要求,石灰土采用集中厂拌法进行施工。
要求试验室对进场石灰进行检测,石灰达到Ⅲ级以上标准方可投入使用。
石灰集中拌合站设在宽敞且临近水源处,按每吨石灰消解需要用水量500~800kg进行加水(采用饮用水,不得使用污水)消解、焖料,使用前7--10天内充分消解,消解后的石灰应保持一定的湿度,不得产生扬尘,也不可过湿手握成团,消解后的熟石灰过10mm筛后应尽快使用,并测定其等级、含水量,通过试验计算其堆积密度。
将消解后的石灰(若存放时尽量缩短存放时间)堆放成高堆并用篷布和土覆盖,防止石灰出现水化现象,影响石灰改良的强度,并应注意排水。
石灰稳定土基层石灰稳定土基层1.路拌法施工石灰稳定土基层施工工序流程如图所示 预定时 间调料石灰稳定土基层施工流程1)准备工作(1)准备下承层当石灰稳定土用作基层时,要准备底基层;当石灰稳定土用作底基层时,要准备土基。
无论土基还是底基层,都必须按规范规定进行验收。
凡验收不合格的路段,必须采取措施,使其达到标准后,方能在上铺筑石灰稳定土层。
在槽式断面的路段,两侧路肩上每隔一定距离(如5~10m )应交错开挖泄水沟(或做盲沟)。
(2)测量在底基层或土基上恢复中线,直线段每15~20m 设一桩,平曲线段每10~15m 设一桩,并在对应断面的路肩外侧设指示桩。
在两侧指示桩上用红漆标出石灰稳定土层边缘的设计高。
(3)备料①集料。
采备集料前,应先将树木、草皮和杂土清除干净,并在预定采料深度范围内自上而下采集集料,不宜分层采集,不应将不合格材料采集在一起。
如分层采集集料,则应将集料先分层堆放在一场地上,然后从前到后(上下层一起装入汽车),将料运到施工现场。
料中的超尺寸颗粒应予筛除。
对于塑性指数小于15的粘性土,机械拌和时,可视土质和机械性能确定土是否需要过筛。
人工拌和时,应筛除1.5cm 以上的土块。
②石灰。
石灰宜选在公路两侧宽敞而邻近水源且地势较高的场地集中堆放。
预计堆放时间较长时,应用土或其它材料覆盖封存,石灰堆放在集中拌和场地施 工 放 准 备 下 承层 碎 或 送 铺料洒 水 预 放摊石充水拌整碾 压 缝调处处养 生混合料松铺系数参考值材料名称松铺系数说明石灰土 1.53~1.58 现场人工摊铺土和石灰,机械拌和,人工整平石灰土 1.68~1.70 路外集中拌和,运到现场人工摊铺石灰土、砂砾 1.52~1.56 路外集中拌和,运到现场人工摊铺(3)摊铺石灰摊铺石灰时,如粘性土过干,应事先洒水闷料,使土的含水量略小于最佳值。
细粒土宜闷料一夜;中粒土和粗粒土,视细土含量的多少,可闷1~2h。
在人工摊铺的集料层上,用6~8t两轮压路机碾压1~2遍,使其表面平整,并有一定密实度。
三、公路路面工程(一)路面底基层(垫层)1.石灰土底基层(1)路拌法石灰土底基层施工工艺流程路拌法石灰土底基层施工工艺流程图施工方法:采用人工摊铺石灰,平地机摊铺整形,路拌机拌和,洒水车洒水养生,振动与静压压路机碾压成型。
(2).厂拌法石灰土底基层施工工艺流程路拌法石灰土底基层施工工艺流程图①.拌和工艺流程②.摊铺碾压工艺流程施工方法:2.二灰土(石灰、粉煤灰、土)底基层(1)路拌法二灰土(石灰、粉煤灰、土)底基层施工工艺流程路拌法二灰土(石灰、粉煤灰、土)底基层施工工艺流程图施工方法:主要采用层铺法(每种材料摊铺均匀后,轻压1~2遍)或者采用先预拌二灰的方法,路(2).厂拌法二灰土(石灰、粉煤灰、土)底基层施工工艺流程厂拌法二灰土(石灰、粉煤灰、土)底基层施工工艺流程图①.拌和工艺流程②.摊铺碾压工艺流程施工方法:厂拌设备集中拌和,摊铺机摊铺,人工辅助整形,轻重型压路机配套碾压,边角以打夯机夯实。
3.级配碎石(砂砾)垫层(找平层)(1)路拌法级配碎石(砂砾)垫层(找平层)施工工艺流程路拌法级配碎石(砂砾)垫层(找平层)施工工艺流程图采用不同粒级的碎石和石屑时,用层铺法施工,路拌机拌和,人工配合平地机整型,轻重配套的压路机碾压。
(2).厂拌法级配碎石(砂砾)垫层施工工艺流程厂拌法级配碎石(砂砾)垫层施工工艺流程图①.拌和工艺流程②.摊铺碾压工艺流程施工方法:厂拌设备集中拌和,摊铺机摊铺,轻重型压路机配套碾压,边角以打夯机夯实。
(二)路面基层1.二灰(石灰、粉煤灰)、碎石基层施工工艺流程二灰(石灰、粉煤灰)、碎石基层施工工艺流程图①.拌和工艺流程②.摊铺碾压工艺流程施工方法:采用厂拌拌和,摊铺机摊铺,人工辅助整形,轻重型压路机配套碾压。
2.三灰(水泥、石灰、粉煤灰)、碎石基层施工工艺流程三灰(水泥、石灰、粉煤灰)、碎石基层施工工艺流程图①.拌和工艺流程②.摊铺碾压工艺流程施工方法:采用厂拌拌和,摊铺机摊铺,人工辅助整形,轻重型压路机配套碾压。
石灰稳定土施工工艺1.路拌法施工1)准备工作(1)准备下承层当石灰稳定土用作基层时,要准备底基层;当石灰稳定土用作底基层时,要准备土基。
无论土基还是底基层,都必须按规范规定进行验收。
凡验收不合格的路段,必须采取措施,使其达到标准后,方能在上铺筑石灰稳定土层。
在槽式断面的路段,两侧路肩上每隔一定距离(如5~10m)应交错开挖泄水沟(或做盲沟)。
(2)测量在底基层或土基上恢复中线,直线段每15~20m设一桩,平曲线段每10~15m 设一桩,并在对应断面的路肩外侧设指示桩。
在两侧指示桩上用红漆标出石灰稳定土层边缘的设计高。
(3)备料①集料。
采备集料前,应先将树木、草皮和杂土清除干净,并在预定采料深度范围内自上而下采集集料,不宜分层采集,不应将不合格材料采集在一起。
如分层采集集料,则应将集料先分层堆放在一场地上,然后从前到后(上下层一起装入汽车),将料运到施工现场。
料中的超尺寸颗粒应予筛除。
对于塑性指数小于15的粘性土,机械拌和时,可视土质和机械性能确定土是否需要过筛。
人工拌和时,应筛除1.5cm以上的土块。
②石灰。
石灰宜选在公路两侧宽敞而邻近水源且地势较高的场地集中堆放。
预计堆放时间较长时,应用土或其它材料覆盖封存,石灰堆放在集中拌和场地时,宜搭设防雨棚。
石灰应在使用前7~10d充分消解。
每吨石灰消解需用水量一般为500~800kg。
消解后的石灰应保持一定的湿度,以免过干飞扬,但也不能过湿成团。
消石灰宜过孔径10mm的筛,并尽快使用。
③材料用量。
根据各段石灰稳定土层的宽度、厚度及预定的压实度(换算为压实密度),计算各路段需要的干集料质量。
根据料场集料的含水量和运料车辆的吨位,计算每车料的堆放距离。
根据石灰稳定土层的厚度和预定的干容量及石灰剂量,计算每平方米石灰稳定土需用的石灰质量,并计算每车石灰的摊铺面积,如使用袋装生石灰粉,则计算每袋石灰的摊铺面积。
计算每车石灰的卸放位置,即纵向和横向间距,或计算每袋石灰的纵横间距。
石灰稳定土基层施工(完整常用版)(可以直接使用,可编辑优秀版资料,欢迎下载)石灰稳定土基层施工1、基层施工工艺流程图:2、施工要求1)稳定土(1)适宜石灰稳定的土可以为细粒土、中粒土和粗粒土,以及级配碎石、未筛分碎石、砂砾、碎石土、砂砾土、煤矸石和各种粒状矿渣等集料,用于石灰稳定时,颗粒的最大粒径不大于37。
5mm. (2)塑性指数为15~20的粘性土以及含有一定数量粘性土的中粒土和粗粒土,不含粘性土或无塑性指数的级配砂砾、级配碎石和未筛碎石,应掺加15%左右粘性土,土粒的最大尺寸应不大于15mm。
(3)石灰稳定土中碎石或砾石的压碎值应不大于40%.(4)硫酸盐含量超过0.8%的土和有机质含量超过10%的土,不宜用石灰稳定土。
2)水采用当地地下水.3)石灰稳定土应符合《公路路面施工技术规范》(JTJ034—2000) 第3章有关规定.4)石灰稳定土施工的压实厚度,每层不小于100mm,也不超过200mm。
并应采用取先轻型后重型压路机碾压。
5)现场拌和前应将下层表面杂物清除干净。
所备土应将超尺寸颗粒筛除,经摊铺、洒水闷料后整平,用6~8t两轮压路机碾压1-2遍,使其表面平整。
此后将石灰均匀地摊铺在整平的表面上,即可采用稳定土拌和机拌和。
拌和过程中应及时检查含水量,使其等于或略大于最佳值,同时使土和石灰充分拌和均匀,不得留有“素土”夹层. 3、施工方法(1)测量石灰稳定土设计标高及位置。
路槽验收合格后,在路基层定中线,在两侧路肩边缘外设指示桩。
在指示桩上标出石灰稳定土设计标高。
(2)石灰消解人工将生石灰土沿小堆摊铺在符合设计要求松散的土层上,散水进行石灰消解。
(3)石灰稳定土摊铺拌合:石灰稳定土施工在路槽验收合格后进行石灰稳定土基层采用摊铺采用拌和机拌合、配合人工。
作业时,根据摊铺厚度、面积和要达到的压实度均匀卸料,由路中间向两侧摊铺,用推土机松铺后用平地机找平,人工配合平地机及时消除集料窝,补充细料并拌合均匀,摊好后用平地机进行初步整平、整型,直线段由两侧向中央,平曲线段则由内侧向外侧进行,先用轻型碾快速碾压一遍,对局部低洼处找补平整,再用平地机整型一遍,每次找平都严格控制纵坡、横坡.处理好接缝,保证接缝平顺,高程采用中线和路边指示桩拉小线方法控制。
路拌法石灰土施工(公路工程)石灰土路拌施工时,应设置试验段,通过试验段来确定施工控制参数,如压路机功率、碾压遍数、碾压厚度等。
影响石灰改良土路堤压实的主要参数包括:前期准备、灰土含水率、石灰的撒布和翻拌、碾压层厚度、碾压机械性能参数及碾压遍数、滞压时间等。
(1)前期准备①填料准备:在填土前7日将石灰运到工地,如发现消解未完全时,则用挖机挖开再消解一定保证石灰全部消解完毕后才能使用,同时为保证石灰的质量须对石灰进行过筛将杂质清除。
消石灰消解时间不超过7天,消解后存放时间不超过30天。
②下承层准备:改良土的下承层要求表面平整、坚实,标高、路拱、压实度、指标符合规范要求,否则应处理至符合要求,并在上土前将表面洒水润湿。
(2)填料含水量控制施工中改良土最佳压实含水率控制在Wopt+2.0%(±0.5%)。
在开始碾压前于现场取样进行一次含水率检测,若过湿则晾晒,若过干则洒水。
(3)石灰的撒布和翻拌①在施工过程中,石灰的掺量和翻拌的质量直接决定着改良土路基的压实质量和强度,因此要选用撒布机时要求其精密且能自动控制石灰撒布量,选用路拌机时要求其翻拌深度充足、拌合效果良好。
根据临渭项目中通过试验段的铺筑,取得较好效果的经验,推荐采用撒布机均匀撒布石灰后采用稳定土路拌机翻拌法配合压路机压实的路基施工方法。
②具体撒布量依照现场松铺厚度和掺灰设计值进行计算。
③第一遍不宜翻拌到底,应留2~3cm,以防止石灰下沉集中在底部翻拌不上来,形成灰夹层。
拌合过程中应按工艺试验的配合比配料拌和均匀,色泽一致,没有灰条、灰团和花面,拌和物中不得含有土块、生石灰块。
④第二~三遍拌和:第二遍翻拌时,一定要翻拌到底,并对下层略有破坏,宜1cm左右。
这样既能消除夹层素土,又能使上下两层结合更好。
翻拌过程中,应跟人随拌和机随时检查翻拌深度是否满足要求。
⑤翻拌两遍后,应检查含水量,如果含水量满足要求,混合料色泽均匀一致,没有灰条、灰团和花面,没有粗细颗粒“窝或带”就算拌和合格,否则应以旋耕犁或铧犁配合作业,或者补灰、或者补水后再用拌和机翻拌至满足要求为止。
水泥石灰稳定土(路拌法)路面底基层施工工法常州先达路桥工程有限责任公司谭俊1 前言水泥石灰稳定土底基层作为路面底基层结构形式,该施工工法适用于淤泥、淤泥质土、粉质粘土、粘土、粉土丰富而又缺少合格土源的南、北方沿海鱼塘低洼地区填方路基路面结构底基层的施工。
该工法因地制宜,就地取材,充分利用土地资源,很好的保护生态,经济效益和社会效益显著。
相比而言具有:整体性强、承载力高、刚度大、水稳性好,而且较为经济。
在施工中总结经验和不断完善的基础上,形成了本工法,具有广阔的应用前景。
2 工法特点2.1 适用范围广。
路拌法施工水泥石灰稳定土底基层技术适用于淤泥、淤泥质土、粉质粘土、粘土、粉土丰富等软土地基。
2.2 整体性强、承载力高、刚度大、水稳性好,而且较为经济。
2.3 充分利用软土。
路拌法施工水泥石灰稳定土底基层充分的利用软土,就地取材,可以采用结合农田水利开挖疏浚河道、鱼塘、沟渠拓宽、移平废弃土堆等挖出的淤泥质土或者粘土,避免了大量挖掘和弃土,浪费土地资源。
2.4 路拌法施工水泥石灰稳定土底基层施工机械简单,全部采用常规设备,易于操作。
2.5 采用工地试验室常规仪器检测,简单方便,数据及时准确可靠。
2.6 施工工艺简单适用,质量容易控制。
3 适用范围本工法适用于淤泥、淤泥质土、粉质粘土、粘土、粉土丰富而又缺少合格土源的南方、北方沿海鱼塘低洼地区填方路基路面结构底基层的施工。
4 工艺原理充分利用石灰、水泥和淤泥、淤泥质土、粉质粘土、粘土、粉土分层摊铺,采用稳定土拌合机将混合料拌合均匀,平地机摊铺,压路机碾压形成路面底基层,土工布、麻袋、草袋或者一次性塑料膜等覆盖洒水车洒水养生,达到路面结构底基层整体性强、承载力高、刚度大、水稳性好。
5 施工工艺流程及操作要点5.1 施工工艺流程施工工艺流程图见图15.2 施工方法及主要工序操作要点5.2.1 施工准备5.2.1.1准备下承层(1)下承层检测交接对水泥石灰土的下承层路基的外形(包括路基的高程、中线偏位、宽度、横坡度和平整度)、路基的强度(碾压检查:用18~21T三轮压路机以低挡速度1.5~1.7km/h沿路基表面碾压2~3遍作全面检查,不得有松散、压实度过低或土过湿发生的弹簧现象;弯沉检查:用BZZ-100标准车以规定频率检查路基表面回弹弯沉,按测试季节算出保证率97.7%下的代表弯沉值,不大于设计算得的允许值、路基的沉降(路基96区施工完成后,沉降速率应连续两个月小于5㎜/月)进行检查,应当表面平整、坚实,有规定的路拱,无任何松散的材料和软弱处,且沉降量应符合要求。
水泥石灰稳定土(路拌法)路面底基层施工工法常州先达路桥工程有限责任公司谭俊1 前言水泥石灰稳定土底基层作为路面底基层结构形式,该施工工法适用于淤泥、淤泥质土、粉质粘土、粘土、粉土丰富而又缺少合格土源的南、北方沿海鱼塘低洼地区填方路基路面结构底基层的施工。
该工法因地制宜,就地取材,充分利用土地资源,很好的保护生态,经济效益和社会效益显著。
相比而言具有:整体性强、承载力高、刚度大、水稳性好,而且较为经济。
在施工中总结经验和不断完善的基础上,形成了本工法,具有广阔的应用前景。
2 工法特点2.1 适用范围广。
路拌法施工水泥石灰稳定土底基层技术适用于淤泥、淤泥质土、粉质粘土、粘土、粉土丰富等软土地基。
2.2 整体性强、承载力高、刚度大、水稳性好,而且较为经济。
2.3 充分利用软土。
路拌法施工水泥石灰稳定土底基层充分的利用软土,就地取材,可以采用结合农田水利开挖疏浚河道、鱼塘、沟渠拓宽、移平废弃土堆等挖出的淤泥质土或者粘土,避免了大量挖掘和弃土,浪费土地资源。
2.4 路拌法施工水泥石灰稳定土底基层施工机械简单,全部采用常规设备,易于操作。
2.5 采用工地试验室常规仪器检测,简单方便,数据及时准确可靠。
2.6 施工工艺简单适用,质量容易控制。
3 适用范围本工法适用于淤泥、淤泥质土、粉质粘土、粘土、粉土丰富而又缺少合格土源的南方、北方沿海鱼塘低洼地区填方路基路面结构底基层的施工。
4 工艺原理充分利用石灰、水泥和淤泥、淤泥质土、粉质粘土、粘土、粉土分层摊铺,采用稳定土拌合机将混合料拌合均匀,平地机摊铺,压路机碾压形成路面底基层,土工布、麻袋、草袋或者一次性塑料膜等覆盖洒水车洒水养生,达到路面结构底基层整体性强、承载力高、刚度大、水稳性好。
5 施工工艺流程及操作要点5.1 施工工艺流程施工工艺流程图见图15.2 施工方法及主要工序操作要点5.2.1 施工准备5.2.1.1 准备下承层(1)下承层检测交接对水泥石灰土的下承层路基的外形(包括路基的高程、中线偏位、宽度、横坡度和平整度)、路基的强度(碾压检查:用18~21T三轮压路机以低挡速度1.5 ~1.7km/h沿路基表面碾压2~3遍作全面检查,不得有松散、压实度过低或土过湿发生的弹簧现象;弯沉检查:用BZZ-100标准车以规定频率检查路基表面回弹弯沉,按测试季节算出保证率97.7%下的代表弯沉值, 不大于设计算得的允许值、路基的沉降(路基96区施工完成后,沉降速率应连续两个月小于5㎜/ 月)进行检查,应当表面平整、坚实,有规定的路拱,无任何松散的材料和软弱处,且沉降量应符合要求。