移位寄存器 实验报告
- 格式:doc
- 大小:345.00 KB
- 文档页数:3
移位寄存器实验报告实验题目:移位寄存器一、实验目的了解移位寄存器的原理,掌握移位寄存器的应用。
二、实验原理移位寄存器是一种存储器件,用于将二进制数据以位为单位进行移位操作。
移位寄存器由若干个D触发器组成,每个D触发器的输出接入下一个D触发器的输入,以此类推,形成了一个环形移位结构。
移位寄存器有三种基本工作模式:串行输入并行输出(SIPO),并行输入串行输出(PISO)和并行输入并行输出(PIPO)。
在SIPO模式下,输入数据串行输入到移位寄存器的最高位,然后逐个向低位移位,最终输出到最低位。
在PISO模式下,输入数据并行输入到移位寄存器的每个位,然后逐个向高位移位,最终输出到最高位。
在PIPO模式下,输入数据并行输入到移位寄存器的每个位,然后逐个向低位移位,最终输出到每个输出端口。
移位寄存器的应用很广泛,其中最常见的是时序信号的处理。
移位寄存器可以用于数字频率合成、序列生成、编码器和解码器等方面。
三、实验设备1. 计算机2. Xilinx ISE14.6软件3. BASYS2开发板4. USB下载器四、实验步骤1. 设计移位寄存器的电路原理图并进行仿真。
2. 在Xilinx ISE14.6软件中创建工程并添加源、约束和测试文件。
3. 将电路原理图转换成Verilog HDL代码。
4. 将Verilog HDL代码综合为综合网表,并进行时序分析。
5. 将综合网表映射到BASYS2开发板上并进行状态机调试。
6. 使用USB下载器将设计好的逻辑文件下载到FPGA上。
7. 连接开发板的输入输出端口,验证移位寄存器的正确性,并观察输出端口结果。
五、实验结果与分析通过移位寄存器的实验,我们学会了如何使用Verilog HDL设计并实现移位寄存器,并对移位寄存器进行了详细的仿真、综合、映射和下载调试。
在实验过程中,我们还学会了串行输入并行输出(SIPO),并行输入串行输出(PISO)和并行输入并行输出(PIPO)三种基本工作模式,掌握了移位寄存器在数字频率合成、序列生成、编码器和解码器等领域中的使用方法。
移位寄存器及其应用实验报告1. 背景在数字电路中,移位寄存器是一种常见的基本电路元件。
它可以将输入数据按照一定规则进行移位操作,并输出处理后的数据。
移位寄存器通常由触发器构成,分为串行移位寄存器和并行移位寄存器。
在实际应用中,移位寄存器常用于数据存储、数据传输、脉冲发生器等方面。
本实验旨在通过设计移位寄存器电路及其应用电路的实验,加深对移位寄存器工作原理的理解,掌握其应用。
2. 实验目的1.了解移位寄存器的基本原理;2.学会设计移位寄存器电路及其应用电路;3.掌握移位寄存器的应用方法。
3. 实验原理与方法3.1 移位寄存器原理移位寄存器将输入数据按照一定规则进行移位操作,并输出处理后的数据。
常见的移位规则包括:左移、右移、循环左移、循环右移等。
移位寄存器通常由触发器构成,触发器的状态决定了寄存器中存储的数据。
本实验主要探究两种常用的移位寄存器:串行移位寄存器和并行移位寄存器。
3.1.1 串行移位寄存器串行移位寄存器中,数据是按照位的顺序逐个进行移位的。
串行移位寄存器可以通过级联多个D触发器实现,每个D触发器的输出与下一个D触发器的输入相连。
3.1.2 并行移位寄存器并行移位寄存器中,数据的位同时进行移位。
并行移位寄存器可以通过级联多个D 触发器实现,每个D触发器的输入都与移位数据的对应位相连。
3.2 实验所用材料与方法3.2.1 材料•移位寄存器芯片•发光二极管(LED)•电路连接线3.2.2 方法1.实验预备:准备实验所需的移位寄存器芯片、LED和电路连接线。
2.按照移位寄存器原理,设计移位寄存器电路并进行布线连接。
3.使用示波器检查电路的正确性。
4.进行实验验证,观察移位寄存器的运行情况,并记录实验结果。
4. 实验结果与分析本实验设计了一个4位串行移位寄存器电路,并进行了验证实验。
首先,按照原理部分的描述,我们选择了一个基于D触发器的4位串行移位寄存器芯片。
通过连接四个D触发器,将其串联起来,即可构成一个4位的串行移位寄存器。
一、实验目的本次实验的主要目的是通过搭建移位寄存器实验电路,验证移位寄存器的逻辑功能,并了解其在数字系统中的应用。
实验内容包括:移位寄存器的基本原理、实验电路搭建、实验现象观察和结果分析。
二、实验原理移位寄存器是一种具有移位功能的寄存器,它可以实现数据的串行输入和串行输出。
在时钟脉冲的作用下,移位寄存器中的数据可以依次左移或右移。
根据移位寄存器存取信息的方式不同,可分为串入串出、串入并出、并入串出、并入并出四种形式。
本实验选用的是4位双向通用移位寄存器,型号为74LS194或CC40194。
74LS194具有5种不同操作模式:即并行送数寄存、右移、左移、保持及清零。
其逻辑符号及引脚排列如图1所示。
图1 74LS194的逻辑符号及其引脚排列三、实验电路搭建1. 电路元件准备:74LS194芯片、电阻、电容、二极管、连接线等。
2. 电路搭建:按照图1所示,将74LS194芯片的引脚与电阻、电容、二极管等元件连接,形成移位寄存器实验电路。
3. 电源连接:将电源正负极分别连接到电路板上的VCC和GND端。
四、实验现象观察1. 实验现象一:串行输入,并行输出。
(1)将74LS194的SR端接地,SL端接高电平,S1、S0端接高电平,CR端接地。
(2)使用串行输入端输入数据,观察并行输出端的数据变化。
(3)实验现象:当输入串行数据时,并行输出端依次输出对应的数据。
2. 实验现象二:并行输入,串行输出。
(1)将74LS194的SR端接地,SL端接高电平,S1、S0端接低电平,CR端接地。
(2)使用并行输入端输入数据,观察串行输出端的数据变化。
(3)实验现象:当输入并行数据时,串行输出端依次输出对应的数据。
3. 实验现象三:左移、右移操作。
(1)将74LS194的SR端接地,SL端接高电平,S1、S0端分别接高电平和低电平,CR端接地。
(2)观察移位寄存器中的数据在时钟脉冲的作用下左移或右移。
(3)实验现象:在时钟脉冲的作用下,移位寄存器中的数据依次左移或右移。
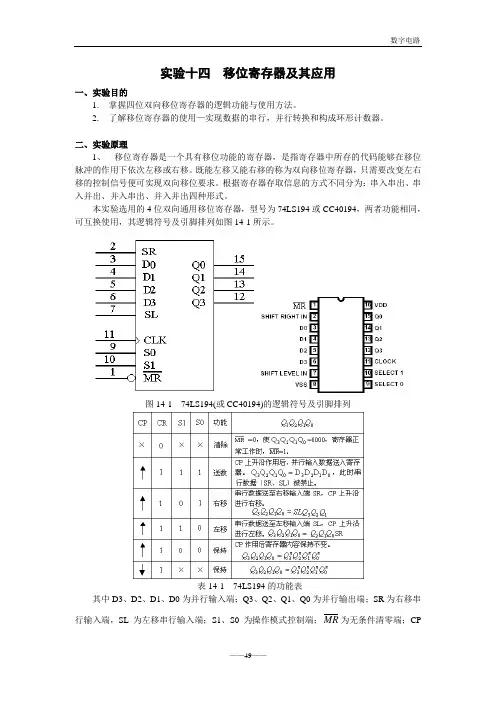
实验十四移位寄存器及其应用一、实验目的1.掌握四位双向移位寄存器的逻辑功能与使用方法。
2.了解移位寄存器的使用—实现数据的串行,并行转换和构成环形计数器。
二、实验原理1、移位寄存器是一个具有移位功能的寄存器,是指寄存器中所存的代码能够在移位脉冲的作用下依次左移或右移。
既能左移又能右移的称为双向移位寄存器,只需要改变左右移的控制信号便可实现双向移位要求。
根据寄存器存取信息的方式不同分为:串入串出、串入并出、并入串出、并入并出四种形式。
本实验选用的4位双向通用移位寄存器,型号为74LS194或CC40194,两者功能相同,可互换使用,其逻辑符号及引脚排列如图14-1所示。
图14-1 74LS194(或CC40194)的逻辑符号及引脚排列表14-1 74LS194的功能表其中D3、D2、D1、D0为并行输入端;Q3、Q2、Q1、Q0为并行输出端;SR为右移串行输入端,SL为左移串行输入端;S1、S0为操作模式控制端;MR为无条件清零端;CP为时钟脉冲输入端。
74LS194有5种不同的操作模式:即并行送数寄存,右移(方向由Q3->Q0),左移(方向由Q0->Q3),保持及清“0”。
S1、S0和端的控制作用如表14-1所示。
2、移位寄存器应用很广,可构成移位寄存器型计数器、顺序脉冲发生器和串行累加器;可用作数据转换,即把串行数据转换为并行数据,或把并行数据转换为串行数据等。
(1)环形计数器把移位寄存器的输出反馈到它的串行输入端,就可以进行循环移位,如下图所示。
图14-2 环形计数器示意图将输出端Q3与输入端SR相连后,在时钟脉冲的作用下Q0Q1Q2Q3将依次右移。
同理,将输出端Q0与输入端SL相连后,在时钟脉冲的作用下Q0Q1Q2Q3将依次左移。
(2)实现数据串、并转换○1串行/并行转换器串行/并行转换是指串行输入的数据,经过转换电路之后变成并行输出。
下面是用两片74LS194构成的七位串行/并行转换电路。
一、实训目的1. 理解同步移位寄存器的概念和原理。
2. 掌握74LS194移位寄存器的逻辑功能和使用方法。
3. 熟悉移位寄存器在实际电路中的应用。
4. 提高动手实践能力和电路设计能力。
二、实训原理同步移位寄存器是一种具有同步时序的数字电路,它可以将输入的数据以串行或并行的形式存储在寄存器中,并在时钟脉冲的作用下实现数据的移位。
同步移位寄存器具有以下特点:1. 同步时序:所有触发器在同一个时钟脉冲的作用下同时动作。
2. 移位方向:数据可以左移或右移。
3. 数据输入/输出方式:串行输入/串行输出、串行输入/并行输出、并行输入/串行输出、并行输入/并行输出。
74LS194是一种典型的4位双向移位寄存器,它具有以下功能:1. 右移:串行数据从SA输入,同时向右移位。
2. 左移:串行数据从SD输入,同时向左移位。
3. 并行输入:并行数据从d、c、b、a输入。
4. 保持:输出不变。
三、实训器材1. 74LS194移位寄存器芯片1片2. 74LS00门电路芯片1片3. 74LS20反相器芯片1片4. 74LS273锁存器芯片1片5. 电阻、电容、二极管、LED灯等元器件6. 逻辑电平转换器7. 信号发生器8. 示波器9. 数字万用表10. 实验板、连接线等四、实训内容1. 74LS194移位寄存器功能测试(1)测试目的:验证74LS194移位寄存器的逻辑功能。
(2)测试步骤:1. 将74LS194的输入端SD、SA、d、c、b、a连接到逻辑电平转换器,输出端Q0、Q1、Q2、Q3连接到LED灯。
2. 使用信号发生器产生时钟脉冲,连接到74LS194的时钟端CP。
3. 分别测试74LS194的右移、左移、并行输入和保持功能。
4. 观察LED灯的显示情况,验证74LS194的逻辑功能。
2. 74LS194移位寄存器应用电路设计(1)设计目的:设计一个基于74LS194的4位二进制计数器。
(2)设计步骤:1. 分析计数器的要求,确定计数器的位数和计数范围。
实验报告实验六移位寄存器功能测试及设计2.6.1实验目的(1)掌握移位寄存器的工作原理与逻辑功能。
(2)掌握集成移位寄存器74LS74的逻辑功能及应用。
2.6.2实验仪器设备与主要器件实验箱一个;双踪示波器一台;稳压电源一台;函数发生器一台。
74LS74两块;74LS194两块;74LS283两块。
2.6.3实验原理1.双向移位寄存器双向移位寄存器是指在控制信号作用下,既能左移又能右移的多功能移位寄存器。
此外它还有并行输入置数、保持和异步清零等功能。
74LS194是一个典型的4位双向移位寄存器,其中,Rd为异步清零输入端,S1、S0为工作方式选择端。
D0、D1、D2、D3是数据输入端,Q0、Q1、Q2、Q3为并行数据输出端,D1L、D1R分别为左移、右移数据输出端,CP上升沿触发。
2.双向移位寄存器74LS194的应用(1)形成计数器电路,其中D1R=Q3。
0000——1000——1100——1110——1111——0111——0011——0001——0000(2)组成模12计数器电路。
000000——100000——110000——111000——111110——111111——011111——001111——000111——000011——000001——000000。
(3)形成并串转换电路。
2.6.4实验内容(2)如简图2-6-6所示,两个二进制数A(a0a1a2a3)、B(b0b1b2b3)分别存入74LS194(A)、74LS194(B),然后对它们按位相加,其和放入74LS1949(A)的移位输入中。
试才用全加器74LS283和D触发器74LS74组成能实现上述功能的电路,在74LS194(A)输出端Q0、Q1、Q2、Q3用发光二极管指示。
完善图2-6-6并依此图线调试电路,以表格的形式记录四个脉冲后的结果。
cp S0S1 B A Q0 1 0 0010 0011 00111 1 0 1001 1001 10012 1 0 1100 0100 01003 1 0 1110 1010 10104 1 0 1111 0101 0101(3)按单向移位寄存器的电路图2-6-1接线,实现串入-并出,并入-串出两种工作方式的输出序列。
实验六 移位寄存器及其应用一、实验目的1、 掌握移位寄存器功能的测试方法2、 掌握4位双向移位寄存器的逻辑功能 二、实验仪器及设备1、 EEL-II 型电工电子实验台2、 集成器件74LS194 三、实验内容1、 在数字实验箱中插入74LS194,按图6.1接线V CC S 1S 0D SR A D SL B C D GNDQ A Q B Q C Q DCRCP逻辑电平显示器数 据 开 关+5v复位按钮SB单次脉冲74LS194图6.1 74LS194管脚排列图和逻辑功能测试图2、 接线完毕,检查无误后,进行基本功能测试 复位:CR =0,电路复位,Q A Q B Q C Q D =0000 保持:CR 非=1,S 1=S 0=0,Q A ~Q D 状态不变使CR =1,S 1、S 0(工作状态控制端)任意,CP=0或CP=1,则Q A ~Q D 状态也不变表6.1 74LS194双向4位移位寄存器功能表并行置数:置CR=1,S1=S0=10,数据输入端DCBA置为0101,输入单次脉冲,则Q D Q C Q B Q A=0101,如果改变DCBA数据,再按单次脉冲,新数据将置入。
右移位:置CR=1,S1=0,S0=1,D SR=1,D SL=*,输入单次脉冲,则Q A=1,Q B=Q An,Q C=Q Bn,Q D=Q Cn左移位:置CR=1,S1=1,S0=0,D SR=*,D SL=1,输入单次脉冲,则Q D=1,Q C=Q Dn,Q B=Q Cn,Q A=Q Bn3、循环右移应用如将上图中的D SR端接到Q D端,并将寄存器Q D~Q A置为1000,且满足右移条件,在寄存器会右移一个“1”,每4个时钟脉冲完成一次循环。
4、用74LS194组成8位移位寄存器原理如图6.2所示。
逻辑状态显示器图6.2 用74LS194组成8位移位寄存器原理图四、实验报告整理各项测试结果。
实验报告
一、实验名称:移存器功能测试
二、实验内容:
1、利用两块74HC(LS)74(四个触发器)构成一个单向的
移位寄存器
由于在MULTISIM中未找到双D触发器,如图1为用两
个D触发器代替双D触发器,连线大致相同。
图1
2、测试74HC(LS)194的功能
S S=00保持
(1)
10
图2 S S=01右移
(2)
10
图3
S S=10左移
(3)
10
图4
S S=11并行送数
(4)
10
图5
3、用两片74HC(LS)194做出模16的扭环计数器
利用两片74HC (LS )194级联,将第一片74HC (LS )194的Q 3输出端接到第二片74HC (LS )194的D 0,再按31SR D Q 将第二片Q 3输出端和高电平+5V 共同输入与非门74LS00,把与非门的输出接到第一片的SR D ,连接电路如图
6。
图6
三、注意事项
1、集成电路要轻插轻拔。
四、收获
1、 实际操作中,74LS74双列直插式元件每列为8个引脚,
和实验指导书中不同,应使每列的第8个引脚闲置;
2、 实验接线时,可采用按功能分块连线,比如先接输入、
输出端,再接控制端,最后接地和电源,既提高准确率又提高效率;
3、做实验之前应检查实验装置是否完好,我们试验中就遇
到一个LED不亮的情况,最后影响实验现象观察;
4、通过实验对 74LS194移存器的原理有了更进一步的了
解,对第三个实验部分电路稍作调整用可实现模为其他数的扭环计数器。
实验六移位寄存器一:实验目的1. 掌握移位寄存器的工作原理,逻辑功能2. 掌握集成移位寄存器74LS194的逻辑功能及应用二:实验器材74LS00 74LS74 74LS194 CD4008B三:实验原理寄存器用于寄存一组二值代码,它被广泛应用于各类数字系统和计算机中,一个触发器能储存1位二值代码,N个触发器组成的寄存器能储存N位二值代码。
移位寄存器除了具有存储代码功能以外,还具有移位功能。
所谓移位功能,是指寄存器里存储的代码能在移位脉冲的作用下依次左移或右移。
因此,移位寄存器不但可以用来寄存代码,还可以用来实现数据的串行---并行转换,数值的运算和处理。
四.实验内容(一)验证74LS194的逻辑功能,按功能表进行。
结论:74LS194的逻辑功能与实验结果相一致并且与逻辑功能表相符合.二)如图6.3所示,两个二制数A,B,分别存入74LS194(A),74LS194(B),现在要对它们进行按位相加,其和放入74LS194(A)中。
试采用全加器CD4008B和D触发器74LS74组成能实现上述要求的电路,输出用二极管指示。
有图知,满足其特性。
分析以上记录的真值表可知在预设的A为 1010,B为1001情况下,芯片U1用来对A进行移位处理、存放和显示输出结果,U2用来对B进行移位,U3为全加器,本题中设置为一位全加器,故其进位应为S2,全加器将本位的输出和用来控制A右移移位进去的数字,并用D锁存器来存储A、B全加所得和向高位的进位,并将进位结果参与下一次全加运算。
分析真值表可知,每来一个脉冲,A、B实现一次移位,全加器进行一次全加,锁存器存入所得进位数。
四个脉冲到来之后,输出结果即为A、B全加二进制结果,由表中数据得出A+B=10011,符合实验结果;之后由于B已经移出去了,实现的是A 中数与0000的全加的循环移位。
(三)设计二进制转换成十进制的数码转换电路,使上述电路在相加后可以完成用数码管显示相加结果。
计算机组成原理实验二移位寄存实验一、实验目的:1、了解移位寄存器的硬件电路,验证移位控制与寄存的组合功能。
2、利用寄存器进行数据传输。
二、实验要求:实现寄存器移位操作,了解通用寄存器的运用。
三、实验原理:移位运算实验原理图移位运算实验原理如图所示,使用了一片74LS299作为移位发生器,其八输入/输出端以排针方式和总线单元连接。
299—B信号控制其使能端,T4时序为其时钟脉冲,实验时将“W/R UNIT”中的T4接至“STATE UNIT”中的KK2单脉冲发生器,由S0、S1、M控制信号控制其功能状态,其列表如下:299—B S 1 S 0 M 功能0 0 0 任意保持0 1 0 0 循环右移0 1 0 1 带进位循环右移0 0 1 0 循环左移0 0 1 1 带进位循环左移任意 1 1 任意装数四、实验连接:1.运算器控制信号连接:S0,S1,M,LDCZY,LDR0,/SW-B,/SR-B,/R0-B2.完成连接并检查无误后接通电源。
五、实验仪器状态设定:在闪动的“P.”状态下按动“增址”命令键,使LED显示器自左向右第一位显示提示符“H”,表示本装置已进入手动单元实验状态。
五、实验项目:(一)移位寄存器置数首先置CBA=000,然后按下面流程操作:数据开关(01101011)三态门置数(01101011)三态门[CBA=001] [S0=1,S1=1] [CBA=111][ “按STEP” ](二)寄存器移位置CBA=001并输入数据,然后置CBA=111,参照实验原理中的移位寄存器控制特性表改变S0、S1、M,按动“单步”命令键,实验发现数据移位正确。
(三)移位结果寄存我们选取R0,把移位寄存器移位后的内容寄存到通用寄存器。
在移位操作后保持CBA=111,S0=0,S1=0,然后令LDR0=1,再按动“单步”命令键,完成移位结果保存。
(四)移位结果读出置CBA=100,总线指示灯显示R0内容,与上步中存的数一致。
集成移位寄存器实验报告1.实验目的本次实验旨在通过使用集成移位寄存器来深入了解移位寄存器的工作原理,掌握其使用方法,并验证其功能。
通过实验,我们期望提高对集成电路的理解和实际操作能力,同时为今后的电子设计提供实践经验。
2.实验原理移位寄存器是数字电路中的重要组成部分,它能够将数据按照设定的位数向左或向右移动。
集成移位寄存器是一种四位或八位的移位寄存器,它由触发器和移位寄存器构成。
在时钟信号的控制下,数据在寄存器中向左或向右移动。
3.实验设备实验所需设备包括:集成移位寄存器、电源、时钟发生器、数据输入开关、测试仪器、示波器等。
4.实验步骤(1)按照电路图连接实验设备,确保电源和信号线的连接正确无误。
(2)设置时钟发生器,为移位寄存器提供时钟信号。
(3)设置数据输入开关,为移位寄存器提供输入数据。
(4)观察测试仪器的输出结果,记录实验数据。
(5)使用示波器观察移位寄存器的时序波形,了解其工作原理。
5.实验结果实验过程中,我们观察到移位寄存器的输出随着时钟信号的变化而变化。
当输入数据为0001时,经过四个时钟周期后,输出数据变为0100;当输入数据为1011时,经过四个时钟周期后,输出数据变为1100。
这说明移位寄存器能够将数据向左移动四位。
6.实验总结通过本次实验,我们深入了解了集成移位寄存器的工作原理和使用方法。
实验结果表明,移位寄存器能够实现数据的向左或向右移动,具有广泛的应用价值。
在今后的电子设计中,我们可以利用集成移位寄存器的特点来实现数据的处理和传输。
此外,本次实验也提高了我们的实践能力和对数字电路的理解。
移位寄存器实验三大队三营卢上游C022012020实验一: m 序列的采样实现(内容包括: 迹函数表示法、的陪集分解、m 序列的线性结构)(一)、算法思路1.n21Z *-的陪集分解 Step1:求出集合, 即找出1到中所有与互素的数。
Step2:求 的陪集分解。
采用遍历的方法, 取中的任意元素, 根据平移等价公式:存在整数使得成立, 找出与采样平移等价的序列对应的元素, 并都置为-1, 即取为一个陪集的代表元, 放入到集合中, 由此可知, 当遍历完后就可以得到所有陪集的代表元了, 即为集合的所有元素。
Set3: 取集合中所有元素、、……、, 对所给的n 级m 序列进行采样,得到、、……、, 即所有不同的n 级m 序列。
2.m 序列的线性结构Step1: 对于一个n 级m 序列取前2n 项, 代入递推关系式中, 求解方程组, 得到n 阶本原多项式。
如果能够取得所有的n 级m 序列的前2n 项,那么就能求得所有的n 阶本原多项式, 而获得所有的n 级m 序列, 实验(1)已经给出, 在这个实验中只给出了一个本原多项式。
Step2:对于求解方程组, 的取值, 采用给定一个数值, 使得对应于的二进制数的第位, 如果满足方程组, 则代入到中, 即为本原多项式, 如果不满足, 则, 直到。
3.迹函数表示法取为n 次本原多项式的根, 利用多项式表示法表示出中的所有元素, 对中每一个元素, 求(Tr(),Tr(),Tr(),… ,Tr(),…), 即可得到G (f )中的所有序列。
因为在编程时发现迹函数的化解无法实现, 所以参考了刘帅在这一块的作业。
(二)、实验结果1.n21Z *-的陪集分解 用书上的例3.4.4验证本程序的正确性。
利用程序, 我们对4级m 序列进行采样, 实验结果如下:2.m 序列的线性结构以书上129页19题为例:3.迹函数表示法我们以5次本原多项式为例对程序进行验证, 实验结果如下:实验二: 梅西迭代算法实现(内容包括: 周期序列极小多项式、由已知m序列获得全部n次本源多项式)1.算法思路(1)一般梅西迭代算法(求产生N长二元序列的最短移位寄存器) Step1:取初始值: 。
移位寄存器实验报告移位寄存器实验报告引言移位寄存器是数字电路中常用的模块,它能够将输入的数据按照一定的规则进行移位操作。
本次实验旨在通过实际搭建移位寄存器电路,并通过观察输出结果来验证其功能和性能。
实验目的1. 掌握移位寄存器的工作原理和基本结构;2. 了解不同类型的移位寄存器,并能够根据需求选择合适的类型;3. 熟悉移位寄存器的应用场景和使用方法。
实验器材1. 移位寄存器芯片;2. 电路连接线;3. 示波器;4. 信号发生器。
实验步骤1. 将移位寄存器芯片连接到电路板上,并根据实验要求进行电路连接;2. 使用信号发生器产生输入信号,并将其输入到移位寄存器中;3. 通过示波器观察移位寄存器的输出信号,并记录下观察结果;4. 根据实验要求调整输入信号的频率和幅度,并观察移位寄存器的响应情况;5. 分析实验结果,总结移位寄存器的特性和应用。
实验结果在本次实验中,我们使用了一个4位移位寄存器芯片,并将其连接到电路板上。
通过信号发生器产生的输入信号,我们观察到移位寄存器的输出信号按照一定的规则进行了移位操作。
当输入信号的频率较低时,移位寄存器的输出信号可以清晰地观察到每一位的变化;而当输入信号的频率较高时,移位寄存器的输出信号则呈现出连续的变化。
通过实验结果的观察和分析,我们可以得出以下结论:1. 移位寄存器的工作原理是将输入信号按照一定的规则进行移位操作;2. 移位寄存器的输出信号与输入信号的频率和幅度有关;3. 移位寄存器可以用于数据的平移、扩展、压缩等操作;4. 不同类型的移位寄存器具有不同的特性和应用场景。
讨论与总结移位寄存器作为数字电路中的重要模块,在各种电子设备中都有广泛的应用。
它不仅可以用于数据的移位操作,还可以用于数据的存储、传输和处理。
在计算机系统中,移位寄存器常常用于数据的输入和输出,以及数据的处理和控制。
本次实验通过实际搭建移位寄存器电路,并观察其输出结果,使我们更加深入地了解了移位寄存器的工作原理和应用。
移位寄存器及其应用实验报告一、实验目的1.了解移位寄存器的基本原理和工作方式;2.掌握移位寄存器的应用场景和使用方法;3.通过实验验证移位寄存器的功能和性能。
二、实验原理移位寄存器是一种特殊的寄存器,它可以将数据按照一定的规律进行移位操作。
移位操作可以分为左移和右移两种方式,左移是将数据向左移动一定的位数,右移则是将数据向右移动一定的位数。
移位寄存器可以用于数据的移位、数据的存储和数据的转换等多种应用场景。
移位寄存器的基本原理是利用触发器和门电路实现数据的移位操作。
触发器是一种存储器件,可以存储一个二进制位的数据。
门电路则是一种逻辑电路,可以实现数据的逻辑运算。
移位寄存器通常由多个触发器和门电路组成,可以实现多位数据的移位操作。
移位寄存器的工作方式是通过时钟信号来控制数据的移位操作。
当时钟信号为高电平时,移位寄存器开始工作,数据按照一定的规律进行移位操作。
当时钟信号为低电平时,移位寄存器停止工作,数据保持不变。
移位寄存器还可以通过控制输入端和输出端的电平来实现不同的功能。
三、实验内容本次实验主要是通过实验板上的移位寄存器模块,实现数据的移位和存储操作。
具体实验内容如下:1.将实验板上的移位寄存器模块连接到开发板上;2.使用开发板上的按键控制移位寄存器的工作方式,包括左移、右移、存储和清零等操作;3.使用示波器观察移位寄存器的时钟信号和数据输出信号,验证移位寄存器的工作状态和性能。
四、实验步骤1.将实验板上的移位寄存器模块连接到开发板上,按照连接图进行连接;2.使用开发板上的按键控制移位寄存器的工作方式,具体操作如下:(1)按下左移按键,移位寄存器开始向左移动数据;(2)按下右移按键,移位寄存器开始向右移动数据;(3)按下存储按键,移位寄存器将当前数据存储到寄存器中;(4)按下清零按键,移位寄存器将当前数据清零。
3.使用示波器观察移位寄存器的时钟信号和数据输出信号,具体操作如下:(1)将示波器的探头连接到移位寄存器的时钟输入端,观察时钟信号的波形;(2)将示波器的探头连接到移位寄存器的数据输出端,观察数据输出信号的波形。
实验十移位寄存器一、实验目的1.掌握移位寄存器的工作原理及电路组成。
2.测试双向移位寄存器的逻辑功能。
3.掌握二进制码的串行并行转换技术、二进制码的传输和累加。
二、实验原理1.单向移位寄存器移位寄存器是一种由触发器连接组成的同步时序电路。
每个触发器的输出连到下一级触发器的控制输入端,在时钟的作用下,存贮在移位寄存器中的信息,逐位左移或右移。
移位寄存器的清零方式有两种:一种是将所有触发器的清零端CLR’连在一起,置位端S连在一起,当CLR=0,S=1时,Q端为0,这种方式称为“异步清零”。
另一种方法是在串行输入端输入“0”电平,接着从CK端送4个脉冲,则所有触发器也可清至零状态。
这种方式称为“同步清零”。
74LS164为集成的八位移位寄存器,特点是选通串行输入,并行输出。
器件功能和外部引脚排列如图10-1所示。
1 2 3 4 5 6 7 图10-1 74LS164引脚排列CLR:清零CK(CP):时钟A、B:串入Q A~Q B:并出2.双向移位寄存器74LS194为集成的四位双向移位寄存器,当清零端(CLR)为低电平时,输出端(Q A、Q B、Q C、Q D)均为低电平(零)。
当工作方式控制端(S1、S0)均为高电平时,在时钟(CK)上升沿作用下,并行数据(A、B、C、D)被送入相应的输出端(Q A、Q B、Q C、Q D),此时串行数据被禁止;当S1为低电平,S0为高电平时,在时钟CK上升沿作用下进行右移操作,数据由R送入;当S1为高电平,S0低电平时,在时钟CK上升沿作用下进行左移操作,数据由L送入;当S0和S1为低电平时,时钟CK被禁止, 移位寄存器保持不变。
三、实验仪器和器件1.实验仪器DZX-2B型电子学综合实验装置2.器件74LS00(二输入端四与非门)、74LS20(四输入端二与非门)74LS76(双J-K触发器)、74LS164(单向移位寄存器)四、实验内容1.由四个主从J-K触发器构成简单的四位串行移位寄存器(用74LS76),并测量其逻辑功能;由四个J 、K 主从触发器组成 Cin : 接单脉冲 CK : 接单脉冲 R 、S :接逻辑电平 A~D : 接电平显示图10-3置位串行输入时钟清零图10-2接电平显示(1)将双JK 触发器两块74LS76插入DZX-2B 型电子学综合实验装置上的IC 插座,按图10-2连接成四位串行移位寄存器。
移位寄存器实验报告篇一:移位寄存器实验报告移位寄存器实验报告(一)实验原理移位寄存器是用来寄存二进制数字信息并且能进行信息移位的时序逻辑电路。
根据移位寄存器存取信息的方式可分为串入串出、串入并出、并入串出、并入并出4种形式。
74194是一种典型的中规模集成移位寄存器,由4个RS触发器和一些门电路构成的4位双向移位寄存器。
该移位寄存器有左移,右移、并行输入数据,保持及异步清零等5种功能。
有如下功能表(三)实验内容1. 按如下电路图连接电路十个输入端,四个输出端,主体为74194. 2. 波形图参数设置:End time:2usGrid size:100ns 波形说明:clk:时钟信号;clrn:置0 s1s0:模式控制端 sl_r:串行输入端 abcd:并行输入 qabcd:并行输出结论:clrn优先级最高,且低有效高无效;s1s0模式控制,01右移,10左移,00保持,11置数重载;sl_r控制左移之后空位补0或补1。
3. 数码管显示移位(1)电路图(2)下载验证管脚分配:a,b,c,d:86,87,88,89 bsg[3..0]:99,100,101,102 clk:122 clk0:125 clrn:95 q[6..0]:51,49,48,47,46,44,43 s0,s1:73,72 sl_r:82,83 结论:下载结果与仿真结果一致,下载正确。
一、实验日志1.移位寄存器的实验真的挺纠结的,本来想用7449的,但是下载结果出现了错误,想到它在这个电路图中的功能比较单一,就自己写了一个my7449,终于对了。
五、思考题(1)简单说明移位寄存器的概念及应用情况?概念:移位寄存器是用来寄存二进制数字信息且能进行信息移动的时序逻辑电路。
根据移位寄存器存取信息的方式不同可以分为串入串出,串入并出,并入串出,并入并处4种形式。
应用:移位寄存器可以构成计数器,顺序脉冲发生器,串行累加器,串并转换,并串转换等。
移位寄存器一实验目的1.学习用D触发器构成移位寄存器(环行计数器)2.掌握中规模集成电路双向移位寄存器逻辑功能及使用方法二实验原理1、用4个D触发器组成4位移位寄存器,将每位即各D触发器的输出Q1、Q2、Q3、Q4分别接到四个0—1指示器(LED)将最后一位输出Q4反馈接到第一位D触发器的输入端,则构成一简单的四位移位环行计数器。
2、移位寄存器具有移位功能,是指寄存器中所存的代码能够在时钟脉冲的作用下依次左移或右移。
对于即能左移又能右移的寄存器称为双向移位寄存器。
只需要改变左移、右移的控制信号便可实现双向移位的要求。
根据移位寄存器存取信息的方式不同分为:串入串出、串入并出、并入串出、并入并出四种形式。
本实验选用的4位双向移位寄存器,型号为74LS194A(或CD40194),两者功能相同,其引脚分布图如下图18.1所示:其中A、B、C、D为并行输入端,A为高位依次排列;Q A、Q B、Q C、Q D为并行输出端;S R为右移串行输入端;S L为左移串行输入端;S1、S0为操作模式控制端;CLR为异步清零端;低电平有效;CLK为CP时钟脉冲输入端。
74LS194A有5种工作模式:并行输入,右移(Q D→Q A),左移(Q D←Q A),保持和清零。
74LS194功能表如表18.1所示:CLR CP S1S0工作状态0 1 1 1 1 XX↑↑↑X X000 1101 1置零保持右移,S R为串行输入,Q A为串行输出左移,S L为串行输入,Q D为串行输出并行输入表18.1三实验器件数字实验箱集成电路芯片:74LS74×2 (CD4013×2);74LS75 ;74LS76 ;74LS194A (CD40194)。
图18.1四实验内容1.用74LS74组成移位寄存器,使第一个输出端点亮LED并使其右移循环。
顺序是FF1、FF2、FF3、FF4。
A) 1. 用两个74LS74按图18.2连接:图18.21. CP时钟输入先不接到电路中(单步脉冲源或连续脉冲源);1.连接线路完毕,检查无误后加+5V电源;2.观察4个输出端的LED应该是不亮的,如果有亮的话,应按清零端的逻辑开关,(给出一个低电平信号清零后,再将开关置于高电平)即将4个D触发器输出端的LED清零。