★常用危险化学品储存禁忌物配存表
- 格式:doc
- 大小:61.00 KB
- 文档页数:2
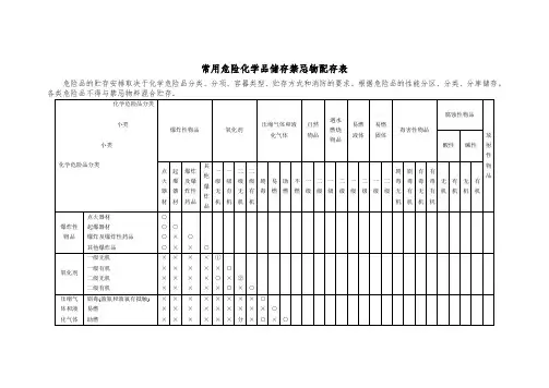
常用危险化学品储存禁忌物配存表危险品的贮存安排取决于化学危险品分类、分项、容器类型、贮存方式和消防的要求。
根据危险品的性能分区、分类、分库储存。
各类危险品不得与禁忌物料混合贮存.化学危险品分类腐蚀性物品遇水小类小类爆炸性物品氧化剂压缩气体和液化气体自然物品燃烧物品易燃液体易燃固体毒害性物品酸性碱性放射性化学危险品分类点火器材起爆器材爆炸及爆炸性药品其他爆炸品一级无机一级有机二级无机二级有机剧毒易燃助燃不燃一级二级一级二级一级二级一级二级剧毒无机剧毒有机有有毒毒无有无有无有机机机机机机物品点火器材○爆炸性起爆器材○○物品爆炸及爆炸性药品○×○其他爆炸品○××○一级无机××××①一级有机×××××○氧化剂二级无机××××○×②二级有机×××××○×○压缩气剧毒(液氨和液氯有抵触)××××××××○体和液易燃×××××××××○化气体助燃××××××分×○×○不燃××××分消分分○○○○自然物一级××××××××××××○品二级×××××××××××××○遇水燃一级××××××××××××××○烧物品二级××××××××消××消×消×○易燃液一级××××××××××××××××○体二级××××××××××××××××○○易燃固一级××××××××××××××××消消○体二级××××××××××××××××消消○○剧毒无机××××分×分分分分分分×分消消消消分分○毒害性剧毒有机××××××××××××××××××××○○物品有毒无机××××分×分分分分分分×分消消消消分分○○○有毒有机××××××××××××××××分分消消○○○○酸无机××××××××××××××××××××××××○腐蚀性性有机××××××××××××××××消消×××××××○物品碱无机××××分消分消分分分分分分消消消消分分××××××○性有机××××××××××××××××消消消消××××××○○放射性物品××××××××××××××××××××××××××××○说明:“○”符号表示可以混存;“×”符号表示不可以混存;“分”指应按化学危险晶的分类进行分区分类贮存。
(完整版)常见有害化学品贮存禁忌物配存
表
常见有害化学品贮存禁忌物配存表
以下是常见的有害化学品以及它们的禁忌物配存表:
1. 乙醇:
- 禁忌物: 强氧化剂、氯化银
- 注意事项: 避免与以上禁忌物接触,以免引发火灾或爆炸。
2. 氨水:
- 禁忌物: 强酸、重金属盐类
- 注意事项: 氨水和强酸或重金属盐类反应会产生有毒的气体,请避免混合贮存。
3. 氯化钠:
- 禁忌物: 硫酸铜、硝酸银
- 注意事项: 避免氯化钠与硫酸铜或硝酸银发生反应,以免产生有毒的气体。
4. 苯:
- 禁忌物: 强氧化剂、浓硝酸
- 注意事项: 贮存时要远离强氧化剂和浓硝酸,以免发生爆炸或引发火灾。
5. 石油醚:
- 禁忌物: 氨、酸、氯化银
- 注意事项: 石油醚不能与氨、酸或氯化银发生接触,以免引发火灾或产生有毒的气体。
请务必按照以上禁忌物配存表进行有害化学品的贮存,以确保安全。
以上表格列举的禁忌物不全面,贮存其他有害化学品时请根据实际情况参考产品安全资料和相关指南。
注意:以上信息仅供参考,贵单位在贮存有害化学品时务必遵
守相关法规和安全规定,并咨询专业人士以获取准确的建议和指导。
常用危险化学品储存禁忌物配存表
危险品的贮存安排取决于化学危险品分类、分项、容器类型、贮存方式和消防的要求。
根据危险品的性能分区、分类、分库储存。
说明:“○”符号表示可以混存;
“×”符号表示不可以混存;
“分”指应按化学危险晶的分类进行分区分类贮存。
如果物品不多或仓位不够时,因其性能并不互相抵触,也可以混存;
“消”指两种物品性能并不互相抵触,但消防施救方法不同,条件许可时最好分存;
①说明过氧化钠等氧化物不宜和无机氧化剂混存。
②说明具有还原性的亚硝酸钠等亚硝酸盐类,不宜和其他无机氧化剂混存。
凡混存物品,货垛与货垛之间,必须留有1 m以上的距离,并要求包装容器完整,不使两种物品发生接触。
常用危险化学品储存禁忌物配存表配危险化学品的种类和名称存顺号点火器材11起爆器材2× 2爆炸品炸药及爆炸性药品 ( 不同品名的不得在同一库内3× × 3配存 )其他爆炸品4△ × × 4有机氧化剂5× × × × 5氧化剂亚硝酸盐、亚氯酸盐、次6△ △ △ △ × 6亚氯酸盐1)其他无机氧化剂2)7△ △ △ △ × × 7剧毒(液氯与液氨不能在8× × × × × × 8一库内配存)压缩气体和易燃9△ × × △ × △ △9液化气体助燃(氧及氧空钢瓶不得10 △ × × △△ 10与油脂在同一库内配存)危不燃11× ×11一级12 △ × × × × △ △ × × × 12险自燃物品二级13× × △× △ △13化遇水燃烧物品(不得与含水液体货物学14× × × △ △ △ △ △ △ × 14在同一库内配存)品易燃液体15 △ × × × × △ × ××× △15易燃固体( H 发孔剂不可与酸性腐蚀物品及有毒和易燃酯类危险货物配16× × △ × △ △ ×××16存)毒害品氰化物17△ △17其他毒害品18△ △18溴19 △ × × × ×△× △ △ △ × △ 19酸性过氧化氢20 △ × × △ △△ △ × △× △20腐蚀硝酸、发烟硝酸、硫酸、21 △ × × × × × 1) × × △ △ × × △ △ △ × △ △ △ 21物品发烟硫酸、氯磺酸腐蚀其他酸性腐蚀物品22 △ × × △ △ △ △ △ △△△× △△ △ 22物品碱性生石灰、漂白粉23△△ △△ △△△ × △ 23及其他腐其他(无水肼、水合肼、24△×24蚀物氨水不得与氧化剂配存)品注:1无配存符号表示可以配存。
常用危险化学品储存禁忌物配存表
危险品的贮存安排取决于化学危险品分类、分项、容器类型、贮存方式和消防的要求。
根据危险品的性能分区、分类、分库储存。
各类危险品不得与禁忌物料混合贮存.
说明:“○”符号表示可以混存; “×"符号表示不可以混存;
“分”指应按化学危险晶的分类进行分区分类贮存.如果物品不多或仓位不够时,因其性能并不互相抵触,也可以混存;“消”指两种物品性能并不互相抵触,但消防施救方法不同,条件许可时最好分存;
①说明过氧化钠等氧化物不宜和无机氧化剂混存。
②说明具有还原性的亚硝酸钠等亚硝酸盐类,不宜和其他无机氧化剂混存.
凡混存物品,货垛与货垛之间,必须留有1 m以上的距离,并要求包装容器完整,不使两种物品发生接触。
常用危险化学品储存禁忌物配存表
危险品的贮存安排取决于化学危险品分类、分项、容器类型、贮存方式和消防的要求。
根据危险品的性能分区、分类、分库储存。
各类危险品不得与禁忌物料混合贮存.
说明:“○"符号表示可以混存;
“×”符号表示不可以混存;
“分”指应按化学危险晶的分类进行分区分类贮存。
如果物品不多或仓位不够时,因其性能并不互相抵触,也可以混存;
“消”指两种物品性能并不互相抵触,但消防施救方法不同,条件许可时最好分存;
①说明过氧化钠等氧化物不宜和无机氧化剂混存。
②说明具有还原性的亚硝酸钠等亚硝酸盐类,不宜和其他无机氧化剂混存。
凡混存物品,货垛与货垛之间,必须留有1 m以上的距离,并要求包装容器完整,不使两种物品发生接触。
常用危险化学品储存禁
忌物配存表
集团标准化工作小组 [Q8QX9QT-X8QQB8Q8-NQ8QJ8-M8QMN]
常用危险化学品储存禁忌物配存表
危险品的贮存安排取决于化学危险品分类、分项、容器类型、贮存方式和消防的要求。
根据危险品的性能分区、分类、分库储存。
各类危险品不得与禁忌物料混合贮存.
说明:“○”符号表示可以混存;“×”符号表示不可以混存;
“分”指应按化学危险晶的分类进行分区分类贮存。
如果物品不多或仓位不够时,因其性能并不互相抵触,也可以混存;
“消”指两种物品性能并不互相抵触,但消防施救方法不同,条件许可时最好分存;
①说明过氧化钠等氧化物不宜和无机氧化剂混存。
②说明具有还原性的亚硝酸钠等亚硝酸盐类,不宜和其他无机氧化剂混存。
凡混存物品,货垛与货垛之间,必须留有1 m以上的距离,并要求包装容器完整,不使两种物品发生接触。
(完整版)常用有害化学品储存禁忌物配存
表
常用有害化学品储存禁忌物配存表
本文档详细列出了常用有害化学品的储存禁忌物配存表。
储存有害化学品时,需要特别注意避免与某些物质同存,以免发生危险反应或事故。
以下是常见的有害化学品及其禁忌物的配存表:
1. 硫酸
禁忌物:与强碱、氨或酒精类物质同存。
2. 硝酸
禁忌物:与有机物、非金属金属类物质同存。
3. 盐酸
禁忌物:与氨或碱性物质同存。
4. 氢氟酸
禁忌物:与碱性物质或金属同存。
5. 氢氯酸
禁忌物:与氨或氧化剂同存。
6. 氨水
禁忌物:与氧化剂、氯化金属或碱类物质同存。
7. 液氨
禁忌物:与硝酸、硫酸或氧化剂同存。
8. 非标准化生化试剂
禁忌物:与其他化学品同存,需单独储存。
9. 氯仿
禁忌物:与氧化剂同存。
10. 乙酸
禁忌物:与氧化剂同存。
11. 乙腈
禁忌物:与氧化剂或酸性物质同存。
12. 丙腈
禁忌物:与氧化剂同存。
以上仅列举了部分常用有害化学品的禁忌物配存表,其他化学品的储存禁忌物请参考相应的安全数据表和相关法规。
储存化学品时,请务必遵循相关的安全操作规程,确保储存安全,防止事故发生。
常用危险化学品储存禁忌物配存表危险化学品的种类和名称配存顺号危险化学品爆炸品炸药及爆炸性药品(不同品名的不得在同一库内配存)1 1其他爆炸品 2 × 2氧化剂有机氧化剂 3 ×× 3亚硝酸盐、亚氯酸盐、次亚氯酸盐2)4 △△× 4其他无机氧化剂2) 5 △△×× 5压缩气体和液化气体剧毒(液氯和液氨不能在一库内配存)6 ××××× 6易燃7 ×△×△△7助燃(氧及氧空钢瓶不得与油脂在同一库内配存)8 ×△△8不燃9 ×9自燃物品一级10 ×××△△×××10二级11 ×△×△△11遇水燃烧物品(不得与含水液体货物在同一库内配存12 ××△△△△△△×12易燃液体13 ×××△××××△13易燃固体(H发孔剂不可与酸性腐蚀物及有毒和易燃酯类危险货物配存)14 ×△×△△×××14毒害品氰化物15 △15其他毒害品16 △16腐蚀物品酸性腐蚀物品溴17 ×××△×△△△×△17过氧化氢18 ×△△△△×△×△18硝酸、发烟硝酸、硫酸、发烟硫酸、氯磺酸19 ××××1)××△△××△△△×△△△19其他酸性腐蚀物品20 ×△△△△△△△△×△△△20碱性及其他腐蚀物品生石灰、漂白粉21 △△△△△△×△21其他(无水肼、水合肼、氨水不得与氧化剂配存)22 △×22配存顺号 1 2 3 4 5 6 7 8 9 10 11 12 13 14 15 16 17 18 19 20 21 22 注:①无配存符号表示可以配存。
常用危险化学品储存禁
忌物配存表
Company Document number:WTUT-WT88Y-W8BBGB-BWYTT-19998
危险化学物品储存禁忌表
说明:“○”符号表示可以混存;
“×”符号表示不可以混存;
“分”指应按化学危险晶的分类进行分区分类贮存。
如果物品不多或仓位不够时,因其性能并不互相抵触,也可以混存;
“消”指两种物品性能并不互相抵触,但消防施救方法不同,条件许可时最好分存;
①。
过氧化钠等氧化物不宜和无机氧化剂混存。
②。
具有还原性的亚硝酸钠等亚硝酸盐类,不宜和其他无机氧化剂混存。
重庆航凌电路板有限公司。
常用危险化学品储存禁忌物配存表
危险品的贮存安排取决于化学危险品分类、分项、容器类型、贮存方式和消防的要求。
根据危险品的性能分区、分类、分库储存。
说明:“○”符号表示可以混存;
“×”符号表示不可以混存;
“分”指应按化学危险晶的分类进行分区分类贮存。
如果物品不多或仓位不够时,因其性能并不互相抵触,也可以混存;
“消”指两种物品性能并不互相抵触,但消防施救方法不同,条件许可时最好分存;
①说明过氧化钠等氧化物不宜和无机氧化剂混存。
②说明具有还原性的亚硝酸钠等亚硝酸盐类,不宜和其他无机氧化剂混存。
凡混存物品,货垛与货垛之间,必须留有1 m以上的距离,并要求包装容器完整,不使两种物品发生接触。
(注:专业文档是经验性极强的领域,无法思考和涵盖全面,素材和资料部分来自网络,供参考。
可复制、编制,期待你的好评与关注)。
常用危险化学品储存禁忌物配存表
危险品的贮存安排取决于化学危险品分类、分项、容器类型、贮存方式和消防的要求。
根据危险品的性能分区、分类、分库储存。
各类危险品不得与禁忌物料混合贮存.
1
说明:“○”符号表示可以混存;“×”符号表示不可以混存;
“分”指应按化学危险晶的分类进行分区分类贮存。
如果物品不多或仓位不够时,因其性能并不互相抵触,也可以混存;“消”指两种物品性能并不互相抵触,但消防施救方法不同,条件许可时最好分存;
①说明过氧化钠等氧化物不宜和无机氧化剂混存。
②说明具有还原性的亚硝酸钠等亚硝酸盐类,不宜和其他无机氧化剂混存。
凡混存物品,货垛与货垛之间,必须留有1 m以上的距离,并要求包装容器完整,不使两种物品发生接触。
2。