常用危险化学品储存禁忌表
- 格式:pdf
- 大小:49.10 KB
- 文档页数:1
常用危险化学品储存禁忌物配存表危险品的贮存安排取决于化学危险品分类、分项、容器类型、贮存方式和消防的要求。
根据危险品的性能分区、分类、分库储存。
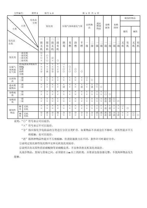
各类危险品不得与禁忌物料混合贮存.化学危险品分类腐蚀性物品遇水小类小类爆炸性物品氧化剂压缩气体和液化气体自然物品燃烧物品易燃液体易燃固体毒害性物品酸性碱性放射性化学危险品分类点火器材起爆器材爆炸及爆炸性药品其他爆炸品一级无机一级有机二级无机二级有机剧毒易燃助燃不燃一级二级一级二级一级二级一级二级剧毒无机剧毒有机有有毒毒无有无有无有机机机机机机物品点火器材○爆炸性起爆器材○○物品爆炸及爆炸性药品○×○其他爆炸品○××○一级无机××××①一级有机×××××○氧化剂二级无机××××○×②二级有机×××××○×○压缩气剧毒(液氨和液氯有抵触)××××××××○体和液易燃×××××××××○化气体助燃××××××分×○×○不燃××××分消分分○○○○自然物一级××××××××××××○品二级×××××××××××××○遇水燃一级××××××××××××××○烧物品二级××××××××消××消×消×○易燃液一级××××××××××××××××○体二级××××××××××××××××○○易燃固一级××××××××××××××××消消○体二级××××××××××××××××消消○○剧毒无机××××分×分分分分分分×分消消消消分分○毒害性剧毒有机××××××××××××××××××××○○物品有毒无机××××分×分分分分分分×分消消消消分分○○○有毒有机××××××××××××××××分分消消○○○○酸无机××××××××××××××××××××××××○腐蚀性性有机××××××××××××××××消消×××××××○物品碱无机××××分消分消分分分分分分消消消消分分××××××○性有机××××××××××××××××消消消消××××××○○放射性物品××××××××××××××××××××××××××××○说明:“○”符号表示可以混存;“×”符号表示不可以混存;“分”指应按化学危险晶的分类进行分区分类贮存。
常用危险化学品储存禁忌物配存表危险品的贮存安排取决于化学危险品分类、分项、容器类型、贮存方式和消防的要求。
根据危险品的性能分区、分类、分库储存。
各类危险品不得与禁忌物料混合贮存.
说明:“○”符号表示可以混存;“×”符号表示不可以混存;
“分”指应按化学危险晶的分类进行分区分类贮存。
如果物品不多或仓位不够时,因其性能并不互相抵触,也可以混存;
“消”指两种物品性能并不互相抵触,但消防施救方法不同,条件许可时最好分存;
①说明过氧化钠等氧化物不宜和无机氧化剂混存。
②说明具有还原性的亚硝酸钠等亚硝酸盐类,不宜和其他无机氧化剂混存。
凡混存物品,货垛与货垛之间,必须留有1 m以上的距离,并要求包装容器完整,不使两种物品发生接触。
常用危险化学品储存禁忌物配存表
危险品的贮存安排取决于化学危险品分类、分项、容器类型、贮存方式和消防的要求。
根据危险品的性能分区、分类、分库储存。
各类危险品不得与禁忌物料混合贮存.
说明:“○”符号表示可以混存;“×”符号表示不可以混存;
“分”指应按化学危险晶的分类进行分区分类贮存。
如果物品不多或仓位不够时,因其性能并不互相抵触,也可以混存;“消”指两种物品性能并不互相抵触,但消防施救方法不同,条件许可时最好分存;
①说明过氧化钠等氧化物不宜和无机氧化剂混存。
②说明具有还原性的亚硝酸钠等亚硝酸盐类,不宜和其他无机氧化剂混存。
凡混存物品,货垛与货垛之间,必须留有1 m以上的距离,并要求包装容器完整,不使两种物品发生接触。
常用危险化学品储存禁忌物配存表
危险品的贮存安排取决于化学危险品分类、分项、容器类型、贮存方式和消防的要求。
根据危险品的性能分区、分类、分库储存。
说明:“○”符号表示可以混存;“×”符号表示不可以混存;
“分”指应按化学危险晶的分类进行分区分类贮存。
如果物品不多或仓位不够时,因其性能并不互相抵触,也可以混存;“消”指两种物品性能并不互相抵触,但消防施救方法不同,条件许可时最好分存;
①说明过氧化钠等氧化物不宜和无机氧化剂混存。
②说明具有还原性的亚硝酸钠等亚硝酸盐类,不宜和其他无机氧化剂混存。
凡混存物品,货垛与货垛之间,必须留有1 m以上的距离,并要求包装容器完整,不使两种物品发生接触。
常用危险化学品储存禁忌物配存表
危险品的贮存安排取决于化学危险品分类、分项、容器类型、贮存方式和消防的要求。
根据危险品的性能分区、分类、分库储存。
说明:“○”符号表示可以混存;
“×”符号表示不可以混存;
“分”指应按化学危险晶的分类进行分区分类贮存。
如果物品不多或仓位不够时,因其性能并不互相抵触,也可以混存;
“消”指两种物品性能并不互相抵触,但消防施救方法不同,条件许可时最好分存;
①说明过氧化钠等氧化物不宜和无机氧化剂混存。
②说明具有还原性的亚硝酸钠等亚硝酸盐类,不宜和其他无机氧化剂混存。
凡混存物品,货垛与货垛之间,必须留有1 m以上的距离,并要求包装容器完整,不使两种物品发生接触。
常用危险化学品储存禁忌物通则
一、氧化剂不能与还原剂、有机物同存一库。
二、易燃液体、遇湿易燃物品、易燃固体不得与氧化剂混合存放。
三、具有还原性氧化剂应单独存放。
四、有毒物品不与酸类物质存放。
五、腐蚀性物品严禁与液化气体和其他物品共存。
有机试剂:例如三氯甲烷、四氯化碳、乙醚、笨、丙酮、乙烷等。
无机试剂:例如浓酸、浓碱、盐类等。
易燃液体:例如轻质酚、优质轻质酚、醚、甲醇、酚、液氨、笨、丙酮、异戊烷、混合冷剂等。
氧化剂:高氯酸盐、高锰酸盐、重铬酸盐,过氧化钠、高锰酸钾、氯酸钾、氧气、酸类(盐酸,硝酸等)。
还原剂:盐酸羟胺、抗坏血酸、亚硝酸钠(双性质)、草酸、硫酸亚铁铵、硫代硫酸钠等。
腐蚀性物品:强酸、强碱、溴等。
遇湿易燃物品:铝粉、锌粉、钠、金属磷化物、金属硫化物、金属碳化物等。
有毒物品:无机毒物如汞、铅、砷、镉、铬、氟等。
有机毒物如酚、氰、有机氯、有机磷、有机汞、乙烯等。
(完整版)常用危险化学品储存禁忌物存储
表
常用危险化学品储存禁忌物存储表
本文档列出了常用危险化学品储存时应禁止存储的物品列表,以确保储存环境的安全和防止化学品之间的相互作用。
请注意:
- 上述列表不是详尽无遗的,还有其他危险化学品和禁忌物品
的组合,请根据具体情况谨慎储存。
- 储存化学品时,应使用专用,并按照相关操作规程进行操作,确保储存环境的安全。
以上是常用危险化学品储存禁忌物存储表的完整版,请妥善储
存化学品并遵循相关安全规定,以确保人员和环境的安全。
常用危险化学品储存禁忌物配存表
危险品的贮存安排取决于化学危险品分类、分项、容器类型、贮存方式和消防的要求。
根据危险品的性能分区、分类、分库储存。
说明:“○”符号表示可以混存;
“×”符号表示不可以混存;
“分”指应按化学危险晶的分类进行分区分类贮存。
如果物品不多或仓位不够时,因其性能并不互相抵触,也可以混存;
“消”指两种物品性能并不互相抵触,但消防施救方法不同,条件许可时最好分存;
①说明过氧化钠等氧化物不宜和无机氧化剂混存。
②说明具有还原性的亚硝酸钠等亚硝酸盐类,不宜和其他无机氧化剂混存。
凡混存物品,货垛与货垛之间,必须留有1 m以上的距离,并要求包装容器完整,不使两种物品发生接触。
文件编号: 附件2 版号:1.0 第 1 页共 1 页
说明:“○”符号表示可以混存;
“×”符号表示不可以混存;
“分”指应按化学危险晶的分类进行分区分类贮存。
如果物品不多或仓位不够时,因其性能并不互相抵触,也可以混存;
“消”指两种物品性能并不互相抵触,但消防施救方法不同,条件许可时最好分存;
①说明过氧化钠等氧化物不宜和无机氧化剂混存。
②说明具有还原性的亚硝酸钠等亚硝酸盐类,不宜和其他无机氧化剂混存。
凡混存物品,货垛与货垛之间,必须留有1 m以上的距离,并要求包装容器完整,不使两种物品发生接触。
一、危化品仓库建筑要求我们公司要自己建造一个危化品仓库,仓库里面主要放油漆,绝缘漆,酒精,煤油,汽油等。
现在需要一些建筑的参数,例如防火规定,相关的建筑尺寸,墙体的要求,总面积要求,危化品之间放置的距离等等。
1、从结构、材料、面积来说要参照《建筑设计防火规范》(GB50016-××),耐火等级要二级以上,一般是砖墙、混凝土屋顶、外开式铁门。
仓库总面积不能大于750㎡,每个隔间面积不能超过250㎡,仓库必须单层。
2、防火间距同样参照《建筑设计防火规范》,与办公室、宿舍等民用建筑间距大于25m(储量小于10t时),与砖混结构的建筑相距12m以上,与钢构架(未刷涂防火涂料的)的建筑相隔15m以上。
3、电气设施方面。
仓库内最好不要安装任何的电气设施。
在两边墙的底部开几个百叶窗满足通风要求就可以了。
如要安装电灯、排气扇等,必须选用防爆型产品,电源线要用镀锌钢水管密封,连接部位用挠性防爆管过渡,密封管要做好接地。
开关、插座最好安装在库房外面。
排风扇的安装位置也要在库房墙体底部,因为油漆、天那水等散发的蒸气密度是大于空气的,可燃蒸汽会在地面附件积聚。
4、排风扇方面。
很多企业顾虑排风扇、百叶窗设置在地面四周时,会有人乱丢烟头。
这样的话建议把防爆排风扇安装在库房顶部,然后在库房内安装通风管引至库房底部,方便抽取地面积聚的蒸气。
5、库房门口要设置10cm左右墁坡,防止包装损坏时,易燃液体流散到外部,遇火源引发火灾。
考虑到搬运时可能会使用到人力叉车,建议将墁坡砌成斜坡状,方便出入。
6、在用地面积足够的前提下,库房尽量宽敞,满足商品摆放要求,货物堆垛离墙0.3m以上,各类物品堆垛间距0.1m以上,主通道1.8m以上,支通道0.8m 以上。
二、危险化学品治理制度1.目的为了加强公司危险化学品的安全治理,预防危险化学品在储存、使用、废弃过程中由于防护不当或违规而导致的各类事故,以保障员工生命健康安全及公司财产安全。