阀门严密性试验
- 格式:doc
- 大小:94.50 KB
- 文档页数:4
阀门试验内容
阀门的试验内容主要包括阀门的强度试验和严密性试验。
1. 强度试验是在阀门开启状态下进行,检查阀门外表面的渗漏情况。
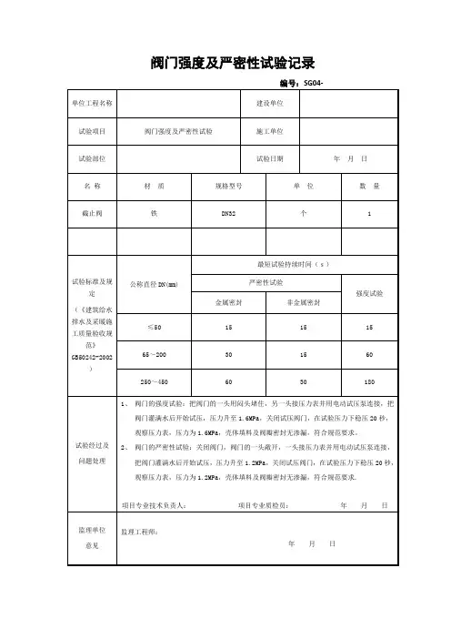
对于PN≤32MPa的阀门,其试验压力为公称压力的倍,试验时间不少于5min,壳体、填料压盖处无渗漏为合格。
2. 严密性试验是在阀门完全关闭状态下进行的试验,检查阀门密封面是否有渗漏。
其试验压力,除蝶阀、止回阀、底阀、节流阀外的阀门,一般应以公称压力进行,在能够确定工作压力时,也可用倍的工作压力进行试验,以阀瓣密封面不漏为合格。
以上内容仅供参考,如需更多信息,建议查阅相关文献或咨询阀门生产厂家。
主汽门、调门严密性试验一、阀门严密性试验:试验应在运行部专工、生技部专工指导及监护及相关专业技术人员配合下进行。
(一)以下情况应做阀门严密性试验:1、高、中压主汽门及高、中压调门解体检修后。
2、机组大修后。
3、甩负荷试验前。
4、超速试验前。
(二)高、中压主汽门严密性试验:1、试验允许条件:(1)机组处于操作员自动控制方式。
(2)机组转速大于2990r/min。
(3)机组处于解列状态。
(4)未进行注油试验、机械超速试验、电气超速试验及高压遮断电磁阀试验。
(5)无阀门伺服故障信号。
2、试验过程:(1)试验期间主汽压力应保持在50%以上额定气压.正常真空和发电机脱网状态下进行。
(2)机组定速3000r/min,关闭四只主汽门,其转速应下降至n转速以下,“n”可按下式进行计算:n=p/po×1000r/min(p=试验时压力、po=主蒸汽额定压力)。
3、试验方法:(1)进入“阀门严密性试验”画面,将“严密性试验”设为“试验”位。
(2)在OIS“阀门严密性试验”画面中按“主汽门试验”按钮,则高中压主汽门应关闭,汽轮机控制方式由“自动”切至“手动”方式,转速下降,严密性试验开始计时。
(3)与DEH计算出“可接受转速”比较,判定阀门严密性。
(4)试验结束后,汽轮机手动打闸,重新挂闸升速至3000r/min。
(5)试验完毕,应将“严密性试验”恢复至“正常”位置。
(三)高中压调门严密性试验:1、进入“阀门严密性试验”画面,将“调门试验”设为“试验”位2、在DEH“阀门严密性试验”画面中按“调门试验”按钮,则高、中压调速汽门应关闭,汽轮机控制方式由“自动”切至“手动”方式,转速下降,严密性试验开始计时。
3、与DEH计算出“可接受转速”比较,判定阀门严密性。
4、试验结束后,汽轮机手动打闸,重新挂闸升速至3000r/min。
5、试验完毕,应将“严密性试验”恢复至“正常”位置。
1.1 主蒸汽和再热蒸汽进汽阀汽轮机进汽阀的性能试验应每周进行,这种试验只能在机组带负荷且旁路切除时进行。
阀门强度及严密性试验(3)试验介质采用洁净水或煤油。
对于奥氏不锈钢阀门,水的氯含量不(6)带有蒸汽夹套的阀门,夹套部分应以1.5倍的蒸汽工作压力进行压力试验。
(7)质量标准——阀门达到保压时间后,阀体(包括填料函和中口连接处)不得发生渗漏。
—不得发生结构损伤。
2)阀门密封和上密封试验(1)密封试验指阀门启闭件和阀体等密封面止漏性能的试验。
(2)上密封试验(倒密封试验)指阀杆与阀盖密封面止漏性能的试验。
(3)试验介质:密封试验介质可用洁净水、煤油、空气或其它惰性气体进行试验。
用洁净水(对于奥氏体不锈钢阀门,水的氯含量不得超过25mmp。
)、煤油等液体作介质时,密封试验压力应符合表6的规定。
(4)介质引入方向和施加压力方向规定:——规定了介质流通方向的阀门,如截止阀,按流通方向引入介质和施压;——没有规定介质流通方向的阀门,如闸阀、球阀、蝶阀等,应分别从每端引入介质和施加压力;——有两个密封面的阀门,如双闸板阀,可向两个密封面之间的腔体引入介3)试验要求(1)减压阀试验及疏水阀的动作试验安装后在系统中进行。
(2)减压阀在试验过程中,不应作任何妨碍试验的调整,当试验条件发生变化或偏离时,可以重新进行调整,但不得更换零件。
(3)疏水阀动作试验,向阀内通入蒸汽时,疏水阀应关闭;在引入一定负荷率的热凝结水时,疏水阀应开启,凝结水排出后,疏水阀应重新关闭。
至少应进行三个完整的循环,本试验才算完成。
对于某些机械型疏水阀可以用空气和水进行试验。
(4)阀门做液体试验时,应尽量排除阀门内的空气,阀门试压完毕后,及时排除阀腔内的积液必要时可用空气吹干。
(5)观测压力表平视表针所指刻度处。
(6)试压设备、机具应由专人负责操作维护,注意安全。
(7)阀门在保管运输过程中,不得将索具直接拴绑在手轮上或将阀门倒置。
(8)阀门在试验过程中,只允许一人以正常体力进行关闭,当手轮的直径仅超过320mm时,允许两个人共同关闭,不准使用臂杆。
阀门强度及严密性试验a)液体压力试验(强度和严密试验)1)下列管道所用阀门应逐个进行壳体液压试验,不合格者不得使用;—输送剧毒流体介质、有毒介质、可燃介质管道的阀门;—输送设计压力>1MPa或设计压力≤1MPa且设计温度≤-29℃或>186℃的非可燃介质、无毒介质管道的阀门;2)设计压力≤1MPa且设计温度为≤-29℃或>186℃的非可燃介质、无毒介质,应从每批抽10%且不少于一个,进行液体压力试验,当不合格时,应再抽查20%,仍有不合格时,则该批阀门不得使用。
3)公称压力<1MPa且公称直径≥600mm的闸阀,可不单独进行液体压力试验,可在系统试压时进行检查。
b)试验要求1)壳体强度试验(1)公称压力≤31.4MPa时,试验压力为公称压力的1.5倍;(2)公称压力>31.4MPa时,其试验压力应按表3要求进行;阀门壳体强度试验压力表3公称通径(mm)磨损余量(mm)39.2 49.0 62.7 78.454.9 68.7 88.2 107.9(3)试验介质采用洁净水或煤油。
对于奥氏不锈钢阀门,水的氯含量不得超过25PPm。
(4)强度试验最短保持压力的时间,一般阀门应不少于表4的规定。
一般阀门试验最短保压时间表4公称通径(mm)试验保压时间(s)阀体试验止回阀其它阀类≤50601565-1506060 200-30060120≥350120300(5)蝶阀壳体强度试验最短保压时间不少于表5的规定。
蝶阀强度实验最短保压时间表5公称通径(mm)试验保压时间(s)阀门试验≤501565-20060≥250180(6)带有蒸汽夹套的阀门,夹套部分应以1.5倍的蒸汽工作压力进行压力试验。
(7)质量标准——阀门达到保压时间后,阀体(包括填料函和中口连接处)不得发生渗漏。
—不得发生结构损伤。
2)阀门密封和上密封试验(1)密封试验指阀门启闭件和阀体等密封面止漏性能的试验。
(2)上密封试验(倒密封试验)指阀杆与阀盖密封面止漏性能的试验。
阀门强度及严密性试验a)液体压力试验(强度和严密试验)1)下列管道所用阀门应逐个进行壳体液压试验,不合格者不得使用;—输送剧毒流体介质、有毒介质、可燃介质管道的阀门;—输送设计压力>1MPa或设计压力≤1MPa且设计温度≤-29℃或>186℃的非可燃介质、无毒介质管道的阀门;2)设计压力≤1MPa且设计温度为≤-29℃或>186℃的非可燃介质、无毒介质,应从每批抽10%且不少于一个,进行液体压力试验,当不合格时,应再抽查20%,仍有不合格时,则该批阀门不得使用。
3)公称压力<1MPa且公称直径≥600mm的闸阀,可不单独进行液体压力试验,可在系统试压时进行检查。
b)试验要求1)壳体强度试验(1)公称压力≤31.4MPa时,试验压力为公称压力的1.5倍;(2)公称压力>31.4MPa时,其试验压力应按表3要求进行;阀门壳体强度试验压力表3公称通径(mm)磨损余量(mm)39.2 49.0 62.7 78.454.9 68.7 88.2 107.9(3)试验介质采用洁净水或煤油。
对于奥氏不锈钢阀门,水的氯含量不得超过25PPm。
(4)强度试验最短保持压力的时间,一般阀门应不少于表4的规定。
一般阀门试验最短保压时间表4公称通径(mm)试验保压时间(s)阀体试验止回阀其它阀类≤50601565-1506060 200-30060120≥350120300(5)蝶阀壳体强度试验最短保压时间不少于表5的规定。
蝶阀强度实验最短保压时间表5公称通径(mm)试验保压时间(s)阀门试验≤501565-20060≥250180(6)带有蒸汽夹套的阀门,夹套部分应以1.5倍的蒸汽工作压力进行压力试验。
(7)质量标准——阀门达到保压时间后,阀体(包括填料函和中口连接处)不得发生渗漏。
—不得发生结构损伤。
2)阀门密封和上密封试验(1)密封试验指阀门启闭件和阀体等密封面止漏性能的试验。
(2)上密封试验(倒密封试验)指阀杆与阀盖密封面止漏性能的试验。
2.9 阀门严密性试验
机组在3000RPM定速后,油开关闭合前可以进行阀门严密性试验。
阀门严密性试验分为主汽门严密性试验和调节阀严密性试验。
点击主画面中的“阀门试验”窗口,弹出窗口图:
如上图示
主汽门严密性试验:点击窗口图中的“主门严密性试验”按钮,高/中压主汽门上的开启电磁阀带电,主汽门关闭,主汽门位移反馈棒图为零,窗口图上方“左高主关”、“右高主关”、“左中主关”
和“右中主关”黄色指示灯亮,转速惰走。
主汽门严密性试验过程中,高/中/低压调门保持开启状态。
试验结束后,(1)点击窗口图中的“取消阀门试验”按钮,主汽门开启电磁阀失电,主汽门重新打开,汽机超速,OPC电磁阀动作,转速恢复3000RPM。
(2)为防止汽机超速,可在结束试验时打闸停机,然后进行升速控制,转速恢复3000RPM。
以上两种方式电厂可根据需要,任选其一。
调门严密性试验:调门严密性试验时,主汽门打开,调门关闭,转速惰走。
操作步骤与前面2.2节中描述的“停机”操作相同。
试验结束后,点击“启机”按钮,通过升速控制来使汽机转速恢复3000RPM。
注意
阀门严密性试验必须在3000转定速、油开关未闭合的状态下才有效。
阀门严密性试验标准阀门的严密性是指阀门在关闭状态下能否完全阻止介质的泄漏。
阀门的严密性试验是阀门性能测试的重要环节,也是保证阀门安全可靠运行的关键之一。
本文将介绍阀门严密性试验的标准及相关内容。
首先,阀门严密性试验的标准主要包括国际标准和行业标准。
国际上常用的阀门严密性试验标准有ISO 5208、API 598等,而国内则有GB/T 13927、JB/T 9092等标准。
这些标准规定了阀门严密性试验的方法、试验介质、试验压力、试验温度、试验持续时间等内容,确保了阀门严密性试验的科学性和规范性。
其次,阀门严密性试验的方法通常包括气密性试验和密封性试验两种。
气密性试验是指在试验压力下,用气体对阀门进行试验,检测阀门是否存在泄漏现象。
而密封性试验则是在试验压力下,用液体对阀门进行试验,检测阀门是否存在泄漏现象。
这两种试验方法各有优劣,根据不同的使用场合和要求,选择合适的试验方法进行测试。
另外,阀门严密性试验的试验介质一般包括空气、水、油等,根据阀门的使用环境和介质特性选择合适的试验介质进行试验。
试验压力和试验温度的选择也需要根据阀门的设计压力等参数来确定,以确保试验结果的准确性和可靠性。
最后,阀门严密性试验的持续时间也是需要严格控制的。
试验持续时间过短可能无法完全检测出阀门的泄漏问题,而过长则会增加试验成本和时间。
因此,根据标准规定的要求,合理控制试验持续时间,确保试验的有效性和经济性。
总之,阀门严密性试验是阀门质量控制的重要环节,严格按照标准规定进行试验,可以有效保证阀门的安全可靠运行。
各相关企业和单位在进行阀门严密性试验时,应严格遵守标准要求,确保试验结果的准确性和可靠性,为阀门的使用提供保障。
精心整理
①、阀门安装前应作强度和严密性试验,试验介质为自来水,环境温度不得低于5℃;当
环境温度低于5℃时,应采取防冻措施:
②、试验应在每批(同牌号、同型号、同规格)数量中抽查10%,且不少于一个,无渗漏
及裂纹为合格,如有渗漏或裂纹时,再抽查20%,如仍有时,该批阀门不得使用;对用于主管道的起切断作用的闭路阀门及消防泵房内的所有阀门应逐个进行强度及严密性
试验;减压阀及泄压阀应逐个进行功能试验;
③、阀门的强度和严密性试验,应符合如下规定:阀门的强度试验压力为工程压力的1.5
⑧、闭式喷头严密性试验无渗漏及损伤为合格,应以每批(同牌号、同规格、同型号)数
量中抽查1%,且不得少于5只,试验压力为3.0Mpa,保压时间不得少于3min,当2只及2只以上不合格时,不得使用该批喷头;若仅有1只不合格时,再抽查2%,但不得少于10只,如仍有不合格时,该批喷头不得使用;
⑨、消火栓及水泵接合器强度试验为工作压力的1.5倍,稳压10min,严密性试验为工作压
力,稳压10min。
精心整理
①、阀门安装前应作强度和严密性试验,试验介质为自来水,环境温度不得低于5℃;当
环境温度低于5℃时,应采取防冻措施:
②、试验应在每批(同牌号、同型号、同规格)数量中抽查10%,且不少于一个,无渗漏
及裂纹为合格,如有渗漏或裂纹时,再抽查20%,如仍有时,该批阀门不得使用;对用于主管道的起切断作用的闭路阀门及消防泵房内的所有阀门应逐个进行强度及严密性
试验;减压阀及泄压阀应逐个进行功能试验;
③、阀门的强度和严密性试验,应符合如下规定:阀门的强度试验压力为工程压力的1.5
⑧、闭式喷头严密性试验无渗漏及损伤为合格,应以每批(同牌号、同规格、同型号)数
量中抽查1%,且不得少于5只,试验压力为3.0Mpa,保压时间不得少于3min,当2只及2只以上不合格时,不得使用该批喷头;若仅有1只不合格时,再抽查2%,但不得少于10只,如仍有不合格时,该批喷头不得使用;
⑨、消火栓及水泵接合器强度试验为工作压力的1.5倍,稳压10min,严密性试验为工作压
力,稳压10min。
主汽阀、调汽阀严密性试验8.2.9.1试验目的:检验汽机主、调汽门严密性。
8.2.9.2试验时间:机组大小修后。
8.2.9.3试验条件:1、机组已升速至额定转速阀门切换已完毕,发变组未并网之前。
2、机组运行稳定,无异常报警,汽机上、下缸温差、振动、膨胀、转子热应力在规定范围内。
3、主汽压力正常为额定主汽压力13.24 Mpa,最低不低于50%的主汽压力,维持额定真空,试验过程中应保持汽温、汽压稳定。
8.2.9.4试验方法:1、检查阀门控制方式为单阀控制,各主调节阀开度相同。
2、主汽门活动试验时,联系热工关闭关闭高压主汽门(就地操作)。
3、查所有的高压主汽阀和中压主汽阀全部关闭,高压调节阀和中压调节阀处于开启状态,汽机转速下降。
4、当转子下降至稳定转速不再下降后,记录主汽压力和下降至的转速及下降所需时间。
5、降速过程结束后打闸停机,恢复,然后重新挂闸,汽机重新定速3000RPM。
6、当机组转速至额定转速后,保持主汽压力、温度的稳定,准备作调节阀的严密性试验。
7、在DEH画面关闭高、中压调门。
8、查所有的高压调节阀和中压调节阀全部关闭,高压主汽阀和中压主汽阀处于开启状态,转子转速下降。
9、当转子下降至稳定转速不再下降后,记录主汽压力和下降后的转速及转速下降所需时间。
10、降速过程结束后打闸停机,然后重新挂闸,汽机重新定速3000RPM。
8.2.9.5试验要求:1、主汽阀、调节阀严密性试验分别进行。
2、主汽阀和调节阀中之一全关而另一汽阀全开时,应保证汽轮机转速降到1000rpm/min以下,并记录过程时间。
3、主汽压力不低于50%额定压力时,汽轮机转速下降值N可按下式修正N=(P/P。
)×1000rpm:式中:P----试验时的主蒸汽压力P。
---额定主汽压力4、试验前检查交、直流润滑油泵及氢密封油备用泵连锁正常,或在试验前启动氢密封油备用泵、交流润滑油泵运行,转速降至600rpm时,顶轴油泵启动,监视润滑油压力正常。
阀门强度及严密性试验a)液体压力试验(强度和严密试验)1)下列管道所用阀门应逐个进行壳体液压试验,不合格者不得使用;—输送剧毒流体介质、有毒介质、可燃介质管道的阀门;—输送设计压力>1MPa或设计压力≤1MPa且设计温度≤-29℃或>186℃的非可燃介质、无毒介质管道的阀门;2)设计压力≤1MPa且设计温度为≤-29℃或>186℃的非可燃介质、无毒介质,应从每批抽10%且不少于一个,进行液体压力试验,当不合格时,应再抽查20%,仍有不合格时,则该批阀门不得使用。
3)公称压力<1MPa且公称直径≥600mm的闸阀,可不单独进行液体压力试验,可在系统试压时进行检查。
b)试验要求1)壳体强度试验(1)公称压力≤31.4MPa时,试验压力为公称压力的1.5倍;(2)公称压力>31.4MPa时,其试验压力应按表3要求进行;阀门壳体强度试验压力表3公称通径(mm)磨损余量(mm)39.2 49.0 62.7 78.454.9 68.7 88.2 107.9(3)试验介质采用洁净水或煤油。
对于奥氏不锈钢阀门,水的氯含量不得超过25PPm。
(4)强度试验最短保持压力的时间,一般阀门应不少于表4的规定。
一般阀门试验最短保压时间表4公称通径(mm)试验保压时间(s)阀体试验止回阀其它阀类≤50601565-1506060 200-30060120≥350120300(5)蝶阀壳体强度试验最短保压时间不少于表5的规定。
蝶阀强度实验最短保压时间表5公称通径(mm)试验保压时间(s)阀门试验≤501565-20060≥250180(6)带有蒸汽夹套的阀门,夹套部分应以1.5倍的蒸汽工作压力进行压力试验。
(7)质量标准——阀门达到保压时间后,阀体(包括填料函和中口连接处)不得发生渗漏。
—不得发生结构损伤。
2)阀门密封和上密封试验(1)密封试验指阀门启闭件和阀体等密封面止漏性能的试验。
(2)上密封试验(倒密封试验)指阀杆与阀盖密封面止漏性能的试验。
电厂阀门检修范围及严密性试验和解体检修要求一、现场阀门检修范围:1、进口阀门:对厂家明确提出现场不做检体检查和严密性试验的阀门可不进行,其它未明确指出的要根据规定进行检查和试验;2、双金属阀、隔膜阀、调整阀不做现场解体检查和严密性试验;3、国产的柱塞阀、消防阀、调节阀、减压阀、特殊形状的角式阀及口径大于500mm 的蝶阀不做现场解体和严密性试验;4、国产的球阀、弹簧安全泄压阀不做解体检查,但必须要做严密性试验;5、热工专用小口径针型阀:对厂家未明确提出现场不做解体检查及严密性试验的,按规格和批量作抽检。
检查内容包括解体及严密性试验,合金部件的光谱复查。
6、用于化学水系统的衬胶、衬塑类阀门可不做解体检查,但要做水压试验。
二、对阀门解体检查和严密性试验的要求1、对不可解体检查和水压试验阀门范围以外的各类阀门必须进行100%解体检查及水压试验;2、用于燃油、润滑油、抗燃油系统的阀门在解体后必须仔细清除阀壳、阀盖及阀室内的型砂、油漆、毛刺、焊瘤、飞溅等杂物,使之露出金属本色,除此外还要用面粉团或其它粘性物质,接触铸件内腔各部分,直到面粉团上不肉眼可见的细微颗粒。
并换用相应的耐油盘根、金属缠绕垫片。
油系统阀门检查处理后应分开存放并做明显标识;3、合金阀门解体后还要根据图纸、资料提供的材质,对各合金零部件做光谱复查,而且禁止在阀门密封面、结合面等处引弧;4、用于氢系统及发电机定子冷却水系统的垫片,应按厂家要求的材质进行安装。
对使用于油、酸、碱等系统的阀门则使用相应的耐油、耐酸碱类的专用垫片;5、严密性检查重点检查阀座与阀芯、阀盖及填料室各部位及结合面内的严密性。
阀门进行严密性试验的方式应符合制造厂的规定,阀门严密性试验按阀门铭牌压力的1.25倍进行,保持5min无渗漏。
严密性不合格的阀门,要再次解体检查,消缺后再次进行严密性试验;6、对于特殊种类无法进行严密性试验的阀门如蝶阀、减压阀、疏水(器)阀、安全泄压阀以及直径大于500mm的阀门,严密性试验可以采用色印、存水、渗油等方法对阀门密封面进行检查,密封面应严密无泄露;7、解体检查及严密性试验合格的阀门,必须做相应的记录,做到一门一卡便于追溯,并在阀门显著位置做有标识。
②、试验应在每批(同牌号、同型号、同规格)数量中抽查10%,且不少于一个,无
渗漏及裂纹为合格,如有渗漏或裂纹时,再抽查20%,如仍有时,该批阀门不得使用;对用于主管道的起切断作用的闭路阀门及消防泵房内的所有阀门应逐个进行强度及严密性试验;减压阀及泄压阀应逐个进行功能试验;
③、阀门的强度和严密性试验,应符合如下规定:阀门的强度试验压力为工程压力的
倍,严密性试验压力应为工程压力的倍,试验压力在试验持续时间内应保持不变,且壳体填料及阀瓣密封面无渗漏,阀门试压的试验持续时间应不少于下表的规定:
④、严密性试验压力为阀门额定工作压力的倍,DN≤50为15S,65~200时为30s,
250~450时为60S;
⑤、强度试验时,阀门应打开,(止回阀应从出水侧进水),严密性试验时阀门应关闭
(止回阀应从进水侧进水);
⑥、报警阀应逐个进行严密性试验,试验压力为额定工作压力的2倍,保压时间不应
小于5min,阀瓣处无渗漏为合格;
⑦、信号阀应逐个进行严密性试验,试验压力为阀门额定工作压力的倍保压时间不少
于60S,无渗漏为合格;
⑧、闭式喷头严密性试验无渗漏及损伤为合格,应以每批(同牌号、同规格、同型号)
数量中抽查1%,且不得少于5只,试验压力为,保压时间不得少于3min,当2只及2只以上不合格时,不得使用该批喷头;若仅有1只不合格时,再抽查2%,但不得少于10只,如仍有不合格时,该批喷头不得使用;
⑨、消火栓及水泵接合器强度试验为工作压力的倍,稳压10min,严密性试验为工作
压力,稳压10min。
批准:
审核:
编写:
Q/GDNMDS
国电内蒙古东胜热电有限公司技术措施
Q/GDNMDS.204.6.26—2009
汽轮机阀门严密性试验
2009- 6-26 发布
版本/修改:A/0
前言
本措施依据GB/T19001-2000、GB/T28001-2001、GB/T24001-2004管理体系标准化工作要求,结合本公司质量安健环管理及实现管理规范的要求制定。
本措施由国电内蒙古东胜热电有限公司标准化委员会提出。
本措施由本公司发电部负责起草、归口并负责解释。
本措施起草人: 陈亚楠
审核:
批准:
本措施为机组重要试验所编写的操作指导,望各值班人员严格按照公司及部门的有关工作安排认真做好机组安全运行工作,本措施为内部技术资料,各值班人员要认真落实。
本措施于2009年6月26日首次发布。
本措施的版本及修改状态:A/0.
阀门严密性试验
一、 试验条件
1、 汽轮机主保护100%投入;
2、 汽轮机润滑油系统运行正常,低油压保护试验合格;
3、 试验盘车电机、交流润滑油泵、直流润滑油泵、高压启动油泵、顶轴油泵正常投备;
4、 汽轮发电机轴承振动、轴瓦金属温度、轴承回油温度正常;
5、 汽轮发电机各轴振合格;
6、 汽轮机手动打闸按钮、就地停机手柄试验合格;
7、 汽机掉闸或打闸后各段抽汽逆止阀、电动阀,高排逆止阀,抽汽供热逆止阀、电动阀,
空气导引阀联动正确;
8、 汽轮机调节系统满足空负荷要求,空负荷下转速波动±1rpm ; 9、 汽机满速后,全面检查各参数正常; 10、 确认DCS 、就地转速表误差≤3rpm ;
二、 试验操作方法
1、 检查机组已升速至额定转速阀门切换已完毕,汽轮机空负荷运行。
2、 检查TSI 各参数正常。
3、 检查汽机各系统运行正常。
4、 确认汽机主保护投入正常。
5、 检查机组运行稳定,无异常报警,汽机上、下缸温、振动、膨胀、转子热应力在规定
范围内。
6、 检查调整主汽压力不低于50%的额定主汽压力,维持额定背压,试验过程中保持汽温、
汽压稳定。
7、 启动高压备用密封油泵(启动油泵),检查正常。
8、 启动交流润滑油泵,检查运行正常。
9、 检查解除机跳炉保护。
10、 检查确认DEH 运行方式 “操作员自动”。
11、 检查确认阀门控制方式为单阀控制。
12、 在DEH 操作画面中打开阀门严密性试验操作窗口。
13、 点击阀门严密性试验窗口下的“高压调节阀/中压调节阀”按钮,并确认。
14、 检查机组所有的高压调节阀和中压调节阀全部关闭,高压主汽阀和中压主汽阀处于
开启状态,转子转速下降。
15、 当转子下降至稳定转速不再下降后,记录主汽压力和下降后的转速。
16、 高、中压调门全关后,转速降至计算值以下时严密性试验合格。
17、 计算公式:
p :试验时主汽压力;p0:额定主汽压力。
18、 转速下降过程中,注意润滑油压的变化,转速降至1500rpm 以下,联动顶轴油泵,
监视顶轴油压力正常
19、 试验过程中应监视机组振动,过临界时,如振动超过限值应立即手动打闸停机。
20、 试验完毕取消主汽门严密性试验,汽机打闸。
21、 重新挂闸,定速3000rpm ,检查各部正常。
22、 主汽阀严密性试验同上。
1000×0
P p
h
三、阀门严密性试验记录表
最终主蒸汽压力主蒸汽温度
最高轴振再热蒸汽温度
最高轴承振动最高轴承金属温度
最终稳定转速最高轴承回油温度
润滑油母管油压主油泵出口油压
主蒸汽压力主蒸汽温度
最高轴振再热蒸汽温度
最高轴承振动最高轴承金属温度
最终稳定转速最高轴承回油温度
润滑油母管油压主油泵出口油压
2、任意轴振≥254um时立即打闸停机;
3、任意支持轴承金属温度≥113℃时立即打闸停机;
4、任意推力轴承金属温度≥107℃时立即打闸停机;
5、任意轴承回油温度≥82℃时立即打闸停机;
6、胀差达到-1.5或+16.45时立即打闸停机;
7、低压缸排汽温度>121℃时立即打闸停机;
8、高压缸排汽温度>427℃时立即打闸停机;
9、主、再热蒸汽温度10min内下降50℃以上时立即打闸停机;
五、组织措施
1、试验前全面抄录汽机报表,调整超限参数;
2、汽轮机前箱处专人监视;
3、汽轮发电机就地专人检查;
4、DEH专人操作;
5、TSI画面、润滑油画面、DEH画面专人监视;
6、集控室操作盘停机按钮防护盖打开;
7、试验前安排专人负责异常时室内打闸;
8、汽轮机前箱处安排专人负责异常时打闸,同时兼备就地转速、油压的监视。