纺织企业安全生产检查表
- 格式:doc
- 大小:228.50 KB
- 文档页数:6
轻纺企业安全生产检查表目录隐患排查治理专业技术组名单 (1)安全检查记录表 (2)安全检查重点部位台账 (3)事故隐患整改通知单 (4)消防设备检查表 (5)消火栓巡检表 (6)通用电气设备检查表 (7)照明设备检查表 (8)防雷设备检查表 (9)变配电系统检查表 (10)变压器检查表 (11)工业气瓶检查表 (12)低压电气线路(固定线路)检查表 (13)低压电气线路(临时线路)检查表 (14)动力(照明)配电箱(柜、板)检查表 (15)电焊机考评检查表 (16)手持电动工具检查表 (17)缝纫设备考评检查表 (18)裁剪设备考评检查表 (19)熨烫设备考评检查表 (20)洗涤设备考评检查表 (21)烘干设备考评检查表 (22)打包设备考评检查表 (23)除尘设备考评检查表 (24)空压机检查表 (25)通用机械设备检查表 (26)压力容器检查表 (27)工业管道检查表 (28)场内机动车辆检查表 (29)隐患排查治理专业技术组名单安全管理部门负责人:批准人:1安全检查记录表2安全检查重点部位台账3事故隐患整改通知单4消防设备检查表5消火栓巡检表6通用电气设备检查表7照明设备检查表8防雷设备检查表9变配电系统检查表10变压器检查表11工业气瓶检查表12低压电气线路(固定线路)检查表13低压电气线路(临时线路)检查表14动力(照明)配电箱(柜、板)检查表15电焊机考评检查表16手持电动工具检查表17缝纫设备考评检查表18裁剪设备考评检查表19熨烫设备考评检查表20洗涤设备考评检查表21烘干设备考评检查表打包设备考评检查表23除尘设备考评检查表24空压机检查表25通用机械设备检查表26压力容器检查表27工业管道检查表28轻纺企业安全生产标准化管理手册——检查记录分册场内机动车辆检查表29。
安全生产检查用表一、基本信息1. 企业名称:2. 检查日期:3. 检查人员:4. 检查部门:二、场所环境1. 工作区域整洁、无杂物堆放,地面干净、无积水:2. 通道畅通,无障碍物阻挡:3. 危险品储存区域标识清晰,储存方式符合相关规定:4. 消防设施完好,消防通道无堵塞:三、安全设施1. 电气设备无漏电、无明火现象:2. 操作台、工作台稳固,无松动现象:3. 使用的机械设备符合安全要求,有相应的防护装置:4. 物资储存架、货架稳固,无倾倒、坍塌隐患:5. 紧急疏散通道标识清晰、畅通无阻:四、作业安全1. 工作人员佩戴个人防护装备,如安全帽、防护眼镜等:2. 作业人员操作规范,严禁违章操作:3. 足够的安全警示标志和安全提示牌:4. 作业人员接受过相关的安全培训,具备相关操作证书:5. 高处作业有可靠的防护设施,如安全带、防护网等:五、应急准备1. 灭火器、消防栓等消防设备齐全,并定期检查维护:2. 应急疏散通道畅通,安全出口标识醒目清晰:3. 应急预案编制完备,员工熟悉应急预案流程:4. 有专人负责应急事故的报告和处理:六、安全管理1. 安全生产责任制落实到位,明确责任人和岗位职责:2. 安全教育培训制度完善,定期开展安全教育活动:3. 安全生产记录完整,日常巡检记录、事故记录等齐全:4. 落实安全隐患整改制度,及时消除隐患,防止事故发生:七、其他注意事项1. 工作人员自愿参与安全生产活动,提高安全意识:2. 加强安全宣传,提供相关安全知识和技能培训:3. 定期组织安全演练,提高应急处理能力:4. 高风险作业需进行专项评估,并采取相应的防护措施:5. 定期检查安全设施的使用情况,及时修理和更换损坏设施:以上为安全生产检查用表,根据实际情况进行检查,发现问题及时整改,并做好相关记录。
通过持续的安全生产检查,确保企业的安全生产环境,减少事故发生的可能性,保障员工和设备的安全。
公司安全生产检查表1. 工作场所安全。
是否存在明显的安全隐患,如地面不平整、电线暴露等?是否有足够的逃生通道和应急疏散标识?
工作场所是否保持整洁,杂物是否堆积?
2. 设备安全。
设备是否定期进行维护和检查?
是否有使用说明书和安全警示标识?
是否有员工未经培训操作设备的情况?
3. 个人防护。
是否有提供适当的个人防护用品,如头盔、手套等?
是否有员工拒绝佩戴个人防护用品的情况?
4. 应急预案。
是否有建立完善的应急预案和演练计划?
是否有员工了解应急预案和相应的应急措施?
5. 培训和教育。
是否有定期进行安全生产培训和教育?
是否有员工对安全生产规定和操作程序不熟悉的情况?
以上内容为公司安全生产检查表的一部分,作为人力资源行政专家,我们需要确保公司的安全生产工作得到有效执行和监督,保障员工的生命财产安全。
安全生产工作计划检查表1. 组织机构与责任分工1.1 是否建立了安全生产委员会,并明确了职责和权力。
1.2 是否成立了安全生产管理机构,并明确了各岗位的职责和权限。
1.3 是否制定了安全管理制度和责任追究制度,并明确了管理人员的责任和追究方式。
2. 安全培训与教育2.1 是否开展了安全培训与教育,包括入职培训和定期培训。
2.2 是否对员工的安全意识进行宣传和普及。
2.3 是否定期开展安全技能培训,提高员工的应急处置和自救能力。
3. 安全生产设施与装备3.1 是否配备了符合安全要求的生产设施和装备。
3.2 是否制定了安全使用设备的操作规程。
3.3 是否建立了设备维护和保养制度,确保设备的正常运行和安全性。
4. 安全生产标准与规范4.1 是否建立了符合国家和行业标准的安全生产体系。
4.2 是否制定了安全操作规程和操作指南,并进行了宣传和培训。
4.3 是否建立了安全生产标准化评价和改进体系,确保标准的有效执行和持续改进。
5. 生产作业流程与风险评估5.1 是否制定了生产作业流程和操作规程,并进行了风险评估。
5.2 是否建立了事故预防和应急措施,确保生产作业的安全进行。
5.3 是否制定了风险管控计划,并进行了执行和监督。
6. 安全生产监督与检查6.1 是否建立了安全生产监督和检查机制,明确了检查的频率和内容。
6.2 是否定期组织安全生产检查,发现问题及时整改,确保安全生产规范执行。
6.3 是否建立了安全隐患排查和整改制度,及时消除安全隐患,预防事故发生。
7. 事故应急救援与处理7.1 是否建立了事故应急救援预案,并进行了演练和培训。
7.2 是否做好事故报告和调查工作,及时掌握事故原因,采取正确的处理措施。
7.3 是否对事故的处理进行了总结和分析,提出改进措施,避免类似事故再次发生。
8. 安全生产宣传与教育8.1 是否定期开展安全生产宣传活动,提高员工的安全意识。
8.2 是否建立了安全生产宣传物资,如海报、标语等,并进行了有效的宣传和推广。
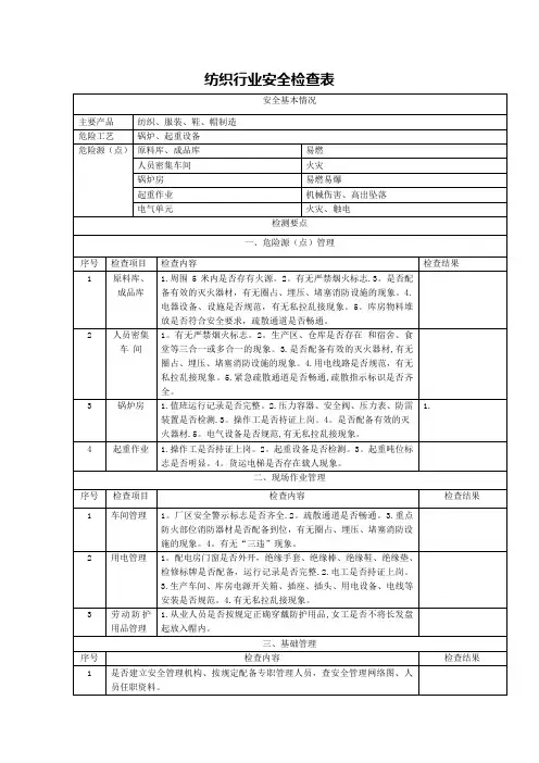
纺织企业安全检查表1(1)主要负责人、安全生产管理人员是否有安全培训合格证书。
[(一)从业人员不足100人的,应当配备专职或者兼职的安全生产管理人员; (二)从业人员在100人以上不足300人的,应当配备专职安全生产管理人员; (三)从业人员在300人以上不足1000人的,应当设置安全生产是□否□管理机构,并配备2名以上专职安全生产管理人员,其中至少应当有1名注册安全工程师; (四)从业人员在1000人以上的,应当设置专门的安全生产管理3安全教育培训机构,并按不低于从业人员3‰的比例配备专职安全生产管理人员,其中至少应当有2名注册安全工程师。
生产经营单位使用劳务派遣人员从事作业的,劳务派遣人员应当计入该生产经营单位的从业人员人数。
(依据山东省政府260号令)(2)企业新员工是否进行了进厂三级教育。
是□否□(3)特种作业人员培训教育。
(电梯工、制冷工、叉车工、电工、是□否□压力容器操作工等)是否取得相关特种作业操作证,持证上岗。
(1)是否建立隐患排查治理制度。
是□否□4隐患排查治理(2)事故隐患排查台账是否闭合。
是□否□(1)是否建立事故应急救援制度是□否□*(2)是否针对重点部位制定了事故应急救援预案(应急救援预案中有组织指挥机构:相关人员的职责和分工;应急救援组织、人员是□否□及装备情况(包括应急灯、安全疏散出口、疏散标志等)紧急救援5事故应急救援措施;经费保障等。
(3)是否组织应急演练(每年至少一次)。
是□否□(4)是否根据有关规定将应急预案报当地主管部门备案,并通报有是□否□关应急协作单位。
23*(5)厂房的安全出口应分散布置。
每个防火分区、一个防火分区的每个楼层,其相邻2个安全出口最近边缘之间的水平距离不应小于5m。
是□否□*(6)厂房的每个防火分区、一个防火分区内的每个楼层,其安全出口的数量应经计算确定,且不应少于2个;当丙类厂房,每层建筑面积小于等于250m2,且同一时间的生产人数不超过20人时,可设置1个安全出口。
安全生产综合检查表安全生产综合检查表是用于检查和评估企业日常生产过程中的各项安全措施的工具。
下面是一个安全生产综合检查表的范例,包括了一些常见的安全问题和评估指标。
安全生产综合检查表日期:____________ 检查人:____________一、现场安全1. 是否存在明显的危险源?(如高处作业、电气设备、危险化学品等)2. 是否存在滑倒、摔伤的隐患?(如存在不平整的地面、杂乱的物品等)3. 是否设置了安全警示标识和警示标语?二、设备安全1. 设备是否经过定期检修和维护?2. 设备是否存在损坏或松动的部件?3. 设备是否符合国家标准和安全规范?三、作业操作1. 是否存在违反操作规程的行为?2. 是否存在违反安全操作程序的现象?3. 是否存在滥用机械设备或工具的情况?四、职工安全1. 是否配置了必要的个人防护装备?2. 职工是否接受了安全培训?3. 是否建立了安全责任制度,明确职工的责任和义务?五、应急准备1. 是否设置了应急疏散通道和应急照明设备?2. 是否定期进行应急演练和逃生演练?3. 是否配置了必要的急救设备和急救药品?六、消防安全1. 是否设置了灭火器和灭火器的数量是否充足?2. 是否定期进行消防器材的检查和维护?3. 是否设置了明火禁止区域和禁止吸烟区域?七、环保安全1. 是否存在污染环境的情况?2. 是否存在未按照环保要求正确处置废物的情况?3. 是否存在违反环保法规的行为?以上是一个安全生产综合检查表的范例,可以根据实际情况进行修改和补充,以适应不同企业的安全生产需求。
通过定期进行安全生产综合检查,可以帮助企业及时发现和解决安全隐患,确保生产过程的安全和稳定。