工业企业安全生产检查表
- 格式:doc
- 大小:392.50 KB
- 文档页数:35
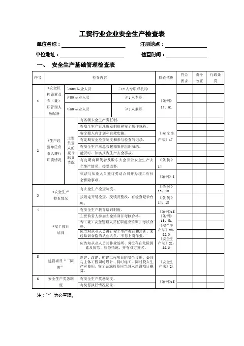
工贸行业企业安全生产检查表单位名称:注册地点:单位地址:检查时间:一、安全生产基础管理检查表序号检查内容检查依据符合要求责令改正行政处罚1 *安全机构设置及专(兼)职管理人员配备≥300从业人员≥2人专职或机构《条例》17、51≥50从业人员≥1人专职≤50从业人员≥1人兼职2 *生产经营单位负责人履行职责情况主要负责人的履行职责情况有各级安全生产责任制。
《安全生产法》17有安全生产管理规章制度和安全操作规程。
安全投入有计划和有效实施。
有定期安全检查制度和参与检查的记录。
有安全生产应急救援预案并组织演练。
能及时、如实报告生产安全事故。
有定期向职代会及股东大会报告安全生产安全生产情况,接受监督。
《条例》14依法与从业人员签订劳动合同并办理工伤社会保险事项。
《条例》53 *安全生产检查情况有安全生产检查制度。
《条例》13、18按规定开展检查、反馈及整改,有检查记录台帐。
《条例》14、184*安全教育培训有安全生产教育培训制度。
《条例》15《条例》19、51《安全生产法》22、82.3《安全生产法》21、82.3主要负责人参加安全培训并考核合格。
专(兼)安全管理人员任职前应培训并考核合格。
应当对从业人员进行安全生产教育和培训,未经培训合格的从业人员,不得上岗作业。
应告知从业人员其作业场所、岗位存在危险因素及防范、应急措施,并有双方签名。
5建没项目“三同时”新建、改建、扩建工程项目的安全设施,必须与主体工程同时设计、同时施工、同时投入生产和使用。
安全设施投资应当纳入建设项目概算。
《安全生产法》246 安全生产奖惩制度有安全生产奖惩制度。
《条例》15 有奖惩执行情况记录。
注:“*”为必查项。
续表序号检查内容检查依据符合要求责令改正行政处罚7 发包、租赁的安全管理不得将生产经营项目、场所、设备发包或者出租给不具备安全生产条件或者相应资质的单位或者个人。
《安全生产法》41、86《条例》26 将生产经营项目、场所、设备发包或者出租给给个人、单位,应签订安全生产管理协议。
冶金、有色企业安全生产隐患排查检查表企业名称(公章):企业负责人:
- 1 - / 12
- 2 - / 12
化工和涉及化工生产的医药生产企业安全生产隐患排
查检查表
企业名称(公章):企业负责人:
- 3 - / 12
化工经营企业安全生产隐患排查检查表企业名称(公章):企业负责人:
- 4 - / 12
- 5 - / 12
危险化学品充装单位安全生产隐患排查检查表企业名称(公章):企业负责人:
- 6 - / 12
建筑施工企业安全生产隐患排查检查表企业名称(公章):企业负责人:
- 7 - / 12
- 8 - / 12
电网企业安全生产隐患排查检查表企业名称(公章):企业负责人:
- 9 - / 12
交通运输企业安全生产隐患排查检查表企业名称(公章):企业负责人:
- 10 - / 12
公路养护施工单位安全生产隐患排查检查表企业名称(公章):企业负责人:
- 11 - / 12
商场、*场等人员密集场所安全隐患排查检查表企业名称(公章):企业负责人:
- 12 - / 12。
企业安全生产主体责任落实情况检查表前言安全生产是企业长期健康发展的基石,是保障职工生命安全的核心。
为了保证企业安全生产责任落实得到有效执行,不断增强企业安全生产意识,特制定企业安全生产主体责任落实情况检查表,对企业安全生产责任落实情况进行检查。
检查内容1. 法定代表人、企业负责人是否履行安全生产主体责任?企业的法定代表人、企业负责人是企业的重要领导者,企业安全生产责任的主体,他们是否足够重视企业安全生产工作,以及是否落实相应的安全管理制度和措施是检查的重点内容。
•☐法人、企业负责人是否出台了企业安全生产政策?•☐是否明确了安全生产责任,安排专人负责安全生产工作?•☐是否制定了安全生产管理制度及规章制度?•☐是否进行过安全生产培训及演练?2. 企业是否存在安全生产隐患?企业在生产过程中是否存在安全生产隐患,以及隐患有无得到及时且有效地处理,是否存在未经过授权擅自改变设备、工具等安全生产行为,是否存在违反安全操作规程的行为是检查的核心内容。
•☐是否存在未经过授权擅自改动设备、工具等安全生产行为?•☐是否存在违反安全生产操作规程的情况?•☐是否存在未经过改正的安全生产隐患?•☐对上一次安全生产检查出的隐患是否得到及时且有效的改进?3. 企业是否落实安全检查、评估、监督等管理制度和措施?企业是否落实安全生产检查、评估、监督等一系列管理制度和措施,控制和管理不安全因素,有效降低生产安全事故的发生率是检查的关键内容。
•☐是否定期进行安全生产检查?•☐是否引进、掌握先进的安全检测设备和检测技术?•☐是否对员工进行日常的安全教育和培训?•☐是否建立了安全纪录和安全评价等管理机制?结语企业安全生产主体责任落实情况检查是企业安全生产管理的重要组成部分,对企业安全生产责任落实情况进行全面、深入的检查,掌握企业安全生产状况,发现问题,及时进行整改,加强安全意识,提高安全生产管理水平,更好地保障职工生命安全和企业长期健康发展。
生产企业安全检查表生产企业安全检查表一、生产设备安全检查1. 检查生产设备是否稳定安装,是否有明显松动或者倾倒的情况。
2. 检查生产设备上的电源线、气源管路等是否有严重老化、破损的情况。
3. 检查设备运行时是否有明显的异响、振动等异常情况。
4. 检查设备的防护罩、护栏等是否完好,能够有效保护工作人员的安全。
二、电气设备安全检查1. 检查电源线路是否有老化、破损的情况,是否有明显的漏电。
2. 检查电气设备是否有明显的线路错接、短路等现象。
3. 检查电气设备的保护开关、断路器等是否灵活可靠。
三、防火设施安全检查1. 检查消防器材(灭火器、消防栓等)是否摆放在易于取用的位置,是否经常维护保养。
2. 检查疏散通道是否畅通,并且标识清晰。
3. 检查生产场所是否存在易燃易爆物品,并且是否符合相应的防护要求。
4. 检查电线电缆的布线和接头是否整齐,是否存在过载或者短路的风险。
四、安全生产管理检查1. 检查是否制定了安全生产管理制度,并且贯彻执行情况。
2. 检查是否定期进行安全培训,提高员工的安全意识。
3. 检查是否进行定期的安全演练,提高员工的应急能力。
4. 检查是否存在事故预案,并且能够及时响应突发情况。
五、员工个人防护检查1. 检查员工是否佩戴个人防护用品,如安全帽、防护眼镜等。
2. 检查员工是否按规定穿戴工作服,避免穿戴松散易拉扯的衣物。
3. 检查员工是否注意工作时的姿势,避免发生过度劳累的情况。
六、其他安全检查1. 检查厨房和餐厅是否存在油污、杂物堆积等安全隐患。
2. 检查危险化学品是否妥善存放,并且明确标识。
3. 检查车间内是否存在积水、滑倒等风险。
以上是生产企业安全检查表的部分内容,可以根据实际情况进行补充和完善。
通过定期的安全检查,可以及时发现并处理存在的安全隐患,保障员工和企业的安全。