手动蝶阀使用说明书
- 格式:doc
- 大小:130.50 KB
- 文档页数:6
Butterfly Valve EUROSTOP Manual type - Reinforced version (Abu Dhabi)Flanged Butterfly Valve (flange-flange) with joint in the automatic but-terfly (JPA) with double eccentricity and long spacing between theflanges.Ductile iron body and butterfly covered with blue epoxy powder 300microns mini.Range from DN150 to DN2000mm for pressures of PFA10 to 25 bar.Field of applicationButterfly valves are isolating valves used on water supply networks, in the interconnections of network, in the factories, in pumping stations, on the general networks and on the fire protection networks in the industrial sites.Butterfly valves are compatible with drinking water and raw water with grid filtration. They will be installed on water networks in factories, in valves chambers or buried.Their main advantages are:•Low pressure loss•Good performance thanks to the choice of the materials, the coatings and the design•Easy operation per mechanism of the worm type/without end•Mechanisms equipped with a standardized flange carry-accessory for buried version and motorizable version RangeThe EUROSTOP butterfly valve is available in different configuration: manual, buried service, motorized and motorizable (for this three last configuration see the specific TDS).References Manual TypeMaterial and coatingValve equipped with 4 holes for the lifting of the valves DN>600. The gear box of the mechanism is in ductile iron FGS 400-15 type.Dimensions and massManual Version PN10Manual Version PN16Manual Version PN25Gearbox type and handwheel Manual type PN10Manual type PN16Manual type PN25Applicable StandardsHydraulic testEvery single butterfly valve is subjected to hydraulic final test with the purpose of verifying the accordance with the prescrip-tions ISO 5208:•Body test at 1,5 time the PFA (open valve);•Seat test at 1,1 time the PFA (closed valve).Product test•Control of manoeuvre torque (MOT and mST) as defined in the EN1074•Control of coating: test of thickness, holiday test, impact test, MIBK testConformity to the standardsProduct:•EN 1074 – 1 and 2•EN 593•ISO 10631Plant test:•ISO 5208Flanges dimension:•ISO 5752 series 14Flanges drilling:•EN 1092-2•ISO 7005-2Suitability for potable water:•Italian CM 102 of 02/12/78•Conformity to foreign norms: KTW (Germany), WRC (U.K.), ACS (France)MarkingOn the body like EN19:•Nominal diameter in mm (DN);•Nominal pressure in bar (PN);•Type of ductile iron;•Manufacturer’s logo;•Model code;•Fusion date.On the label like EN19:•Nominal diameter in mm (DN);•Nominal pressure in bar (PN);•Maximum operating pressure (PFA);•Closing direction;•Model code;•Manufacturing order, Order confirmation;•Manufacturer’s logo.On the disc:•Nominal diameter in mm (DN);•Nominal pressure in bar (PN);•Type of ductile iron;•Manufacturer’s logo;•Model code.The marking of the valves manufactured by Saint-Gobain refers to the EN 1074-2 and EN 19 international standards. Markings are either integral markings, cast in the body, or markings made on plates, securely fixed to the body, in accordance with the EN 19 standard specifications.Valve selectionThe butterfly valves are generally used as isolating devices type on/off. In some particular case, in which there’s low differ-ences of pressure and low flow rate variation can be used like regulating devices, considering the hydraulic parameters necessary to avoid the cavitation risk.To do the right dimensioning of butterfly valve it’s necessary to know the followings parameters:•Upstream hydrostatic pressure (that is the hydrostatic pressure with valve in closed position)•The maximum speed in water pipe (generally expressed in l/s) or the nominal diameter and the project flow rate from which it is gained the speed V=Q/AMoreover it’s necessary to control that the maximum speed in water pipe have to be equal or inferior to 5m/s, and the exercise temperature have to be between 0°C and 40 °C.Hydraulic featuresThe head loss Δh are variable in function of valve open degree and can be calculated with the following expression:with Δh = head loss (m), ζ = head loss coefficient (dimensional), v = nominal speed (m/s), g = 9,81 (m/s²)The head loss coefficient can be estimated from this diagram:Determinates the head loss Δh it’s possible to calculate the flow rate Q in m3/h with the following expression (the same expression can be used to, having the project flow rate Q, to determinate the head loss Δh without using the head loss coefficient):in which 10,2 is a corrective factor in meters, and Kv is the flow rate coefficient in m3/h, determinable from the following diagram in function of valve open degree:Example: Valve DN600 mm - Δh = 3 mFrom the diagram with valve open to 100% the coefficient Kv is 20000 m3/h. Using this date in the flow rate expression:Otherwise it’s possible to calculate the head loss with valve completely open, having the project flow rate Q, in function of DN, using the following diagram:CavitationIf the butterfly valve is used only like isolating device there’s not cavitation risk.In the particular case in which it’s used like regulating device, this can be possible only respecting the following parameters:•The valve open degree have to be between 30° and 90° (valve completely open)•The downstream pressure P2 have to be: P2 ≥ 0,7 .P1 - 2,8 with P1 upstream pressure.Instructions for useStorageThe butterfly valve will have to be held (if possible) in covered places, the most possible protected from the sun (maximum allowable temperature 70°C in accordance to EN 1074), from the rain and generally from the atmospheric agents. Moreover it will have to be avoided that the seal of the same air valves come to contact with powder or earth.InstallationThe butterfly valves are generally installed with retaining ring mounted in the opposite way respect to the direction of flow rate to permit the substitution of gasket without dismounting the valve from pipeline. In any case it is possible to install the butterfly valve with flow rate in opposite direction and also, if required, in vertical position. We recommend to install the butterfly with the operating device on the hydraulic right side of pipeline.It’s possible to install the butterfly valve both in chamber valve that underground (choosing the right configuration).We recommend to insert a dismounting joint for the operation of maintenance.MaintenanceThe butterfly valve does not require a particular maintenance, all parts subjected to wear are perfectly auto-lubricating. In any case, if for a long time will be not used, it is necessary to evaluate the functioning of valve doing (at least one time for year) some manoeuvre of opening-closing.All the maintenance operation have to be do after the total emptying of pipeline (no flow rate and pressure) to avoid every risk to the people during this operation.In presence of particularly exercise condition or damage due to external cause, it will be necessary some maintenance operation. In this case the particular shape of EUROSTOP butterfly valve permits the simple gasket substitution without the dismounting of valve from pipeline (if the dismounting joint is present).AccessoriesTo adapt the butterfly valves to the different exercise and installation conditions required, they can be equipped with particular accessories used in combination with control devices: please refer to data sheet for accessories.The technical features in this document are not contractual and can be changed without preliminary notification due to the continuous technical progress of product.。
蝶阀使用说明书1.范围本说明书包括了公称通径DN50mm~1600mm(2”~64”)、公称压力PN1.0MPa~4.0MPa(ANSI CLASS150~300)法兰和对夹连接的手动、齿轮传动、电动和气动操作蝶阀。
2.用途2.1主要用于开启或关闭管道和设备的介质用,作调节、截流和止回使用。
2.2根据介质选用阀门的材质。
2.2.1碳钢阀门适用于水、蒸汽、油品等介质。
2.2.2不锈钢阀门适用于腐蚀性介质。
2.2.3铸铁阀门适用于水、气体介质。
2.3适用温度取决于阀座的材质。
PTFE(聚四氟乙烯)≤130℃不锈钢+复合体≤425℃橡胶≤85℃3.结构3.1蝶阀基本结构见图13.2易损件填料采用聚四氟乙烯或柔性石墨,密封可靠。
4.操作4.1手动操作阀门采用手柄或齿轮传动装置、电动或气动蝶阀由电动装置或气动装置驱动,使蝶板旋转90°开启或关闭阀门。
4.2对于手动(包括驱动装置的手轮)或扳手操作的蝶阀,除订货合同另有规定外,当面向手轮或扳手时,顺时针方向转动手轮或扳手阀门应为关。
4.3电动、气动蝶阀的开启、关闭指示由电动装置、气动装置上的位置指示器标识。
5.保管、保养、安装和使用5.1阀门应存放在干燥,通风的室内,阀门通道两端应堵塞。
5.2长期存放的阀门应定期检查,清除污物。
应特别注意密封面的清洁,防密封面的损坏。
5.3安装前应仔细核对阀门标志是否与使用要求相符。
5.4安装前应检查阀门通道和密封面,如有污垢,应使用清洁布擦拭干净。
5.5安装前检查填料是否压紧,应确保填料的密封性,同时不应妨碍阀杆的转动。
5.6安装时拧紧连接螺栓的拧紧力应均匀合适。
5.7本蝶阀可以安装水平、垂直的管道上,安装位置应保证使用维修更换方便。
5.8手动阀门在开启或关闭操作时,应使用手柄开、关,不得借用辅助杠杆或其它工具。
5.9阀门使用应定期检查,检查密封面有无磨损及垫片填料。
若损坏失效,应及时修理或更换。
5.10电动、气动阀门的传动装置,其保管、保养、安装和使用,请见“阀门电动装置使用说明书”及“阀门气动装置使用说明书”。
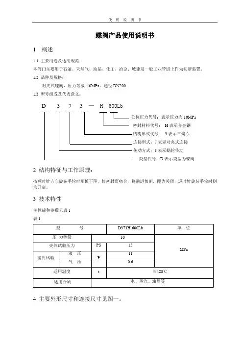
蝶阀产品使用说明书
1 概述
1.1 主要用途及适用规范:
本阀门主要用于石油、天然气、油品、化工、冶金、城建及一般工业管道上作为切断装置。
1.2 品种及规格:
对夹式蝶阀,压力等级10MPa、通径DN200
1.3 型号组成及代表意义:
D 3 7 3 — H 600Lb
公称压力代号:表示压力为10MPa
密封材料代号:H表示合金钢
结构形式代号:3表示三偏心
连接型式:7表示对夹式连接
传动方式:3表示蜗轮传动
类型代号:D表示类型为蝶阀
2 结构特征与工作原理:
按顺时针方向旋转手轮时闸板下降,使密封面吻合,将通道切断,即为关闭,逆时针旋转手轮时则为开启。
3 技术特性
主性能和参数见表1
表1
4 主要外形尺寸和连接尺寸见图一。
5 主要零件的材料
D373H-600Lb的主要零件材料见表2
表2
6 保管、使用和安装
6.1本阀门通道两端须堵密封盖,存放有干燥通风的室内。
长期存放,应经常检查,防止锈蚀6.2安装前,应将阀门清洗干净,并消除在运输过程中可能造成的缺陷。
6.3安装前,必须仔细核对阀门上的标志和铭牌是否符合使用要求。
6.4本阀门应安装在水平或垂直管道上的直立或侧卧位置,并便于检修和操作。
6.5本阀门在运行时应全开或全闭,不能作节流用,以免密封面受冲刷而加速磨损。
6.6传动部位应保持清洁,应定期加注润滑油。
7 故障分析与排除方法见表3
表3
图一。
蝶阀使用说明书1.用途:蝶阀是常用的截断阀之一,主要用来接通和截断管道中的介质,也可以适当起调节介质流量的作用。
2.产品描述2.1蝶阀是随阀杆一起转动的蝶板作启闭件,用以实现阀门的开启,关闭与调节。
2.2这种阀门的设计和制造标准为GB/T12238。
2.3安装图纸、适用工作温度,工作压力和主要材质都在样本中有详细说明。
3.储存、维修、安装和操作。
3.1储存和维修3.1.1阀门应储存在室内干燥并且通风的环境中。
两端应用盖子封住。
3.1.2阀门储存很长一段时间后应进行定期检查和清洁。
尤其要清洁密封座和蝶板以保护密封表层不受影响。
3.1.3如果储存时间超过12个月,阀门应该重新检测结构和性能。
同时进行记录。
3.1.4阀门在安装以后要定期进行检修。
检修内容如下:(1) 密封座(2) O型圈(3) 阀杆和填料(4) 阀体和蝶板上的锈斑3.2安装3.2.1保证阀门标志(型号、公称通径、公称压力、材质、)在安装前符合管道系统的要求。
3.2.2安装前仔细检测通道和密封面;任何污垢都应该清除。
3.2.3阀门应该安装在便于检测和操作的地方。
最好的位置是在立式安装。
3.2.4不适合安装在工作压力较大的环境,避免阀座损坏。
3.2.5应避免来自于支撑物、附件、管道等高压。
3.2.6安装后,在进行管道系统压力检测时,阀门应该完全开启。
3.2.7如果管道有足够的强度承受阀门重量和操作力矩,就不需用支撑点。
否则就需要。
3.3使用和操作3.3.1 在介质高速流动时,阀门必须完全开或全闭式,以避免密封面损伤。
3.3.2 当开启或关闭阀门时,可用其它工具代替手轮。
3.3.3在工作温度下,工作压力不应该超过最大允许的工作压力允许的最大工作压力为:PN10;温度范围是–10℃≤T≤100℃。
3.3.4在工作温度下,确保瞬间压力小于最大允许工作压力的1.1倍。
3.3.5在工作温度下,在管道中安装安全装置来防止工作压力超过最大允许压力值。
3.3.6禁止在运输\安装操作中撞坏阀门。
KD741液控蝶阀说明书泵站型液控蝶阀使⽤说明书⼀、主要性能特点、⽤途及适⽤范围本产品为新型的⽔泵出⼝重锤式液压控制蝶阀,全称为希斯威系列泵站型⾃动保压重锤式液控蝶阀或希斯威系列泵站型⾃动保压重锤式液控⽌回蝶阀,分普通型、防泥沙和防海⽔型三种,防泥沙型液控蝶阀⽤于⽔中含泥沙等杂质较多的泵站,防海⽔型液控蝶阀⽤于介质为海⽔或河⽔中混有海⽔等⼯况的泵站。
希斯威系列泵站型液控蝶阀是⽔泵站中管线系统截断或接通介质的理想设备,适⽤于装在⽔泵的出⼝处,作为⽔泵机组的主控阀门和安全阀,具有以下功能:1、本蝶阀根据启、停泵的⽔⼒过渡过程理论进⾏设计,采⽤分阶段开、关阀,其开阀、快关、慢关时间及快慢关转换⾓度等参数均可根据需要现场整定,可满⾜电⼚、⾃来⽔⼚、排灌⼯程等给排⽔泵站不同⼯况的要求。
2、本蝶阀在⽔泵机组正常启动时,可根据⽔泵机组要求按预先调定的不同程序启动,从功能。
当⽔泵为离⼼泵⼯况时,可先启泵后开阀,实现⽔泵关阀(造压)启动;当⽔泵为轴流泵或斜/混流泵⼯况时,可先开阀(全开或部分开度)后启泵。
3、机组正常停机时,本蝶阀可根据机组的要求按预先调定的不同程序分快慢两阶段关闭阀门,起到截⽌和⽌回的作⽤,当管道不发⽣⽔柱中断时,可有效地防⽌停泵时⽔泵反转、系统失⽔和管⽹压⼒升⾼,从⽽消除⽔锤危害、控制⽔泵反转,起到保护⽔泵机组和管⽹安全的作⽤。
当⽔泵为离⼼泵⼯况时,可实现先关阀(部分开度)后停泵;当⽔泵为轴流泵或斜/混流泵⼯况时,可实现先关阀(部分开度)后停泵或泵阀同时停的功能。
4、当机组紧急停机或电⽹突然失电等⾮常⼯况时,本阀将具有下述两种关阀形式之⼀,故请在泵站设计选型及产品订货合同中注明:(a)、正作⽤电磁阀型:在蝶阀开启情况下,电磁阀常带电,当电磁阀失电时,蝶阀关闭,⼀般适⽤于⽆稳定控制电源的⽔⼚采⽤。
阀门在失电的同时将⾃动按照预先调定的程序分快慢两阶段⾃动关闭,直⾄全关;(电⼚三期7、8、9号循环泵属正作⽤)(b)、反作⽤电磁阀型:在蝶阀开启时,电磁阀不带电,当电磁阀得电时,蝶阀关闭,需稳定的控制电源,⼀般适⽤于电⼚采⽤。
如需产品安装、维护或支持信息,请参考本文档末的信息。
1.0 产品描述供货尺寸• 2 – 8"/DN50 – DN200.管道材料• 碳钢,壁厚10、壁厚40。
如需使用其他材料,请与 Victaulic (唯特利)联系。
最大工作压力• 经 cULus 认证、LPCB 认证、FM 和 VdS 批准可在不超过 300 psi/2068 kPa /20 bar 的压力下使用。
应用• 蝶阀带有经认证的全天候执行机构外壳,适合室内或室外使用。
• 设计仅用于消防应用场合。
• 设计用于闭合状态监控。
在正常工作条件下,该阀门是关闭的。
• 专用于管端符合Victaulic OGS 沟槽管道系统规格的管道和Victaulic (唯特利)产品(有关参考材料,请参见7.0节)。
适用的管端连接• Victaulic (唯特利)传统沟槽系统(OGS )标准沟槽。
2.0 认证/列名G410013LPS 1185:Issue 3.1Cert/LPCB Ref. 104j/01846a/01FireLock ™ 蝶阀带全天候执行机构的 707C 系列 – 监控常闭10.75-CHI2.1 认证/列名707C 系列3.0 规格 – 材料阀体:符合ASTM A-536之65-45-12等级要求的球墨铸铁端面,2 – 6英寸/DN50 – DN150:符合ASTM A-536之65-45-12等级要求的球墨铸铁密封定位器,8 英寸/DN200:符合ASTM A-536之65-45-12等级要求的球墨铸铁阀体涂层:黑色醇酸树脂漆阀板:符合ASTM A-536之65-45-12等级要求的球墨铸铁,带符合ASTM B-733标准要求的化学镀镍涂层阀座:三元乙丙橡胶 (EPDM)阀杆:符合ASTM A-582标准要求的416不锈钢阀杆密封套:C36000黄铜轴承:内衬四氟乙烯的不锈钢阀杆密封材料:三元乙丙橡胶 (EPDM)阀杆定位环:碳钢执行机构: 2 – 8"/DN50 – DN150 :位于钢质导向螺杆上的可移动黄酮或青铜螺母,球墨铸铁外壳注• 可选配½英寸/15毫米锥螺纹孔。
KIESELMANNF L U I D P R O C E S SG R O U PMANUAL LEVEROur ergonomic thermal protection handle in the plasticblack/red design. Other colours are available on request.A stainless steel handle is also available.2ContentINTRODUCTION 4Valve technology:The standard and the ballBUTTERFLY VALVES 6Butterfly valves, intermediate flangebutterfly and three-way butterfly valvesLEAKAGE BUTTERFLY VALVES 8BALL VALVES 10Ball valves, three-way ball valves,rinsing connection and heating jacketCONTROL AND SWITCHING 12Manual levers, actuators, control headsand positioners34Save space and costs: KIESELMANN butterfly valves are the space-saving, inexpensive solution. Our ball valves The standard and the ballKIESELMANN VALVE TECHNOLOGY5 HAND LEVERBUTTERFL Y VALVE BALL VALVE THREE-WAY BUTTERFL Y VALVEPNEUMATIC ACTUATORWITH POSITION INDICATORAND SENSOR MOUNTINGPNEUMATIC ACTUATORWITH CONTROL HEAD/POSITIONER KIESELMANN stainless steel valves:Highest quality in dimensional accuracy and surface finish. All sealing elements used havethe necessary approvals for the food industry.The modular design of our valves allows quickand easy switching from a manual lever to apneumatic actuator with sensors or control head.6 |BUTTERFLY VALVESKIESELMANN butterfly valves are the space-saving solution for shutting off product flows in process systems such as on panels and tanks in a hygienic and inexpensive way. They are also available as intermediate flange butterfly valves as well as numerous other connection variants, such as welding and threaded ends. We manufacture all valves at our headquarters in Knittlingen.The space-saving solutionBUTTERFLY VALVESBUTTERFLY VALVES | 7The sealing elements used all have suitability certifications for use in the food industry.The ergonomic thermal protection handle of our butterfly valves is available with a 90° lock oroptionally with shift limit. Alternatively, these valves are also available with a stainless steel handle.Automatically cost-effectiveAutomation is also possible with this cost-effective valve solution. Our modular system makes it possible to quickly and inexpensively convert the manual lever to a pneumatic actuator without disconnecting any pipeline connections to the pipeline. The actuators are available with sensors or control head KI-TOP.Intermediate flange butterfly valve with k-flex seal to the flange closures> E rgonomic thermal protection handle, 90° lock or optional shift limit > S tandard or shortened handle design, fiberglass (reinforced plastic material), available in your choice of colours or stainless steel > Vacuum insert suitable> Easy installation, many connection options> Three-way butterfly valves with switching combinations > Service-friendly intermediate flange design > Tailor-made and long-term spare parts supplyADVANTAGESPlain bearingEnd plugLocking discPlain bearing*V alves with flanged connection PN10 may only be operated with an operating pressure of up to 10 bar.**Nominal size only available as intermediate flange butterfly valves.DOCUMENTATIONHere you can download all important data, information and certificates about our products as PDF files.8 | LEAKAGE BUTTERFLY VALVESKIESELMANN leakage butterfly valves provide increased process security. Mix-proof separation of different media is ensured via the dual-sealing, one-piece valve disc. Runoff-drains allow direct detection of any leaks. Identified, eliminated: Thanks to our maintenance-friend-ly valve design. The drains can also function as rinse connections, ideal for Cleaning-in-Place (CIP) processes.Secure and adaptiveLEAKAGE BUTTERFLY VALVESLEAKAGE BUTTERFLY VALVES | 9> Cost-effective leakage protection > Sealing materials EPDM, HNBR > H ygienically safe due to easy cleaning of the leakage chamber, CIP appropriate > E asy-to-maintain design with just one sealing elementKIESELMANN leakage butterfly valves are generally available in intermediate flange version.This design and the split housing allow the seals to be easily and quickly replaced.Functional principleWhen closed, the butterfly valve with a tandem seal ensures that different media remain separated without leaking.Any leaks at the butterfly valve seal flow without pressure through the leakage drain port at the leakage outlets.The leakage chamber can be integrated into a CIP circuit via the rinsing connections. For demanding products, we generally recommend cleaning theleakage chamber.ADVANTAGESLeakage drainLeakage drain ring-groovePlain bearingPRODUCT VIDEOVisit us on YouTube. Get to know the functions of our leakagebutterfly valves.10 |BALL VALVESKIESELMANN straight-way ball valves provide pipe-level, piggable passages for liquid, viscous and particulate media. Your solution for almost all applications in the beverage and food industry.A nice piece of workBALL VALVESThree-way ball valveBALL VALVES | 11Safe, robust and flexible: Three-way ball valves from KIESELMANN offer additional options for process control.The best solution for every requirementKIESELMANN three-way ball valves have been used successfully in the beverage and food industry for many years.KIESELMANN ball valves are easily adaptable:Our intelligent modular system makes it easy to switch from a manual lever to an automated, pneumatic actuator at any time. The actuators of the ball valvescan be equipped with a sensor or control head.> Robust, designed to be easy to install > Spring preloaded shaft seal > PiggableOptional:> Full PTFE cavity fillers with minimal clearance volume > Rinsing connections for cleaning > Heating jacketADVANTAGESGap-free housing sealing by pressure ringsPlain bearingBall valve with heating jacketDID YOU KNOW...Our ball valves are also available with rinsing connections?Straight-way ball valve12 | CONTROL AND SWITCHINGManually great. And automatically better.Whether simply manual, automatic pneumatic or With hand and headCONTROL AND SWITCH INGCONTROL AND SWITCHING | 13Automate valves easily. The modular design of the KIESELMANN valves makes it possible to convert from a manual lever to a pneumatic actuator at any time. Our actuators are equipped with mechanical position indicator, sensor mounting and compressed air connection.Power & brains: Actuators with KI-TOP control heads. Our control heads already contain control electronics and pilot valves. They support all commoncommunication interfaces, such as PLC, AS-i and IO-Link, and can be connected via various ways, such as cable entry or M12 connectors.The connection to the supply air is made bycompressed air quick connector on the control head.The control board can be fitted with an LED all-round display. For optimal visual control.Extra safe in Ex-zonesIn areas with highly flammable and explosive substances, such as spirits, our TÜV tested control heads ensure maximum safety. Two versions are available: Zones 1 and 21 as well as 2 and 22, which comply with Directive 2014/34/EU.> E rgonomic thermal protection handle (also in colour of choice)> Different sizes depending on nominal diameterADVANTAGESVersion withinductive sensorsDigital feedback is also pos-sible for the hand lever.OPERATIONManual leverThe handy way.The KIESELMANN thermal protection handles fit well in your hand and are easy and safe to operate. The handles are available with a 90° lock or with shift limit. Optional also asstainless steel hand lever.14 | CONTROL AND SWITCHINGThe actuators PDA 75, PDA 100 and PDA 125 provide the perfect performance for yourprocesses. The flexibility of our modular valves is also continued with our actuators. They are compatible with all KIESELMANN rotary valves and can be exchanged in a few simple steps.The actuator has the position indicator with sensor mounting. The installation of inductive sensors with M12x1 thread can be used to query the “open” and “closed” positions. By screwing the sensor to the limit position the required switching gap for the signal transmission is established.>S tandard delivery: Actuator with position indicator and sensor mounting >P recise positioning of the sensors, no adjustment required>Clearly visible optical position indicatorADVANTAGESPNEUMATIC ACTUATORin three sizesPNEUMATIC ACTUATORwith position indicator and sensor mounting> Three actuator sizes PDA 75/100/125> Five year warranty> Three functions can be chosen • air-opening – air closing • air-opening – spring closing • spring opening – air closingADVANTAGESWhen the valve is closed, the position indicator is at 90° angle from the valve passage, and when the valve is open it is even to the valve passage.55 YEAR WARRANTYCONTROL AND SWITCHING | 15The alternative to the central control cabinet: The digital control head KI-TOP with automation components. The integrated electronics controls the solenoid valve, detects status and returns it. The control heads consist of a bottom part with bayonet lock and a plastic or stainless steel cover (protection class IP 65).Positioners offer the highest flexibility in metering and flow reduction. They are the intelligent solution for cost-effectively implementing simple control tasks with butterfly valves. For high control accuracy, the control valve series is the right choice.> Regulation of volume flows > Space-saving > Cost-effective> Can be used for simple regulationADVANTAGESADVANTAGESPNEUMATIC ACTUATORwith control head KI-TOPPNEUMATIC ACTUATORwith positioner> P recise position monitoring, optionally with automatic learn mode > C ontrol and indication of up to four valve positions > Fully automatic> Optional: LED all-round displayKIESELMANN WORKSHOP In this video we show you thesimple installation of a positioneron a KIESELMANN actuator.Control head KI-TOP, ASi ESwith selective emergency stop (optional) and two freely assignable control inputs.Visual control of the valve position e. g. green = open, red = closed,flashing = shift.Electro-pneumatical positioner 8615.For precise, safe process control: our control valves with digital, electro-pneumatic positioner.KIESELMANN Online ShopFrom anywhere, at any time: search, find,enquire and order.More than 8,000 articles accessible atshop.kieselmann.de/enKIESELMANN GmbHPaul-Kieselmann-Str. 4–1075438 Knittlingen+49 7043 371-0******************** F L U I D P R O C E S S G R O U P S u b j e c t t o a l t e r a t i o n s . A S O 3 5 2 2 -e n。
蝶阀技术说明一、用途本系列蝶阀适用于食品、医药、化工、石油、电力、轻纺、造纸等给排水、气体管道上作调节流量和截流介质的作用。
二、结构特点蝶阀具有体积小、安装方便、开关时间短,适用的压力、温度范围大等特点,是各种管路上常用的截断阀,用于截断或接管路中的介质。
■结构简单,体积小,重量轻■低压下,可以实现良好的密封■启闭方便迅速、省力、流体阻力小,可以经常操作■调节性能好二、标准与规范四、安装阀门的安装要求阀门安装时,阀门的操作机构离操作地面最宜在1.2m左右,将与胸口相齐。
当阀门的中心与手轮离操作地面超过1.8m时,应对操作较多的阀门和安全阀设置操作平台。
阀门较多的管道,阀门尽量集中在平台上,以便操作。
对超过1.8m并且不经常操作的单个阀门,可采用链轮、延伸杆、活动平台以及活动梯等设备。
当阀门安装在操作面以下时,应设置伸长杆,地阀应设置地井,为安全起见,地井应加盖水平管道上的阀门的阀杆,最好垂直向上,不宜将阀杆向下安装。
阀杆向下安装,不便操作,不便维修,还容易腐蚀阀门出事故。
落地阀门不要歪斜安装,以免操作不方便。
并排管线上的阀门,应有操作、维修、拆装的空位,其手轮间净距不小于100mm,如管距较窄,应将阀门错开摆列。
对开启力大,强度较低、脆性大和重量较大的阀门,安装前要设置阀架支承阀门,减少启动应力。
◆安装阀门时,靠近阀门的管子使用管钳,而阀门本身则要使用普通扳手。
同时,安装时,要使阀门处于半闭状态,防止阀门发生转动和变形。
◆阀门正确安装应使内部结构形式符合介质的流向,安装形式符合阀门结构的特殊要求和操作要求。
特殊是要注意有介质流向要求的阀门应按工艺管道的要求安装。
阀门的布置要方便合理,操作人员容易接近阀门,对于升降阀杆式阀门,要留出操作空间所有阀门的阀杆要尽量朝上安装并垂直于管道。
阀门连接面的安装◆安装端部采用螺纹连接的阀门,应使螺纹拧入阀门的深浅适宜,螺纹拧入过深压紧阀座,将影响阀座和闸板的良好配合,拧入过浅,将影响接头的密封可靠性,容易引进泄漏。
一、产品特点和用途:本阀采用三偏心多层次密封结构,吸收国外同类产品结构和特点,克服了原有产品在使用中存在的缺陷,使其寿命更耐久,密封更可靠。
本阀门适用于各种管道上,特别是安装在循环水泵出口,作截止或调节介质流量之用,并可抑制泵启停时产生的冲击作用,不受介质流向的影响。
其结构特点有:阀门体积小、重量轻、结构紧凑、开启迅速、密封性能可靠、轻便省力、寿命长和维修方便。
在开启和关闭过程中,密封面间无摩擦。
密封圈采用复合材料压制而成,其厚度易于调整,实现阀门的可靠密封。
二、工作原理和结构简述:工作原理:本蝶阀为三偏心多层次密封结构,即蝶板回转中心到阀体密封截面的偏心距a,蝶板回转中心到阀体中心线的距离b,以及阀体的斜锥密封面中心与阀体中心线的夹角β(见下图)。
本阀通过蜗轮蜗杆传动减速(电动阀门通过电动机经过蜗轮蜗杆传动减速),通过阀轴3带动蝶板2在90℃范围内旋转,使蝶板处于开启或关闭状态,达到连通或截断介质的目的。
由图知,阀门全开时,蝶板密封圈处于松驰状态,形状为椭圆形。
阀门关闭时,密封圈4受阀体密封面1和蝶板2的挤压,产生了两个方向上的弹性变形。
密封面在长轴方向上受到了向外的张力,在短轴方向上受到向内的压应力,长短轴产生不同方向的弹性变形。
从而使阀门密封面间的密封力逐渐达到最大值。
其特点有:1.固定住的叠层密封圈不发生弯曲和移动,在高密封载荷下,没有磨损;叠层密封圈与阀体精密配合,有效避开介质冲刷,提高使用寿命和密封效果;体积小、重量轻、启闭迅速;2.采用先进的三偏心金属复合锥斜切结构,可达到泄漏量为零。
更换阀体材质,采用不同密封圈复合夹层,可适用不同介质;精密锥楔设计,确保均匀的密封接触。
结构特点:阀体密封圈采用浮动结构,蝶板密封圈材料为柔性石墨夹不锈钢,密封圈具有良好的抗撕裂、抗磨损,最低使用寿命10年。
蝶板工作时,一侧为工作压力,另一侧为无压时不泄漏,泄露量为零,且双向承压,循环水进口蝶阀的主要承压方向为顺水流方向,循环水出口蝶阀的主要承压方向为逆水流方向。
用于蝶阀的可配置的角行程执行器• 运行扭矩 最大 90 Nm• 额定电压 AC/DC 24 V• 控制方式 调节型 2...10 V 可调• 位置反馈 2...10 V 可调• 电机运行时间 35 s• 可用于室外技术数据电气参数额定电压AC/DC 24 V额定电压频率50/60 Hz额定电压范围AC 19.2...28.8 V / DC 21.6...28.8 V运行功耗9 W保持功耗 3 W变压器容量12 VA连接方式接线端子并联运行否功能参数运行扭矩最大 90 Nm (非恒定扭矩)运行范围 Y 2...10 V输入阻抗100 kΩ运行范围 Y 可调起点 0.5...30 V终点 2.5...32 V运行模式可选开关型三态(仅限AC)调节型 (DC 0...32 V)位置反馈信号U 2...10 V位置反馈信号U说明最大 0.5 mA位置反馈信号U可调起点 0.5...8 V终点 2.5...10 V位置精确度±5%手动操作按下手动操作钮,执行器齿轮机构解锁电机运行时间35 s / 90°电机运行时间可调35...150 s自适应设置手动按下“自适应”按钮 (默认第一次通电时自动进行自适应)自适应设置可调无动作每次通电时进行自适应按下手动操作按钮后进行自适应超驰控制MAX (最大位置) = 100%MIN (最小位置) = 0%ZS (中间位置, 仅AC) = 50%超驰控制范围MAX = (MIN + 33%)...100%MIN = 0%...(MAX – 33%)ZS = MIN...MAX噪音等级(电机)45 dB(A)位置指示机械式,内置型安全参数防触电保护等级IEC/EN III ,安全特低电压 (SELV)电源 UL 认证Class 2 Supply 电气防护等级IEC/EN IP66/67NEMA/UL 防护等级NEMA 4X附件UL Enclosure Type 4X EMC CE 遵循 2014/30/EUIEC/EN 认证IEC/EN 60730-1 和 IEC/EN 60730-2-14运行方式类型 1额定冲击电压0.8 kV 污染等级4环境湿度最大 95% 相对湿度,无结露环境温度-30...50°C [-22...122°F]存储温度-40...80°C [-40...176°F]维护免维护机械参数连接法兰F05重量重量 5.5 kg••••••••••••安全注意事项该设备是专为供热、通风及空调行业所设计。
蝶阀又叫翻板阀,是一种结构简单的调节阀,同时也可用于低压管道介质的开关控制。
蝶阀是指关闭件(阀瓣或蝶板)为圆盘,围绕阀轴旋转来达到开启与关闭的一种阀,在管道上主要起切断和节流作用。
蝶阀启闭件是一个圆盘形的蝶板,在阀体内绕其自身的轴线旋转,从而达到启闭或调节的目的。
蝶阀适用于发生炉、煤气、天然气、液化石油气、城市煤气、冷热空气、化工冶炼和发电环保等工程系统中输送各种腐蚀性、非腐蚀性流体介质的管道上,用于调节和截断介质的流动。
简介蝶阀(butterfly valve):又称碟阀蜗轮蝶阀释义:启闭件为盘形蝶板并能绕阀体内轴线旋转的一种阀门。
结构:主要由阀体、阀杆、蝶板和密封圈组成。
阀体呈圆筒形,轴向长度短,内置蝶板。
工作原理:蝶板由阀杆带动,若转过90°,便能完成一次启闭。
改变蝶板的偏转角度,即可控制介质的流量。
常用的蝶阀有对夹式蝶阀和法兰式蝶阀两种。
对夹式蝶阀是用双头螺栓将阀门连接在两管道法兰之间,法兰式蝶阀是阀门上带有法兰,用螺栓将阀门上两端法兰连接在管道法兰上。
使用范围电动蝶阀蝶阀适用于发生炉、煤气、天然气、液化石油气、城市煤气、冷热空气、化工冶炼和发电环保、建筑给排水等工程系统中输送各种腐蚀性、非腐蚀性流体介质的管道上,用于调节和截断介质的流动。
功能用途气动蝶阀蝶阀(英文:butterfly valve)是指关闭件(阀瓣或蝶板)为圆盘,围绕阀轴旋转来达到开启与关闭的一种阀,在管道上主要起切断和节流作用。
蝶阀启闭件是一个圆盘形的蝶板,在阀体内绕其自身的轴线旋转,从而达到启闭或调节的目的。
蝶阀全开到全关通常是小于90° ,蝶阀和蝶杆本身没有自锁能力,为了蝶板的定位,要在阀杆上加装蜗轮减速器。
采用蜗轮减速器,不仅可以使蝶板具有自锁能力,使蝶板停止在任意位置上,还能改善阀门的操作性能。
工业专用蝶阀的特点能耐高温,适用压力范围也较高,阀门公称通径大,阀体采用碳钢制造,阀板的密封圈采用金属环代替橡胶环。
Butterfly Valve EUROSTOP NGL2 Epoxy seat - Manual VersionField of applicationButterfly valves are isolating valves used on water supply networks, hydroelectric plants, industrial plants, pumping stations, fire protection networks.Butterfly valves can be used both for drinking water and for untreated or irrigation water where a suitable filtering system is present.Butterfly valves have limited head losses when the valve is fully open and ensure perfect tightness when the valve is fully closed in both directions. They can also be used as safety valves.RangeButterfly valve EUROSTOP epoxy seat is available in manual version for DN150-800 with PN10 and 16 operating pressures (other versions or diameters are available upon request).DN Closing directionPN10 PN16 mm150 Clockwise (refer to PN16) 265565200 Clockwise265566 265567250 Clockwise265569 265571300 Clockwise265572 265574350 Clockwise265577 265578400 Clockwise265579 265583450 Clockwise265584 265586500 Clockwise265587 265588600 Clockwise265589 265590700 Clockwise265592 265593800 Clockwise265594 -Materials and coatingDN150-800 PN10 and 16 manual versionItem Description Materials Coating1 Body Ductile iron GJS 500-7 Epoxy powder, minimum thickness 250 micron, RAL 5005, according to EN 149012 Disc Ductile iron GJS 500-73 Spring clip (*) Carbon steel SR235JR5 Rear shaft STAINLESS steel EN 10088 X30Cr13 (420) -6 Drive shaft STAINLESS steel EN 10088 X30Cr13 (420) - 8 Cylindrical ring (rear shaft) STAINLESS steel EN 10088-3 X5CrNiCuNb 16-4 (630) - 9 Cylindrical ring (drive shaft)STAINLESS steel EN 10088-3 X5CrNiCuNb 16-4 (630)- 10 Bush Bronze EN 1982 CuSn12 - 11 Screw STAINLESS steel A2 - 12 Spring washer STAINLESS steel A2- 13 keyfeather Steel C40 - 14 Gasket EPDM - 15-16 O-ring EPDM- 17CirclipsSTAINLESS steel EN 10088-3 X5CrNi 18-10-(*) DN150-200: STAINLESS steel AISI 316LDimensions and weightsManual version PN 10DN G H I J K L M D R Weightmm mm mm mm mm mm mm mm mm mm kg150 210 204 136 249 143 52 150 285 100 35200 230 229 165 249 170 52 180 340 100 46250 250 293 208 284 200 71 230 400 150 67300 270 317 232 284 228 71 250 455 150 86350 290 336 251 284 253 71 260 505 150 111400 310 367 303 319 283 71 310 565 250 139450 330 412 330 307 308 86 340 615 250 183500 350 443 355 348 335 104.5 320 670 250 215600 390 497 409 348 390 104.5 300 780 350 302700 430 575 482 350 448 53 440 895 300 453800 470 655 556 419 508 130 480 1,015 250 640 Manual version PN 16DN G H I J K L M D R Weightmm mm mm mm mm mm mm mm mm mm kg150 210 204 136 249 143 52 150 285 100 35200 230 229 165 249 170 52 180 340 100 46250 250 293 208 284 200 71 230 400 150 67300 270 317 232 284 228 71 250 455 150 88350 290 336 272 319 260 71 260 520 250 132400 310 392 310 307 290 86 310 580 300 170450 330 418 330 348 320 104.5 340 640 250 207500 350 451 355 350 358 53 320 715 250 265600 390 531 438 350 420 53 300 840 350 414700 430 607 508 419 455 130 440 910 250 543Gearbox type and handwheel Manual type PN10DNGearbox ROTORK type Handwheel ØNumber of turns at 90°Operating torque Input shaftmm mm Nm mm 150AB210 (37:1) F10 V2002009.31115 200AB210 (37:1) F10 V2002009.31815 250AB550 (34:1) F10 V3003008.52920 300AB550 (34:1) F10 V300300 8.5 42 20 350AB550 (34:1) F12 V3003008.55520 400AB550 (34:1) F12 V5005008.58320 450AB880 (38:1) F14 V5005009.59720500AB1250 (55:1) F14V50050013.88620600AB1250 (55:1) F16V70070013.813120700AB2000 106:1 F16 V60060026.511220 800AB1950/PR4 217:1 F2550054.38520Manual type PN16DNGearbox ROTORK type Handwheel ØNumber of turns at 90°Operating torque Input shaftmm mm Nm mm 150AB210 (37:1) F10 V2002009.31115 200AB215 (37:1) F10 V2002009.32415 250AB550 (34:1) F10 V3003008.54020 300AB550 (34:1) F12 V3003008.55920 350AB550 (34:1) F12 V5005008.58220 400AB880 (38:1) F14 V6006009.511420450AB1250 (55:1) F14V50050013.89620500AB2000 106:1 F14V50050026.57120600AB2000 106:1 F16 V70070026.512620DN Gearbox ROTORK type Handwheel ØNumber of turns at 90°Operating torqueInput shaftmm mm Nm mm 700AB1950/PR4 217:1 F2550054.39320Applicable StandardsHydraulic testEvery single butterfly valve is subjected to hydraulic final test with the purpose of verifying the accordance with the prescriptions ISO 5208:• Body test at 1,5 time the PFA (open valve); • Seat test at 1,1 time the PFA (closed valve). Product test• Control of manoeuvre torque (MOT and mST) as defined in the EN1074 • Control of coating: test of thickness, holiday test, impact test, MIBK test Conformity to the standards Product:• EN 1074 – 1 and 2 • EN 593 • ISO 10631 Test in Works:• EN 12266-1 (ISO 5208) Flanges dimension: • ISO 5752 series 14 Flanges drilling: • EN 1092-2 • ISO 7005-2Suitability for potable water:• Italian CM 102 of 02/12/78• Conformity to foreign norms: KTW (Germany), WRC (U.K.), ACS (France)MarkingOn the body like EN19:• Nominal diameter in mm (DN); • Nominal pressure in bar (PN); • Type of ductile iron;• Manufacturer’s logo;• Model code;• Fusion date.On the label like EN19:• Nominal diameter in mm (DN);• Nominal pressure in bar (PN);• Maximum operating pressure (PFA);• Closing direction;• Model code;• Manufacturing order, Order confirmation;• Manufacturer’s logo.On the disc:• Nominal diameter in mm (DN);• Nominal pressure in bar (PN);• Type of ductile iron;• Manufacturer’s logo;• Model code.The marking of the valves manufactured by Saint-Gobain refers to the EN 1074-2 and EN 19 international standards. Markings are either integral markings, cast in the body, or markings made on plates, securely fixed to the body, in accordance with the EN 19 standard specifications.Specifications EN19Saint-Gobain valves process Table1–Valve markings Requirements1DNEN 19 § 4.2.1Mandatory markingsShall be integral markings or on amarking plateIntegral 2PN Integral3Material Integral4Manufacturer's name or trade mark Plate11Reference to StandardEN 19 § 4.3Supplementary markingsItems 7 to 21 in Table 1 are optionalIntegral 12Melt identification Integral16Quality test Printed on body18Manufacturing date Plate21Closing direction Plate + sticker on bodyValve selectionThe butterfly valves are generally used as isolating devices type on/off. In some particular case, in which there’s low differences of pressure and low flow rate variation can be used like regulating devices, considering the hydraulic parameters necessary to avoid the cavitation risk.To do the right dimensioning of butterfly valve it’s necessary to know the followings parameters:• Upstream hydrostatic pressure (that is the hydrostatic pressure with valve in closed position)• The maximum speed in water pipe (generally expressed in l/s) or the nominal diameter and the project flow rate from which it is gained the speed V=Q/AMoreover it’s necessary to control that the maximum speed in water pipe have to be equal or inferior to 5m/s, and the exercise temperature have to be between 0°C and 50 °C.Hydraulic featuresThe head loss Δh are variable in function of valve open degree and can be calculated with the following expression:Δh = head loss (m)ζ = head loss coefficient (dimensional)v = nominal speed (m/s)g = 9,81 (m/s²)The head loss coefficient can be estimated from this diagram:Determinates the head loss Δh it’s possible to calculate the flow rate Q in m3/h with the following expression (the same expression can be used to, having the project flow rate Q, to determinate the head loss Δh without using the head loss coefficient):In which 10,2 is a corrective factor in meters, and Kv is the flow rate coefficient in m3/h, determinable from the following diagram in function of valve open degree:Example: Valve DN600 mm - Δh = 3 mFrom the diagram with valve open to 100% the coefficient Kv is 20000 m3/h. Using this date in the flow rate expression:m3/hOtherwise it’s possible to calculate the head loss with valve completely open, having the project flow rate Q, in function of DN, using the following diagram:CavitationIf the butterfly valve is used only like isolating device there’s not cavitation risk.In the particular case in which it’s used like regulating device, this can be possible only respecting the following parameters:• The valve open degree have to be between 30° and 90° (valve completely open)• The downstream pressure P2 have to be: with P1 upstream pressure.Instructions for useStorageThe butterfly valve will have to be held (if possible) in covered places, the most possible protected from the sun (minimum allowable temperature 0°C and maximum allowable temperature 70°C in accordance to EN 1074), from the rain and generally from the atmospheric agents. Moreover it will have to be avoided that the seal of the same air valves come to contact with powder or earth.InstallationThe butterfly valves are generally installed with retaining ring mounted in the opposite way respect to the direction of flow rate to permit the substitution of gasket without dismounting the valve from pipeline. In any case it is possible to install the butterfly valve with flow rate in opposite direction and also, if required, in vertical position. We recommend to install the butterfly with the operating device on the hydraulic right side of pipeline.It’s possible to install the butterfly valve both in chamber valve that underground (choosing the right configuration).We recommend to insert a dismounting joint for the operation of maintenance.MaintenanceThe butterfly valve does not require a particular maintenance, all parts subjected to wear are perfectly auto-lubricating. In any case, if for a long time will be not used, it is necessary to evaluate the functioning of valve doing (at least one time for year) some manoeuvre of opening-closing.All the maintenance operation have to be do after the total emptying of pipeline (no flow rate and pressure) to avoid every risk to the people during this operation.In presence of particularly exercise condition or damage due to external cause, it will be necessary some maintenance operation. In this case the particular shape of EUROSTOP butterfly valve permits the simple gasket substitution without the dismounting of valve from pipeline (if the dismounting joint is present).AccessoriesTo adapt the butterfly valves to the different exercise and installation conditions required, they can be equipped with particular accessories used in combination with control devices: please refer to data sheet for accessories.The technical features in this document are not contractual and can be changed without preliminary notification due to the continuous technical progress of product.NOTESaint-Gobain PAM Italia:- reserves the right to modify the products anyway fully respecting the Laws in force.- always use products fully complying with the European Directives to which the products themselves have to comply with.FOR ANY FURTHER POSSIBLE TECHNICAL INFORMATION PLEASE CONSULT SAINT-GOBAIN PAM ITALIA AND/OR OTHER PAM SISTER COMPANIES。
D942X/D342X蝶阀Butterfly Valve说明书(Instructions)南通市力沛流体阀业有限公司Nantong Lipei Fluid Valves Co., Ltd.一、阀门概述(Valve overview)D942X/D342由阀体+阀板+密封圈等组合而成。
双偏心结构设计启闭过程降低密封面与密封阀座的摩擦密封效果好泄漏率小,提高了密封件的使用寿命。
法兰式连接方便与管道连接拆卸,阀座堆焊不锈钢密封材质耐腐蚀,适用介质:水、蒸汽、油品、粉料等,介质温度≤100℃,广泛用于的治金、电力、石油化工、以及给排水和市政建设等工业管道上,作调节流量和接通/切断流体使用。
D942X/D342 is composed of valve body + valve plate + sealing ring.The double eccentric structure design reduces the friction between the sealing surface and the sealing valve seat during the opening and closing process. The sealing effect is good, the leakage rate is small, and the service life of the seal is increased. Flange connection is convenientfor connection and disassembly with pipelines, valve seat surfacing stainless steel sealing material is corrosion-resistant, applicable medium: water, steam, oil, powder, etc., medium temperature ≤100℃,widely used in metallurgy, power, oil It is used to regulate flow and connect/disconnect fluid on industrial pipelines such as chemical industry, water supply and drainage, and municipal construction.二、结构特点(Structural features)1、双偏心密封结构,阀座与蝶板几乎无磨损,具有越观越紧的密封功能1.Double eccentric seal structure, the valve seat and the butterfly plate are almost no wear, and have the sealing function of tighter and tighter2、蝶板密封面堆焊不锈钢,密封面耐磨损,使用寿命长2. Welded stainless steel on the sealing surface of the butterfly plate, the sealing surface is wear-resistant and has a long service life3、密封圈选用NBR橡胶制作,具有耐腐蚀,使用寿命长等特点3.The sealing ring is made of NBR rubber, which has the characteristics of corrosion resistance and long service life.4、大规格蝶板采用绗架结构,强度高,过流面积大,流阻小4. Large size butterfly board adopts quilting structure, high strength, large flow area, small flow resistance5、驱动装置可以多工位(旋转90°或180°)安装,便于用户使用5. The driving device can be installed in multiple positions (rotation90° or 180°), which is convenient for users三、主要技术参数( Main technical parameters)四、安装(Installation)本阀安装时,先关闭阀门,后进行安装,以防碰伤蝶板密封面。
DN2200 蝶阀控制液压系统使用说明书1铁岭大沃阀门(集团)有限公司DN2200 蝶阀控制液压系统使用说明书派克漢尼汾流体传动产品有限公司DN2200 蝶阀控制液压系统使用说明书技术文件1.范围本操作说明书适用于铁岭大沃阀门(集团)有限公司DN2200 蝶阀控制液压系统(以下简称系统);本操作说明书规定了系统的使用方法,常规保养和一般故障的处理方法。
2.系统简介本系统主要用于控制液控蝶阀油缸的开阀和关阀。
2.1.系统组成本系统由M6L165M11S0液压动力站总成,液压油缸,液压管路和相应的液压附件组成。
2.2.主要工作参数a)液压泵齿轮泵:PARKERPGP511A0190CA1H2NL2L2B1B1 1台最大工作压力:175bar泵最大工作流量:大泵19ml/revb)电动机:ABB电机型号:M2BAX132MA-4-B5 1台输出功率:7.5KW转数:1450r/minc)供电要求电动机:380V,50Hz所有控制电源:24VDCf) 液压工作油液46号抗磨液压油,寒冷地区(-10°C以下)推荐使用10号航空液压油2DN2200 蝶阀控制液压系统使用说明书2.3.外形及安装说明动力站总成外形尺寸:1250X1000X1930 mm由于动力站总成重量较大,起吊时一定要使用与动力站总成重量匹配的起重设备。
严禁人员站在起吊物下。
动力站总成安装为地脚螺栓安装,见如下安装基础图:3DN2200 蝶阀控制液压系统使用说明书3.功能说明:系统液压回路见液压系统原理图10003290。
3.1.液压泵站组成该部分由油箱及其附件、电机泵组、阀组部分、手动泵、蓄能器等组成。
3.1.1 油箱及其附件油箱用于存储系统所需的工作介质,本液压系统使用46#号抗磨液压油。
油箱上装有目测式液位液温计1,用于指示油箱的液位高度和油温。
空气滤清器2用于过滤空气中的杂质。
3.1.2 电机泵组该泵组由电机驱动齿轮泵组成。
PF51.6:A41(IV )2004年8月A41型1费希尔A41系列高性能蝶阀目录前言手册内容范围.......................................................1应用场合..............................................................2执行机构..............................................................2附件 (2)选择阀体部件阀体规格..............................................................3阀体结构材质与温度极限 (5)选择执行机构1035型执行机构 (6)选择附件FIELDVUE 数字式阀门控制器............................113710和3720型阀门定位器..............................12其它附件 (12)参考信息流量系数............................................................14其它计算等式的转换.........................................17外形尺寸............................................................18近似重量............................................................21订购信息 (22)前言手册内容范围本产品简介只包括一些比较常用的产品材质、尺寸、选项、以及附件。
需要这些产品的选型和计算方面的协助,可联系您最近的销售办事处或代理商。
更加详细的规格可根据要求提供。
手动对夹蝶阀使用说书
(D373H-16C-DN300)
浙江四通阀门制造有限公司
一、概述:
碟阀是以蝶板作为关闭件的阀门。
蝶阀主要由阀体、阀杆、蝶板和密封圈等零件组成,属90°开关切断阀。
它借助手柄或驱动装置在阀杆上端施加一定的转矩传递给蝶板,使蝶板与阀体通道中心线重合或垂直,实现全开或全关动作。
蝶阀的主要功能是切断和接通管道中的流体,也可用于调节管路流量。
蝶阀主要特点:结构紧凑合理、操作扭矩较小、启闭迅速灵活、流阻小、流量系数大且维护使用方便。
此阀采用三偏心金属密封密封结构,其密封可达到零泄漏具有强制性密封性能效果。
蝶阀的连接形式可为对夹连接也可为双法兰连接。
其操作方式可采用手动、电动、气动和液动。
二、型号编制方法:
三、主要技术参数:
四、主要零件的材质:
、
结构及外形尺寸表:
五、
3" 80 49 114 125 380 190 152.5 127 M18 4-19 11 4" 100 56 127 145 415 229 190.5 157 M18 8-19 13 5" 125 64 140 165 455 254 216 186 M20 8-22 16 6" 150 70 140 175 545 279 241.5 216 M20 8-22 26 8" 200 71 150 210 645 343 298.5 270 M20 8-22 34 10" 250 76 160 250 695 406 362 324 M24 12-25 51 12" 300 86 178 285 830 483 432 381 M24 12-25 72 14" 350 92 190 320 900 533 476 413 M27 12-29 106 16" 400 102 216 355 980 597 540 470 M27 16-29 133 18" 450 114 222 380 1030 635 578 533 M30 16-32 176 20" 500 127 229 415 1110 699 635 584 M30 20-32 190 24" 600 154 267 475 1305 813 749.5 692 M33 20-35 394 30" 750 165 292 580 1525 985 914 857 M33 28-35 476 32" 800 190 318 630 1585 1060 978 914 M39 28-41 618 36" 900 203 330 680 1765 1168 1085 1022 M39 32-41 762
六、蝶阀安装与维护注意事项:
1.在安装时,碟板要停在关闭的位置上。
2.开启位置应按碟板的旋转角度来确定。
3.带有旁通阀的蝶阀,开启前应先打开旁通阀。
4.重量大的蝶阀,应设置牢固的基础。