安徽省合肥市八一驾校科目二考场平面图及流程
- 格式:pdf
- 大小:111.16 KB
- 文档页数:1
合肥科目二考试攻略(岗集考场)一,上车注意事项1、调小镜:对齐,微微向下倾斜2、座椅拉到最前方3、调靠背,记住手腕的长度,闭眼,伸手,感觉,比对4、调左右镜:宽度:车身占镜面1/3,先调,高度:车后排门车把手露出前一小截,后调(如果实在不好调,就调好大概高度位置,宽度位置务必准确,需要用镜子的时候适度调节自己的坐姿)5、安全带6、打左灯7、离合刹车踩到底,放手刹8、挂档:先靠再拉,用力靠实二,库的进法对线及做法1、库的进法,起步(1)使用库1,库3时,肩膀与“库”字平行,右打死,对线点对准左起第2个虚线最右边,停车,打灯,走走停停,试试离合的灵敏度(2)使用库2、4、6时①从别人的库里进去,肩膀与“库”字平行,右打死,对线点对准左起第2个虚线最右边,停车,打灯,走走停停,试试离合的灵敏度②从左边通道进去,缓缓沿着左边的路肩前进,肩膀与前排库上横线对齐,停车,右打死,45度时回正,缓缓向前开,左肩膀与左起第2个虚线最右边延长线相交,停车,左打死,对线点对准左起第2个虚线最右边,停车,打灯,走走停停,试试离合的灵敏度(一旦对好了就尽量微调方向盘,或者少动,因为方向盘动了,灯就灭了,这一段路要一直保持灯亮着)2、右进库,前方虚线消失时,看车身平行,右脚准备,立柱过线,停车,挂档,到达线上沿快速右打死,(离合松一点给动力)看右镜,第二个拐角,拐角与车身2线宽,回1圈交叉,(收速)下口1.5,打死(回速),上口1.5,(收速),回正。
调节平行,右镜为准,左镜为辅,哪里宽向哪里转,微调90度或45度。
右脚准备,左镜下脚露1毫米停车,挂档3、左出库,右窗框脚到达出库线下沿,左打死回40度,(回速),虚线到达小镜框三分之一到二分之一,停车,挂档,4、左进库,左打死,看左镜,第二个拐角,拐角与车身2线宽,回1圈交叉,(收速)下口1.5,打死(回速),上口1.5,(收速),回正。
调节平行,左镜为准,右镜为辅,哪里宽向哪里转,微调90度或45度。
科目二驾考合肥八一驾校科目二流程及注意点1、进场检查需要带的东西:身份证。
坐垫。
眼镜。
粉笔,纸巾。
2、进场时,可以将粉笔涂在手上,左车门把手在车窗位置对应点向后的1指(这是坡道定点停车的点)3、上好车,注意座椅位置(自己和副驾驶,先调副驾驶!)和后视镜调好!注意将副驾驶的座椅向后调到完全露出右前车窗的门臂柱!否则会影响侧方倒车!个人是座椅位置在最前面,手自然伸到前面,手腕部分正好卡上。
座椅位置向前调到腰自然贴合没有压迫感,头是直的而且靠在头枕上。
身子要坐正,头的正中间正好在头枕的正中间!倒库和侧方位停车看左右后视镜的时候也一定要记住头正靠在头枕中间再向左或者右看!千万不要向前倾身子让看。
系安全带!还有车门一定用力关好!车门关不好考试直接挂!一定记得打左转向灯!前进途中如果灯灭了,再打一下。
以上工作做好了再起步!座椅位置很重要很重要,座椅调不好,看的点一个都不准,一定要找到平时练习看点的感觉!4、整个考试过程中,无论听到任何声音喊停,千万不能停!(大部分情况是对别人喊的!)除非有人过来拍车让你停再停!另外,头一定要靠在头枕上,不能前倾离开头枕!5、倒库对线是车凹槽正对地上水泥缝!正对!注意,A区考场中,千万不要在快到停车位置的时候将方向对到快到侧方位区域的最左侧那条水泥缝上!B区考场需要在出了倒库区域之后向右大调一下才能对上侧方位的水泥缝。
注意看每个区域的边缘白线!在后视镜下缘到达倒库区最顶端的白线处停一下,慢慢对点,对到白线在左后视镜和3C标志中间位置。
如果几个点都对上了,右倒库应该不用再做大的调整。
倒库是一圈半!不是打死!记得做完右倒库后做左倒库!左倒库时,出来的速度一定要慢,打方向一定要快!左倒库的停车位置也不能斜出线外!6、做完倒库后,直着向前开,看到车头覆盖住对面的白线了,向右打死方向,车身正之后回正方向盘。
直着向前开,直到出了白线范围之外(倒库考试区域)才能停车!7、进入侧方位区域,注意,此时应该让侧方位的基准水泥缝在车身凹槽左侧两指位置!不是正好对上!另外,库一定是在开过了侧方停车的蓝牌子之后,考场最右侧考道在倒库和侧方位蓝牌子之间还有一个库的行状的地方,如果走A 区最外侧考道(第三考道)一定记得千万不要对错了到这个地方停车倒库(这个位置从有车窗内根本看不到库的白线!血的教训!)倒库和侧方位之间的距离较大,而且侧方位的停车位置靠近S弯,从有右窗内可以看到库的白线!也不要一紧张直接开到去做S弯了!倒库和侧方位的前进过程中都可以停,但一旦开始倒库就不能停!记住停好车准备倒的时候,要不要打右转向灯?一定先向右打一圈方向盘,手放在变速器上平稳倒车了再松开,左后视镜中水泥凹槽在左前门把手最前端下底点下方两指时(这时从左后视镜看车库的右后角应该是刚露出来一点),方向盘迅速向左打死!左前小镜子右底部与白线重合时停车!不是那个水泥路沿石!虽然只有百分之零点一的可能抽到第五考道(B区中间道),第五考道的侧方位库的外延路沿石要长一些,因此不像A区的一二三考道,B区的第四考道,右看右前车窗的中间车壁柱恰好遮住路沿石的右上拐角停车位;B区第五考道是遮住右上拐角向后一段路沿石的地方!另外,停好车后,注意变速器挂一档,不要还在倒档上!8、侧方位出库:注意,先看如果前方有人正在S弯占用自己的S弯道而且不够自己开过去时,千万记得在侧方位的库里一直停着等到前方车辆的距离远的完全影响不到自己的位置!起步前先挂一档!打左转向灯!(千万不要还在倒档就开!!)等到水泥凹槽与右侧能看到车头右侧的三分之二点(前二后一,在祁门路练是二分之一,考场怕压右边白线,所以多一点)重合时,方向回正,开向S弯,中间不能停。
小车驾驶科目二考试精典经验科目二考试步骤:一、倒车入库:(有时间限制,开始倒车时不能停车)1、身份证验证—上车调整驾驶位置—调整左右后视镜—系好安全带—打左向灯----有空挡挂一档,放下手刹—左脚控制好离合器(找控制点)—开始慢行—车前左盖线对准水泥线(可以停停走走)—驶向横线标记与左前车窗小花前2cm处踩离合器和脚刹停车。
2、右倒车入库:向右打方向盘一圈加90度,挂倒档—放右脚刹,慢慢抬左脚离合器,看右倒库镜、当车前把手与右库角成45度角即10cm间距时右车轮进库(如果大于10cm方向盘向右打45度、如果小于10cm方向盘向左打45度,总之试间距大小来调整方向盘),立即看左后视镜,当左车身与白线为10cm间距平行时、立即回正方向盘,入库后当左后视镜下边刚好盖住库口横水泥凸线时、立即踩离合器和脚刹停车。
3、左出库:看车盖前两个小镜子来判断车身与两边库线的间距,向左或向右打方向盘(以90度为准)来调整车出库的姿态),挂一档、放脚刹、慢慢抬离合器前进,(当两边白线与车身等间距时回正方向盘),当左出库口横水泥凸线距离车左窗锁扣10cm距离时、方向盘向左打一圈加90度,车前进至左边稍倾斜时停车。
4、左倒车入库:方向盘不要动,挂倒档,放右脚刹,慢慢抬左脚离合器,看左后视镜、当左车前把手与左库角成45度角即10cm间距时左车轮进库(如果大于10cm方向盘向左打45度、如果小于10cm方向盘向右打45度,总之试间距大小来调整方向盘),当左车身与白线平行为15cm间距时立即回正方向盘,入库后当左后视镜下边刚好盖住横水泥凸线时立即踩离合器和脚刹停车。
5右出库:看车前两个小镜子来判断车身与两边库线的距离,向左或向右打方向盘(以90度为准)来调整车出库的姿态),挂一档、放脚刹、慢慢抬离合器前进,(当两边白线与车身等距离时回正方向盘),当左出库口横水泥凸线距离左车前窗锁扣10cm距离时方向盘向右打一圈加90度。
待车头向右倾斜时,回正方向盘,等车出库时、再向右打一圈方向盘使车头过侧方停车的水泥线再回正、然后对准水泥线(前进中可以停车)。
科目二起动车子:上车就打左方向灯。
调整座椅,脚能把离合及刹车踩到底,双臂伸直,手掌搭在台上,手腕搭在边缘处。
系安全带。
调整观后镜,观后镜上三分之一及内四分之一看到车身前后门把手。
4项踩离合、脚刹,从空档换到1档,放手刹。
慢慢抬离合,车子抖动时离合保持在这个位置,松刹车,车子起动向前行驶。
4项停车时踩死离合、脚刹,换到空档,拉起手刹。
注意事项:方向盘要揣正,抬离合要缓,速度要慢。
S弯:第一个左转弯左右调整车子,让车头前面两个凹线前端搭在S弯入口处中间两节虚线的两端上,使车子保持在弯道两弧线的中间,当车头左角与弯弧线相切时向左打一圈方向盘,根据车头出线的多少再向左多打45度或是90度方向盘调整。
当车头正的时候,在车头左角与右转弯的弧线相切时回正方向盘(一圈半),当车头右角与右转弯弧线相切时向右打一圈方向盘,根据过线的多少及左窗外弯弧线与车窗相交的大小再多打个45度或是90度调整,和第一个类似。
S弯结束后方向盘向左打死,转入左边的第二个S弯,进入弯道后,车头正时方向盘回正与前一样。
侧方位入库:打左方向灯,起动车子,左右调整车子,让车子前盖上的左边凹线与前方地上的白色直线保持一直,车子缓慢向前行驶,当车子右边窗后框遮住右边车库右前角点时,停车,向右打一圈方向盘,换倒车档,车子缓慢向后倒,注意观察左边倒车镜,车子进入车库,当看到车库的右后角时立即快速向左打死方向盘(打方向盘的速度与车速一致,同快同慢),保持车子缓慢向后倒,看前面,待车前盖左边缝与车库左前边白线外缘(左边)相一直时停车。
打左方向灯,换1档,方向盘保持不变将车子开出车库,当车子前挡风玻璃窗右下角与车库左前边线相交时迅速向右打死方向盘,车头正的时候方向盘回正,让车保持直线。
停车,换倒车档回到起点。
倒车入库:A从右方倒入车前轮压虚线时停车(左车窗三角框后边与地上虚线垂直),换倒车档,向后缓慢倒车,看左边窗外地上虚线,左观后镜到线边缘时迅速向右打死方向盘,车子缓慢向后倒时看右观后镜,当车子右边后车门把手与车库的右前角相距约30公分时直接向后倒,大于30公分时继续打死,再端平。
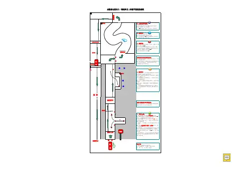
安徽省合肥市八一驾校科目二考场平面图及流程概述安徽省合肥市八一驾校科目二考场位于合肥市蜀山区,是一座设施齐全、环境优美的现代化考场。
该考场主要承担机动车驾驶证考试中的科目二考试,为广大学员提供专业的驾驶技能测试服务。
本文将详细介绍该考场的平面图及考试流程。
平面图安徽省合肥市八一驾校科目二考场平面图如下:1、入口区:考场设有两个入口,分别位于考场南侧和北侧。
考生可在入口处出示、预约凭证等证件,经过安检后进入考场。
2、待考区:考场内设有多个待考区,供考生等待考试。
每个待考区均配备有座椅、指示牌等设施,方便考生休息和等候。
3、考试区:考场内设有多个科目二的考试项目,包括直角转弯、上坡定点停车起步、侧方停车、倒车入库等。
每个项目均设有独立的考试区域,并配备有相应的考试设备和指示牌。
4、出口区:考场出口设在考场北侧,考生完成考试后在此处领取成绩单和出门证。
5、服务区:考场内设有服务区,为考生提供茶水、药品、休息等服务。
考试流程安徽省合肥市八一驾校科目二考场的考试流程如下:1、考生在入口处出示证件,经过安检后进入考场。
2、考生前往对应的待考区等待考试,按照工作人员的安排,在指定的时间前往考试区域进行考试。
3、考生进入考试区域后,根据现场工作人员的指引,前往指定的考试项目进行考试。
4、考试结束后,考生在出口处领取成绩单和出门证。
5、考生离开考场前,需将随身携带的物品存放在指定区域,不得将物品带入考场内。
6、考生在离开考场前,应再次确认自己已经完成所有考试项目并取得成绩单和出门证。
7、考生在出门时需出示出门证,并按照出门证的提示离开考场。
8、考试结束,考生离开考场。
注意事项1、考生应提前到达考场,并按照规定的时间进入考场进行考试。
2、考生应遵守考场规定,不得在考场内吸烟、喧哗等影响考试秩序的行为。
3、考生应认真听取工作人员的安排和指引,前往指定的考试区域进行考试。
4、考生应按照规定的路线行进,不得在考场内随意走动或穿越警戒线。
考试流程第一步:准备工作上车前检查一下汽车发动机舱盖上的小后视镜,如需要调整,及时进行调整。
然后上车,调整座椅、左右倒车镜,系平安带,打转向灯。
双脚踩离合和刹车,感受一下考试车的离合器振动点,然后挂一档,启动汽车,进入待考区,行使过程中使车头左凹槽对准箭头。
当车头盖住“倒车入库〞四个字时,停车等待。
第二步:倒车入库启动汽车,控制车速,确保舱盖左凹槽对准右边线左起第二个线的右侧。
当右边线出现在左侧车窗玻璃上图案前约2指距离时停车。
右倒库。
将方向盘向右打一圈加90度,然后挂倒档,启动汽车,观察右倒车镜。
当车尾连接上车库左边线时,将方向盘向右打死。
当车尾与车库右前尖角约2指距离时,将方向盘向左回一圈。
当车库右前尖角消失时,再将方向盘向右打死。
当车尾与车库右边线距离约1指时,迅速将方向盘回正。
然后观察右倒车镜,将车身调到与边线平行即可。
然后迅速观察左倒车镜,找准停车点,停车。
向左出库。
挂一档,启动汽车。
同时观察发动机舱盖上小后视镜,及时调整车身。
当车头离开车库时,及时观察与车身垂直的左侧边线,当边线出现在车窗小锁提前3指距离时,将方向盘向左打一圈加90度。
一直到车头微微向左偏出后,停车。
左倒库。
挂倒档,观察左后视镜。
当车尾与车库右边线连接上时,将方向盘向左打死。
当车身距车库左前尖角2指时,将方向盘向右回一圈。
当车库左尖角消失时,将方向盘向左打死。
当车尾距左边线2指时,将方向盘及时回正。
迅速观察右倒车镜,将车身调到与边线平行。
再观察左倒车镜,到停车点及时停车。
向右出库。
挂一档,启动汽车。
同时观察发动机舱盖上小后视镜,及时调整车身。
当车头离开车库时,及时观察与车身垂直的左侧边线,当边线出现在车窗小锁提前3指距离时,将方向盘向右打一圈加90度。
及时观察右倒车镜,当车库右前尖角一出现,立即将方向盘向右打死。
当发动机舱盖对上倒车区与侧方停车区中间的箭头前尖点时,将方向盘回正。
继续向前行驶,当身体与箭头处于一条线〔坐在箭头上时〕,将方向盘向左打一圈,当车身摆正时,将方向盘回正。
八一驾校科目二总则:1、看左后视镜时,左侧车身最后面距边线空档大时向左打方向纠正,否则向右。
2、打死方向盘,一定要松点离合器,感觉到车子不是静止的,是在慢慢移动即可。
回正方向时方向盘操作要迅速并且要压点离合器,车速太快,影响正确入库一、倒车入库:以出库方向判断左右(重要提示,右库倒车时向右到底,左库倒车时向左打到底);1)、倒车入库(右库)1、车头左前方凹槽线对准白线标记竖向线;2、肩膀与白线平齐(训练场为虚线),挂倒档;倒车;3、倒至左后视镜底部盖住白线剩余横宽约2cm(剩余一个小三角形),4、向右打死,继续倒车;5、看右后视镜车(说明:倒左库时看左后视镜),身覆盖第三根虚线的1/2时,回半圈向;6、向左看倒车至左车身与白实线平行,回正;7、倒车至盖住白线剩余横宽约2cm,停车。
2)、出库1、挂一档,前进至左车窗后三角柱底(靠上10cm)看白实线后部,三点一线位置;方向左打死;2、继续前行,看车头左侧凹槽对准右边白线直角拐角点;向右回半圈;3、继续前进至与左侧侧白线平行后回正;4、继续行车至肩膀与白色横线(训练场最东边的虚线)一致,向右打一圈;5、凹槽对准黑色电线杆,回正;3)、备注:1、先从右边倒车入库、然后出左库倒车入左库;2、右出库后驶入入侧方位区域前,行驶至西边白线与肩齐时迅速向右打一圈;二、侧方位停车1)后退侧方位停车1、回正方后(或者中途调整);使左侧车头凹槽对准中心线,2、看右后视镜到车库白线在镜中间停车;挂倒挡开始倒车;2、倒车白实线刚刚消失(由右倒车镜中间位置慢慢变化),然后向右打一圈;3、继续倒车前把手后部触线,回正;4、继续后倒前门把手前端触线,向左打死倒车至平行;2)出侧方位区域5、离合刹车到底,换一档打左方向灯;6、车头中间触线,回正7、左玻璃窗前立柱底角点触线,向右打一圈;8、前进至平行,回正三、S弯1、行驶侧方位结束位置的横线与肩齐,向右打一圈;2、行驶至车头在S弯起点,车头正在起点车道正中间,回正;3、行驶至左前小后视镜底座碰白实线,向左打一圈;4、身子不动,头部转动视线、左车窗前三角柱底连线的延长线与左白实线距离控制在10厘米左右,继续前进;5、行驶至左前固定玻璃车窗梯形直角边与左边线平行,回正;6、继续前行右侧前小镜距前方白实线30厘米时向右打一圈,7、把头部顺车身垂直方向,尽量伸出来;与本节第4描述述的连线吻合;8、行驶至S弯终断面,白线齐肩回正;继续行驶2秒左右向左打一圈;9,行驶车头左侧凹槽正对墙,回正;肩齐白线,停车;四、直角转弯1、向左打死,对准南面的墙上的红色标记,回正、停车、随后打转左向灯并按住;2、继续行驶,左窗前固定梯形玻璃底部直角边中间位置触左前方直角点;向左打一圈3、行至东西方向的线与肩齐时向左打死,4、行至车身方向与东西线平行,回正;五、坡道定点停车与起步1、车头左前方凹槽对中间水泥缝;2、开始上坡时,离合在向上抬一些;进行上坡,上坡后觉得速度过快可以及时适当松点离合;3、行至左窗玻璃前立柱与视线的连线,延长线正好触白实线后部,立即刹车(离合刹车同时到底);拉手刹;4、三秒后,按住松手刹(拉手刹及放手刹,手右手一直放在手刹上直到松手刹结束后才拿到方向盘上);松离合,车子颤抖的非常厉害时,打转向灯,松刹车到底;5、下坡时带点刹车,后轮着地时停车;六、结束开回1、向左打死方向,行驶至车头与北墙(或者实线垂直)回正;2、行至东西向白实线与肩重合后,向左打死;3、凹槽对准标志竖线后,行驶至前方白线位置停车;即为倒车入库右起点。
合肥支队科目二考场规则
1.倒车入库考试考试要求标准:1.车身不得出白线,否则即“车身出线”判定为不合格;
2...
2.坡道定点停车和起步考试要求标准:要求在>=10%坡度,>=30米坡长的坡道上的固定位置...
3.曲线行驶考试要求标准:小型车辆在3.5米宽的S型路面上行驶,要求不得挤压路边缘线, 1、科目二考试分为5项:倒车入库、坡道定点停车与起步、直角转弯、侧方位停车、曲线行驶(S弯)
备注:5项为全国统一的科目二必考项目,部分地区,如上海实则考9项,浙江省、福建省多地今年开始会考6项、7项。
2、科目二所有考试项目必须一次性全部合格,才算过关。
3、科目二考试预约一次,当场就有2次考试机会,即考一补一。
第1次不合格,可当场进行补考。
补考还没过的,就需要10天后才能再预约考试。
4、考试结束后,考生应迅速离开考场,不得干扰他人考试。
5、考试结束后还要按工作人员指引,到指定位置签字确认考试成绩,不签字的,成绩作废。
驾照科目二考试顺序:
1、倒车入库、侧方停车、坡道定点停车和起步、直角转弯、曲线行驶,每个考场都是不一样的,具体根据实际考场来排序。
2、科目二,又称路径考试,是机动车驾驶证考核的一部分,是现场驾驶技能考试科目的简称。
3、检查项目包括倒进仓库、侧停车、坡道定点停车和起步、直角转弯、弯道行驶五项必须的考试,有些地方又新增加了停车取车项目。
1#指1号2#指2号考试结束出场3#指3号库报废车圆饼红绿灯边线红外线进场课目二场地示意图及考试注意事项。
感应线会指引你,上车后调整座椅和后视镜,系好安全带,起步,沿前进,该路段是单向双行车道,不要S 型走。
去侧方停车后要尽快了解车的离合和方向,适应车辆。
拐弯后观察3个红绿灯,红灯的不要进去。
进绿灯的。
只要空闲(库前绿灯)可以任意进,选定库之后从入口进,红外线处,车头切边线,但允许出,车身碰到红外线后,车载电脑开始语音提示倒库。
按平时训练开始倒库,先右边再左边再开到右边,合格后电脑语音提示合格,进入下一科目侧方停车沿着方向行走。
开始正常倒库后,电脑没有语音提示说明常,入库后停车拉手刹挂空挡,脚离开离合油门,然后挂1继续你的倒车开始进去时严格按照路线走,不要走S 道;观察库前的红绿碰到红外线否则没有成绩;入库停车后要拉手刹;倒车入库时,有下列情形之一的,评判为不合格:1、不按规定线2、车身出线的;3、倒库不入的;4、中途停车的。
5压倒感应线。
倒桩区待考室。
感应线红绿灯红外线进入侧方1路线道路中间虚线进入侧方2路。
进入半坡起步路线。
室。
从桩考区出来之后,会有工作人员告诉你,进入几号侧方库。
如果工作人员重复一下是1号还是2号。
如果是1号库先观察红绿灯,如果是红灯亮就,走沿着库左侧边线约30cm 左右直行前进,车头看不到前面的停止边线侧方停车区侧考场库的左边线是虚线,车身与库角成直线的参照就是库角的红外车区方,拉手刹(切记一定要拉,否则下课),挂空挡,脚从离合2。
下。
在这个过程中电脑没有任何提示说明正常。
方向向左打。
车头出库电脑语音提示合格,进入下一科目半坡起步。
出库方向前进,不要占2号库的位置,不要压感应线如果工作人员告诉你是2号库,沿方向走(同样观察2号库的红绿灯),也就是沿着路中虚线的左侧道路走,不要占1号库的路线。
出库进入半坡起走。
去侧方停车,有下列情形之一的,评判为不合格:1、车辆入库停止后半坡3.不按规定路线行驶的。
科目二场地操作流程整个科目二,要领是:1.车速要慢,离合控制在约1/4-1/3位置,压稳后注意力完全集中在看点、打方向盘上。
2.车不到位不得踩刹车和停车(否则不合格)。
一倒车入库:上车前:逆时针绕车一周。
上车三件事:调座--调镜—调车。
举手示意,可以考试。
第一倒:1.踩死离合挂倒档、松手刹、缓抬离合约1/4-1/3、控制住车速缓慢直线倒车。
2.右后门三角小窗:移至库线拐角,速向“右打死”方向盘。
(倒图1)3.右视镜(以下简称“右镜“):看到库线拐角,边倒边“向左回调”方向盘,保持车身与库线拐角在20厘米的横向间距。
近了向左微调方向盘,随调随回。
(倒图2)4.车身将正--镜中看上(车尾)宽下窄:速向“左回正”方向盘(倒图3 )5.左、右镜:随时比较车身两侧分别与库线的横向间距,从两侧镜中看,车身分别与库线的距离为1厘米,车就正。
若不等,哪面宽则向哪面微调方向盘,即“哪宽向哪调,随调随回”。
(倒图4、图5)6.左镜底沿:重合库线外沿停车---基本停车点,而实际练习中则根据个人身高分别确定。
(倒图6)第一进1.踩死离合挂1档,缓抬离合约1/4-1/3、控制住车速缓慢前行。
2.车头机盖:重合车道边线后过一些(砖块代线),速向“左打死”方向(个头高早打头矮晚打)。
(倒图7)3.方向盘仍“左打死”勿动、当车头前检测灯亮了停车。
(倒图8--暂缺)。
第二倒:1.方向盘仍“左打死”勿动、踩死离合挂倒档、缓抬离合1/4-1/3缓慢原路倒车。
2.左镜:看到库线拐角直至车身正、速向“右回正”方向盘。
3、4条与“第一倒”5、6条类同。
第二进:1.踩死离合挂一档,缓抬离合约1/4-1/3、控制住车速缓慢前行。
2.车头机盖:重合车道边线过一些、速向“右打死”方向盘。
(图类似倒图7)3.车头将正:速“回正”方向盘。
4.左镜底沿:约重合控制线、停车。
(图类似倒图6)摘挡、拉手刹。
目的是:车不顿、不停倒车入库。
要领是:1.入库前和出库后“打死”方向要快、入库时“回调”方向要缓。
不管前后结果如何,慢慢仔细,不要有崩了的心态系带调座,控速正车,记点打灯流程:倒车入库——侧方停车——S——直角——爬坡。
用离合控车速,必要时也用刹车。
过了直角转弯,开空调。
等别人考完一个项目离开通道时才开进去。
在进入考道前,擦左边线走,然后对准倒车入库起始段的第二第三根线中间,向右打尽,又擦边走到中间(大概),然后对准第三根线头校正车身。
准备工作调座位,拉好安全带。
行车时调整车身,车头正车身就正(看远方)拉尽座椅,头离挡板3指宽,8垫5靠,左右后视镜刚露完把手。
踩踩离合,感受离合高低。
拉好安全带。
控制好车速与离合。
换挡时,离合踩到底。
端正坐姿。
倒车入库1)w对着第三段的左边开上去,当线对着自己的手臂时,踩离合与刹车2)挂后档,松离合松刹车,当左后视镜框柄压线快压完时,向右打尽3)看右后视镜,当看到第二根虚线边(窄了提前打,宽了晚打,要结合距离大小实际判断和决定)打半圈4)看左后视镜,当车身与线平行时,向左打一圈半5)观察后视镜,哪宽往哪打,观察左后视镜,车柄有点白停车。
6)挂1档,看左边线,当肩刚过第一根虚线时向左打1¼圈,两轮过线时停车,7)挂倒档,当车位对着角时,向左打尽。
当看到第二根虚线边(结合距离大小判断)向打半圈,车身正时向右回正,一圈半。
调整位置,观察左后视镜,车柄完全过完时停。
8)挂1挡,当车头碰线时,向右打尽,对角回半圈,对正回一圈半。
侧方停车1)车w对准中间线开上去,当看不到右车线立刻看右后视镜,当看到角时停车,打后退档,当看不到角时向右打尽2)看左后视镜,当看到第二截线边时,向左回一圈半,当车底对正第二节线时向左打尽3)看车头,当车头线和右车线分离时停车。
4)然后打1档,和左转灯,控速,当左车头线刚压过左车线,向右打一圈半5)当雨刷中点压左车线,向右打一圈,当车回到线中间,向左回一圈。
S型①三圈,左一圈右回一圈右打一圈②2点随线直角转弯打右灯。
先对左侧线走,然后调整方向,尽量擦着左车线走。
一、准备工作:进入待考区:五项-----上车调座位、调后靠背、调后视镜(左边调整为能看到后车尾,以便于倒车入库看电表箱,右后视镜调整为看见右后车轮胎)、系安全带、打方向灯、松手刹、挂一档、行驶前进。
二、侧方位停车车辆起步对准前方箭头,使车楞对准水泥缝慢慢行驶,看右视镜,当行驶到拐角处往前30公分处离合器、刹车同时踩住停止前进;挂后档松刹车,慢慢抬离合控制车速,慢慢往后倒,看右后视镜,当看左后视镜,当右后车轮胎与拐角刚刚接近10公分时,方向盘右打死。
当电表箱楞与左车尾边对齐时,方向盘回正。
看左后视镜当方向盘与左库线刚刚接近10公分时方向盘左打死。
看前方车缝/车边与左库线对齐时,把车停正。
打左方向灯——拉手刹——挂空挡——挂前进一档-——松手刹。
看左后视镜,当左车轮刚刚出左库线事方向盘右打死,车身出来,不能压库线与马路边线。
车速----左车楞----对准箭头-----对准水泥缝-----右后视镜、右轮胎---拐角对齐----右打死---左后视镜----左车尾------电表箱对齐-----回正----左视镜、左库线-----左打死-------车前楞对齐-------左方向灯--拉手刹——挂空挡——挂前进一档-——松手刹-----出库三、曲线行驶从侧方位停车出来时,控制车速。
车尽量往左边靠,然后进入待考区时尽量车身往右边靠。
当车身与曲线搭接在车头左1/3处时,方向盘向左打一圈。
看左边后视镜,保持车与线的距离,适当调整方向盘防止右边压线,车行驶中间处时,方向盘回正,当处在车头右边1/3处时,放线盘右打一圈,看右后视镜,调整方向盘,保持两边距离,防止压线。
往右靠车正-----左前1/3----左一圈----左视镜------回正----右前1/3----右一圈----右视镜-----调整方向盘从曲线行驶中出来中途可以停车。
先想想直角拐弯、定点爬坡要注意的事项,防止漏项。
停止前进的时候注意防止油门当刹车踩。
公交驾校课目二考试流程第一考场:倒车入库右倒库—出左—左倒库—出右—下车右倒库1、上车、关门、摇下左手窗户、调整座椅及后视镜、系安全带2、踩离合,松手刹,挂倒档(后拍两下,确保挂到位)3、看右后,轻松离合,等车库左前角入后排座右侧三角窗稍前位时,迅速右打满4、观察右后视镜,等车右后端接近库前线三分之一(眼睛看到的这一侧)位时,根据需要回轮一圈左右5、车入库门后,迅速右打满6、观察左后视镜,等看到库左后角,迅速回正7、缓慢后倒,等库左前停止线稍过左后视镜下缘后,迅速执行刹车、离合联合动作停车左出1、踩离合,挂一档2、车头边线压前白线后,迅速左打满3、车正回轮4、撞杆后,迅速执行刹车、离合联合动作停车左倒库1、踩离合,挂倒档(后拍两下,确保挂到位)2、看左后,轻松离合,等车库右前角接近后排座左侧窗前边缘时,迅速左打满3、观察左后视镜,等车左后端接近库前线三分之一(眼睛看到的这一侧)位时,根据需要回轮一圈左右4、车入库门后,迅速左打满5、观察右后视镜,等看到库右后角,迅速回正6、缓慢后倒,等库左前停止线稍过左后视镜下缘后,迅速执行刹车、离合联合动作停车右出1、踩离合,挂一档2、车头边线压前白线后,迅速右打满3、车正回轮4、撞杆后,迅速执行刹车、离合联合动作停车下车1、摘空档、拉手刹、松离合、松刹车2、下车,关门第二考场:路考综合一、起步1、打左灯、踩离合到底、松手刹、挂一档、轻松离合缓慢起步2、进入直角拐弯前体验离合接合点位置二、直角拐弯1、打右灯2、慢靠右,离马路牙30公分左右,车打正(随时补灯)3、左前轮过直角内侧左白线角,左打满4、打左灯,出直角5、车正后快速回轮(随时补灯)三、侧方停车1、听考官指挥选择侧方停车位2、打右灯3、调整方向,使车与侧方停车位左侧线30到50公分平行位4、以最慢速度行进至车头盖住前方停止线后1到2秒,迅速执行刹车、离合联合动作,停车5、确保右灯仍处开启位6、挂倒档(挂后,向后拍两下,确保挂到位)7、向后观察,慢台离合,缓慢后倒8、等侧方位右前角接近右后车门玻璃窗前缘时,迅速右打满9、立即观察左后视镜,稳住离合、控制慢速10、等从左后视镜看到侧方位右后角时,迅带回轮调正11、伸出头出观察左后轮,等左后轮即将压侧方位左边线时,迅速左打满12、平视前远方,待车正时,迅速执行刹车、离合联合动作,停车13、打左灯,挂一档14、轻松离合出侧方位15、等右前轮出侧方位时,回轮,并右打满(随时补左灯)16、等车正时,迅速回轮中立继续前进(切勿停车)四、定点停车与坡起1、向前行使,过直角弯后,进入课目区2、打右灯、向右靠3、慢调至前轮离右白线30公分处调正车(随时补右灯)4、缓慢上坡,注意根据车速适当松离合量,稳住离合5、等车头前缘线与右侧杆平齐,迅速执行刹车、离合联合动作(此处踩刹车要迅猛),以最快速度停车6、打左灯,左打半圈方向盘7、轻抬离合找结合点(稍多放一点离合量)8、轻松刹车,缓慢跟补离合量,待车向前动,松开刹车(随时补左灯)9、车稍造左后,回轮调正下坡五、曲线行驶1、正常行驶至曲线课目区前2、打右灯,靠左行驶,左前轮离左侧白线30公分左右3、第一个右转打半圈多轮4、缓慢沿曲线行驶(左转靠右,右转靠左,每次车正即时回轮,随时补右灯;最后一弯,注意不要过于担心前方多加的一突出块,自然右转即可出,过于右打方向盘会导到右后轮压线)5、最后一弯后,打左灯,出课目6、沿前方直角拐弯右转,结束孝试7、沿路线指引,将车开回考试起点8、停车,踩离合,摘空档,拉手刹,下车。
设施考试项目与具体操作1.侧方停车(必考)①将车驶入如图所示的指定位置边30cm以内,停车。
②第一倒具体操作:挂倒档,抬离合并控制住,倒车;向后看,右后门玻璃三角处的花对准1号竿时,踩离合和刹车,停车。
③第二倒向右打死方向(一圈半),松刹车,抬离合并控制住,倒车;向左前方看,左方后视镜能看到3号竿时,踩离合和刹车,停车。
④第三倒回正方向(回一圈半),松刹车,抬离合并控制住,倒车;向右前方看,前挡风玻璃右下角雨刷器末端(或距离末端2cm处)对准1号竿时,踩离合和刹车,停车。
⑤第四倒向左打死方向(一圈半),松刹车,抬离合并控制住,倒车,待车头正时,踩离合和刹车,停车。
挂空档,拉手刹。
⑥出库打左转向灯,挂一档,松手刹,不动方向盘走车,待车头出库后回轮,车正走车。
2.坡道定点停车和起步/钓鱼(必考)①上坡一档行车,控制住离合,处于半联动状态行车,车速要慢,同时要用左边雨刷器的小圆点找坡道左边的白线(横向距离要求),对准后将车回正,慢慢上坡。
②定点停车当右边雨刷器的小圆点对准标竿时(纵向距离要求),同时踩离合和刹车,停车。
③起步慢慢向上抬离合,待听到嗡嗡声后,抬刹车,车动。
然后自然下坡。
3.通过连续障碍整个过程一档通过,要控制住离合,车速快的话,要向下压住离合,或踩点儿刹车。
①通过1、2号饼车身对准1、2号饼,切过去,车左轮略微离饼子近些。
②通过3号饼通过2号饼后,当车与3号饼下端平行时,向左打一圈轮,继续行车;当左车筋绕过3号饼一拳头时,回正方向(右回一圈),继续行车。
③通过4号饼当车与4号饼下端平行时,向右打一圈轮,继续行车;当右车筋绕过4号饼一拳头时,回正方向(左回一圈),继续行车。
5、6号饼按照3、4号饼的办法依次通过。
4.通过单边桥整个过程一档通过,要控制住离合,车速快的话,要向下压住离合,或踩点儿刹车。
①通过1号桥用左侧车筋对准1号桥的内侧,左车轮从1号桥缓慢通过。
②通过2号桥当左后轮下了1号桥后,向右打方向到2点位置,继续行车;待左侧车筋对准A 点时,向左打一圈轮,继续行车;当车正后,回正方向,匀速通过。
科⽬⼆考试全流程、点位、图⽂详解图⽚发⾃简书App早上早⼀点到达考场(先到先照相的先考,尽量早些去),带上⾝份证、学员牌,穿平时练车穿的鞋⼦(没有⾝份证是考不到试的,这些在头天晚上就要准备好)。
提醒⼀下:若遇下⾬天,⼀定要多带些纸,上车前把倒车镜上的⾬⽔擦⼲净,否则看不清。
主要是倒库和侧⽅要⽤倒车镜。
在这两个项⽬报进⼊之前,看⼀下镜⼦,若⼜淋花了,停车再擦⼀下,但不能解安全带,不能开门下车,右镜擦不到就擦左镜。
所以我们在预约的时候可以看⼀下天⽓预报。
到达考场,站在下⾯↓(报道流程)这个牌⼦的两边的窗⼝排队(先照相的先考),刷⾝份证选车型(别选错了,我们的车型是新雪铁龙,若选错了车型或没选车型或选好了按确认键没按起的,就要排到最后考)。
图⽚发⾃简书App看下图↓,把⾝份证放在下图左⼿的那个位置,你的信息出来后,点(新雪铁龙),不要选错了,我们的车型是(新雪铁龙)。
预约考试的时候更不要预约错了,若预约错了是改不了的。
预约的是什么车型,考试就考什么车型。
图⽚发⾃简书App选好车型后,要点确认。
没点确认和选错了车型或没直接就没去选车型,就直接刷⾝份证进候考室报道照相的,要等全部⼈照完相后,再重新去选车型,那么也就是说,要等到最后才考。
注意:有时候,若去迟了,如果(报到流程)这个牌⼦两边的窗⼝没有开,就直接刷⾝份证进⼊候考室,刷⾝份证照相时,给照相的⼯作⼈员说你还没有选车型,她会问你什么车型(我们的是新雪铁龙),她就直接给你选好。
然后照相后看⼤屏幕等待考试。
图⽚发⾃简书App选好车型,点确认后,就从下图所指进去刷⾝份证进⼊候考室。
图⽚发⾃简书App进⼊候考室后排队照相,并将⼿机调为静⾳或关机,遵守考场纪律,听从考务⼈员安排。
图⽚发⾃简书App认真听考务⼈员讲考试规则和注意事项。
,照相⼀后,坐下看⼤屏幕。
若你的名字出来,并显⽰⽴即上车(考务⼈员⼀般会喊名字),请看⼀下⾝份证号确认,确认后便准备上车。
图⽚发⾃简书App考试不要着急,在进⼊每⼀项前,想好该注意的地⽅及其点位。
驾校科二考试操作步骤注:每个T*的座位调整不同,所观测的参照点有所不同,以个人实际观测为准。
二、坡道定点停车与起步:坡道定点停车主要是车速不能过快,离合肯定稳住保证有动力能够前行就行速度不能太快,感觉车辆太快时就把离合向下压一点,动力不够就在放一点可以反复这样操作来掌握车速,在上坡前提前调整方向观测车头正中偏右15cm处A 点与车道右侧变沿线A线重合保持方向不动直行,这时车辆右侧与车道边沿线的距离在 20cm左右,当车辆快接近停车点时留意观测车头横线B线与B点平行,离合和刹车实时踩下拉起手制动回空挡。
注:每个T*的座位调整不同,所观测的参照点有所不同,以个人实际观测为准。
2、坡道起步需要在30秒内完成,首先开启左转向灯挂一档,慢抬离合至车辆有抖动涌现,离合稳住不动加油至发动机转速达到1500转时油门稳住不动,微抬离合发动机转速下降到1000转左右时,〔发动机声音变小时〕放开手制动〔不能过快缓慢放下防止溜车〕。
三、科目二曲线行驶:在进入曲线行驶前首先观测进入的第一个转弯是右转弯还是左转弯,右转弯车辆就要靠左行驶,左转弯车辆就要靠右行驶,使车与靠近一侧的边沿线距离保持30cm左右即可,留意观测车头内侧与外侧转弯处的边沿线重合时开始转动方向,左转弯即向左转方向,右转弯即向右转方向,保持车头前内侧与外侧边沿线交汇行驶,方向车速不可太快,出去后方向回正。
四、侧方位停车:1、在进库前首先要调整好车右侧与库的距离,一般以30cm到50cm比较合适。
2、观测右后视镜看到车库前边的横线涌现在右后视镜里时停车。
3、挂倒档观测右后视镜等车库前横线在右后视镜里向下边消逝时,快速把方向右打死。
4、观测左后视镜看到侧方位后内角涌现时,方向快速左回正。
5、观测左后视镜看到左后轮即将压线时,〔不可过线〕方向左打死。
6、观测车头走正时停车,回空挡拉手刹,开启左转向灯挂一档放手刹起步出库。
注:每个T*的座位调整不同,所观测的参照点有所不同,以个人实际观测为准。