沟槽回填分项工程质量验收记录表
- 格式:doc
- 大小:39.00 KB
- 文档页数:2
沟槽回填分项工程质量验收记录表工程名称:工程地点:工程编号:施工单位:验收时间:一、工程概况沟槽回填分项工程是指对挖掘的沟槽进行回填填实的工作。
本次工程位于(工程地点),由(施工单位)负责施工。
二、施工实施情况1. 施工前准备在开始施工前,施工单位应对工程现场进行勘察,并制定相应的沟槽回填施工方案。
2. 施工材料及设备2.1 回填材料:根据设计要求,使用符合规定标准的填土材料进行回填。
2.2 施工设备:施工单位使用挖掘机、平地机等设备进行回填作业。
3. 回填施工过程3.1 沟槽清理:在回填前应将沟槽内的杂物清理干净,确保回填材料能够充分填实。
3.2 回填材料铺设:将符合规定标准的填土材料均匀铺设在沟槽内,并进行适当的夯实。
3.3 分层回填:按照设计要求,分层进行回填,每层不宜过厚,夯实至规定密实度。
3.4 表面整平:回填完成后,对回填表面进行整平,确保回填材料与周围地面平齐。
4. 监理情况监理单位对施工过程进行监督,对施工现场进行巡查,并对沟槽回填工程质量进行抽查和检测。
三、质量验收结果经过对沟槽回填分项工程的检查和测量,发现如下情况:1. 回填材料符合要求,无严重杂质。
2. 回填层次清晰,分层夯实情况良好。
3. 回填表面整平度满足设计要求。
综上所述,沟槽回填分项工程质量验收合格。
四、存在的问题与建议根据对工程的检查和评估,提出以下问题与建议:1. 部分回填材料的湿度不符合要求,建议施工单位在施工过程中严格控制材料湿度,确保回填质量。
2. 部分区域回填材料夯实度不够,建议施工单位加强夯实力度,保证回填层次的实心度。
3. 部分回填表面整平度不满足要求,建议施工单位进行二次整平处理,确保回填表面平整。
五、质量验收人员质量验收人员:__________________工程负责人:__________________监理单位:_____________________六、备注其他需要记录的重要信息和备注事项请在此处填写。
雨水管道15经二路Y1-1#-Y4#沟槽土方开挖经二路Y1-1#-Y4#沟槽管道基础经二路Y1-1#-Y4#沟槽管道铺设经二路Y1-1#-Y4#沟槽管道接口连接经二路Y1-1#-Y4#沟槽土方回填经二路Y4#-Y7#沟槽土方开挖经二路Y4#-Y7#沟槽管道基础经二路Y4#-Y7#沟槽管道铺设经二路Y4#-Y7#沟槽管道接口连接经二路Y4#-Y7#沟槽土方回填经二路Y7#-Y10#沟槽土方开挖经二路Y7#-Y10#沟槽管道基础经二路Y7#-Y10#沟槽管道铺设经二路Y7#-Y10#沟槽管道接口连接经二路Y7#-Y10#沟槽土方回填技术负责人:年月日监理工程师:年月日验收批名称、部位施工单位检查评定结果监理(建设)单位验收结论雨水管道15经二路Y10#-Y13#沟槽土方开挖经二路Y10#-Y13#沟槽管道基础经二路Y10#-Y13#沟槽管道铺设经二路Y10#-Y13#沟槽管道接口连接经二路Y10#-Y13#沟槽土方回填经二路Y13#-Y15#沟槽土方开挖经二路Y13#-Y15#沟槽管道基础经二路Y13#-Y15#沟槽管道铺设经二路Y13#-Y15#沟槽管道接口连接经二路Y13#-Y15#沟槽土方回填经二路Y15#-Y18#沟槽土方开挖经二路Y15#-Y18#沟槽管道基础经二路Y15#-Y18#沟槽管道铺设经二路Y15#-Y18#沟槽管道接口连接经二路Y15#-Y18#沟槽土方回填技术负责人:年月日监理工程师:年月日验收批名称、部位施工单位检查评定结果监理(建设)单位验收结论雨水管道15经二路Y18#-Y21#沟槽土方开挖经二路Y18#-Y21#沟槽管道基础经二路Y18#-Y21#沟槽管道铺设经二路Y18#-Y21#沟槽管道接口连接经二路Y18#-Y21#沟槽土方回填经二路Y21#-Y23#沟槽土方开挖经二路Y21#-Y23#沟槽管道基础经二路Y21#-Y23#沟槽管道铺设经二路Y21#-Y23#沟槽管道接口连接经二路Y21#-Y23#沟槽土方回填经二路Y23#-Y26#沟槽土方开挖经二路Y23#-Y26#沟槽管道基础经二路Y23#-Y26#沟槽管道铺设经二路Y23#-Y26#沟槽管道接口连接经二路Y23#-Y26#沟槽土方回填技术负责人:年月日监理工程师:年月日验收批名称、部位施工单位检查评定结果监理(建设)单位验收结论雨水管道15经二路Y26#-Y29#沟槽土方开挖经二路Y26#-Y29#沟槽管道基础经二路Y26#-Y29#沟槽管道铺设经二路Y26#-Y29#沟槽管道接口连接经二路Y26#-Y29#沟槽土方回填经二路Y4-1#~Y4-2#、Y7-1#~Y 7-2#、Y18-1#~Y18-2#沟槽土方开挖经二路Y4-1#~Y4-2#、Y7-1#~Y 7-2#、Y18-1#~Y18-2#沟槽管道基础经二路Y4-1#~Y4-2#、Y7-1#~Y 7-2#、Y18-1#~Y18-2#沟槽管道铺设经二路Y4-1#~Y4-2#、Y7-1#~Y 7-2#、Y18-1#~Y18-2#沟槽管道接口连接经二路Y4-1#~Y4-2#、Y7-1#~Y 7-2#、Y18-1#~Y18-2##沟槽土方回填经二路Y10-1#~Y10-2#、Y15-1#~Y15-2#沟槽土方开挖经二路Y10-1#~Y10-2#、Y15-1#~Y15-2#沟槽管道基础经二路Y10-1#~Y10-2#、Y15-1#~Y15-2#沟槽管道铺设经二路Y10-1#~Y10-2#、Y15-1#~Y15-2#沟槽管道接口连接经二路Y10-1#~Y10-2#、Y15-1#~Y15-2#沟槽土方回填技术负责人:年月日监理工程师:年月日验收批名称、部位施工单位检查评定结果监理(建设)单位验收结论雨水管道5经二路Y23-1#~Y23-2#、Y26-1#~Y技术负责人:年月日监理工程师:年月日26-2#沟槽土方开挖经二路Y23-1#~Y23-2#、Y26-1#~Y26-2#沟槽管道基础经二路Y23-1#~Y23-2#、Y26-1#~Y26-2#沟槽管道铺设经二路Y23-1#~Y23-2#、Y26-1#~Y26-2#沟槽管道接口连接经二路Y23-1#~Y23-2#、Y26-1#~Y26-2#沟槽土方回填验收批名称、部位施工单位检查评定结果监理(建设)单位验收结论雨水检查井13经二路Y1-1#~Y4#雨水检查井经二路Y4#~Y7#雨水检查井经二路Y7#~Y10#雨水检查井经二路Y10#~Y13#雨水检查井经二路Y13#~Y15#雨水检查井经二路Y15#~Y18#雨水检查井经二路Y18#~Y21#雨水检查井经二路Y21#~Y23#雨水检查井经二路Y23#~Y26#雨水检查井经二路Y26#~Y29#雨水检查井经二路Y4-1#~Y4-2#、Y7-1#~Y7-2#、Y18-1#~Y18-2#雨水检查井经二路Y10-1#~Y10-2#、Y15-1#~Y15-2#雨水检查井经二路Y23-1#~Y23-2#、Y26-1#~Y26-2#雨水检查井技术负责人:年月日监理工程师:年月日验收批名称、部位施工单位检查评定结果监理(建设)单位验收结论污水检查井9经二路W1#~W6#雨水检查井经二路W6#~W11#雨水检查井经二路W11#~W12#雨水检查井经二路W12#~W16#雨水检查井经二路W16#~W20#雨水检查井经二路W20#~W24#雨水检查井经二路W24#~W28#雨水检查井经二路W3-1#~W3-2#、W6-1#~W6-2#、W9-1#~W9-2#雨水检查井经二路W15-1#~W15-2#、W18-1#~W18-2#、W25-1#~W25-2#雨水检查井技术负责人:年月日监理工程师:年月日验收批名称、部位施工单位检查评定结果监理(建设)单位验收结论污水管道16经二路W1#-W6#沟槽土方开挖经二路W1#-W6#沟槽管道基础经二路W1#-W6#沟槽管道铺设经二路W1#-W6#沟槽土方回填经二路W6#-W11#沟槽土方开挖经二路W6#-W11#沟槽管道基础经二路W6#-W11#沟槽管道铺设经二路W6#-W11#沟槽土方回填经二路W11#-W12#沟槽土方开挖经二路W11#-W12#沟槽管道基础经二路W11#-W12#沟槽管道铺设经二路W11#-W12#沟槽土方回填经二路W12#-W16#沟槽土方开挖经二路W12#-W16#沟槽管道基础经二路W12#-W16#沟槽管道铺设经二路W12#-W16#沟槽土方回填技术负责人:年月日监理工程师:年月日验收批名称、部位施工单位检查评定结果监理(建设)单位验收结论污水管道16经二路W16#-W20#沟槽土方开挖经二路W16#-W20#沟槽管道基础经二路W16#-W20#沟槽管道铺设经二路W16#-W20#沟槽土方回填经二路W20#-W24#沟槽土方开挖经二路W20#-W24#沟槽管道基础经二路W20#-W24#沟槽管道铺设经二路W20#-W24#沟槽土方回填经二路W24#-W28#沟槽土方开挖经二路W24#-W28#沟槽管道基础经二路W24#-W28#沟槽管道铺设经二路W24#-W28#沟槽土方回填经二路W3-1#-W3-2#、W6-1#-6-2#、W9-1#-W9-2#沟槽土方开挖经二路W3-1#-W3-2#、W6-1#-6-2#、W9-1#-W9-2#沟槽管道基础经二路W3-1#-W3-2#、W6-1#-6-2#、W9-1#-W9-2#沟槽管道铺设经二路W3-1#-W3-2#、W6-1#-6-2#、W9-1#-W9-2#沟槽土方回填技术负责人:年月日监理工程师:年月日验收批名称、部位施工单位检查评定结果监理(建设)单位验收结论污水管道4经二路W15-1#-W15-2#、W18-1#-18-2#、、W25-1#-W25-2#沟槽土方开挖经二路W15-1#-W15-2#、W18-1#-18-2#、、W25-1#-W25-2#沟槽管道基础经二路W15-1#-W15-2#、W18-1#-18-2#、、W25-1#-W25-2#沟槽管道铺设经二路W15-1#-W15-2#、W18-1#-18-2#、、W25-1#-W25-2#沟槽土方回填技术负责人:年月日监理工程师:年月日验收批名称、部位施工单位检查评定结果监理(建设)单位验收结论雨水口及连接支管12经二路K0+000-K0+160段雨水口及连接技术负责人:年月日监理工程师:年月日支管沟槽土方开挖经二路K0+000-K0+160段雨水口及连接支管沟槽管道基础经二路K0+000-K0+160段雨水口及连接支管沟槽管道铺设经二路K0+000-K0+160段雨水口及连接支管沟槽土方回填经二路K0+160-K0+380段雨水口及连接支管沟槽土方开挖经二路K0+160-K0+380段雨水口及连接支管沟槽管道基础经二路K0+160-K0+380段雨水口及连接支管沟槽管道铺设经二路K0+160-K0+380段雨水口及连接支管沟槽土方回填经二路K0+380-K0+600段雨水口及连接支管沟槽土方开挖经二路K0+380-K0+600段雨水口及连接支管沟槽管道基础经二路K0+380-K0+600段雨水口及连接支管沟槽管道铺设经二路K0+380-K0+600段雨水口及连接支管沟槽土方回填验收批名称、部位施工单位检查评定结果监理(建设)单位验收结论雨水口及连接支管8经二路K0+600-K0+800段雨水口及连接技术负责人:年月日监理工程师:年月日支管沟槽土方开挖经二路K0+600-K0+800段雨水口及连接支管沟槽管道基础经二路K0+600-K0+800段雨水口及连接支管沟槽管道铺设经二路K0+600-K0+800段雨水口及连接支管沟槽土方回填经二路K0+800-K0+922.582段雨水口及连接支管沟槽土方开挖经二路K0+800-K0+922.582段雨水口及连接支管沟槽管道基础经二路K0+800-K0+922.582段雨水口及连接支管沟槽管道铺设经二路K0+800-K0+922.582段雨水口及连接支管沟槽土方回填验收批名称、部位施工单位检查评定结果监理(建设)单位验收结论雨水管道GB 50268-2022验收批名称、部位施工单位检查评定结果监理(建设)单位验收结论分项工程名称验收批数施工单位检查评定沟槽土方开挖 13管道基础 13管道铺设 13管道接口连接 13沟槽土方回填 13质量控制资料安全和功能检验(检测)报告观感质量验收施工单位项目经理:年月日监理单位总监理工程师:年月日建设单位项目负责人(专业技术负责人):年月日雨水管道GB 50268-2022验收批名称、部位施工单位检查评定结果监理(建设)单位验收结论分项工程名称验收批数施工单位检查评定雨水检查井 13质量控制资料安全和功能检验(检测)报告观感质量验收施工单位项目经理:年月日监理单位总监理工程师:年月日建设单位项目负责人(专业技术负责人):年月日污水管道GB 50268-2022验收批名称、部位施工单位检查评定结果监理(建设)单位验收结论分项工程名称验收批数施工单位检查评定污水检查井 9质量控制资料安全和功能检验(检测)报告观感质量验收施工单位项目经理:年月日监理单位总监理工程师:年月日建设单位项目负责人(专业技术负责人):年月日污水管道GB 50268-2022验收批名称、部位施工单位检查评定结果监理(建设)单位验收结论分项工程名称验收批数施工单位检查评定沟槽土方开挖 9管道基础 9管道铺设 9沟槽土方回填 9质量控制资料安全和功能检验(检测)报告观感质量验收施工单位项目经理:年月日监理单位总监理工程师:年月日建设单位项目负责人(专业技术负责人):年月日雨水管道GB 50268-2022验收批名称、部位施工单位检查评定结果监理(建设)单位验收结论分项工程名称验收批数施工单位检查评定雨水口及连接支管 20质量控制资料安全和功能检验(检测)报告观感质量验收施工单位项目经理:年月日监理单位总监理工程师:年月日建设单位项目负责人(专业技术负责人):年月日分部工程GB 50268-2022验收结论分部,分部质量控制资料核查共项,经审查符合要求经核查符合规范规定项,项安全和主要使用功能核查及抽查结果共核查共抽查返工项,符合要求项,符合要求项,处理符合要求项,项,项观感质量检验共抽查项,符合要求项,不符合要求项综合验收结论建设单位设计单位勘察单位施工单位监理单位(公章)项目负责人:年月日(公章)项目负责人:年月日(公章)项目负责人:年月日(公章)项目负责人:年月日(公章)总监理工程师:年月日共分部,经查符合标准及设计要求验收记录项目材质质量保证资料施工检测结构安全和使用功能性检测施工测量施工技术管理验收记录竣工图资料名称1) 管节、管件、管道设备及管配件等; 2) 钢材、焊材、水泥、砂石、橡胶止水圈、混凝土、砖、混凝土外加剂、钢制构件、混凝土预制构件; 3)其他资料1)管道接口质量检测; 2)混凝土强度、砂浆强度; 3)回填土压实度; 4)柔性管道环向变形检测; 5)其他检测;1)管道闭水试验; 2)管道位置及高程; 3)其他检测1)控制桩(副桩)、永久(暂时)水准点测量复核; 2)施工放样复核; 3)竣工测量1)施工组织设计(施工方案)、专项施工方案及批复; 2)施工技术交底; 3)设计变更、工程联系单; 4)材料、设备进场验收; 5)工程会议记要; 6)其他内容1)检验批、分项、分部(子分部)、单位(子单位)工程质量验收记录; 2)隐蔽验收记录; 3)其他记录道路排水工程竣工图核查意见年月日年月日份数管道工程观感质量综合评价检查项目雨污水管道、检查井、附属构筑物位置雨污水管道内通水、检查井底、附属构筑物检查井井盖及井圈、收水井井盖及井圈回填土抽查质量情况验收评价年月日年月日安全和功能检查项目资料核查意见功能抽查结果管道严密性试验记录年月日年月日。
给水排水管道工程施工及验收规范(GB50268-2008)分项工程检验批质量验收记录表1、沟槽(基坑)土方开挖2、沟槽(基坑)支护3、沟槽(基坑)回填)4、开槽施工5、钢筋混凝土管接口连接6、钢筋混凝土类管道铺设7、砖砌井室8、钢管接口连接9、金属类管道铺设10、钢管(水泥砂浆)内防护层11、钢管(环氧涂料)内防护层12、钢管外防护层13、钢管阴极保护14、球墨铸铁管接口连接15、化学建材管接口连接16、柔性管道铺设沟槽(基坑)土方开挖检验批质量检验记录开槽施工检验批质量检验记录编号:020101□□/020201□□/020301□□/020401□□砖砌井室检验批质量检验记录表A.0.1 编号:030002□□钢管接口连接检验批质量检验记录表A.0.1 编号:020102□□021301□□金属类管道铺设检验批质量检验记录表A.0.1 编号:020103□□020303□□钢管内防护层(水泥砂浆)检验批质量检验记录表A.0.1 编号:020104□□021203□□021303□□钢管内防护层(环氧涂料)检验批质量检验记录表A.0.1 编号:020104□□021203□□021303□□钢管外防护层检验批质量检验记录表A.0.1 编号:020104□□021203□□021303□□钢管阴极保护检验批质量检验记录表A.0.1 编号:020107□□020904□□021206□□021306□□球墨铸铁管接口连接检验批质量检验记录表A.0.1 编号:020108□□化学建材管接口连接检验批质量检验记录注:1、本表由施工项目专业质量检查员填写,监理工程师(建设单位项目技术负责人)组织项目专业质量检查员等进行验收,并应按上表进行记录。
柔性管道铺设检验批质量检验记录。
沟井工程质量验收记录表
工程编号:
单位工程名称工程地点
运行线路名称线路设计名称
起止位置电缆沟长度km
工序检验项目性质质量标准施工单位自检结果
模板安装工程沟道中心及端部位移一般±10(±8)mm
沟道顶面标高偏差一般0~10(8)mm
沟道底面坡度偏差一般±10%设计坡度
沟壁截面尺寸偏差一般±15(±12)mm
沟道厚度偏差一般+3~5(2~3)mm
电缆
排管
托架间距偏差一般≤30(25)mm
排距及间距偏
差
一般≤10(8)mm
中心线位置偏
差
一般≤20(15)mm
标高偏差一般+20(15)~0(+15~0)mm
预留孔洞
及预埋件
中心线位
移
一般≤8(5)mm
水平
高差
一般≤3(2)mm
监理验收意见:
验收单位质量验收结论签名
班组年月日
施工队年月日
项目部年月日
监理年月日。
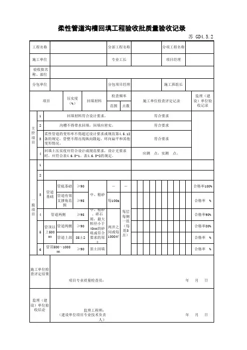
G2-3-1 沟槽回填(刚性管道)施工检验批质量验收记录表
GB 50268-2008
注:1主控项目、一般项目的检查结果,需用语言描述的项,应按GB50268-2008的要求详实描述。
2主控项目的计数检验项先填写“检验批主控项目计数检验记录表”(G1-1-1);检验批一般项目计数检验数据较多时,可先填写“检验批一般项目计数检验记录表”(G1-1-2),然后将计数检验结果填写在本表相应的检查结果栏内。
将两表作为本表的附页。
3 回填土压实度无设计要求时,按GB 50268-2008中 4.6.3第4条规定填写。
4 表中重型击实标准的压实度和轻型击实标准的压实度,分别以相应的标准击实试验法求得的最大干密度为100%。
给水排水管道工程施工及验收规范(G B50268-2008)分项工程检验批质量验收记录表沟槽(基坑)土方开挖直线顶管管道施工沟槽(基坑)支护曲线顶管管道施工沟槽(基坑)回填)垂直顶升管道施工管道基础盾构管片制作1钢管接口连接盾构管片制作2金属类管道铺设盾构管片制作3钢管(水泥砂浆)内防护层盾构掘进和管片安装1钢管(环氧涂料)内防护层盾构掘进和管片安装2钢管外防护层盾构施工钢筋混凝土二次衬砌钢管阴极保护浅埋暗挖管道的土层开挖球墨铸铁管接口连接浅埋暗挖管道的初期衬砌1钢筋混凝土类接口连接浅埋暗挖管道的初期衬砌2钢筋混凝土类管道铺设浅埋暗挖管道的防水层化学建材管接口连接浅埋暗挖的二次衬砌柔性管道铺设定向钻施工管道管渠基础地基夯管施工管道管渠模板沉管基槽浚挖及管基处理管渠钢筋制作组对拼装管道沉放管渠现浇混凝土预制钢筋混凝土管节制作管渠变形缝钢筋混凝土管节接口预制加工管渠构件预制预制钢筋混凝土管的沉放管渠预制构件安装沉管的稳管及回填管渠砖石砌筑桥管管道安装1工作井围护结构桥管管道安装2工作井(沉井)模板现浇混凝土井室工作井(沉井)钢筋加工砖砌井室工作井(沉井)钢筋安装预制拼装井室工作井沉井制作雨水口及支、连管安装(雨水吸支、连管安装)工作井下沉及封底管道支墩安装工作井井内结构沟槽(基坑)土方开挖检验批质量检验记录表 A.0.1 编号:010001□□注:1、本表由施工项目专业质量检查员填写,监理工程师(建设单位项目技术负责人)组织项目专业质量检查员等进行验收,并应按上表进行记录。
沟槽(基坑)支护检验批质量检验记录表 A.0.1 编号:010002□□注:1、本表由施工项目专业质量检查员填写,监理工程师(建设单位项目技术负责人)组织项目专业质量检查员等进行验收,并应按上表进行记录。
沟槽(基坑)回填检验批质量检验记录表 A.0.1 编号:010003□□注:1、本表由施工项目专业质量检查员填写,监理工程师(建设单位项目技术负责人)组织项目专业质量检查员等进行验收,并应按上表进行记录。
分项工程质量验收记录
注:
分部工程质量验收记录
注:1.勘察设计单位按规定参加相应分部工程验收;
2。
质量控制资料核查、实体质量和主要功能抽查项目应按单位工程质量控制资料核查及实体质量和主要功能核查要求进行。
(专业名称)单位工程质量验收记录
无砟轨道单位工程质量控制资料核查记录
注:检查人员为验收组的监理单位人员.
无砟轨道单位工程实体质量和主要功能核查记录
无砟轨道单位工程观感质量检查记录
路基单位工程质量控制资料核查记录
路基单位工程实体质量和主要功能核查记录
路基单位工程观感质量检查记录
桥涵单位工程质量控制资料核查记录
注:核查人员为监理单位人员。
桥涵单位工程实体质量和主要功能核查记录
桥梁单位工程观感质量检查记录
涵洞单位工程观感质量检查记录
隧道单位工程质量资料核查记录
隧道单位工程实体质量和主要功能核查记录
隧道单位工程观感质量检查记录。
沟槽回填-隐蔽验收记录(排水)
项目背景
为确保排水工程的质量和安全,特进行沟槽回填工程的隐蔽验收。
本记录用于记录隐蔽验收的过程和结果。
隐蔽验收内容
1. 沟槽回填材料的选择与使用是否符合相关规范要求。
2. 沟槽回填施工工艺是否正确执行。
3. 沟槽回填后的结果是否符合要求,如回填均匀度、回填材料的密实度等。
隐蔽验收过程
1. 对已完成的沟槽回填进行全面检查。
2. 检查沟槽回填材料的种类、规格和数量是否符合设计要求。
3. 检查回填材料是否符合要求,并进行抽样检验。
4. 检查回填工艺是否按照施工方案执行。
5. 检查回填均匀度和回填材料的密实度,并记录检测数据。
隐蔽验收结果记录
1. 沟槽回填的隐蔽验收结果符合要求,无任何质量问题。
2. 沟槽回填的隐蔽验收结果存在以下问题,并进行记录:
- 回填材料种类、规格或数量不符合要求。
- 回填均匀度或密实度不符合要求。
隐蔽验收结论
经隐蔽验收,沟槽回填工程符合相关规范要求,可进入下一阶段工程。
隐蔽验收记录签署
隐蔽验收记录经以下人员签署:
- 项目负责人:
- 监理工程师:
- 施工单位代表:
备注
在隐蔽验收过程中,如发现任何质量问题,应立即通知相关责任人进行处理,确保工程的质量和安全。