土方回填工程检验批质量验收记录表【范本模板】
- 格式:doc
- 大小:48.00 KB
- 文档页数:2
土方回填检验批质量验收记录表
填表说明
主控项目
1、基坑回填必须在结构混凝土的强度达到设计要求及防水层施工后进行,严禁对防水层造成损伤。
检查数量:全数检查
检查方法:观察,检查隐蔽验收检查记录表。
2、基坑应对称回填、分层夯实,压实度应符合设计要求。
检查数量:抽查检查
检查方法:观察,检查压实度报告。
压实遍数应根据土质,压实系数及所用机具确定。
填土施工时的分层厚度及压实度遍数(GB50202-2002第6.3.3条)
一般项目
1、回填时基坑内不得有积水,严禁使用腐植土、冻块、杂土等。
检查数量:全数检查
检查方法:填土料按设计要求验收合格后施工,取样检查或直观鉴别。
2、钢板桩拔出后应及时对桩孔进行灌砂或注浆填充。
检查数量:全数检查
检查方法:观察。
1、允许偏差见下表(GB50202-2002第6.3.4条)。
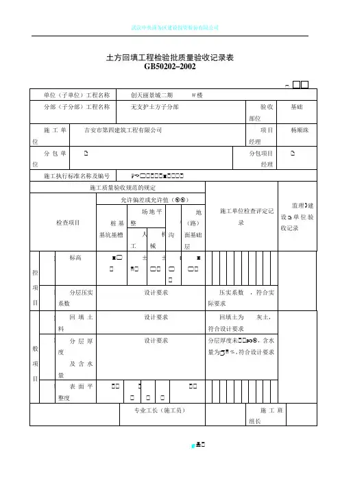
土方回填工程检验批质量验收记录表
说 明
GD24010102 土方回填是一个综合性项目,使用哪一栏时,在那一栏打“√”说明,并在表名土方回填前横线上加上×××土方回填。
主控项目:
1.标高:是指回填后的表面标高,用水准仪测量。
检查测量记录。
2.分层压实系数:符合设计要求。
按规定方法取样,试验测量不满足要求时,随时进行返工处理,直到达到要求。
检查测试记录。
一般项目:
1.回填土料:符合设计要求。
取样检查或直观鉴别。
做出记录,检查试验报告。
2.分层厚度及含水量:符合设计要求。
用水准仪检查分层厚度,取样检测含水量,检查施工记录和试验报告。
3.表面平整度:用水准仪或靠尺检查。
控制在允许偏差范围内。
(1)土方回填前清除基底的垃圾、树根等杂物,去除积水、淤泥,验收基底标高。
如在松土上填方,在基底压实后再进行。
填方土料按计划要求验收。
(2) 填方施工中检查排水措施,每层填筑厚度、含水量控制、压实程度。
填筑厚度及压实遍数应根据土质、压实系数及所用机具确定。
如无试验依据,可按《建筑地基基础工程施工质量验收规范》GB 50202-2002 表6.3.3选用。
检查施工记录和试验报告。
注:1.本表由施工工程专业质量检查员填写,监理工程师〔建立单位工程技术负责人〕组织工程专业质量〔技术〕负责人进展验收。
2.记录中定量工程填写数据,定性工程“符合标准要求〞用√标注,结果和结论栏由本人签字。
注:1.本表由施工工程专业质量检查员填写,监理工程师〔建立单位工程技术负责人〕组织工程专业质量〔技术〕负责人进展验收。
2.记录中定量工程填写数据,定性工程“符合标准要求〞用√标注,结果和结论栏由本人签字。
注:1.本表由施工工程专业质量检查员填写,监理工程师〔建立单位工程技术负责人〕组织工程专业质量〔技术〕负责人进展验收。
2.记录中定量工程填写数据,定性工程“符合标准要求〞用√标注,结果和结论栏由本人签字。
注:1.本表由施工工程专业质量检查员填写,监理工程师〔建立单位工程技术负责人〕组织工程专业质量〔技术〕负责人进展验收。
2.记录中定量工程填写数据,定性工程“符合标准要求〞用√标注,结果和结论栏由本人签字。
土方回填工程检验批质量验收记录表GB50202-2002010102土方回填是一个综合性项目,使用哪一项时,在哪一项打“V”注明。
或在表名土方回填前加上xx 土方回填,更清楚。
主控项目:1. 检查数量:柱基按总数抽查10%但不少于5个,每个不少于2点;基抗每20m2取1点,每坑不少于2点;基槽、管沟、排水沟、路面基层每20m取1点,但不少于5点;地面基层每30〜50m2取1点,但不少于5点;场地平整每100〜400m取1点,但不少于10点。
检验方法:用水准仪测量回填后的表面标高,检查测量记录。
2. 检查数量:柱基抽查总数的10%但不少于5个;基槽和管沟回填,每层按长度20〜50m取样1组,但不少于1组;基坑和室内填土,每层按100〜500mm2取样1组,但不少于1组;场地平整填方,每层按400〜900m2取样1组,但不少于1组。
检验方法:按规定或环刀法取样测试,不满足要求应随时返工。
检查测试记录。
注:灌砂或灌水法的取样数量可较环刀法适当减少。
一般项目:1. 检查数量:全数检查。
检验方法:取样检验或直观鉴别。
检查施工记录和试验报告。
2. 检查数量同主控项目2。
检验方法:分层厚度及含水量:符合设计要求。
如设计无规定应符合规范表 6.3.3的规定。
用水准仪检查分层厚度。
取样检测含水量。
检查施工记录和试验报告。
3.检查数量:每30〜50m2取1点检查表面平整度。
检验方法:用水准仪和靠尺检查。
土方回填前清除基底的垃圾、树根等杂物,去除积水、淤泥,验收基底标高。
如在耕植土或松土上填方,应在基底压实后再进行。
填方土料按设计要求验收。
填方施工中检查排水措施,每层填筑厚度、含水量控制、压实程度。