(整理)吉林省市县抗震设防烈度、设计基本地震加速度一览表.
- 格式:doc
- 大小:118.00 KB
- 文档页数:12
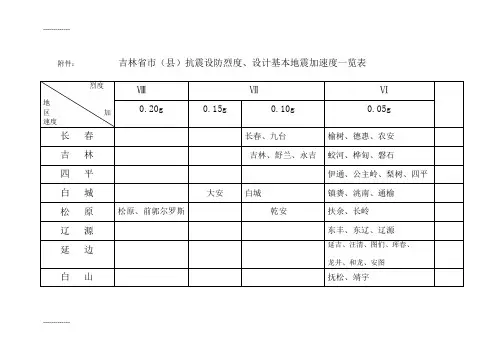
吉林省市(县)抗震设防烈度、设计基本地震加速度一览表附件:吉林省市(县)抗震设防烈度、设计基本地震加速度一览表烈度地区加速度ⅧⅦⅥ0.20g0.15g0.10g0.05g长春长春、九台榆树、德惠、农安吉林吉林、舒兰、永吉蛟河、桦甸、磐石四平伊通、公主岭、梨树、四平白城大安白城镇赉、洮南、通榆松原松原、前郭尔罗斯乾安扶余、长岭辽源东丰、东辽、辽源延边延吉、汪清、图们、珲春、龙井、和龙、安图白山抚松、靖宇通化辉南、梅河口吉林省乡镇抗震设防烈度区划一览表地区区划乡镇名称地震动峰值加速度分区ⅦⅥ0.15 0.1 0.05镇(乡)镇(乡)镇(乡)长春长春市大屯镇、永春镇、新立城镇、净月镇、泉眼镇、四家乡、兴隆山镇、奋进乡、双德镇、玉潭镇、幸福乡、劝农山镇、齐家镇、新安镇、三道镇、英俊乡、奢岭办事处、城西乡、石溪乡、鹿乡镇、云山办事处、平湖办事处佟家乡、太平镇、长岭乡、山河办事处、合心镇、兰家镇、土顶镇九台市土门岭镇、西营城镇、沐石河镇、其塔木镇、饮马河镇、龙家堡镇、卡伦湖镇、东湖镇、苇子沟镇、胡家回族乡、卢家乡、二道沟乡、加工河乡、波泥河乡、莽卡满族乡、九郊乡、庆阳乡、三台乡城子街镇、六台乡、上河湾镇、纪家镇、春阳乡、鸡鸣乡、兴隆镇农安市杨树林乡、哈拉海镇、高家店镇、小城子乡、黄鱼圈乡三盛玉乡、永安乡、万顺乡、榛柴岗乡、新农乡、柴岗镇、万金塔乡、青山口乡、靠山乡伏龙泉镇、鲍家镇、开安镇、合隆镇、烧锅镇、华家镇、新刘家外地人、巴吉垒镇、前岗乡、滨河乡、龙王乡、三岗乡、黄金乡、新阳乡、三宝乡、城郊乡吉林省乡镇抗震设防烈度区划一览表地区区划乡镇名称地震动峰值加速度分区ⅦⅥ0.15 0.1 0.05镇(乡)镇(乡)镇(乡)长春榆树市谢家乡、光明乡、土桥镇、新立镇、黑林镇、十四户乡大岭镇、怀家镇、五棵树镇、弓棚镇、刘家镇、八号镇、新庄镇、红星乡、育民乡、青山乡、延河朝鲜族乡、大岗乡、太安乡、恩育乡、双井乡、武龙乡、前进乡、先锋乡、闵家镇、青顶乡、于家乡、李合乡、城发乡、大于乡、福安乡、环城乡、泗河镇、大坡镇、向阳镇、保寿镇、秀水镇德惠市郭家镇、天台镇、边岗乡、菜园子镇大房身镇、大青嘴镇、朱城子镇、岔路口镇、万宝镇、达家沟镇、松花江镇、夏家店镇、布海镇、杨树镇、升阳乡、松柏乡、三胜乡、活皮乡、同太乡、和平乡、米沙子镇、五台乡、朝阳乡白蒙江乡、东兴乡、三道湖镇、花园口镇、燕平乡、榆树川乡山靖宇县抚松县抽水乡、松郊乡吉林省乡镇抗震设防烈度区划一览表地区区划乡镇名称地震动峰值加速度分区ⅦⅥ0.15 0.1 0.05镇(乡)镇(乡)镇(乡)吉林蛟河市天岗镇、龙凤乡、新站镇、庆岭镇、池水乡、松江镇、青背乡、新农乡、天北镇、拉法镇桦甸市苏密沟乡、桦南乡、公吉乡、桦树林子乡、金沙乡、常山镇、横道河子乡、榆木桥子镇、桦郊乡、二道甸子镇、红石砬子镇、北台子乡舒兰市法特镇、白旗镇、溪河镇、亮甲山乡、莲花乡、朝阳镇、庆丰乡、天小城镇、上营镇、榆树沟乡、青松乡、新安乡、凤凰乡、七里乡、金马镇、开德乡、二道河子乡、水曲柳镇、平安镇、舒郊乡原乡吉林省乡镇抗震设防烈度区划一览表地区区划乡镇名称地震动峰值加速度分区ⅦⅥ0.15 0.1 0.05镇(乡)镇(乡)镇(乡)吉林磐石市宝山乡、牛心镇、细林镇、黑石镇、松山镇、红旗岭镇、呼兰镇、富太镇、石嘴镇、安乐乡、烟筒山镇、小梨河镇、明城镇、朝阳山乡、磐郊乡永吉县万昌镇、官厅乡、一拉溪镇、春登乡、三家子乡、口前镇、口前乡西阳镇、双河镇、黄榆乡、金家满族乡、岔路河镇、大岗子乡、五里河镇、吉林市太平乡、口前镇、土城子满族朝鲜族乡、两家子满族乡、河弯子镇、桦皮厂镇、丰满乡、江蜜蜂镇、旺起镇、大绥河镇、杨木乡、缸窑镇、乌拉街满族镇、大口钦满族镇、九站乡、孤店子镇、前二道镇乡、小白山乡、金珠乡、江南乡、左家镇、欢喜乡、吉林省乡镇抗震设防烈度区划一览表地区地区乡镇名称地震动峰值加速度分区ⅦⅥ0.15 0.1 0.05镇(乡)镇(乡)镇(乡)四平四平市山门镇、平西乡、长发乡、城东乡、条子河乡公主岭市刘房子镇、陶家屯镇、范家屯镇、响水镇、南崴子镇、二十家满族镇、龙山满族乡、朝阳坡镇、黑林子镇、大榆树镇、双榆树乡、怀德镇、永发乡、大岭镇、柳杨乡、和气乡、育林乡、四道岗乡、秦家屯镇、双龙镇、双城堡镇、莲花山乡、宝泉乡梨树县大城子镇、大房身乡、白山乡、郭家店镇、蔡家镇、万发镇、太平镇、东河镇、孟家岭镇、三家子镇、石岭子镇、双河乡、十家堡镇、董家窝堡乡、梨树乡、梨树镇、喇嘛甸镇、四棵树乡、胜利乡、榆树台镇、泉眼岭乡、河山乡、金山乡伊通县景台镇、靠山镇、黄岭子乡、莫里青乡、马鞍山镇、伊丹镇、拳兴乡、发展乡、东尖山乡、小孤山镇、大孤山镇、三道乡、爱民乡、头道乡、新家乡、营城子镇、地局子乡、板石庙乡、二道镇、五一乡、西苇镇、河源镇、营城子镇、双辽县茂林镇、向阳乡、服先镇、兴隆镇、玻璃山镇、桂花乡吉林省乡镇抗震设防烈度区划一览表地区区划乡镇名称地震动峰值加速度分区ⅦⅥ0.15 0.1 0.05镇(乡)镇(乡)镇(乡)通化柳河县圣水镇、太平川乡辉南县蛟河口乡、辉发城镇、中央堡乡、庆阳镇、平安川镇、板石河镇、杉松岗镇、高集岗镇、辉南镇、石道河镇、团林镇、样子哨镇、抚民镇、楼街朝鲜族乡、梅河口市康大营镇、兴华乡、一座营镇、双泉乡、牛心顶镇、野猪河镇、双兴乡、湾龙乡、海龙镇、李炉乡、黑山头镇、杏岭乡、义民乡、新合镇、曙光镇、四八石乡辽辽源市工农乡、灯塔乡、山湾乡东辽县平岗镇、安恕镇、渭津镇、泉太镇、甲山乡、云顶镇、建安镇、金源岗镇、辽河源镇、足民乡、寿山镇、宴平乡、安石镇、椅山乡、石河乡、金州乡、凌云乡东丰县那丹伯镇、沙河镇、永合乡、黄河镇、中育乡、二龙山乡、仁合乡、大兴镇、拉拉河镇、五道岗乡、三合满族朝鲜族乡、南屯基镇、猴石镇、红石镇、大阳镇、影壁山乡吉林省乡镇抗震设防烈度区划一览表地区区划乡镇名称地震动峰值加速度分区ⅦⅥ0.15 0.1 0.05镇(乡)镇(乡)镇(乡)白城白城市三合乡、青山镇、保平乡、平台镇、大岭乡、平安镇、永胜乡、洮东乡、金祥乡、德顺蒙古族乡、洮河镇、岭下镇、林海乡、兴建乡镇赉县哈吐气蒙古族乡、坦途镇、东屏镇、英华乡、建平乡、保民乡到保镇、胜利乡、黑鱼泡乡、岔台乡、沿江镇、大屯镇、莫莫格蒙古族乡、五棵树镇、丹岱乡、嘎什根乡、张家园子、大安四棵树、西大洼乡大榆树乡、同建乡、静山乡、两家子镇、联合乡、太山乡、月亮泡镇、红岗子乡海沱乡、大岗子镇、古城乡、乐胜乡、安广镇、烧锅镇乡、丰收镇、新艾里蒙古族乡、六合乡、舍力镇、叉干镇、来福乡、新荒乡、龙沼镇、新平安镇、大赉乡洮南市向阳乡、二龙乡、大通乡、幸福乡、福顺乡、兴业乡、蛟流河乡、永茂乡、瓦房镇、呼和车力蒙古族乡、安定镇、黑水镇、洮府乡通榆边昭镇、新华镇、新兴乡、七井子乡、羊井乡、瞻榆镇、苏公坨乡、八面乡吉林省乡镇抗震设防烈度区划一览表地区区划乡镇名称地震动峰值加速度分区ⅦⅥ0.15 0.1 0.05镇(乡)镇(乡)镇(乡)延龙井市八道镇太阳镇、老头沟镇、铜佛镇、朝阳川镇、细鳞河乡、德新乡、开山屯镇、三合镇、智新镇、东盛涌镇、白金镇、珲春市密江乡、英安镇、三家子满族乡、板石镇、敬信镇、马川子乡、杨泡满族乡、哈达门乡、春化镇、延吉市三道湾镇依兰镇、烟集乡、粉安乡、小营镇、长白乡、边图们市凉水镇、石砚镇、长安镇、红光乡、月晴镇、和龙县东城镇、头道镇、德化镇、崇善镇、龙城镇、福洞镇、八家子镇、西城镇、土山镇汪清县春阳镇、天桥镇、蛤蟆塘乡、大兴沟镇、百草沟镇、新兴乡、鸡冠乡、十里坪乡、东光镇、罗子沟镇、复兴镇安图县石门镇、新合乡、亮兵镇、长兴乡吉林省乡镇抗震设防烈度区划一览表地区区划乡镇名称地震动峰值加速度分区ⅧⅦⅥ0.2 0.15 0.1 0.05镇(乡)镇(乡)镇(乡)镇(乡)松松原市毛都站镇、新民乡、伯都乡、大洼镇、善友乡朝阳乡、风华镇新城乡、兴原乡前郭县长山镇、平风乡、新庙镇、大山乡、王府站镇、蒙古屯乡、宝甸乡、深井子镇、乌兰塔拉乡乌兰图嘎镇、查干花镇、乌兰敖都乡、原哈拉毛都镇、达里巴乡、套浩太乡、吉拉吐乡、新立乡、重新乡、洪泉乡、长龙乡、穆家乡、八郎镇东三家子乡、孤店扶余社里乡、永平乡三井子镇、增盛镇、三义乡、新站乡二龙山乡、四马架乡、石桥乡、五家站镇、大三家子乡、榆树沟乡、万发乡、弓棚子镇、大林子乡七家子乡、新城局乡、蔡家沟镇、肖家乡、更新乡、拉林乡、长春岭镇、伊家店乡、徐家店乡、陶赖昭镇长岭县流水镇、双龙镇、光明乡、海青乡、太平山镇、集体乡、龙凤乡、太平川镇、七撮乡、八十八乡、永久镇、永久乡、大兴镇、新凤乡、巨宝山镇、三青山镇、三十号乡、北正镇、三团乡、前七号镇、新安镇、二里界乡、十家户乡、东六号乡、龙凤乡、广太乡、孤店乡、三县堡乡、利发盛镇乾安县让字镇赞字乡、水字镇、鳞字乡、余字乡、署字乡安字镇、仙字乡、严字乡、大布苏镇、兰字乡、道字乡、才字乡、所字镇。
建筑抗震设计规范我国主要城镇抗震设防烈度、设计基本地震加速度和设计地震分组第附录A.0.1条首都和直辖市1 抗震设防烈度为8度,设计基本地震加速度值为0.20g:北京(除昌平、门头沟外的11个市辖区),平谷,大兴,延庆,宁河,汉沽。
2 抗震设防烈度为7度,设计基本地震加速度值为0.15g:密云,怀柔,昌平,门头沟,天津(除汉沽、大港外的12个市辖区),蓟县,宝坻,静海。
3 抗震设防烈度为7度,设计基本地震加速度值为0。
10g:大港,上海(除金山外的15个市辖区),南汇,奉贤4 抗震设防烈度为6度,设计基本地震加速度值为0.05g:崇明,金山,重庆(14个市辖区),巫山,奉节,云阳,忠县,丰都,长寿,壁山,合川,铜梁,大足,荣昌,永川,江津,綦江,南川,黔江,石柱,巫溪*注:1 首都和直辖市的全部县级及县级以上设防城镇,设计地震分组均为第一组;2 上标*指该城镇的中心位于本设防区和较低设防区的分界线,下同.第附录A。
0.2条河北省1 抗震设防烈度为8度,设计基本地震加速度值为0。
20g:第一组:廊坊(2个市辖区),唐山(5个市辖区),三河,大厂,香河,在南,丰润,怀来,涿鹿2 抗震设防烈度为7度,设计基本地震加速度值为0。
15g:第一组:邯郸(4个市辖区),邯郸县,文安,任丘,河间,大城,涿州,高碑店,涞水,固安,永清,玉田,迁安,卢龙,滦县,滦南,唐海,乐亭,宣化,蔚县,阳原,成安,磁县,临漳,大名,宁晋3 抗震设防烈度为7度,设计基本地震加速度值为0。
10g:第一组:石家庄(6个市辖区),保定(3个市辖区),张家口(4个市辖区),沧州(2个市辖区),衡水,邢台(2个市辖区),霸州,雄县,易县,沧县,张北,万全,怀安,兴隆,迁西,抚宁,昌黎,青县,献县,广宗,平乡,鸡泽,隆尧,新河,曲周,肥乡,馆陶,广平,高邑,内丘,邢台县,赵县,武安,涉县,赤城,涞源,定兴,容城,徐水,安新,高阳,博野,蠡县,肃宁,深泽,安平,饶阳,魏县,藁城,栾城,晋州,深州,武强,辛集,冀州,任县,柏乡,巨鹿,南和,沙河,临城,泊头,永年,崇礼,南宫*第二组:秦皇岛(海港、北戴河),清苑,遵化,安国4 抗震设防烈度为6度,设计基本地震加速度值为0.05g:第一组:正定,围场,尚义,灵寿,无极,平山,鹿泉,井陉,元氏,南皮,吴桥,景县,东光第二组:承德(除鹰手营子外的2个市辖区),隆化,承德县,宽城,青龙,阜平,满城,顺平,唐县,望都,曲阳,定州,行唐,赞皇,黄骅,海兴,孟村,盐山,阜城,故城,青河,山海关,沽源,新乐,武邑,枣强,威县第三组:丰宁,滦平,鹰手营子,平泉,临西,邱县第附录A.0.3条山西省1 抗震设防烈度为8度,设计基本地震加速度值为0。
A.0.6 吉林省
1 抗震设防烈度为 8 度,设计基本地震加速度值为 0.20g:
前郭尔罗斯,松原
2 抗震设防烈度为 7 度,设计基本地震加速度值为 0.15g:
大安*
3 抗震设防烈度为 7 度,设计基本地震加速度值为 0.10g:
长春(6 个市辖区),吉林(除丰满外的 3 个市辖区),白城,乾安,舒兰,九台,永吉*
4 抗震设防烈度为 6 度,设计基本地震加速度值为 0.05g:
四平(2 个市辖区),辽源(2 个市辖区),镇赉,洮南,延吉,汪清,图们,珲春,龙井,和龙,安图,蛟河,桦甸,梨树,磐石,东丰,辉南,梅河口,东辽,榆树,靖宇,抚松,长岭,通榆*,德惠,农安,伊通,公主岭,扶余,丰满
注:全省县级及县级以上设防城镇,设计地震分组均为第一组。
【最新整理,下载后即可编辑】
附录 A 我国主要城镇抗震设防烈度、设计基本地震加速
度和设计地震分组
本附录仅提供我国各县级及县级以上城镇地区建筑工程抗震设计时所采用的抗震设防烈度(以下简称“烈度”)、设计基本地震加速度值(以下简称“加速度”)和所属的设计地震分组(以下简称“分组”)。
A.0.1 北京市
A.0.2 天津市
A.0.3 河北省
注:1 邢台县政府驻邢台市桥东区;
2 宣化县政府驻张家口市宣化区;
3 沧县政府驻沧州市新华区。
A.0.4 山西省
A.0.5 内蒙古自治区
A.0.6 辽宁省
注:1 抚顺县政府驻抚顺市顺城区新城路中段;
2 铁岭县政府驻铁岭市银州区工人街道;
3 朝阳县政府驻朝阳市双塔区前进街道
A.0.7 吉林省
A.0.8 黑龙江省
A.0.9 上海市
A.0.10 江苏省
A.0.11 浙江省
A.0.12 安徽省
A.0.13 福建省
A.0.14 江西省
A.0.15 山东省
A.0.16 河南省
注:1 湛河区政府驻平顶山市新华区曙光街街道;
2 安阳县政府驻安阳市北关区灯塔路街道。
A.0.17 湖北省
A.0.18 湖南省
A.0.19 广东省
A.0.20 广西壮族自治区
A.0.21 海南省
注:1 三沙市政府驻地西沙永兴岛。
A.0.22 重庆市
A.0.23 四川省
A.0.24 贵州省
A.0.25 云南省。
附件:吉林省市(县)抗震设防烈度、设计基本地震加速度一览表
文档大全
吉林省乡镇抗震设防烈度区划一览表
文档大全
吉林省乡镇抗震设防烈度区划一览表
文档大全
吉林省乡镇抗震设防烈度区划一览表
文档大全
吉林省乡镇抗震设防烈度区划一览表
文档大全
吉林省乡镇抗震设防烈度区划一览表
文档大全
吉林省乡镇抗震设防烈度区划一览表
文档大全
吉林省乡镇抗震设防烈度区划一览表
文档大全
吉林省乡镇抗震设防烈度区划一览表
文档大全
吉林省乡镇抗震设防烈度区划一览表
文档大全
文档大全
文档大全。
我国主要城镇抗震设防烈度、设计基本地震加速度和设计地震分组本附录仅提供我国抗震设防区各县级及县级以上城镇的中心地区建筑工程抗震设计时所采用的抗震设防烈度、设计基本地震加速度值和所属的设计地震分组.注:本附录一般把“设计地震第一、二、三组”简称为“第一组、第二组、第三组”.A.0.1 首都和直辖市1 抗震设防烈度为 8 度设计基本地震加速度值为 0。
20g:北京(除昌平门头沟外的 11 个市辖区),平谷,大兴,延庆,宁河,汉沽。
2 抗震设防烈度为 7 度,设计基本地震加速度值为 0.15g:密云,怀柔,昌平,门头沟,天津(除汉沽、大港外的 12 个市辖区),蓟县,宝坻,静海.3 抗震设防烈度为 7 度,设计基本地震加速度值为 0。
10g:大港,上海(除金山外的 15 个市辖区),南汇,奉贤4 抗震设防烈度为 6 度,设计基本地震加速度值为 0。
05g:崇明,金山,重庆(14 个市辖区),巫山,奉节,云阳,忠县,丰都,长寿,壁山,合川,铜梁,大足,荣昌,永川,江津,綦江,南川,黔江,石柱,巫溪*注:1 首都和直辖市的全部县级及县级以上设防城镇,设计地震分组均为第一组;2 上标 * 指该城镇的中心位于本设防区和较低设防区的分界线,下同.A.0.2 河北省1 抗震设防烈度为 8 度,设计基本地震加速度值为 0.20g:第一组:廊坊(2 个市辖区)唐山(5 个市辖区),三河,大厂,香河,丰南,丰润,怀来,涿鹿2 抗震设防烈度为 7 度,设计基本地震加速度值为 0。
15g:第一组:邯郸(4 个市辖区) 邯郸县,文安,任丘,河间,大城,,涿州,高碑店,涞水,固安,永清,玉田迁,安卢,龙滦县,滦南,唐海,乐亭,宣化,蔚县,阳原,成安,磁县,临漳,大名,宁晋 ,下花园3 抗震设防烈度为 7 度设计基本地震加速度值为 0。
10g:第一组:石家庄(6 个市辖区),保定(3 个市辖区),张家口(4 个市辖区),沧州(2 个市辖区),衡水邢台(2 个市辖区),霸州,雄县,易县,沧县,张北,万全,怀安,兴隆,迁西,抚宁昌,黎青县,献县,广宗,平乡,鸡泽,隆尧,新河,曲周,肥乡,馆陶,广平,高邑,内丘,邢台县,赵县,武安,涉县,赤城,涞源,定兴,容城,徐水,安新,高阳,博野,蠡县,肃宁,深泽,安平,饶阳,魏县,藁城,栾城,晋州,深州,武强,辛集,冀州,任县,柏乡,巨鹿,南和,沙河,临城,泊头,永年,崇礼,南宫*第二组:秦皇岛(海港、北戴河),清苑,遵化,安国4 抗震设防烈度为 6 度,设计基本地震加速度值为 0.05g:第一组:正定,围场,尚义,灵寿,无极,平山,鹿泉,井陉,元氏,南皮,吴桥,景县,东光第二组:承德(除鹰手营子外的 2 个市辖区),隆化,承德县,宽城,青龙,阜平,满城,顺平,唐县,望都,曲阳,定州,行唐,赞皇,黄骅,海兴孟村盐山,阜城,故城,清河,山海关,沽源,新乐,武邑,枣强,威县第三组:丰宁,滦平,鹰手营子,平泉,临西,邱县A.0.3 山西省1 抗震设防烈度为 8 度设计基本地震加速度值为 0.20g:第一组:太原(6 个市辖区),临汾,忻州,祁县,平遥,古县,代县,原平,定襄,阳曲,太谷,介休,灵石,汾西,霍州,洪洞,襄汾,晋中,浮山,永济,清徐2 抗震设防烈度为 7 度,设计基本地震加速度值为 0.15g:第一组:大同(4 个市辖区),朔州(朔城区),大同县,怀仁,浑源,广灵,应县,山阴,灵丘,繁峙,五台,古交,交城,文水,汾阳,曲沃,孝义,侯马,新绛,稷山,绛县,河津,闻喜,翼城,万荣,临猗,夏县,运城,芮城,平陆,沁源*,宁武*3 抗震设防烈度为 7 度,设计基本地震加速度值为 0.10g:第一组:长治(2 个市辖区),阳泉(3 个市辖区),长治县,阳高,天镇,左云,右玉,神池,寿阳,昔阳,安泽,乡宁,垣曲,沁水,平定,和顺,黎城,潞城,壶关第二组:平顺,榆社,武乡,娄烦,交口,隰县,蒲县,吉县,静乐,盂县,沁县,陵川,平鲁4 抗震设防烈度为 6 度设计基本地震加速度值为 0.05g:第二组:偏关,河曲,保德,兴县,临县,方山,柳林第三组:晋城,离石,左权,襄垣,屯留,长子,高平,阳城,泽州,五寨,岢岚,岚县,中阳,石楼,永和,大宁A。
中国各地抗震设防烈度表A.0.14省1 抗震设防烈度为8 度,设计基本地震加速度值为0.20g:第一组:(4 个市辖区),县,(4 个市辖区),县,(3 个市辖区),原阳,延津,汤阴,淇县,卫辉,获嘉,县,2 抗震设防烈度为7 度,设计基本地震加速度值为0.15g:第一组:(6 个市辖区),,县,长桓,封丘,修武,武陟,黄,浚县,滑县,台前,XX,清丰,灵宝,,陕县,XX*3 抗震设防烈度为7 度,设计基本地震加速度值为0.10g:第一组:(6 个市辖区),(4 个市辖区),(5 个市辖区),(2 个市辖区),县,县,沁阳,博爱,孟州,孟津,巩义,偃师,济源,新密,新,,XX,长,温县,荥阳,中牟,杞县*,*4 抗震设防烈度为6 度,设计基本地震加速度值为0.05g:第一组:(2 个市辖区),(2 个市辖区),,(4 个市辖区),登封,义马,虞城,夏邑,通许,尉氏,宁陵,柘城,新安,,嵩县,XX,伊川,XX,郏县,宝丰,,郾城,鄢陵,扶沟,太康,鹿邑,郸城,丘,项城,淮阳,,商水,上蔡,临颍,西华,西平,栾川,乡,镇平,唐河,邓州,新野,社旗,平舆,新县,,泌阳,汝南,桐柏,淮滨,息县,,遂平,光山,XX,潢川,商城,固始,南召,舞阳*第二组:汝州,睢县,永城第三组:卢氏,XX,渑池A.0.15省1 抗震设防烈度为7 度,设计基本地震加速度值为0.10g:竹溪,竹山,房县2 抗震设防烈度为6 度,设计基本地震加速度值为0.05g:(13 个市辖区),荆州(2 个市辖区),襄樊(2 个市辖区),襄阳,(2 个市辖区),(4 个市辖区),县,(4 个市辖区),,,麻城,团风,罗田,英山,黄冈,,浠水,蕲春,黄梅,武穴,郧西,郧县,丹江口,谷城,老河口,宜城,南漳,保康,神农架,钟祥,沙洋,远安,兴山,巴东,秭归,当阳,建始,利川,公安,宣恩,咸丰,长阳,宜都,枝江,松滋,江陵,石首,监利,洪湖,,应城,云梦,天门,仙桃,红安,安陆,潜江,嘉鱼,大冶,通山,赤壁,崇阳,通城,五峰*,京山*注:全省县级及县级以上设防城镇,设计地震分组均为第一组。
建筑抗震设计规范我国主要城镇抗震设防烈度、设计基本地震加速度和设计地震分组第附录A.0.1条首都和直辖市1 抗震设防烈度为8度,设计基本地震加速度值为0.20g:北京(除昌平、门头沟外的11个市辖区),平谷,大兴,延庆,宁河,汉沽。
2 抗震设防烈度为7度,设计基本地震加速度值为0.15g:密云,怀柔,昌平,门头沟,天津(除汉沽、大港外的12个市辖区),蓟县,宝坻,静海。
3 抗震设防烈度为7度,设计基本地震加速度值为0.10g:大港,上海(除金山外的15个市辖区),南汇,奉贤4 抗震设防烈度为6度,设计基本地震加速度值为0.05g:崇明,金山,重庆(14个市辖区),巫山,奉节,云阳,忠县,丰都,长寿,壁山,合川,铜梁,大足,荣昌,永川,江津,綦江,南川,黔江,石柱,巫溪*注:1 首都和直辖市的全部县级及县级以上设防城镇,设计地震分组均为第一组;2 上标*指该城镇的中心位于本设防区和较低设防区的分界线,下同。
第附录A.0.2条河北省1 抗震设防烈度为8度,设计基本地震加速度值为0.20g:第一组:廊坊(2个市辖区),唐山(5个市辖区),三河,大厂,香河,在南,丰润,怀来,涿鹿2 抗震设防烈度为7度,设计基本地震加速度值为0.15g:第一组:邯郸(4个市辖区),邯郸县,文安,任丘,河间,大城,涿州,高碑店,涞水,固安,永清,玉田,迁安,卢龙,滦县,滦南,唐海,乐亭,宣化,蔚县,阳原,成安,磁县,临漳,大名,宁晋3 抗震设防烈度为7度,设计基本地震加速度值为0.10g:第一组:石家庄(6个市辖区),保定(3个市辖区),张家口(4个市辖区),沧州(2个市辖区),衡水,邢台(2个市辖区),霸州,雄县,易县,沧县,张北,万全,怀安,兴隆,迁西,抚宁,昌黎,青县,献县,广宗,平乡,鸡泽,隆尧,新河,曲周,肥乡,馆陶,广平,高邑,内丘,邢台县,赵县,武安,涉县,赤城,涞源,定兴,容城,徐水,安新,高阳,博野,蠡县,肃宁,深泽,安平,饶阳,魏县,藁城,栾城,晋州,深州,武强,辛集,冀州,任县,柏乡,巨鹿,南和,沙河,临城,泊头,永年,崇礼,南宫*第二组:秦皇岛(海港、北戴河),清苑,遵化,安国4 抗震设防烈度为6度,设计基本地震加速度值为0.05g:第一组:正定,围场,尚义,灵寿,无极,平山,鹿泉,井陉,元氏,南皮,吴桥,景县,东光第二组:承德(除鹰手营子外的2个市辖区),隆化,承德县,宽城,青龙,阜平,满城,顺平,唐县,望都,曲阳,定州,行唐,赞皇,黄骅,海兴,孟村,盐山,阜城,故城,青河,山海关,沽源,新乐,武邑,枣强,威县第三组:丰宁,滦平,鹰手营子,平泉,临西,邱县第附录A.0.3条山西省1 抗震设防烈度为8度,设计基本地震加速度值为0.20g:第一组:太原(6个市辖区),临汾,忻州,祁县,平遥,古县,代县,原平,定襄,阳曲,太谷,介休,灵石,汾西,霍州,洪洞,襄汾,晋中,浮山,永济,清徐2 抗震设防烈度为7度,设计基本地震加速度值为0.15g:第一组:大同(4个市辖区),朔州(朔城区),大同县,怀仁,浑源,广灵,应县,山阴,灵丘,繁峙,五台,古交,交城,文水,汾阳,曲沃,孝义,侯马,新绛,稷山,绛县,河津,闻喜,翼城,万荣,临猗,夏县,运城,芮城,平陆,沁源*,宁武*3 抗震设防烈度为7度,设计基本地震加速度值为0.10g:第一组:长治(2个市辖区),阳泉(3个市辖区),长治县,阳高,天镇,左云,右玉,神池,寿阳,昔阳,安泽,乡宁,垣曲,沁水,平定,和顺,黎城,潞城,壶关第二组:平顺,榆社,武乡,娄烦,交口,隰县,蒲县,吉县,静乐,盂县,沁县,陵川,平鲁4 抗震设防烈度为6度,设计基本地震加速度值为0.05g:第二组:偏关,河曲,保德,兴县,临县,方山,柳林第三组:晋城,离石,左权,襄垣,屯留,长子,高平,阳城,泽州,五寨,岢岚,岚县,中阳,石楼,永和,大宁第附录A.0.4条内蒙自治区1 抗震设防烈度为8度,设计基本地震加速度值为0.30g:第一组:土默特右旗,达拉特旗*2 抗震设防烈度为8度,设计基本地震加速度值为0.20g:第一组:包头(除白云矿区外的5个市辖区),呼和浩特(4个市辖区),土默特左旗,乌海(3个市辖区),杭锦后旗,磴口,宁城,托克托*3 抗震设防烈度为7度,设计基本地震加速度值为0.15g:第一组:喀喇沁旗,五原,乌拉特前旗,临河,固阳,武川,凉城,和林格尔,赤峰(红山*,元宝山区)第二组:阿拉善左旗4 抗震设防烈度为7度,设计基本地震加速度值为0.10g:第一组:集宁,清水河,开鲁,傲汉旗,乌特拉后旗,卓资,察右前旗,丰镇,扎兰屯,乌特拉中旗,赤峰(松山区),通辽*第三组:东胜,准格尔旗5 抗震设防烈度为6度,设计基本地震加速度值为0.05g:第一组:满洲里,新巴尔虎右旗,莫力达瓦旗,阿荣旗,扎赉特旗,翁牛特旗,兴和,商都,察右后旗,科左中旗,科左后旗,奈曼旗,库伦旗,乌审旗,苏尼特右旗第二组:达尔罕茂明安联合旗,阿拉善右旗,鄂托克旗,鄂托克前旗,白云伊金霍洛旗,杭锦旗,四王子旗,察右中旗第附录A.0.5条辽宁省1 抗震设防烈度为8度,设计基本地震加速度值为0.20g:普兰店,东港2 抗震设防烈度为7度,设计基本地震加速度值为0.15g:营口(4个市辖区),丹东(3个市辖区),海城,大石桥,瓦房店,盖州,金州3 抗震设防烈度为7度,设计基本地震加速度值为0.10g:沈阳(9个市辖区),鞍山(4个市辖区),大连(除金州外的5个市辖区),朝阳(2个市辖区),辽阳(5个市辖区),抚顺(除顺城外的3个市辖区),铁岭(2个市辖区),盘锦(2个市辖区),盘山,朝阳县,辽阳县,岫岩,铁岭县,凌源,北票,建平,开原,抚顺县,灯塔,台安,大连,大洼,辽中4 抗震设防烈度为6度,设计基本地震加速度值为0.05g:本溪(4个市辖区),阜新(5个市辖区),锦州(3个市辖区),葫芦岛(3个市辖区),昌图,西丰,法库,彰武,铁法,阜新县,康平,新民,黑山,北宁,义县,喀喇沁,凌海,兴城,绥中,建昌,宽甸,凤城,庄河,长海,顺城注:全省县级及县级以上设防城镇的设计地震分组,除兴城、绥中、建昌、南票为第二组外,均为第一组。
4.方茴说:“可能人总有点什么事,是想忘也忘不了的。
”5.方茴说:“那时候我们不说爱,爱是多么遥远、多么沉重的字眼啊。
我们只说喜欢,就算喜欢也是偷偷摸摸的。
”6.方茴说:“我觉得之所以说相见不如怀念,是因为相见只能让人在现实面前无奈地哀悼伤痛,而怀念却可以把已经注定的谎言变成童话。
”7.在村头有一截巨大的雷击木,直径十几米,此时主干上唯一的柳条已经在朝霞中掩去了莹光,变得普普通通了。
8.这些孩子都很活泼与好动,即便吃饭时也都不太老实,不少人抱着陶碗从自家出来,凑到了一起。
9.石村周围草木丰茂,猛兽众多,可守着大山,村人的食物相对来说却算不上丰盛,只是一些粗麦饼、野果以及孩子们碗中少量的肉食。
附件:吉林省市(县)抗震设防烈度、设计基本地震加速度一览表(2001区划)1.“噢,居然有土龙肉,给我一块!”2.老人们都笑了,自巨石上起身。
而那些身材健壮如虎的成年人则是一阵笑骂,数落着自己的孩子,拎着骨棒与阔剑也快步向自家中走去。
3.石村不是很大,男女老少加起来能有三百多人,屋子都是巨石砌成的,简朴而自然。
4.方茴说:“可能人总有点什么事,是想忘也忘不了的。
”5.方茴说:“那时候我们不说爱,爱是多么遥远、多么沉重的字眼啊。
我们只说喜欢,就算喜欢也是偷偷摸摸的。
”6.方茴说:“我觉得之所以说相见不如怀念,是因为相见只能让人在现实面前无奈地哀悼伤痛,而怀念却可以把已经注定的谎言变成童话。
”7.在村头有一截巨大的雷击木,直径十几米,此时主干上唯一的柳条已经在朝霞中掩去了莹光,变得普普通通了。
8.这些孩子都很活泼与好动,即便吃饭时也都不太老实,不少人抱着陶碗从自家出来,凑到了一起。
9.石村周围草木丰茂,猛兽众多,可守着大山,村人的食物相对来说却算不上丰盛,只是一些粗麦饼、野果以及孩子们碗中少量的肉食。
吉林省乡镇抗震设防烈度区划一览表1.“噢,居然有土龙肉,给我一块!”2.老人们都笑了,自巨石上起身。
而那些身材健壮如虎的成年人则是一阵笑骂,数落着自己的孩子,拎着骨棒与阔剑也快步向自家中走去。
《抗震设防烈度为7度,设计基本地震加速度值为0.10g:大港,上海(除金山外的15个市辖区),南汇,奉贤》附录A我国主要城镇抗震设防烈度、设计基本地震加速度和设计地震分组本附录仅提供我国抗震设防区各县级及县级以上城镇的中心地区建筑工程抗震设计时所采用的抗震设防烈度、设计基本地震加速度值和所属的设计地震分组。
注:本附录一般把“设计地震第一、二、三组”简称为“第一组、第二组、第三组”。
A.0.1首都和直辖市1抗震设防烈度为8度设计基本地震加速度值为0.20g:北京(除昌平门头沟外的11个市辖区),平谷,大兴,延庆,宁河,汉沽。
2抗震设防烈度为7度,设计基本地震加速度值为0.15g:密云,怀柔,昌平,门头沟,天津(除汉沽、大港外的12个市辖区),蓟县,宝坻,静海。
3抗震设防烈度为7度,设计基本地震加速度值为0.10g:大港,上海(除金山外的15个市辖区),南汇,奉贤4抗震设防烈度为6度,设计基本地震加速度值为0.05g:崇明,金山,重庆(14个市辖区),巫山,奉节,云阳,忠县,丰都,长寿,壁山,合川,铜梁,大足,荣昌,永川,江津,綦江,南川,黔江,石柱,巫溪*注:1首都和直辖市的全部县级及县级以上设防城镇,设计地震分组均为第一组;2上标*指该城镇的中心位于本设防区和较低设防区的分界线,下同。
A.0.2河北省1抗震设防烈度为8度,设计基本地震加速度值为0.20g:第一组:廊坊(2个市辖区)唐山(5个市辖区),三河,大厂,香河,丰南,丰润,怀来,涿鹿2抗震设防烈度为7度,设计基本地震加速度值为0.15g:第一组:邯郸(4个市辖区)邯郸县,文安,任丘,河间,大城,,涿州,高碑店,涞水,固安,永清,玉田迁,安卢,龙滦县,滦南,唐海,乐亭,宣化,蔚县,阳原,成安,磁县,临漳,大名,宁晋,下花园3抗震设防烈度为7度设计基本地震加速度值为0.10g:第一组:石家庄(6个市辖区),保定(3个市辖区),张家口(4个市辖区),沧州(2个市辖区),衡水邢台(2个市辖区),霸州,雄县,易县,沧县,张北,万全,怀安,兴隆,迁西,抚宁昌,黎青县,献县,广宗,平乡,鸡泽,隆尧,新河,曲周,肥乡,馆陶,广平,高邑,内丘,邢台县,赵县,武安,涉县,赤城,涞源,定兴,容城,徐水,安新,高阳,博野,蠡县,肃宁,深泽,安平,饶阳,魏县,藁城,栾城,晋州,深州,武强,辛集,冀州,任县,柏乡,巨鹿,南和,沙河,临城,泊头,永年,崇礼,南宫*第二组:秦皇岛(海港、北戴河),清苑,遵化,安国4抗震设防烈度为6度,设计基本地震加速度值为0.05g:第一组:正定,围场,尚义,灵寿,无极,平山,鹿泉,井陉,元氏,南皮,吴桥,景县,东光第二组:承德(除鹰手营子外的2个市辖区),隆化,承德县,宽城,青龙,阜平,满城,顺平,唐县,望都,曲阳,定州,行唐,赞皇,黄骅,海兴孟村盐山,阜城,故城,清河,山海关,沽源,新乐,武邑,枣强,威县第三组:丰宁,滦平,鹰手营子,平泉,临西,邱县A.0.3山西省1抗震设防烈度为8度设计基本地震加速度值为0.20g:第一组:太原(6个市辖区),临汾,忻州,祁县,平遥,古县,代县,原平,定襄,阳曲,太谷,介休,灵石,汾西,霍州,洪洞,襄汾,晋中,浮山,永济,清徐2抗震设防烈度为7度,设计基本地震加速度值为0.15g:第一组:大同(4个市辖区),朔州(朔城区),大同县,怀仁,浑源,广灵,应县,山阴,灵丘,繁峙,五台,古交,交城,文水,汾阳,曲沃,孝义,侯马,新绛,稷山,绛县,河津,闻喜,翼城,万荣,临猗,夏县,运城,芮城,平陆,沁源*,宁武*3抗震设防烈度为7度,设计基本地震加速度值为0.10g:第一组:长治(2个市辖区),阳泉(3个市辖区),长治县,阳高,天镇,左云,右玉,神池,寿阳,昔阳,安泽,乡宁,垣曲,沁水,平定,和顺,黎城,潞城,壶关第二组:平顺,榆社,武乡,娄烦,交口,隰县,蒲县,吉县,静乐,盂县,沁县,陵川,平鲁4抗震设防烈度为6度设计基本地震加速度值为0.05g:第二组:偏关,河曲,保德,兴县,临县,方山,柳林第三组:晋城,离石,左权,襄垣,屯留,长子,高平,阳城,泽州,五寨,岢岚,岚县,中阳,石楼,永和,大宁A.0.4内蒙自治区1抗震设防烈度为8度设计基本地震加速度值为0.30g:第一组:土默特右旗,达拉特旗*2抗震设防烈度为8度,设计基本地震加速度值为0.20g:第一组:包头(除白云矿区外的5个市辖区),呼和浩特(4个市辖区),土默特左旗,乌海(3个市辖区),杭锦后旗,磴口,宁城,托克托*3抗震设防烈度为7度,设计基本地震加速度值为0.15g:第一组:喀喇沁旗,五原,乌拉特前旗,临河,固阳,武川,凉城,和林格尔,赤峰(红山*,元宝山区)第二组:阿拉善左旗4抗震设防烈度为7度,设计基本地震加速度值为0.10g:第一组:集宁,清水河,开鲁,傲汉旗,乌特拉后旗,卓资,察右前旗,丰镇,扎兰屯,乌特拉中旗,赤峰(松山区),通辽*第三组:东胜准格尔旗5抗震设防烈度为6度,设计基本地震加速度值为0.05g:第一组:满洲里,新巴尔虎右旗,莫力达瓦旗,阿荣旗,扎赉特旗,翁牛特旗,兴和,商都,察右后旗,科左中旗,科左后旗,奈曼旗,库伦旗,乌审旗,苏尼特右旗第二组:达尔罕茂明安联合旗,阿拉善右旗,鄂托克旗,鄂托克前旗,白云第三组:伊金霍洛旗,杭锦旗,四王子旗,察右中旗A.0.5辽宁省1抗震设防烈度为8度,设计基本地震加速度值为普兰店,东港2抗震设防烈度为7度,设计基本地震加速度值为0.15g:营口(4个市辖区),丹东(3个市辖区),海城,大石桥,瓦房店,盖州,金州3抗震设防烈度为7度,设计基本地震加速度值为0.10g:沈阳(9个市辖区),鞍山(4个市辖区),大连(除金州外的5个市辖区),朝阳(2个市辖区),辽阳(5个市辖区),抚顺(除顺城外的3个市辖区),铁岭(2个市辖区),盘锦(2个市辖区),盘山,朝阳县,辽阳县,岫岩,铁岭县,凌源,北票,建平,开原,抚顺县,灯塔,台安,大洼,辽中4抗震设防烈度为6度,设计基本地震加速度值为0.05g:本溪(4个市辖区),阜新(5个市辖区),锦州(3个市辖区),葫芦岛(3个市辖区),昌图,西丰,法库,彰武,铁法,阜新县,康平,新民,黑山,北宁,义县,喀喇沁,凌海,兴城,绥中,建昌,宽甸,凤城,庄河,长海,顺城注:全省县级及县级以上设防城镇的设计地震分组,除兴城、绥中、建昌、南票为第二组外,均为第一组。
附录 A 我国主要城镇抗震设防烈度、设计基本地震加速度和设计地震分组本附录仅提供我国各县级及县级以上城镇地区建筑工程抗震设计时所采用的抗震设防烈度(以下简称“烈度”)、设计基本地震加速度值(以下简称“加速度”)和所属的设计地震分组(以下简称“分组”)。
A.0.1 北京市A.0.2天津市A.0.3 河北省注:1邢台县政府驻邢台市桥东区;2宣化县政府驻张家口市宣化区;3沧县政府驻沧州市新华区。
A.0.4山西省A.0.5内蒙古自治区A.0.6辽宁省注:1抚顺县政府驻抚顺市顺城区新城路中段;2铁岭县政府驻铁岭市银州区工人街道;3朝阳县政府驻朝阳市双塔区前进街道A.0.7吉林省A.0.8黑龙江省A.0.9上海市A.0.10江苏省A.0.11浙江省A.0.12安徽省A.0.13福建省A.0.14江西省A.0.15山东省A.0.16 河南省注:1湛河区政府驻平顶山市新华区曙光街街道;2安阳县政府驻安阳市北关区灯塔路街道。
A.0.17湖北省A.0.18湖南省A.0.19广东省A.0.21海南省注:1三沙市政府驻地西沙永兴岛。
A.0.22重庆市A.0.23四川省A.0.24贵州省A.0.25云南省A.0.26西藏自治区A.0.27陕西省A.0.28甘肃省A.0.29青海省A.0.30宁夏回族自治区A.0.31新疆维吾尔自治区注:1乌鲁木齐县政府驻乌鲁木齐市水磨沟区南湖南路街道;2和田县政府驻和田市古江巴格街道。
A.0.32港澳特区和台湾省。
附件:吉林省市(县)抗震设防烈度、设计基本地震加速度一览表
精品文档
吉林省乡镇抗震设防烈度区划一览表
精品文档
吉林省乡镇抗震设防烈度区划一览表
精品文档
吉林省乡镇抗震设防烈度区划一览表
精品文档
吉林省乡镇抗震设防烈度区划一览表
精品文档
吉林省乡镇抗震设防烈度区划一览表
精品文档
吉林省乡镇抗震设防烈度区划一览表
精品文档
吉林省乡镇抗震设防烈度区划一览表
精品文档
吉林省乡镇抗震设防烈度区划一览表
精品文档
吉林省乡镇抗震设防烈度区划一览表
精品文档
精品文档
精品文档。