施工项目质量考核表
- 格式:doc
- 大小:69.50 KB
- 文档页数:9
XXXXXXX有限公司项目项目部考核表XXXXXX监理有限责任公司项目部考核表试行为了确保本项目的质量、HSE、进度和投资符合施工合同、图纸设计和相关法律法规的要求,有效落实施工合同和国家法律法规规定的施工单位的责任及义务,现依据施工合同和监理委托合同及法律法规规定,制定本项目部考核表;一、考核表说明1.项目部考核表满分100分,满分减月度总扣分值即为当月的考核得分;2.考核表中,各检查项目分值为基本分;各检查内容分值累计扣除最多为基本分,※为主控检查项目,不满足要求时,该单项得分为零,并按照要求下发有关监理文件或监理工作函;3.现场发生质量或HSE事故,一次性扣除30分;HSE事故包括1人重伤以上事故和所有高处坠落、坍塌、触电、吊装、火灾、爆炸事故4.当地质监站或主管部门对施工项目部检查扣分或通报批评,每项扣除16分;5.监理部下发工程暂停令,每次扣除8分;6.如果第一次月考核得分少于70分含70分,监理部将发监理工作函样式一,附件三,会同建设单位主管约见施工单位公司主管领导,并形成会议纪要;第二次月考核得分少于70分含70分,监理部将发监理工作函样式二,附件四建议建设单位要求施工单位增加管理人员或更换主要管理人员或更换施工单位;7.考核得分说明:85分及以上为合格;71~84分为基本合格;70分以下为不合格;8.本考核表为试行,根据实施情况和各方反馈信息适时修改;二、考核表执行时间:开始时间: 2012年 10 月 1 日;结束时间:与项目部施工周期同时结束;三、附件一:施工单位XXXXXX项目部月度考核表汇总附件二:考核表评分标准;附件一施工单位XXXXXX项目部月度考核表汇总施工单位:附件二考核表评分标准1、组织机构的建立共10分投标承诺的组织机构人员到位情况共4分组织机构人员变更报审情况共3分组织机构人员配置、工作能力能否满足工作需要共3分2、施工准备阶段共10分施工组织设计专项方案自审程序及报审共5分施工机具和计量器具自检及报审情况共1分劳动力准备及特工种人员报审情况共2分轴线及水准点控制网保护及报审情况共2分3、质量控制共25分材料进场控制及报验共5分材料抽验及见证复试情况共5分施工各工序自检及隐蔽工程自检自查及报验情况共5分施工技术资料是否与施工同步共5分施工质量问题整改情况和监理通知单的执行及回复共5分4、现场施工HSE管理共25分现场消防器材是否符合规定要求共2分现场临建临时设施是否符合HSE要求共3分施工现场施工通道及材料和废弃物堆放是否符合HSE的规定共3分施工过程HSE控制及HSE标示悬挂情况共共10分三级安全教育及每道工序安全交底情况共2分HSE隐患整改情况及监理通知执行及回复情况共3分过程资料收集及整改情况共2分是否总包管理职责履行,分包和相关方是否符合要求共3分劳动防护用品穿戴是否符合规范共3分5、进度控制共10分阶段进度计划落实情况共5分人员、机具、材料进场及储备能否满足进度要求共2分进度计划编制及报审情况共3分6、造价控制共10分工程变更执行及签证报审情况共10分7、履约服务共10分合约的总体执行能力共5分诚信的工作作风共5分附件三监理工作函用于施工单位附件四监理工作函用于建设单位。
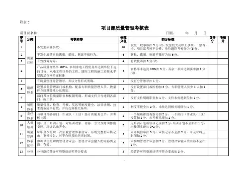
工程项目施工管理检查考核评分表2完整(完整版资料,可直接使用可编辑,推荐下载)工程项目管理检查考核评分表工程名称:报告周期:年月工程部(签字):填报日期:年月日安全标准化A级要素系数和考核总分值的计算方法附件1工程项目管理检查考核评分表(项目评分汇总表)附件1-1工程项目施工管理检查考核评分表(项目综合管理)检查人员:检查时间:附件1-2工程项目施工管理检查考核评分表(项目技术管理)检查人员:检查时间:附件1-3工程项目施工管理检查考核评分表(项目质量管理)检查人员:检查时间:附件1-4工程项目施工管理检查考核评分表(项目安全管理)检查人员:检查时间:附件1-5工程项目施工管理检查考核评分表(文明施工、环境管理)检查人员:检查时间:附件1-6工程项目施工管理检查考核评分表(项目劳务、材料、设备管理)检查人员:检查时间:XX施工单位考核管理办法xx目录一、目的二、适用范围三、考核条款相关主要工作内容和要求1、项目组人员配备2、施工准备3、安全、文明施工4、质量控制5、进度控制6、工程资料及档案管理7、工程分包的管理、配合8、竣工移交9、配合情况10、廉政保密四、考核管理办法1、执行考核单位2、考核维度及评分表3、考核内容、权重、评定等级4、考核结果应用五、其他一、目的为全面提高施工单位的工程建设质量,确保工程进度和施工安全,杜绝工程事故,规范工程管理,使工程建设规范化、标准化、科学化。
二、适用范围适用于XX工程建设施工单位管理。
`三、考核相关主要工作内容及要求1、人员配备1.1 项目组织架构接到中标通知书后1周内向监理单位报审项目组织架构、项目经理及主要技术人员名单,报监理单位审核后呈建设单位。
1.2人员执行力项目管理人员具备良好的工作态度、沟通协调能力和较高专业水平,按时参加工程例会,服从建设单位、监理单位、楼宇发开商和相关主管部门的组织,及时响应建设单位、监理单位安排的紧急工作,接受监理和建设单位的考评。
表A 建筑施工安全检查评分汇总表
企业名称:资质等级:年月日
建筑施工安全分项检查评分表表B.1 安全管理检查评分表
检查人员:年月日
表B.2 文明施工检查评分表
检查人员:
年月日
表B.3 扣件式钢管脚手架检查评分表
检查人员:
年月日
表B.7 满堂脚手架检查评分表
检查人员:
年月日
表B.8 悬挑式脚手架检查评分表
检查人员:
年月日
表B.10 高处作业吊篮检查评分表
检查人员:
年月日
表B.11 基坑工程检查评分表
检查人员:
年月日
表B.12 模板支架检查评分表
检查人员:
年月日
表B.13 高处作业检查评分表
检查人员:年月日
表B.14 施工用电检查评分表
检查人员:年月日
表B.15 物料提升机检查评分表
检查人员:年月日
表B.16 施工升降机检查评分表
检查人员:年月日
表B.17 塔式起重机检查评分表
检查人员:年月日
表B.18 起重吊装检查评分表
检查人员:年月日
表B.19 施工机具检查评分表
检查人员:年月日。
质量安全生产管理考核评分汇总表2、优秀及较差项目填写评分表中“备注”中的项目,或填表人认为较为优秀或较差的其它项目.表1 施工现场安全生产管理考核评分原则公司名称:表2施工现场工程质量检查评分原则工程名称::注:一票否决后,得分为零安全生产检查评分工作的阐明一、原则化工地质量、安全生产检查评分工作由建筑工程质量监督站组织实施。
考核状况由监督员及现场管理人员报质监站备案.考核根据《建筑施工安全检查原则》部分确保项目的重要内容(表 1、表 2),对房屋建筑工程和市政工程进行现场检查。
施工单位对考核评定得分有异议的,可在 7 个工作日内向城乡建设局申诉,由其决定与否重新现场评分。
二、安全机构根据工程进度进行现场评价检查:(一)房屋建筑工程,现场检查评分应在工程基础阶段(正负零下列的施工完毕 60%以上工程量)、主体阶段(正负零以上的施工完毕 60%以上工程量)、装修阶段(室内外抹灰的施工完毕60%以上工程量)进行多次现场检查,每次现场检查应由 2 名及以上人员参加,间隔日期应在 30 日及其以上.施工工期不能满足间隔日期规定的,每次现场检查的间隔日期可由实施现场检查工作的安全机构的重要负责人决定。
(二)市政工程自工程开工之日起至竣工结束,现场检查不得少于三次,参加人员人数及间隔日期按照上款规定执行。
(三)安全机构每次进行现场检查,应当场计算检查得分,并将得分填写在《原则化工地安全生产检查评分表》(附表3)上,施工现场项目负责人签字。
施工现场项目负责人无正当理由,不推行签字义务的,安全机构能够评定该工程本次现场检查得分为零,并在15 日内将有关状况书面报告市(行署)或农垦、森工总局安全机构备案.(四)安全机构进行的现场检查,可事先告知,也可随机进行,检查过程中对于3 分及其以上的扣分点,应摄影或录像(因施工现场未设立而扣分的除外)。
(五)现场初次检查分数在85 分下列的,经施工单位书面申请,安全机构允许在规定的期限内整治后重新进行一次现场检查,并作为本次现场评价的最后分数。
附件一:《项目工程(监理)部工作质量考核评分表》表1项目工程(监理)部工作质量考核评分表工程名称:时间:编号:续表1-1工程名称:时间:编号:续表1-2工程名称:时间:编号:续表1-3工程名称:时间:编号:续表1-4工程名称:时间:编号:工程名称:时间:编号:检查人员(签名):项目总监理工程师(签名):项目工程副总/经理(签名):地区工程中心:《项目工程(监理)部工作质量考核评分表》操作指导各项扣分至该项考核分为0分止,不出现负分1. 协议管理:1.1 监理协议分内、外协议,项目监理部应分开保管,政府部门检查时仅提供对外监理协议,对新动工程项目监理部应积极跟进与甲方签定新协议。
1.3 监理协议旳重要内容指协议中明确旳监理范围、质量控制责任、安全生产监理责任(政府检查项目)、监理费用收取等条款,施工协议旳重要内容指协议中明确旳施工质量应到达旳规定,对原材料详细规定,应采用旳安全生产、文明施工旳措施以及建设单位对施工单位旳其他详细规定等。
2. 监理规划:2.1~2 监理规划旳重要内容及审批、签名、盖章手续详见监理规范。
3.监理细则:3.2 监理实行细则中分部工程和重要分项工程参照建筑工程施工质量验收统一原则中有关规定。
其中专题安全生产和文明施工监理实行细则是政府重点检查项目。
4.设计文献管理:4.1~4 设计文献是实行监理旳重要根据,尤其是波及构造安全旳设计文献,监理应认真按规定把关。
5. 监理组织:5.1~5是政府主管部门检查监理工作旳一项重要内容。
资质证明材料包括企业营业执照、资质证书、监理部人员架构表、总监任命书、总监代表委托书、总监及其他监理工程师资格和岗位证书,见证员证等,以上资质证明材料复印件均需盖企业公章,如有变化应及时更新。
6. 材料/设备/构配件质量控制:6.1~4原材料、成品、半成品旳进场质量验收应符合国家和地方有关规定;如因施工单位经费或检测单位原因,检测汇报有时不能及时拿回工地,监理(施工单位联络无效)应积极积极旳同检测单位联络,确认检测合格后才能容许使用或进入下道工序。