防盗门安装检验批质量验收记录表
- 格式:doc
- 大小:50.50 KB
- 文档页数:2
防盗门验收表随着社会的发展和科技的进步,人们对家庭和财产的安全意识也逐渐增强。
在家装过程中,很多人都会选择安装防盗门来保护家人和财产的安全。
而防盗门的质量通常需要经过验收,以下是一份防盗门验收表,可以作为参考。
1. 材料验收:首先需要检查防盗门的材料是否符合相关标准,如防火等级、防盗等级等。
一般来说,防盗门的表面应该坚硬耐磨,防火材料应该符合相关国家标准。
2. 外观验收:验收防盗门的外观是否完整、无明显缺陷,如划痕、凹陷等。
门框的安装是否牢固,门扇是否平整,开启是否灵活顺畅等也需要进行检查。
此外,防盗门的表面是否有防潮、防腐等处理也需要注意。
3. 锁具验收:锁具是防盗门的核心部件,所以需要仔细检查其质量和功能。
验收时,可以测试门锁的开闭是否顺畅,锁舌是否牢固,是否能够防止撬锁等。
同时,可以询问安装人员关于锁具的安全性能和防盗等级。
4. 安全性验收:防盗门的安全性能是家庭和财产安全的关键,因此需要特别关注。
验收时,可以测试门扇的抗冲击性能和防撞能力,检查是否有非法开启的缝隙,判断是否有额外的安全装置等。
此外,可以了解防盗门的防火性能和消防逃生功能。
5. 隔音性验收:防盗门的隔音性能对于家庭居住环境也十分重要。
验收时,可以测试门扇的隔音效果,是否能够有效阻隔噪音和外界干扰。
6. 施工验收:防盗门的安装质量也是需要注意的一点。
验收时,可以检查门框的固定情况,门扇的正常安装,以及其他与安装相关的细节。
此外,可以咨询安装人员关于使用防盗门的注意事项和维护保养方法。
7. 售后服务验收:在购买防盗门之前,最好了解销售商的售后服务政策。
验收时,可以了解销售商的保修期限和售后服务内容,以及相关联系方式。
通过对防盗门进行细致的验收,可以确保其质量和功能符合要求,有效保护家人和财产的安全。
同时,也可以提高消费者的安全意识,推动行业的发展和进步。
希望以上的防盗门验收表能够对大家有所帮助。
金属门窗安装工程检验批质量验收记录(钢门窗)(Ⅰ)0 30302□□版权申明本文部分内容,包括文字、图片、以及设计等在网上搜集整理。
版权为潘宏亮个人所有This article includes some parts, including text, pictures, and design. Copyright is Pan Hongliang's personal ownership.用户可将本文的内容或服务用于个人学习、研究或欣赏,以及其他非商业性或非盈利性用途,但同时应遵守著作权法及其他相关法律的规定,不得侵犯本网站及相关权利人的合法权利。
除此以外,将本文任何内容或服务用于其他用途时,须征得本人及相关权利人的书面许可,并支付报酬。
Users may use the contents or services of this article for personal study, research or appreciation, and othernon-commercial or non-profit purposes, but at the same time, they shall abide by the provisions of copyright law and other relevant laws, and shall not infringe upon the legitimate rights of this website and its relevant obligees. In addition, when any content or service of this article is used for other purposes, written permission and remuneration shall be obtained from the person concerned and the relevant obligee.转载或引用本文内容必须是以新闻性或资料性公共免费信息为使用目的的合理、善意引用,不得对本文内容原意进行曲解、修改,并自负版权等法律责任。
防盗门安装检验批质量验收记录表(可以直接使用,可编辑实用优秀文档,欢迎下载)防盗门安装检验批质量验收记录表GB50210-2001钢质防火门制作及安装工程施工合同发包方(全称):株洲钻石房地产开发(以下简称甲方)承包方(全称):亚萨合莱—王力制品株洲总经销(以下简称乙方)依照《中华人民共和国合同法》、《中华人民共和国建筑法》及其他有关法律、行政法规、遵循平等、自愿、公平和诚实信用的原则,双方就钻石·美林景园项目防火防盗门制作及安装工程施工事项协商一致,订立本合同。
一、工程概况工程名称:钻石·美林景园项目钢质防火防盗门制作及安装工程工程地点:株洲市茨菇塘路建设单位:株洲钻石房地产开发二、工程承包方式、范围和内容承包方式:包工包料、包质量、包安全文明施工、包工期、包机械(含进出场)分不同的尺寸规格按每樘综合单价包干。
承包范围:钻石·美林景园项目钢质防火防盗门及防盗门制作及安装工程全部工程量。
承包内容:钻石·美林景园项目防火防盗门及防盗门制作及安装施工涉及的内容及施工全过程涉及的全部质量检验,全部技术资料的收集、整理、汇总成册和临电、临水、临时设施等有关施工内容。
品牌:采用王力生产的“王力”牌钢质防火防盗门。
三、合同价款1、本合同含税包干综合单价、暂定合同总价如下表:入户钢质防火防盗门含税综合单位表备注:以上综合单价为固定单价,包括防火防盗门及配件制作、运输费、装卸费、安装费、水电费、措施费、管理费、利润、不可竞争费用、试验检验费、与主体施工单位的配合费、材料风险、税金、验收、相关管理部门手续费等全部费用。
其它未考虑因素均视作承包人优惠条件。
2、入户防盗门主要技术参数要求:①前后门板厚度实为mm;②门扇厚度为mm;③门锁为AB机械锁带门锁钩;④门框厚度为mm;⑤外观:。
3、乙方根据本工程施工结算价款,须开具符合本工程所在地税务机关要求的全额发票给甲方。
4、水电费用、场地租赁费用以及施工配合费用由乙方自行与土建施工单位结算。
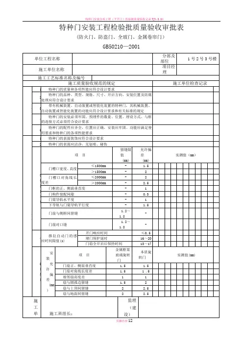
特种门安装工程检验批质量验收审批表(防火门、防盗门、全玻门、金属卷帘门)
GB50210—2001
门窗玻璃安装工程检验批质量验收记录表
GB50210—2001
水性涂料涂饰工程检验批质量验收记录表
GB50210-2001
屋面找平层检验批质量验收记录表
细部构造检验批质量验收记录表
屋面细部构造工程检验批质量验收记录表
屋面卷材防水层程检验批质量验收记录表
金属门窗安装工程检验批质量验收记录表
屋面保温层检验批质量验收记录
灰土地基工程检验批质量验收记录表GB 50202—2002
土方回填工程检验批质量验收记录表。
金属门窗安装检验批质量验收记录表注:①定性项目符合要求打√,反之打×;②定量项目加○表示超出企业标准,加△表示超出国家标准。
塑料门窗安装分项工程质量验收记录0 30303注:分项工程可由一个或若干个检验批组成,检验批应按楼层、变形缝或施工段进行划分成若干个数量。
塑料门窗安装工程检验批质量验收记录表第二章注:①定性项目符合要求打√,反之打×;②定量项目加○表示超出企业标准,加△表示超出国家标准。
特种门安装分项工程质量验收记录0 30304注:分项工程可由一个或若干个检验批组成,检验批应按楼层、变形缝或施工段进行划分成若干个数量。
智能防盗门安装检验批质量验收记录表第三章 GB50210-2001注:①定性项目符合要求打√,反之打×;②定量项目加○表示超出企业标准,加△表示超出国家标准。
金属框架玻璃旋转门安装检验批质量验收记录表第四章 GB50210-2001注:①定性项目符合要求打√,反之打×;②定量项目加○表示超出企业标准,加△表示超出国家标准。
门窗玻璃安装分项工程质量验收记录0 30305注:分项工程可由一个或若干个检验批组成,检验批应按楼层、变形缝或施工段进行划分成若干个数量。
门窗玻璃安装工程检验批质量验收记录表第五章 GB50210-2001注:①定性项目符合要求打√,反之打×;②定量项目加○表示超出企业标准,加△表示超出国家标准。
子分部)工程质量验收记录暗龙骨吊顶分项工程质量验收记录暗龙骨吊顶工程检验批质量验收记录表GB50210-2001注:①定性项目符合要求打√,反之打×;②定量项目加○表示超出企业标准,加△表示超出国家标准。
明龙骨吊顶分项工程质量验收记录。
防盗门验收表1. 项目基本信息- 项目名称:[填写项目名称]- 施工单位:[填写施工单位名称]- 监理单位:[填写监理单位名称]- 防盗门类型:[填写防盗门类型]- 施工日期:[填写施工日期]2. 规格要求- 防盗门规格:[填写防盗门规格要求]- 防盗门材质:[填写防盗门材质要求]- 防盗门厚度:[填写防盗门厚度要求]- 防盗门颜色:[填写防盗门颜色要求]- 防盗门安全级别:[填写防盗门安全级别要求]3. 检验内容3.1 产品外观检查- 无划痕、变形等影响美观的瑕疵- 框架、门扇与地面、墙体连接紧密- 无明显开裂、断裂等结构问题3.2 功能检查- 开闭灵活,无卡阻、卡滞等现象- 锁具可靠,无松动、不配合等问题- 防盗门声音正常,无异响3.3 安全性能检查- 防盗门可靠地进行锁定,无松动现象- 防盗门整体结构牢固,无异常震动- 防盗门总体安全性能符合要求4. 检验结果4.1 外观验收- 防盗门外观合格:[是/否]- 外观不合格的问题:[填写外观不合格的问题]4.2 功能验收- 防盗门功能合格:[是/否]- 功能不合格的问题:[填写功能不合格的问题]4.3 安全性能验收- 防盗门安全性能合格:[是/否]- 安全性能不合格的问题:[填写安全性能不合格的问题]5. 备注[填写其他需要说明的内容]6. 验收人员签名- 施工单位代表签名:___________________- 监理单位代表签名:___________________- 验收日期:___________________以上所述,我已仔细查看并确认无误。