动火证审批表、二级、三级动火许可证范本
- 格式:doc
- 大小:137.00 KB
- 文档页数:37
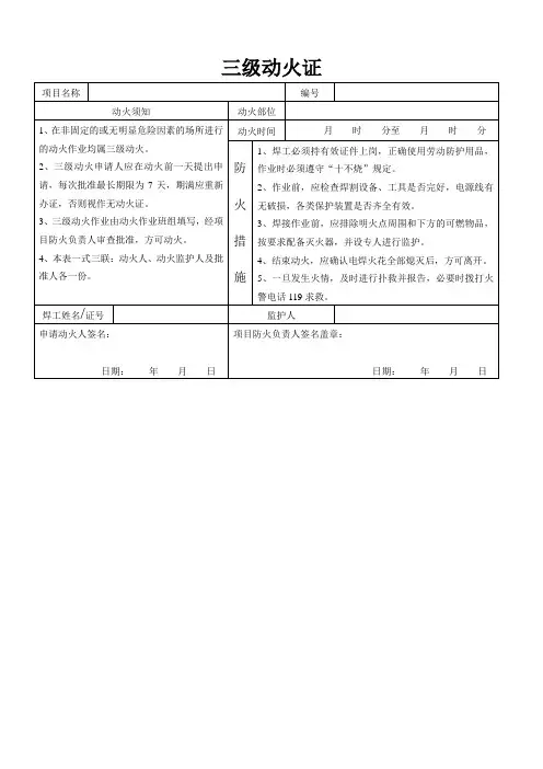
三级动火许可证
注:批准人为项目负责人或项目技术负责人。
提前报批,批准最长期限为七天
--------------------------------------------------------------------------------------------------------------------- -
三级动火许可证
注:批准人为项目负责人或项目技术负责人。
提前报批,批准最长期限为七天
1
二级动火许可证
注:附安全技术措施方案,报本单位主管部门审批。
提前四天报批,批准最长期限为三天
----------------------------------------------------------------------------------------------------------------------
二级动火许可证
注:附安全技术措施方案,报本单位主管部门审批。
提前四天报批,批准最长期限为三天
一级动火许可证
存根
2
提前一周报批,批准最长期限为一天
-------------------------------------------------------------------------------------------------------------------- --
一级动火许可证
提前一周报批,批准最长期限为一天。
3。
动火作业审批表及用火证
申请动火单位动火班组
动火作业级别及种类
动火部位
〔动火、气焊、电焊等〕
动火作业
年月日时分起至时分止由
起止时间
看火人员署名申请人署名
分包单位工程负责人、施工员审查建议:
审查人署名:年月日
审查审批署名:确以为〔〕级动火
职务工长工程总工工程经理审批建议
署名确认
总包工程安全部动火证开具人员署名日期
监理〔总监〕审批
审查人署名:年月日
工程用火证
申请动火单位动火班组
动火部位
动火作业级别及种类〔动火、气焊、电焊等〕
动火作业
年月日时分起至时分止
由
起止时间
看火人员署名申请人署名
总包工程安全部位动火证开具人员署名日期
巡检署名栏
分担保理〔安全〕人员总担保理〔安全〕人员监理管理〔安全〕人员
署名署名署名
第一次巡检
时间时间时间
署名署名署名
第一次巡检
时间时间时间。
编号:
表―用火作业审批表
编号:
表―用火作业审批表
编号:
表―用火作业审批表
编号:
表―用火作业审批表
编号:
表―用火作业审批表
编号:
表―用火作业审批表
编号:
表―用火作业审批表
编号:
表―用火作业审批表
编号:
表―用火作业审批表
编号:
表--三级动火许可证
编号:
表--三级动火许可证
编号:
表--二级动火许可证
表--二级动火许可证
表--三级动火许可证
编号:
表--三级动火许可证
编号:
表--二级动火许可证编号:
表--二级动火许可证编号:
表--三级动火许可证
编号:
表--三级动火许可证
编号:。
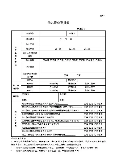
表C16―6 用火作业审批表
编号:
表C16―6 用火作业审批表
编号:
表C16―6 用火作业审批表
编号:
表C16―6 用火作业审批表
编号:
表C16―6 用火作业审批表
编号:
表C16―6 用火作业审批表
编号:
表C16―6 用火作业审批表
编号:
表C16―6 用火作业审批表
编号:
表C16―6 用火作业审批表
编号:
表C16―6 用火作业审批表
编号:
表C16-6-3 三级动火许可证
编号:
表C16-6-3 三级动火许可证
编号:
表C16-6-2二级动火许可证
编号:
表C16-6-2二级动火许可证
编号:
表C16-6-3 三级动火许可证
编号:
表C16-6-3 三级动火许可证
编号:
表C16-6-2二级动火许可证
编号:
表C16-6-2二级动火许可证
编号:
表C16-6-3 三级动火许可证
编号:
表C16-6-3 三级动火许可证
编号:。
表C16―6 用火做业审批表之阳早格格创做
编号:
表C16―6 用火做业审批表
编号:
表C16―6 用火做业审批表
编号:
表C16―6 用火做业审批表
编号:
表C16―6用火做业审批表
编号:
表C16―6 用火做业审批表
编号:
表C16―6 用火做业审批表
编号:
表C16―6 用火做业审批表
编号:
表C16―6 用火做业审批表
编号:
表C16―6 用火做业审批表
编号:
表C16-6-3 三级动火许可证
编号:
表C16-6-3 三级动火许可证
编号:
表C16-6-2两级动火许可证
编号:
表C16-6-2两级动火许可证
编号:
表C16-6-3 三级动火许可证
编号:
表C16-6-3 三级动火许可证
编号:
表C16-6-2两级动火许可证
编号:
表C16-6-2两级动火许可证
编号:
表C16-6-3 三级动火许可证
编号:
表C16-6-3 三级动火许可证
编号:。
三级动火作业审批表
说明
一、禁火区域划分:
1、凡属下列情况之一的属一级动火:
①禁火区域内;②油罐、油箱、油槽车和贮存过可燃气体,易燃气体的容器以及连接在一起的辅助设备;③各种受压设备;④危险性较大的登高焊、割作业;⑤比较密封的室内、容器内,地下室等场所;⑥堆有大量可燃和易燃物资的场所。
2、凡属下列情况之一的为二级动火:
①在具有一定危险因素的非禁火区域内进行临时焊、割等作业;②小型油箱等容器;③登高焊、割作业。
3、在非固定的、无明显危险因素的场所进行用火作业,均属三级动火作业.
二、动火审批:
l、一级动火作业应由所在单位主管防火工作的负责人填写动火申请表并附上安全技术措施方案,报上一级主管及所在地区消防部门审查批准后,方可动火。
一级动火的最长审批期限不得超过一天,期满应重新办证,否则视作无证动火。
2、二级动火作业由所在工地负责人填写动火申请表和编制安全技术措施方案,报本单位主管部门审查批准后,方可动火。
二级动火的最长审批期限不得超过三天,期满应重新办证,否则视作无证动火。
3、三级动火作业由所在班组负责人填写动火申请表,经工地负责人审查批准后,方可动火。
三级动火的最长审批期限不得超过七天,期满应重新办证,否则视作无证动火。
三级动火许可证(样板)
三级动火许可证编号:BY—施工单位:工程名称:动火部位:
动火须知:
本许可证最长期限为7天,每8小时为一周期。
动火时间为月日时至月日时。
项目部经理部安监站需要进行资料收集整理。
动火区域需清理易燃杂物和危险品。
所进行的持证动火作业必须属于三级动火范围。
动火区域必须在固定区域内,且无明显较大危险因素的场防。
焊机、气瓶必须符合安全管理规定。
登高焊、割火花溅落必须有防护设施。
动火区域内或下方必须有防火监护人。
登高焊、割火花溅落时需要设置警戒线。
如果超过有效期未及时办理动火证,将视为无证。
动火区域必须配置至少一台灭火器材。
动火作业将处以100—500元/次的罚款。
动火人现场必须持有特岗证件备查(复印件即可)。
动火票第二次需交回第一次原件(续签)。
工程部需签字确认,安监站进行管监督检查。
第二联施工现场动火人必须持有备检。
本表一式二联,安监站和动火人各执一联。
焊、割人员姓名:
动火单位申请人:
监护人姓名:
工程部批准人签名:年月日
动火许可证需要严格遵守,确保动火作业的安全。
表C16―6 用火作业审批表
编号:
表C16―6 用火作业审批表
编号:
表C16―6 用火作业审批表
编号:
表C16―6 用火作业审批表
编号:
表C16―6 用火作业审批表
编号:
表C16―6 用火作业审批表
编号:
表C16―6 用火作业审批表
编号:
表C16―6 用火作业审批表
编号:
表C16―6 用火作业审批表
编号:
表C16―6 用火作业审批表
编号:
表C16-6-3 三级动火许可证
编号:
表C16-6-3 三级动火许可证
编号:
表C16-6-2 二级动火许可证
编号:
表C16-6-2 二级动火许可证
编号:
表C16-6-3 三级动火许可证
编号:
表C16-6-3 三级动火许可证
编号:
表C16-6-2 二级动火许可证
编号:
表C16-6-2 二级动火许可证
编号:
表C16-6-3 三级动火许可证
编号:
表C16-6-3 三级动火许可证
编号:。