最新110kV电容式电压互感器
- 格式:doc
- 大小:179.50 KB
- 文档页数:17
TYD110/3— 电容式电压互感器杨京线C 相安装使用说明书湖南电力电瓷电器厂0. 02H 0.015H产品安装使用前,请认真阅读本说明书。
1 主要用途与适用范围1.1 本系列电容式电压互感器(即CVT 以下简称互感器)适用于额定电压110kV 、220kV ,额定频率50Hz 的中性点有效接地系统,作电压、电能测量及继电保护之用,并可兼作载波通讯。
1.2T注:型号中带“H ”或“W ”的产品适用于污秽程度为Ⅲ级的火电厂、电站及其它污秽等级类同的电站,其爬电比距大于2.5cm/kV ;不带“H ”或“W ”的产品适用于Ⅱ级的污秽环境,其爬电比距大于2.0cm/kV (按系统最高电压计算)。
2 使用环境2.1 温度类别:-25/B,-40/B2.2 海拔:不超过1000m2.3 风速:不超过150km/h2.4 地震:烈度不超过8度3 主要技术性能3.1 额定电压比110000/3/100/3/100/3/100,3.2 额定中间电压:19.05kV3.3 设备最高工作电压:126 kV3.4 电容及电容偏差见表1:表 13.5 极性:减极性3.6 额定电压因数:1.2倍连续,1.5倍30S3.7 中间变压器连接组标号:1/1/1/1-12-12-123.8 准确级次组合:0.2/0.5/3P3.9 标准准确级下的额定输出见表2:表 2注:负荷的功率因数为0.8(滞后)。
3.10 误差限值在规定的条件下,互感器的二次绕组和剩余电压绕组的电压误差和相角差的限值符合表3规定:表 33.11 绝缘水平3.11.1 标准雷电冲击全波耐受电压:TYD110/3:480kV3.11.2 电容分压器绝缘水平:a)高电压端子短时工频耐受电压:TYD110/3:200 kV,1minb)低电压端子(即通讯端子N)短时工频耐受电压:4 kV,1min3.11.3 中间变压器绝缘水平a)感应耐受电压:66kV ,1minb)二次绕组、剩余电压绕组之间及对地短时工频耐受电压:3kV ,1min3.11.4 互感器接地端(E)短时工频耐受电压:3kV ,1min3.12 绝缘电阻在室温下,二次绕组,剩余电压绕组之间及对地绝缘电阻应大于100MΩ,一次绕组地端E对二次绕组,剩余电压绕组及地绝缘电阻应大于500MΩ。
110kV电容式电压互感器试验数据异常分析处理摘要:本文通过现场测试中发现电容式电压互感器的电容量异常增加,且三相线电压明显不平衡,经进一步试验分析,判定电容器内部串联电容已部分击穿,并提出了电容式电压互感器运行及测试相应注意事项?介绍电容式电压互感器(CVT)的原理及结构,并通过一起试验数据异常案例,介绍其现场试验数据的综合判断和分析方法,测量CVT绝缘电阻?电容量及介质损耗进行综合判断,迅速准确地指出缺陷的类型和部位,使缺陷获得有效的处理,最后提出类似故障的预防措施?关键词:电容式电压;互感器;数据异常引言CVT是变电站内的重要设备,它通过电压变换把线路或母线的高电压降为较低的二次电压,供给保护及测量装置使用?CVT制造工艺简单?运行可靠稳定,因此在电力系统中得到了广泛应用?近年来,在泉州市的旧变电站技改更换工程及新建变电站工程中,110kV及以上电压等级的电压互感器已大量采用CVT?本文通过一起110kV CVT试验数据异常案例,介绍在变电设备电气试验现场对CVT异常情况的分析?判断和处理方法?电容式电压互感器广泛地应用于电力系统的测量和保护领域,由于其独特的安全性和可靠性以及不存在铁芯饱和因素,逐渐取代电磁式电压互感器?110kV电容式电压互感器由两个电容器进行分压获得较低电压,每个电容器是由100个左右的元件串联而成的,就其电容量而言,其变化+10%,在100个单元件中如有10个以内的元件发生短路损坏,此时,另外90个左右的单元件需要承受较高的运行电压,这对运行中的电容器的绝缘造成了极大的危害?1结构介绍CVT主要由电容分压器和中间电磁单元组成?电容分压器由主电容C1与分压电容C2串联构成,其作用是通过电容将一次电压分压为某一中间电压加在中间变压器的一次绕组上,由中间变压器的电磁感应将电压降为100V和100/槡3V两种二次电压?中间电磁单元包括中间变压器?谐振阻尼器?补偿电抗器等?CVT原理如图1所示?中间变压器及带铁心的补偿电抗器为非线性电感;电容分压器与中间变圧器?补偿电抗器构成电容和电感的串联回路,在一定条件下会产生谐振?过电压;谐振阻尼器ZX则可消除CVT内部可能产生的铁磁谐振?2现场试验情况及原因分析2.1现场试验情况某220kV变电站110kV宝永蓝线183线路电压互感器为CVT?该CVT的型号为TYD110/槡3-0.007H,额定变压比为(110/槡3)/(0.1/槡3)/(0.1/槡3)/0.1kV,中间电压为35/槡3kV,级次组合为0.2/0.5/3P,额定输出为150/250/100VA,出厂日期为2004年5月?2017年6月12日,对该线路电压互感器进行停电例行试验?电容器上节?下节电容量正常,电容器上节介质损耗正常,但电容器下节介质损耗为0.872%,超出注意值,且远大于上次测试值(2012年3月6日停电测试值为0.081%)?183线路电压互感器介质损耗及电容量测试数?2.2原因分析用自激法对CVT的电容器上节及下节进行电容量及介质损耗测试?测试电容器上节电容量及介质损耗时,通过自动切换接线实现;测试电容器下节时,对试品电流和标准电流进行相量测试,通过幅值计算得到电容量,通过角差计算得到介质损耗,其工作原理如图3(a)所示?当检流计G为零时,电桥电压平衡,通过已知的电桥参数及测试值,便可计算出被试品的电容量及介质损耗?如果电容器末端绝缘降低,那么在测试电容器下节电容量及介质损耗时,相当于在N端子并接了一个对地电阻,其工作原理如图(b)所示?3现场处理过程采用排除法,一一分析排除3.1原因首先分析110kV线路对地电容量不对称原因,由于线路比较短近20公里;查阅线路三相布置方式合理,并且冬季树木处在冬眠期,因此排除了输电线路周围杂物造成三相对地电容量有较大不对称的可能性?根据现场介质损耗角测试数据tgδ%为0.89%,已超出电力设备预防性试验规程中膜纸复合绝缘tgδ%≤0.2%的规定?因此根据现场试验测试C1电容量的增大和介质损耗角增大,在排除设备外观没有渗漏点造成设备进水受潮的因素外,初步判断是由于C1其内部的电容单元有击穿短路现象?建议立即退出运行对B相电容式压变进行更换?新更换的B相电容式压变投入运行后,现场监视发现三相电压平衡?由测试数据我们发现B相电容式电压互感器C1电容量增大,C2电容量不变,而母线电压U也不变,根据电容分压原理U1U2=C2C1,C1的增大造成则U1减小和U2增大,因此不考虑中间电压互感器的影响,按照额定的分压比,由于U2电压升高造成二次电压升高,这说明三相电压的不平衡是由于C1的电容量增大引起的?3.2测量现场实际测量电压互感器接地引下线的接地电阻三相均衡均小于20mΩ,排除了接地不良的可能?3.3缺陷情况初步判断电容电压互感器存在缺陷,为此我们对设备进行了停电试验,试验情况如下:测试前为排除瓷套表面影响,对设备的外瓷套和二次端子板用酒精进行擦洗干净后开始试验,为排除仪表的影响,试验采用由HV-9001康申电桥和AI-6000D泛华电桥两套仪器进行比较,结果基本接近,因此可以排除仪表的影响,为了分析数据方便,试验数据均使用泛华电桥测量数据为准?由于B相电容式电压互感器介质损耗和电容量与原始数据比较?与上次试验数据比较?与规程规定比较均有明显变化,根据综合分析判断要求,现场又对A相电容式电压互感器试验测试无异常?3.4解体试验该设备退出运行后,对其电容器进行了解体试验,去掉电容器的瓷外套后,对C1电容器进行了检查,发现下侧第四个电容单元有明显击穿的黑色小孔,说明该电容单元发生了局部击穿减少了电容层,使该电容器单元的电容量明显偏大,与上文的分析结果完全一致?4装置使用说明线路带电时,红灯常亮,绿灯熄灭;线路不带电时,红灯熄灭,绿灯常亮;没有电源时,红灯和绿灯都熄灭?若需检查装置,则按下“复位”按钮,装置进行自检,指示灯全亮,继电器吸合,待自检结束会显示线路状态?在接触闭锁装置时,需保证所有装置的线路带电显示均为无电并无法获得外部电源时,才可进行检测?结语高压带电显示闭锁装置弥补了传统验电方式的缺陷,可实现高压供电线路和高压电缆终端设备在线检测,因其安装方便?安全性高,已得到广泛应用?电容式电压互感器的电容分压器是由几十个元件串联组合而成,总体介损值小于单只电容器的介损值,这样会出现单只介损超标但总体介损合格的情况?因此,电容式电压互感器在作介质损耗试验时,各电容器应尽可能分别试验设备投运4年以后在到达运行老化期间,应加强监视?参考文献:[1]孙振权,顾红伟,李彦明.高压带电显示及闭锁装置现状及发展前景[J].高压电气,2009,45(4):115-17132.[2]杨爱霞,孙花枝,刘晓焱.高压带电显示闭锁装置的研究[J].传感器世界,2001(11):30-32.[3]韩长运.高压带电显示闭锁装置及其应用[J].电气时代,2006(11):110-111.[4]Q/GDW168—2008输变电设备状态检修试验规程[S].[5]咸日常.电容式电压互感器常见故障分析处理方法和预防措施[J].变压器,2002,39(5):38-41.。
110KV电容式电流互感器介损超标原因分析及处理摘要:本文主要对110KV电容式电流互感器进行探究,并对其介损超标现象及其解决对策进行深入研究和分析。
关键词:互感器;问题;对策前言:电容式电压互感器的简称是CVT,作为电压变换装置中的一种,主要成分有电磁单元和高压电容分压器,本身在运行过程中具有较强可靠性、便捷性、物美价廉、便于维护和绝缘监测等优势,被广泛应用到电力系统中。
但是电容式电压互感器会因为工艺、设计以及原材料的不同出现各式各样的质量问题,不利于对电网运行的安全性和可靠性进行提升,因此需要对其进行深入研究和分析,并明确主要原理、制定高效适宜的解决对策。
一、针对电容式电流互感器相应实验数据进行有效探究和分析以某变电站内的110KV111#CT为例展开预防性试验,并利用对CT的多方面测试推断CT电容屏在试验过程中的受潮状况,从而对其出现的介损超标现象进行有效缓解。
在具体试验中使用的CT则是来源于九九年二月出厂的LCWB6-110等型号中。
通过对CT介损试验的理念情况进行探究和分析(如图1),从图1中可以明确得知CT的电容量变化并不显著。
该CT在大多数情况下随着其介损费不断增加,这一现象在零五年出现介损超标的现象,因此通过分析这些数据可以得知CT比较容易出现受潮问题。
而容易出现受潮现象主要是因为该CT在出厂之前没有彻底干燥电容屏,使其内部存在潮气,并经过长时间运转后不断向外渗出潮气,从而出现介损超标的问题。
图1 CT从99年到05年中历年数据分析该CT的一次末屏绝缘电阻值保持在一万兆欧左右,二次及地末屏绝缘电阻值为一千兆欧,数据准确没有问题,并且和图1中的历年数据相比变化幅度并不明显。
图2 有效探究绝缘油示意图从图二中的绝缘油试验数据示意图可以了解到该CT绝缘油试验结果达标。
相较于历年数据其变化幅度并不显著,通过简单的检查可以判断电容屏出现受潮问题。
而对这一理论准确程度的初步判断和验证,与CT分解试验对比而言,将其中的油、邮箱以及瓷套进行放掉和拆除,从而分布展开电容屏的介损试验,并在具体试验过程中,有效依据试验结果对其状态进行判断,介损呈现超标现象就意味着该CT会在电容屏位置出现受潮现象。
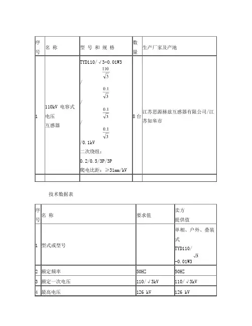
序号名称型号和规格数量生产厂家及产地1 110kV 电容式电压互感器TYD110/√3-0.01W3////0.1kV二次绕组:0.2/0.5/3P/3P爬电比距:≥31mm/kV8台江苏思源赫兹互感器有限公司/江苏如皋市技术数据表序号名称要求值卖方提供值1 型式或型号单相、户外、叠装式TYD110/-0.01W32 额定频率50HZ 50HZ3 额定一次电压110/√3kV110/√3kV4 最高电压126 kV 126 kV5 额定二次电压a.二次绕组0.1/√3kV0.1/√3kVb.剩余电压绕组0.1kV 0.1kV6 电压比////0.1kV////0.1kV7 中间变压器绕组连接组I/I/I/I-12-12-12I/I/I/I-12-12-128 电容分压器a.总电容额定值10000 PF 10000 PF允许误差>-5%或<+10% -5%~+5%b.线路端至电压互感器结线点(高压电容C1)28570 允许误差-5%~+5%c.电压互感器结线点对地(高压电容C2)66670允许误差-5%~+5%9 耦合电容器的电容温度系数<3×10-4K-1 2×10-4K-110 电容式电压互感器低压端对地杂散电容≤800电容式电压互感器低压端对地杂散电导5011 额定输出标准值(VA)a.1,2号线圈(二次绕组)50VA 50VAb.3号线圈(二次绕组) 60VA 60VAc.4号线圈(剩余电压绕组) 50VA50VA12 准确级0.2/0.5/3P/3P 0.2/0.5/3P/3P 13 从二次侧绕组测短路阻抗 0.15~0.21欧姆 14 额定内绝缘水平a.电容分压器高压端全波冲击耐压 450kV 550kV (1.2/50s )b.工频耐压(1min ) (1)电容分压器高压端200kV 230kV (2)电容分压器低压端和接地端之间 4(不暴露在空气中) (3)中间变压器一次绕组高压端(1.05×200×)72kV一次绕组低压端 5kV 二次绕组之间 3kV 二次绕组对地3kV (4)补偿电抗器接地端子对地 5kV 15 瓷套绝缘a.全波冲击耐压(1.2/50s ) 450kV 550kVb.工频耐压(干和湿,1min )200kV 230kV 16电容分压器的介质损耗因数tgδ(15℃~25℃) a.在电压为110/√3kV 下,对膜纸绝缘 ≤0.1% ≤0.1% 17 允许工频过电压时间。
次电压(kV)剩余电压绕组0.1 0.19 额定电压比见表3-4母线:110/ 3 kV/0.1/ 3 /0.1/ 3 /0.1kV 线路:110/ 3 /0.1/ 3 /0.1kV10级次组合见表3-4母线:0.2/0.5(3P)//3P线路:0.5(3P)//3P 额定输出(VA)见表3-4母线:50/50/100线路:10/10额定输出功率因数(cosφ)0.8 0.811 极性减极性减极性12 额定电压因数及持续时间1.2 倍、连续1.2 倍、连续1.5 倍、30s 1.5 倍、30s13额定电容C n(pF)见表3-4 母线;20000;线路:10000 高电压电容器电容C1(pF)(投标人提供)25150;12574 中间电压电容器电容C2(pF)(投标人提供)97700;48853实测电容对额定电容相对偏差不大于(%)~+10 ~+10组成电容器叠柱的任何两个单元的电容之比值偏差,应不超过其单元额定电压之比的倒数的百分数(%)5 514 电容元件的工作场强(kV/mm)(投标人提供)1015 C1/C2 的电容元件串联数(投标人提供)84/22;82/2116 中间变压器的铁心磁通密度(投标人提供)0.6T17 电容分压器温度系数(K 1)5×10 45×10 4压器局部放电水平(pC)在1.2U m/ 3 电压下≤5≤521在1.1U m/ 3 电压下无线电干扰电压(μV)≤500≤500在1.1U m/ 3 电压下户外晴天夜晚无可见电晕无可见电晕无可见电晕22 传递过电压峰值限值(kV)≤1.6≤1.623电磁单元温升限值顶层油(K)55 55绕组(K)65 65 铁心及其他金属件表面(K)不超过所靠近的材料限值不超过所靠近的材料限值24电磁单元绝缘油变压器油标号见表3-4 45 变压器油击穿电压不小于(kV)≥40≥40tanδ(90℃)不大于(%)≤0.5≤0.525瞬变响应:在额定电压下互感器的高压端子对接地端子发生短路后,二次输出电压应在额定频率的一个周期内衰减到短路前电压峰值的百分数(%)≤10≤1026 励磁特性在0.8、1.0、1.2 倍U1n下二次侧短路不少于0.1s后又突然消除短路,其二次电压峰值恢复到与正常值相差不大于 10%的额定频率周波数及试验次数0.8 ≤25周波,10 次≤25周波,10 次1.0 ≤25周波,10 次≤25周波,10 次1.2 ≤25周波,10 次≤25周波,10 次在1.5 倍U1n 下二次侧短路不少于0.1s 后又突然消除短路,其二次电压回路铁磁谐振持续时间及试验次数1.5 ≤2s,10次≤2s,10 次27 高频特性载波工作频率范围(kHz)30~500 30~500高频电容实测值对额定电容的相对偏差不大于%~+50%~+50%1)采用高位布置,安装在支架上,用螺栓与支架固定。
110kv电容式电压互感器介质损耗试验问题分析摘要:在110kV电容式电压互感器运行中,均采用叠装式结构运行,但是由于现场试验时不能将电容分压器与电磁单元分离,增加了现场绝缘测量的难度,因此有必要采用相应的试验方法进行测试,才能提高介质损耗试验的准确性。
本文主要分析了110kv电容式电压互感器介质损耗试验问题,以供参考完善。
关键词:110kv;电容式电压互感器;介质损耗试验;正接法;反接法;自激法电容式电压互感器,称为CVT,是一种由电磁单元与高压电容分压器组成的电压变换装置,因其自身具有价格经济、运行可靠、维护方便和绝缘监测单一等优势,被广泛运用到电力系统中。
但是因该装置极易受各种因素影响,容易影响到装置运行的稳定性,不利于电网安全稳定运行。
因此如何有效预防电容式电压互感器的故障发生,是值得探讨的问题。
一、电容式电压互感器概述根据结构运行方式来划分,电容式电压互感器(CTV)可分为2大类:带分压抽头和不带分压抽头。
其中带分压抽头使用常规正接法连接,不带分压抽头使用自激法连接。
最初在电力系统运行中,电容式电压互感器的安装均采用带分压抽头,因分压电容器内部带有抽头,测试方法十分简单,操作方便。
但随着设备运行的升级改造,对电容式电压互感器的试验要求越来越高,南方电网预试规程对分压电容的变化量和介质损耗试验的要求作出了明确规定:由于电容式电压互感器的分压电容量发生明显改变,或者是介质损耗增加,就会引起电容式电压互感器爆炸。
因此在定期进行预防性试验时,必须加强对电容式电压互感器的电容量与介质损耗的测量。
此外,在实际测量试验时,为了避免电容式电压互感器介质损耗试验结果不准确,而导致判断失误,还需重视中间抽头的锈蚀和外界环境对设备本身的污染,做好相关处理工作后,才能进行试验[1]。
二、110kv电容式电压互感器介质损耗试验问题分析(一)工程概况某110kV变电站采用的是TYD110/ -0.02H电容式电压互感器,该变电站电容式电压互感器在验收试验合格后投入运行,并在2010年和2013年进行了2次例行试验。
110kV 电容式电压互感器常见故障及解决措施发布时间:2021-09-17T07:00:40.966Z 来源:《中国电业》2021年第14期作者:陈聪哲[导读] 电压互感器是变电站的主要设备之一陈聪哲深圳供电局有限公司广东省深圳市 518000摘要:电压互感器是变电站的主要设备之一,110kV电容式电压互感器则是电压互感器的常见类型,对于电力系统的安全稳定运行具有十分重要的意义。
但在实际运行的过程中,由于各项主客观因素的影响,互感器不可避免地出现各种故障。
鉴于此,本文先是阐述了现阶段110kV电容式电压互感器运行的常见故障情况,又探究了故障解决措施,仅供相关人员进行借鉴与参考。
关键词:110kV电容式电压互感器;常见故障;解决措施 1 110kV电压条件下互感器仪器故障 1.1电容器故障电容器是互感器中用来装载电能的设备,电容器的主要构成部件为两块金属电极和绝缘电介质。
首先,在电容器上设置的连接点不科学合理,使得电容器一次绕组末端连接点发生接触不良或设置的连接点受到损坏,最终导致电容器发生放电,产生悬浮电压,造成变电站安全事故的发生。
其次,如果电容器的密封性出现损坏,使得电容器的油封发生受潮,这样电压互感器的电介质和电压都会受到严重的影响,使得电容器的储电量下降,进而电容器的分电压也下降,无法达到标准电压承载值,影响电压互感器的运行。
1.2电磁单元故障电磁单元作为电压互感器的组成设备,其由多个部件构成,包括中间电压器、阻尼器和补偿电压器等。
电磁单元相对敏感和脆弱,任何一个组成部件出现问题都会使得电磁单元发生故障,所以电磁单元故障也是导致电压互感器发生故障的常见原因。
电磁单元发生故障主要受到两个因素的影响,首先是电压互感器的运行环境,如果电磁单元运行环境的湿度相对较高,使得电磁单元受潮,会对其绕组阻性产生影响,造成电磁单元的损坏。
其次,电压互感器电磁单元的内部放电,电压互感器异常持续运行导致电磁单元多处击穿放电,中压变压器烧损,就会造成电压互感器二次电压输出降低。
JDCF-110电压互感器
概述
电容式电压互感器系列产品适用于户外额定电压110kV,额定频率50Hz的中性点有效接地系统中作电压、电能测量及继电保护,并可兼作载波通讯;佳吉电气
该产品由电容分压器的中压端子直接引入装有电磁单元由中间变压器、补偿电抗器和阻尼器组成;
电容分压器由瓷套、电容芯子、电容器油和金属膨胀器组成。
电容器芯子由若干个膜纸复合介质与铝箔卷绕的元件串连而成,经真空浸渍处理。
瓷套内灌注电容器油,并装有金属膨胀器补偿油体积随温度的变化;
该系列互感器采用速饱和阻尼装置,瞬变响应速度快并能可靠地阻尼铁磁谐振;
二次出线盒内带有载波通讯端子,并带有过电压保护间隙;
油箱外有油位表、出线盒、铭牌、放油塞、接地座;
产品优化了密封结构,具有良好的密封性能。
使用环境
环境温度最高气温:+40℃最低气温:-30℃日平均气温不超过+30℃(可提供特殊要求产品)主要技术参数
订货时请注明:产品型号额定电压、准确级及其它要求外形尺寸图。
110k V电容式电压互感器招标编号:40-B284C-D05货物需求一览表1总则✧本技术条件的使用范围为110kV金银湖变电站110kV电容式电压互感器。
它包括110kV电容式电压互感器本体及辅助设备的功能设计、结构、性能、安装等方面的技术要求。
✧本技术条件书提出的是最低限度的技术要求,并未对一切技术细节做出规定,也未充分引述有关标准和规范的条文。
承包方应提供符合本技术条件书和国家标准及行业标准的产品。
✧本技术条件书为订货合同的附件,与合同正文具有同等效力。
✧投标者应生产过三套或以上同类产品,并已成功运行3年及以上;应通过ISO9000认证。
1.1 标准合同设备应至少符合且不限于以下最新版的国家标准:GB/T 4703 电容式电压互感器GB/T 558 高压电力设备外绝缘污秽等级GB 311.1 高压输变电设备的绝缘配合GB311.2~311.6 高电压试验技术GB 5583 互感器局部放电测量GB 11604 高压电器设备无线电干扰测试方法GB/T 13540 高压开关设备地震性能试验GB/T 4705 耦合电容器及电容分压器GB 507 绝缘油介电强度测定法GB 2536 变压器油1.2 投标书中应提供的资料投标商应在投标书中提供下列技术文件资料:(1)产品两部鉴定文件;(2)技术数据表和有关技术资料,详见附录3;(3)设备外形尺寸图、组装图;(4)型式试验报告;(5)同类设备的成功供货记录(具有设备简要参数、安装地点名称、投运时间、运行情况的记录);(6)与评标有关的其他技术文件资料。
1.3 备品备件、专用工器具和仪表投标商应提供随设备配备的备品备件、专用工具和仪表,并列入附录1和附录2。
1.4 技术文件中标商在签订合同后必须向买方和设计单位提供下列技术文件资料:1.4.1 图纸:a、组装图:应表示设备总的装配情况,包括外形尺寸、设备的重心位置与总重量、油重;绝缘子或瓷套的爬电距离、干弧距离;受风面积、固有频率;一次接线端子板位置、大小尺寸、材料及允许的作用力(三个方向);运输尺寸和重量;二次端子箱位置、电缆入口位置等。
b、基础图:应标明设备的尺寸、底座固定螺栓的位置和尺寸、接地螺栓的位置和尺寸。
c、铭牌图:应包括主要额定数据、出厂编号、重量等。
d、其它⑴标明二次端子箱中所有端子的接线图⑵在各种过电压状态下的温度、时间特性曲线族⑶电容分压器的介损-温度校正曲线1.4.2 组装后设备的机械强度计算报告1.4.3 说明书应包括下列内容:a、安装、运行、维护和全部附件的完整说明和数据b、铁芯的照片c、额定值和特性资料d、所有附件的全部部件序号的完整资料e、例行试验数据f、表示设备的结构图以及对基础的技术要求g、其它适用的资料和说明h、设备外购件结构、调试方法及说明1.4.4 试验报告例行试验报告(包括主要部件和外购件)。
1.5 文件发送1.5.1 图纸的交付和时间1.5.2 在合同签字之日起4周内,卖方应将图纸和资料发送给有关单位。
1.5.3 在设备装运前1周,卖方应将说明书及试验报告发送给有关单位。
1.5.4 每台设备应附有3套安装说明及试验报告并随设备一起发送。
要求的技术文件份数及发送单位2技术要求2.1 使用环境条件2.1.1 安装地点:户外或户内。
2.1.2 海拔高度:1000m及以下。
2.1.3 最大风速:35m/s(距地10m高10min平均最大风速)2.1.4 月平均最大相对湿度;90%(在25℃时)2.1.5 最高环境温度:+40℃2.1.6 最低环境温度:-25℃2.1.7 最大日温差:25℃2.1.8 日照:0.1W/cm2(风速0.5m/s)2.1.9 覆冰厚度: 10mm应考虑10mm覆冰和17.5m/s风荷载的同时作用(风速为最大风速的50%)。
2.1.9 耐地震能力:地面水平加速度0.2g,地面垂直加速度0.1g,按标准试验,安全系数1.67。
2.1.10 污秽等级: 25mm/kV(均按最高电压计算)。
2.2 一般要求2.2.1 结构型式:户外,单相。
2.2.2 电容式电压互感器所用绝缘油应为新的,并应符合GB2536、507所有要求。
2.2.3 电容式电压互感器应绝对不渗油。
2.2.4 电容式电压互感器套管的颜色应为棕色。
瓷套的伞裙宜为不等径大小伞,瓷套的爬电系数、外形系数、直径系数以及表示伞裙形状的参数应符合IEC815的要求。
2.2.5 瓷套最小有效爬电距离:≥3150 mm。
2.2.6 镀锌和防锈(1)除了非磁性金属之外,所有金属件均应热镀锌,除了靠近或接触地面及混凝土基础上部的镀锌金属件的最小厚度为5mm之外,其他镀锌金属件的最小厚度为3mm;热镀锌应满足有关标准的要求。
(2)镀锌前,须将所有焊渣清除干净。
(3)部件材料应在加工、制造完成后再镀锌。
(4)供货方应提供适当数量的原质油漆,以备安装后现场涂刷。
(5)螺栓、螺帽、垫片均应采用不锈钢材料。
2.3 电气要求2.3.1 主要技术参数(1)额定频率:50Hz(2)最高电压:126kV(3)额定一次电压:110/3kV(4)额定二次电压:a、二次绕组:0.1/3kV(主二次线圈)b、剩余电压绕组:0.1kV(辅助二次线圈)(5)电压比:(110/3)/(0.1/3)/0.1kV(6)中间变压器绕组连接组:I/I-0-0(7)电容分压器总电容额定值:10000PF。
(8)电容偏差:应不超过额定值的-5%或+10%。
(9)耦合电容器的电容温度系数:<5×10-4K-1(10) 额定输出标准值及准确级次 主二次绕组 辅助二次绕组额定输出: 100VA 50VA 准确级次:0.53P主二次绕组及辅助二次绕组应能同时输出额定输出标准值,各绕组极限输出不小于2000VA 。
2.3.2 绝缘水平(1) 电容分压器高压端内绝缘耐压 a 、 全波冲击耐压(1.2/50μs ): 550kV (峰值) b 、 工频1min 耐压:230kV (有效值)(2) 电容分压器低压端交流耐压(1min ) 低压端和接地端之间耐压: 10kV (有效值)若低压端不暴露在大气中,经协商可采用较低试验电压(例如4kV )进行试验。
(3) 中间变压器的交流耐压 a 、 一次绕组高压端耐压(1min )U 2: U 2=1.05×230×C C C kV 112+() C 1—为电容分压器高压电容 C 2—为电容分压器中压电容b 、 一次绕组低压端耐压与2.3.2(b )条相同。
c 、 二次绕组之间及绕组对地的耐压(1min ):3kV (有效值)。
(4) 补偿电抗器接地端子的对地绝缘应符合第2.3.2(b )条的要求。
(5) 瓷套绝缘a 、 全波冲击耐受电压(1.2/50μs ):550kV (峰值)b 、 工频耐受电压(干和湿,1min ):230kV (有效值)2.3.3 电容分压器的介质损耗角正切值(tgδ)在电压为126/3kV下,温度为15~25℃,膜纸介质电容器应不大于0.1%。
供货方应提供介损—温度校正曲线及10kV下的介损值。
2.3.4 允许工频过电压时间(1) 1.1×126/3kV:连续。
(2) 1.2×126/3kV:8h。
(3) 1.3×126/3kV:2h。
(4) 1.5×126/3kV:30s。
2.3.5 局部放电水平对完整的一相电容式电压互感器先预加电压0.8×1.3×126kV保持至少10s,然后降到局部放电测量电压1.1×126/3kV。
在此电压下保持至少1h,局部放电量应不大于10PC。
2.3.6 无线电干扰水平和电晕(1)在1.1×126/3kV下,无线电干扰电压应不大于125μV。
(2)在1.1×126/3kV下,户外晴天夜晚应无可见电晕。
2.3.7 暂态特性仅对继电保护有暂态要求的二次绕组适用。
应满足下列要求,但不仅限于此:(1)将高压端子和接地的低压端子间的电源短路,电压互感器的二次输出电压应在额定频率的一个周期内衰减到短路前峰值的10%以下。
试验应在25%~100%的互感器二次负载下随意(即电压瞬时值为任意)进行10次,或者在一次电压为峰值或过零时各进行两次。
(2)在负荷实际上为零时施加1.2倍最高相电压,电压互感器二次端子短路,然后又突然消除短路,其二次电压峰值应在额定频率10Hz内恢复到短路前的正常值,其差别不大于10%。
进行此项试验的次数应不少于30次。
(3)在1.5倍最高相电压及负荷为零时,电压互感器二次端子短路,然后又突然消除短路,其二次电压回路铁磁谐振持续时间不应超过2S。
进行此项试验的次数应不少于10次。
(4)每台CVT均应装设防止谐振过电压的阻尼器。
如果装设速饱和电抗器则应在1.9倍额定电压下重复项(2)试验。
2.3.8 高频特性(1)耦合电容器载波工作频率范围:30~500kHz(2)在载波频率范围内,耦合电容器的等值串联电阻不大于40Ω。
(3)在载波频率范围内,电容式电压互感器整体分流衰耗不大于1dB并符合IEC标准。
(4)电容式电压互感器低压端对地杂散电容应不大于(300+0.05C N)PF,杂散电导应不大于50μs(C N是电容分压器的额定电容)。
(5)耦合电容器应能承受至少1A的稳态高频电流(等效于在400Ω电阻上产生400W功率的电流均方根值)而不发生损坏或性能变化。
2.3.9 剩余电压绕组为降低开口三角的剩余电压,要求出厂时使组成三相互感器的三个剩余电压绕组的变比误差和角误差尽量接近,并在铭牌上表示出这三台互感器的成组编号,提供比差和角差的曲线。
当一次绕组施加三相平衡电压时,开口三角形的剩余电压不得大于1V。
2.3.10 中间变压器的绕组温升限值为60K。
油顶层温升限值为50K。
(充氮全密封结构为55K)在规定电压、额定频率和最大额定负荷下,COSϕ=1时,所有绕组的温升均不允许超过上述规定值。
施加在互感器上的电压值应符合以下规定:(1)均应在1.2倍最高相电压下进行试验,直到互感器达到稳定的温度为止。
(2)30S下电压倍数为1.5的互感器,应在施加1.2倍最高相电压达到稳定状态后,立即以1.5倍最高相电压试验30S,各绕组温升不应超过70K。
这种互感器也可以从冷态开始,以1.5倍最高相电压试验30S,绕组温升不应超过10K。
2.4 机械强度要求2.4.1 电容式电压互感器应配备平板型端子板。
允许作用于其上的静态机械荷载如下,其安全系数应不小于2.75。
水平纵向:1500N垂直方向:500N水平横向:700N2.4.2 组装好的每台电容式电压互感器应能承受如下持续和短时组合荷载。