EVR400-24高压直流继电器 电动汽车继电器 EV YMTech YM
- 格式:xls
- 大小:316.00 KB
- 文档页数:6
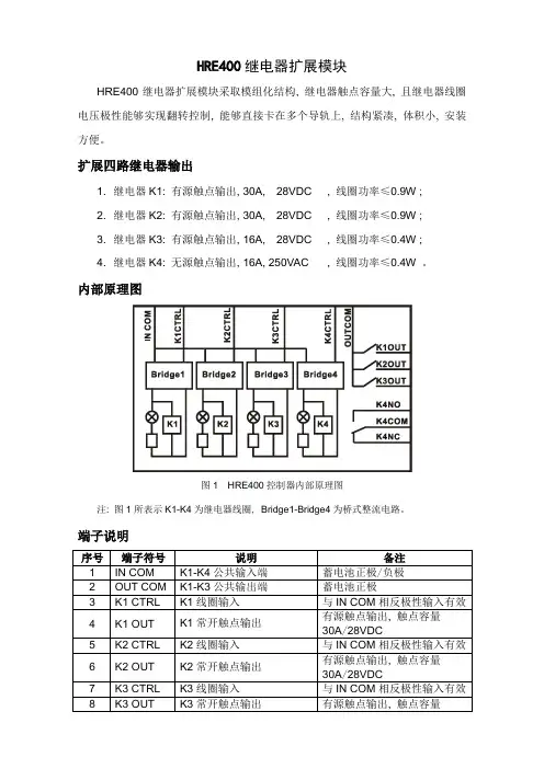
HRE400继电器扩展模块HRE400继电器扩展模块采取模组化结构, 继电器触点容量大, 且继电器线圈电压极性能够实现翻转控制, 能够直接卡在多个导轨上, 结构紧凑, 体积小, 安装方便。
扩展四路继电器输出1. 继电器K1: 有源触点输出, 30A, 28VDC , 线圈功率≤0.9W ;2. 继电器K2: 有源触点输出, 30A, 28VDC , 线圈功率≤0.9W ;3. 继电器K3: 有源触点输出, 16A, 28VDC , 线圈功率≤0.4W ;4. 继电器K4: 无源触点输出, 16A, 250VAC , 线圈功率≤0.4W 。
内部原理图图1 HRE400控制器内部原理图注: 图1所表示K1-K4为继电器线圈, Bridge1-Bridge4为桥式整流电路。
端子说明16A /28VDC9 K4 CTRL K4线圈输入 与IN COM 相反极性输入有效 10 K4 NC K4常闭触点输出 无源触点输出, 触点容量 16A /250VAC11 K4 COM K4公共点12 K4 NO K4常开触点输出表1 HRE400控制器端子说明表格经典接线图Ⅰ 继电器控制线圈公共端接蓄电池正极图2 HRE400控制器经典接线图ⅠⅡ 继电器控制线圈公共端接蓄电池负极图3 HRE400控制器经典接线图Ⅱ注: 图2、 图3所表示B+为蓄电池正极, B-为蓄电池负极, K1-K4为带有桥式整流电路继电器模块。
当K1-K4输入端口3、 5、 7、 9控制信号导通时, 对应输出端口4、 6、 8、 12分别吸合输出, 其中, 端口12吸合输出同时端口10断开。
外形尺寸图图4 HRE400控制器外形尺寸图注: 如图4所表示, 当继电器K1-K4控制线圈加电成功后, 红色指示灯会对应点亮。
订货时请注明12V或24V。
反相保护继电器采用面板式安装,高雅、亮丽的外观,为低压电控装置提升档次。
相序保护器、过欠压保护器等)主要用于交流50/60Hz,400V)、440V(460V)、660V等电压级别的各种故障检测,对三相输入电源的电压过高、电压过低、断相、错相(逆相序)、三相电压不平衡等提供继电保复位方式:相序、缺相故障手动复位;不平衡、过欠压故障自动复位,也可按复位键手动复位。
断电后故障锁存功能。
JL-410反相保护继电器功能选型反相保护继电器按功能的组合分以下四个系列,每个系列都有不同电压等级的产品。
●表示具有该功能 ○表示不具有该功能反相保护继电器不同电压等级的产品选型产品选型举例1. 如用户需要全部保护功能(过电压保护、欠电压保护、缺相保护、三相电压不平衡保护、相序保护),使用于380V 电压,那所选择的反相保护继电器产品型号,应该为JL-410。
2. 如用户只需要相序保护,缺相保护两种功能,使用于煤矿660V 的电压,那所选的反相保护继电器产品型号应该为JL-411-60。
JL-410反相保护继电器功能描述:1、过压保护:当电网电压大于设定值时启动该项保护功能,动作门限值设定范围OFF-390-490V ,动作方式为定时限,动作时间设置范围0.1-25s 。
保护动作后电网电压恢复到小于设定值10V 以上时,保护器自动复位,也可按复位键手动复位。
用户可选择是否启用该项保护功能。
2、欠压保护:当电网电压小于设定值时启动该项保护功能,动作门限值设定范围300-370V-OFF ,动作方式为定时限,动作时间设置范围0.1-25s 。
保护动作后电网电压恢复到大于设定值10V 以上时,保护器自动复位,也可按复位键手动复位。
用户可选择是否启用该项保护功能。
3、三相电压不平衡保护:当电网电压三相不平衡度大于设定值时启动该项保护功能,不平衡度动作门限值设定范围OFF-5-30%,动作方式为定时限,动作时间设置范围1-25s 。
EV继电器在电动汽车及混合动力汽车的应用
摘要:随着科技的进步,新能源汽车已经开始融入到人们的生活中。
新能源汽车中所必需的电子元器件中,EV继电器和HEV继电器是新能源汽车的重要组成部分。
接下来盛泰科技小编为您介绍EV继电器的应用。
关于EV继电器
小型・轻量・高电压阻断,通过对触点部封入电弧冷却能力高的氢气,实现了高直流电压的短间隙切断,同时实现了继电器的小型化和轻量化。
通过触点部用磁灭弧的防爆结构,使得电弧不会向外泄露,实现了高安全性。
高接触可靠性,触点部封入在氢气中,因此触点不会氧化,并实现了触点部的防尘性和防水性。
EV继电器的基本构造
EV继电器主要有八个组成部分:可动触点、固定触点、容器盒、主端子、密封触点区域、氢混合气体、永久磁铁、本体。
遮断机械装置
EV、HEV(PHEV)上EV继电器的使用示例
总结:随着科技的快速发展,EV继电器也在不断升级,以满足全国电动汽车、混合动力汽车的发展需求。
盛泰科技作为TE授权代理商,在全国范围内为新能源汽车的生产提供优质的资源供给服务。
赫森电气
赫森电气(无锡)有限公司坐落于享誉“太湖明珠”之城-无锡,由加拿大赫森电能研究所EV 熔断器
赫森电气(无锡)有限公司专注于超快速半导体设备保护与光伏熔断器的研发、制造、销售和服务的专业厂家。
通过不断的研究、开发以及大量的实践,终于在大功率电动汽车电池组与充电、轨道交通、航天器UPS 电源、光伏发电等电力系统保护领域获得成果。
下面我来介绍一下我公司的产品,EV 熔断器。
800VDC/AC, Amps:35-600A
可携带微动信号或监测模块
赫森电气
赫森电气
赫森电气(无锡)有限公司坐落于享誉“太湖明珠”之城-无锡,由加拿大赫森电能研究所800V Time Current Curve
时间电流曲线
赫森电气
赫森电气(无锡)有限公司坐落于享誉“太湖明珠”之城-无锡,由加拿大赫森电能研究所
赫森电气
赫森电气(无锡)有限公司坐落于享誉“太湖明珠”之城-无锡,由加拿大赫森电能研究所Peak Let-Through 800V
功率损耗修正系数曲线
赫森电气
赫森电气(无锡)有限公司坐落于享誉“太湖明珠”之城-无锡,由加拿大赫森电能研究所
赫森成功独创出包括全球纳米材料固化技术、设计领域产品结构与工艺,使产品体积缩小70%,800VDC,60KA 的分断能力测试值,超过国际IEC 、美国UL 、德国VDE 等标准的700%。
可携带微动开关或远程监测模块,是UL 美国安全试验所认证产品。
如有意者,欢迎随时咨询!。
yl-224-a-s-12vdc大功率继电器说明书功率继电器是一种在输入量(或激励量)满足某些规定的条件时,能在一个或多个电器输出电路中产生跃变的一种器件,并可用于中性点直接接地系统,作为零序电流保护的方向元件。
它的应用广泛,今天我们就来谈谈欧姆龙小型功率继电器的应用及工作原理吧。
在家电产品中的应用如空调等经常使用功率继电器,较常见的有OMRON公司的G4A型等等。
而近年来大功率的家用电器发展迅速,如电热水器,饮水机等都用到这类继电器。
1.额定工作电压或额定工作电流:这是指大功率工作时线圈需要的电压或电流。
一种型号的的构造大体是相同的。
为了适应不同电压的电路应用,一种型号的大通常有多种额定工作电压或额定工作电流,并用规格型号加以区别。
EVK Series/系列 (1000 Vdc, 15-600A) Electric Vehicle Fuses 新能源车用熔断器EVK series/系列 (1000 Vdc, 15-600A)2Electric Vehicle Fuses —EVK series (1000 Vdc, 15-600A)新能源车用熔断器 — EVK 系列 (1000 Vdc, 15-600A)Eaton’s Bussmann series Electric Vehicle (EV) full range fuses for the protection of high power and auxiliary electrical systems up to 1000 Vdc in ratings from 15 to 600 amps.伊顿Bussmann 系列EV 级车用熔断器可提供主回路及辅助支路系统的全范围保护,电压达到1000V 直流,电流可以从15A 到600A.Specifications /参数:• Volts / 电压: 1000 Vdc • Amps / 电流: 15-600 A• Interrupting rating / 分断能力: Max / 最大25kA• Time constant / 时间常数: 2±0.5ms• Ambient temperature / 环境温度: -40 ~ 125ºCEVK series/系列 (1000 Vdc, 15-600A)Features /性能:• Excellent design and application experiences with EV for decades, to serve the customers globally在EV 行业内,优秀的产品设计能力和长期的应用经验,服务于世界范围内众多用户• Comply with various international and field EV application standards worldwide符合世界范围及行业内多项EV 熔断器产品标准• Higher voltage rating provides overall system with moreefficient and economical solution while meeting the needs of higher voltage battery packs在满足高压直流电池系统应用的同时,提供给系统更有效且经济的产品方案• Higher interrupting rating projects high capacity batterypacks needed for vehicle long mileage and fast acceleration requirements具有更高的分断能力,适合大容量电池系统的应用,满足车辆长续航和急加速的使用要求• To help project the life of the fuse in the application, unique driving profiles and conditions can be simulated to verify proper fuse size and performance under a wide range of driving behaviors提升了熔断器在使用过程中的寿命,在各种驾驶工况条件下,根据工况条件进行模拟和计算得出合理的参数规格• Operation as low as 135% for 15A to 200A and 200% for 225A to 600A overload provides back up protection to the battery management system能够对电池系统提供135%(15A 到200A )或200%(225A 到600A )的低电流过载保护• More wider protection range with lower MBC and higher IR, much faster opening with low temperature rise under high fault current conditions helps assure reliable protection of circuits and components更低的最小熔断电流值MBC 和更高的最大分断电流值IR ,使得产品具有更广的电流保护范围;更快的熔断速度和较低的产品温升,使得产品在线路发生故障时能提供可靠的保护Catalog symbol / 型号:EVK10-(amp)-T bolt-on /螺栓固定EVK14-(amp)-T bolt-on /螺栓固定EVK22-(amp)-T bolt-on /螺栓固定EVK25-(amp)bolt-on /螺栓固定EVK30-(amp)bolt-on /螺栓固定EVK40-(amp)bolt-on /螺栓固定EVK50-(amp)bolt-on /螺栓固定EVK60-(amp)bolt-on /螺栓固定Basic information /基本信息:P/N / 型号Current / 电流 (A)Packing quantity/包装数量(per container/每包装)Screw / 螺栓Recommended tightening torque /推荐扭矩 (N.m)EVK10-XXX-T 15202530270M5 4.5±1EVK14-XXX-T 35405075M5 4.5±1EVK22-XXX-T 607080100M69±1EVK25-XXX 708090100195M812±1EVK30-XXX 12515017520075M812±1EVK40-XXX 22525027530085M1020±1EVK50-XXX 35040028M1020±1EVK60-XXX45050055060018M1020±1Electric Vehicle Fuses — EVK series (1000 Vdc, 15-600A)新能源车用熔断器 — EVK 系列 (1000 Vdc, 15-600A)3Agency information /相关标准信息:• Designed to / 符合标准: UL248-20 / ISO8820-8 / JASO D622• Manufactured under ITAF16949/VDA6.3 quality system for compliance with automotive requirements在 ITAF16949/VDA6.3 质量系统下制造,符合汽车标准要求• RoHS compliant 符合RoHS 要求• REACH declaration available upon request 根据需要可提供REACH 声明Packaging and installation suggestion / 包装和安装建议:Installation method diagram 安装方式图See below table and right diagram / 见下表及右图The installation surface should be flat and clean without oil stain, etc安装表面应平整、洁净、无油污等EVK series/系列 (1000 Vdc, 15-600A)Dimensions /尺寸: mmSize 系列Current Rating 额定电流(A)A B C D E F G H J EVK1435 ~ 505163.57714.3 5.58120.815.1EVK2260 ~ 8058759022.26.5916123.2EVK14 / EVK22Electric Vehicle Fuses — EVK series (1000 Vdc, 15-600A)新能源车用熔断器 — EVK 系列 (1000 Vdc, 15-600A)4EVK10EVK series/系列 (1000 Vdc, 15-600A)Size 系列Current Rating 额定电流(A)A B C D E F G H EVK2570 ~ 10072.29311025.491119 2.2EVK30125 ~ 20072.29311031911253EVK40225 ~ 30072.210012238.1111328 3.5EVK50350 ~ 40072.210012250.81113285EVK60450 ~ 60072.210012263.51113406EVK25 / EVK30 / EVK40 / EVK50 / EVK60Electric Vehicle Fuses — EVK series (1000 Vdc, 15-600A)新能源车用熔断器 — EVK 系列 (1000 Vdc, 15-600A)5EVK series/系列 (1000 Vdc, 15-600A)0.00010.0010.010.111010010001000010100100010000Prospective Current in Ampere r.m.s.V i r t u a l p r e a r c i n g T i m e (s )T -C curve / 曲线Electric vehicle auxiliary fuses /新能源车用辅助支路熔断器 — EVK10-XXX-T (1000 Vdc, 15-30A)Voltage rating电压 (V)Current rating 额定电流 In(A)Pre-arcing I 2t 弧前 I 2t 值(A 2s)Total I 2t 总I 2t 值(A 2s)Power dissipationat 1.0 I n1.0 I n (W)时功率损耗Power dissipationat 0.5 I n0.5 I n (W)时功率损耗1000Vdc15120700 2.80.6202271,200 3.70.7254802,20040.8306773,4004.91Electric Vehicle Fuses — EVK series (1000 Vdc, 15-600A)新能源车用熔断器 — EVK 系列 (1000 Vdc, 15-600A)6EVK series/系列 (1000 Vdc, 15-600A)T -C curve /曲线Electric vehicle auxiliary fuses /新能源车用辅助支路熔断器 — EVK14-XXX-T (1000 Vdc, 35-50A)Voltage rating电压 (V)Current rating 额定电流 In(A)Pre-arcing I 2t 弧前 I 2t 值(A 2s)Total I 2t 总I 2t 值(A 2s)Power dissipationat 1.0 I n1.0 I n (W)时功率损耗Power dissipationat 0.5 I n0.5 I n (W)时功率损耗1000Vdc354152,1007.5 1.9406203,0008.22501,2305,5009.22.30.00010.0010.010.111010010001000010100100010000Prospective Current in Ampere r.m.s.V i r t u a l p r e a r c i n g T i m e (s )Electric Vehicle Fuses — EVK series (1000 Vdc, 15-600A)新能源车用熔断器 — EVK 系列 (1000 Vdc, 15-600A)7EVK series/系列 (1000 Vdc, 15-600A)Voltage rating电压 (V)Current rating 额定电流 In(A)Pre-arcing I 2t 弧前 I 2t 值(A 2s)Total I 2t 总I 2t 值(A 2s)Power dissipationat 1.0 I n1.0 I n (W)时功率损耗Power dissipationat 0.5 I n0.5 I n (W)时功率损耗1000Vdc603,0009,60012.2 2.4704,68815,00013.4 2.7806,05019,40015.93.2T -C curve /曲线Electric vehicle power fuses /新能源车用主回路熔断器 —EVK22-XXX-T (1000 Vdc, 60-80A)0.00010.0010.010.111010010001000010100100010000Prospective Current in Ampere r.m.s.V i r t u a l p r e a r c i n g T i m e (s )Electric Vehicle Fuses — EVK series (1000 Vdc, 15-600A)新能源车用熔断器 — EVK 系列 (1000 Vdc, 15-600A)8EVK series/系列 (1000 Vdc, 15-600A)T -C curve /曲线Electric vehicle power fuses /新能源车用主回路熔断器 —EVK25-XXX (1000 Vdc, 70-100A)Voltage rating电压 (V)Current rating 额定电流 In(A)Pre-arcing I 2t 弧前 I 2t 值(A 2s)Total I 2t 总I 2t 值(A 2s)Power dissipationat 1.0 I n1.0 I n (W)时功率损耗Power dissipationat 0.5 I n0.5 I n (W)时功率损耗1000Vdc709083,40021.3 4.3801,3674,90024 4.8901,8616,30026.7 5.31002,4308,30029.65.90.00010.0010.010.111010010001000010100100010000Prospective Current in Ampere r.m.s.V i r t u a l p r e a r c i n g T i m e (s )Electric Vehicle Fuses — EVK series (1000 Vdc, 15-600A)新能源车用熔断器 — EVK 系列 (1000 Vdc, 15-600A)9EVK series/系列 (1000 Vdc, 15-600A)T -C curve /曲线Electric vehicle power fuses /新能源车用主回路熔断器 —EVK30-XXX (1000 Vdc, 125-200A)Voltage rating电压 (V)Current rating 额定电流 In(A)Pre-arcing I 2t 弧前 I 2t 值(A 2s)Total I 2t 总I 2t 值(A 2s)Power dissipationat 1.0 I n1.0 I n (W)时功率损耗Power dissipationat 0.5 I n0.5 I n (W)时功率损耗1000Vdc1251,6596,00033.68.4150 2.4789,00040.310.11754,42714,00042.410.62006,27221,00046.911.70.00010.0010.010.1110100100010000100100010000100000Prospective Current in Ampere r.m.s.V i r t u a l p r e a r c i n g T i m e (s )Electric Vehicle Fuses — EVK series (1000 Vdc, 15-600A)新能源车用熔断器 — EVK 系列 (1000 Vdc, 15-600A)10EVK series/系列 (1000 Vdc, 15-600A)T -C curve /曲线Electric vehicle power fuses /新能源车用主回路熔断器 — EVK40-XXX (1000 Vdc, 225-300A)Voltage rating电压 (V)Current rating 额定电流 In(A)Pre-arcing I 2t 弧前 I 2t 值(A 2s)Total I 2t 总I 2t 值(A 2s)Power dissipationat 1.0 I n1.0 I n (W)时功率损耗Power dissipationat 0.5 I n0.5 I n (W)时功率损耗1000Vdc2257,16224,00068.713.72509,03229,00078.715.727511,79635,00083.316.730015,26443,00087.117.40.00010.0010.010.1110100100010000100100010000100000Prospective Current in Ampere r.m.s.V i r t u a l p r e a r c i n g T i m e (s )Electric Vehicle Fuses — EVK series (1000 Vdc, 15-600A)新能源车用熔断器 — EVK 系列 (1000 Vdc, 15-600A)11EVK series/系列 (1000Vdc, 15-600A)Voltage rating电压 (V)Current rating 额定电流 In(A)Pre-arcing I 2t 弧前 I 2t 值(A 2s)Total I 2t 总I 2t 值(A 2s)Power dissipationat 1.0 I n1.0 I n (W)时功率损耗Power dissipationat 0.5 I n0.5 I n (W)时功率损耗1000Vdc35019,11769,00089.317.940028,64797,00096.219.2T -C curve /曲线Electric vehicle power fuses /新能源车用主回路熔断器 — EVK50-XXX (1000 Vdc, 350-400A)0.00010.0010.010.1110100100010000100100010000100000V i r t u a l p r e a r c i n g T i m e (s )-Prospective Current in Ampere r.m.s.Electric Vehicle Fuses — EVK series (1000 Vdc, 15-600A)新能源车用熔断器 — EVK 系列 (1000 Vdc, 15-600A)12EVK series/系列 (1000 Vdc, 15-600A)T -C curve /曲线Electric vehicle power fuses /新能源车用主回路熔断器 —EVK60-XXX (1000 Vdc, 450-600A)Voltage rating电压 (V)Current rating 额定电流 In(A)Pre-arcing I 2t 弧前 I 2t 值(A 2s)Total I 2t 总I 2t 值(A 2s)Power dissipationat 1.0 I n1.0 I n (W)时功率损耗Power dissipationat 0.5 I n0.5 I n (W)时功率损耗1000Vdc45032,604104,000113.128.350040,011120,000129.632.455053,268149,000139.634.960067,948177,000154.838.70.00010.0010.010.1110100100010000100100010000100000V i r t u a l p r e -a r c i n g T i m e (s )Prospective Current in Ampere r.m.s.Electric Vehicle Fuses — EVK series (1000 Vdc, 15-600A)新能源车用熔断器 — EVK 系列 (1000 Vdc, 15-600A)13EVK series/系列 (1000 Vdc, 15-600A)Electric vehicle power fuses /新能源车用主回路熔断器 — EVK series (1000 Vdc, 15-600A)Power loss curve /功率损耗曲线T emperature derating curve /温度降容曲线00.10.20.30.40.50.60.70.80.91010203040506070809100P O W E R L O S S C O R R E C T I O N F A C T O R %O FR ATED CURRENTPower loss curveElectric Vehicle Fuses — EVK series (1000 Vdc, 15-600A)新能源车用熔断器 — EVK 系列 (1000 Vdc, 15-600A)14Note:Electric Vehicle Fuses — EVK series (1000 Vdc, 15-600A)新能源车用熔断器— EVK 系列 (1000 Vdc, 15-600A)15EVK series/系列 (1000 Vdc, 15-600A)Eaton’s mission is to improve the quality of life and the environment through the use of power management technologies and services. We provide sustainable solutions that help our customers effectively manage electrical, hydraulic, and mechanical power – more safely, more efficiently, and more reliably. Eaton’s 2020 revenues were $17.9 billion, and we sell products to customers in more than 175 countries. We have approximately 94,000 employees.Eaton began operation in China more than 20 years ago. Since entering the Chinese market in 1993, Eaton’s presence has grown significantly in the country. In 2004, Eaton moved its Asia Pacific headquarters from Hong Kong to Shanghai.In the Greater China region, Eaton has nearly 9,800 employees,29 manufacturing bases and 5 R&D centers. T oday, we make most products for all of Eaton’s distinct business here.For more information about the company, visit For more information about Eaton China, visit Eaton China official social media account: Eaton_China伊顿公司致力于通过运用动力管理技术和服务来改善人类生活品质并提升环境质量。
继电器产品手册Relay Product Catalog比亚迪股份有限公司BYD COMPANY LIMITED比亚迪创立于1995年,从1995年创业时的外租厂房,到2016年年底,比亚迪在全球已建成22个生产基地,占地面积逾1,800万平方米;并在美国、欧洲、日本、韩国、印度、中国台湾、中国香港等地设有分公司或办事处。
是一家横跨IT、汽车、新能源和轨道交通四大产业,并在香港和深圳两地上市的高新技术企业。
比亚迪稳居全球第一大充电电池生产商地位,镍镉电池、手机锂电池出货量全球第一,比亚迪汽车已快速成长为最具创新的新锐民族自主汽车品牌,更以独特技术领先全球电动车市场。
惠州比亚迪电池是比亚迪集团的子公司,其中CPF工厂自2007年开始致力于高压继电器开发,形成了一批专业的继电器研发团队,50%以上的工程师拥有5年以上的从业经验,2008年底形成以电容器和继电器为主的研发生产线,产品服务于电动车、燃油车、太阳能电池等多个领域,2010年业务再次拓展,形成以电容器、继电器、FUSE、陶瓷盖板为主的产品供应链。
2017年公司新政放开产品外推,比亚迪继电器、电容器、熔断器等车用零部件在市场逐步亮相。
我们秉承“技术为王,创新为本的理念”,坚定前进的步伐,构筑绿色梦想!网址:电话:0752-*******-68863客服邮箱:cpfservice@ApplicationCustomers 电动车移动储能电站电动叉车电动车充电站充电桩电动大巴电池包电机控制器/配电箱网址:电话:0752-*******-68863客服邮箱:cpfservice@CertificationTS16949证书TUV 证书我司继电器产品目前已通过了TS 、3C 、TUV 等专业机构认证,大量应用于新能源产品领域,获得了国内客户的高度认可。
3C 证书网址: 电话:0752-*******-68863客服邮箱:cpfservice@Selection Guide网址:电话:0752-*******-68863客服邮箱:cpfservice@❑线路图Circuit diagram1.无线路板继电器2.含线路板继电器❑产品型号Product model常规触点系列触点规格线圈额定电压产品型号触点规格线圈额定电压产品型号40A DC12V/24V EVR40CI/EVR40CI-A200A DC12/24V EVR200CPE50A DC12V/24V EVR50CI/50CI-A250A DC12V/24V EVR250CE/EVR250CE-A 80A DC12V/24V EVR80CI/EVR80CI-A300A DC12V/24V EVR300CE/EVR300CE-A 80A DC12V/24V EVR80CI-1/EVR80CI-A-1300A DC12/24V EVR300CPI100A DC12V/24V EVR100CI/EVR100CI-A300A DC12/24V EVR300CPI-1120A DC12V/24V EVR120CI/EVR120CI-A300A DC12/24V EVR300CPE120A DC12V/24V EVR120CI-2/EVR120CI-A-2300A DC12/24V EVR300CPE-1150A DC12V/24V EVR150CI/EVR150CI-A300A DC12/24V EVR300CES-A150A DC12V/24V EVR150CI-2/EVR150CI-A-2400A DC12/24V EVR400CPI-1200A DC12V/24V EVR200CE/EVR200CE-A400A DC12/24V EVR400CI-2-A200A DC12V/24V EVR200LE/EVR200LE-A400A DC12/24V EVR400CI-2200A DC12/24V EVR200CPI辅助触点系列触点规格线圈额定电压产品型号触点规格线圈额定电压产品型号100A DC12V/24V EVRA100CI/EVRA100CI-A200A DC12V/24V EVRA200CE/EVRA200CE-A 150A DC12V/24V EVRA150CI/EVRA150CI-A250A DC12V/24V EVRA250CE/EVRA250CE-A 200A DC12V/24V EVRA200LE/EVRA200LE-A300A DC12V/24V EVRA300CE/EVRA300CE-A网址:电话:0752-*******-68863客服邮箱:cpfservice@❑线路图Circuit diagram1.无线路板继电器2.含线路板继电器❑产品型号Product modelEV系列触点规格线圈额定电压产品型号触点规格线圈额定电压产品型号50A DC12V/24V EV50/EV50-A200A DC12V/24V EV200/EV200-A 100A DC12V/24V EV100/EV100-A300A DC12/24V EV300/EV300-A 135A DC12V/24V EV135/EV135AEVRP系列触点规格线圈额定电压产品型号触点规格线圈额定电压产品型号50A DC12V/24V EVRP50/EVRP50-A150A DC12V/24V EVRP150/EVRP150-A 100A DC12V/24V EVRP100/EVRP100-A200A DC12V/24V EVRP200/EVRP200-A 135A DC12V/24V EVRP135/EVRP135-A300A DC12/24V EVRP300/EVRP300-A隔断系列触点规格线圈额定电压产品型号触点规格线圈额定电压产品型号200A DC12/24V EVR200CPIS300A DC12/24V EVR300CPES启停系列触点规格线圈额定电压产品型号触点规格线圈额定电压产品型号200A DC12V EV12200T200A DC12V EV12200M网址:电话:0752-*******-68863客服邮箱:cpfservice@触点规格产品型号线圈额定电压吸合电压释放电压动作电流[±10%]消耗功率[±10%]最大容许电压40A EVR40CI DC12V≤9V1-3V0.25A 3.0W DC16V EVR40CI-A DC24V≤18V2-6V0.13A 3.1W DC32V50A EVR50CI DC12V≤9V1-3V0.25A 3.0W DC16V EVR50CI-A DC24V≤18V6-2V0.25A 3.0W DC32V EV50DC12V≤9V1-4.8V0.44A 5.28W DC16V EV50-A DC24V≤18V2-6V0.24A 5.76W DC32V EVRP50DC12V≤9V1-4.8V0.44A 5.28W DC16V EVRP50-A DC24V≤18V2-6V0.24A 5.76W DC32V80A EVR80CI DC12V≤9V1-4.8V0.39A 4.68W DC16V EVR80CI-A DC24V≤18V2-8V0.19A 4.56W DC32V EVR80CI-1DC12V≤9V1-4.8V0.375A 4.5W DC16V EVR80CI-A-1DC24V≤18V2-8V0.175A 4.2W DC32V100A EVR100CI DC12V≤9V1-4.8V0.39A 4.68W DC16V EVR100CI-A DC24V≤18V2-8V0.19A 4.56W DC32V EVRA100CI DC12V≤9V1-4.8V0.2-0.6A 2.4-7.2W DC16V EVRA100CI-A DC24V≤18V2-8V0.1-0.3A 2.4-7.2W DC32V EV100DC12V≤9V1-4.8V0.44A 5.28W DC16V EV100-A DC24V≤18V2-6V0.24A 5.76W DC36V EVRP100DC12V≤9V1-4.8V0.44A 5.28W DC16V EVRP100-A DC24V≤18V2-6V0.24A 5.76W DC36V120A EVR120CI DC12V≤9V1-4.8V0.39A 4.68W DC16V EVR120CI-A DC24V≤18V2-8V0.19A 4.56W DC32V EVR120CI-2DC12V≤9V1-4.8V0.375A 4.5W DC16V EVR120CI-A-2DC24V≤18V2-8V0.175A 4.2W DC32V135A EVRP135DC12V≤9V1-4.8V0.44A 5.28W DC16V EVRP135-A DC24V≤18V2-6V0.44A 5.76W DC36V150A EVR150CI DC12V≤9V1-4.8V0.55A 6.6W DC16V EVR150CI-A DC24V≤18V2-8V0.26A 6.3W DC32V EVR150CI-2DC12V≤9V1-4.8V0.375A 4.5W DC16V EVR150CI-A-2DC24V≤18V2-8V0.175A4,.2W DC32V EVRA150CI DC12V≤9V1-4.8V0.2-0.6A 2.4-7.2W DC16V EVRA150CI-A DC24V≤18V2-8V0.1-0.3A 2.4-7.2W DC32V EVRP150DC12V≤9V1-4.8V0.484A 5.76W DC16V EVRP150-A DC24V≤18V2-6V0.27A 6.472W DC32V200A EVR200CE DC12V≤9V1-4.8V0.73A8.76W DC16VEVR200CE-A DC24V≤18V2-8V0.38A9.12W DC32VEVR200LE DC12V≤9V1-4.8V0.632A7.579W DC16VEVR200LE-A DC24V≤18V2-8V0.348A8.348W DC32VEVR200CPI DC12/24V≤9V1-4.8V12V接通时(0.2S):0.88A12V稳定时: 0.12A12V接通时(0.2S):10.56W24V接通时(0.2S):1.78A24V稳定时: 0.09A24V接通时(0.2S):42.72WEVR200CPE DC12/24V≤9V1-4.8V12V接通时(0.2S):0.88A12V稳定时: 0.08-0.12A12V接通时(0.2S):10.56W24V接通时(0.2S):1.78A24V稳定时: 0.06-0.1A24V接通时(0.2S):42.72W EVRA200LE DC12V≤9V1-4.8V0.632A7.579W DC16V EVRA200LE-A DC24V≤18V2-8V0.348A8.348W DC32V EVRA200CE DC12V≤9V1-4.8V0.7A8.47W DC16V EVRA200CE-A DC24V≤18V2-8V0.38A9.12W DC32VEV200DC12V≤9V1-4.8V0.484A 5.76W DC16VEV200-A DC24V≤18V2-6V0.27A 6.472W DC32V EVRP200DC12V≤9V1-4.8V0.484A 5.76W DC16V EVRP200-A DC24V≤18V2-6V0.27A 6.472W DC32VEVR200CPIS DC12/24V≤9V1-4.8V12V接通时(0.2S):0.98A12V稳定时: 0.1-0.13A12V接通时(0.2S):11.76W24V接通时(0.2S):2A24V稳定时: 0.07-0.09A24V接通时(0.2S):48WEV12200T DC12V<9V>1V\7.2W DC16VEV12200M DC12V≤8V≤8V\7.2W DC16V 网址:电话:0752-*******-68863客服邮箱:cpfservice@触点规格产品型号线圈额定电压吸合电压释放电压动作电流[±10%]消耗功率[±10%]最大容许电压250A EVR250CE DC12V≤9V1-4.8V0.73A8.76W DC16V EVR250CE-A DC24V≤18V2-8V0.38A9.12W DC32V EVRA250CE DC12V≤9V1-4.8V0.4-0.9A 4.8-10.8W DC16V EVRA250CE-A DC24V≤18V2-8V0.2-0.5A 4.8-12W DC32V300A EVR300CE DC12V≤9V1-4.8V0.73A8.76W DC16V EVR300CE-A DC24V≤18V2-8V0.38A9.12W DC32VEVR300CPI DC12/24V≤9V1-4.8V12V接通时(0.2S):0.88A12V稳定时:0.08-0.12A12V接通时(0.2S):10.56W12V稳定时:0.96-1.44WDC32V24V接通时(0.2S):1.78A24V稳定时:0.06-0.1A24V接通时(0.2S):42.72W24V稳定时:1.44-2.4WEVR300CPI-1DC12/24V≤9V1-4.8V12V接通时(0.2S):0.88A12V稳定时:0.08-0.12A12V接通时(0.2S):10.56W12V稳定时:0.96-1.44WDC32V24V接通时(0.2S):1.78A24V稳定时:0.06-0.1A24V接通时(0.2S):42.72W24V稳定时:1.44-2.4WEVR300CPE DC12/24V≤9V1-4.8V12V接通时(0.2S):0.88A12V稳定时:0.08-0.12A12V接通时(0.2S):10.56W12V稳定时:0.96-1.44WDC32V24V接通时(0.2S):1.78A24V稳定时:0.06-0.1A24V接通时(0.2S):42.72W24V稳定时:1.44-2.4WEVR300CPES DC12/24V≤9V1-4.8V12V接通时(0.2S):0.9A12V稳定时:0.08-0.12A12V接通时(0.2S):10.8W12V稳定时:0.96-1.44WDC32V24V接通时(0.2S):1.7A24V稳定时:0.06-0.1A24V接通时(0.2S):40.8W24V稳定时:1.44-2.4WEVR300CPES-1DC12/24V≤9V1-4.8V12V接通时(0.2S):0.9A12V稳定时:0.08-0.12A12V接通时(0.2S):10.8W12V稳定时:0.96-1.44WDC32V24V接通时(0.2S):1.7A24V稳定时:0.06-0.1A24V接通时(0.2S):40.8W24V稳定时:1.44-2.4WEVRA300CE DC12V≤9V1-4.8V0.7A8.47W DC16V EVRA300CE-A DC24V≤18V2-8V0.38A9.12W DC32V EV300DC12V≤9V1-4.8V0.484A 5.76W DC16V EV300-A DC24V≤18V2-6V0.27A 6.472W DC32V EVRP300DC12V≤9V1-4.8V0.484A 5.76W DC16V EVRP300-A DC24V≤18V2-6V0.27A 6.472W DC32V400A EVR400CPI DC12/24V≤9V1-4.8V12V接通时(0.2S):0.804A12V稳定时:0.104A12V接通时(0.2S):9.648W12V稳定时:1.248WDC32V24V接通时(0.2S):1.62A24V稳定时:0.07A24V接通时(0.2S):38.88W24V稳定时:1.68WEVR400CPI-1DC12/24V≤9V1-4.8V12V接通时(0.2S):0.804A12V稳定时:0.104A12V接通时(0.2S):9.648W12V稳定时:1.248WDC32V24V接通时(0.2S):1.62A24V稳定时:0.07A24V接通时(0.2S):38.88W24V稳定时:1.68WEVR400CI-2DC12V≤9V1-4.8V0.811A9.73W DC16V EVR400CI-A-2DC24V≤18V2-8V0.48A11.52W DC32V网址:电话:0752-*******-68863客服邮箱:cpfservice@❑产品目录Product catalog40A型40A型50A型图片实物图规格项目EVR40CI/EVR40LI EVR40CI-A/EVR40LI-A EVR50CI/EVR50CI-A 线圈额定电压DC12V DC24V DC12V/24V主触点触点结构一组常开触点一组常开触点一组常开触点额定工作电压范围0-1000VDC0-1000VDC0-1000VDC 短期承载电流65A 15min,100A 2min65A 15min,100A 2min75A 15min,120A 2min 反向切断DC400V -40A(2000次以上)DC400V -40A(2000次以上)DC400V -50A(2000次以上)接触压降0.4V以下(通40A额定电流)0.4V以下(通40A额定电流)0.5V以下(通50A额定电流)电气性能绝缘电阻(初始)100MΩ以上(使用500VDC兆欧表测得,与耐压测试位置相同)100MΩ以上(使用500VDC兆欧表测得,与耐压测试位置相同)100MΩ以上(使用500VDC兆欧表测得,与耐压测试位置相同)耐电压触点间AC 3000V 1min,漏电流≤3mA AC 3000V 1min,漏电流≤3mA AC 3000V 1min,漏电流≤3mA 触点-线圈动作时间≤30ms≤30ms≤30ms释放时间≤15ms≤15ms≤15ms机械性能耐振动三轴向加速度30.8m/s2,5-2000Hz宽带随机振动,每轴向8小时三轴向加速度30.8m/s2,5-2000Hz宽带随机振动,每轴向8小时三轴向加速度30.8m/s2,5-2000Hz宽带随机振动,每轴向8小时耐机械冲击半正弦脉冲11ms,50g加速度,空间每方向10次半正弦脉冲11ms,50g加速度,空间每方向10次半正弦脉冲11ms,50g加速度,空间每方向10次寿命机械寿命20万次以上20万次以上20万次以上电气寿命(阻性负载)400V 40A400V 40A400V 50A7000次以上7000次以上5000次以上使用环境使用环境温度-40~85℃(不结冰,无凝露)-40~85℃(不结冰,无凝露)-40~85℃(不结冰,无凝露)湿度5%~85%RH5%~85%RH5%~85%RH 质量(约g)质量约140g约140g约140g❑产品规格Product StructureEVR40CI/EVR40LI/EVR40CI-A/EVR40LI-A EVR50CI/EVR50CI-A网址:电话:0752-*******-68863客服邮箱:cpfservice@80A型80A 型100A型120A型图片实物图规格项目EVR80CI/EVR80CI-A EVR80CI-1EVR100CI/EVR100CI-A EVR120CI-1线圈额定电压DC12V/24V DC12V DC12/24V DC12V主触点触点结构一组常开触点一组常开触点一组常开触点一组常开触点额定工作电压范围0-1000VDC0-1000VDC0-1000VDC不高于DC1000V短期承载电流120A 900s,180A 200s120A 900s,180A 200s150A 400s,200A 100s225A 400s,200A 100s 反向切断DC400V -80A(1000次以上)DC400V -80A(1000次以上)DC400V -100A(1000次以上)DC400V -100A(1000次以上)接触压降0.04V以下(通80A额定电流)0.04V以下(通80A额定电流)0.05V以下(通100A额定电流)0.05V以下(通100A额定电流)电气性能绝缘电阻(初始)100MΩ以上(使用500VDC兆欧表测得,与耐压测试位置相同)100MΩ以上(使用500VDC兆欧表测得,与耐压测试位置相同)100MΩ以上(使用500VDC兆欧表测得,与耐压测试位置相同)100MΩ以上(使用500VDC兆欧表测得,与耐压测试位置相同)耐电压触点间AC 3000V 1min,漏电流≤3mAAC 3000V 1min,漏电流≤3mAAC 3000V 1min,漏电流≤3mAAC 3000V 1min,漏电流≤3mA 触点-线圈动作时间≤50ms≤50ms≤50ms≤50ms 释放时间≤15ms≤15ms≤15ms≤15ms机械性能耐振动三轴向加速度30.8m/s2,5-2000Hz宽带随机振动,每轴向8小时三轴向加速度30.8m/s2,5-2000Hz宽带随机振动,每轴向8小时三轴向加速度30.8m/s2,5-2000Hz宽带随机振动,每轴向8小时三轴向加速度30.8m/s2,5-2000Hz宽带随机振动,每轴向8小时耐机械冲击半正弦脉冲11ms,50g加速度,空间每方向10次半正弦脉冲11ms,50g加速度,空间每方向10次半正弦脉冲11ms,50g加速度,空间每方向10次半正弦脉冲11ms,50g加速度,空间每方向10次寿命机械寿命20万次以上20万次以上20万次以上20万次以上电气寿命(阻性负载)400V 80A400V 80A400V 100A400V 100A3000次以上3000次以上3000次以上3000次以上使用环境使用环境温度-40~85℃(不结冰,无凝露)-40~85℃(不结冰,无凝露)-40~85℃(不结冰,无凝露)-40~85℃(不结冰,无凝露)湿度5%~85%RH5%~85%RH5%~85%RH5%~85%RH质量(约g)质量约400g约400g约400g约400g ❑产品规格Product StructureEVR80CI/EVR80CI-A/EVR100CI/EVR100CI-A EVR80CI-1/EVR120CI-1网址:电话:0752-*******-68863客服邮箱:cpfservice@120A 型150A 型200A 型图片实物图规格项目EVR120CI/EVR120CI-AEVR150CI/EVR150CI-AEVR200CPI/EVR200CPE/EVR200CPIS线圈额定电压DC12V/24V DC12V/24V DC12/24V 主触点触点结构一组常开触点一组常开触点一组常开触点额定工作电压范围0-1000VDC 0-1000VDC 0-1000VDC短期承载电流225A 200s 400A 40s 225A 200s ,400A 40s 300A 10min ,500A 1.5min 反向切断DC400V -120A(1000次以上)DC400V -150A (1000次以上)DC400VDC -200A (1000次以上)接触压降0.06V 以下(通120A 额定电流)0.075V 以下(通150A 额定电流)0.1V 以下(通200A 额定电流)电气性能绝缘电阻(初始)DC500V 1min ,100M Ω以上(寿命试验后为10M Ω)100M Ω以上(使用500VDC 兆欧表测得,与耐压测试位置相同)100M Ω以上(使用500VDC 兆欧表测得,与耐压测试位置相同)耐电压触点间AC 3000V 1min ,漏电流≤3mAAC 3000V 1min ,漏电流≤3mAAC 3000V 1min ,漏电流≤3mA触点-线圈动作时间50ms≤50ms≤50ms释放时间15ms≤15ms≤15ms机械性能耐振动三轴向加速度30.8m/s2,5-2000Hz 宽带随机振动,每轴向8小时三轴向加速度30.8m/s 2,5-2000Hz 宽带随机振动,每轴向8小时三轴向加速度30.8m/s2,5-2000Hz 宽带随机振动,每轴向8小时耐机械冲击半正弦脉冲11ms ,50g 加速度,空间每方向10次半正弦脉冲11ms ,50g 加速度,空间每方向10次半正弦脉冲11ms ,50g 加速度,空间每方向10次寿命机械寿命20万次以上20万次以上20万次以上电气寿命(阻性负载)DC400V 120A 2000次以上400V 150A 2000次以上400V 200A 3000次以上使用环境使用环境温度-40~85℃(不结冰,无凝露)-40~85℃(不结冰,无凝露)-40~85℃(不结冰,无凝露)湿度5%~85%RH 5%~85%RH 5%~85%RH 质量(约g )质量约400g约400g约640g/650g/520g❑产品规格Product StructureEVR200CPIS EVR200CPIEVR200CPE EVR120CI/EVR120CI-A/EVR150CI/EVR150CI-A 网址: 电话:0752-*******-68863客服邮箱:cpfservice@200A型200A 型200A型200A 型图片实物图规格项目EVR200CE-A/EVR200LE-AEVR200CE/EVR200LE EV200EV12200T线圈额定电压DC24V DC12V DC12V DC12V/24V主触点触点结构一组常开触点一组常开触点一组常开触点一组常开触点额定工作电压范围0-1000VDC0-1000VDC0-400VDC0V~60V DC 短期承载电流300A 10min,500A1.5min300A 10min,500A1.5min300A 15min600A 1s 400A 20s 反向切断DC400VDC -200A(1000次以上)DC400VDC -200A(1000次以上)DC400V-200A≥1000次DC400V-200A≥1000次接触压降0.1V以下(通200A额定电流)0.1V以下(通200A额定电流)≤0.1V (通200A额定电流)0.2V以下(通200A电流)电气性能绝缘电阻(初始)100MΩ以上(使用500VDC兆欧表测得,与耐压测试位置相同)100MΩ以上(使用500VDC兆欧表测得,与耐压测试位置相同)DC1000V 1min,≥1000MΩDC500V 1min ,100MΩ以上(寿命试验后为10MΩ)耐电压触点间AC 3000V 1min,漏电流≤3mAAC 3000V 1min,漏电流≤3mAAC 3000V 1min,漏电流≤3mAAC 3000V 1min,漏电流≤3mA 触点-线圈动作时间≤50ms≤50ms≤30ms≤30ms释放时间≤15ms≤15ms≤15ms≤15ms机械性能耐振动三轴向加速度30.8m/s2,5-2000Hz宽带随机振动,每轴向8小时三轴向加速度30.8m/s2,5-2000Hz宽带随机振动,每轴向8小时三轴向加速度30.8m/s2,5-2000Hz宽带随机振动,每轴向8小时三轴向加速度30.8m/s2,5-2000Hz宽带随机振动,每轴向8小时耐机械冲击半正弦脉冲11ms,50g加速度,空间每方向10次半正弦脉冲11ms,50g加速度,空间每方向10次半正弦脉冲11ms,50g加速度,每轴向10次半正弦脉冲11ms,50g加速度,每轴向10次寿命机械寿命20万次以上20万次以上≥20万次≥20万次电气寿命(阻性负载)400V 200A 3000次以上400V 200A 3000次以上DC400V 200A ≥3000次DC400V 200A ≥3000次使用环境使用环境温度-40~85℃(不结冰,无凝露)-40~85℃(不结冰,无凝露)-40~85℃(不结冰,无凝露)-40~85℃(不结冰,无凝露)湿度5%~85%RH5%~85%RH5%RH~85%RH5%RH~85%RH质量(约g)质量约640g/650g约640g/650g约380g约200g ❑产品规格Product StructureEVR200CE/EVR200CE-A EVR200LE/EVR200LE-A EV200EV12200T 网址:电话:0752-*******-68863客服邮箱:cpfservice@200A/250A型带辅助触点250A 型250A型图片实物图规格项目EVRA250CE/EVRA250CE-A EVR250CE/EVR250LE EVR250CE-A/EVR250LE-A 线圈额定电压DC12V/24V DC12V DC24V主触点触点结构一组常开触点一组常开触点一组常开触点额定工作电压范围0-1000VDC0-1000VDC0-1000VDC 短期承载电流350A 10min,550A 1.5min350A 10min,550A 1.5min350A 10min,550A 1.5min 反向切断DC400VDC -250A (1000次以上)DC400VDC -250A (1000次以上)DC400VDC -250A (1000次以上)接触压降0.125V以下(通250A额定电流)0.125V以下(通250A额定电流)0.125V以下(通250A额定电流)电气性能绝缘电阻(初始)100MΩ以上(使用500VDC兆欧表测得,与耐压测试位置相同)100MΩ以上(使用500VDC兆欧表测得,与耐压测试位置相同)100MΩ以上(使用500VDC兆欧表测得,与耐压测试位置相同)耐电压触点间AC 3000V 1min,漏电流≤3mA AC 3000V 1min,漏电流≤3mAAC 3000V 1min,漏电流≤3mA 触点-线圈动作时间≤50ms≤50ms≤50ms释放时间≤15ms≤15ms≤15ms机械性能耐振动三轴向加速度30.8m/s2,5-2000Hz宽带随机振动,每轴向8小时三轴向加速度30.8m/s2,5-2000Hz宽带随机振动,每轴向8小时三轴向加速度30.8m/s2,5-2000Hz宽带随机振动,每轴向8小时耐机械冲击半正弦脉冲11ms,50g加速度,空间每方向10次半正弦脉冲11ms,50g加速度,空间每方向10次半正弦脉冲11ms,50g加速度,空间每方向10次寿命机械寿命20万次以上20万次以上20万次以上电气寿命(阻性负载)400V 250A 3000次以上400V 250A 3000次以上400V 250A 3000次以上使用环境使用环境温度-40~85℃(不结冰,无凝露)-40~85℃(不结冰,无凝露)-40~85℃(不结冰,无凝露)湿度5%~85%RH5%~85%RH5%~85%RH 质量(约g)质量约580g约580g/420g约580g/420g❑产品规格Product StructureEVR250CE/EVR250CE-A EVR250LE/EVR250LE-A EVRA250CE/EVRA250CE-A网址:电话:0752-*******-68863客服邮箱:cpfservice@300A型300A 型300A 型300A 型300A 型图片实物图规格项目EVR300CPI EVR300CPI-1EVR300CPE EVR300CPE-1EVR300CPES 线圈额定电压DC12/24V DC12/24V DC12/24V DC12/24V DC12/24V主触点触点结构一组常开触点一组常开触点一组常开触点一组常开触点一组常开触点额定工作电压范围0-1000VDC0-1000VDC0-1000VDC0-1000VDC0-1000VDC 短期承载电流400A 10min,600A 1min400A 10min,600A1min400A 10min,600A 1min400A 10min,600A 1min400A 10min,600A 1min 反向切断DC400VDC -300A(1000次以上)DC400VDC -300A(1000次以上)DC400VDC -300A(1000次以上)DC400VDC -300A(1000次以上)DC400VDC -300A(1000次以上)接触压降0.15V以下(通300A额定电流)0.15V以下(通300A额定电流)0.15V以下(通300A额定电流)0.15V以下(通300A额定电流)0.15V以下(通300A额定电流)电气性能绝缘电阻(初始)100MΩ以上(使用500VDC兆欧表测得,与耐压测试位置相同)100MΩ以上(使用500VDC兆欧表测得,与耐压测试位置相同)100MΩ以上(使用500VDC兆欧表测得,与耐压测试位置相同)100MΩ以上(使用500VDC兆欧表测得,与耐压测试位置相同)100MΩ以上(使用500VDC兆欧表测得,与耐压测试位置相同)耐电压触点间AC 3000V 1min,漏电流≤3mAAC 3000V 1min,漏电流≤3mAAC 3000V 1min,漏电流≤3mAAC 3000V 1min,漏电流≤3mAAC 3000V 1min,漏电流≤3mA 触点-线圈动作时间≤50ms≤50ms≤50ms≤50ms≤50ms 释放时间≤15ms≤15ms≤15ms≤15ms≤15ms机械性能耐振动三轴向加速度30.8m/s2,5-2000Hz宽带随机振动,每轴向8小时三轴向加速度30.8m/s2,5-2000Hz宽带随机振动,每轴向8小时三轴向加速度30.8m/s2,5-2000Hz宽带随机振动,每轴向8小时三轴向加速度30.8m/s2,5-2000Hz宽带随机振动,每轴向8小时三轴向加速度30.8m/s2,5-2000Hz宽带随机振动,每轴向8小时耐机械冲击半正弦脉冲11ms,50g加速度,空间每方向10次半正弦脉冲11ms,50g加速度,空间每方向10次半正弦脉冲11ms,50g加速度,空间每方向10次半正弦脉冲11ms,50g加速度,空间每方向10次半正弦脉冲11ms,50g加速度,空间每方向10次寿命机械寿命20万次以上20万次以上20万次以上20万次以上20万次以上电气寿命(阻性负载)400V 300A 3000次以上400V 300A 3000次以上400V 300A 3000次以上400V 300A 3000次以上400V 300A 3000次以上使用环境使用环境温度-40~85℃(不结冰,无凝露)-40~85℃(不结冰,无凝露)-40~85℃(不结冰,无凝露)-40~85℃(不结冰,无凝露)-40~85℃(不结冰,无凝露)湿度5%~85%RH5%~85%RH5%~85%RH5%~85%RH5%~85%RH质量(约g)质量约640g约650g约650g约580g约580g ❑产品规格Product StructureEVR300CPE EVR300CPE-1EVR300CPES EVR300CPI EVR300CPI-1网址:电话:0752-*******-68863客服邮箱:cpfservice@300A型300A 型带辅助触点350A 型400A 型图片实物图规格项目EVR300CE/EVR300CE-A EVRA300CE/EVRA300CE-AEVR350CI/EVR350CI-A EVR400CPI-1线圈额定电压DC12V/24V DC12V/24V DC12V/24V DC12/24V主触点触点结构一组常开触点一组常开触点一组常开触点一组常开触点额定工作电压范围0-1000VDC0-1000VDC0-1000VDC0-1000VDC短期承载电流400A 10min,600A 1min350A 10min,550A 1.5min525A 15min600A 10min 900A 2min 反向切断DC400VDC -300A (1000次以上)DC400VDC -300A (1000次以上)DC400V -350A ≥1000次DC400VDC -400A (1000次以上)接触压降0.15V以下(通300A额定电流)0.15V以下(通300A额定电流)≤0.175V (通350A额定电流)0.2V以下(通400A额定电流)电气性能绝缘电阻(初始)100MΩ以上(使用500VDC兆欧表测得,与耐压测试位置相同)100MΩ以上(使用500VDC兆欧表测得,与耐压测试位置相同)100MΩ以上(使用500VDC兆欧表测得,与耐压测试位置相同)100MΩ以上(使用500VDC兆欧表测得,与耐压测试位置相同)耐电压触点间AC 3000V 1min,漏电流≤3mAAC 3000V 1min,漏电流≤3mAAC3000V 1min,漏电流≤3mAAC 3000V 1min,漏电流≤3mA 触点-线圈动作时间≤50ms≤50ms≤50ms≤50ms 释放时间≤15ms≤15ms≤15ms≤15ms机械性能耐振动三轴向加速度30.8m/s2,5-2000Hz宽带随机振动,每轴向8小时三轴向加速度30.8m/s2,5-2000Hz宽带随机振动,每轴向8小时三轴向加速度30.8m/s2,5-2000Hz宽带随机振动,每轴向8小时三轴向加速度30.8m/s2,5-2000Hz宽带随机振动,每轴向8小时耐机械冲击半正弦脉冲11ms,50g加速度,空间每方向10次半正弦脉冲11ms,50g加速度,空间每方向10次半正弦脉冲11ms,50g加速度,每轴向10次半正弦脉冲11ms,50g加速度,空间每方向10次寿命机械寿命20万次以上20万次以上≥20万次20万次以上电气寿命(阻性负载)400V 300A 3000次以上400V 300A 3000次以上400V 350A 3000次以上400V 400A 3000次以上使用环境使用环境温度-40~85℃(不结冰,无凝露)-40~85℃(不结冰,无凝露)-40~85℃(不结冰,无凝露)-40~85℃(不结冰,无凝露)湿度5%~85%RH5%~85%RH5%~85%RH5%~85%RH质量(约g)质量约580g/420g约580g/420g约800g约1000g❑产品规格Product StructureEVR300CE/EVR300CE-A EVR400CPI-1EVRA300CE/EVRA300CE-AEVR350CI/EVR350CI-A网址:电话:0752-*******-68863客服邮箱:cpfservice@比亚迪以领先的新能源技术、过硬的产品品质,助推新能源汽车应用推广。
供应欧姆龙继电器G2R-2 DC24,G2R-1-SN DC24,G2R-1-SND DC24产品名称: G2R产品介绍:Power Relay畅销机种,新款式G2R型● 1极10A,2极5A凡用Power Relay● 接点耐电压5000V,耐突波(surge)电压10000V之安全设计● AC/DC型机种类丰富,(有部分取得CE标志)产品类别:控制柜用G2R-1-E DC24G2R-2-S AC220(Q)G2R-2-SN DC48(Q)G2R-1 DC24 BY OMBG2R-2 DC24 BY OMBG2R-24 DC48 BY OMBG2R-14 AC100/(110) BY OMBG2R-24 DC110 BY OMBG2R-1-S DC24(S) BY OMBG2R-1-SN DC24(S) BY OMBG2R-1-SN AC110(S) BY OMBG2R-1-SND DC24(S) BY OMBG2R-1-SN AC220(S) BY OMB供应欧姆龙继电器G2A-432A AC100/110,G2A-432A DC24产品名称: G2A-434产品介绍:G2A型的塑料密封型?由于是密封结构,因此即使在有粉尘等的环境中也能发挥比闭锁型更稳定的性能?继电器机构部位的部件都经过退火处理,降低内部气体的产生?和金属密封继电器相比,价格便宜产品类别:控制柜用产品名称: G2A产品介绍:用于发挥高接触可靠性的4极的时序控制?采用提卡延时方式,实现高使用寿命稳定的质量?和MY4型系列在安装上有互换性?带有可以确认动作的动作显示机构。
还有动作显示灯内藏型产品产品类别:控制柜用G2A-432A AC100/110G2A-432A AC200/220G2A-432A DC24G2A-432A-N AC100/110G2A-432A-N DC24欧姆龙继电器MY2NJ DC24,MY2NJ DC100/110产品名称: MY产品介绍:小型Power Relay种类由顺序作用到Power型式之泛用继电器等级提高● 型式系列有动作显示灯内藏型,高容量型,二级体内藏型等● 额定操作电压(AC100/110,AC110/120,AC200/220,AC220/240) (DC100/110) ●取得UL、CSA认定及电气用品取缔法标准品● 3极、4极电弧标准装备● 耐电压AC2000V产品类别:控制柜用MY2-D DC24MY2N-D2 DC48MY2N-CR AC100/110MY2N DC24 BY OMZMY2J DC12 BY OMZMY2J AC24 BY OMZMY2J AC100/110 BY OMZMY2J AC200/220 BY OMZMY2J DC24 BY OMZMY2J DC48 BY OMZMY2J AC220/240 BY OMZMY2NJ DC24 BY OMZMY2NJ DC48 BY OMZMY2NJ AC24 BY OMZMY2NJ AC100/110 BY OMZ MY2NJ AC110/120 BY OMZ MY2NJ AC220/240 BY OMZ MY2NJ AC6 BY OMZMY2NJ DC100/110 BY OMZ MY2NJ-D2 DC24 BY OMZMY2NJ-CR AC220/240 BY OMZ MY3N AC100/110MY3N AC200/220MY3N DC24MY3N-D2 DC24MY4-D DC24MY4N AC100/110MY4N-D2 DC12MY4ZN-D2 DC24MY4N-CR AC100/110MY4J AC24 BY OMZMY4J AC100/110 BY OMZMY4J AC200/220 BY OMZMY4J DC24 BY OMZMY4NJ DC12 BY OMZMY4NJ DC24 BY OMZMY4NJ AC24 BY OMZMY4NJ AC100/110 BY OMZ MY4NJ AC110/120 BY OMZ MY4NJ AC220/240 BY OMZ MY4NJ-D2 DC24 BY OMZMY4NJ-CR AC220/240 BY OMZMY4N AC220/240 BY OMBMY4J AC200/220 BY OMBMYA-LA12 AC200/220MY2K DC24MY2N-D2 DC24 (S)MY2N-D2 DC100/110 (S)MY2N-CR AC220/240 (S)MY2N-CR AC200/220 (S)MY4N DC24 (S)MY4N-D2 DC24 (S)MY4N-CR AC220/240 (S)MY4N-CR AC200/220 (S)欧姆龙其它型号产品欢迎来电查询!!谢谢供应欧姆龙继电器MM2P,MM2XPN,MM4P,MM4XP产品名称: MM产品介绍:Power Relay接点安定信赖及长寿命Power继电器● 安装配线简单,使用容易● 接点构成丰富,直流负载开关用,露出型依用途可选择● 机械寿命500万次,电机寿命(额定负载时)50万次,长寿命● 二极体内藏型及电力辅助继电器,依(TEC-174D)标准,种类丰富产品类别:控制柜用MM2P AC220MM2P DC200/220MM2XP AC220MM2XP DC24MM2XP DC100/110MM2XP DC200/220MM2XP-D DC24MM2XPN DC24MM4P AC220MM4P DC200/220MM4XP AC220MM4XP DC24MM4XP DC100/110MM4XP DC200/220MM4PN DC200/220MM4XKP DC200/220供应欧姆龙继电器MK2P-I,MK3P-S,MK3P5-S,MK2PN-2-I产品名称: MK(超级MK)产品介绍:(SUPER MK) 小型Power RelayMK型高容量型,8脚型Power Relay● 开关容量10A(AC250V、DC28V) 高容量● 标准品动作表示机构内藏● 标准品UL、CSA、SEV、DEMKO、NEMKO、SEMKO、VDE/IEC规格(TüV认定)取得产品类别:控制柜用MK2P-I AC110 BY OMIMK2P-I AC220 BY OMIMK2P-I DC24 BY OMIMK2PN-2-I DC24 BY OMIMK3PA DC24MK3P-I AC110 BY OMIMK3P-I AC220 BY OMIMK3P-I DC24 BY OMIMK3P-S DC24 BY OMIMK3P5-S DC24 BY OMI供应欧姆龙继电器LY2NJ DC24,LY4NJ AC110/120产品名称: LY产品介绍:POWER开关之小型泛用继电器● 取得UL、CSA、SEV及LR,VDE规格认定及电器用品取缔法标准品● 电弧遮断标准装备● 耐电压2000V● 追加二级体内藏型● 1,2极额定操作电压AC(100/110,10/120,200/220,220/240) (DC100/110) ● 3、4极定操作电压AC(100/110,200/220) (DC100/110)产品类别:控制柜用LY2N AC24LY2N DC24LY2N DC100/110LY2N-D2 DC24LY2ZN-D2 DC24LY2N-CR AC200/220LY2N-CR AC110/120LY2N-CR AC220/240LY2N AC220/240 BY OMILY2J AC100/110 BY OMILY2J AC200/220 BY OMILY2J AC220/240 BY OMILY2J DC24 BY OMILY2J DC48 BY OMILY2NJ AC100/110 BY OMILY2NJ AC110/120 BY OMILY2NJ AC200/220 BY OMILY2NJ AC220/240 BY OMILY2NJ DC12 BY OMILY2NJ DC24 BY OMILY2NJ DC100/110 BY OMILY3N-D2 DC24LY4N AC200/220LY4-D DC24LY4N-D2 DC24LY4J DC24 BY OMILY4NJ AC100/110 BY OMILY4NJ AC110/120 BY OMILY4NJ AC200/220 BY OMILY4NJ DC100/110 BY OMILY4NJ DC24 BY OMI产品类别:控制柜用产品名称: G2RS 多用途继电器产品介绍:纤细而节省空间的电源插件继电器·现已支持可锁测试按钮·内置机械操作指示装置·提供了铭牌·AC型配备了线圈断开自诊断功能(LED型)·高开关容量(1极:10A)·环境友好(无镉、无铅)·广泛支持各类插座产品类别:控制柜用产品名称: G7K产品介绍:带有手动按钮的小型机械锁定式闭锁型继电器·实现了高71mm、宽42.5mm、进深48.5mm的小型化,且质量轻,仅为175g. ·置位、复位通过脉冲信号迅速应答·接点采用镀金,具有高接触可靠性·请使用本公司PTF14A(LY4继电器用)的插座·以功率用辅助继电器(JEC-174D)为标准的设计。
联系电话/微信:189 **** ****(胡)继电器&保险丝产品手册比亚迪股份有限公司BYD COMPANY LIMITED联系电话/微信:189 **** ****(胡)比亚迪创立于1995年,从1995年创业时的外租厂房,到2016年年底,比亚迪在全球已建成22个生产基地,占地面积逾1,800万平方米;是一家横跨IT、汽车、新能源和轨道交通四大产业,并在香港和深圳两地上市的高新技术企业。
自2015年至今,比亚迪已连续两年蝉联全球新能源汽车销量冠军。
比亚迪零部件产品工厂(CPF)隶属惠州比亚迪电池有限公司,自2007年开始致力于高压继电器开发,形成了一批专业的继电器研发团队,50%以上的工程师拥有5年以上的从业经验,2008年底形成以电容器和继电器为主的研发生产线,产品服务于电动车、燃油车、太阳能电池等多个领域,2010年业务再次拓展,形成以电容器、继电器、FUSE、陶瓷盖板为主的产品供应链。
2017年公司新政放开产品外推,比亚迪继电器、电容器、熔断器、陶瓷盖板等车用零部件在市场逐步亮相。
我们秉承“技术为王,创新为本的理念”,坚定前进的步伐,构筑绿色梦想!网址: 电话:0755-******** -68863 客服邮箱:cpfservice@网址: 电话:0755-******** -68863 客服邮箱:cpfservice@EMC 实验室 碰撞实验室 NVH 实验室总装喷涂冲压 焊接联系电话/微信:189 **** ****(胡)联系电话/微信:189 **** ****(胡)比亚迪以领先的新能源技术、过硬的产品品质,助推新能源汽车应用推广。
截止2016年9月,比亚迪秦、唐、宋、e6、大巴等新能源车已减排二氧化碳近2.74亿千克,相当于种植树木1511万颗。
网址: 电话:0755-******** -68863 客服邮箱:cpfservice@联系电话/微信:189 **** ****(胡)比亚迪新能源公共大巴和e6出租车已然行驶在华盛顿、伦敦、京都、吉隆坡、雷克雅未克、伊斯坦布尔、班加罗尔、特拉维夫、萨尔兹堡、华沙、鹿特丹、布鲁塞尔、埃德蒙顿等全球44个城市的街头,正以全面、全能、全领域的发展,在全世界的范围内投放和运营,实现新能源公交汽车的全球化发展。
泰科⾼压直流接触器--EV500AB系列产品技术参数详解析泰科⾼压直流接触器--EV500系列产品参数详解析泰科TE⾼压直流接触器EV500系列是为恶劣环境研发的,其接触电阻⾮常稳定。
由于EV100~500继电器尺⼨⼩,接触电流⾼,因此适⽤于电池开关、DC电压功率控制及电路安全保护等多种应⽤。
1. EV500-4A=RELAY, PRESSURIZED, Kilovac | EV100TE 内部编号:4-1618002-4不符合欧盟RoHS 或ELV查找符合性替代产品端⼦排列⽅式 1 Form A,SPST-NO,1 NO⾼电压连接(线圈)?悬空引线⾼电压连接(电源)?螺纹式端⼦节能器?内部辅助端⼦?不带产品类型特性射频等级?否产品类型?继电器继电器类型?⾼电压结构特性节能器?内部电源开关?仅接通, 否, 是电⽓特征电压(最⼤值)?(VDC) 1800, 2200, 3500, 5000, 7500, 8000, 10000, 12000, 15000, 20000, 25000, 30000, 35000, 50000, 70000线圈电压额定值?(VDC) 12接触件特性端⼦排列⽅式 1 Form A,SPST-NO,1 NO辅助端⼦?不带端⼦电流额定值?(A) 750端接特性⾼电压连接(线圈)?悬空引线⾼电压连接(电源)?螺纹式端⼦端接种类?螺柱端⼦机械附件安装类型?⾯板2.EV500-5A=RELAY, PRESSURIZED, SKilovac | EV1003.TE 内部编号:4-1618002-8不符合欧盟RoHS 或ELV查找符合性替代产品端⼦排列⽅式 1 Form A,SPST-NO,1 NO⾼电压连接(线圈)?悬空引线⾼电压连接(电源)?螺纹式端⼦节能器?内部辅助端⼦?带有产品类型特性射频等级?否产品类型?继电器继电器类型?⾼电压结构特性节能器?内部电源开关?仅接通, 否, 是电⽓特征电压(最⼤值)?(VDC) 1800, 2200, 3500, 5000, 7500, 8000, 10000, 12000, 15000, 20000, 25000, 30000, 35000, 50000, 70000线圈电压额定值?(VDC) 12接触件特性端⼦排列⽅式 1 Form A,SPST-NO,1 NO辅助端⼦?带有端⼦电流额定值?(A) 750端接特性⾼电压连接(线圈)?悬空引线⾼电压连接(电源)?螺纹式端⼦端接种类?螺柱端⼦机械附件安装类型?⾯板3. EV500-4B=RELAY, PRESSURIZED, SKilovac | EV100TE 内部编号:4-1618002-5不符合欧盟RoHS 或ELV查找符合性替代产品端⼦排列⽅式 1 Form A,SPST-NO,1 NO⾼电压连接(线圈)?悬空引线⾼电压连接(电源)?螺纹式端⼦节能器?内部辅助端⼦?不带产品类型特性射频等级?否产品类型?继电器继电器类型?⾼电压结构特性节能器?内部电源开关?仅接通, 否, 是电⽓特征电压(最⼤值)?(VDC) 1800, 2200, 3500, 5000, 7500, 8000, 10000, 12000, 15000, 20000, 25000, 30000, 35000, 50000, 70000线圈电压额定值?(VDC) 24接触件特性端⼦排列⽅式 1 Form A,SPST-NO,1 NO辅助端⼦?不带端⼦电流额定值?(A) 750端接特性⾼电压连接(线圈)?悬空引线⾼电压连接(电源)?螺纹式端⼦端接种类?螺柱端⼦机械附件安装类型?⾯板4. EV500-5B=RELAY, PRESSURIZED, SKilovac | EV100TE 内部编号:4-1618002-9不符合欧盟RoHS 或ELV查找符合性替代产品端⼦排列⽅式 1 Form A,SPST-NO,1 NO⾼电压连接(线圈)?悬空引线⾼电压连接(电源)?螺纹式端⼦节能器?内部辅助端⼦?带有产品类型特性射频等级?否产品类型?继电器继电器类型?⾼电压结构特性节能器?内部电源开关?仅接通, 否, 是电⽓特征电压(最⼤值)?(VDC) 1800, 2200, 3500, 5000, 7500, 8000, 10000, 12000, 15000, 20000, 25000, 30000, 35000, 50000, 70000线圈电压额定值?(VDC) 24接触件特性端⼦排列⽅式 1 Form A,SPST-NO,1 NO辅助端⼦?带有端⼦电流额定值?(A) 750端接特性⾼电压连接(线圈)?悬空引线⾼电压连接(电源)?螺纹式端⼦端接种类?螺柱端⼦机械附件安装类型?⾯板。