模拟锁相环实验报告
- 格式:doc
- 大小:181.50 KB
- 文档页数:9
锁相环实验报告引言在电子、通信和控制系统中,锁相环(Phase-Locked Loop,PLL)是一种广泛应用的反馈控制系统,用于提供稳定的频率和相位锁定。
本实验旨在探究锁相环的原理、结构和性能,并通过实际实验验证其工作原理。
锁相环原理锁相环是一种负反馈控制系统,通常由相频控振荡器(VCO)、相锁环比较器、波形整形电路和滤波器组成。
其基本原理是:通过不断调节VCO的频率,使其输出信号与参考信号的相位差保持在一个稳定的工作范围内。
实验目的1.了解锁相环的基本原理和结构;2.学习锁相环在频率和相位锁定中的应用;3.通过实际实验验证锁相环的工作原理。
实验器材1.锁相环实验台;2.函数信号发生器;3.示波器;4.电压表;5.连接线等。
实验步骤搭建实验平台1.将锁相环实验台与函数信号发生器、示波器和电压表连接;2.正确接入电源,打开锁相环实验台的电源开关; 3.确认各仪器仪表的正常工作。
设置参考信号1.使用函数信号发生器产生一个正弦波信号作为参考信号;2.设置参考信号的频率和幅度。
调节锁相环参数1.调节锁相环的增益参数,观察VCO输出信号的变化;2.尝试不同的锁相环参数组合,观察系统的稳定性和响应性。
改变输入信号1.改变函数信号发生器输出信号的频率;2.观察锁相环的相位锁定和频率锁定过程。
测量锁相环性能1.使用示波器观察锁相环输入信号、输出信号和参考信号的波形;2.使用电压表测量VCO输出信号的频率。
实验结果与分析通过实验我们可以观察到锁相环的工作原理和性能。
在不同的锁相环参数设置下,VCO输出信号的频率和相位与参考信号的变化情况不同。
根据实验数据,我们可以分析锁相环的稳定性、响应速度和抗干扰能力等性能。
结论锁相环是一种广泛应用于电子、通信和控制系统中的反馈控制系统。
通过本实验,我们深入了解了锁相环的原理和结构,并通过实际实验验证了其工作原理。
锁相环具有稳定的频率和相位锁定能力,可以在信号处理和调节控制中起到重要作用。
模拟锁相环模块信息工程学院08级电子班安艳芳0839107一、实验目的1、熟悉模拟锁相环的基本工作原理2、掌握模拟字锁相环的基本参数及设计二、实验仪器JH5001通信原理综合实验系统(一台)、20MHz双踪示波器(一台)、函数信号发生器(一台)三、实验原理和电路说明锁相的重要性:在电信网中,同步是一个十分重要的概念。
其最终目的使本地终端时钟源锁定在另一个参考时钟源上。
同步的技术基础是锁相,因而锁相技术是通信中最重要的技术之一在系统工作中模拟锁相环将接收端的256KHz时钟锁在发端的256KHz的时钟上,来获得系统的同步时钟,如HDB3接收的同步时钟及后续电路同步时钟。
该模块主要由模拟锁相环UP01(MC4046)、数字分频器UP02(74LS161)、D触发器UP04(74LS74)、环路滤波器和由运放UP03(TEL2702)及阻容器件构成的输入带通滤波器(中心频率:256KHz)组成。
因来自发端信道的HDB3码为归零码,归零码中含有256KHz时钟分量,经UP03B构成中心频率为256KHz 有源带通滤波器后,滤出256KHz时钟信号,该信号再通过UP03A放大,然后经UP04A和UP04B两个除二分频器(共四分频)变为64KHz信号,进入UP01鉴相输入A脚;VCO输出的512KHz输出信号经UP02进行八分频变为64KHz信号,送入UP01的鉴相输入B脚。
经UP01内部鉴相器鉴相之后的误差控制信号经环路滤波器滤波送入UP01的压控振荡器输入端;WP01可以改变模拟锁相环的环路参数。
正常时,VCO 锁定在外来的256KHz频率上。
模拟锁相环模块各跳线开关功能如下:1、跳线开关KP01用于选择UP01的鉴相输出。
当KP01设置于1_2时(左端),环路锁定时TPP03、TPP05输出信号将存在一定相差;当KP01设置于2_3时(右端),选择三态门鉴相输出,环路锁定时TPP03、TPP05输出信号将不存在相差。
模拟锁相环实验报告锁相环(PLL)是一种常见的控制系统,它可以将输入信号的频率和相位与参考信号匹配,从而实现精确的信号同步和频率锁定。
本次实验旨在通过模拟锁相环的实验,了解PLL的基本原理和实现方式,并探究其在频率合成和时钟恢复等应用中的优势和局限性。
一、实验原理1.1 PLL的基本原理PLL由相频比较器、环形控制器、振荡器和分频器等组成。
其基本原理如下:(1)将参考信号和输出信号输入相频比较器,得到误差信号;(2)将误差信号输入环形控制器,控制其输出的控制电压;(3)将控制电压输入振荡器,控制其输出的频率和相位;(4)将振荡器的输出信号通过分频器分频后反馈给相频比较器,形成闭环控制。
通过不断比较和修正,PLL可以使输出信号的频率和相位与参考信号匹配,从而实现锁定。
1.2 实验器材本次实验采用的器材如下:信号发生器、示波器、多路开关、振荡器、计数器等。
1.3 实验步骤(1)将信号发生器产生的正弦波信号作为参考信号,通过示波器观测其频率和相位;(2)将信号发生器产生的方波信号作为输入信号,通过多路开关控制输入信号的频率和幅值;(3)将输入信号和参考信号输入相频比较器,得到误差信号;(4)将误差信号输入环形控制器,控制其输出的控制电压;(5)将控制电压输入振荡器,控制其输出的频率和相位;(6)将振荡器的输出信号通过分频器分频后反馈给相频比较器,形成闭环控制;(7)通过计数器观测输出信号的频率和相位,调整环形控制器的参数,使输出信号与参考信号匹配。
二、实验结果在实验过程中,我们先设置参考信号的频率为1KHz,通过示波器观测其频率和相位,然后将信号发生器产生的方波信号作为输入信号,进行频率和幅值的调节,使其与参考信号匹配。
在调节的过程中,我们观测到输出信号的频率和相位逐渐趋近于参考信号的频率和相位,最终实现了同步锁定。
然后,我们进一步测试了PLL在频率合成和时钟恢复等应用中的性能。
我们将输入信号的频率和幅值进行变化,观测输出信号的变化情况。
模拟锁相环实验报告实验一模拟锁相环模块一、实验原理和电路说明模拟锁相环模块在通信原理综合实验系统中可作为一个独立的模块进行测试。
在系统工作中模拟锁相环将接收端的256KHz 时钟锁在发端的256KHz 的时钟上,来获得系统的同步时钟,如HDB3接收的同步时钟及后续电路同步时钟。
f 0=256K H z 64K H z U P 04U P 03B U P 02U P 01512K H z 分频器÷4分频器÷8H D B 3环路滤波器放大器图 2.1.1 模拟锁相环组成框图T P P 02T E S T 跳线器K P 02V C O T P P 03T P P 06T P P 04T P P 05256K b itp sT P P 07带通滤波器T P P 01U P 03A 64K H z 该模块主要由模拟锁相环UP01(MC4046)、数字分频器UP02(74LS161)、D 触发器UP04(74LS74)、环路滤波器和由运放UP03(TEL2702)及阻容器件构成的输入带通滤波器(中心频率:256KHz )组成。
在UP01内部有一个振荡器与一个高速鉴相器组成。
该模拟锁相环模块的框图见图2.1.1。
因来自发端信道的HDB3码为归零码,归零码中含有256KHz 时钟分量,经UP03B 构成中心频率为256KHz 有源带通滤波器后,滤出256KHz 时钟信号,该信号再通过UP03A 放大,然后经UP04A 和UP04B 两个除二分频器(共四分频)变为64KHz 信号,进入UP01鉴相输入A 脚;VCO 输出的512KHz 输出信号经UP02进行八分频变为64KHz 信号,送入UP01的鉴相输入B 脚。
经UP01内部鉴相器鉴相之后的误差控制信号经环路滤波器滤波送入UP01的压控振荡器输入端;WP01可以改变模拟锁相环的环路参数。
正常时,VCO 锁定在外来的256KHz 频率上。
模拟锁相环模块各跳线开关功能如下:1、跳线开关KP01用于选择UP01的鉴相输出。
:锁相环测试及应用实验试验目的:1.了解锁相环的组成、基本原理及性能特点。
2.掌握集成锁相环4046芯片的使用方法。
3.掌握锁相环路及各部件性能(鉴相特性、压控特性、同步带和捕捉带)的测试方法。
4.掌握锁相调频、锁相鉴频电路的构成、基本原理及参数测试测试方法。
5.掌握简单锁相频率合成器的基本原理及性能指标的测试方法实验设备:1.调幅与调频发射模块。
2.直流稳压电压GPD-3303D3.F20A 型数字合成函数发生器/计数器 4.DSO-X 2014A 数字存储示波器实验原理:1. 锁相环的组成及基本原理锁相环路(PLL )亦称自动相位控制(APC )电路,它是一种利用相位误差消除频率误差的反馈控制系统。
如图1所示,由鉴相器(相位比较器)、环路滤波器(低通滤波器)和压控振荡器三个基本部件组成。
若o i f f ≠,瞬时相位差ϕ∆将随时间而变化;若i of f ϕ∆=保持固定值。
锁相环就是利用两个信号之间相位差的变化,控制压控振荡器的输出信号频率,最终使两个信号相位差保持为常数,达到频率相等。
锁相环的工作过程:如图1所示,若o i f f ≠,必将引起ϕ∆的变化,鉴相器输出正比于ϕ∆的误差电压()d u t 。
经环路滤波器滤除()d u t 中的高频分量和噪声,产生缓慢变动的直流电压()c u t 。
VCO 受控于()c u t ,使得振荡频率o f 与输入参考频率i f 的频差逐渐减小,直到o i f f =,电路达到稳定平衡状态,即锁定状态。
此时,ϕ∆保持一个不变的稳态相差ϕ∞,以维持电路的平衡状态。
需要指出,环路能达到锁定状态,是在o f 与i f 相差不大的范围内。
2. 几个重要概念 ⑴ 失锁与锁定开始工作时, o i f f ≠,ϕ∆不固定,环路处于不稳定状态,称为失锁。
当o i f f =时,ϕ∆保持常数,电路进入稳定状态,称为锁定。
⑵ 跟踪过程与捕捉过程在环路锁定状态下,如果输入信号频率i f 发生变化,环路通过自身的调节作用,使输出信号频率o f 以同样的规律跟随着变化,并且始终保持o i f f =,这个过程称为跟踪过程或同步过程。
实验三锁相环应用电路实验一、实验目的1.掌握锁相环的组成及基本工作原理;2.了解锁相环应用电路的设计方法。
二、实验原理1.锁相环的仿真模型首先在Multisim 软件中构造锁相环的仿真模型(图1) 。
基本的锁相环由鉴相器( PD) 、环路滤波器(L P) 和压控振荡器(VCO) 三个部分组成。
图1中,鉴相器由模拟乘法器A1 实现,压控振荡器为V 3 ,环路滤波器由R1 、C1 构成。
环路滤波器的输出通过R2 、R3 串联分压后加到压控振荡器的输入端, 直流电源V2 用来调整压控振荡器的中心频率。
仿真模型中,增加R2 、R3 及V2 的目的就是为了便于调整压控振荡器的中心频率。
图1 锁相环的仿真模型2.锁相环调频的仿真电路直接调频电路的振荡器中心频率稳定度较低,而采用晶体振荡器的调频电路,其调频范围又太窄。
采用锁相环的调频器可以解决这个矛盾。
其结构原理如图2 所示。
图2 锁相环调频电路的原理框图实现锁相调频的条件是调制信号的频谱要处于低通滤波器通带之外,也就是说,锁相环路只对慢变化的频率偏移有响应,使压控振荡器的中心频率锁定在稳定度很高的晶振频率上。
而随着输入调制信号的变化,振荡频率可以发生很大偏移。
图3 锁相环调频的仿真电路根据图2 建立的仿真电路如图3 所示。
图中,设置压控振荡器V 1 在控制电压为0 时,输出频率为0 ;控制电压为5V 时,输出频率50kHz 。
这样,实际上就选定了压控振荡器的中心频率为25kHz ,为此设定直流电压V 3 为2.5V 。
调制电压V 4 通过电阻R5 接到VCO 的输入端, R5 实际上是作为调制信号源V 4 的内阻,这样可以保证加到VCO 输入端的电压是低通滤波器的输出电压和调制电压之和,从而满足了原理图的要求。
本电路中,相加功能也可以通过一个加法器来完成,但电路要变得相对复杂一些。
VCO 输出波形和输入调制电压V 4 的关系如图4 所示。
由图可见,输出信号频率随着输入信号的变化而变化,从而实现了调频功能。
实验十九滤波法及数字锁相环法位同步提取实验实验项目三数字锁相环法位同步观测(1)观测“数字锁相环输入”和“输入跳变指示”,观测当“数字锁相环输入”没有跳变和有跳变时“输入跳变指示”的波形。
(2)观测“数字锁相环输入”和“鉴相输出”。
观测相位超前滞后的情况从图中可以观察出,若前一位数据有跳变,则判断有效,“输入跳变指示”输出表示1;否则,输出0表示判断无效。
数字锁相环的超前—滞后鉴相器需要排除位流数据输入连续几位码值保持不变的不利影响。
在有效的相位比较结果中仅给出相位超前或相位滞后两种相位误差极性,而相位误差的绝对大小固定不变。
经观察比较,“鉴相输出”比“数字锁相环输入”超前两个码元。
(3)观测“插入指示”和“扣除指示”。
思考题:分析波形有何特点,为什么会出现这种情况。
因为可变分频器的输出信号频率与实验所需频率接近,将其和从信号中提取的相位参考信号同时送入相位比较器,比较的结果若是载波频率高了,就通过补抹门抹掉一个输入分频器的脉冲,相当于本地振荡频率降低;相反,若示出本地频率低了时就在分频器输入端的两个输入脉冲间插入一个脉冲,相当于本地振荡频率上升,从而了达到同步的目的。
思考题:BS2恢复的时钟是否有抖动的情况,为什么?试分析BS2抖动的区间有多大?如何减小这个抖动的区间?有抖动的存在,是因为可变分频器的存在使得下一个时钟沿的到来时间不确定,从而引入了相位抖动。
而这种引入的误差是无法消除的。
减小相位抖动的方法就是将分频器的分频数提高。
实验二十模拟锁相环实验实验项目一VCO自由振荡观测(1)示波器CH1接TH8,CH2接TH4输出,对比观测输入及输出波形。
对比波形可以发现TH8与TH4信号输入与输出错位半个周期实验项目二同步带测量(1)示波器CH1接13号模块TH8模拟锁相环输入,CH2接TH4输出BS1,观察TH4输出处于锁定状态。
将正弦波频率调小直到输出波形失锁,此时的频率大小f1为400Hz ;将频率调大,直到TH4输出处于失锁状态,记下此时频率f2为9.25kHz 。
模拟锁相环实验一、实验目的1、 了解用锁相环构成的调频波解调原理。
2、 学习用集成锁相环构成的锁相解调电路。
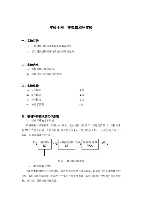
二、实验内容1、 掌握锁相环锁相原理2、 掌握同步带和捕捉带的测量三、 实验仪器1、 信号源 1块2、 频率计 1块3、 5 号板 1块4、 双踪示波器 1台四、锁相环的构成及工作原理1、 锁相环路的基本组成锁相环由三部分组成,如图1所示,它由相位比较器PD 、低通滤波器LF 、压控振荡器VCO 三个部分组成一个闭合环路,输入信号为i υ(t),输出信号为o υ(t),反送至输入端。
下面逐一说明基本部件的作用。
图1 锁相环组成框图(1) 压控振荡器(VCO )VCO 是本控制系统的控制对象,被控参数通常是其振荡频率,控制信号为加在VCO 上的电压,故称为压控振荡器,也就是一个电压-频率变换器,实际上还有一种电流-频率变换器,但习惯上仍称为压控振荡器。
(2) 鉴相器(PD )PD 是一个相位比较装置,用来检测输出信号o υ(t)与输入信号i υ(t)之间的相位差e ϕ(t),并把e ϕ(t)转化为电压()d t υ输出,()d t υ称为误差电压,通常()d t υ作为一直流分量或一低频交流量。
(3) 环路滤波器(LF )LF 作为一低通滤波电路,其作用是滤除因PD 的非线性而在()d t υ中产生的无用的组合频率分量及干扰,产生一个只反映e ϕ(t)大小的控制信号()c t υ。
按照反馈控制原理,如果由于某种原因使VCO 的频率发生变化使得与输入频率不相等,这必将使o υ(t)与i υ(t)的相位差e ϕ(t)发生变化,该相位差经过PD 转换成误差电压()d t υ,此误差电压经LF 滤波后得到()c t υ,由()c t υ去改变VCO 的振荡频率使其趋近于输入信号的频率,最后达到相等。
环路达到最后的这种状态就称为锁定状态,当然由于控制信号正比于相位差,即()()d e t t υϕ∝因此在锁定状态,e ϕ(t)不可能为零,换言之在锁定状态o υ (t)与i υ(t)仍存在相位差。
实验八模拟锁相环应用实验一、实验目的1、掌握模拟锁相环的组成及工作原理。
2、学习用集成锁相环构成锁相解调电路。
3、学习用集成锁相环构成锁相倍频电路。
二、锁相环路的基本原理1、锁相环路的基本组成锁相环是一种以消除频率误差为目的的反馈控制电路,但它的基本原理是利用相位误差电压去消除频率误差,所以当电路达到平衡状态之后,虽然有剩余相位误差存在,但频率误差可以降低到零,从而实现无频差的频率跟踪和相位跟踪。
锁相环由三部分组成,如图8-1所示。
图8-1 锁相环组成方框图它包含压控振荡器(vco),鉴相器(pd)和环路滤波器(LF)三个基本部件,三者组成一个闭合环路,输入信号为v i(t),输出信号为v o(t),反馈至输入端。
下面逐一说明基本部件的作用。
1)压控振荡器(VCO)VCO是本控制系统的控制对象,被控参数通常是其振荡频率,控制信号为加在VCO上的电压,故称为压控振荡器,也就是一个电压一频率变换器,实际上还有一种电流一频率变换器,但习惯上仍称为压控振荡器。
2)鉴相器(PD)PD是一相位比较装置,用来检测输出信号v o(t)与输入信号v i(t)之间的相位差θe(t),并把θe(t)转化为电压v d(t)输出,v d(t)称为误差电压,通常v d(t)为一直流量或一低频交流量。
3)环路滤波器(LF)LF为一低通滤波电路,其作用是滤除因PD的非线性而在v d(t)中产生的无用的组合频率分量及干扰,产生一个只反映θe(t)大小的控制信号v c(t)。
按照反馈控制原理,如果由于某种原因使VCO的频率发生变化使得与输入频率不相等,这必将使v o(t)与v i(t)的相位差θe(t),发生变化,该相位差经过PD转换成误差电压v d(t),此误差电压经LF滤波后得到v c(t),由v c(t)去改变VCO的振荡频率使趋近于输入信号的频率,最后达到相等。
环路达到最后的这种状态就称为锁定状态,当然由于控制信号正比于相位差,即v d(t)∝θe(t)因此在锁定状态,θe(t)不可能为0,换言之在锁定状态v o(t)与v i(t)仍存在相位差。
实验十四模拟锁相环实验一、实验目的1、了解用锁相环构成的调频波解调原理。
2、学习用集成锁相环构成的锁相解调电路。
二、实验内容1、掌握锁相环锁相原理。
2、掌握同步带和捕捉带的测量。
三、实验仪器1、1号模块 1块2、6号模块 1块3、5号模块 1块4、双踪示波器 1台四、锁相环的构成及工作原理1、锁相环路的基本组成锁相环由三部分组成,如图14-1所示,它由相位比较器PD、低通滤波器LF、压控振荡器VCO三个部分组成一个闭合环路,输入信号为V i(t),输出信号为V0(t),反馈至输入端。
下面逐一说明基本部件的作用。
鉴相器PD 环路滤波器LF压控振荡器VCO)(t V i)(tVD)(tVC)(tV 图14-1 锁相环组成框图一、压控振荡器(VCO)VCO是本控制系统的控制对象,被控参数通常是其振荡频率,控制信号为加在VCO上的电压,故称为压控振荡器,也就是一个电压-频率变换器,实际上还有一种电流-频率变换器,但习惯上仍称为压控振荡器。
二、鉴相器(PD )PD 是一个相位比较装置,用来检测输出信号V 0(t)与输入信号V i (t)之间的相位差θe (t),并把θe (t)转化为电压V d (t)输出,V d (t)称为误差电压,通常V d (t)作为一直流分量或一低频交流量。
三、环路滤波器(LF )LF 作为一低通滤波电路,其作用是滤除因PD 的非线性而在V d (t)中产生的无用的组合频率分量及干扰,产生一个只反映θe (t)大小的控制信号V e (t)。
按照反馈控制原理,如果由于某种原因使VCO 的频率发生变化使得与输入频率不相等,这必将使V 0(t)与V i (t)的相位差θe (t)发生变化,该相位差经过PD 转换成误差电压V d (t),此误差电压经LF 滤波后得到V c (t),由V c (t)去改变VCO 的振荡频率使趋近于输入信号的频率,最后达到相等。
环路达到最后的这种状态就称为锁定状态,当然由于控制信号正比于相位差,即)()(t t V e d θ∝因此在锁定状态,θe (t)不可能为零,换言之在锁定状态V 0(t)与V i (t)仍存在相位差。
高频电子线路实训报告锁相环路仿真设计专业学生姓名学号2015 年 6 月24日锁相环应用电路仿真锁相环是一种自动相位控制系统,广泛应用于通信、雷达、导航以及各种测量仪器中。
锁相环及其应用电路是“通信电子电路”课程教学中的重点容,但比较抽象,还涉及到新的概念和复杂的数学分析。
因此无论是教师授课还是学生理解都比较困难。
为此,我们将基于Multisim的锁相环应用仿真电路引入课堂教学和课后实验。
实践证明,这些仿真电路可以帮助学生对相关容的理解,并为进行系统设计工作打下良好的基础。
锁相环的应用电路很多,这里介绍锁相环调频、鉴频及锁相接收机的Multisim仿真电路。
1.锁相环的仿真模型首先在Multisim软件中构造锁相环的仿真模型(图1)。
基本的锁相环由鉴相器(PD)、环路滤波器(I P)和压控振荡器(VCO)三个部分组成。
图中,鉴相器由模拟乘法器A 实现,压控振荡器为V3,环路滤波器由R1、C1构成。
环路滤波器的输出通过R2、R3串联分压后加到压控振荡器的输入端,直流电源V2用来调整压控振荡器的中心频率。
仿真模型中,增加R2、R3及的目的就是为了便于调整压控振荡器的中心频率。
图1 锁相环的仿真模型2.锁相接收机的仿真电路直接调频电路的振荡器中心频率稳定度较低,而采用晶体振荡器的调频电路,其调频围又太窄。
采用锁相环的调频器可以解决这个矛盾。
其结构原理如图2所示。
图2 锁相环调频电路的原理框图实现锁相调频的条件是调制信号的频谱要处于低通滤波器通带之外,也就是说,锁相环路只对慢变化的频率偏移有响应,使压控振荡器的中心频率锁定在稳定度很高的晶振频率上。
而随着输人调制信号的变化,振荡频率可以发生很大偏移。
图3 锁相环调频的仿真电路根据图2建立的仿真电路如图3所示。
图中,设置压控振荡器V1在控制电压为0时,输出频率为0;控制电压为5V时,输出频率为50kHz。
这样,实际上就选定了压控振荡器的中心频率为25kHz,为此设定直流电压V3为2.5V。
实验五 锁相环路的实验研究一、实验目的1.通过实验深入了解锁相环的工作原理和特点。
2.初步掌握锁相环主要参数的测试方法。
二、实验原理1.锁相环路的工作原理锁相环路主要由鉴相器(PD)、环路滤波器(LF)及压控振荡器(VCO)三个基本部件组成,它是一种相位负反馈自动调节系统,允许用外部参考信号去控制环路内部振荡器的频率和相位。
如果环路输入信号频率f i 与VCO 输出信号频率f o 之间的起始频差不太大,鉴相器会输出一个误差电压u d ,它与环路输入电压U s 和输出电压U o 之间的相位差θe 有关,经环路滤波器后,U d 中的高频分量被基本滤除,环路滤波器输出一个真正反映相位差θe 变化的低频分量U c ,VCO 在U c 的控制下,其振荡频率发生变化,并且向着减小环路相位差的方向变化。
当环路锁定后,U S 和U o 之间不存在频差,只存在一个固定的稳态相位差。
锁相环路对信号相位的传递具有低通滤波特性,其通带与环路滤波器参数有关。
环路滤波器的带宽直接影响环路的捕捉性能。
锁相环路各部件的传递函数分别为:PD :)(sin )(t K t u e d d θ= (2-22))()()(t u s F t u d c ⋅= (2-23)LF :)()()(t t t o i e θθθ-= (2-24)VCO :0()()d to o c t K u t t θ=⎰ (2-25) 2.锁相环路主要性能参数及指标的测量在设计锁相环路,特别是根据特定需要设计合理的环路滤波器元件参数前,应该事先知道环路另外两个部件的基本参数,即PD 的鉴相灵敏度K d (v/rad)和VCO 的压控灵敏度K o (rad/s. v)。
(1)VCO 压控灵敏度的测量VCO 压控灵敏度的定义为o o cf K U ∆=∆ (Hz/V) (2-26) 或 c o o U K ∆∆=ω (rad/s.v) (2-27) (2)环路同步带Δf H 与捕捉带Δf p 的测量① 同步带测量:首先调节信号源输出频率(锁相环输入频率f i ),使环路处于良好的锁定状态,即示波器上u i 和u o 波形不但清晰稳定,而且要尽可能保持很小的相位差。
实验三模拟锁相环与载波同步实验一、实验目的1. 掌握模拟锁相环的工作原理,以及环路的锁定状态、失锁状态、同步带、捕捉带等基本概念2. 掌握用平方环法从2DPSK信号中提取相干载波的原理及模拟锁相环的设计方法3. 了解相干载波相位模糊现象产生的原因二、实验内容1. 观察模拟锁相环的锁定状态、失锁状态及捕捉过程2. 观察环路的捕捉带和同步带3. 用平方环法从2DPSK信号中提取载波同步信号,观察相位模糊现象三、基本原理常用平方环或同相正交环(科斯塔斯环)从2DPSK信号中提取相干载波。
本实验用平方环,其原理方框图及电路原理图如图3-1、图3-2所示。
图3-1 载波同步方框图载波同步模块上有以下测试点及输入输出点:2DPSK-IN 2DPSK信号输入点MU 平方器输出测试点,VP-P>1V COMP 锁相环输入信号测试点Ud 锁相环压控电压测试点VCO 锁相环输出信号测试点,VP-P>0.2VCAR-OUT 相干载波信号输出点/测试点图3-1中各单元与图3-2中的主要元器件的对应关系如下:平方器 U2:模拟乘法器MC1496 鉴相器 U4: 锁相环HC4046环路滤波器 U4: 锁相环HC4046压控振荡器 U4: 锁相环HC4046÷2 U6:D触发器74HC74移相器 U8:单稳态触发器74LS123滤波器电感L1;电容C43压控振荡器 U5: 锁相环CD4046锁相环由鉴相器(PD)、环路滤波器(LF)及压控振荡器(VCO)组成,如图3-3所示。
图3-3 锁相环方框图模拟锁相环中,PD是一个模拟乘法器,LF是一个有源或无源低通滤波器。
锁相环路是一个相位负反馈系统,PD检测ui(t)与uo(t)之间的相位误差并进行运算形成误差电压ud(t),LF用来滤除乘法器输出的高频分量(包括和频及其他的高频噪声)形成控制电压uc(t),在uc(t)的作用下、uo(t)的相位向ui(t)的相位靠近。
设ui(t)=Uisin[ωit+θi(t)],uo(t)=Uocos[ωit+θo(t)],则ud(t)=Udsinθe(t),θe(t)=θi(t)-θo(t),故模拟锁相环的PD是一个正弦PD。
实验报告数值大小不同,环路的工作情况也不同。
若1w ∆较小,处于环路滤波器的通频带内,则差拍误差电压()e u t 能顺利通过环路滤波器加到VCO 上,控制VCO 的振荡频率,使其随差拍电压的变化而变化,所以VCO 输出是一个调频波,即()y w t 将在yo w 上下摆动。
由于1w ∆较小,所以()y w t 很容易摆动到i w ,环路进入锁定状态,鉴相器将输出一个与稳态相位差对应的直流电压,维持环路动态平衡。
若瞬时角频差1w ∆数值较大,则差拍电压()e u t 的频率较高,它的幅度在经过环路滤波器时可能受到一些衰减,这样VCO 的输出振荡角频率()y w t 上下摆动的范围也将减小一些,故需要多次摆动才能靠近输入角频率()i w t ,即捕捉过程需要许多个差拍周期才能完成,因此捕捉时间较长,若1w ∆太大,将无法捕捉到,环路一直处于失锁状态。
能够由失锁进入锁定所允许的最大固有角频差1m w ∆的两倍称为环路的捕捉带。
3、集成锁相环NE564介绍及应用(1)在本实验中,所使用的锁相环为NE564(国产型号为L564)是一种工作频率可高达50MHz 的超高频集成锁相环。
'其内部框图和脚管定义如图8-2。
其内部电路原理图如图8-3。
a、在图8-2(a )中,A1(LIMITER )为限幅放大器,它主要由原理图中的Q1~Q5及Q8,Q7组成。
Q1~Q5组成PNP ,NPN 互补的共集—共射组合差分放大器,由于Q2,Q3负载并联有肖特基二极管D1,D2,故其双端输出电压被限幅在20.3~0.4D V v =左右。
因此可有效消除FM 信号输入时,干扰所产生的寄生调幅。
Q7,Q8为射极输出差放,以作缓冲,其输出信号送鉴相器。
(a)NE564内部框图(b)NE564管脚分布图图8-2 锁相环内部框图和引脚图b、鉴相PD (PHASE COMPARATOR )采用普通双差分模拟相乘器,由压控振荡器反馈过来的信号从外部由③端输入。
一、实训目的通过本次实训,使学生掌握锁相环倍频器的基本原理、设计方法和实验技能,提高学生运用理论知识解决实际问题的能力,培养学生的动手操作能力和团队协作精神。
二、实训内容1. 锁相环倍频器的基本原理锁相环倍频器是一种能够将输入信号频率进行整数倍放大的电路。
它主要由压控振荡器(VCO)、鉴相器(PD)、低通滤波器(LPF)和分频器组成。
当输入信号与VCO的输出信号之间存在相位差时,PD将这个相位差转换为误差电压,通过LPF滤波后,控制VCO的频率,使VCO的输出信号与输入信号保持同步,从而达到倍频的目的。
2. 锁相环倍频器的设计(1)选择合适的VCO:根据输入信号的频率和所需的倍频次数,选择合适的VCO,确保VCO的频率范围满足设计要求。
(2)设计鉴相器:鉴相器的作用是检测输入信号与VCO输出信号的相位差,并将相位差转换为误差电压。
常用的鉴相器有乘法鉴相器和相位比较鉴相器。
(3)设计低通滤波器:低通滤波器的作用是滤除误差电压中的高频分量,使其平滑,以便控制VCO的频率。
常用的低通滤波器有RC滤波器和有源滤波器。
(4)设计分频器:分频器的作用是将VCO的输出信号进行分频,得到所需的倍频信号。
常用的分频器有数字分频器和模拟分频器。
3. 锁相环倍频器的实验(1)搭建实验电路:根据设计好的电路图,搭建锁相环倍频器实验电路。
(2)测试电路性能:使用示波器、频率计等仪器,测试电路的输出信号频率、相位噪声、频率稳定度等性能指标。
(3)分析实验结果:根据实验数据,分析电路性能,找出存在的问题,并提出改进措施。
三、实训过程1. 实验准备(1)查阅相关资料,了解锁相环倍频器的基本原理、设计方法和实验技巧。
(2)熟悉实验设备和仪器,了解其性能和操作方法。
(3)设计实验电路图,列出所需元器件清单。
2. 搭建实验电路(1)按照实验电路图,连接电路元器件。
(2)检查电路连接是否正确,确保电路安全可靠。
3. 测试电路性能(1)使用示波器观察VCO的输出信号波形,记录频率、相位噪声等数据。
实验八 锁相环和载波提取一、实验目的1、了解通信系统中锁相环的建立与仿真2、了解通信系统中载波提取电路的建立与仿真二、实验内容1、建立一个采用乘法器作为鉴相器的一阶锁相环。
2、构建一个抑制载波的双边带调制系统。
载波频率为10K ,被调信号为1K 正弦波,试用平方环恢复载波并进行解调。
三、实验原理:1、一阶锁相环VCOVCO 的振荡频率为100Hz ,控制灵敏度为kc=10Hz/V ,VCO 输出信号振幅为1V ,输入正弦信号振幅为1V 。
设输入信号为()cos(2())r t ft t πφ=+,VCO 输出信号为ˆ()sin(2())s t ft t πφ=+,则乘法鉴相器输出(滤除2倍频分量后)直接用来作为VCO 的控制信号()v t ,即1ˆ()sin()2v t φφ=- 显然,()[0.5,...0.5]v t ∈-。
VCO 的最大控制频偏为max[()]5c f k v t Hz ∆==因此,VCO 的振荡频率范围是95~105Hz ,如果输入信号频率超过该范围,锁相环将不能跟踪。
上图中,系统仿真步进设置为0.0001s ,这样,在100Hz 波形的一个周期中采样点数可达到100点。
显示波形很光滑。
2、抑制载波的双边带调制系统仿真步进设置为10-6s。
加性高斯白噪声信道中加入噪声方差为0.01的噪声。
用乘法器完成信号的平方运算。
带通滤波器的通带设置为19~21kHz。
后面的乘法器与VCO共同组成锁相环,要使锁相环能够锁定,VCO的中心频率可设置为20K 附近,如20.3K,控制灵敏度可设置为4000Hz/V。
通过COUNTER模块二分频得到恢复载波。
COUNTER模块设置为升计数上升沿触发模式,最大计数值为1,输出端为计数输出,输出数据类型为双精度的。
计数器的初始状态可设置为0或1,这将决定输出恢复载波的相位。
最下面的乘法器是直接使用发送载波进行理想相干解调。
可用开关切换相干解调时的载波。
实验一 模拟锁相环模块一、实验原理和电路说明模拟锁相环模块在通信原理综合实验系统中可作为一个独立的模块进行测试。
在系统工作中模拟锁相环将接收端的256KHz 时钟锁在发端的256KHz 的时钟上,来获得系统的同步时钟,如HDB3接收的同步时钟及后续电路同步时钟。
f 0=256K H z 64K H z U P 04U P 03B U P 02U P 01512K H z 分频器÷4分频器÷8H D B 3环路滤波器放大器图 2.1.1 模拟锁相环组成框图T P P 02T E S T 跳线器K P 02V C O T P P 03T P P 06T P P 04T P P 05256K b itp sT P P 07带通滤波器T P P 01U P 03A 64K H z 该模块主要由模拟锁相环UP01(MC4046)、数字分频器UP02(74LS161)、D 触发器UP04(74LS74)、环路滤波器和由运放UP03(TEL2702)及阻容器件构成的输入带通滤波器(中心频率:256KHz )组成。
在UP01内部有一个振荡器与一个高速鉴相器组成。
该模拟锁相环模块的框图见图2.1.1。
因来自发端信道的HDB3码为归零码,归零码中含有256KHz 时钟分量,经UP03B 构成中心频率为256KHz 有源带通滤波器后,滤出256KHz 时钟信号,该信号再通过UP03A 放大,然后经UP04A 和UP04B 两个除二分频器(共四分频)变为64KHz 信号,进入UP01鉴相输入A 脚;VCO 输出的512KHz 输出信号经UP02进行八分频变为64KHz 信号,送入UP01的鉴相输入B 脚。
经UP01内部鉴相器鉴相之后的误差控制信号经环路滤波器滤波送入UP01的压控振荡器输入端;WP01可以改变模拟锁相环的环路参数。
正常时,VCO 锁定在外来的256KHz 频率上。
模拟锁相环模块各跳线开关功能如下:1、跳线开关KP01用于选择UP01的鉴相输出。
当KP01设置于1_2时(左端),选择异或门鉴相输出,环路锁定时TPP03、TPP05输出信号将存在一定相差;当KP01设置于2_3时(右端),选择三态门鉴相输出,环路锁定时TPP03、TPP05输出信号将不存在相差,详情请参见4046器件性能资料。
调整电位器WP01可以改变模拟锁相环的环路参数。
2、跳线开关KP021是用于选择输入锁相信号:当KP021置于1_2时(HDB3:左端),输入信号来自HDB3编码模块的HDB3码信号;当KP021置于2_3时(TEST:右端)选择外部的测试信号(J007输入),此信号用于测量该模拟锁相环模块的性能。
在该模块中,各测试点的定义如下:1、TPP01:256KHz带通滤波器输出2、TPP02:隔离放大器输出3、TPP03:鉴相器A输入信号(64KHz)4、TPP04:VCO输出信号(512KHz)5、TPP05:鉴相器B输入信号(64KHz)6、TPP06:环路滤波器输出7、TPP07:锁定指示检测(锁定时为高电平)二、实验仪器1、J H5001通信原理综合实验系统一台2、20MHz双踪示波器一台3、函数信号发生器一台三、实验目的1、熟悉模拟锁相环的基本工作原理2、掌握模拟字锁相环的基本参数及设计四、实验内容准备工作:将输入信号选择开关KP02设置在TEST位置,鉴相输出开关KP01设置在2_3位置(右端)。
1.VCO自由振荡频率测量(1)将测试信号输入端口J007接地,把函数信号发生器方式设置为记数(频率计功能),闸门时间放在100ms或1s,测量TPP04监测点的VCO输出振荡频率f0。
记录闸门每次闪动的频率读数(其读数不太稳定)。
(2)求出VCO在频率512KHz时的短期频率稳定度(△f/ f0)。
2.锁定状态观测(1)用函数信号发生器从测试信号输入端口J007送入一个256 KHz的TTL方波信号。
用示波器同时测量鉴相器输入A、B脚的波形TPP03、TPP05的相位关系。
环路锁定该两信号将不存在相差。
观察示波器可知,两信号不存在相位差。
(2)将鉴相输出开关KP01设置在1_2位置(左端),重复上述测量步骤。
环路锁定该两信号将存在相差。
观察示波器可知,两信号存在相位差。
3.锁定频率测量和分频比计算将函数信号发生器设置在记数状态(频率计)。
参见图2.1.1模拟锁相环模块的框图,测量各频率。
记录测量结果,计算分频比。
4.环路锁定过程观测用函数信号发生器从测试信号输入端口J007送入一个256KHz的TTL方波信号。
用示波器同时观测TPP03、TPP05的相位关系,测量时用TPP03同步;反复断开和接入测试信号,让锁相环进行重新锁定状态。
此时,观察它们的变化过程(锁相过程)。
此步骤我们注意观察了示波器的波形变化,图像没记录。
5.锁定检测信号观测将跳线器KP01设置在2_3位置(由端),用函数信号发生器产生一个256KHz的TTL 信号送入数字数字信号测试端口J007,用示波器观测锁定检测点TPP07点的波形。
调整函数信号发生器输出频率使环路失锁和锁定,记录TPP07点的波形变化。
a.当输入信号为256KHz的TTL信号时,TPP07的波形如下:b.当输入TTL信号的频率逐步变大时,TPP07的波形如下:c..当输入TTL信号的频率逐步变大时,TPP07的波形如下:6.同步带测量:(备注:蓝色图形为J007的波形,红色为TPP04的波形)(1)用函数信号发生器产生一个256KHz的TTL信号送入数字信号测试端口J007。
用示波器同时测量J007、TPP04的相位关系,测量时用J007同步;正常时环路锁定,该两信号应为同步。
(2)缓慢增加函数信号发生器输出频率,直至J007、TPP04两点波形失步,记录下失步前的频率。
在调节函数信号发生器输出频率过程中得失步前的频率为:f=343.1Hz。
(3)调整函数信号发生器频率为256KHz,使环路锁定。
缓慢降低函数信号发生器输出频率,直至J007、TPP04两点波形失步,记录下失步前的频率。
在调节函数信号发生器输出频率过程中得失步前的频率为:f=184.4Hz。
(4)计算同步带。
根据(2)和(3)的结果可得,同步带为:B1=343.1Hz—184.4Hz=158.7Hz。
7.捕捉带测量(1)用函数信号发生器产生一个256KHz的TTL信号送入数字信号测试端口J007。
用示波器同时测量J007、TPP04的相位关系,测量时用J007同步;正常时环路锁定,该两信号应为同步。
(2)增加函数信号发生器输出频率,使J007、TPP04两点波形失步;然后缓慢降低函数信号发生器输出频率,直至J007、TPP04两点波形同步。
记录下同步一刻的频率。
在调节函数信号发生器输出频率过程中得同步一刻的频率为:f=184.4Hz。
(3)降低函数信号发生器输出频率,使J007、TPP04两点波形失步;然后缓慢增加函数信号发生器输出频率,直至J007、TPP04两点波形同步。
记录下同步一刻的频率。
在调节函数信号发生器输出频率过程中得同步一刻的频率为:333.6Hz。
(4)计算捕捉带。
根据(2)和(3)结果可得,捕捉带为:B=333.6Hz—184.4Hz=149.2Hz。
8.VCO压控灵敏度测量用函数信号发生器产生一个256KHz的TTL信号送入数字信号测试端口J007,将示波器放在DC输入位置,示波器幅度显示设置<500mv/DIV,用示波器检测VCO输入的压控电压(TPP06)。
缓慢增加函数信号发生器输出频率到276KHz,记录此时TPP05的电压值V1;缓慢降低函数信号发生器输出频率到236KHz,记录此时TPP05的电压值V2。
计算压控灵敏度:40KHz/(V1-V2)。
亦可用数字三用表测量TPP06点的直流电压。
五、实验总结1、根据环路参数,解释为什么TPP04的波形存在抖动?在锁相环环路中,各基本噪声源产生的噪声不仅会影响信号的幅度,还会影响信号的相位,即会产生一定程度的相位抖动。
一般来说,锁相控制总是滞后于输出而实现的,因此抖动总是不可避免的,但是可以通过一定的途径来减弱。
锁相环是指一种电路或者模块,它用于在通信的接收机中,其作用是对接收到的信号进行处理,并从其中提取某个时钟的相位信息。
或者说是对于接收到的信号,仿制一个时钟信号,使得这两个信号从某种角度来看是同步的。
锁相环电路因其具有环路跟踪功能和易于集成等优点得到了广泛的应用。
在本次实验中对锁相环的两个重要的参数进行了实际测量与分析。
锁相环的同步带定义为在频率的增大和减小时失步一刻的频率临界值之差,捕捉带则是失步后再次恢复同步一刻的临界值之差。
通过此次实验发现二者的关系是同步带包含捕捉带。
实际上,环路闭合后能自动进入锁相状态的输入信号频率最大变化范围的二分之一就是捕捉带,环路能保持锁定的输入信号频率最大变化范围的二分之一就是同步带,捕捉带小于同步带,在实验中也得到了验证。
捕捉带和同步带是影响锁相环性能的两个重要参数:前者影响入锁的可靠性,后者决定入锁后相位误差的大小。
因此希望实际的锁相环的该两项参数值尽可能大。
自己的感受:这是通信原理课的第一次实验,刚开始不是很熟悉数字示波器的使用,都不知如何存储波形,但在实验过程中,通过和周围同学的探讨和老师的指导,基本懂得了如何使用。
希望以后的实验能更好地完成,弄清楚各实验的基本原理。