四川省2021年普通高校职教师资和高职对口招生统一考试
- 格式:docx
- 大小:424.96 KB
- 文档页数:7
四川省普通高校职教师资班和高职班对口招生统一考试信息技术一类专业样题(2021年版)本试卷分第一卷和第二卷两局部。
考试科目共3科,考试为合卷。
第一卷1至6页,第二卷7至11页。
总分值350分。
考试时间150分钟。
考试结束后,将本试卷和答题卡一并交回。
第一卷〔共211分〕考前须知:1.答第一卷前,考生务必将自己的姓名、准考证号、考试科目涂写在答题卡上。
2.每题选出答案后,用铅笔把答题卡上对应题目的答案标号涂黑。
如需改动,用橡皮擦干净后,再选涂其他答案标号。
不能答在试卷上。
一、单项选择题〔每题3分,共123分。
每题所给的四个选项中,只有一个正确答案,请在答题卡上将该项涂黑〕1.世界上第一台电子计算机诞生于〔〕。
A.1943B.1956C.1946D.19602.计算机软件系统由〔〕组成。
A.系统软件和应用软件B.编辑软件和应用软件C.数据库软件和工具软件D.程序、相应数据和文档3.操作系统是计算机系统中的〔〕。
A.主要硬件B.系统软件C.工具软件D.应用软件4.计算机硬件的五大主要部件包括:运算器、控制器、〔〕、输出设备和输入设备。
A.键盘B.存储器C. 鼠标D.显示器5.以下表达中,正确的选项是〔〕。
A.计算机病毒只在可执行文件中传染B.只要删除所有感染了病毒的文件就可以彻底消除病毒C.计算机病毒主要通过读/写移动存储器或Internet网络进行传播D.计算机杀病毒软件可以查出和去除任意的和未知的计算机病毒6.度量处理器CPU时钟频率的单位是〔〕。
A.MIPSB.MBC.MHzD.Mbps7.计算机的主要技术性能指标〔〕。
A.计算机所配备的语言、操作系统、外部设备B.硬盘的容量和内存的容量C.显示器的分辨率、打印机的性能等配置D.字长、运算速度、内/外存容量和CPU的时钟频率8.将二进制数“11010101000”转换为十进制数为〔〕。
A.1000B.1024C.1756D.17049.组成计算机指令的两局部是〔〕。
四川省2021职教高考英语试题()四川省2021年普通高校职教师资和高职对口招生统一考试四川省2021年普通高校职教师资和高职对口招生统一考试英语本试题卷分第I卷(共两部分)和第II卷(共三节)。
第I卷1-9页,第II卷9-10页,共10页。
考生作答时,须将答案答在答题卡上。
在本试卷、草稿纸上答题无效。
满分100分,考试时间120分钟。
考试结束,将本试题和答题卡一并交回。
第I卷(共两部分共70分)注意事项:1. 选择题必须使用2B铅笔在答题卡上将所选答案对应的标号涂黑。
2. 第I卷共两部分,共70分。
第一部分英语基础知识运用(共两节;满分30分)一、单项选择(共15小题;每小题1分,满分15分)从A、B、C、D四个选项中,选出可以填入空白处的最佳选项,并在答题卡将该项涂黑。
1. ---Why not finish your meal? ---I’m in _______ hurry. A. a B.the C. an D. 不填2.---No photos, please! ---_____________I didn’t notice the sigh on the wall. A. That’s it. B Why not? C. No exactly D. I’m sorry.3. I really don’t know _______ he’s talking about. A. that B. whenC. howD. what4. Look! At the foot of the hill___________ our new school building. A. stand B. stands C. standing D. stood5. If you want to change for a larger room, you will have to pay ______ $15. A. few B. less C. else D. another6. He tried not to cry________ he was sad.A. becauseB. as ifC. beforeD. although 7. The museum_________we visited this summer is very famous. A. whom B. what C.which D. where8. As a student, _______too little can affect how you do at school. A. sleep B. sleeping C. slept D. sleeps9. Peter, hurry up! Your teacher __________ for you in the office. A. wait B. waits C. is waiting D. waited 10. Don’t worry. You______ plenty of time to do it.A. will giveB. have givenC. will be givenD. are giving 11. Linda has bought a large house_______ a swimming pool. A. with B. in C. on D. at12. It was at the school gate ______ I first met Stephen, our new English teacher. A. when B. where C. that D. which 13. The lecture is too difficult ______A. understoodB. to be understandingC. to understandD. understanding 14. You’d better put on a heavy coat, sometimes it ______ be very cold here at night.A. shouldB. canC. wouldD. must15. _______ is impossible to better your spoken English with out much practice.英语试题卷第1页(共7页)四川省2021年普通高校职教师资和高职对口招生统一考试A. ItB. ThatC. ThisD. One第二节语言应用(共10小题;每小题1.5分,满分15分)Part A 根据下列图片所提供的信息,从16―22题所给的三个选项(A、B、C)中,选出最佳选项,并在答题卡上将该项涂黑。
四川省年普通高校职教师资和高职班对口招生统一考试纲(2021版)数学一、考试性质四川省中等职业学校对口升学考试数学大纲,是以教育部2021年公布的?中等职业学校数学教学大纲?为依据,为我省对口升学考试制定的。
命题指导思想是:按照“注重考察根底知识的同时考察能力〞的原那么,要求学生掌握必要的数学根底知识和根本的数学思想方法,为继续学习和终身开展奠根底。
命题既要有利于学生安康成长,有利于高校选拔合格新生,又要有利于中等职业学校数学学科的教学改革,提高教学质量。
二、考试内容及相关说明数学的考试命题范围包括:集合、不等式、函数、指数函数和对数函数、平面向量、三角函数、立体几何、解析几何、数列、概率与统计初步等〔即限于教材的根底模块上、下册和拓展模块〕。
(鉴于使用教材的相异,为统一数学符号起见,给出附录“关于局部数学符号的约定〞于后,供参考)。
1. 考试方式考试采用书面笔答,闭卷方式。
考试时间为120分钟,总分值为150分。
2. 试卷构造(1)考试知识层次比例和能力要求考试的数学根底知识是指本大纲所规定的教学内容中的数学概念、性质、法那么、公式、定理以及其中的数学思想方法。
①考试的要求分为“了解〞、“理解(会)〞、“掌握〞三个层次,各层次要求的比例分别为:“了解〞约占20%;“理解(会)〞约占50%;“掌握〞约占30%。
各层次要求的含义如下:了解要求对所列知识的涵义有感性和初步理性认识,知道这一知识的内容是什么,并能在有关问题中识别它。
理解(会)对数学概念、性质、法那么、公式、定理有一定的理性认识,能用正确的语言进展表达和解释,并知道它是怎样得出来的,能模仿着运用它们进展简单的计算和推理。
掌握在理解的根底上,通过适当的练习,使学生具有一定的解决数学问题和简单实际问题的能力。
②能力要求能力是指思维能力、运算能力、空间想象能力、数据处理能力以及实践能力。
思维能力:会对问题或资料进展观察、比拟、分析、综合,能符合逻辑地、准确地进展表述。
四川省一般高校职老师资班和高职对口招生统一考试·语文 3(满分150分,考试时间150分钟)一、(共15分,每小题3分)1、下列词语中,加点字的读音全部正确的一组是()A、果汁.(zhī)解剖.(pǖ)蚕茧.(jiǎn)一败涂.(tǘ)地B、堤.(tí)岸豪迈.(mài)秩.(zǐ)序痴.(c ī)人说梦C、诱惑.(huò)挪.(nuó)动删.(shān)节抱头鼠窜.(cuàn)D、商贾.(gǔ)悬.(xuán)念枯燥.(cào)斑驳.(bó)陆离2、下列词语中,没有错别字的一组是()A、训诲保彰压抑粱上君子B、祈求松驰誊写风起云涌C、苟且雕啄捐献特别亲怩D、赊欠幸运亲眷才能出众3、依次填入下列各句横线上的词语,最恰当的一组是()(1)既为之作,理应摒绝蛊惑,百般打磨,直至气象峥嵘,字字珠玑。
(2)作为观众和评论者,要有这样的意识,而作为影片的制作者更应当有的意识和胸怀。
(3)世博会期间博览馆将举办一场独特的音乐会,邀请100位音乐家同时用100台钢琴演奏肖邦的作品,音乐会将不仅是一场的视听盛宴,更将创建一项新的吉尼斯纪录。
(4)的地震,使青海省玉树藏族自治州玉树县遭遇重大人员伤亡和财产损失。
A、披肝沥胆兼听则明空前绝后毫无预兆B、呕心沥血从善如流前所未有突如其来C、处心积虑虚心慎重卓尔不群无影无踪D、挖空心思不耻下问叹为观止亘古未见4、下列各句中,没有语病的一句是()A、对于那些缺乏公共道德的人,莫非不应当受到指责和指责吗?B、戏剧中的那些场景和对白,既符合任务的性格特点,而且展示了人们的内心世界。
C、西南地区的旱灾,考验着我们对旱灾“麻木”的神经,我们要进一步进步人民群众的防灾减灾意识。
D、一般高中教化和中等职业教化是中等教化阶段的“两条腿”,一条都不能少,不行偏废。
5、下列各句中,比方方法运用不恰当的一句是()A、蜿蜒的长城如同一头硕大的巨兽,蹲在群山之巅,俯视着山下的人们。
普通高校职教师资和高职班对口招生统一考试大纲信息技术一类一、考试科目及分值比例专业综合卷满分为350分,考试时间为150分钟。
科目及分值比例如下:计算机文化基础约占38%(130分)数据库应用基础约占31%(110分)计算机网络应用基础约占31%(110分)二、试卷结构1.考试题型及分值比例(1)填空题约占15% (2)单项选择题约占35%(3)多项选择题约占10% (4)判断题约占15%(6)综合应用题约占25%2.试卷难易比例容易题占40% 较易题占30%中等难度题占20% 较难题占10%3.四川省普通高校职教师资和高职班对口招生统一考试信息技术一类专业综合试题结构建议三、考试范围及要求对知识的要求按“了解、理解、掌握”三个等级划分。
科目1:【计算机文化基础】1.计算机基础知识(1) 了解计算机的发展及应用(2) 了解计算机的特点及分类(3) 掌握计算机系统的组成,理解计算机软件和硬件的概念(4) 理解计算机软件的分类,程序、计算机程序设计语言的概念(5) 掌握计算机硬件系统的组成,了解计算机的工作原理(6) 理解微型计算机的CPU、主板、存储器、常用外围设备的功能,了解其性能指标(7) 理解通用外部设备接口的作用(8) 了解BIOS在计算机系统硬件配置和管理中的作用(9) 了解常用进制的表示方法,掌握二进制与十进制整数之间的转换方法(10) 理解数据的存储单位及字符的表示方法(11) 理解计算机病毒的概念,掌握其基本特征、种类及防治(12) 了解知识产权等相关法律法规(13) 了解平板电脑和触摸屏技术2.Windows操作系统的基本操作(1) 理解操作系统的概念及作用(2) 了解常见操作系统的特点、使用环境(3) 了解Windows操作系统的特点(4) 了解Windows操作系统的典型安装,掌握Windows操作系统的启动及退出方法(5) 理解桌面、图标、菜单、任务栏、工具栏、窗口和对话框、快捷方式等概念(6) 掌握窗口的组成及操作方法(7) 掌握菜单的基本类型及操作方法(8) 掌握工具栏、任务栏的操作方法(9) 掌握对话框的组成及操作方法(10) 掌握中英文输入法的选择和切换方法(11) 掌握获得Windows操作系统帮助信息的方法(12) 了解命令提示符窗口的作用,掌握命令提示符窗口的启动与关闭方法,了解DIR、COPY、DEL、CD、FORMAT等常用命令3.文件和文件夹管理(1) 理解文件和文件夹的概念及命名原则(2) 理解常用的文件类型(3) 掌握文件和文件夹的显示方式和排列方式(4) 理解剪贴板、复制、剪切、粘贴的概念(5) 理解“回收站”的概念和作用(6) 掌握文件和文件夹的创建、重命名、复制、移动、删除的操作方法(7) 掌握快捷方式的创建方法(8) 掌握文件和文件夹的属性及设置方法(9) 掌握文件和文件夹的搜索方法4.Windows 操作系统常用附件(1) 理解多媒体的概念,理解常见多媒体文件的格式及其特点(2) 掌握记事本、写字板的使用方法(3) 掌握计算器的使用方法(4) 了解录音机的使用和Windows Media Player的播放功能5.Windows 操作系统的管理与维护(1) 理解屏幕保护、像素、分辨率、驱动程序、用户账户、文件系统、注册表的概念(2) 掌握“显示”属性的设置方法(3) 掌握字体的安装方法(4) 掌握输入法的安装、设置及删除方法(5) 了解鼠标和键盘的属性设置方法(6) 掌握驱动程序的安装和更新方法(7) 掌握打印机的安装方法(8) 掌握应用软件的安装和卸载方法(9) 掌握用户账户的设置方法(10) 理解磁盘分区格式的类型(11) 掌握任务管理器的使用(12) 掌握注册表编辑器的启动方法,了解注册表的基本结构(13) 了解磁盘管理、电源管理的设置方法(14) 了解系统的优化方法6.Microsoft Office 概述(1) 了解Microsoft Office的发展(2) 了解Microsoft Office的功能7.Microsoft Word 的应用(1) 掌握Word的启动、退出方法(2) 掌握文档的新建、打开、保存和关闭方法(3) 了解Word窗口界面的组成(5) 掌握文本的录入、编辑、查找和替换方法(6) 掌握字符格式、段落格式设置方法(7) 掌握项目符号和编号的设置方法(8) 掌握表格的创建和编辑(9) 掌握表格与文本的转换方法(10) 掌握页面设置、页眉和页脚的设置方法(11) 掌握分栏设置的方法(12) 掌握边框和底纹的设置方法(13) 掌握图片、艺术字、文本框的插入及格式设置方法(14) 掌握文档的打印设置与预览(15) 掌握文档的修订方法(16) 了解节和页的应用(17) 了解文档的保护和合并8.Microsoft Excel 的应用(1) 了解Excel窗口界面的组成(2) 理解工作薄、工作表及单元格的概念(3) 掌握工作薄的创建、保存、打开和关闭方法(4) 掌握工作表的插入、重命名、选择、移动、复制、删除、打印等操作方法(5) 掌握行、列、单元格的选定、插入、删除、移动、复制方法(6) 掌握数据的输入、填充、清除方法(7) 掌握行高、列宽、单元格格式设置方法(8) 了解条件格式的使用(9) 掌握页面设置方法(10) 理解单元格引用的概念及分类(11) 掌握公式与常用函数的应用(12) 掌握数据的排序、筛选方法,了解分类汇总的功能及操作方法(13) 掌握图表的插入和格式设置方法9.Microsoft PowerPoint 的应用(1) 掌握PowerPoint的启动、退出方法(2) 掌握演示文稿的新建、打开、保存和关闭方法(3) 了解PowerPoint的窗口界面及视图方式(4) 了解在PowerPoint中能播放的动画、音频、视频文件的格式(5) 掌握在PowerPoint中添加文字、插入图片、剪贴画、自选图形、音频、视频的方法(6) 理解幻灯片版式、幻灯片配色方案、幻灯片背景色、前景色、备注页、母版等概念(7) 掌握在幻灯片中设置超链接、动作按钮、动画效果、幻灯片切换的方法(8) 了解演示文稿放映类型10.Microsoft Office综合应用(1) 理解常用Microsoft Office组件功能和特点,掌握其设置方法:组织结构图、公式编辑器、自选图形(2) 了解邮件合并的作用,掌握邮件合并的操作步骤(3) 理解选择性粘贴在Microsoft Office的作用科目2:【数据库应用基础】1.数据库概述(1) 掌握数据库的概念(2) 掌握实体间的一对一、一对多与多对多关系(3) 了解数据库的基本类型,掌握关系型数据库的基本特点2.Access数据库的基本操作(1) 了解Access软件的发展及特点(2) 掌握Access的启动、关闭方法(3) 掌握创建数据库的方法(4) 掌握数据库的打开与关闭方法(5) 了解数据库类型的转换3. Access表的操作(1) 了解表、字段、记录的概念(2) 理解Access的常用数据类型(3) 掌握表的创建方法(4) 掌握表结构的修改及维护方法(5) 掌握字段基本属性设置方法(6) 了解表的浏览及格式设置(7) 掌握数据排序、筛选方法(8) 掌握数据的查找与替换方法4. Access数据查询(1) 了解查询的基本概念及功能(2) 理解查询的类型(3) 掌握创建与修改查询的方法5.SQL初步(1) 掌握SELECT命令基本格式(2) 了解CREATE、INSERT、UPDATE、DELETE命令格式(3) 了解SQL查询的创建方法(4) 了解SQL基本语句的使用6. Access报表的创建与设计(1) 了解报表的特点(2) 掌握创建报表的方法(3) 了解报表的设计与编辑(4) 了解报表打印的基本方法7. Access窗体的创建与设计(1) 了解窗体的功能和类型(2) 了解窗体各控件的功能及使用(3) 掌握创建窗体的方法(4) 掌握常用控件的属性设置8. Access宏的创建与运行(1) 了解简单宏和条件宏的创建方法(2) 了解宏的运行9. Access数据库的管理及安全设置(1) 掌握数据库的压缩和修复方法(2) 掌握数据库的备份和恢复方法(3) 掌握设置数据库密码的方法10.程序设计基础(1) 理解算法的概念、程序的顺序结构、分支结构、循环结构(2) 掌握VBA语法基础中的变量、常量的声明方法及作用范围(3) 了解VBA中的各种常用运算符(4) 掌握VBA中提供的数学函数、字符串函数、日期/时间函数及转换函数(5) 了解VBA中常用的数据类型及关键字(6) 了解Msgbox函数的常量与对应值和返回值(7) 掌握VBA结构语句中常用的赋值语句、条件语句、循环语句的应用方法(8) 了解数组及数组的定义科目3:【计算机网络应用基础】1.网络基本概念(1) 了解计算机网络的形成与发展(2) 理解计算机网络的概念(3) 了解计算机网络的应用(4) 掌握计算机网络的组成及分类(5) 掌握计算机网络拓扑结构的分类及特点(6) 了解拓扑结构图的绘制(7) 掌握OSI参考模型的分层及各层的功能(8) 理解计算机协议、TCP/IP协议的概念(9) 理解OSI参考模型与TCP/IP协议的关系(10) 掌握TCP/IP协议的配置方法(11) 掌握TCP/IP协议的分层及各层功能2.局域网基础(1) 了解局域网的特点(2) 理解局域网的组成(3) 掌握传输介质的种类和应用场合(4) 掌握局域网的层次结构(5) 了解局域网的介质访问控制方法(6) 掌握局域网的连接设备及应用(7) 掌握局域网的组建方法(8) 掌握水晶头制作标准及方法(9) 了解IEEE 802标准系列(10) 了解以太网的产生、发展以及分类(11) 了解以太网寻址方法(12) 了解虚拟局域网(VLAN)特点、分类(13) 了解无线局域网的特点及组建(14) 掌握常用网络连通测试命令(ping、ipconfig、tracert、netstat命令)(15) 掌握设置及访问网络共享的方法3.因特网基础(1) 了解Internet的发展及因特网的接入方式(2) 理解IP地址的概念、分类、组成和表示方法,了解IPv6基本概念(3) 理解域名系统概念和含义(4) 掌握WWW、E-mail、FTP、Telnet等服务的应用(5) 掌握URL的概念及使用方法(6) 了解子网的规划与划分(7) 掌握IE浏览器的使用方法(8) 掌握因特网中获取信息资源的方法(9) 掌握电子邮箱的设置及使用方法4.网络安全技术(1) 了解常用的加密技术(2) 理解数据加密的概念(3) 了解常用认证技术的概念(4) 理解防火墙的概念及使用(5) 理解病毒的定义、特点及分类(6) 了解防病毒软件的安装及使用方法(7) 了解木马及常用的木马查杀工具(8) 掌握常用防病毒软件的安装及使用方法(9) 了解木马的定义、特点(10) 掌握常用的木马查杀工具的使用方法5.HTML语言入门(1) 了解网页与网站的概念(2) 理解HTML文件的基本结构(3) 理解HTML语言的常用标记(4) 掌握列表标记、超链接标记、表格标记的应用(5) 掌握表单和框架技术的应用(6) 了解多媒体在网页中的应用(7) 了解CSS在网页中的应用注1:2014年涉及软件为Windows XP和Office 2003,2015年涉及软件将升级为Windows 7和Office 2010。
2021年四川省职高对口信息一类模拟题二机密★考试前结束前四川省2021年普通高校职教师资和高职班对口招生统一考试信息技术一类专业综合试题卷(共11页)四川省2021年普通高校职教师资和高职班对口招生统一考试信息技术一类专业综合试题卷(模拟二)本试卷分第Ⅰ卷和第Ⅱ卷。
第Ⅰ卷1至5页,第Ⅱ卷6至11页,共11页。
考生作答时须将答案填写到答题卡上,在试题卷、草稿纸上答题无效。
满分350分。
考试时间150分钟。
考试结束后,将本试卷和答题卡一并交回。
第Ⅰ卷(共211分)注意事项:1. 必须使用2B铅笔在答题卡上将所选答案对应的标号涂黑。
2. 第Ⅰ卷共三个大题,76小题,共211分。
一、单项选择题(每题3分,41小题,共123分。
每题所给的四个选项中,只有一个正确答案,请在答题卡上将该项涂黑)1.晶体管是第()代计算机所采用的电子元件。
A.一 B.二 C.三 D.四2.利用计算机系统时行生产设备的管理、控制和操作的过程一般被称为()。
A.CAD B.CAM C.CAT D.CAI3.十进制151.75转化为二进制数是()。
A.1101001.11 B.1110101.011 C.10010111.11 D.10011101.01 4.大写字母“A”与小写字母“d”的ASCII码之差是()。
A.35 B.5 C.36 D.无法比较 5.下列软件属于系统软件的是()。
A.文字处理软件 B.图形处理软件 C.视频处理软件 D.病毒查杀软件6.在计算机领域,CMOS常指保存计算机基本启动信息(如日期、时间、启动设置等)的芯片。
有时人们会把CMOS和BIOS混称,其实CMOS是主板上的一块()芯片,是用来保存BIOS的硬件配置和用户对某些参数的设定。
A.FLASH B.CACHE C.ROM D.RAM7.计算机术语中,常用到“I/O”,下列属于“O”的设备是()。
A.手写笔 B.数位板 C.绘图仪 D.扫描仪 8. 病毒对计算机系统具有一定的破坏性。
四川省年普通高校职教师资和高职班对口招生统一考试农林牧渔类专业综合样题本试卷分第一部分(选择题)和第二部分(非选择题),共两部分。
考生作答时,须将答案答在答题卡上,在本试卷、草稿纸上答题均无效。
满分分。
考试时间分钟。
考试结束后,将本试卷和答题卡一并交回。
第一部分(选择题共分)注意事项:.必须使用铅笔将答案标号填涂在答题卡上对应题目标号的位置上。
.本部分共分。
一、单项选择题(每小题分,共分。
每小题所给的四个选项中,只有一个正确答案,请在答题卡上将该项涂黑).属于绿色植物细胞特有的一种细胞器()。
.液泡.质体.细胞壁.内质网.着生于枝条顶端的芽()。
.顶芽.定芽.不定芽.腋芽.初冬土壤冻结,越冬植物停止生长;早春土壤开始解冻,越冬植物开始萌动的临界温度是()。
℃℃℃ .℃.我国土壤大多数在()范围。
~~~~.生产上常施用菌肥养地培肥土壤,是利用了()原理。
.物理吸收.化学吸收.生物吸收.离子交换吸收.下列()属于土壤中最有效的水分。
.束缚水.毛管水.重力水.都是.下列植物中()属于C4植物.玉米.小麦.水稻.棉花.高于生物学下限温度的日平均温度是()。
.积温.活动温度.活动积温.有效温度.玉米早期出现了“白苗病”可能是缺()引起的。
.不论何种植物,都可用()植株死亡的临界致死温度作为其冻害温度。
.下列氮肥中,宜作种肥的是()。
.碳酸氢铵.硫酸铵.氯化铵.硝酸铵.下列畜禽粪中,属“冷性肥料”的是()。
.猪粪.牛粪.马粪.鸡、鸭、羊粪.在机体中的作用主要是参与凝血过程,加速血液凝固的维生素是()。
.维生素.维生素.维生素.维生素.常用青饲料中蛋白质含量最多的青饲料是()。
.水生青饲料.禾本科青饲料.蔬菜类青饲料.豆科青饲料.钠是动物所需的重要元素,常用的补充形式是()。
.碳酸钠.硫酸钠.硝酸钠.食盐.蛋白质饲料是指干物质中,粗纤维含量低于,粗蛋白质含量()的饲料。
.大于.大于或等于.小于.小于或等于.维生素对畜禽具有非常重要的营养作用,维生素不具有的营养作用是()。
四川省普通高校职教师资班和高职班对口招生统一考试服装类专业样题及答案(满分150分,150分钟完卷)一、填空题(每空1分,共30分)1.出口服装的号码L 、M 、S 分别表示( )、( )和( )。
2.桑蚕丝织物很娇贵,它耐日光性( ),对碱反应( )。
3.服装一般分为两大类。
一类是( ),即人体着装的主要部分;另一类是( ),即对服装的功能起着补充和烘托作用。
4.人造纤维又称( ),其化学组成与( )基本相同。
5.燃烧法比较适合鉴别( )和( )织物 6.一个人的手指与手掌的长度比一般为( )。
7.低腰剪接式连衣裙的剪接位置一般在( )上下波动。
8. 正常体型是指( )的体型。
9. 后肩斜度太大,可引起后领窝( )。
10. 人体活动幅度最大部位是( )。
11.在画男人体动态时,要注意表现男人体( )的体态特征,用线要( ),躯体的扭动幅度不要太( )。
12. ( )是配色美的基本规律,也是检验配色美不美的基本标准。
实现这一标准的手法是( )。
13. 织物的保型性受( )和( )直接影响。
14.合体女装收腰节省的根本原因是( ),收胸省的根本原因是( )。
15. 男衬衫复司上的缝制标记有( )个,底领脚上的缝制标记有( )个。
16.开男西服的手巾袋时,必须注意手巾袋与大身的丝缕( )。
17. 一般衣领的领面比领里略大,是为了使衣领产生()。
18.爬领是指( )外露,上盘翻领上爬的现象。
二、选择题(每小题2分,共20分,错选或多选均不得分)1、服装设计包括服装的( )。
A 、款式设计B 、结构设计C 、生产工艺设计D 、产品的价值工程设计2. 纱线按原料分为( )。
A. 精纺纱B. 纯纺纱C. 针织用纱D. 混纺纱 3. 在下列面料中,属斜纹组织的有( )。
A. 麦尔登B. 华达呢C. 卡其D. 哔叽4.净样指( )。
A.服装实践尺寸 B .包括缝份 C .包括贴边 D .已加放松度的尺寸 5. 色相环中相距90-180度左右的色称为( )。
四川省普通高校职教师资班和高职班对口招生职业技能考试大纲旅游效劳二类〔2021版〕一、考试性质本职业技能考试是中等职业学校〔含普通中专、职业高中、技工学校和成人中专〕旅游效劳二类专业毕业生报考普通高校职教师资班和高职班对口招生的选拔性全省统一考试。
二、考试依据1.?中等职业学校中餐烹饪与营养膳食专业教学标准〔试行〕?,教职成厅函〔2021〕11号。
2.国家职业标准: 中式烹调师〔职业编码:4-03-01-01,人社厅发〔2021〕62号〕。
三、考试方法旅游效劳二类职业技能考试由专业知识〔应知〕和技能操作〔应会〕考试两局部组成,考试总分为350分,其中专业知识〔应知〕局部为200分,技能操作〔应会〕局部为150分。
专业知识〔应知〕考试采用闭卷笔试考试形式,内容为旅游效劳二类专业共性根底知识,考试时间为120分钟。
技能操作〔应会〕考试采取实际操作考试方式,考试时间为90分钟。
四、考试内容和要求第一局部专业知识〔应知〕〔一〕考试科目与分值比例1.?膳食营养与食品平安? 约占20%2.?烹饪原料知识? 约占10%3.?烹饪技艺根底理论? 约占70%〔二〕试卷结构与分值比例1.单项选择题约占30%;2.名词解释题约占7.5%;3.填空题约占22.5%;4.判断题约占20%;5.简答题约占10%;6.综合题约占10%。
〔三〕考试范围及要求【膳食营养与食品平安】1.理解营养、食品卫生与平安的概念;了解营养素的分类。
2.营养学概述〔1〕糖类①了解糖类的组成;掌握糖的分类以及各类糖的典型代表;掌握糖类的生理功能。
②掌握膳食纤维的概念及其生理功能。
③了解糖的需要量及食物来源。
〔2〕脂类①了解脂类的组成;掌握脂类的分类和生理功能。
②掌握脂肪酸的分类;理解必需脂肪酸的概念和种类。
③理解脂肪营养价值的评价方法;了解脂类的需要量及食物来源。
〔3〕蛋白质①了解蛋白质的化学组成;掌握氨基酸的分类;理解必需氨基酸和非必需氨基酸的概念。
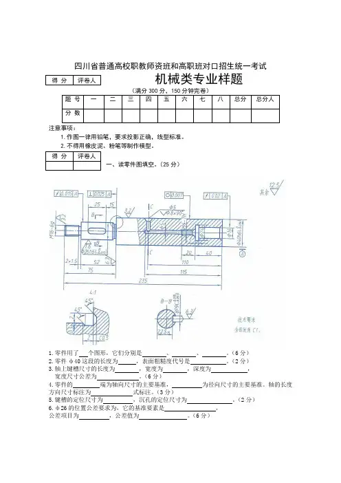
四川省普通高校职教师资班和高职班对口招生统一考试机械类专业样题题号一二三四五六七八总分总分人分数注意事项:1.作图一律用铅笔,要求投影正确,线型标准。
2.不得用橡皮泥、粉笔等制作模型。
一、读零件图填空。
(25分)1.零件用了个图形,它们分别是、、。
(6分)2.零件ф40这段的长度为,表面粗糙度代号是。
(2分)3.轴上键槽尺寸的长度为,宽度为,深度为,宽度尺寸公差为。
(6分)4.零件的端为轴向尺寸的主要基准,为径向尺寸的主要基准。
轴的长度方向尺寸标注为式标注。
(3分)5.键槽的定位尺寸为,沉孔的定位尺寸为。
(2分)6.ф26的位置公差要求为,它的基准要素是,公差项目为,公差值为。
(6分)得分评卷人得分评卷人二、选择题。
(每小题3分,共12分)已知立体的主、俯视图,找出正确的左视图,在正确图号处划“√”。
1.2.3. 4.(1)()(2)()(3)()(4)()(1)()(2)()(3)()(4)()(1)()(2)()(3)()得分评卷人(1)()(2)()(3)()(4)()得分评卷人三、根据两视图补画第三视图。
(每小题10分,共20分)1.2.四、将主视图改画成半剖视,并将左视图画成全剖视图。
(15分)五、判断题。
(正确的在括号内打“√”,错误的在括号内打“×”。
每小题1.5分,共计45分)1.夹具也不能同时保证一批工件基本都能达到相同的位置精度。
( ) 2.工件的定位基准一经确定,工件上其他表面的位置关系也随之确定。
( )3.工件在机床或夹具中被夹紧后,就实现了工件在夹具中的定位。
( )4.夹紧装置中,夹紧力的作用点应落在定位元件的支撑范围以外。
( )5.花盘盘面的平面度误差应小于0.02mm ,并且只允许中间凸。
( )6.加大切削用量对提高生产效率有利,所以切削用量越大越好,对生产越有利。
( )7.在相同切削深度下,加大主偏角,参加切削的主切削刃长度缩短,单位长度上负荷加大,又由于刀尖角减小,散热条件变差,所以切削温度上升。
四川省普通高校职教师资班和高职班对口招生职业技能考试大纲加工制造类(年版)一、考试性质本职业技能考试是中等职业学校(含普通中专、职业高中、技工学校和成人中专)加工制造类专业毕业生报考普通高校职教师资班和高职班对口招生的选拔性全省统一考试。
二、考试依据.《中等职业学校专业教学标准(试行)加工制造类》(教职成厅函〔〕号)。
.教育部中等职业学校机械制图等门机械类专业基础课程教学大纲,(教职成[]号)。
()中等职业学校《机械制图》教学大纲;()中等职业学校《机械基础》教学大纲;()中等职业学校《金属加工与实训》教学大纲;()中等职业学校《电工电子技术与技能》教学大纲。
.国家职业标准:钳工(装配钳工、职业编码:,工具钳工、职业编码:,标准发文:劳社厅发[]号、人社厅发[]号)。
三、考试方法加工制造类职业技能考试由专业知识(应知)和技能操作(应会)考试两部分组成,考试总分为分,其中专业知识(应知)部分为分,技能操作(应会)部分为分。
专业知识(应知)考试采用上机考试形式,内容为加工制造类专业共性基础知识,考试时间为分钟,考试试卷由计算机考试系统按规定的比例从题库随机抽取、组合。
技能操作(应会)考试采取实际操作考试方式,考试时间为分钟。
四、考试内容和要求第一部分专业知识(应知)(一)考试科目与分值比例.机械制图,约占;.机械基础,约占;.金属加工与实训,约占;.电工电子技术与技能,约占。
(二)试卷结构与分值比例.单项选择题,约占;.多项选择题,约占;.填空题,约占;.判断题,约占。
(三)考试范围及要求【机械制图】.制图的基本知识和技能()理解国家标准《技术制图》和《机械制图》中的基本要求;()了解平面图形的分析和画法,能正确进行平面图形的尺寸标注;()了解机械制图中尺寸公差、几何公差、表面粗糙度等基本概念,理解其符号、代号含义,正确标注尺寸公差、几何公差及表面粗糙度。
.投影基础()了解投影的概念及分类,理解正投影的基本性质;()了解点、直线、平面的绘制与投影规律;能识读点、直线、平面的空间位置;()了解三视图的形成过程,理解三视图之间的对应关系,能识读与绘制物体三视图。
四川省普通高校职教师资班和高职班对口招生统一考试数学试题试卷样题第一部分(选择题共60分)注意事项:1.必须使用2B铅笔将答案标号填涂在答题卡上对应题目标号的位置上。
2.本部分15个小题,每小题4分,共60分。
一、选择题:(本大题共15小题,每小题4分,满分60分。
在每小题给出的四个选项中,只有一项是符合题目要求的。
)1.设集合A={1,3,7,9},B={2, 5-a,7,8},A∩B={3,7},则a=().A.2 B. 8 C. -2 D. -82.设sin>0,tan<0,则角是().A.第一象限角B. 第二象限角C. 第三象限角D. 第四象限角3.不等式|2x-3|≤3的解集是().A. [-3,0]B. [-6,0]C. [0,3]D. (0,3)4.下列函数在区间(0,+∞)上是减函数的是( )A. B. C. D.5.已知,则的取值范围是( )A. (-∞,0)B. (0,+∞)C. (-∞,)D. (,+∞)6.已知P:||=,q:,则p是q的()条件.A.充分不必要 B.必要不充分C.充要 D.既不充分又不必要7.已知圆的圆心坐标为(-1,2)则().A. -2B. 2C. -4D. 48. 已知,,且,那么().A. 7B. 5C.D. 139. 下列直线与直线垂直的是().A、B、C、D、10.已知抛物线y=2px的焦点与椭圆的右焦点重合,则p的值为().A. -2B. 2C. -4D. 411.函数的图像是由函数经过( )得来的。
A.向右平移个单位B.向左平移个单位C.向上平移个单位D.向下平移个单位12.设,则( ).A. B. C. D. 313.钢铁厂生产了一批大型钢管,并排堆放在库房里,底下一层排放了20根,第二层排放了19根,往上每层比下一层少1根,共放了16层,这堆钢管共有()根。
A. 225B. 200C. 192D.16814.长方体的长、宽、高分别为5、4、3,则长方体的外接球的表面积是().A. 50B. 100C. 200D.15. 某学校二年级有8个班,甲,乙两人从外地转到该年级插班,学校让他们各自随机选择班级,他们刚好选在同一个班的概率是().A. B. C. D.第二部分(非选择题共90分)注意事项;1.必须使用0.5毫米黑色墨迹签字笔在答题卡上题目所指示的答题区域内作答。
四川省2021年普通高校对口招生统一考试教育类专业综合本试卷分第I卷(选择题)和第Ⅱ卷(非选择题)。
考生作答时,须将答案答在答题卡上,在本试题卷、草稿纸上答题无效。
满分350分。
考试时间150分钟。
考试结束后,将本试题卷、答题卡和草稿纸一并交回。
第I卷(共190分)注意事项:1.必须使用2B铅笔在答题卡上将所选答案对应的标号涂黑。
2.第I卷共两大题,70小题,共190分。
一、单项选择题:本大题共50小题,每小题3分,共150分。
在每小题列出的四个备选项中,只有一个正确答案。
1.学前教育的类型包括家庭教育、机构教育和A.社会教育B.早期教育C.小学教育D.社区教育2.下列关于学前儿童心理研究方法的叙述,说法正确是A.测验法的结果易受影响,不能作为研究儿童个性特征的方法B.自然实验法可以兼具观察法和实验法的优点C.谈话法要严格按照谈话提纲进行,不能更改D.观察法是最基本的研究方法,收集资料只能面向群体3.音乐活动“会唱歌的杯子”中,教师询问幼儿:“为什么不同的杯子敲打出来的声音不同?”这属于A.判断式提问B.理解式提问C.运用式提问D.评价式提问4.下列对狼孩阿玛拉经历的理解,正确的是A.环境决定人的发展B.环境对个体心理发展起决定作用C.环境对人的发展有重要的影响D.环境不影响人的发展5.机体把自身的物质不断进行分解,把分解的废物排除体外,并在物质分解时释放能量,供机体生命活动的需要。
这是新陈代谢中的A.分解作用B.同化作用C.交互作用D.异化作用6.提出儿童发展生态系统理论的是A.布朗芬布伦纳B.乔姆斯基C.格塞尔D.维果斯基7.由于大脑皮质对消化系统的调控作用而造成的影响幼儿进餐的重要因素是A.环境B.餐前活动C.食欲D.情绪8.“幼儿使用的餐饮用具和玩旅具要定期消毒”,这遵循的幼儿园教育原则是A.保障环境卫生与幼儿安全B.以游戏为基本活动C.促进幼儿全面发展D.尊重幼儿的人格与合法权利9.悦悦经过多次尝试,发现拉桌布可以取得放在桌布中央的球,下次看到床单上的球就会通过拉床单来拿到手。
四川对口高职本科院校篇一:2021~2021年后四川省普通高校职教师资说明高职班对口招生统一考试和四川省2021年普通高校职教师资和高职班对口招生统一小升初考试有关结构性问题的说明四川省普通高校职教师资和高职班对口招生统一考试(以下简称对口考试)是普通高校的维什涅韦考试,对口面试在基础知识全面考查学生基础知识、基本能力的同时,侧重对学科(专业)能力的考查。
本着稳中求改的原则,2021年对“3+X”考试各学科(专业)《考试大纲》进行了修改,调整了部分考试内容及要求,对有关学科(专业)的题型示例简述了相应的调整,使之能更好地适应中职教学实际和高校招生需要,对中职全面实施素质教育发挥积极的作用。
点出下面就有关结构性问题作如下说明:一、命题依据对口考试命题依据为《考试大纲》。
《考试大纲》对各学科(专业)考试科目、内容、比例、做题等做了具体规定,考试试题的编制或仅不超出相关学科(专业)考试大纲的规定。
二、考试科目与分值对口考试执行“3+X”考试模式。
“3”指语文、数学、英语三门文化基础课,语文满分为150分,数学满分为150分,英语满分为100分;“X”指专业综合,满分为350分。
总分750分。
1.文化基础课考试教育部对中等职业学校文化课教材的实行“一纲多本”,因此我省对口考试国文、数学、英语三个学科的考试范围统一按教育部颁发的《中等职业学校古典文学、数学、英语教学大纲》的要求执行,不指定教材版本,具体情况要求见考试大纲。
对口考试语文、数学、英语和科的试卷结构见《考试大纲》所附样卷。
2.专业综合考试我省2021年对口考试考试类别有:农林牧渔类、土木水利类、财经商贸类、信息技术一类、信息技术二类、加工制造类、私人管理与服务类、文化艺术类、旅游服务一类、旅游服务二类、轻纺食品类、医药卫生一类、医药卫生三类、材料类、全国供销合作社系统职教师资班招生单独考试等15个专业。
其中,文化艺术类考生的专业课参加本科课程普通高校艺术类专业招生全省统合考试,不单独组织专业综合考试;材料类的专业专业课程综合评价由招生学校自行组织;全国供销系统职教师资本科班各专业领域的招生由供销系统单独组织考试,不在本大纲之列。
2021年四川职教高考信息一类高考题机密★启封并使用完毕前四川省2021年普通高校职教师资和高职班对口招生统一考试信息技术一类专业综合本试卷分第Ⅰ卷和第Ⅱ卷两部分。
第Ⅰ卷1至7页,第Ⅱ卷8至16页。
满分350分。
考试时间150分钟。
考试结束后,将本试卷和答题卡一并交回。
第Ⅰ卷(共207分)注意事项:1.必须使用2B铅笔在答题卡上将所选答案对应标号涂黑。
2.第Ⅰ卷共三大题,75小题,共207分。
一、单项选择题(每题3分,共41题,共123分。
每题所给的四个选项中,只有一个正确答案,请在答题卡上将该项涂黑)1.第二代计算机的主要电子元件是()。
A.电子管B.晶体管C.集成电路D.大规模集成电路2.在职业教育领域,MOOCs使得每个学习者都可以通过网络开展一系列专业学习,这主要是计算机在()领域的应用。
A.数值计算B.计算机辅助技术C.过程控制D.人工智能3.我国的“银河-Ⅲ”计算机是()。
A.小型机B.微型机C.巨型机D.中型机 4.CPU一次能处理的最大二进制位数称为()A.主频B.倍频C.字长D.外频 5.基本输入输出系统是()。
A.BIOSB.CMOSC.DOSD.ROM6.下列数据传输接口中,理论传输速度最快的是()。
接口B.LPT接口B2.0接口B1.0接口 7.下列叙述正确的是()。
A.MIDI音乐是波形文件B.平板电脑突破了冯・诺依曼原理C.触摸屏既是输出设备,也是输入设备D.iPhone智能手机采用的是安卓系统 8.下列数值中最大的是()。
A.(58)10B.(73)8C.(2A)16D.(1010101)2 9.已知A的ASCII码是65,则C的ASCII码()。
A.63B.64C.66D.6710.在设置密码时,为了提高密码的安全性,应该()。
A.用英文单词作为密码B.用字母、数字、符号等混合作为密码C.用自己姓名的全拼作为密码D.用电话号码作为密码 11.下列对操作系统的叙述中错误的是()。
四川省2021年普通高校职教师资和高职对口招生统一考试
数学试题
本试题卷分第I 卷(选择题)和第II 卷(非选择题)。
第I 卷1-3页,第II 卷3-4
页,共4页。
考生作答时,须将答案答在答题卡上,在本试题物,草稿纸上答题
无效。
满分150分。
考试时间120分钟。
考试结束后,将本试期卷、答题卡和草
稿纸并交回。
第I 卷(共60分)
注意事项:
1.必须使用2B 铅笔在答题卡上将所选答案对应的标号涂黑。
2.第I 卷共1大题,15小题,每小题4分,共60分。
一、选择题:本大题共15小题,每小题4分,共60分。
在每小题列出的四个选
项中,只有一个是符合题目要求的。
1.设集合M={-1,0,1,2}, N={-2,0,1}, 则M∩N=
A. {0}
B.{0,1}
C.{-2,-1,0,1,2}
D.{-1,0,1}
2.函数2
2)(-+=x x x f 的定义域是 A.(2,+∞) B.[2,+∞) C.(-2,+∞) D.[-2,+∞) 3.=43sin π A.23- B.22- C.22 D.2
3 4.已知平面向量a =(1,1),b =(-2.2), 则3a -b =
A.(-5,1)
B.(5,-1)
C.(5, 1)
D.(-5,-1)
5.函数x x f 2log )(=的单调递增区间是
A.(0,+∞)
B.[0,+∞)
C.(-∞,0)
D.(-∞,+∞)
6.函数x x y 22sin cos -=的最小正周期是
A.2π
B. π
C.
2π D. 4
π 7.过点(1. 1)且倾斜角为4π的直线的方程是 A.1-=x y B. )1(21-=-x y C.x y = D. )1(31-=-x y
8. 不等式3|2|<+x 的解集为
A. (2, 3)
B. (-5, 1)
C. (1, 0)
D. (-∞,-5)∪(1.+∞)
9.双曲线12
62
2=-y x 的焦点坐标为 A. (-6,0),(6,0) B. (-2,0),(2,0)
C. (-2, 0),(2, 0)
D. (-22,0),(22,0) 10. 已知R ∈α,则“21sin =
α”是“6
πα=”的 A.充要条件 B.既不充分也不必要条件
C.必要不充分条件
D.充分不必要条件
11.如图,一个边长为a 的正方形铁皮,从它的4个角各剪去
一个边长为x (0<x< 2
a )的小正方形,把剩下的铁皮做成一个 没有盖子的长方体盒子(不考虑剪切和焊接处的材料损耗),则
这个盒子的容积为
A. x (a - 2x )2
B. 2x (a - 2x )2
C. x (a - x )2
D. 2x (a - x )2
12. 函数b a x y ++=1的图象如图所示,它是由函数x
y 1=的图象平移而得到的, 则常数a , b 的值分别是
A. a =-2,b =-1
B. a =-2, b =1
C. a =2,b =-1
D. a =2,b =1
13. 设a ,β是两个不同的平面,m ,n 是两条不同的直线, 则下列命题中正确的是
A. 如果m ⊂a , n ⊂a , m//β, n//β,那么a//β
B. 如果a//β, m ⊂a , n ⊂β,那么m//n
C. 如果m ⊥a ,m ⊥n ,那么n ⊥a
D. 如果n ⊥a ,n//m ,那么m ⊥a
14.安排3位医务工作者完成4项不同的医疗工作,每人至少完成1项医疗工作,每项医疗工作由1人完成,那么不同的安排方式共有
A.12种
B.18种
C.24种
D. 36种
15. 定义在R 上的函数f (x )既是奇函数,又是周期函数,T 是它的一个周期,则
方程f (x )=0在闭区间[-2T , 2T ]上的实数根的个数可能是
A. 1
B.5
C. 9
D. 12
第II 卷(共90分)
注意事项:
1.必须使用0.5毫米黑色墨迹签字笔在答题卡上题目所指示的答题区域内作答。
作图题可先用铅笔绘出,确认后再用0.5毫米黑色墨迹签字笔描清楚。
答在试题
卷、草稿纸上无效。
2.第II 卷共2大题,11小题,共90分。
二、填空题:本大题共5小题,每小题4分,共20分。
16.二项式3221203)1(a x a x a x a x +++=+,则210a a a ++=_____ ( 用数字作答)
17.设函数⎩⎨⎧≤+>=-)
0(,12)0(,log )(5x x x x f x ,则))2((-f f =_____ 18. 已知平面向量a =(1, 1), b =(2, 1), 则a.b =_____
1 O 1
19.设点M 是直线y=x+4上任意一点,点N 是抛物线x y 42=上任意一点,则|MN |最小值是_____
20.为培养学生的劳动技能和环保意识,某学校组织40名学生在一条自西向东的笔直公路一侧的40个植树点处植树,相邻两个植树点相距10米,每名学生各站在一个植树点处,40株树苗集中放置在自西向东第20个植树点处,此植树点处的同学可直接领取树苗,其余同学从各自植树点出发前去领取树苗然后回到自己的植树点处,则所有同学从各自植树点出发领取树苗后再返回到自己植树点处,所走最短路程的总和是_____
三、解答题:本大题6小题,共70分。
解答应写出文字说明、证明过程或演算步骤。
21. (本小题满分10分)
某超市销售某种水果,进货后第一天售出的概率为60%的,每1千克获利2元;进货后第二天售出的概率为30%,每1千克获利1元;进货后第三天售出的概率为10%,每1千克可亏损1元。
设ξ为销售这种水果每1千克的获利金额(单位:元)
(Ⅰ)求随机变量ξ的概率分布;
(Ⅱ)求随机变量ξ的均值.
22 (本小题满分12分)
设等比数列}{n a 的前n 项和为n S ,公比q>1,且27,10324==a S S ,求数列}{n
a 的通项公式.
23. (本小题满分12分)
如图,在三核柱ABC- A 1B 1C 1中,侧校AA 1⊥底面ABC ,⊿ABC 是正三角形,
AB=AA 1=1,D 为AC 的中点。
(Ⅰ)证明: BD 1⊥AC 1; (Ⅱ)求三棱柱ABC- A 1B 1C 1的体积.
24. (本小题满分12分)
⊿ABC 的内角A 、B 、C 的对边分别为a 、b 、c ,并且
B A B A
C sin sin 2sin sin sin 222-+=.
A
C 1 C
B 1 B A 1 D
(Ⅰ)求角C 的大小;
(Ⅱ)若2,2==b a ,求⊿ABC 的面积.
25. (本小题满分12分)
设直线l :043=+--m y mx , 圆C : 4)3()4(22=-+-y x .
(Ⅰ)求证:直线l 与圆C 必有两个不同的交点;
(Ⅱ)设直线l 与圆C 的交点分别为P 、Q ,当m 为何值时|PQ |最小?并求出|PQ|的最小值。
26.(本小题满分12分)
设函数p nx mx x f ++=2)(的图象过坐标原点,且对任意的R x ∈都有)2()(x f x f -=成立,
(Ⅰ)若函数f (x )的最小值为-1,求m, n 的值;
(Ⅱ)若对任意的m ∈[1,2]都有f (x )<6成立,求实数x 的取值范围.。