气浮法
- 格式:ppt
- 大小:4.68 MB
- 文档页数:50
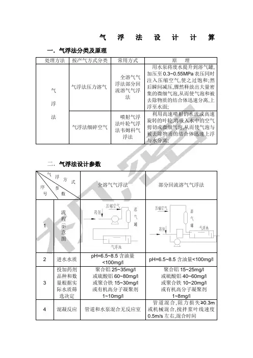
气浮法设计计算一.气浮法分类及原理处理方法按产气方式分类常用方式原 理气 浮 法气浮法压力溶气 全溶气气浮法部分回流溶气气浮法用水泵将废水提升到溶气罐,加压至0.3~0.55MPa (表压)同时注入压缩空气,使之过饱和。
然后瞬间减压,骤然释放出大量密集的微细气泡,从而使气泡和被去除物质的结合体迅速分离,上浮至水面。
气浮法细碎空气 喷射气浮法叶轮气浮法(韦姆科气浮法)利用高速喷射的水流或高速旋转的叶轮,将吸入水中的空气剪切成微细气泡,从而使气泡与被去除物质的结合体迅速上浮与水分离。
二.气浮法设计参数全溶气气浮法 部分回流溶气气浮法1流 程 示 意 图2 进水水质 pH=6.5~8.5含油量<100mg/l pH=6.5~8.5含油量<100mg/l3投加药剂(品种和数量根据实际水质筛选决定) 聚合铝25~35mg/l 或硫酸铝60~80mg/l 或聚合铁15~30mg/l 或有机高分子凝聚剂1~10mg/l 聚合铝15~25mg/l 或硫酸铝40~60mg/l 或聚合铁10~20mg/l 或有机高分子凝聚剂1~8mg/l 4混凝反应管道和水泵混合无反应室管道混合,阻力损失≥0.3m 或机械混合,搅拌浆叶线速度0.5m/s 左右,混合时间气 浮 方式参 数 序 号三.气浮法设计计算四.不同温度下的K T值和736K T值例:2×75m3 / h气浮池气浮池设置在絮凝池侧旁,沉淀池上方。
气浮类型较多,有全部压力溶气气浮、分散空气气浮、电解凝聚气浮、内循环射流气浮等,这里选择适用于城镇给水处理的部分回流压力溶气气浮。
气浮适用于含藻类及有机杂质、水温较低、常年浊度低于100NTU的原水;它依靠微气泡粘附絮粒,实现絮粒强制性上浮,达到固、液分离,由于气泡的重度远小于水,浮力很大,促使絮粒迅速上浮,提高固、液分离速度。
气浮依靠无数微气泡去粘附絮粒,对絮粒的重度、大小要求不高,能减少絮凝时间,节约混凝剂量;带气絮粒与水的分离速度快,单位面积产水量高,池容及占地减少,造价降低;气泡捕足絮粒的机率很高,跑矾花现象很少,有利于后级滤池延长冲洗周期,节约水耗;排渣方便,浮渣含水率低,耗水量小;池深浅,构造简单,可随时开、停,而不影响出水水质,管理方便。
(一)基本概念气浮处理法就是向废水中通人空气,并以微小气泡形式从水中析出成为载体,使废水中的乳化油、微小悬浮颗粒等污染物质粘附在气泡上,随气泡一起上浮到水面,形成泡沫一气、水、颗粒(油)三相混合体,通过收集泡沫或浮渣达到分离杂质、净化废水(一)基本概念气浮处理法就是向废水中通人空气,并以微小气泡形式从水中析出成为载体,使废水中的乳化油、微小悬浮颗粒等污染物质粘附在气泡上,随气泡一起上浮到水面,形成泡沫一气、水、颗粒(油)三相混合体,通过收集泡沫或浮渣达到分离杂质、净化废水的目的。
浮选法主要用来处理废水中靠自然沉降或上浮难以去除的乳化油或相对密度接近于1的微小悬浮颗粒。
(二)气浮的基本原理1.带气絮粒的上浮和气浮表面负荷的关系粘附气泡的絮粒在水中上浮时,在宏观上将受到重力G浮力F等外力的影响。
带气絮粒上浮时的速度由牛顿第二定律可导出,上浮速度取决于水和带气絮粒的密度差,带气絮粒的直径(或特征直径)以及水的温度、流态。
如果带带气絮粒中气泡所占比例越大则带气絮粒的密度就越小;而其特征直径则相应增大,两者的这种变化可使上浮速度大大提高。
然而实际水流中;带气絮粒大小不一,而引起的阻力也不断变化,同时在气浮中外力还发生变化,从而气泡形成体和上浮速度也在不断变化。
具体上浮速度可按照实验测定。
根据测定的上浮速度值可以确定气浮的表面负荷。
而上浮速度的确定须根据出水的要求确定。
2.水中絮粒向气泡粘附如前所述,气浮处理法对水中污染物的主要分离对象,大体有两种类型即混凝反应的絮凝体和颗粒单体。
气浮过程中气泡对混凝絮体和颗粒单体的结合可以有三种方式,即气泡顶托,气泡裹携和气粒吸附。
显然,它们之间的裹携和粘附力的强弱,即气、粒(包括絮废体)结合的牢固程度与否,不仅与颗粒、絮凝体的形状有关,更重要的受水、气、粒三相界面性质的影响。
水中活性剂的含量,水中的硬度,悬浮物的浓度,都和气泡的粘浮强度有着密切的联系。
气浮运行的好坏和此有根本的关联。
气浮法设计计算一.气浮法分类及原理处理方法按产气方式分类常用方式 原 理气 浮 法气浮法压力溶气全溶气气浮法部分回流溶气气浮法用水泵将废水提升到溶气罐,加压至0.3~0.55MPa 表压同时注入压缩空气,使之过饱和;然后瞬间减压,骤然释放出大量密集的微细气泡,从而使气泡和被去除物质的结合体迅速分离,上浮至水面;气浮法细碎空气喷射气浮法叶轮气浮法韦姆科气浮法利用高速喷射的水流或高速旋转的叶轮,将吸入水中的空气剪切成微细气泡,从而使气泡与被去除物质的结合体迅速上浮与水分离;二.气浮法设计参数全溶气气浮法 部分回流溶气气浮法1流 程 示 意 图2 进水水质 pH=6.5~8.5含油量<100mg/lpH=6.5~8.5含油量<100mg/l 3投加药剂品种和数量根据实际水质筛选决定 聚合铝25~35mg/l 或硫酸铝60~80mg/l 或聚合铁15~30mg/l 或有机高分子凝聚剂1~10mg/l 聚合铝15~25mg/l 或硫酸铝40~60mg/l 或聚合铁10~20mg/l 或有机高分子凝聚剂1~8mg/l4混凝反应管道和水泵混合无反应室管道混合,阻力损失≥0.3m 或机械混合,搅拌浆叶线速度0.5m/s 左右,混合时间气 浮 方式参 数 序 号三.气浮法设计计算四.不同温度下的K T值和736K T值例:2×75m3 / h气浮池气浮池设置在絮凝池侧旁,沉淀池上方;气浮类型较多,有全部压力溶气气浮、分散空气气浮、电解凝聚气浮、内循环射流气浮等,这里选择适用于城镇给水处理的部分回流压力溶气气浮;取:取U J2=7.5mm/s=27m/h接触区上端扩散出口通水平面面积:F J2=90/27=3.333m2接触区宽与絮凝池相同,B=2m,接触区上端扩散出口平面池长方向尺寸:L J2=3.333/2=1.6665≈1.7m扩散段水平倾角α=35°,扩散段高:h K=1.7-0.7tan35°=0.7m扩散段容积:V K=〔1.7+0.7/2〕×0.7×2=1.68m3接触区停留时间需大于60s,取t J=90s=1.5min,接触区容积:V J=90×1.5/60=2.25m3接触区底部上升段高:h D=V J-V K/F J1=2.25-1.68/1.4=0.4m分离区清水下降流速1.5~2.5mm,取U3=2.5mm/s=9m/h分离区平面面积:F F=Q3/U3=90/9=10m2分离区平面池长方向尺寸:L F=10/2=5m<沉淀池长5.5m气浮池长度方向尺寸:L=5.5m取分离区液深h Y=1.5m,分离区容积:V F=5.5×2×1.5=16.5m3空压机额定排气量:Q P=kQ K/60=1.5×1.515/60=0.038m3/min选用无油空气压缩机,数量3台,2用1备;型号:ZW0.05/7,排气量:0.05m3/min,排气压力:0.7MPa,电机功率:0.75Kw,外形尺寸:长×宽×高=825×368×651mm;●溶气罐:溶气罐采用具有高效溶气效率的喷淋填料式,数量2台,碳钢制作;溶气接触停留时间2~4min,取T R=2.5min,溶气罐容积:V R=Q R T R/60=15×2.5/60=0.625m3填料式溶气罐断面负荷一般为1000~2000m3/m2d,即40~80m3/m2h,取q=75m3/m2h溶气罐直径:D R=〔4×15/75/3.1416〕0.5=0.5m溶气罐有效高:h=0.625/0.52×3.1416/4=3.2m气液传质填料选用溶气效率较高的塑料阶梯环,规格:φ25米字内筋,尺寸:外径×高×壁厚=25×17.5×1mm,装填高1.3m,容积0.25m3;,,,使/h●刮渣机:采用逆向刮渣,行车行走速度3~5m/min,数量2台;减速机型号:BWD11-71-0.55链条、链轮传动,电机功率:0.55Kw;●其它:扶梯、平台、阀门、瞬时流量计、水表等●各项性能参数略相关数据见计算结果;。
气浮法设计计算一.气浮法分类及原理二.气浮法设计参数全溶气气浮法 部分回流溶气气浮法1流 程示 意 图2进水水质pH=6.5~8.5含油量<100mg/lpH=6.5~8.5含油量<100mg/l 3投加药剂(品种和数量根据实际水质筛选决定)聚合铝25~35mg/l或硫酸铝60~80mg/l或聚合铁15~30mg/l或有机高分子凝聚剂1~10mg/l聚合铝15~25mg/l 或硫酸铝40~60mg/l 或聚合铁10~20mg/l 或有机高分子凝聚剂1~8mg/l 4混凝反应管道和水泵混合无反应室管道混合,阻力损失≥0.3m或机械混合,搅拌浆叶线速度0.5m/s 左右,混合时间 4混凝反应管道和水泵混合无反应室2~3min ;机械反应室(一级机械搅拌)或平流反应室或旋流反应室或涡流 反应室,水流线速度从方 式参数序 号三.气浮法设计计算四.不同温度下的K T值和736K T值例:2×75m3 / h气浮池气浮池设置在絮凝池侧旁,沉淀池上方。
气浮类型较多,有全部压力溶气气浮、分散空气气浮、电解凝聚气浮、内循环射流气浮等,这里选择适用于城镇给水处理的部分回流压力溶气气浮。
气浮适用于含藻类及有机杂质、水温较低、常年浊度低于100NTU的原水;它依靠微气泡粘附絮粒,实现絮粒强制性上浮,达到固、液分离,由于气泡的重度远小于水,浮力很大,促使絮粒迅速上浮,提高固、液分离速度。
气浮依靠无数微气泡去粘附絮粒,对絮粒的重度、大小要求不高,能减少絮凝时间,节约混凝剂量;带气絮粒与水的分离速度快,单位面积产水量高,池容及占地减少,造价降低;气泡捕足絮粒的机率很高,跑矾花现象很少,有利于后级滤池延长冲洗周期,节约水耗;排渣方便,浮渣含水率低,耗水量小;池深浅,构造简单,可随时开、停,而不影响出水水质,管理方便。
●结构尺寸:取回流比R=20%,气浮池处理水量:Q3=(1+R)Q2=1.2×75=90m3/h 接触区底部上升段纵截面为矩形,上升流速10~20mm/s,取U J1=18mm/s=64.8m/h接触区底部通水平面面积:F J1=90/64.8=1.389≈1.4m2接触区宽与絮凝池相同,B=2m,接触区底部平面池长方向尺寸:L J1=1.4/2=0.7m接触区上端扩散段纵截面为倒直角梯形,出口流速5~10mm/s,取U J2=7.5mm/s=27m/h接触区上端扩散出口通水平面面积:F J2=90/27=3.333m2接触区宽与絮凝池相同,B=2m,接触区上端扩散出口平面池长方向尺寸:L J2=3.333/2=1.6665≈1.7m扩散段水平倾角α=35°,扩散段高:h K=(1.7-0.7)tan35°=0.7m 扩散段容积:V K=〔(1.7+0.7)/2〕×0.7×2=1.68m3接触区停留时间需大于60s,取t J=90s=1.5min,接触区容积:V J=90×1.5/60=2.25m3接触区底部上升段高:h D=(V J-V K)/F J1=(2.25-1.68)/1.4=0.4m 分离区清水下降流速1.5~2.5mm,取U3=2.5mm/s=9m/h分离区平面面积:F F=Q3/U3=90/9=10m2分离区平面池长方向尺寸:L F=10/2=5m(<沉淀池长5.5m)气浮池长度方向尺寸:L=5.5m取分离区液深h Y=1.5m,分离区容积:V F=5.5×2×1.5=16.5m3分离区清水下降时间:t F=h Y/U3=1.5/9=0.167h=10min取分离区安全超高h A=0.5m,气浮池高H F=1.5+0.5=2m复核分离停留时间:t F′=V F/Q3=16.5/90=0.183h=11min,满足停留10~15min的要求,并能满足清水到达池底所需时间。
1. 5.4气浮法的优缺点与沉淀法相比较,气浮法具有以下优缺点:1.气浮法的优点(1)气浮过程增加了水中的溶解氧,浮渣含氧,则不易腐化,有利于后续处理。
(2)气浮池表面负荷高,水力停留时间短,池深浅,体积小。
(3)浮渣含水率低,一般低于96%,排渣方便。
(4)投加絮凝剂处理废水时,气浮法需药量较少。
2.气浮法的缺点(1)耗电多,比沉淀法耗电多0.02~0.04kw²h/m3废水,运营费偏高。
(2)废水悬浮物浓度高时,减压释放器容易堵塞,管理复杂。
1.5.5气浮法在废水处理中的应用气浮处理技术已在石油化工、纺织、印染、机械化工、拆船和食品等行业废水处理中获得广泛应用,在淋浴废水和城市污水处理中的应用亦逐步增多。
1.6过滤通过过滤介质的表面或滤层截留水体中悬浮固体和其他杂质的过程称为过滤。
由于我国水资源紧缺已对居民生活和经济发展造成严重影响,水的再生与回用已成为解决水荒的重要途径。
城市污水二级处理出水一般经混凝沉淀后再进入滤池,滤池出水有的经消毒后直接利用,有的还需经活性炭吸附、超滤和反渗透等工艺处理。
过滤已成为水的再生与回用处理中不可缺少的过程。
过滤有以下三方面作用:第一是去除二级处理出水中的生物絮体,进一步降低水中的悬浮物、有机物、磷、重金属、细菌和病菌的浓度;第二是为后续处理装置创造有利条件,保证后续处理构筑物的稳定运行以及处理效率的提高;第三是由于过滤液悬浮物和其他干扰物质浓度的降低,可提高杀菌效率,节省消毒剂用量。
另外,过滤还可作为废水混凝所产生的絮体的分离装置。
1.6.1过滤原理在粒状滤料过滤中存在悬浮颗粒从水流向滤料表面迁移、附着在滤料上和从滤料表面脱附这三个过程。
1.迁移被水携带的颗粒随水流运动的过程中,悬浮颗粒向滤料表面的迁移一般是在直接拦截、布朗运动、颗粒的惯性、重力沉淀、流体效应以及范德华力等诸多因素共同作用下发生的。
(1)直接拦截:尺寸较大的颗粒,可被滤料直接拦截下来。
气浮的原理是什么?
气浮法也称浮选法,主要用于密度小于或接近于水的固体颗粒或者油类废水。
气浮法的原理是采用一定的方法或措施使水中产生大量的微气泡,以形成水、气及被去除固相物质的三相混合体,在界面张力、气泡上升浮力和静水压力差等多种力的共同作用下,促进微细气泡黏附在被去除的微小颗粒上后,因黏合体密度小于水而上浮到水面,从而使水中细小颗粒被分离去除。
气浮法通常作为含油污水隔油后的补充处理,常用于那些颗粒密度接近或小于水的细小颗粒的分离。
气浮法处理工艺必须满足以下基本条件∶
(1)向水中提供足够量的微小气泡;
(2)使废水中的污染物质能成悬浮状态;
(3)使气泡与悬浮物质产生黏附作用;
(4)将上浮在水面上的三相体用一定的方法和措施排出设备体外。
有了以上4个条件才能完成气浮过程。
气浮装置原理流程如图 3-3所示。
矿井水处理工艺方法及优缺点1.气浮法气浮法是一种常见的矿井水处理方法,它利用气泡在水中产生的浮力将悬浮固体物质带到水面上,从而实现固液分离。
气浮法适用于处理悬浮物浓度较高的矿井水。
优点:-处理效果好,可以去除较小颗粒的悬浮物;-处理速度快,反应时间短;-操作简单,设备维护较为容易。
缺点:-气浮法对水中含有的溶解性物质,如重金属离子和有机物质无法去除;-对处理水质要求较高,适用于处理浓度较高的矿井水。
2.活性炭吸附法活性炭吸附法利用活性炭对悬浮物和有机物质进行吸附,以达到净化水质的目的。
活性炭具有高比表面积和孔隙结构,有很强的吸附能力。
优点:-可以去除水中的色度、气味和有机物质;-处理效果稳定,可靠性高;-操作简单,设备投资和运行成本相对较低。
缺点:-活性炭饱和后需要更换,增加了运行成本;-不适用于处理高浓度的悬浮物和重金属离子。
3.反渗透法反渗透法是一种通过高压将水强制通过一种半透膜,从而实现固液分离的方法。
这种方法适用于处理矿井水中的高浓度溶解性盐类和重金属离子。
优点:-处理效果好,可以去除水中的大部分溶解性物质;-处理过程中无化学药剂使用,环境友好;-可以利用反渗透膜的选择性将目标物质集中,方便后续处理。
缺点:-能耗较高,需要高压泵和能源供应;-反渗透膜易堵塞,需要经常清洗和维护;-处理过程中产生大量的废水,对环境造成一定影响。
4.沉淀法沉淀法利用加入化学药剂使悬浮物聚集形成沉淀物,从而进行固液分离的方法。
沉淀法适用于处理高浓度的悬浮物和重金属离子。
优点:-处理效果稳定,可以去除大部分悬浮物和重金属离子;-可以调节沉淀速度,适应不同水质和处理要求;-沉淀物可作为资源化利用。
缺点:-需要投加化学药剂,可能对环境造成一定污染;-沉淀物的产生需要后续处理,增加了处理成本。
总的来说,每种矿井水处理工艺方法都有其优缺点,选择合适的方法需要考虑矿井水的水质、处理要求和经济可行性。
在实际应用中,常常采用多种方法的组合,以提高处理效果和节约成本。
水处理气浮工艺分类及参数设计pH=6.5~8.5含油量<100mg/500.014511.70L J2=3.333/2=1.6665≈1.7m扩散段水平倾角α=35°,扩散段高:h K=(1.7-0.7)tan35°=0.7m扩散段容积:V K=〔(1.7+0.7)/2〕×0.7×2=1.68m3接触区停留时间需大于60s,取t J=90s=1.5min,接触区容积:V J=90×1.5/60=2.25m3接触区底部上升段高:h D=(V J-V K)/F J1=(2.25-1.68)/1.4=0.4m 分离区清水下降流速1.5~2.5mm,取U3=2.5mm/s=9m/h分离区平面面积:F F=Q3/U3=90/9=10m2分离区平面池长方向尺寸:L F=10/2=5m(<沉淀池长5.5m)气浮池长度方向尺寸:L=5.5m取分离区液深h Y=1.5m,分离区容积:V F=5.5×2×1.5=16.5m3分离区清水下降时间:t F=h Y/U3=1.5/9=0.167h=10min取分离区安全超高h A=0.5m,气浮池高H F=1.5+0.5=2m复核分离停留时间:t F′=V F/Q3=16.5/90=0.183h=11min,满足停留10~15min的要求,并能满足清水到达池底所需时间。
●溶气泵:溶气水量即回流水量,Q R=RQ3=0.2×75=15m3/h,溶气压力P≈0.45MPa 溶气泵选用不锈钢离心泵,数量3台,2用1备;型号:DFHW50-200/2/5.5,流量:8.8~12.5~16.3m3/h,扬程:51~50~48.5m,电机功率:5.5Kw,外形尺寸:长×宽×高=602×400×425mm●空压机:水中空气溶解量与温度和压力有关,水温20°C,压力0.1MPa(1bar)时空气在水中的饱和溶解度C K=0.0187L气/L水,溶气效率与溶气罐结构、气液传质填料、溶气压力和时间有关。
气浮法溶气气浮(DAF)是气浮的一种,它利用水在不同压力下溶解度不同的特性,对全部或部分待处理(或处理后)的水进行加压并加气,增加水的空气溶解量,通入加过混凝剂的水中,在常压情况下释放,空气析出形成小气泡,粘附在杂质絮粒上,造成絮粒整体密度小于水而上升,从而使固液分离。
溶气气浮(DAF)适用于处理低浊度、高色度、高有机物含量、低含油量、低表面活性物质含量或具有富藻的水。
相对于其它的气浮方式(详见附录1),它具有水力负荷高,池体紧凑等优点。
但是它的工艺复杂,电能消耗较大,空压机的噪音大等缺点也限制着它的应用。
1 分类(type)根据不同的划分原则,DAF可以有不同的分类。
1.1 根据气泡从水中析出时所处压力的不同,可分为真空式气浮法与压力溶气气浮法两种。
前者利用抽真空的方法在常压或加压下溶解空气,然后在负压下释放微气泡,供气浮使用;后者是在加压情况下,使空气强制溶于水中,然后突然减压,使溶解的气体从水中释放出来,以微气泡形式粘附上絮粒,一起上浮。
1.1.1 真空式气浮池,虽然能耗低,气泡形成和气泡与絮粒的粘附较稳定;但气泡释放量受限制;而且,一切设备部件,都要密封在气浮池内;气浮池的构造复杂;只适用于处理污染物浓度不高的废水(不高于300mg/l),因此实际应用不多。
1.1.2 压力溶气气浮法是目前国内外最常采用的方法,可选择的基本流程有全流程溶气气浮法、部分溶气气浮法和部分回流溶气气浮法三种。
1.1.2.1 全流程溶气气浮法全流程溶气气浮法是将全部废水用水泵加压,在溶气罐内,空气溶解于废水中,然后通过减压阀将废水送入气浮池。
流程图见图1。
它的特点是:①溶气量大,增加了油粒或悬浮颗粒与气泡的接触机会;②在处理水量相同的条件下,它较部分回流溶气气浮法所需的气浮池小。
③全部废水经过压力泵,所需的压力泵和溶气罐均较其他两种流程大,因此投资和运转动力消耗较大。
1.1.2.2 部分溶气气浮法部分溶气气浮法是取部分废水加压和溶气,其余废水直接进入气浮池并在气浮池中与溶气废水混合。
气浮法处理废水原理废水处理是环保工作中的一项重要任务,废水中含有大量的有害物质和污染物质,对环境和人类健康都会造成严重的危害。
气浮法是一种常用的废水处理方法,其原理是利用气泡的浮力将废水中的污染物质浮起来,从而达到净化废水的目的。
本文将详细介绍气浮法处理废水的原理、工艺流程、应用范围以及优缺点等方面的内容。
一、气浮法处理废水的原理气浮法处理废水的原理是利用气泡的浮力将废水中的污染物质浮起来,从而达到净化废水的目的。
气浮法的基本原理是将废水中的气体通过压缩空气或其他气体注入水中,形成微小气泡,气泡的浮力可以将悬浮在水中的污染物质浮起来,从而形成泡沫层,泡沫层上浮到水面后,可以通过刮板机或其他工具将泡沫层刮除,剩余的水体再经过后续处理,最终达到净化废水的目的。
二、气浮法处理废水的工艺流程气浮法处理废水的工艺流程主要包括预处理、气浮池、沉淀池、二次沉淀池和后处理等环节。
具体流程如下:1. 预处理:将废水通过格栅、沉砂池等预处理设备进行初步处理,去除大颗粒的杂质和淤泥等。
2. 气浮池:将处理后的废水注入气浮池中,通过压缩空气或其他气体注入水中,形成微小气泡,气泡的浮力可以将废水中的污染物质浮起来,形成泡沫层。
泡沫层上浮到水面后,可以通过刮板机或其他工具将泡沫层刮除。
3. 沉淀池:将气浮池中的水体进一步沉淀,去除废水中的悬浮物质和污染物质。
4. 二次沉淀池:将沉淀池中的水体再次进行沉淀处理,去除残留的污染物质和悬浮物质。
5. 后处理:将处理后的水体进行消毒、中和等后处理,使其达到排放标准,最终实现废水净化的目的。
三、气浮法处理废水的应用范围气浮法处理废水的应用范围非常广泛,可以处理各种类型的废水,如工业废水、生活污水、医院废水、农村污水等。
气浮法处理废水可以有效地去除废水中的悬浮物质、油脂、有机物、重金属离子等污染物质,达到净化废水的目的。
气浮法处理废水的应用范围还包括水处理、污水处理、废水处理等领域。
四、气浮法处理废水的优缺点1. 优点:(1)处理效果好:气浮法可以有效地去除废水中的悬浮物质、油脂、有机物、重金属离子等污染物质,达到净化废水的目的。
气浮法设计计算一.气浮法分类及原理二.气浮法设计参数三.气浮法设计计算四.不同温度下的K T值和736K T值气浮池设置在絮凝池侧旁,沉淀池上方。
气浮类型较多,有全部压力溶气气浮、分散空气气浮、电解凝聚气浮、内循环射流气浮等,这里选择适用于城镇给水处理的部分回流压力溶气气浮。
气浮适用于含藻类及有机杂质、水温较低、常年浊度低于100NTU的原水;它依靠微气泡粘附絮粒,实现絮粒强制性上浮,达到固、液分离,由于气泡的重度远小于水,浮力很大,促使絮粒迅速上浮,提高固、液分离速度。
气浮依靠无数微气泡去粘附絮粒,对絮粒的重度、大小要求不高,能减少絮凝时间,节约混凝剂量;带气絮粒与水的分离速度快,单位面积产水量高,池容及占地减少,造价降低;气泡捕足絮粒的机率很高,跑矾花现象很少,有利于后级滤池延长冲洗周期,节约水耗;排渣方便,浮渣含水率低,耗水量小;池深浅,构造简单,可随时开、停,而不影响出水水质,管理方便。
●结构尺寸:取回流比R=20%,气浮池处理水量:Q3=(1+R)Q2=1.2×75=90m3/h接触区底部上升段纵截面为矩形,上升流速10~20mm/s,取U J1=18mm/s=64.8m/h 接触区底部通水平面面积:F J1=90/64.8=1.389≈1.4m2接触区宽与絮凝池相同,B=2m,接触区底部平面池长方向尺寸:L J1=1.4/2=0.7m接触区上端扩散段纵截面为倒直角梯形,出口流速5~10mm/s,取U J2=7.5mm/s=27m/h 接触区上端扩散出口通水平面面积:F J2=90/27=3.333m2接触区宽与絮凝池相同,B=2m,接触区上端扩散出口平面池长方向尺寸:L J2=3.333/2=1.6665≈1.7m扩散段水平倾角α=35°,扩散段高:h K=(1.7-0.7)tan35°=0.7m扩散段容积:V K=〔(1.7+0.7)/2〕×0.7×2=1.68m3接触区停留时间需大于60s,取t J=90s=1.5min,接触区容积:V J=90×1.5/60=2.25m3接触区底部上升段高:h D=(V J-V K)/F J1=(2.25-1.68)/1.4=0.4m分离区清水下降流速1.5~2.5mm,取U3=2.5mm/s=9m/h分离区平面面积:F F=Q3/U3=90/9=10m2分离区平面池长方向尺寸:L F=10/2=5m(<沉淀池长5.5m)气浮池长度方向尺寸:L=5.5m取分离区液深h Y=1.5m,分离区容积:V F=5.5×2×1.5=16.5m3分离区清水下降时间:t F=h Y/U3=1.5/9=0.167h=10min取分离区安全超高h A=0.5m,气浮池高H F=1.5+0.5=2m复核分离停留时间:t F′=V F /Q3=16.5/90=0.183h=11min,满足停留10~15min的要求,并能满足清水到达池底所需时间。