气浮法设计计算
- 格式:docx
- 大小:54.51 KB
- 文档页数:8
气浮法设计计算一.气浮法分类及原理处理方法按产气方式分类常用方式原 理气 浮 法气浮法压力溶气 全溶气气浮法部分回流溶气气浮法用水泵将废水提升到溶气罐,加压至0.3~0.55MPa (表压)同时注入压缩空气,使之过饱和。
然后瞬间减压,骤然释放出大量密集的微细气泡,从而使气泡和被去除物质的结合体迅速分离,上浮至水面。
气浮法细碎空气 喷射气浮法叶轮气浮法(韦姆科气浮法)利用高速喷射的水流或高速旋转的叶轮,将吸入水中的空气剪切成微细气泡,从而使气泡与被去除物质的结合体迅速上浮与水分离。
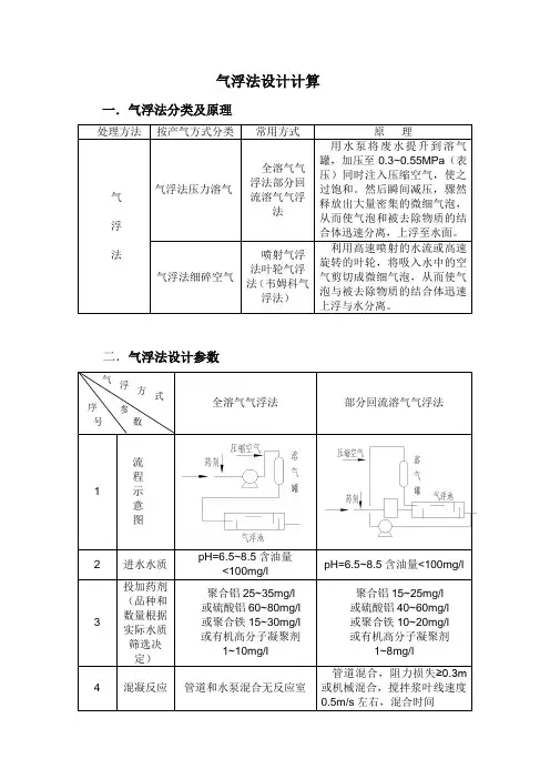
二.气浮法设计参数全溶气气浮法 部分回流溶气气浮法1流 程 示 意 图2 进水水质 pH=6.5~8.5含油量<100mg/l pH=6.5~8.5含油量<100mg/l3投加药剂(品种和数量根据实际水质筛选决定) 聚合铝25~35mg/l 或硫酸铝60~80mg/l 或聚合铁15~30mg/l 或有机高分子凝聚剂1~10mg/l 聚合铝15~25mg/l 或硫酸铝40~60mg/l 或聚合铁10~20mg/l 或有机高分子凝聚剂1~8mg/l 4混凝反应管道和水泵混合无反应室管道混合,阻力损失≥0.3m 或机械混合,搅拌浆叶线速度0.5m/s 左右,混合时间气 浮 方式参 数 序 号三.气浮法设计计算四.不同温度下的K T值和736K T值例:2×75m3 / h气浮池气浮池设置在絮凝池侧旁,沉淀池上方。
气浮类型较多,有全部压力溶气气浮、分散空气气浮、电解凝聚气浮、内循环射流气浮等,这里选择适用于城镇给水处理的部分回流压力溶气气浮。
气浮适用于含藻类及有机杂质、水温较低、常年浊度低于100NTU的原水;它依靠微气泡粘附絮粒,实现絮粒强制性上浮,达到固、液分离,由于气泡的重度远小于水,浮力很大,促使絮粒迅速上浮,提高固、液分离速度。
气浮依靠无数微气泡去粘附絮粒,对絮粒的重度、大小要求不高,能减少絮凝时间,节约混凝剂量;带气絮粒与水的分离速度快,单位面积产水量高,池容及占地减少,造价降低;气泡捕足絮粒的机率很高,跑矾花现象很少,有利于后级滤池延长冲洗周期,节约水耗;排渣方便,浮渣含水率低,耗水量小;池深浅,构造简单,可随时开、停,而不影响出水水质,管理方便。
3.3加压溶气气浮单元设计计算本厂采用部分回流加压溶气气浮法,它是将空气在一定压力下溶入水中,然后在减压条件下水中的空气呈微小气泡析出,黏附废水中的悬浮物,一起上浮到水面进行固液分离使悬浮物被去除的技术,气浮法去除SS效率为E g=85%,产生污泥含水率P g=96%。
以下是气浮池的计算过程:3.3.1设计条件水量Q=480m3/d=0.005556m3/s,SS=800mg/L,气浮区水平流速ν=5mm/s,絮体上浮速度u=2.5mm/s,溶气水回流比R=20%,水温T=20℃,废水溶气罐内停留时间t d=4min,气浮池内接触时间t C=6min,分离室内停留时间t S=30min。
3.3.2气浮—絮凝池的设计计算(1)确定气固比a、回流水量Q Ra=AS=ρC S(fPP㊀−1)×Q rQS a式中A——减压至常压时释放的空气量,g/d;S——悬浮固体干重,g/d;ρ——空气密度,g/L;C S——在一定温度下,一个大气压时的空气溶解度,mL/L;p——溶气罐压力(绝对压力);f——加压溶气系统溶气效率;Q r——加压溶气用水量,m3/d;查表得ρ=1.164g/L,C S=18.7mL/L,P=0.2MPa,f=0.85,所以a=ρC S(fPP㊀−1)×Q rQS a=1.164×18.7×(0.85×200000101325−1)×576480×800=0.02213回流水量Q R=480×20%=96m3/d(2)接触区容积V C=t2(Q+Q R)24×60=6×(480+96)24×60=2.4m3(3)分离区容积V S=t S(Q+Q R)24×60=30×(480+96)24×60=12m3(4)气浮池有效水深H=V S×t S=0.75m (5)分离区面积A S和长度L SA S=V SH=120.75=16m2分离区池宽B S=4.0m,则分离区的长度L S=A SB S =164.0=4.0m(6)接触区面积A C和长度L CA C=V CH=2.40.75=3.2m2L C=A CB=3.24=0.8m(7)浮选池进水管:D i=100mm,u=0.5m/s;出水管D o=100mm。
(1)气浮所需空气量Qg Qg=QR'a cψ=0Q——气浮池设计水量m3/h;R'——试验条件下的回流比,%;a c——试验条件下的释放量,L/m3ψ——水温校正系数,取1.0~1.3(主要考虑水的粘度影响,试验条件下的水温与(2)加压溶气水量QpQp=Qg/(736η*PK T)=01Qp——加压溶气水量,m3/h1P——选定的溶气压力,Mpa;1K T——溶解度系数,根据水温查表2.7.2;1η——溶气效率,用阶梯环作填料的溶气罐可按表 2.7.3查得(3)接触室表面积Ac选定接触室中水流的上升流速υc后,按下式计算1Ac=(Q+Qp)/υc=0接触室的容积一般按停留时间大于60s进行复核。
接触室的平面尺寸如长、宽比等数据的确定,应考虑施工的方便和释放器的合理布置等因素。
(4)分离室表面积As选定分离速度(分离室的向下平均水流速度)(υs)后按下式计算:1As=(Q+Qp)/υs=0对矩形池,分离室的长宽比一般取(1~2):1。
(5)气浮池的净容积W选定池的平均水深H(一般指分离室深),按下式计算:W=(Ac+As)*H=0同时以池内停留时间(t) 进行校核,一般要求t为10~20 min。
(6)溶气罐直径(Dd)选定过流密度(I)后,溶气罐直径按下式计算:1Dd=sqr(4Qp/πI)=#NAME?一般对于空罐,I选用1000~2000m3/(m2.d),对于填料罐I选用2500~5000m3/(m2.d)。
(7)溶气罐高ZZ=2Z1+Z2+Z3+Z4Z1——罐顶、底封头高度(根据罐直径而定),m;Z2——布水区高度(一般取0.2~0.3m);Z3——贮水区高度(一般取1.0m);Z4——填料层高度,当采用阶梯环时,可取1.0~1.3m。
(8)空压机额定气量Q'(m3/min)Qg'=ψ'Qg/(60×1000)式中ψ'——安全系数,一般取1.2~1.5。
气浮法设计计算一.气浮法分类及原理二.气浮法设计参数全溶气气浮法 部分回流溶气气浮法1流 程示 意 图2进水水质pH=6.5~8.5含油量<100mg/lpH=6.5~8.5含油量<100mg/l 3投加药剂(品种和数量根据实际水质筛选决定)聚合铝25~35mg/l或硫酸铝60~80mg/l或聚合铁15~30mg/l或有机高分子凝聚剂1~10mg/l聚合铝15~25mg/l 或硫酸铝40~60mg/l 或聚合铁10~20mg/l 或有机高分子凝聚剂1~8mg/l 4混凝反应管道和水泵混合无反应室管道混合,阻力损失≥0.3m或机械混合,搅拌浆叶线速度0.5m/s 左右,混合时间 4混凝反应管道和水泵混合无反应室2~3min ;机械反应室(一级机械搅拌)或平流反应室或旋流反应室或涡流 反应室,水流线速度从方 式参数序 号三.气浮法设计计算四.不同温度下的K T值和736K T值例:2×75m3 / h气浮池气浮池设置在絮凝池侧旁,沉淀池上方。
气浮类型较多,有全部压力溶气气浮、分散空气气浮、电解凝聚气浮、内循环射流气浮等,这里选择适用于城镇给水处理的部分回流压力溶气气浮。
气浮适用于含藻类及有机杂质、水温较低、常年浊度低于100NTU的原水;它依靠微气泡粘附絮粒,实现絮粒强制性上浮,达到固、液分离,由于气泡的重度远小于水,浮力很大,促使絮粒迅速上浮,提高固、液分离速度。
气浮依靠无数微气泡去粘附絮粒,对絮粒的重度、大小要求不高,能减少絮凝时间,节约混凝剂量;带气絮粒与水的分离速度快,单位面积产水量高,池容及占地减少,造价降低;气泡捕足絮粒的机率很高,跑矾花现象很少,有利于后级滤池延长冲洗周期,节约水耗;排渣方便,浮渣含水率低,耗水量小;池深浅,构造简单,可随时开、停,而不影响出水水质,管理方便。
●结构尺寸:取回流比R=20%,气浮池处理水量:Q3=(1+R)Q2=1.2×75=90m3/h 接触区底部上升段纵截面为矩形,上升流速10~20mm/s,取U J1=18mm/s=64.8m/h接触区底部通水平面面积:F J1=90/64.8=1.389≈1.4m2接触区宽与絮凝池相同,B=2m,接触区底部平面池长方向尺寸:L J1=1.4/2=0.7m接触区上端扩散段纵截面为倒直角梯形,出口流速5~10mm/s,取U J2=7.5mm/s=27m/h接触区上端扩散出口通水平面面积:F J2=90/27=3.333m2接触区宽与絮凝池相同,B=2m,接触区上端扩散出口平面池长方向尺寸:L J2=3.333/2=1.6665≈1.7m扩散段水平倾角α=35°,扩散段高:h K=(1.7-0.7)tan35°=0.7m 扩散段容积:V K=〔(1.7+0.7)/2〕×0.7×2=1.68m3接触区停留时间需大于60s,取t J=90s=1.5min,接触区容积:V J=90×1.5/60=2.25m3接触区底部上升段高:h D=(V J-V K)/F J1=(2.25-1.68)/1.4=0.4m 分离区清水下降流速1.5~2.5mm,取U3=2.5mm/s=9m/h分离区平面面积:F F=Q3/U3=90/9=10m2分离区平面池长方向尺寸:L F=10/2=5m(<沉淀池长5.5m)气浮池长度方向尺寸:L=5.5m取分离区液深h Y=1.5m,分离区容积:V F=5.5×2×1.5=16.5m3分离区清水下降时间:t F=h Y/U3=1.5/9=0.167h=10min取分离区安全超高h A=0.5m,气浮池高H F=1.5+0.5=2m复核分离停留时间:t F′=V F/Q3=16.5/90=0.183h=11min,满足停留10~15min的要求,并能满足清水到达池底所需时间。
3、气浮法的原理与应用❖ 气浮法的分类:(根据产生气泡的方法分类)❖ 电解气浮法❖ 散气气浮法(扩散板,叶轮)❖ 溶气气浮法(真空溶气,加压溶气)❖ 气浮法的适用范围:❖ 分离去除废水中的悬浮油和乳化油;❖ 分离去除废水中的有机物、重金属和表面活性物质;❖ 分离回收废水中的有用物质(纸浆,贵金属)❖ 分离浓缩活性污泥(代替二沉池、浓缩池)。
❖ 气浮法的优点:❖ 表面负荷可达12m3/m2.h ,效率高;❖ 浮渣含水率低(<96%),渣量少,排渣方便;❖ 与混凝沉淀法比,混凝剂用量少;❖ 增加溶解氧,有利于后续处理,泥渣不易腐化。
❖ 气浮法的缺点:❖ 电耗高,运营费用高;❖ 设备多,管理复杂。
4、回流加压溶气气浮工艺设计计算:❖ 设计参数:❖ 气浮池有效水深:2.0 - 3.0 m❖ 气浮池长宽比:1:1 – 1.5 :1❖ 分离区表面负荷:5 – 10 m3/m2.h❖ 分离区水力停留时间:10 – 30 min❖ 分离区水流下降流速:1 –3 mm/s❖接触区水流上升流速:5 – 10 mm/s❖ 接触区水力停留时间:≥2 min5、回流加压溶气气浮工艺设计计算:气浮池有效容积(接触区,分离区):(min)t )/(Q )/(Q )(6024)(3R 33水力停留时间—回流加压溶气水量—处理水量—气浮池有效容积—式中:d m d m m V t Q Q V R ⨯⋅+=例题1:某工业废水拟采用回流加压气浮法处理,Q =2000m3/d ,SS 浓度S ’=600mg/L ,水温30°C ,气浮实验数据:A/S =0.02,f =0.6,P =0.3MPa (表压),Ca =18.14 mg/L ,求回流加压溶气水量。
❖ 解: dm P f C S Q S AQ a R /9454.2524000)10.46.0(14.18600200002.0)1(3==-⨯⨯⨯⨯=-⋅⋅'⋅⋅=。
气浮法设计计算一.气浮法分类及原理二.气浮法设计参数三.气浮法设计计算四.不同温度下的K T值和736K T值例:2×75m3 / h气浮池气浮池设置在絮凝池侧旁,沉淀池上方。
气浮类型较多,有全部压力溶气气浮、分散空气气浮、电解凝聚气浮、内循环射流气浮等,这里选择适用于城镇给水处理的部分回流压力溶气气浮。
气浮适用于含藻类及有机杂质、水温较低、常年浊度低于100NTU的原水;它依靠微气泡粘附絮粒,实现絮粒强制性上浮,达到固、液分离,由于气泡的重度远小于水,浮力很大,促使絮粒迅速上浮,提高固、液分离速度。
气浮依靠无数微气泡去粘附絮粒,对絮粒的重度、大小要求不高,能减少絮凝时间,节约混凝剂量;带气絮粒与水的分离速度快,单位面积产水量高,池容及占地减少,造价降低;气泡捕足絮粒的机率很高,跑矾花现象很少,有利于后级滤池延长冲洗周期,节约水耗;排渣方便,浮渣含水率低,耗水量小;池深浅,构造简单,可随时开、停,而不影响出水水质,管理方便。
●结构尺寸:取回流比R=20%,气浮池处理水量:Q3=(1+R)Q2=1.2×75=90m3/h接触区底部上升段纵截面为矩形,上升流速10~20mm/s,取U J1=18mm/s=64.8m/h接触区底部通水平面面积:F J1=90/64.8=1.389≈1.4m2接触区宽与絮凝池相同,B=2m,接触区底部平面池长方向尺寸:L J1=1.4/2=0.7m接触区上端扩散段纵截面为倒直角梯形,出口流速5~10mm/s,取U J2=7.5mm/s=27m/h接触区上端扩散出口通水平面面积:F J2=90/27=3.333m2接触区宽与絮凝池相同,B=2m,接触区上端扩散出口平面池长方向尺寸:L J2=3.333/2=1.6665≈1.7m扩散段水平倾角α=35°,扩散段高:h K=(1.7-0.7)tan35°=0.7m扩散段容积:V K=〔(1.7+0.7)/2〕×0.7×2=1.68m3接触区停留时间需大于60s,取t J=90s=1.5min,接触区容积:V J=90×1.5/60=2.25m3接触区底部上升段高:h D=(V J-V K)/F J1=(2.25-1.68)/1.4=0.4m分离区清水下降流速1.5~2.5mm,取U3=2.5mm/s=9m/h分离区平面面积:F F=Q3/U3=90/9=10m2分离区平面池长方向尺寸:L F=10/2=5m(<沉淀池长5.5m)气浮池长度方向尺寸:L=5.5m取分离区液深h Y=1.5m,分离区容积:V F=5.5×2×1.5=16.5m3分离区清水下降时间:t F=h Y/U3=1.5/9=0.167h=10min取分离区安全超高h A=0.5m,气浮池高H F=1.5+0.5=2m复核分离停留时间:t F′=V F /Q3=16.5/90=0.183h=11min,满足停留10~15min 的要求,并能满足清水到达池底所需时间。
气浮沉淀池设计计算
气浮沉淀池的设计计算一般包括以下几个方面:
1. 污水处理能力:根据进水量和处理要求确定气浮沉淀池的设计处理能力,一般以流量单位为m3/h来表示。
2. 泥泵选型:根据沉淀池中的污泥量和处理能力来选取合适的泥泵,泥泵的选型要考虑泵的流量和扬程,以及耐磨、耐腐蚀等特性。
3. 气浮设备:根据处理能力和处理效果要求,选择合适的气浮设备,如气浮机等。
气浮机的选型要考虑气浮池的尺寸、气浮区域的气泡均匀性、气泡产生方式等。
4. 气浮系统:确定气浮系统的流量、气浮区域的数量和尺寸等。
气浮系统包括气泵、气泡发生器、搅拌器等。
5. 沉淀时间:根据沉淀效果要求,确定沉淀池内的停留时间。
一般来说,沉淀时间应根据水质状况和出水要求进行合理调整。
6. 污泥处理:根据沉淀池内的污泥产生量和处理要求确定污泥的处理方式,如压滤、浓缩、脱水等。
这些设计计算的具体方法和步骤,一般根据工程实际情况和处理要求来确定。
水处理气浮工艺分类及参数设计pH=6.5~8.5含油量<100mg/500.014511.70L J2=3.333/2=1.6665≈1.7m扩散段水平倾角α=35°,扩散段高:h K=(1.7-0.7)tan35°=0.7m扩散段容积:V K=〔(1.7+0.7)/2〕×0.7×2=1.68m3接触区停留时间需大于60s,取t J=90s=1.5min,接触区容积:V J=90×1.5/60=2.25m3接触区底部上升段高:h D=(V J-V K)/F J1=(2.25-1.68)/1.4=0.4m 分离区清水下降流速1.5~2.5mm,取U3=2.5mm/s=9m/h分离区平面面积:F F=Q3/U3=90/9=10m2分离区平面池长方向尺寸:L F=10/2=5m(<沉淀池长5.5m)气浮池长度方向尺寸:L=5.5m取分离区液深h Y=1.5m,分离区容积:V F=5.5×2×1.5=16.5m3分离区清水下降时间:t F=h Y/U3=1.5/9=0.167h=10min取分离区安全超高h A=0.5m,气浮池高H F=1.5+0.5=2m复核分离停留时间:t F′=V F/Q3=16.5/90=0.183h=11min,满足停留10~15min的要求,并能满足清水到达池底所需时间。
●溶气泵:溶气水量即回流水量,Q R=RQ3=0.2×75=15m3/h,溶气压力P≈0.45MPa 溶气泵选用不锈钢离心泵,数量3台,2用1备;型号:DFHW50-200/2/5.5,流量:8.8~12.5~16.3m3/h,扬程:51~50~48.5m,电机功率:5.5Kw,外形尺寸:长×宽×高=602×400×425mm●空压机:水中空气溶解量与温度和压力有关,水温20°C,压力0.1MPa(1bar)时空气在水中的饱和溶解度C K=0.0187L气/L水,溶气效率与溶气罐结构、气液传质填料、溶气压力和时间有关。
实验四气浮实验气浮实验是研究比重近于1或小于1的悬浮颗粒与气泡粘附上升,从而起到水质净化作用的规律,测定工程中所需的某些有关设计参数,选择药剂种类、数量等,以便为设计运行提供一定的理论依据。
目的1.进一步了解和掌握气浮净水方法的原理及其工艺流程。
2.掌握气浮法设计参数“气固比”及“释气量”的测定方法及整个实验的操作技术。
原理气浮净水方法是目前给排水工程中日益广泛应用的一种水处理方法。
该法主要用于处理水中比重小于或接近于1的悬浮杂质,如乳化油、羊毛脂、纤维、以及其它各种有机或无机的悬浮絮体等。
因此气浮法在自来水厂、城市污水处理厂以及炼油厂、食品加工厂、造纸厂、毛纺厂、印染厂、化工厂等的水处理中都有所应用。
气浮法具有处理效果好、周期短、占地面积小以及处理后的浮渣中固体物质含量较高等优点。
但也存在设备多、操作复杂、动力消耗大的缺点。
气浮法就是使空气以微小气泡的形式出现于水中并慢慢自下而上地上升,在上升过程中,气泡与水中污染物质接触,并把污染物质粘附于气泡上(或气泡附于污染物上)从而形成比重小干水的气水结合物浮升到水面,使污染物质从水中分离出去。
产生比重小于水的气、水结合物的主要条件是:l.水中污染物质具有足够的增水性。
2.加人水中的空气所形成气泡的平均宜径不宜大于70微米,3.气泡与水中污染物质应有足够的接触时间。
气浮法按水中气泡产生的方法可分为布气气浮、溶气气浮和电气浮几种。
由于布气气浮一般气泡直径较大,气浮效果较差,而电气浮气泡直径虽不大但耗电较多,因此在目前应用气浮法的工程中,以加压溶气气浮法最多。
加压溶气气浮法就是使空气在一定压力的作用下溶解于水,并达到饱和状态,然后使加压水表面压力突然减到常压,此时溶解于水中的空气便以微小气泡的形式从水中逸出来。
这样就产生了供气浮用的合格的微小气泡。
加压溶气气浮法根据进人溶气罐的水的来源,又分为无回流系统与有回流系统加压溶气气浮法,目前生产中广泛采用后者。
其流程如图3-22所示。
气浮法设计计算一.气浮法分类及原理二.气浮法设计参数三.气浮法设计计算四.不同温度下的K T值和736K T值气浮池设置在絮凝池侧旁,沉淀池上方。
气浮类型较多,有全部压力溶气气浮、分散空气气浮、电解凝聚气浮、内循环射流气浮等,这里选择适用于城镇给水处理的部分回流压力溶气气浮。
气浮适用于含藻类及有机杂质、水温较低、常年浊度低于100NTU的原水;它依靠微气泡粘附絮粒,实现絮粒强制性上浮,达到固、液分离,由于气泡的重度远小于水,浮力很大,促使絮粒迅速上浮,提高固、液分离速度。
气浮依靠无数微气泡去粘附絮粒,对絮粒的重度、大小要求不高,能减少絮凝时间,节约混凝剂量;带气絮粒与水的分离速度快,单位面积产水量高,池容及占地减少,造价降低;气泡捕足絮粒的机率很高,跑矾花现象很少,有利于后级滤池延长冲洗周期,节约水耗;排渣方便,浮渣含水率低,耗水量小;池深浅,构造简单,可随时开、停,而不影响出水水质,管理方便。
●结构尺寸:取回流比R=20%,气浮池处理水量:Q3=(1+R)Q2=1.2×75=90m3/h接触区底部上升段纵截面为矩形,上升流速10~20mm/s,取U J1=18mm/s=64.8m/h 接触区底部通水平面面积:F J1=90/64.8=1.389≈1.4m2接触区宽与絮凝池相同,B=2m,接触区底部平面池长方向尺寸:L J1=1.4/2=0.7m接触区上端扩散段纵截面为倒直角梯形,出口流速5~10mm/s,取U J2=7.5mm/s=27m/h 接触区上端扩散出口通水平面面积:F J2=90/27=3.333m2接触区宽与絮凝池相同,B=2m,接触区上端扩散出口平面池长方向尺寸:L J2=3.333/2=1.6665≈1.7m扩散段水平倾角α=35°,扩散段高:h K=(1.7-0.7)tan35°=0.7m扩散段容积:V K=〔(1.7+0.7)/2〕×0.7×2=1.68m3接触区停留时间需大于60s,取t J=90s=1.5min,接触区容积:V J=90×1.5/60=2.25m3接触区底部上升段高:h D=(V J-V K)/F J1=(2.25-1.68)/1.4=0.4m分离区清水下降流速1.5~2.5mm,取U3=2.5mm/s=9m/h分离区平面面积:F F=Q3/U3=90/9=10m2分离区平面池长方向尺寸:L F=10/2=5m(<沉淀池长5.5m)气浮池长度方向尺寸:L=5.5m取分离区液深h Y=1.5m,分离区容积:V F=5.5×2×1.5=16.5m3分离区清水下降时间:t F=h Y/U3=1.5/9=0.167h=10min取分离区安全超高h A=0.5m,气浮池高H F=1.5+0.5=2m复核分离停留时间:t F′=V F /Q3=16.5/90=0.183h=11min,满足停留10~15min的要求,并能满足清水到达池底所需时间。
平流式气浮池设计计算书一、设计说明气浮法也称浮选法,其原理是设法使水中产生大量的微气泡,以形成水、气、及被去除物质的三相混合体,在界面张力、气泡上升浮力和静水压力差等多种力的共同作用下,促进微细气泡粘附在被去除的微小油滴上后,因粘合体密度小于水而上浮到水面,从而使水中油粒被分离去除。
气浮法通常作为对含油污水隔油后的补充处理。
即为生化处理之前的预处理,经过气浮处理,可将含油量降到30mg/L以下,再经过生化处理,出水含有可达到10mg/L以下。
设计选用目前最常用的平流式气浮池,废水经配水井进入气浮接触区,通过导流板实现降速,稳定水流。
然后废水与来自溶气开释器释出的溶气水相混合,此时水中的絮粒和微气泡相互碰撞粘附,形成带气絮粒而上浮,并在分离区进行固液分离,浮至水面的泥渣由刮渣机刮至排渣槽排出。
净水则由穿孔集水管汇集至集水槽后出流。
部分净水经过回流水泵加压后进溶气罐,在罐内与来自空压机的压缩空气相互接触溶解,饱和溶气水从罐底通过管道输向开释器。
本设计采用加压溶气气浮法在国内外应用最为广泛。
与其他方法相比,它具有以下优点:在加压条件下,空气的溶解度大,供气浮用的气泡数目多,能够确保气浮效果;溶进的气体经骤然减压开释,产生的气泡不仅微细、粒度均匀、密集度大、而且上浮稳定,对液体扰动微小,因此特别适用于对疏松絮凝体、细小颗粒的固液分离;工艺过程及设备比较简单,便于治理、维护;特别是部分回流式,处理效果明显、稳定,并能较大地节约能耗。
二、设计任务完成一个城市污水处理中常用的典型构筑物的工艺设计,较完整地绘制该构筑物的工艺施工图纸。
构筑物——平流式气浮池(共壁合建)设计流量——Q s=100m³/h三、设计计算1.污水水质情况C o = 700㎎/L 悬浮固体浓度f= 90%空气饱和率Aa/S= 0.022 气固比Ca= 18.5ml/L 空气在水中饱和溶解度P= 4.2atm 溶气压力T1=2min 气浮池内接触时间Ts=20min 分离室内停留时间Vs=1.5 mm/s 分离室上升流速2.回流比的确定由Aa/S =Ca(f*P-1)R/ C o 得,回流比R= 30%3.气浮池计算因为设计两个气浮池并联,所以单池流量Q =100/2=50 m³/h(1)接触室容积:Vc=(Q+Qp)*T2/60=(50+15) *2/60=2.17m³(2)分离室容积:Vs=(Q+Qp) *Ts/60=65*20/60=21.7m³(3)气浮池水深:H=1.5*t/1000=1.5*20*60/1000=2m(4)分离室面积和长度As=Vs/H=21.7/2=10.85m2取池宽B=2m则分离室长度L= As /B=10.85/2=5.43m为便于施工长度取5.5m,则实际分离室面积为11㎡。
平流式气浮池设计计算书一、设计说明气浮法也称浮选法,其原理是设法使水中产生大量的微气泡,以形成水、气、及被去除物质的三相混合体,在界面张力、气泡上升浮力和静水压力差等多种力的共同作用下,促进微细气泡粘附在被去除的微小油滴上后,因粘合体密度小于水而上浮到水面,从而使水中油粒被分离去除。
气浮法通常作为对含油污水隔油后的补充处理。
即为生化处理之前的预处理,经过气浮处理,可将含油量降到以下,再经过生化处理,出水含有可达到以下。
设计选用目前最常用的平流式气浮池,废水经配水井进入气浮接触区,通过导流板实现降速,稳定水流。
然后废水与来自溶气开释器释出的溶气水相混合,此时水中的絮粒和微气泡相互碰撞粘附,形成带气絮粒而上浮,并在分离区进行固液分离,浮至水面的泥渣由刮渣机刮至排渣槽排出。
净水则由穿孔集水管汇集至集水槽后出流。
部分净水经过回流水泵加压后进溶气罐,在罐内与来自空压机的压缩空气相互接触溶解,饱和溶气水从罐底通过管道输向开释器。
本设计采用加压溶气气浮法在国内外应用最为广泛。
与其他方法相比,它具有以下优点:在加压条件下,空气的溶解度大,供气浮用的气泡数目多,能够确保气浮效果。
溶进的气体经骤然减压开释,产生的气泡不仅微细、粒度均匀、密集度大、而且上浮稳定,对液体扰动微小,因此特别适用于对疏松絮凝体、细小颗粒的固液分离。
工艺过程及设备比较简单,便于治理、维护。
特别是部分回流式,处理效果明显、稳定,并能较大地节约能耗。
二、设计任务完成一个城市污水处理中常用的典型构筑物的工艺设计,较完整地绘制该构筑物的工艺施工图纸。
构筑物——平流式气浮池(共壁合建)设计流量——³三、设计计算.污水水质情况㎎悬浮固体浓度%空气饱和率气固比空气在水中饱和溶解度溶气压力气浮池内接触时间分离室内停留时间分离室上升流速.回流比的确定由(*)得,回流比%.气浮池计算因为设计两个气浮池并联,所以单池流量³()接触室容积:()*() *³()分离室容积:() **³()气浮池水深:***()分离室面积和长度取池宽则分离室长度为便于施工长度取,则实际分离室面积为㎡。
1.气浮池1.1.功能描述加压气浮法是在加压情况下,将空气溶解在废水中达饱和状态,然后突然减至常压,这时溶解在水中的空气就成了过饱和状态,以极微小的气泡释放出来,乳化油和悬浮颗粒就粘附于气泡周围而随其上浮,在水面上形成泡沫层,然后由刮泡器清除,使废水得到净化。
1.2.设计要点气浮池有效水深2.0-2.5m,长宽比1.5:1~1:1,设计水力停留时间10~20min,分离区水流下降速度1~3mm/s,水力表面负荷5~10m3/m2h。
为防止进水干扰分离区的工作,在气浮池入口设有隔板,隔板前为接触区,设计参数为隔板下端直立部分,水流上升流速取20mm/s;隔板上端一般与水平呈60°角,此区水流上升流速取5~10mm/s;接触区水力停留时间≥2min。
隔板下部竖直部分高300~500mm,隔板上端与气浮池水面距离取300mm,以防止扰动浮渣层。
集水管布置在分离区底部,可为枝状或环状布置,力求集水均匀。
池顶刮渣机行车速度不大于5m/min。
1.3.平流气浮池设计(1)溶气水量计算Q R=1000ASQS’/[C a(fP−1)]Q R-回流加压溶气水量,m3/dA/S-气固比,宜通过试验确定,如无试验资料,可按0.005~0.06的范围选用,废水悬浮固体浓度高时取低值,低时取高值。
气浮处理水量,m3/dS’-废水中悬浮物固体浓度,kg/m3C a-0.1MPa大气压下空气的质量饱和溶解度(查表),g/m3f-加压溶气系统的溶气效率,一般取0.6~0.8P-溶气绝对压力,0.1MPa0.1MPa大气压下空气在水中的饱和溶解度(2)接触区计算接触区容积计算:V j=(Q+Q R)t1 24×60V j-接触区容积,m3Q-处理废水量,m3/dQ R-回流溶气水量,m3/dT1-接触区接触时间,min,≥2min 接触区面积计算:A j=V j HA j-接触区面积,m2有效水深,m接触区长度计算:L j=A j/b L j-接触区长度,mb-气浮池宽度,m(3)气浮池分离区计算气浮池分离区容积计算:V f=(Q+Q R)t2 24×60V f-分离区容积,m3t2-分离区停留时间,min气浮池有效水深计算:H=V s t2 H-气浮池有效水深,mV s-分离区水流下降的平均流速,m/st2-分离区停留时间,s 分离区面积计算:A f=V f HA f-分离区面积,m2分离区长度计算:L f=A f bL f-分离区长度,m b-气浮池宽度,m (4)溶气罐计算V R=Q R t 24×60t-溶气罐停留时间,3min1.4.一体化气浮设备(参考)。
气浮法设计计算一.气浮法分类及原理处理方法按产气方式分类常用方式原 理气 浮 法气浮法压力溶气 全溶气气浮法部分回流溶气气浮法用水泵将废水提升到溶气罐,加压至~(表压)同时注入压缩空气,使之过饱和。
然后瞬间减压,骤然释放出大量密集的微细气泡,从而使气泡和被去除物质的结合体迅速分离,上浮至水面。
气浮法细碎空气喷射气浮法叶轮气浮法(韦姆科气浮法)利用高速喷射的水流或高速旋转的叶轮,将吸入水中的空气剪切成微细气泡,从而使气泡与被去除物质的结合体迅速上浮与水分离。
二.气浮法设计参数全溶气气浮法 部分回流溶气气浮法1流 程 示 意 图2 进水水质 pH=~含油量<100mg/l pH=~含油量<100mg/l3投加药剂(品种和数量根据实际水质筛选决定)聚合铝25~35mg/l或硫酸铝60~80mg/l或聚合铁15~30mg/l或有机高分子凝聚剂1~10mg/l聚合铝15~25mg/l或硫酸铝40~60mg/l或聚合铁10~20mg/l或有机高分子凝聚剂1~8mg/l4 混凝反应 管道和水泵混合无反应室管道混合,阻力损失≥或机械混合,搅拌浆叶线速度s 左右,混合时间气 浮 方式参 数 序 号三.气浮法设计计算四.不同温度下的K T值和736K T值例:2×75m3 / h气浮池气浮池设置在絮凝池侧旁,沉淀池上方。
气浮类型较多,有全部压力溶气气浮、分散空气气浮、电解凝聚气浮、内循环射流气浮等,这里选择适用于城镇给水处理的部分回流压力溶气气浮。
气浮适用于含藻类及有机杂质、水温较低、常年浊度低于100NTU的原水;它依靠微气泡粘附絮粒,实现絮粒强制性上浮,达到固、液分离,由于气泡的重度远小于水,浮力很大,促使絮粒迅速上浮,提高固、液分离速度。
气浮依靠无数微气泡去粘附絮粒,对絮粒的重度、大小要求不高,能减少絮凝时间,节约混凝剂量;带气絮粒与水的分离速度快,单位面积产水量高,池容及占地减少,造价降低;气泡捕足絮粒的机率很高,跑矾花现象很少,有利于后级滤池延长冲洗周期,节约水耗;排渣方便,浮渣含水率低,耗水量小;池深浅,构造简单,可随时开、停,而不影响出水水质,管理方便。
气浮法设计计算 IMB standardization office【IMB 5AB- IMBK 08- IMB 2C】
气浮法设计计算一.气浮法分类及原理
二.气浮法设计参数
三.气浮法设计计算
四.不同温度下的K T值和736K T值
例:2×75m3 / h气浮池
气浮池设置在絮凝池侧旁,沉淀池上方。
气浮类型较多,有全部压力溶气气浮、分散空气气浮、电解凝聚气浮、内循环射流气浮等,这里选择适用于城镇给水处理的部分回流压力溶气气浮。
气浮适用于含藻类及有机杂质、水温较低、常年浊度低于100NTU的原水;它依靠微气泡粘附絮粒,实现絮粒强制性上浮,达到固、液分离,由于气泡的重度远小于水,浮力很大,促使絮粒迅速上浮,提高固、液分离速度。
气浮依靠无数微气泡去粘附絮粒,对絮粒的重度、大小要求不高,能减少絮凝时间,节约混凝剂量;带气絮粒与水的分离速度快,单位面积产水量高,池容及占地减少,造价降低;气泡捕足絮粒的机率很高,跑矾花现象很少,有利于后级滤池延长冲洗周期,节约水耗;排渣方便,浮渣含水率低,耗水量小;池深浅,构造简单,可随时开、停,而不影响出水水质,管理方便。
●结构尺寸:
取回流比R=20%,气浮池处理水量:Q3=(1+R)Q2=×75=90m3/h
接触区底部上升段纵截面为矩形,上升流速10~20mm/s,取
U J1=18mm/s=64.8m/h
接触区底部通水平面面积:F J1=90/=≈1.4m2
接触区宽与絮凝池相同,B=2m,接触区底部平面池长方向尺寸:L J1=2=0.7m 接触区上端扩散段纵截面为倒直角梯形,出口流速5~10mm/s,取
U J2=7.5mm/s=27m/h
接触区上端扩散出口通水平面面积:F J2=90/27=3.333m2
接触区宽与絮凝池相同,B=2m,接触区上端扩散出口平面池长方向尺寸:L J2=2=≈1.7m
扩散段水平倾角α=35°,扩散段高:h K=(-)tan35°=0.7m
扩散段容积:V K=〔(+)/2〕××2=1.68m3
接触区停留时间需大于60s,取t J=90s=,接触区容积:V J=90×60=2.25m3
接触区底部上升段高:h D=(V J-V K)/F J1=(-)/=0.4m
分离区清水下降流速~2.5mm,取U3=2.5mm/s=9m/h
分离区平面面积:F F=Q3/U3=90/9=10m2
分离区平面池长方向尺寸:L F=10/2=5m(<沉淀池长5.5m)
气浮池长度方向尺寸:L=5.5m
取分离区液深h Y=1.5m,分离区容积:V F=×2×=16.5m3
分离区清水下降时间:t F=h Y/U3=9==10min
取分离区安全超高h A=0.5m,气浮池高H F=+=2m
复核分离停留时间:t F′=V F /Q3=90==11min,满足停留10~15min的要求,并能满足清水到达池底所需时间。
●溶气泵:
溶气水量即回流水量,Q R=RQ3=×75=15m3/h,溶气压力P≈
溶气泵选用不锈钢离心泵,数量3台,2用1备;型号:DFHW50-200/2/5.5,流量:~~16.3m3/h,扬程:51~50~48.5m,电机功率:,外形尺寸:长×宽×高
=602×400×425mm
●空压机:
水中空气溶解量与温度和压力有关,水温20°C,压力(1bar)时空气在水中的饱和溶解度C K=0.0187L气/L水,溶气效率与溶气罐结构、气液传质填料、溶气压力和时间有关。
溶气罐进水压力(表压)P==4bar≈4Kg/cm2;水温变化校正系数一般为~,取校正系数m=;安全和空压机效率系数一般为~,取效率系数k=。
气浮所需压缩空气量:Q K2=mC K PQ R=×××15=1.515m3/h
空压机额定排气量:Q P=kQ K/60=×60=0.038m3/min
选用无油空气压缩机,数量3台,2用1备;型号:7,排气量:0.05m3/min,排气压力:,电机功率:,外形尺寸:长×宽×高=825×368×651mm。
●溶气罐:
溶气罐采用具有高效溶气效率的喷淋填料式,数量2台,碳钢制作;溶气接触停留时间2~4min,取T R=,溶气罐容积:V R=Q R T R/60=15×60=0.625m3填料式溶气罐断面负荷一般为1000~2000m3/(m2d),即40~80m3/(m2h),取q=75m3/(m2h)
溶气罐直径:D R=〔4×(15/75)/〕=0.5m
溶气罐有效高:h=(×4)=3.2m
气液传质填料选用溶气效率较高的塑料阶梯环,规格:φ25(米字内筋),尺寸:外径×高×壁厚=25××1mm,装填高1.3m,容积0.25m3。
溶气罐内设置浮球液位传感器,型号:UQK-02,数量2只,用于自动控制罐内最佳液位。
溶气水制备采用强制内循环措施,溶气罐内达到高水位时,开始内循环,进气电磁阀和设在溶气罐循环管上的电磁阀同时开启,在正压作用下,设在溶气泵吸水管上的止回阀立刻关闭,清水暂停吸入,溶气罐内的溶气水除继续受溶气泵循环加压外,亦在水泵叶轮的高速搅拌作用下,使空气能更充分地溶解到水中,没有空气溶解不足的缺点。
溶气罐内低水位时,进气电磁阀和溶气罐循环管上的电磁阀均关闭,溶气泵仍继续运行,这时吸水管路产生负压,止回阀开启,清水被吸入,此时依靠溶气罐内填料,使水与罐内足量空气长时间接触,使空气在水中的溶解仍很充分。
正常水位时,进气、吸水同时进行。
整个过程自动运行。
●溶气释放器:
溶气释放器选用TV-Ⅲ型,其特点是圆盘径向全方位释放,与含絮粒水的接触条件更佳,释放器受堵时,接通压缩空气,下盘体向下移动,增大盘间水流通道,使堵塞物排出。
其作用直径80cm,溶气水时单个释放器出流量q1=5.9m3/h 释放器个数:n′=Q R/q1=15/=个
溶气水时单个释放器出流量q2=5.2m3/h
释放器个数:n″=15/=个,取n=3个,N=6个
●刮渣机:
采用逆向刮渣,行车行走速度3~5m/min,数量2台;减速机型号:BWD11-71-链条、链轮传动,电机功率:。
●其它:
扶梯、平台、阀门、瞬时流量计、水表等
●各项性能参数略(相关数据见计算结果)。