透水砖面层检验批质量验收记录
- 格式:doc
- 大小:41.00 KB
- 文档页数:1
砖面层检验批质量验收记录(GB50209—2002)表6。
2主控项目6.2。
7 面层所用的板块的品种、质量必须符合设计要求。
检验方法:观察检查和检查材质合格证明文件及检测报告。
6。
2。
8 面层与下一层的结合(粘结)应牢固,无空鼓。
检验方法:用小锤轻击检查。
注:凡单块砖边角有局部空鼓,且每自然间(标准间)不超过总数的5%可不计。
一般项目6.2。
9 砖面层的表面应洁净、图案清晰,色泽一致,接缝平整,深浅一致,周边顺直.板块无裂纹、掉角和缺楞等缺陷。
检验方法:观察检查。
6.2.10 面层邻接处的镶边用料及尺寸应符合设计要求,边角整齐、光滑。
检验方法:观察和用钢尺检查。
6.2.11 踢脚线表面应洁净、高度一致、结合牢固、出墙厚度一致.检验方法:观察和用小锤轻击及钢尺检查。
6.2.12 楼梯踏步和台阶板块的缝隙宽度应一致、齿角整齐;楼层梯段相邻踏步高度差不应大于10mm;防滑条顺直。
检验方法:观察和用钢尺检查。
6。
2.13 面层表面的坡度应符合设计要求,不倒泛水、无积水;与地漏、管道结合处应严密牢固,无渗漏。
检验方法:观察、泼水或坡度尺及蓄水检查.6。
2.14 砖面层的允许偏差应符合本规范表6。
1。
8的规定.检验方法:应按本规范表6。
1.8中的检验方法检验.注:本表由施工项目专业质量检查员填写,专业监理工程师(建设单位项目专业技术负责人)组织项目专业质量(技术)负责人等进行验收。
砖面层检验批质量验收记录【范本一】一、项目概况本次砖面层检验批质量验收记录是针对XX项目的砖面层施工工艺的质量验收过程进行记录。
二、验收依据1. 《建设工程质量验收规范》(GB50300)2. 《砖砌体工程施工及验收规范》(GB50203)3. 《建筑节能工程施工质量验收规范》(GB50378)4. 工程相关设计文件及施工图纸三、验收内容1. 砖墙结构的平整度、垂直度和水平度的检验2. 砖墙砖与砖、砖与结构之间的粘结质量的检验3. 砖墙构件尺寸的检验4. 砖墙缝隙的检验5. 砖墙墙面的平整度和表面质量的检验四、检验方法1. 使用测量仪器对砖墙的平整度、垂直度和水平度进行检测2. 使用剪刀或刮刀对砖与砖、砖与结构之间的粘结质量进行检验3. 使用尺子或钢尺对砖墙构件尺寸进行测量4. 使用测量仪器对砖墙缝隙进行检验5. 使用目视检查方法对砖墙墙面的平整度和表面质量进行检验五、验收结果经过以上检验方法,对砖面层的质量进行评定,分为合格和不合格两种结果。
合格表示砖墙在质量上满足设计要求,不合格表示砖墙质量存在问题需要整改。
六、附件1. 相关设计文件2. 施工图纸3. 检测仪器使用记录法律名词及注释:1. 建设工程质量验收规范:指建设工程验收时所遵循的质量验收标准和规范。
2. 砖砌体工程施工及验收规范:指砖墙施工及验收的相关规范和标准。
3. 建筑节能工程施工质量验收规范:指对建筑节能工程施工质量进行验收时所遵循的规范和标准。
【范本二】一、项目概况本次砖面层检验批质量验收记录是由XX项目的建设方进行质量验收的过程记录。
二、验收依据1. 《建设工程质量验收规范》(GB50300)2. 《砖砌体工程施工及验收规范》(GB50203)3. 《建筑节能工程施工质量验收规范》(GB50378)4. 工程相关设计文件及施工图纸三、验收内容1. 墙体结构的平整度、垂直度和水平度的检验2. 砖与砖、砖与结构之间的粘结强度的检验3. 墙体尺寸的检验4. 墙体缝隙的检验5. 墙体表面平整度和表面质量的检验四、检验方法1. 使用测量仪器对墙体的平整度、垂直度和水平度进行检测2. 使用剪刀或刮刀对砖与砖、砖与结构之间的粘结强度进行检验3. 使用尺子或钢尺对墙体尺寸进行测量4. 使用测量仪器对墙体缝隙进行检验5. 使用目视检查方法对墙体表面的平整度和表面质量进行检验五、验收结果经过以上检验方法,对砖面层的质量进行评定,分为合格和不合格两种结果。
填写说明一、填写依据1 《建筑地面工程施工质量验收规范》GB50209-2010。
2 《建筑工程施工质量验收统一标准》GB50300-2013。
二、检验批划分基层(各构造层)和各类面层的分项工程的施工质量验收应按每一层次或每层施工段(或变形缝)划分检验批,高层建筑的标准层可按每三层(不足三层按三层计)划分检验批。
三、GB50209-2010规范摘要6.1.8 板块面层的允许偏差和检验方法应符合表6.1.8的规定。
表6.1.8 板、块面层的允许偏差和检验方法6.2.5 砖面层所用板块产品应符合设计要求和国家现行有关标准的规定。
检验方法:观察检查和检查型式检验报告、出厂检验报告、出厂合格证。
检查数量:同一工程、同一材料、同一生产厂家、同一型号、同一规格、同一批号检查一次。
6.2.6 砖面层所用板块产品进入施工现场时,应有放射性限量合格的检测报告。
检验方法:检查检测报告。
检查数量:同一工程、同一材料、同一生产厂家、同一型号、同一规格、同一批号检查一次。
6.2.7 面层与下一层的结合(粘结)应牢固,无空鼓(单块砖边角允许有局部空鼓,但每自然间或标准间的空鼓砖不应超过总数的5%)。
检验方法:用小锤轻击检查。
检查数量:按本规范第3.0.21条规定的检验批检查。
一般项目6.2.8 砖面层的表面应洁净、图案清晰,色泽应一致,接缝应平整,深浅应一致,周边应顺直。
板块应无裂纹、掉角和缺楞等缺陷。
检验方法:观察检查。
检查数量:按本规范第3.0.21条规定的检验批检查。
6.2.9 面层邻接处的镶边用料及尺寸应符合设计要求,边角应整齐、光滑。
检验方法:观察和用钢尺检查。
检查数量:按本规范第3.0.21条规定的检验批检查。
6.2.10 踢脚线表面应洁净,与柱、墙面的结合应牢固。
踢脚线高度及出柱、墙厚度应符合设计要求,且均勾一致。
检验方法:观察和用小锤轻击及钢尺检查。
检查数量:按本规范第3.0.21条规定的检验批检查。
6.2.11 楼梯、台阶踏步的宽度、高度应符合设计要求。
砖面层工程检验批质量验收记录
填表说明:
1、检验批容量填写:砖面层工程的施工质量验收应按每一层次或每层施工段(或变形缝)划分检验批。
(GB50209-2010第3.0.21条第1款)
2、最小/实际检查数量栏中,实际检查数量:每检验批应以各子分部工程的基层(各构造层)和各类面层所划分的分项工程按自然间(或标准间)检验,抽查数量应随机检验不应少于3间;不足3间,应全数检查;其中走廊(过道)应以10延米为1间,工业厂房(按单跨计)、礼堂、门厅应以两个轴线为1间计算。
(GB50209-2010第3.0.21条第2款)
有防水要求的建筑地面子分部工程的分项工程施工质量每检验批抽查数量应按其房间总数随机检验不应少于4间,不足4间,应全数检查。
(GB50209-2010第3.0.21条第3款)3、表头中“施工依据”栏目应依照实际的施工操作依据填写,如施工企业的操作规程、工法、施工工艺标准等。
砖面层检验批质量验收记录注:本表内容的填写需依据《现场验收检验批检查原始记录》。
本检验批质量验收的规范依据见本页背面。
填写说明一、填写依据1 《建筑地面工程施工质量验收规范》GB50209-2010。
2 《建筑工程施工质量验收统一标准》GB50300-2013。
二、检验批划分基层(各构造层)和各类面层的分项工程的施工质量验收应按每一层次或每层施工段(或变形缝)划分检验批,高层建筑的标准层可按每三层(不足三层按三层计)划分检验批。
三、GB50209-2010规范摘要6.1.8 板块面层的允许偏差和检验方法应符合表6.1.8的规定。
主控项目6.2.5 砖面层所用板块产品应符合设计要求和国家现行有关标准的规定。
检验方法:观察检查和检查型式检验报告、出厂检验报告、出厂合格证。
检查数量:同一工程、同一材料、同一生产厂家、同一型号、同一规格、同一批号检查一次。
6.2.6 砖面层所用板块产品进入施工现场时,应有放射性限量合格的检测报告。
检验方法:检查检测报告。
检查数量:同一工程、同一材料、同一生产厂家、同一型号、同一规格、同一批号检查一次。
6.2.7 面层与下一层的结合(粘结)应牢固,无空鼓(单块砖边角允许有局部空鼓,但每自然间或标准间的空鼓砖不应超过总数的5%)。
检验方法:用小锤轻击检查。
检查数量:按本规范第3.0.21条规定的检验批检查。
一般项目6.2.8 砖面层的表面应洁净、图案清晰,色泽应一致,接缝应平整,深浅应一致,周边应顺直。
板块应无裂纹、掉角和缺楞等缺陷。
检验方法:观察检查。
检查数量:按本规范第3.0.21条规定的检验批检查。
6.2.9 面层邻接处的镶边用料及尺寸应符合设计要求,边角应整齐、光滑。
检验方法:观察和用钢尺检查。
检查数量:按本规范第3.0.21条规定的检验批检查。
6.2.10 踢脚线表面应洁净,与柱、墙面的结合应牢固。
踢脚线高度及出柱、墙厚度应符合设计要求,且均勾一致。
检验方法:观察和用小锤轻击及钢尺检查。
透水砖检验记录透水砖是一种采用特殊设计的建筑材料,具有优良的透水性能,可有效降低城市雨水的径流量,减轻洪涝灾害,改善城市生态环境。
为了确保透水砖的质量稳定和性能符合相关标准,对透水砖进行检验是非常重要的。
下面是对透水砖的检验记录。
一、透水砖的外观质量检验1.检验透水砖表面是否平整、无明显凹凸和破损情况。
2.检验透水砖的尺寸是否符合标准要求,包括长度、宽度和厚度等参数。
3.检验透水砖的颜色是否均匀,是否存在色差。
4.检验透水砖的边角是否完整,无明显磕碰或破损。
5.检验透水砖的表面光洁度,无明显的粗糙感或划痕。
二、透水性能检验1.透水砖饱和度测试:将透水砖浸泡在水中,记录下浸泡后的重量,并计算饱和度。
2.渗透系数测试:将透水砖放置在测试仪器中,施加一定水压,测量其透水性能,计算出渗透系数。
三、抗压强度检验1.采用万能试验机测试透水砖的抗压强度,通过施加压力并记录相应的变形情况,计算出抗压强度值。
2.检验透水砖的抗冻融性能,将透水砖分别经过冻结和解冻过程,并观察是否出现开裂或破损情况。
四、耐磨性能检验1.采用磨损试验机测试透水砖的耐磨性能,通过模拟摩擦过程,并计算损失的质量和长度。
2.检验透水砖的耐久性,使用透水砖进行长期使用试验,并观察是否出现明显的老化和破损情况。
五、化学性能检验1.检验透水砖的酸碱性,采用酸碱度试剂浸泡透水砖,观察是否有变色或明显的腐蚀情况。
2.检验透水砖的化学稳定性,将透水砖暴露在高温和高湿度环境中,观察是否出现明显的变化。
六、环境参数检验1.检验透水砖的放射性,采用放射性检测仪器对透水砖进行检测,并确保其放射性符合国家标准要求。
2.检验透水砖的噪声吸收性能,通过声学实验室测试透水砖对噪音的吸收效果,并计算吸音量。
以上是对透水砖进行检验的内容和要求。
通过对透水砖的全面检验,可以确保其质量稳定、性能优良,为城市建设和生态环境改善提供可靠的材料支持。
.
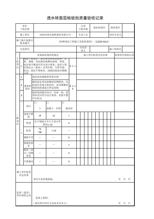
透水砖面层检验批质量验收记录
单位分项
验收部位
工程名称工程名称
施工单位项目经理
技术负责人
施工执行标准名
《园林绿化工程施工及验收规范》( CJJ82-2012 )称及编号
质量验收规范的规定
监理(建设)施工单位检查评定结果
单位验收记录
地面工程基层、面层
所用材料的品种、质
主量、规格,各结构层
纵横向坡度、厚度、
控
标高和平整度赢符合
项 5.1.1 条目 1 设计要求;面层与基层的
结合(粘结)必
须牢固,不得空鼓、
松动,面层不得积水。
园路的弧度应顺畅自
然。
1透水砖的规格及厚 5.1.10 条度应统一。
第 1 款
铺设前必须先按铺
设范围排砖,边沿部
5.1.10 条
2 位形成小粒砖时,必
第 2 款须调整砖块的间距
或进行两边切割。
面砖块间隙应均匀,
一3色泽应一致,排列形 5.1.10 条式应符合设计要求,第 3 款
般
表面平整不应松动。
项
目
表面平整度4mm
厚度3mm
4
缝格平直3mm
1mm
接缝高低差
板块间隙宽度3mm
尺寸偏差3mm
施工单位
检查结果结果
项目专业质量检查员:年月日
监理(建设)单位
验收记录
监理工程师:
(建设单位项目专业技术负责人)年月日
.。