砖面层工程检验批质量验收记录表
- 格式:docx
- 大小:14.33 KB
- 文档页数:2
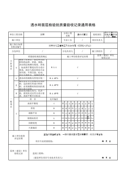
板块面层工程检验批质量验收记录SG-T113填写说明一、本表适用于砖面层、大理石面层、花岗石面层、预制板块面层、料石面层、塑料板面层、活动地板面层、金属板面层和地毯面层等面层分项工程的施工质量验收。
二、检验批的划分:各类面层的分项工程的施工质量验收应按每1层次或每层施工段(或变形缝)作为检验批,高层建筑的标准层可按每3层(不足3层按3层计)作为检验批。
三、检查数量:1.每检验批应以各子分部工程的基层(各构造层)和各类面层所划分的分项工程按自然间(或标准间)检验,抽查数量应随机检验不应少于3间,不足3间,应全数检查;其中走廊(过道)应以10延长米为1间,工业厂房(按单跨计)、礼堂、门厅应以2个轴线为1间计算。
2,有防水要求的建筑地面子分部工程的分项工程施工质量,每检验批抽查数量应按其房间总数随机检验不应少于4间,不足4间,应全数检查。
四、主控项目:1.①第6.2.5条:面层所用的板块的品种、质量应符合设计要求和国家现行有关标准的规定。
检查方法:观察检查和检查形式检验报告、出厂检验报告、出厂合格证。
②第6.3.4条:大理石、花岗石面层所用板块的品种、质量应符合设计要求和国家现行有关标准的规定。
检查方法:观察检查和检查质量合格证明文件。
③第6.4.6条:预制板块面层所用板块产品应符合设计要求和国家现行有关标准的规定。
检查方法:观察检查和检查形式检验报告、出厂检验报告、出厂合格证。
④第6.5.5条:面层材质应符合设计要求;条石的强度等级应大于Mu60,块石的强度等级应大于Mu32。
检查方法:观察检查和检查质量合格证明文件。
2.第6.2.6、6.3.5、6.4.7、6.5.6条检查方法:检查检测报告。
3.第3条检查方法:用小锤轻击检查和观察检查五、一般项目:1.①第6.2.8条:砖面层的表面应洁净,图案清晰,色泽一致,接缝平整,深浅一致,周边顺直,板块无裂纹、掉角和缺楞等缺陷。
检查方法:观察检查。
②第6.3.7、6.3.8条:大理石、花岗石在铺设前,板块的背面和侧面应进行防碱处理;大理石、花岗石面层的表面应洁净、平整、无磨痕,且应图案清晰、色泽一致、接缝均匀、周边顺直、镶嵌正确,板块无裂纹、掉角和缺楞等缺陷。
砖面层检验批质量验收记录【范本一】一、项目概况本次砖面层检验批质量验收记录是针对XX项目的砖面层施工工艺的质量验收过程进行记录。
二、验收依据1. 《建设工程质量验收规范》(GB50300)2. 《砖砌体工程施工及验收规范》(GB50203)3. 《建筑节能工程施工质量验收规范》(GB50378)4. 工程相关设计文件及施工图纸三、验收内容1. 砖墙结构的平整度、垂直度和水平度的检验2. 砖墙砖与砖、砖与结构之间的粘结质量的检验3. 砖墙构件尺寸的检验4. 砖墙缝隙的检验5. 砖墙墙面的平整度和表面质量的检验四、检验方法1. 使用测量仪器对砖墙的平整度、垂直度和水平度进行检测2. 使用剪刀或刮刀对砖与砖、砖与结构之间的粘结质量进行检验3. 使用尺子或钢尺对砖墙构件尺寸进行测量4. 使用测量仪器对砖墙缝隙进行检验5. 使用目视检查方法对砖墙墙面的平整度和表面质量进行检验五、验收结果经过以上检验方法,对砖面层的质量进行评定,分为合格和不合格两种结果。
合格表示砖墙在质量上满足设计要求,不合格表示砖墙质量存在问题需要整改。
六、附件1. 相关设计文件2. 施工图纸3. 检测仪器使用记录法律名词及注释:1. 建设工程质量验收规范:指建设工程验收时所遵循的质量验收标准和规范。
2. 砖砌体工程施工及验收规范:指砖墙施工及验收的相关规范和标准。
3. 建筑节能工程施工质量验收规范:指对建筑节能工程施工质量进行验收时所遵循的规范和标准。
【范本二】一、项目概况本次砖面层检验批质量验收记录是由XX项目的建设方进行质量验收的过程记录。
二、验收依据1. 《建设工程质量验收规范》(GB50300)2. 《砖砌体工程施工及验收规范》(GB50203)3. 《建筑节能工程施工质量验收规范》(GB50378)4. 工程相关设计文件及施工图纸三、验收内容1. 墙体结构的平整度、垂直度和水平度的检验2. 砖与砖、砖与结构之间的粘结强度的检验3. 墙体尺寸的检验4. 墙体缝隙的检验5. 墙体表面平整度和表面质量的检验四、检验方法1. 使用测量仪器对墙体的平整度、垂直度和水平度进行检测2. 使用剪刀或刮刀对砖与砖、砖与结构之间的粘结强度进行检验3. 使用尺子或钢尺对墙体尺寸进行测量4. 使用测量仪器对墙体缝隙进行检验5. 使用目视检查方法对墙体表面的平整度和表面质量进行检验五、验收结果经过以上检验方法,对砖面层的质量进行评定,分为合格和不合格两种结果。
A—4
砖面层报验申请表
工程名称:门源县国税局职工周转房工程编号:
砖面层检验批质量验收记录表
GB50209-2002
砖面层报验申请表
工程名称:门源县国税局职工周转房工程编号:
砖面层检验批质量验收记录表
GB50209-2002
砖面层报验申请表
工程名称:门源县国税局职工周转房工程编号:
由承包单位填写,经监理审批后,建设单位、承包单位、监理单位各存档。
砖面层检验批质量验收记录表
GB50209-2002
砖面层报验申请表
工程名称:门源县国税局职工周转房工程编号:
砖面层检验批质量验收记录表
GB50209-2002
A—4
砖面层报验申请表
工程名称:门源县国税局职工周转房工程编号:
砖面层检验批质量验收记录表
GB50209-2002
A—4
砖面层报验申请表
工程名称:门源县国税局职工周转房工程编号:
砖面层检验批质量验收记录表
GB50209-2002。
瓷砖铺装检验批质量验收记录
1. 项目信息
- 项目名称:
- 项目地址:
- 施工单位:
- 监理单位:
- 验收单位:
2. 背景
本次铺装检验批质量验收记录是为了确保施工质量符合规范要求,达到客户要求的标准。
3. 验收内容
本次验收主要包括以下内容:
- 瓷砖铺设质量
- 瓷砖规格与尺寸
- 瓷砖接缝处理
- 瓷砖防水效果
4. 验收过程及结果
4.1 验收过程
1. 施工单位在完成瓷砖铺设后,通知验收单位进行验收。
2. 监理单位与施工单位共同进行现场验收,并记录各项检查结果。
4.2 验收结果
经过验收,以下为本次瓷砖铺装检验批质量验收的结果:
- 瓷砖铺设质量符合规范要求。
- 瓷砖规格与尺寸符合合同要求。
- 瓷砖接缝处理符合要求,无明显缺陷。
- 瓷砖防水效果良好。
5. 验收结论
根据以上验收结果,本次瓷砖铺装检验批质量验收顺利通过,并符合相关标准和要求。
6. 附件
- 现场照片
- 检测报告
7. 验收人员
- 验收单位代表:
- 施工单位代表:
- 监理单位代表:
8. 备注
- 如果存在问题或不合格项,应记录在备注中,并制定整改措施。
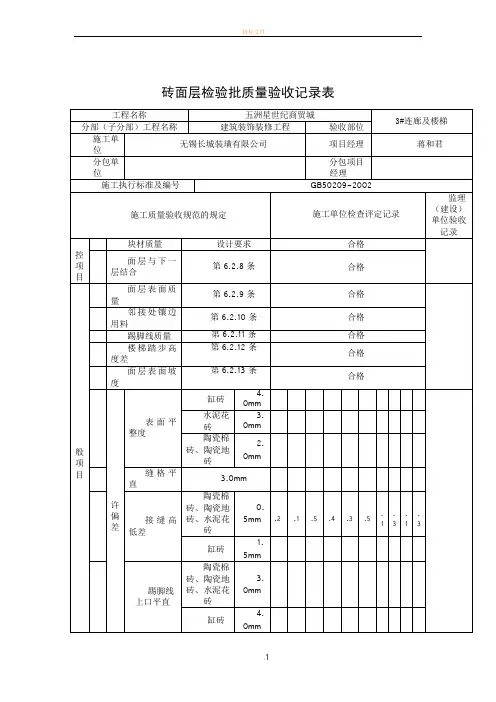
砖面层工程检验批质量验收记录表
说明
主控项目
1、面层所用板块的品种、质量必须符合设计要求。
尚应符合第6.2.3条规定。
观察检查和检查产品材质证明文件及检测报告。
2、面层与下一层的结合(粘结)应牢固,无空鼓。
用小锤轻击检查。
注:凡单块砖边角有局部空鼓,且每自然间(标准间)不超过总数的5%可不计。
一般项目
1、砖面层的表面应洁净、图案清晰、色泽一致,接缝平整,深浅一致,周边顺直。
板块无裂纹、掉角和缺楞等缺陷。
观察检查。
2、面层邻接处的镶边用料及尺寸应符合设计要求,边角整齐、光滑。
尚应符合第6.2.4条有关规定。
观察和用尺量检查。
3、踢脚线表面应洁净、高度一致、结合牢固、出墙厚度一致。
观察和用小锤轻击及尺量检查。
4、楼梯踏步和台阶板块的缝隙宽度应一致、齿角整齐;楼层梯段相邻踏步高度差不应大于10mm;防滑条顺直。
观察和尺量检查。
5、面层表面的坡度应符合设计要求,不倒泛水、无积水;与地漏、管道结合处应严密牢固、无渗漏。
观察、泼水或坡度尺及蓄水检查。
6、用2m靠尺和楔形塞尺检查表面平整度的允许偏差,拉5m线和用钢尺检查平直度允许偏差;用钢尺和楔形塞尺检查高低差和间隙宽度允许偏差。
地砖面层地板工程检验批质量验收记录资料全一、地砖面层地板工程质量验收记录项目名称:地砖面层地板工程承接单位:XXX工程公司施工单位:XXX施工队监理单位:XXX监理公司验收时间:XXXX年XX月XX日二、工作内容1.施工单位按照合同要求,完成了地砖面层地板工程的施工,包括地砖铺贴、地板安装等。
2.本次检验批的工作内容主要包括地砖铺贴工程、地板安装工程。
三、质量验收内容1.地砖铺贴工程(1)地砖的种类、规格、颜色、花纹与设计方案一致。
(2)地砖铺贴平整、牢固,无裂缝,铺贴粘结强度符合要求。
(3)地砖的砖缝宽度均匀,砖缝填充材料饱满,与地砖颜色相近。
(4)铺贴地砖周边与墙体、门窗框交界处密实、丰满均匀。
2.地板安装工程(1)地板拼接紧密,无开裂、变形现象。
(2)地板安装牢固,与墙体、门窗框交界处密实、平整。
(3)地板表面无明显磨损、划痕、漆面剥落现象。
四、质量验收结论根据以上检查,地砖面层地板工程质量符合合同要求和设计要求,通过了该次的质量验收。
五、存在问题及处理意见1.存在的问题:地板安装工程中,部分地板拼接处不够紧密,需重做处理。
2.处理意见:责成施工单位对问题地板进行重新拼接,确保地板安装质量达到要求。
六、其他事项1.施工单位应按照监理单位提出的整改意见,及时进行修复。
2.监理单位应加强对施工单位的质量监督,确保施工质量符合要求。
3.本次的质量验收结论将作为后期工程决算的参考依据。
七、负责人意见施工单位负责人(签字):监理单位负责人(签字):八、审批项目经理(签字):监理工程师(签字):以上是地砖面层地板工程检验批质量验收记录的全部内容,该记录将对工程的质量达到标准起到重要的作用,并能为后期工程决算提供参考依据。
GB50209-2002 目录号:4.1。
10.4。
54共(检验批)砖面层工程检验批质量验收记录第备注:1、单面块砖边角有局部空鼓,且每自然间(标准间)不超过总数的5%可不记.不超过总数5%可不记。
2、“面层材料A”为陶瓷面砖、高级水磨石板、陶瓷地砖;“面层材料B”为缸砖;“面层材料C"为水泥花砖.GB50209-2002 目录号:4。
1.10。
4。
54共(检验批)砖面层工程检验批质量验收记录第备注:1、单面块砖边角有局部空鼓,且每自然间(标准间)不超过总数的5%可不记.不超过总数5%可不记.2、“面层材料A”为陶瓷面砖、高级水磨石板、陶瓷地砖;“面层材料B”为缸砖;“面层材料C”为水泥花砖。
GB50209—2002 目录号:4.1.10.4.54共(检验批)砖面层工程检验批质量验收记录第备注:1、单面块砖边角有局部空鼓,且每自然间(标准间)不超过总数的5%可不记。
不超过总数5%可不记。
2、“面层材料A”为陶瓷面砖、高级水磨石板、陶瓷地砖;“面层材料B”为缸砖;“面层材料C”为水泥花砖。
GB50209—2002 目录号:4。
1.10.4.54共(检验批)砖面层工程检验批质量验收记录第2、“面层材料A”为陶瓷面砖、高级水磨石板、陶瓷地砖;“面层材料B”为缸砖;“面层材料C”为水泥花砖。
GB50209-2002 目录号:4.1.10.4.54共(检验批)砖面层工程检验批质量验收记录第记。
2、“面层材料A”为陶瓷面砖、高级水磨石板、陶瓷地砖;“面层材料B”为缸砖;“面层材料C"为水泥花砖。
GB50209—2002 目录号:4。
1.10.4.54共(检验批)砖面层工程检验批质量验收记录第记。
2、“面层材料A”为陶瓷面砖、高级水磨石板、陶瓷地砖;“面层材料B”为缸砖;“面层材料C”为水泥花砖。
砖面层工程检验批质量验收记录表
说明
主控项目
1、面层所用板块的品种、质量必须符合设计要求。
尚应符合第6.2.3条规定。
观察检查和检查产品材质证明文件及检测报告。
2、面层与下一层的结合(粘结)应牢固,无空鼓。
用小锤轻击检查。
注:凡单块砖边角有局部空鼓,且每自然间(标准间)不超过总数的5%可不计。
一般项目
1、砖面层的表面应洁净、图案清晰、色泽一致,接缝平整,深浅一致,周边顺直。
板块无裂纹、掉角和缺楞等缺陷。
观察检查。
2、面层邻接处的镶边用料及尺寸应符合设计要求,边角整齐、光滑。
尚应符合第6.2.4条有关规定。
观察和用尺量检查。
3、踢脚线表面应洁净、高度一致、结合牢固、出墙厚度一致。
观察和用小锤轻击及尺量检查。
4、楼梯踏步和台阶板块的缝隙宽度应一致、齿角整齐;楼层梯段相邻踏步高度差不应大于10mm;防滑条顺直。
观察和尺量检查。
5、面层表面的坡度应符合设计要求,不倒泛水、无积水;与地漏、管道结合处应严密牢固、无渗漏。
观察、泼水或坡度尺及蓄水检查。
6、用2m靠尺和楔形塞尺检查表面平整度的允许偏差,拉5m线和用钢尺检查平直度允许偏差;用钢尺和楔形塞尺检查高低差和间隙宽度允许偏差。