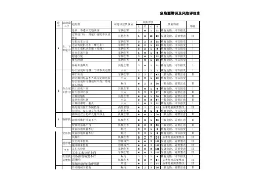
风险清单表
- 格式:pdf
- 大小:184.30 KB
- 文档页数:6
风险识别清单汇总表
组织与管理风险
- 人员变动导致组织架构不稳定的风险
- 不当的决策和管理导致组织目标无法实现的风险
- 缺乏适当的沟通和协作机制导致信息流失和冲突的风险
金融与投资风险
- 经济不稳定和市场波动导致投资回报不确定的风险
- 资金短缺和债务风险导致企业无法维持正常运营的风险- 管理不善导致投资损失的风险
战略与竞争风险
- 新技术和新产品的出现导致市场份额下降的风险
- 不合理的定价策略导致销售额下降的风险
- 竞争对手的产能扩张导致市场需求下降的风险
法律与合规风险
- 不合规行为导致法律纠纷和罚款的风险
- 数据泄露和隐私问题导致声誉损害和法律追责的风险
- 涉及知识产权的侵权行为导致侵权诉讼的风险
供应链与物流风险
- 供应商质量问题导致产品质量下降的风险
- 物流链条中断导致产品交付延迟的风险
- 供应链过度依赖某一供应商导致供应风险的风险
以上仅为风险识别清单汇总表的一部分,企业在实际应用中应根据自身情况进行细化和完善。
识别风险后,企业应采取相应的风险管理和控制措施,以避免潜在风险对业务造成损失。
> 注:本文档内容仅供参考,具体风险识别工作应根据实际情况进行。
质量风险清单1.土方回填质量风险土方回填材料不合格、回填密实度不符合要求,未按要求进行见证取样。
模板支撑系统未进行方案针对性承载力计算,支撑系统未按方案进行安装,螺栓紧固力不足,脚手钢管等材料规格不符合要求。
质量隐患及后果:易造成地基下沉,基础不均匀沉降,设备损坏。
模板支撑系统结构失稳造成安全事故。
风险等级:重大2.混凝土浇筑质量风险泵管架未能与模板支撑架分开;混凝土落差过大,导致混凝土离析;混凝土存在过振或漏振,混凝土表面产生蜂窝、麻面、孔洞、露筋、裂缝,造成修补、加固、返工。
混凝土浇筑间隔时间超过混凝土初凝时间;大体积混凝土未采用分层浇筑;未按规范要求留置足够数量同条件和标养试块。
质量隐患及后果:混凝土表面质量不美观,承载力不足;导致结构或设备垮塌事故。
风险等级:交付产品类重大3.铁模板支撑系统安装质量风险铁板厚度偏薄,不符合设计及规范要求;锚筋数量、规格及埋件强度不足,造成安装的尺寸不符合设计和规范要求;附着设备脱落造成设备损坏,焊缝高度不够;焊缝存在咬边、气孔或夹渣等现象;焊缝药皮未清理;预埋件未进行矫正。
质量隐患及后果:结构失稳造成安全事故;表面锈蚀,工艺质量不美观,承载力不足;导致结构或设备垮塌事故。
风险等级:重大4.预埋件制作质量风险预埋件在制作时未经过设计同意擅自割除埋件锚脚;预埋件未与模板紧贴;预埋件固定不牢固;固定架刚度不够;拆模后未及时涂刷防锈漆。
质量隐患及后果:埋件与墙面不平,表面锈蚀,工艺质量不美观,承载力不足;导致结构或设备垮塌事故。
风险等级:交付产品类重大5.预埋件安装质量风险预埋件在安装时图省事或为安装方便未经设计同意擅自割除埋件锚脚;预埋件未与模板紧贴;预埋件固定不牢固;固定架刚度不够;拆模后未及时涂刷防锈漆。
质量隐患及后果:埋件与墙面不平,表面锈蚀,工艺质量不美观,承载力不足;导致结构或设备垮塌事故。
风险等级:交付产品类重大6.锅炉受热面安装检查质量风险锅炉受热面合金钢材料未进行100%光谱复查、受热面焊口未进行探伤检测、锅炉系统组合安装时洁净化施工措施不到位。
工程项目风险清单一、经济风险1、市场风险:市场变化可能导致项目投资回报率降低、投资收益降低、项目投资费用增加等。
2、货币风险:货币汇率波动可能导致项目投资收益受到影响,从而影响项目投资回报率。
3、政策风险:政策变化可能导致项目投资费用增加或者投资收益减少,从而影响项目投资回报率。
4、税收风险:税收变化可能导致项目投资费用增加或者投资收益减少,从而影响项目投资回报率。
5、市场竞争风险:市场竞争可能导致项目投资收益减少,从而影响项目投资回报率。
6、成本风险:成本变化可能导致项目投资费用增加或者投资收益减少,从而影响项目投资回报率。
二、技术风险1、技术不稳定风险:由于技术发展的不确定性,可能导致项目投资费用增加或者投资收益减少,从而影响项目投资回报率。
2、技术更新风险:技术更新可能导致项目投资费用增加或者投资收益减少,从而影响项目投资回报率。
3、技术突破风险:技术突破可能导致项目投资费用增加或者投资收益减少,从而影响项目投资回报率。
4、技术创新风险:技术创新可能导致项目投资费用增加或者投资收益减少,从而影响项目投资回报率。
三、管理风险1、组织管理风险:组织管理不规范可能导致项目投资费用增加或者投资收益减少,从而影响项目投资回报率。
2、人力资源风险:人力资源短缺可能导致项目投资费用增加或者投资收益减少,从而影响项目投资回报率。
3、信息系统风险:信息系统不完善可能导致项目投资费用增加或者投资收益减少,从而影响项目投资回报率。
4、决策风险:决策失误可能导致项目投资费用增加或者投资收益减少,从而影响项目投资回报率。
5、绩效风险:绩效不达标可能导致项目投资费用增加或者投资收益减少,从而影响项目投资回报率。
四、资金风险1、融资风险:融资费用增加可能导致项目投资费用增加或者投资收益减少,从而影响项目投资回报率。
2、资金流动风险:资金流动不畅可能导致项目投资费用增加或者投资收益减少,从而影响项目投资回报率。
3、资金分配风险:资金分配不当可能导致项目投资费用增加或者投资收益减少,从而影响项目投资回报率。
职业风险因素清单1. 物理危险
- 不安全的工作场所
- 环境污染
- 噪音和震动
- 可能导致事故的机械设备
2. 化学危险
- 曝露于有害化学物质
- 不正确使用或存储危险品
- 缺乏防护设备
3. 生物危险
- 接触传染病、细菌或病毒
- 与动植物接触并可能引发过敏反应
4. 心理危险
- 工作压力和紧张
- 职业倦怠和情绪失控
- 精神创伤和心理疾病风险5. 社会危险
- 工作与个人生活平衡不足- 职场欺凌和性骚扰
- 不公正的工作待遇和歧视6. 疲劳和工作负荷
- 长时间的连续工作
- 缺乏休息和休假
- 高工作负荷和任务压力7. 意外风险
- 不安全的工作行为
- 驾驶或操作机械时的意外事故
- 不良安全措施和防护设备
8. 职业疾病风险
- 长期曝露于有害物质
- 长时间处于不良工作环境
- 职业病和职业健康问题
请注意,以上列表仅列举了一些常见的职业风险因素,实际情况可能因行业和工作环境而异。
为了确保职场安全和员工福利,建议雇主和员工共同努力,采取适当的保护措施和安全政策来降低职业风险因素的影响。