M砂浆配合比计算书
- 格式:docx
- 大小:821.81 KB
- 文档页数:5
M7.5砂浆配合比设计说明:M7.5砂浆配合比设计依据:(1)《公路桥涵施工技术规范》JTG/T F50-2011(2)、《公路路基施工技术规范》JTG F10-2006(3)、《砌筑砂浆配合比设计规程》JGJ /T98-2010(4)、《建筑砂浆基本性能试验方法标注》JGJ /T70-2009(5)、设计文件设计要求:稠度30-50mm,强度等级为7.5MPa。
使用部位:涵洞洞口铺砌及截水墙、护岸、箱涵洞口直墙、搭板或路床下侧、耳墙、锥坡铺砌、锥坡基础、台前护坡、挡墙、桥台防护(锥坡、溜坡、边坡防护、基础)、盲沟、蒸发池、挡墙一、原材料试配要求:水泥:冀东海德堡(泾阳)水泥有限公司,普通硅酸盐水泥P.042.5。
水:长安区211县道与立元西路交叉口砼拌合站地下水。
砂:宝鸡市陈仓区凤鸣水泥制品厂生产的中砂,细度模数:2.9,砂松散堆积密度1526g/cm³二、砂浆配合比计算•计算试配强度根据《砌筑砂浆配合比设计规程》(JGJ/T98-2010)计算配比配制强度(ƒm,o)ƒm,o = kƒ2 =1.25×7.5=9.4MPa•计算水泥用量·ƒce,k=1.0×42.5=42.5MPa 确定水泥的实测强度值:ƒce=γcQc =1000(ƒm,o-β)/(α·ƒce)=1000×(9.4+15.09)/(3.03×42.5)=190kg 根据《砌筑砂浆配合比设计规程》(JGJ/T98-2010)中表5.1.2-1水泥用量选用及保证砂浆和易性,取单位水泥用量为285kg。
则m=285kgco•确定每立方砂用量根据《砌筑砂浆配合比设计规程》(JGJ/T98-2010)中的要求,每立方砂用量等于该砂的松散堆积密度,则mso=1526kg•确定用水量根据《砌筑砂浆配合比设计规程》(JGJ/T98-2010)及经验设计稠度为30-50mm时取单位用水量230kg。
以下给你三种强度及粗,中,细砂常用的水泥石灰混合砂浆:
抹内外墙主要根据要求,一般外墙强度要高一些,用水量根据砂浆的和易性调节
砂浆强度M5;水泥强度32.5级,粗砂
重量配合比=1:0.56:7.12,每立方用量=水泥212Kg 石灰膏118Kg砂1510Kg
砂浆强度M5;水泥强度32.5级,中砂
重量配合比=1:0.56:6.56,每立方用量=水泥221Kg 石灰膏124Kg砂1450Kg
砂浆强度M5;水泥强度32.5级,细砂
重量配合比=1:0.57:6.07,每立方用量=水泥229Kg 石灰膏131Kg 砂1390Kg
砂浆强度M7.5;水泥强度32.5级,粗砂
重量配合比=1:0.36:6.24,每立方用量=水泥242Kg 石灰膏88Kg 砂1510Kg
砂浆强度M7.5;水泥强度32.5级,中砂
重量配合比=1:0.37:5.78,每立方用量=水泥251Kg 石灰膏94Kg 砂1450Kg
砂浆强度M7.5;水泥强度32.5级,细砂
重量配合比=1:0.38:5.33,每立方用量=水泥261Kg 石灰膏99Kg 砂1390Kg
砂浆强度M10;水泥强度32.5级,粗砂
重量配合比=1:0.22:5.57,每立方用量=水泥271Kg 石灰膏59Kg 砂1510Kg
砂浆强度M10;水泥强度32.5级,粗砂
重量配合比=1:0.22:5.14,每立方用量=水泥282Kg 石灰膏63Kg 砂145Kg
砂浆强度M10;水泥强度32.5级,粗砂
重量配合比=1:0.23:4.74,每立方用量=水泥293Kg 石灰膏67Kg 砂1390Kg。
水泥砂浆配合比设计计算说明书一、设计依据1、《公路桥涵施工技术规范》JTJ041-20002、《砌筑砂浆配合比设计规程》JGJ98-20003、招标文件和图纸设计要求二、设计要求及用途1、设计标号:M7.5。
2、稠度:30-50mm。
3、使用部位:桥涵及防护工程砌体。
三、原材料选择1、水泥:河南焦作水泥厂,“坚固”牌P.O32.5水泥。
2、细集料:泌阳产河砂,中砂。
3、水:地下饮用水。
四、配合比确定步骤1、计算砂浆的试配强度f m,o(Mpa)f m,o=f2+0.645σ=7.5+0.645×2.5=11.6Mpa2、水泥用量的计算每m3砂浆中的水泥用量Q c=1000(f m,o-β)/(α*f c,e)=1000/(11.6+15.09) /(3.03×32.5)=271Kg3、砂用量每m3砂浆中的砂用量以干燥状态下砂的堆积密度计算:m s=1530Kg4、每m3砂浆中用水量:m w=310Kg。
5、每m3砂浆中原材料的质量比为m c:m s:m w =1:4.71:0.956、配合比试配、调整及确定试配以计算得出的基准配合比及其他配合比的水泥用量按基准配合比分别增加及减少10%进行试配,测定砂浆强度,选定符合要求的理论配合比(Kg/m3)为:m c:m s:m w =325:1530:310质量比为:m c:m s:m w =1:4.71:0.95水泥砂浆配合比设计计算说明书一、设计依据1、《公路桥涵施工技术规范》JTJ041-20002、《砌筑砂浆配合比设计规程》JGJ98-20003、招标文件和图纸设计要求二、设计要求及用途1、设计标号:M10。
2、稠度:50-70mm。
3、使用部位:通道/涵洞工程砌体及防护工程。
三、原材料选择1、水泥:河南焦作水泥厂,“坚固”牌P.O32.5水泥。
2、细集料:泌阳产河砂,中砂。
3、水:地下饮用水。
四、配合比确定步骤1、计算砂浆的试配强度f m,o(Mpa)f m,o=f2+0.645σ=10+0.645×2.50=11.6Mpa2、水泥用量的计算每m3砂浆中的水泥用量Q c=1000(f m,o-β)/(α*f c,e)=1000/(11.6+15.09) /(3.03×32.5)=271Kg3、砂用量每m3砂浆中的砂用量以干燥状态下砂的堆积密度计算:m s=1530Kg4、每m3砂浆中用水量:m w=310Kg。
M砂浆配合比设计计算书公司内部编号:(GOOD-TMMT-MMUT-UUPTY-UUYY-DTTI-M 7.5砂浆配合比设计计算书一、 设计依据 1、 《砂浆配合比设计规程》(JG98-2000) 2、《公路桥梁施工技术规范》(JTJ-041-2000)二、 设计要求 1、 强度等级M7.5 2、砂浆稠度:30~50mm三、 使用部位桥梁、涵洞、路基四、 原材料 1、 水泥: 2、 细集料: 3、水:饮用水。
五、 配置强度计算 1、f m,o =f 2+0.645σ根据《砌筑砂浆配合比设计规程》(JGJ98-2000)、选取σ=1.88,由此可得:f m,o =f 2+0.645σ=7.5+0.645*1.88=8.7Mpa ;2、 计算单位水泥用量Q c =1000(f m,o -β)/α*f ce 其中α=3.03,β=-15.09f ce =γ* f ce,k =1.0*32.5=32.5Mpa ;由此可得:Qc =1000(fm,o-β)/α*fce=1000*(8.7+15.09)/3.03*32.5=242kg;根据《砌筑砂浆配合比规程》(JGJ-98-2000)、施工工艺和以往经验单位水泥用量确定为250kg;Mco=250kg;3、计数单位砂用量根据《砌筑砂浆配合比设计规程》(JGJ98-2000)中的要求,每立方米砂浆用水量,应该干燥状态的堆积密度最为计算值,则:Mso=kg;4、确定单位水用量根据《砌筑砂浆配合比设计规程》(JGJ98-2000),4立方米砂浆用水量宜在270~330kg之间,切砂浆设计稠度为30~50。
因此,单位用水量Mwo选定为240kg;则:Mwo=240kg;5、确定初步配合比由以上计算可得出砂浆的初步配合比为:C:S:W=250:1574:240六、式样1、根据计算出的初步配合比C:S:W=250:1574:240进行试拌,得出砂浆稠度为40mm;分层度为14mm;容重为2060kg/m3,砂浆稠度符合设计满足施工要求。
M水泥砂浆配合比 The latest revision on November 22, 2020M10水泥砂浆配合比M10水泥砂浆配合比为:每立方米砂浆用水泥275KG、河砂1450KG、水320KG,配合比为:1::;M5混合砂浆每立方米用水泥250KG、河砂1450KG、灰膏100KG、水280KG,配合比为1:::一、M5:1、每m3砂浆含325#水泥236Kg、中(粗)砂;2、每m3砂浆含425#水泥211Kg、中(粗)砂;二、:1、每m3砂浆含325#水泥292Kg、中(粗)砂;2、每m3砂浆含425#水泥261Kg、中(粗)砂;三、M10:1、每m3砂浆含325#水泥342Kg、中(粗)砂;2、每m3砂浆含425#水泥305Kg、中(粗)砂.M10砂浆就是过去的100号水泥砂浆。
就是说它的强度是100kg/cm2,但是现在全部改成以MPa为单位了。
配合比根据原材料不同、砂浆用途不同而不同,没有一定的,以常用的普通硅酸盐水泥、中砂配M10砌筑砂浆为例:水泥305kg:砂:水183kg。
这个配比就包括了水。
但常常有用体积比的,如1:1;1:3等,对水的要求就没有那么严格,只要试验结果满足相应强度等级就可以了。
水泥砂浆、24cm砖墙每m2需要多少水泥、砂子和砖 *半斤八两* 回答:3 人气:6 解决时间:2009-09-09 17:50满意答案好评率:0% 水泥35公斤,砂子120公斤,标准砖128块。
灰缝厚度施工规范规定为8~12mm,砖53*115*240mm,按宽一米、高一米计算:宽方向1000/(240+10)=4高度方向1000/(53+10)=16每平方240砖墙用砖量为:4*16*2=128块每平方240砖墙用砂浆量为:1*1**.053*.115*.24=立方米上述为理论消耗量,实际用量要加点消耗系数。
按十皮砖满丁满条计算,皮数竿所画灰缝厚度范围,常用为1cm,按1cm灰缝计那麽十皮砖为63cm(砖规格为240*115*53mm)1米长24砖墙十皮砖的砂浆净用量是水平灰缝:1***10=立米。
M15水泥砂浆配合比计算书一、目的与要求 设计强度等级为M15,此砂浆为预拌砂浆,施工时间气温较高,所以设计水泥砂浆稠度为70-90mm ,使砂浆满足稠度要求方便施工,同时满足设计强度及水泥砂浆保水率≥88%要求。
二、原材料情况1、水泥:江苏金峰水泥集团有限公司生产的“金峰牌”,普通硅酸盐水泥其强度等级为42.5MPa 。
2、砂:江西赣江产中砂,满足Ⅱ类砂要求,表观密度为2.616g/cm 3。
3、水:清洁水。
三、确定试配砂浆强度Fm,o=kf 2 f 2=15Mpa ,k 系数取查砂浆强度标准差a 及k 选用值取1.2Mpa所以Fm,o = kf 2=1.2*15=18Mpa四、确定每立方砂浆中水泥用量每立方砂浆中水泥用量应按公式Qc=1000(f m,o -β)/ α*f ce ,α、β砂浆特征系数 α=3.03,β=-15.09 f ce =1.0*42.5=42.5 Mpa 代入上式得: Qc=1000(18+15.09)/3.03*42.5=257.0kg,结合现场施工及以往经验,初步选定水泥用量310 kg,满足水泥砂浆水泥材料用量290 kg/ m3~330kg/ m3要求。
五、确定每立方砂浆中砂子用量因为砂浆中水,胶凝材料和掺加料用来填充砂子的空隙,所以1立方砂子就构成1立方的砂浆,1m3砂子干燥堆积密度值为1460kg/ m3,即每立方米砂浆中砂子用量为1460kg。
六、确定每立方米砂浆中水的用量砂浆中的水用量多少与砂浆稠度大小有关,砂浆稠度对强度影响很大,稠度大,用水量多,强度低,但是在用水量相同情况下强度只与水泥用量有关,因此在满足施工要求条件下尽可能选用稠度下限。
一般在270~330 kg 之间,根据施工经验以满足施工所需稠度选用290kg,七、砂浆配合比试配.调整确定试验室配合比为了检验设计水泥砂浆配合比强度,测定拌和物稠度和保水率是否满足设计要求,我们分别选择三个不同的水泥用量配合比进行验证,即在基准配合比的水泥用量基础上分别增加及减少10%,现列表如下:三个不同水泥用量配合比的拌和物均满足设计要求的稠度要求,砂浆保水率大于88%的要求,实测表观密度与理论表观密度之差的绝对值不超过理论表观密度2%,配合比各项材料用量维持不变,测得在标准养护7.07*7.07*7.07的试件7天、28天抗压强度均满足设计要求,为了确保施工质量为此我们选定2号为试验室配合比即每立方米砂浆材料用量水泥:砂:水=310:1460:290=1:4.71:0.94备注《建筑砂浆基本性能试验方法标准》JGJ/T70-2009《砌筑砂浆配合比设计规程》JGJ/T98-2010。
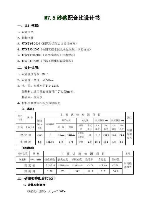
M7.5砂浆配合比设计书一、设计依据:1、设计图纸2、招标文件3、JTG/T 98-2010《砌筑砂浆配合比设计规程》4、JTG E30-2005《公路工程水泥及水泥混凝土试验规程》5、JTG/T F50-2011《公路桥涵施工技术规范》6、JTG E42-2005《公路工程集料试验规程》二、设计说明:1、设计强度等级:M7.5。
2、设计施工稠度:50~70mm。
3、水泥:海螺水泥P.O 32.5。
细集料:选用策底坡石料厂0~4.75mm砂。
拌合水:饮用水。
4、材料主要技术指标及试验结论(1:水泥)(2:细集料)三、砂浆初步配合比设计1、计算配制强度砂浆设计强度:f=7.5MPam0,砂浆配制强度:(k 值取施工水平一般1.20)0,m f =2kf 7.5×1.20=9MPa 2、水泥用量计算:γc----水泥强度等级值的富余系数,取1.0)0(1000Q c β-=,fm /(αfce ⨯)=1000×[9.0-(-15.09)]/(3.03×32.5)=245kg α,β—砂浆的特征系数,其中α取3.03,β取-15.09 3、计算水用量: 4、计算砂用量依据JTG/T 98-2010《砌筑砂浆配合比设计规程》表4.0.2 取值为≧1900kg砂用量=1900-245-230=1425kg5、计算配合比:配合比:水泥:砂:水 :=245:1425:230比例为:1:5.82:0.941、根据砂浆配合比选定要求,以基准配合比为基础,另选配两个调整配合比,其用水量与基准配合比相同,胶凝材料较基准配合比分别增加或减少10%,计算配合比材料用:2、根据各选定配合比混凝土拌合物工作性能及抗压强度值,假定容重与实测容重之差少于2%,结合工地施工实际情况,拟选用申报配合比: 配合比:水泥:砂:水 :=245:1425:230比例为:1:5.82:0.94。
M10砌筑砂浆配合比设计一、 试配强度,0210*1.2512.5m f kf Mpa === (系数取值表)二、 设计依据(一)使用部位 皖赣四电房屋墙体砌筑(二)砌筑砂浆配合比设计技术条件(三)设计依据标准 1.设计图纸2.《建筑砂浆基本性能试验方法》 JGJ/T70-20093.《砌筑砂浆配合比设计规程》 TGJ/T98-20104.《铁路混凝土与砌体工程施工质量验收标准》 TB10424-2003 三、 原材料1.水 泥:白马山水泥2.细骨料:宣城 堆积密度为1530kg/m 33. 水: 饮用水四、 砂浆配合比的确定与要求1. 砂浆的试配强度计算: ,02m f f κ==(MPa),0m f —砂浆的试配强度(MPa) κ—系数 κ=表砂浆强度标准差a 及K 值2. 水泥用量的计算水泥的实测强度,*ce c ce k f f γ==(MPa )ce f —水泥强度等级值(MPa )c γ—水泥强度等级的富余系数,取c γ=每立方米砂浆中的水泥用量:,01000()/(*)c m ce Q f f βα=-=280c Q —每立方米砂浆中的水泥用量(Kg ) ce f —水泥的实测强度(MPa )α、β—砂浆的特征系数,α=,β=.根据经验,取每方水泥用量为280 kg ,用水量取310kg 。
3.砂干燥状态堆积密度为1530 kg/m 3。
五、 砌筑砂浆配合比试配、调整1. 根据砂浆配合比各种材料用量确定砌筑砂浆理论表观密度为ρ=2120kg/m 3得基准配合比:水泥用量为280 kg/m 3时,稠度65mm ,保水率为>80%,实测表观密度为32120/kg m ρ=,粘聚性良好,保水性良好,工作性满足施工要求。
3.配合比校正系数()/c t t δρρρ=-=10/2020=%<2%,可不进行配合比校正。
六、 理论配合比的确定采用水泥用量增加10%拌制砂浆,其实测表观密度及28天强度如下:表3(基准配合比)五、配合比选定根据三组配合比的拌合物性能、力学性能进行综合考虑(砂浆)配 3-3 配合比,表观密度实测值与计算值之差的绝对值计算如下: a =(2120-2135)/2100*100% =1%由于计算容量与实测容量之差不超过计算值的2%,即可确定砂浆)配 3-3 配合比为理论配合比。
M7.5砂浆配合比设计说明书一、设计依据1、JGJ/T98-2010 《砌筑砂浆配合比设计规程》2、JTG/T F50-2011 《公路桥涵施工技术规范》3、JTG E42-2005 《公路工程水泥及水泥混凝土试验规程》4、JTG E30-2005 《公路工程集料试验规程》二、设计指标该砂浆用于路基桥涵等砌筑工程施工,设计标号M7.5,设计稠度30~50mm。
三、原材料品种规格及质量1、原材料品种规格及产地水泥: P.O 42.5,产地:舟山宇锦细集料:淡化砂产地:马岙砂厂细砂。
水:自来水无杂质2、细集料试验汇总细集料各项指标试验结果汇总表(表二)试验项目细度模数含泥量(%)试验结果 1.90 0.63、水泥试验汇总试验项目细度(%)标准稠度(%)凝结时间(min)安定性抗折强度(Mpa)抗压强度(Mpa)初凝时间终凝时间3d 28d 3d 28d试验结果/ 28.0 185 260合格6.0 8.2 26.9 52.0四、配合比计算与确定1、计算砂浆配制强度fm,o 查表选σ=1.88,K=1.20F m,o =kf2=1.20×7.5=9.0Mpa2、计算水泥用量QCQ C =1000(Fm,o-β)/(αfce)=1000(9.0+15.09)/(3.03×42.5)=187kg,式中水泥富余系数fce 取1.0,,,fce=42.5×1.0=42.5Mpa,α=3.03,β=-15.09。
根据计算结果结合以往的经验,选定水泥用量为280kg。
3、确定每立方米砂子用量实测砂子的堆积密度为1378kg/cm3。
4、确定用水量为340 kg/cm3。
五、确定基准配合比:按照计算确定的配合比试拌,试验检测砂浆稠度为45mm。
砂浆的保水性和粘聚性等工作性符合要求。
据此确定基准配合比为:水泥:砂:水280 :1350 :340水灰比为1.21。
六、确定室内配合比1、试配以计算得到的基准配合比为基准,分别采用三组不同的水泥用量进行对比:270、280、290,用水量340kg,进行试拌。
M5、M7.5、M10、C20、C25的水泥砂浆配合比根据《砌筑砂浆配合比设计规程》(JGJ98-2000)以下配比比例皆是以重量为单位。
我们来看看M5、M7.5、M10、C20、C25水泥砂浆的配比。
一、M5水泥砂浆的配合比:水泥:中砂=1:5.23。
条件:施工水平,一般;砂子,中砂;砂子含水率:2.5%;水泥实际强度:32.5 MPa二、M7.5水泥砂浆配合比:砂浆试配时各材料的用量比例:水泥∶砂=260∶1541=1∶5.93条件:用于砌筑沟井的水泥砂浆,强度为M7.5,稠度30~50mm。
原材料的主要参数,水泥:32.5级水泥;中砂,堆积密度为1541kg/m3;施工水平:一般。
选取水泥用量260kg/m3,砂子用量QS=1541kg/m3,水量为280kg/m3三、M10水泥砂浆配合比:砂浆各材料的用量比例:水泥∶砂=240∶1221=1∶5.09条件:用于砌筑毛石挡土墙的水泥砂浆,强度为M10,稠度30~50mm。
原材料的主要参数,水泥:32.5级水泥;中砂,堆积密度为1221kg/m3;施工水平:一般。
水泥用量240kg/m3,砂子用量QS=1221kg/m3,水量为290kg/m3四、C20混凝土配合比:水泥:砂:碎石:水=1:1.83:4.09:0.50条件:坍落度35--50mm;砂子种类:粗砂,配制强度:28.2MPa;石子:河石;最大粒径:31.5mm;水泥强度等级32.5,实际强度35.0MPa .每立方米混凝土中,水泥含量:326Kg;砂的含量:598Kg;碎石:1332Kg五、C25混凝土配合比:水泥:砂:碎石:水=1:1.48:3.63:0.44条件:坍落度35--50mm;砂子种类:粗砂,配制强度:28.2MPa;石子:河石(卵石);最大粒径:31.5mm;水泥强度等级32.5,实际强度35.0MPa .其中每立方米混凝土中,水泥含量:370Kg;砂的含量:549Kg;碎石:1344Kg以上是M5、M7.5、M10、C20、C25水泥砂浆的配比。
砂浆配合比计算
砂浆配合比采用质量比,也可折算成体积比。
砂浆配合比计算步骤如下:
Q)确定水泥用量
:当砂浆强度等级和水泥标号已知时,每1me砂浆中的水泥用量可按下式计算:
Qc=M∕KRc×10000,式中QC每Im?砂浆中的水泥用量(kg);
M一砂浆强度等级;
RC一水泥标号;
K-调整系数,其值随砂聚强度寸级与水泥标号变化,可按下列经验公式计算:
K=I11gM∕1gRc+4M∕Rc,K值一般参照K参数表
(K值参数表)
(2)确定石灰膏用量
,每1m3砂浆中的石灰膏用量可按下式计算,混合砂浆密度不低于1800,水泥砂浆密度不低于1900kg∕m3,每立方混合砂浆中砂浆占1450〜1460,余下350kg,一般石膏:水泥质量比=1:3
,体积比0.3:1;
D=350-Qc:
D=35O-Qc
式中D——每Im?砂浆中石灰膏用量(kg);
Qc——每Im砂浆中水泥用量(kg)。
(3)确定用砂量
:对于含水率为2%左右的中砂,每ImB砂浆用Im?砂。
(4)确定用水量
为满足砂浆的稠度要求,可用逐次加水的办法确定。
如换算为体积配合比,则分别用水泥体积密度Q200~1300kg∕m3)∖石灰膏体积密度Q300~1500kg/m3)、砂体积密度Q400~1600kg∕3)除以砂浆的质量配合比,即得砂浆的体积配合比。
M10.0砂浆配合比计算书一、材料:水泥:德呤哈P.O 42.5#水泥砂:K379+165右侧500m,细度模数为2.7,属于中砂(II工区)水:嗷唠河水设计依据:采用中华人民共和国行业标准《砌筑砂浆配合比设计规程》(JG98-2000、J65-2000)二、确定砂浆的试配强度:fm,o=f2+0.645σ式中fm,o—砂浆的试配强度,精确至0.1MPa;f2—砂浆抗压强度平均值,精确至0.1MPa;σ—砂浆现场强度标准差,精确至0.1MPa。
fm,o=f2+0.645σ=10.0+0.645*2.5=11.6MPa其中σ值查《砌筑砂浆配合比设计规程》表5.1.3,施工水平为一般。
M10.0砂浆强度标差σ应选用2.5三、确定单位水泥用量:1、每立方米砂浆中的水泥用量,应按下式计算:Qc=1000(fm,0-β)/(α*fce)式中Qc—每立方米砂浆的水泥用量,精确至1Kgfm,o—砂浆的试配强度,精确至0.1MPa;fce—砂浆的实测强度,精确至0.1MPa;α、β—砂浆的特征系数,其中α=3.03,β=-15.09。
2、在无法取得水泥的实测强度值时,可按下式计算:fce=γc* fce,k式中fce,k—水泥强度等级对应强度值;γc—水泥强度等级值的富余系数,该值应按实际统计资料确定,无统计资料时γc可取1.0。
Qc=1000(fm,o-β)/(α*fce)=1000*(11.6+15.09)/(3.03*42.5)=207Kg四、确定单位用砂量:每立方米砂浆中的砂子用量,应按照干燥状态(含水量小于0.5%)的堆积密度值作为计算值(Kg)。
根据试验用于砂浆的机制砂的堆积密度为:1692Kg/m3。
五、确定单位用水量:每立方米砂浆中的用水量,根据砂浆稠度等级要求可选用240~310 Kg。
本设计根据拌和时按实际情况定。
六、配合比试配、调整与确定:在试拌过程中,测定其砂浆稠度为20mm,不能满足设计要求,因此增加10%的水泥用量后,其测定砂浆稠度为35mm,在设计范围内(30 mm~50 mm)。
M砂浆配合比计算书 Revised by Liu Jing on January 12, 2021
M10砌筑砂浆配合比设计
一、 试配强度
,0210*1.2512.5m f kf Mpa === (系数取值表5.1.1)
二、 设计依据
(一)使用部位 皖赣四电房屋墙体砌筑
(二)砌筑砂浆配合比设计技术条件
设计稠度 50~70mm ,采用机械拌合。
(三)设计依据标准
1.设计图纸
2.《建筑砂浆基本性能试验方法》 JGJ/T70-2009
3.《砌筑砂浆配合比设计规程》 TGJ/T98-2010
4.《铁路混凝土与砌体工程施工质量验收标准》 TB10424-2003 三、 原材料
1.水 泥:白马山水泥 P.C 32.5
2.细骨料:宣城 堆积密度为1530kg/m 3
3. 水: 饮用水
四、 砂浆配合比的确定与要求
1. 砂浆的试配强度计算:
,02m f f κ==12.5(MPa) ,0m f —砂浆的试配强度(MPa) κ—系数 κ=1.25
2. 水泥用量的计算
,*ce c ce k f f γ==32.5(MPa )
ce f —水泥强度等级值(MPa )
c γ—水泥强度等级的富余系数,取c γ=1.0
,01000()/(*)c m ce Q f f βα=-=280
c Q —每立方米砂浆中的水泥用量(Kg ) ce f —水泥的实测强度(MPa )
α、β—砂浆的特征系数,α=3.03,β=-15.09.
根据经验,取每方水泥用量为280 kg ,用水量取310kg 。
3.砂干燥状态堆积密度为1530 kg/m 3。
五、 砌筑砂浆配合比试配、调整
1. 根据砂浆配合比各种材料用量确定砌筑砂浆理论表观密度为ρ
=2120kg/m 3得基准配合比:
试配拌制9L ,各材料用量如下:
水泥用量为280 kg/m 3时,稠度65mm ,保水率为>80%,实测表观密度为32120/kg m ρ=,粘聚性良好,保水性良好,工作性满足施工要求。
3.配合比校正系数
()/c t t δρρρ=-=10/2020=0.5%<2%,可不进行配合比校正。
六、 理论配合比的确定
采用水泥用量增加10%拌制砂浆,其实测表观密度及28天强度如下: 表1
采用水泥用量减少10%拌制砂浆,其实测表观密度及28天强度如下: 表2
表3(基准配合比)
根据此配合比设计28天砂浆试块强度达到12.5(125%),满足施工需求五、配合比选定
根据三组配合比的拌合物性能、力学性能进行综合考虑(砂浆)配
a =(2120-2135)/2100*100%
=1%
由于计算容量与实测容量之差不超过计算值的2%,即可确定砂浆)配每立方米M10砌筑砂浆各材料用量如下:
每3m M10砌筑砂浆各材料用量(kg/3m)
根据此配合比设计28天砂浆试块强度达到12.5(125%),满足施工需求。