生产部经理绩效考核方案
- 格式:docx
- 大小:24.71 KB
- 文档页数:4
生产部经理薪酬及考核办法一、薪酬构成生产部经理的薪酬由基本工资、绩效工资、年终奖金和福利四部分构成。
1、基本工资基本工资是根据生产部经理的职位等级、工作经验、市场行情等因素确定的固定收入,每月按时发放,以保障其基本生活需求。
2、绩效工资绩效工资与生产部经理的工作表现和业绩完成情况直接挂钩,旨在激励其积极工作,提高工作效率和质量。
绩效工资的计算依据是每月或每季度设定的绩效指标完成情况。
3、年终奖金年终奖金根据企业当年的整体经营业绩和生产部的工作成果进行发放。
通常会综合考虑生产任务完成率、成本控制、质量合格率、安全生产等方面的表现。
4、福利福利包括五险一金、带薪年假、节日福利、培训机会等,以提高生产部经理的工作满意度和忠诚度。
二、绩效考核指标1、生产计划完成率生产部经理需要根据企业的生产订单和销售需求,制定合理的生产计划,并确保按时完成。
生产计划完成率是衡量其工作绩效的重要指标之一,计算公式为:实际完成产量÷计划完成产量×100%。
2、产品质量合格率产品质量是企业的生命线,生产部经理要严格把控生产过程中的质量关,确保产品符合相关标准和客户要求。
产品质量合格率的计算公式为:合格产品数量÷总产品数量×100%。
3、生产成本控制在保证生产质量和进度的前提下,生产部经理需要合理控制生产成本,包括原材料采购成本、人工成本、设备维护成本等。
通过成本控制指标的考核,可以促使生产部经理优化生产流程,提高资源利用率。
4、团队管理与员工满意度作为团队的领导者,生产部经理要善于管理团队,激发员工的工作积极性和创造力,同时提高员工的满意度。
可以通过员工流失率、员工培训计划完成率、员工满意度调查等指标来评估其团队管理能力。
5、安全生产安全生产是企业生产活动的重要前提,生产部经理要建立健全安全生产管理制度,加强安全培训和监督,确保生产过程中无重大安全事故发生。
三、绩效考核方法1、数据收集与统计由相关部门(如财务部门、质量检测部门、人力资源部门等)负责收集和统计与绩效考核指标相关的数据,确保数据的准确性和可靠性。
产品经理绩效考核的范文6篇产品经理绩效考核的范文(篇1)一、绩效考核的目的:1、不断提高公司的管理水平、产品质量,降低生产经营成本和事故发生率,提供公司保持可持续发展的动力;2、加深公司员工了解自己的工作职责和工作目标;3、不断提高公司员的工作能力,改进工作业绩,提高员工在工作中的主动性和积极性;4、建立以部门、班组为单位的团结协作、工作严谨高效的团队;5、通过考核结果的合理运用(奖惩或待遇调整、精神奖励等),营造一个激励员工奋发向上的工作氛围。
二、绩效考核的原则:1、公平、公开性原则:公司员工都要接受公司考核,对考核结果的运用公司同一岗位执行相同标准。
2、定期化与制度化原则:绩效考核工作在绩效考核小组的直接领导下进行,综合部是本制度执行的管理部门。
(1)公司对员工(业务员每两周考核一次)的考核采用每周考核方法,综合部每周将各部门考核结果公布,每月根据考核结果兑现奖惩。
(2)绩效考核作为公司人力资源管理的一项重要制度,所有员工都要严格遵守执行,综合部负责不断对制度修订和完善。
3、公司对员工的考核采用分级考核的办法:考核小组考核部门负责人,部门负责人考核下属岗位。
4、公司对员工的考核采用百分制的办法。
5、评分标准采取3:7的办法:本人评价占30%,上级评价70%。
6、灵活性原则:公司对员工的考核分为定量考核和定性考核。
不同岗位、不同层次、不同时期两者考核重点不同、所占分值比例不同。
中层干部:定量考核70%,定性考核30%。
员工绩效考核制度。
生产岗位:生产时期,定量70%,定性30%非生产时期,定量30%,定性70%其他岗位:定量60%,定性40%。
定量考核:a、中层干部:部门重点工作(总经理安排的工作;每月中层干部会议确定的各部门重点工作;每周考核会安排的工作;部门年度工作目标分解;因生产经营所需随时增加的工作。
)完成的质量和数量。
b、其他岗位:本岗位岗位职责规定的工作,部门负责人安排的工作。
定性考核:公司行为规范(工作态度、工作能力、安全、卫生、考勤、行为准则等软指标)。
生产经理绩效考核表考核内部管理工作情况:工作分配是否合理;是否提供及时有效的业务指导等,下表考核三、执行力考核:考核是否能够及时、按质完成领导交办的工作。
执行力得分=本月按期完成的待办事项件数/本月到期需完成的待办事项件数R100%。
四、绩效考核得分核算量化指标合计得分R80%+主观考核指标合计得分R10%+执行力得分R10%=当月绩效实际得分生产部经理目标责任书甲方:生产副总经理乙方:生产部经理为确保公司下达给生产部门年度经营和管理目标的实现,公司本着公平、公正、客观和责、权、利对等的原则,在双方协商一致的基础上,签订本年度经营管理目标责任书,作为对生产部经理考核的主要依据。
一、考核目的1.强化管理执行力度和目标实现效率,建立生产部经营管理目标责任考核体系。
2.推动生产部管理工作制度化、流程化、规范化、科学化,建立科学的工作业绩考评体系。
3.增强所属职能部门管理人员的责任意识和经营管理能力,推动生产部经营管理能力的不断创新和改进。
二、考核期间____年____月____日至____年____月____日。
三、甲方的权利和义务1.甲方为乙方工作活动提供必要资金、办公环境、后勤等支持和保障。
2.甲方有权对乙方的经营管理活动过程进行检查和监督,并提出改进意见。
3.甲方有权在乙方经营管理活动出现失控或重大失误而乙方又无有效解决办法时,修订责任书有关条款或决定终止本责任书的执行。
四、乙方的权利和义务1.乙方应严格履行本部门工作职能和岗位职责。
2.乙方应在计划年度内完成下列主要经营管理目标(详见下表)。
生产部经理经营管理考核内容1.每月固定发放薪水人民币____元;每月浮动部分根据月度KPI打分确定发放额度,并于当月发放。
3.每月根据常规KPI指标表(包括生产计划完成率、产品质量合格率、安全和执行力等)对生产部经理进行考核,根据考核结果发放绩效奖励,奖励金额=奖励额度R考核分数/100R执行力得分。
奖励额度参照【生产部薪酬方案】。
厂生产管理人员绩效考核制度一、目的为了迎合日趋激烈的市场竟争,进一步调度管理人员积极性,提高工作效率与整体凝聚力;优化资源配置,以最低廉成本准时,准量的生产出优质产品;为企业提供更为宽裕的市场竟争的优势空间,促进企业、良性、稳步的持续发展;二、实用范围:生产部全体管理人员;三、最终解释权:总经理四、具体内容1、工资制度对现有工资制度进行调整为原有基本工资80%+原有基本工资65%的奖罚浮动工资;基本工资80%即为最低保底工资;浮动工资65%即为奖罚幅度,即最高工资源为现有工资的145%;原有工资65%的奖罚、浮动工资,属绩效考核范围,由绩效考核成绩衡定其奖罚数量;2、绩效考核内容部门产值考核进度控制考核品质控制考核成本控制考核3、绩效考核具体标准为了便于考核统计,所有绩效成绩均以分为统计单位1分=5元;、部门产值考核根据现目前工厂实际生产能力各部门人员配置均衡前提下,现有场地设备;在工厂资源充足的前提下,各部门月产值均需保持在200万以上,对超出此标准的各部门,给主管人员超产值的%予以奖励;对未能达到此产值标准部门,0-20万含,给予产值差额%的惩罚;20-50万含给予产值差额%的惩罚;50万以上给予产值差额%的惩罚;因停电机器故障,人员浮动等则视情合理调整达标奖10分;、生产进度控制考核部门主管需合理按排生产、按时、按量完成厂部所下达的每日生产计划、急赶等生产任务;4、品质控制考核各部门品质控制标准木工部≤5%,若累积两次超标,主管人员将扣2分/次;若流入下一工序发现造成损失扣4分/次另扣成本控制月累处罚不得超过3次否则加扣2分/次,月积处罚在2次以内将予以主管人员10分予以奖励;≤8%,且必须在本部门发现修补、若累积超标3次或流入下一部门返工则扣2分/次,月积处罚不超过3次,否则加扣2分/次,月积处罚在2次以下含2次予以主管人员10分奖励;封边的不良率应控制在≤5%,若连续3次超标,且在本部门发现并能及时做出返修给予主管人员2分/次处罚,若流入下一工序造成损失或月累超过3次处罚的将扣以5分/次另扣成本控制分除机器因素造成封边返修外月累处罚在2次内含2次将予以主管人员10分予以奖励;贴面部:所有灰磨后的产品,必须平整、光滑、无明砂痕、不变形;保持原有棱角顺畅,无凹凸不平现象且尺寸、形状、厚度符合要求,返工率必须控制在≤10%,若连续3次超标,则扣2分/次且月积不超过5次,否则,加扣2分/次;不可有打变形等重大质量事故,否则扣5分/次,月积超2次加扣2分/次造成损失扣成本控制分若月累处罚在4次内,将予以15分奖励;贴纸的不良率应控制在≤5%,若连续3次超标,且在本部门发现并能及时做出返修给予主管人员4分/次处罚,若流入下一工序造成损失或月累超过3次处罚的将扣以5分/次另扣成本控制分除机器因素造成封边返修外月累处罚在2次内含2次将予以主管人员15分予以奖励;、涂装部底油在流油、针孔返白、脱层、少油、损伤等不良率的整体范围应控在≤10%,连续2次超标时扣2分/次,若月累积超标处罚4次或超标且造成前工序返工现象,则给予处罚4分/次;月累处罚在3次以内含3次将予以主管人员15分给予奖励;油磨乃涂装至关重要部门,因此对砂穿、透色并透底损伤、凹凸不平,缺边、缺角、砂痕等不良率控控制必须在≤5%若连续2次超标并在后序喷涂后发现将对主管人员予以2分/次处罚,月累处罚3次将予以4分/次处罚;若月累处罚在3次以内含3次予以主管人员25分予以奖励;面油在尘粒、流油、少油、桔皮及返白、针孔损伤、色差等不良率整体应控制在≤10%,若连续3次超标而造成返工将予以主管人员3分/次处罚,若因上序工作跟本部门有关遗留问题未检查,而造成返工或因调错油漆比例 .做错颜色而造成批量返工将视情节予以5-10分处罚另扣成本控制分月累处罚在3次以内含3次且无重大批量处罚给予25分奖励;、包装部门≤5%;若在本部门发现或在未出货前发现连续2次且数量极少情况下,予以主管人员2分/次处罚,若数量较大或累次出现则视情节给予5-10分处罚;若月累处罚在2次内含2次予以主管人员15分奖励无重大批量事故前提下;≤3%,若连续3次超标主管人员扣3分/次,对损坏无法修补需要补件的,超过3次含3次予以3分/次处罚另扣成本;月累处罚超过3次加扣2分/次,若月处罚在3次内含3次将予以15分给予奖励无重大事故前提下;部件少包、漏包、不配套、错包现象要严格杜绝,一经发现或客户投诉核实无误将予以主管人员5分/次处罚,月积两次将加扣5分/次;月累无此处罚予20分奖励、材料仓4..、所有特殊五金配件玻璃、纸箱必须进行全检、尺寸、形状、材料必须符合图纸与生产要求,此不良率必须控制在≤3%玻璃多0MM、少1MM对超过标准而收货造成品质问题予以2分/次处罚另扣进度分;≤5%,若超标2次予以2分/次处罚另扣成本分;生产资料所有生产资料必须确定无误后方可发放使用若在使用过程中,因技术图纸问题,或更改不彻底而导致品质、进度延误,原材料浪费,将视情节予以2-10分的处罚给予相关审核人员;部门主管人员若能在月内将本部门品质状态较上月有明显好转或本月品质罚款不含奖励≥-10分,将另予以5-10分的奖励;5.成本控制考核制造成本各部门主管人员必须严格控制本部的失败成本包括不合产品所造成二次与再次成本,客户投诉返修所造成的损失成本与原材料的利用与再利用,对机器设备、刀锯、砂纸、生产工具等辅助成本的控制;以最低成本生产出最大的产值;部门作业人员因作业不当等人为因素而造成的失败成本金额在200元以上含200元将予以部门主管2分/次处罚,且月累不超过2次,超标将加扣2-4分/次另扣品质成本因本部门原因造成客户投诉需工厂赔偿或派人出差维修现象将予以4 分/次处罚另扣品质分;若在本部门发现两次原材料浪费重大现象如开小料用大板、调错油、倒油等将予部门主管4分/次处罚;、若连续两次受到物控仓管人员投诉部门生产辅助成本过高情况,将扣部门主管2分/次;、能将重大失败成本200元月保持在2次以下含2次或无物控人员投诉与原材料重大浪费现象可给予5-15分奖励;6 ,现场组织协调、领导、服从管理意识、工作改进意见的考核、环境卫生的考核将由厂部人员视具体情况进行考核奖罚;7,安全与消防意识考核部门主管人员必须以安全生产第一的意识动员体人员积极参与安全防范意识活动,及时排除、预防安全与消防隐患;、对月内无生产安全事故如工伤消防事故部门将给予主管8分以上的奖励;、月出现两次人为操作不当而致使的工伤事故,将予以主管人员2分/次处罚;、机修人员必须定期时对工厂的线路、机器设备尤其是油房进行检查,监督并督促部门主管进行清理、保养工作,消除消防隐患;若因思想麻痹造成安全,消防事故将视情节予以严惩;8 ,资料设备的维护考核、生产资料包括生产数据、技术图纸、板件跟踪单等一切生产相关的在车间流动的文件与图纸,各部门主管人员必须督促部门人员进行维护回收工作;若发现资料遗漏、外泄、损烂等现象;将视其情节予以主管人员处罚,对发现举报部门予以嘉奖;、设备的维护考核由机修人员进行月考核后交厂部评核后进行5-10分奖罚;以上绩效考核制度只是一种促进管理的监督手段而并非以罚款为目的;因此望各部门主管人员相互监督,以使提高企业、整体效益,以实际行动来回报企业、回报社会;。
生产部门管理人员绩效考核制度(经典版)编制人:__________________审核人:__________________审批人:__________________编制单位:__________________编制时间:____年____月____日序言下载提示:该文档是本店铺精心编制而成的,希望大家下载后,能够帮助大家解决实际问题。
文档下载后可定制修改,请根据实际需要进行调整和使用,谢谢!并且,本店铺为大家提供各种类型的经典范文,如规章制度、演讲致辞、合同协议、条据书信、活动方案、自我介绍、心得体会、教学资料、作文大全、其他范文等等,想了解不同范文格式和写法,敬请关注!Download tips: This document is carefully compiled by this editor. I hope that after you download it, it can help you solve practical problems. The document can be customized and modified after downloading, please adjust and use it according to actual needs, thank you!Moreover, our store provides various types of classic sample essays, such as rules and regulations, speeches, contract agreements, document letters, activity plans, self introductions, experiences, teaching materials, complete essays, other sample essays, and more. If you want to learn about different sample formats and writing methods, please stay tuned!生产部门管理人员绩效考核制度生产部门管理人员绩效考核制度(通用10篇)在学习、工作、生活中,制度使用的频率越来越高,好的制度可使各项工作按计划按要求达到预计目标。
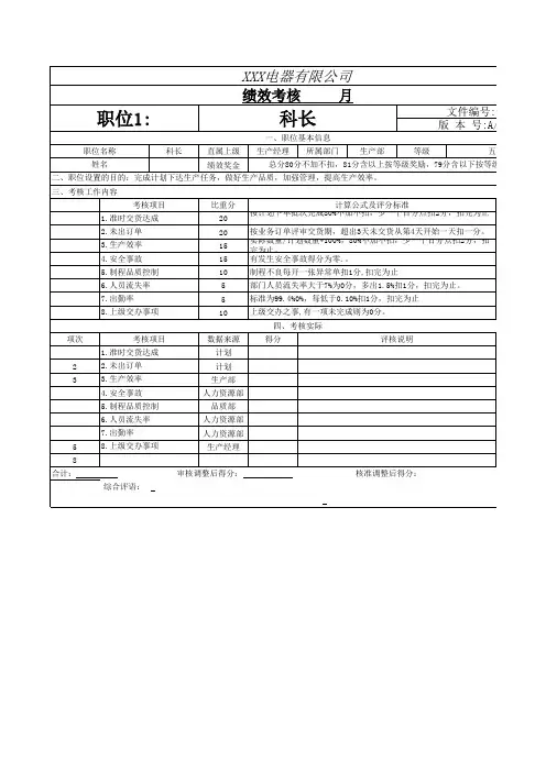
生产部经理绩效考核表
绩效考核指标
生产部经理的职责包括但不限于以下几个方面:
1.生产计划的制定和执行
2.成本控制和效率提升
3.质量管理和产品改进
4.团队管理和员工培训
因此,生产部经理的绩效考核指标将分为以上四个方面,具体指标如下:
生产计划的制定和执行
•生产计划达成率
•生产计划与销售计划符合率
成本控制和效率提升
•成本控制率
•生产效率提升率
质量管理和产品改进
•产品不良率
•提交不良品分析和改进报告的及时性
团队管理和员工培训
•团队平均绩效
•员工培训完成率
以上指标将在每季度末进行综合评定,得出生产部经理的综合绩效得分。
绩效考核流程
生产部经理绩效考核流程如下:
1.每季度初,考核人事部门将考核指标以及权重正式印发生
产部经理,并在考核指标达成度、科长评分、部门经理审批三个环节进行加权计分;
2.生产部经理需按要求提交季度绩效目标,具体指标以及完
成计划;
3.每个月,生产部经理需要提交月度工作总结和下月工作计
划;
4.每个季度末,总经理等相关领导将参考生产部经理月度与
季度总结,考核指标完成情况,以及团队评估等综合因素进行评定,得出季度绩效得分;
5.绩效得分将用于绩效奖金与升职考核,同时也作为绩效改
进的参考。
绩效考核结果
生产部经理绩效考核结果将被记录,经考核人事部门汇总后提交公司董事会进行审批,并在各自部门通报考核结果,企业主管领导、总经理等也将对于考核结果进行评价和反馈,以及对于考核结果不理想的部门、人员提供辅导和支持,共同解决问题,推动企业发展。
生产部经理绩效考核目标通过对生产部经理的绩效考核,旨在评估他们在实现组织目标和生产部门目标方面的表现。
此考核旨在鼓励生产部经理发挥他们的潜力,并提供改进和成长的机会。
考核指标1. 产量和质量:- 考察生产部经理在管理生产线或生产工艺中实现的产量目标。
- 评估生产部经理对产品质量的把控和改进措施的实施情况。
2. 成本控制:- 分析生产部经理在生产过程中的成本控制能力。
- 考察生产部经理采取的降低成本的措施并评估其有效性。
3. 员工管理:- 评估生产部经理在培养和管理团队方面的能力。
- 考察生产部经理对员工绩效的评估和奖惩措施的公正性和有效性。
4. 安全和环境保护:- 评估生产部经理在确保生产过程中的安全和环境保护措施方面的表现。
- 考察生产部经理对安全标准和环境法规的遵守情况。
5. 创新和改进:- 考察生产部经理在提出创新和改进措施方面的能力。
- 评估生产部经理对生产流程的优化和新技术的应用程度。
评估方法1. 定期评估:- 生产部经理的绩效将定期进行评估,例如每年一次。
- 考核结果将通过绩效评估表和面谈进行记录和反馈。
2. 多方参与:- 绩效考核将由多方参与,如上级主管、员工和同事等。
- 多方反馈将提供全面的观察和评估。
3. 考核标准:- 考核标准将根据具体情况制定,并与生产部门目标相一致。
- 考核标准将被公开,以便生产部经理和其他相关人员理解和参与。
结论生产部经理的绩效考核旨在促进其工作效率和业绩的提升,并在此基础上提供改进和发展的机会。
通过定期评估和多方参与,我们可以全面了解生产部经理的工作情况,并采取及时的措施来优化和提升生产部门的绩效。
产品经理的绩效考核指标产品经理的绩效考核指标绩效考核指标是指通过明确绩效考核目标的单位或者方法,对承担企业经营过程及结果的各级管理人员完成指定任务的工作业绩的价值创造的判断过程。
以下是关于产品经理的绩效考核指标,欢迎阅读与借鉴!产品经理的绩效考核指标篇1产品经理的绩效考核指标可量化指标:UV/PV数UV数更多的来自导流,本身用户的培育和留存也对该指标有影响。
该数据通常需要由产品和运营同时承担。
支付转化率用户在支付流程中的体验,直接影响到支付转化率。
当然,内容本身也会对转化率造成影响,比如电商行业产品的质量、评论等。
用户投诉与咨询数用户只有在使用产品时不爽了,才会主动去投诉。
在产品设计上如何避免用户投诉,这个应该是产品优先级最高的需求。
用户停留时长产品本身对用户的吸引力,根据行业不同有不同的数据标准。
并不是用户停留时间越长越好。
跳出率/退出率这两个数据的影响因素主要在于用户使用流程中内容对用户的引导和关注。
客户留存数涉及到运营策略对潜在流失的用户进行唤起,或者产品内容的本身对用户的吸引力。
非可量化指标:需求的准确性虽然所有公司都在强调拥抱变化,但是产品经理保障需求的准确,减少变更。
应该是一个产品经理的底线和坚持。
产品项目执行计划性产品经理通常都会承担半个项目经理的职责,这时候项目管理的能力就很重要了。
文档撰写的严谨和详尽文档作为需求的传递工具,他的准确性代表了产品经理对需求思考的深度。
合作与沟通能力产品经理作为沟通的桥梁,沟通能力与技巧是在进行工作时非常重要的技能。
一个产品经理对于需求的理解再深刻,体验的sense再好,沟通能力不足,也不足以推动需求的进行。
产品经理绩效考核的方法把握产品生命周期产品经理要十分了解所引入的产品,通过了解该产品的生命周期、所处阶段,才能指导销售获利。
总体来说,产品的生命周期分为三个阶段:导入期处于这个时期的产品利润相对较高,但是这个阶段的产品推广需要厂商、分销商双方的共同努力,特别是需要分销商、代理商花费时间、精力去推广。
生产部经理绩效考核表注:1、准时交货率按经评审的订单要求交货日为准,如客户更改或经客户同意更改则按书面更改意见为准。
2、产品质量项目目标值为生产部所属各车间的综合合格率。
3、安全生产项目目标“重大事故”是指由于违章指挥、违章操作所造成的工伤、设备事故等。
4、本表由本岗位人员自行到考核部门签名。
5、各考核部门必须提供实际数据,严格按要求进行考核,发现有人情考核的,考核人将被扣除10-20分。
6、完成考核表后,本岗位人员交副总审核。
行政部:总经办:总经理:月车间主管绩效考核表注:1、准时交货率按生产部的生产计划要求为准,如生产部同意更改则按书面更改通知为准。
2、产品质量项目目标值为本车间的综合合格率。
3、“质量事故”是指批量性损失金额,差价及加工费用合并计算。
4、本表由本岗位人员自行到考核部门签名。
5、各考核部门必须提供实际数据,严格按要求进行考核,发现有人情考核的,考核人将被扣除10-20分。
6、完成考核表后,本岗位人员交副总审核。
行政部:总经办:总经理:月品质经理绩效考核表注:1、过程质量控制是指成批或重大质量事故,成批事故是指批量在1000件以上经检验员放行或首件检验合格的。
2、客户投放为书面投诉。
3、退货率是指当所有与产品质量有关的退货数与当月出货数的比值。
4、质量管理体系的有效性通过第三方审核合格与否来确认。
5、本表由本岗位人员自行到考核部门签名。
6、各考核部门必须提供实际数据,严格按要求进行考核,发现有人情考核的,考核人将被扣除10-20分。
7、完成考核表后,本岗位人员交副总审核。
行政部:总经办:总经理:月采购主管绩效考核表注:1、准时交货率按采购部提供的采购周期为准(包括紧急采购周期)。
2、采购质量是提一次送货合格率。
3、本表由本岗位人员自行到考核部门签名。
4、各考核部门必须提供实际数据,严格按要求进行考核,发现有人情考核的,考核人将被扣除10-20分。
5、完成考核表后,本岗位人员交副总审核。
生产部绩效考核方案(3篇)生产部绩效考核方案(精选3篇)生产部绩效考核方案篇1第一条:目的为公司长远发展服务,围绕市场,以人为本,以文化管理,激发全员参与,共同发展,以加强本车间各项管理及达成公司制定的年度预定经营目标,并充分掌握各工序所分担的工作责任,提高车间全体员工工作积极性,有效提高公司整体效益,而达到公司年度的营业利润为目的,特颁布此考核办法。
第二条:考核原则(一)、以安全生产为原则安全与我们每个人都密切相关,这也是以人为本的根本问题。
我们只有安全的工作才能为自己为企业更好创造效益。
(二)、以稳定生产为原则提高全员工作积极性,营造和谐工作氛围,创造平稳的条件,稳定生产,保证完成公司下达的生产指标,改善收益。
(三)、以节约原材料成本为原则用最少的资源(人、物、设备)进行生产制造,加强统计及会计成本核算,让原材料的节约直接形成经济效益。
(四)、以车间管理制度和考核办法为原则在贯彻执行公司管理办法和规定的同时,群策群力,持续改善,发挥集体智慧,确立最合适的工作标准,使各项工作做得井井有条,公正透明考核做到赏罚分明。
(五)、以技术管理为原则重视人才,技术和质量是产品的生命,全力保障后工序所必需的质量和要求,牢固树立后工序就是自己的客户的思想。
(六)、以保证设备正常运行为原则各种设备都以生产为核心,对问题要及时发现、及时处理,切实做到设备正常运行。
第三条适用资格车间员工绩效考核表(一)生产加工部一线生产正式员工适用;(二)有特殊贡献或技能经公司及生产加工部部长书面特别批准的人员可以适用;(三)在试用期间和来公司学习实习的员工原则上不适用;(四)违反公司纪律,有公司书面处理决定文件的员工不适用;第四条:计算单位现有班组拆分为焊工组和综合组两部分,以计时和吨单价相结合进行计算,以工时和产品重量为计算单位表现方式,以每个产品重量为基础,分别向焊工工序和综合工序以工作票的形式分配工时,焊接工序占总重量单价的55%,其他工序占总重量单价的45%,但以工时为单位表示(如一个产品重量为1000Kg,按月底总收入除以总吨位得出每公斤单价,焊接人员单人占此产品的55%吨位单价,其它45%以工时方式分配给综合组,而此工时是根据具体产品实际制作工时进行分配)。
一、生产部门绩效考核指标:1.产能系数:产能系数=实际总产量/月标准产量。
●生产线组合线(包括标准和非标)月标准产量设定为1500平方米.●趟门月产量设定为5000平方米.●实际产量以《成品进仓单》统计数量为准●相关记录:《生产命令单》,《生产计划单》,《成品进仓单》。
●考核部门:储运部●考核期限:每月考核一次,每天报一次数据。
2.主要物料耗用率(权重10%):指每月的主要物料的实际耗用量与标准耗用量的结果。
●主要物料指:板材、铝材、百叶、封边条。
●主要物料耗用率=各主要物料耗用率之和。
●各主要物料耗用率=该物料的当月实际总耗用量/计划总耗用量*该物料权重。
●考核部门:物控部●相关记录:《生产命令单》,《退补料单》,《BOM表》,《部门绩效考核统计表》●考核期间:每月一次。
3.生产计划准交率(权重40%):指各车间是否在规定的时间内完成生产●生产计划准交率=准交总批数/总成批数*100%●准交批数以《成品进仓单》为准●考核部门:计划部●相关记录:《成品进仓单》、《生产计划表》、《生产命令单》●考核期限:每月考核一次,每天提报一次数据。
4.制程检验合格率(权重20%):指各车间生产过程的品质控制情况。
●制程检验合格率=制程检验合格数/制程检验总数*100%●考核部门:质量部●相关记录:《制程检验报告》、《返工单》●考核期限:每月考核一次,每天报一次数据。
5.成品抽检合格率(权重30%):指质量部对成品进行抽检的合格率●成品抽检合格率=当月抽检合格总数/抽检数*100%●考核部门:质量部●相关记录:《成品检验报告》、《成品抽检统计表》、《部门绩效考核统计表》、《品质周报、月报》二、生产部门绩效考核数据的收集1.实际产能率:●记录表单:《成品入库单》、《物料、半成品进仓单》、《部门绩效考核统计表》●相关流程:《生产管控程序》、《生产命令单作业流程》、《成品进仓作业流程》●步骤:由各生产车间每天提供《入库报表》至计划部计划员。
优质参考文档
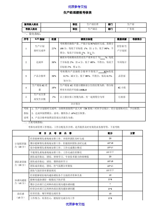
生产经理绩效考核表
三、执行力考核:
考核是否能够及时、按质完成领导交办的工作。
执行力得分=本月按期完成的待办事项件数/本月到期
需完成的待办事项件数R100%。
四、绩效考核得分核算
量化指标合计得分R80%+主观考核指标合计得分R10%+执行力得分R10%=当月绩效实际得分
生产部经理目标责任书
甲方:生产副总经理
乙方:生产部经理
为确保公司下达给生产部门年度经营和管理目标的实现,公司本着公平、公正、客观和责、权、利对等的原则,在双方协商一致的基础上,签订本年度经营管理目标责任书,作为对生产部经理考核的主要依据。
一、考核目的
1 •强化管理执行力度和目标实现效率,建立生产部经营管理目标责任考核体系。
2 •推动生产部管理工作制度化、流程化、规范化、科学化,建立科学的工作业绩考评体系。
3 •增强所属职能部门管理人员的责任意识和经营管理能力,推动生产部经营管理能力的不断创新和改
进。
二、考核期间
___ 年_____ 月____ 日至_____ 年____ 月____ 日。
三、甲方的权利和义务
1 •甲方为乙方工作活动提供必要资金、办公环境、后勤等支持和保障。
2•甲方有权对乙方的经营管理活动过程进行检查和监督,并提出改进意见。
3.甲方有权在乙方经营管理活动出现失控或重大失误而乙方又无有效解决办法时,修订责任书有关条
款或决定终止本责任书的执行。
四、乙方的权利和义务
1 •乙方应严格履行本部门工作职能和岗位职责。
2•乙方应在计划年度内完成下列主要经营管理目标(详见下表)。
生产部经理经营管理考核内容
1 •每月固定发放薪水人民币________ 元;每月浮动部分根据月度KPI打分确定发放额度,并于当月发放。
3•每月根据常规KPI指标表(包括生产计划完成率、产品质量合格率、安全和执行力等)对生产部经理进行考核,根据考核结果发放绩效奖励,奖励金额=奖励额度R考核分数/100R执行力得分。
奖励额度参照【生产部薪酬方案】。
六、附则
1.本责任书中未尽事项,由甲乙双方协商解决,必要时可生成文本作为附件,等同本协议的法律效力。
2 •本责任书一式两份,甲乙双方各持一份。
甲方:乙方:
日期:年月日日期:年月日。