ANSYS热应力分析实例
- 格式:docx
- 大小:23.16 KB
- 文档页数:10
ANSYS热应力分析例题实例1圆简内部热应力分折:有一无限长圆筒,其核截面结构如图13—1所示,简内壁温度为200℃,外壁温度为20℃,圆筒材料参数如表13.1所示,求圆筒内的温度场、应力场分布。
该问题属于轴对称问题。
由于圆筒无限长,忽略圆筒端部的热损失。
沿圆筒纵截面取宽度为10M的如图13—2所示的矩形截面作为几何模型。
在求解过程中采用间接求解法和直接求解法两种方法进行求解。
间接法是先选择热分析单元,对圆筒进行热分析,然后将热分析单元转化为相应的结构单元,对圆筒进行结构分析;直接法是采用热应力藕合单元,对圆筒进行热力藕合分析。
/filname,exercise1-jianjie/title,thermal stresses in a long/prep7 $Et,1,plane55Keyopt,1,3,1 $Mp,kxx,1,70Rectng,0.1,0.15,0,0.01 $Lsel,s,,,1,3,2Lesize, all,,,20 $Lsel,s,,,2,4,2Lesize,all,,,5 $Amesh,1 $Finish/solu $Antype,staticLsel,s,,,4 $Nsll,s,1 $d,all,temp,200lsel,s,,,2 $nsll,s,1 $d,all,temp,20allsel $outpr,basic,allsolve $finish/post1 $Set,last/plopts,info,onPlnsol,temp $Finish/prep7 $Etchg,ttsKeyopt,1,3,1 $Keyopt,1,6,1Mp,ex,1,220e9 $Mp,alpx,,1,3e-6 $Mp,prxy,1,0.28Lsel,s,,,4 $Nsll,s,1 $Cp,8,ux,allLsel,s,,,2 $Nsll,s,1 $Cp,9,ux,allAllsel $Finish/solu $Antype,staticD,all,uy,0 $Ldread,temp,,,,,,rthAllsel $Solve $Finish/post1/title,radial stress contoursPlnsol,s,x/title,axial stress contoursPlnsol,s,y/title,circular stress contoursPlnsol,s,z/title,equvialent stress contoursPlnsol,s,eqv $finish/filname,exercise1-zhijie/title,thermal stresses in a long/prep7 $Et,1,plane13Keyopt,1,1,4 $Keyopt,1,3,1Mp,ex,1,220e9 $Mp,alpx,,1,3e-6 $Mp,prxy,1,0.28MP,KXX,1,70Rectng,0.1,0.15,0,0.01 $Lsel,s,,,1,3,2Lesize, all,,,20 $Lsel,s,,,2,4,2Lesize,all,,,5 $Amesh,1Lsel,s,,,4 $Nsll,s,1 $Cp,8,ux,allLsel,s,,,2 $Nsll,s,1 $Cp,9,ux,allALLSEL $Finish/solu $Antype,staticLsel,s,,,4 $Nsll,s,1 $d,all,temp,200lsel,s,,,2 $nsll,s,1 $d,all,temp,20allsel $outpr,basic,allsolve $finish/post1 $Set,last/plopts,info,onPlnsol,temp/title,radial stress contoursPlnsol,s,x/title,axial stress contoursPlnsol,s,y/title,circular stress contoursPlnsol,s,z/title,equvialent stress contoursPlnsol,s,eqv $finish实例2冷却栅管的热应力分析图中为一冷却栅管的轴对称结构示意图,其中管内为热流体,温度为200℃,压力为10Mp,对流系数为110W/(m2•℃);管外为空气,温度为25℃,对流系数为30w/(mz.℃)。
一个玻璃钢外壳ANSYS热应力分析的命令流/filname,test1 !定义分析名称/title,this is a plane thermal analysis abort test1 !定义标题/prep7 !进入前处理et,1,plane55 !设置单元类型mp,kxx,1,0.4 !定义玻璃钢的导热系数k,1,0,0.021,0 !创建关键点k,2,0.0793,0.021,0k,3,0.0793,0.027,0k,4,0.0553,0.027,0k,5,0.0553,0.0317,0k,6,0.0647,0.041,0k,7,0.0793,0.041,0k,8,0.0793,0.045,0k,9,0,0.045,0k,10,0,0,0k,11,0.1,0,0a,1,2,3,4,5,6,7,8,9, !由关键点生成面aesize,1,0.002 !设置网络划分数量amesh,all !划分网络/solu !进入求解器antype,static !设置为稳态分析dl,8,1,temp,175,0 !给编号为8的线上施加175度的栽荷lsel,s,loc,y,0,0.044 !选择除8号线外其它的所有的线(通过坐标)dl,all,1,temp,30,0 !施加30度的边界条件allsel,all !选择所有outpr,basic,all !控制输出文件类型solve !求解finish/prep7etchg,tts !转换单无,由热——结构mp,ex,1,2.1e10 !定义弹性模量mp,prxy,1,0.3 !定义泊松比mp,alpx,1,1.3e-5 !定义玻璃钢的线膨胀系数/solu !进入求解器antype,staticlsel,s,loc,x,0.02,0.079lsel,r,loc,y,0,0.044dl,all,,ux,0dl,all,,uy,0allsel,alldl,2,1,symmdl,7,1,symmdl,9,1,symmsfl,8,pres,140,0 tunif,30 ldread,temp,,,,,,rth solve finish。
第四讲 热分析上机指导书CAD/CAM 实验室,USTC实验要求:1、通过对冷却栅管的热分析练习,熟悉用ANSYS 进展稳态热分析的根本过程,熟悉用直接耦合法、间接耦合法进展热应力分析的根本过程。
2、通过对铜块和铁块的水冷分析,熟悉用ANSYS 进展瞬态热分析的根本过程。
容1:冷却栅管问题问题描述:本实例确定一个冷却栅管〔图a 〕的温度场分布与位移和应力分布。
一个轴对称的冷却栅结构管为热流体,管外流体为空气。
冷却栅材料为不锈钢,特性如下:W/m ℃×109 MPa×10-5/℃边界条件:〔1〕管:压力:6.89 MPa流体温度:250 ℃对流系数249.23 W/m 2℃〔2〕管外:空气温度39℃对流系数:62.3 W/m 2℃假定冷却栅管无限长,根据冷却栅结构的对称性特点可以构造出的有限元模型如图b 。
其上下边界承受边界约束,管部承受均布压力。
练习1-1:冷却栅管的稳态热分析步骤:1. 定义工作文件名与工作标题1) 定义工作文件名:GUI: Utility Menu> File> Change Jobname ,在弹出的【ChangeJobname 】对话框中输入文件名Pipe_Thermal ,单击OK 按钮。
2) 定义工作标题:GUI: Utility Menu> File> Change Title ,在弹出的【Change Title 】对话框中2D Axisymmetrical Pipe Thermal Analysis ,单击OK 按钮。
3) 关闭坐标符号的显示:GUI: Utility Menu> PlotCtrls> Window Control> WindowOptions ,在弹出的【Window Options 】对话框的Location of triad 下拉列表框中选择No Shown 选项,单击OK 按钮。
热应力数值模拟分析实例详解实例1——圆筒热应力分析1、问题描述有一短圆筒,其横截面结构如图7.24所示,筒内避温度为200℃,外壁温度为20℃,圆筒材料参数如表7.4所示,求圆筒内的温度场、应力场分布。
表7.4 材料性能参数弹性模量EGPa 泊松比ν线膨胀系数α℃-1导热系数KW/(m•℃)220 0.28 1.3e-6 70图8.24 圆筒横截面结果示意图2、三维建模应用Pro-E软件对固体计算域进行三维建模,实体如图7.25所示:图7.25 短圆筒三维实体图3、网格划分采用采用ANSYS有限元分析软件对计算域进行网格划分,得到如图7.26所示的六面体网格单元。
流场的网格单元数为5760,节点数为7392。
图7.26 短圆筒网格图4、模拟计算结果及分析采用ANSYS有限元分析软件稳态计算,设置短圆筒导热系数为70W/(m•℃),弹性模量为220Gpa,泊松比为0.28ν,线膨胀系数为1.3e-6℃-1。
筒内壁加载温度载荷为200K,筒外壁加载温度载荷为20K。
求解时选取Thermal Energy传热模型。
求解方法采用高精度求解,计算收敛残差为10-4。
图7.27为圆筒内的温度场分布等值线图;图7.28为圆筒轴截面上的温度场分布等值线图;图7.29为圆筒轴截面上的径向应力场分布等值线图;图7.30为圆筒轴截面上的轴向应力场分布等值线图;图7.31为圆筒轴截面上的周向应力场分布等值线图;图7.32为圆筒轴截面上的等效应力场分布等值线图。
数据文件及结果文件在heat stress文件夹内。
图7.27 圆筒内的温度场分布等值线图图7.28 圆筒轴截面上的温度场分布等值线图图7.29 圆筒轴截面上的径向应力场分布等值线图图7.30 圆筒轴截面上的轴向应力场分布等值线图图7.31 圆筒轴截面上的周向应力场分布等值线图图7.32 圆筒轴截面上的等效应力场分布等值线图。
热应力仿真案例热应力仿真是一种模拟材料或结构在温度变化时由于热膨胀系数不均匀、受约束条件限制而产生的内部应力的方法。
以下是一些使用不同软件进行热应力仿真的案例:1. **ANSYS Workbench 热应力简单案例**:- 当设备由不同热膨胀系数的材料组成时,即使各部分温度相同,冷却或加热过程中也会因为各材料不同的膨胀和收缩特性导致内部应力。
在Ansys Workbench中,可以建立多材料模型,施加温度边界条件,通过热固耦合分析(Thermal-Stress Analysis)来计算和可视化这种应力分布。
2. **PCB及封装结构热应力协同仿真**:- 在电子设计领域,使用SIwave等工具可以对印刷电路板(PCB)以及芯片封装结构进行热应力协同仿真。
例如,当电子器件工作发热时,结合温度场与结构力学分析,预测高温下PCB层间、焊点、封装材料等部位的热应力,防止因热疲劳导致的失效问题。
3. **ANSYS激光焊接过程热应力仿真应用**:- 使用Ansys Workbench可以模拟激光焊接过程中的温度演化和伴随的热应力生成。
通过对焊接接头几何模型进行详细的网格划分,并定义焊接工艺参数(如功率、扫描速度等),能够得出焊接过程中的瞬态温度场和应力场分布,为优化焊接工艺、减少焊接变形提供依据。
4. **ABAQUS热应力分析实例**:- 以刹车盘为例,在Abaqus中可以模拟刹车过程中由于剧烈摩擦产生的热量导致刹车盘快速升温,进而产生热应力的情况。
通过设置材料属性、接触条件、热源分布和边界条件,求解出刹车盘内部的温度分布和由此产生的热应力,有助于评估其热安全性及疲劳寿命。
这些仿真案例覆盖了从机械部件到电子组件的不同应用领域,通过现代CAE (计算机辅助工程)软件有效地帮助工程师们在设计阶段预测并解决潜在的热应力问题。
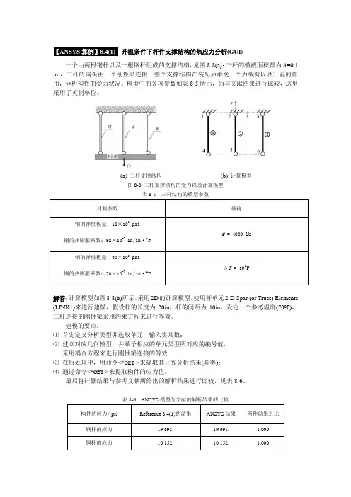
【ANSYS算例】8.4(1) 升温条件下杆件支撑结构的热应力分析(GUI)一个由两根铜杆以及一根钢杆组成的支撑结构,见图8-8(a);三杆的横截面积都为A=0.1 in2,三杆的端头由一个刚性梁连接,整个支撑结构在装配后承受一个力载荷以及升温的作用,分析构件的受力状况。
模型中的各项参数如表8-5所示,为与文献结果进行比较,这里采用了英制单位。
(a)三杆支撑结构(b)计算模型图8-8 三杆支撑结构的受力以及计算模型表8-5 三杆结构的模型参数材料参数载荷铜的弹性模量:16×106 psiQ = 4000 lb 铜的热膨胀系数:92×10-7 in/in·°F钢的弹性模量:30×106 psiΔT = 10°F 钢的热膨胀系数:70×10-7 in/in·°F解答:计算模型如图8-8(b)所示。
采用2D的计算模型,使用杆单元2-D Spar (or Truss) Elements (LINK1)来进行建模,假设杆的长度为20in,杆的间距为10in,设定一个参考温度(700F),三杆连接的刚性梁采用约束方程来进行等效。
建模的要点:⑴首先定义分析类型并选取单元,输入实常数;⑵建立对应几何模型,并赋予相应的单元类型所对应的编号值,采用耦合方程来进行刚性梁连接的等效⑶在后处理中,用命令<*GET >来提取其计算分析结果(频率);⑷通过命令<*GET >来提取构件的应力值。
最后将计算结果与参考文献所给出的解析结果进行比较,见表8-6。
表8-6 ANSYS模型与文献的解析结果的比较构件的应力/ psi Reference 8.4(1)的结果ANSYS结果两种结果之比钢杆的应力19 695. 19 695. 1.000铜杆的应力10 152. 10 152. 1.000Reference 8.4(1):Timoshenko S. Strength of Material, Part I, Elementary Theory and Problems!3rd Edition! New York: D. Van Nostrand Co., Inc., 1955, 30给出的基于图形界面的交互式操作(step by step)过程如下。
实例1:某一潜水艇可以简化为一圆筒,它由三层组成,最外面一层为不锈钢,中间为玻纤隔热层,最里面为铝层,筒内为空气,筒外为海水,求内外壁面温度及温度分布。
几何参数:筒外径30 feet总壁厚2 inch不锈钢层壁厚0.75inch玻纤层壁厚1 inch铝层壁厚0.25inch筒长200 feet导热系数不锈钢8.27BTU/hr.ft.o F玻纤0.028 BTU/hr.ft.o F铝117.4 BTU/hr.ft.o F边界条件空气温度70 o F海水温度44.5 o F空气对流系数2.5 BTU/hr.ft2.o F海水对流系数80 BTU/hr.ft2.o F沿垂直于圆筒轴线作横截面,得到一圆环,取其中1 度进行分析,如图示。
/filename,Steady1/title,Steady-state thermal analysis of submarine/units,BFTRo=15 !外径(ft)Rss=15-(0.75/12) !不锈钢层内径ft)Rins=15-(1.75/12) !玻璃纤维层内径(ft)Ral=15-(2/12) !铝层内径(ft)Tair=70 !潜水艇内空气温度Tsea=44.5 !海水温度Kss=8.27 !不锈钢的导热系数(BTU/hr.ft.oF)Kins=0.028 !玻璃纤维的导热系数(BTU/hr.ft.oF)Kal=117.4 !铝的导热系数(BTU/hr.ft.oF)Hair=2.5 !空气的对流系数(BTU/hr.ft2.oF)Hsea=80 !海水的对流系数(BTU/hr.ft2.oF)prep7et,1,plane55 !定义二维热单元mp,kxx,1,Kss !设定不锈钢的导热系数mp,kxx,2,Kins !设定玻璃纤维的导热系数mp,kxx,3,Kal !设定铝的导热系数pcirc,Ro,Rss,-0.5,0.5 !创建几何模型pcirc,Rss,Rins,-0.5,0.5pcirc,Rins,Ral,-0.5,0.5aglue,allnumcmp,arealesize,1,,,16 !设定划分网格密度lesize,4,,,4lesize,14,,,5lesize,16,,,2Mshape,2 !设定为映射网格划分mat,1amesh,1mat,2amesh,2mat,3amesh,3/SOLUSFL,11,CONV,HAIR,,TAIR !施加空气对流边界SFL,1,CONV,HSEA,,TSEA !施加海水对流边界SOLVE/POST1PLNSOL !输出温度彩色云图finish实例2一圆筒形的罐有一接管,罐外径为3 英尺,壁厚为0.2 英尺,接管外径为0.5 英尺,壁厚为0.1英尺,罐与接管的轴线垂直且接管远离罐的端部。
A N S Y S热应力分析实例-CAL-FENGHAI-(2020YEAR-YICAI)_JINGBIAN热流体在代有冷却栅的管道里流动,如图为其轴对称截面图。
管道及冷却栅的材料均为不锈钢,导热系数为1.25Btu/hr-in-oF,弹性模量为28E6lb/in2泊松比为0.3。
管内压力为1000 lb/in2,管内流体温度为450 oF,对流系数为1 Btu/hr-in2-oF,外界流体温度为70 oF,对流系数为0.25 Btu/hr-in2-oF。
求温度及应力分布。
7.3.2菜单操作过程7.3.2.1设置分析标题1、选择“Utility Menu>File>Change Title”,输入Indirect thermal-stress Analysis of a cooling fin。
2、选择“Utility Menu>File>Change Filename”,输入PIPE_FIN。
7.3.2.2进入热分析,定义热单元和热材料属性1、选择“Main Menu>Preprocessor>Element Type>Add/Edit/Delete”,选择PLANE55,设定单元选项为轴对称。
2、设定导热系数:选择“Main Menu>Preprocessor>MaterialPorps>Material Models”,点击Thermal,Conductivity,Isotropic,输入1.25。
7.3.2.3创建模型1、创建八个关键点,选择“MainMenu>Preprocessor>Creat>Keypoints>On Active CS”,关键点的坐标如下:编号 1 2 3 4 5 6 7 8X 5 6 12 12 6 6 5 5Y 0 0 0 0.25 0.25 1 1 0.252、组成三个面:选择“MainMenu>Preprocessor>Creat>Area>Arbitrary>Throuth Kps”,由1,2,5,8组成面1;由2,3,4,5组成面2;由8,5,6,7组成面3。
ANSYS热应力分析实例ANSYS是一款广泛应用于工程领域的有限元分析软件,可以对复杂的物理系统进行分析。
其中之一的热应力分析可以用于评估材料在温度变化下的变形和应力分布情况。
下面将给出一个ANSYS热应力分析实例进行详细说明。
实例场景描述:假设我们有一个高温容器,容器由一种特定材料制成,在加热的过程中,容器内的温度会达到1500°C,我们希望了解容器在这种高温下的变形和应力情况。
实例步骤:1.创建几何模型首先,我们需要在ANSYS中创建几何模型。
可以通过几何建模软件(如SolidWorks)创建一个容器的3D模型,然后将该模型导入ANSYS中。
确保在导入模型时尽量保留几何体的完整性。
2.定义材料属性在进行热应力分析之前,需要提前定义材料的热力学性质。
对于我们的实例中的容器材料,需要知道其热导率、热膨胀系数、Young弹性模量和泊松比等参数。
这些参数可通过材料手册或实验测试获得。
3.设置边界条件在ANSYS中,我们需要设置边界条件以模拟实际工作环境。
对于本实例,我们需要设置容器表面的边界条件为1500°C,同时设置容器底部为固定边界,以防止其在分析过程中移动。
4.进行热传导分析在进行热应力分析之前,需要进行热传导分析。
在这一步骤中,我们需要使用热传导方程计算材料内部的温度分布情况。
这些结果将作为后续热应力分析的输入。
5.进行热应力分析在得到热传导分析的温度分布结果后,我们可以开始进行热应力分析。
在这一步骤中,ANSYS会根据材料的热膨胀系数计算出由温度变化引起的应变,并进一步计算出引起的应力分布。
通过这些结果,我们可以了解容器在高温下产生的变形和应力情况。
6.结果分析与后处理最后,我们需要对热应力分析的结果进行分析和后处理。
ANSYS提供了丰富的后处理工具,可以对应力分布、应变分布、变形分布等进行可视化和统计分析。
我们可以通过这些工具来评估容器在高温下的耐受性和结构完整性。
总结:以上是一个ANSYS热应力分析的简单实例,通过分析容器在高温下的变形和应力情况,我们可以评估容器在实际工作环境中的性能。
ANSYS热应力分析实例在航天器的火箭发动机喷管系统中,热应力是一个非常重要的考虑因素。
在发动机工作过程中,高温燃烧气体通过喷管流过时,会导致喷管内壁产生高温,并引起温度梯度。
这种温度梯度会导致喷管内壁的膨胀和应力的产生,如果超过喷管材料的承受能力,就会发生破裂和损坏。
为了评估火箭发动机喷管系统的热应力情况,我们可以使用ANSYS进行分析。
首先,我们需要建立一个喷管的几何模型,并定义材料属性和边界条件。
然后,我们可以设置热负荷和温度梯度。
接下来,我们使用ANSYS的热分析功能来模拟燃烧气体通过喷管的过程,从而计算出喷管内壁的温度分布。
通过这个分析,我们可以获得各个点的温度数据。
然后,我们可以将温度数据输入到ANSYS的结构分析模块中,使用热-结构耦合功能来计算喷管内壁的应力分布。
这个分析可以帮助我们判断喷管在工作状态下是否会产生过大的热应力。
最后,我们可以根据得到的结果来评估喷管的安全性,并根据需要进行设计优化。
如果发现有区域的热应力超过了材料的承受能力,我们可以考虑增加材料厚度或者改变材料的性质来提高喷管的耐热性能。
通过使用ANSYS进行热应力分析,我们可以更好地理解喷管的热响应,并提前预测和防范潜在的问题,从而提高火箭发动机系统的可靠性和安全性。
总结起来,ANSYS热应力分析在航天器火箭发动机喷管系统中的应用非常重要。
通过该分析,我们可以评估喷管在工作过程中是否会产生过大的热应力,并提前采取相应的措施来防止潜在的破裂和损坏问题。
这种分析方法可以提高设计的可靠性和安全性,减少后续维修与改进方面的开支和工作量。
ANSYS热应力分析实例热应力是指由于温度变化引起的材料内部应力。
在工程设计中,热应力分析对于预测材料在实际使用条件下的性能至关重要。
ANSYS是一款领先的有限元分析软件,可以在工程设计和分析中进行热应力分析。
本文将介绍一个简单的热应力分析实例,以帮助读者了解如何使用ANSYS进行该类型的分析。
在这个实例中,我们将使用ANSYS来模拟一个由钢材制成的热板,在其表面施加热流。
我们将分析在不同的热流条件下,热板表面的温度分布及由此产生的热应力。
首先,我们需要在ANSYS中建立模型。
我们选择建立一个二维平面应力模型,模型尺寸为2mx1m。
我们为钢材定义材料属性,包括杨氏模量和泊松比。
接下来,我们为模型施加边界条件,固定模型的下边界,模拟一个定量的热流施加在模型的上边界。
然后,我们需要定义热流的边界条件。
我们选择在模型的上边界施加一个固定的热流密度,例如1000W/m^2、我们还需要定义热板的初始温度,通常可以选择室温或其他合适的温度。
接下来,我们进行热传导分析。
在ANSYS中,我们可以通过定义热传导方程和边界条件来模拟热流的传导行为。
我们将求解热传导方程,得到热板上每个点的温度分布。
一旦我们得到了热板的温度分布,我们可以通过热传导方程计算热应力。
热应力是由于温度变化引起的材料内部应力,可以通过考虑材料的热膨胀系数和热导率来计算。
在ANSYS中,我们可以使用热应力分析模块来计算模型中每个点的热应力。
最后,我们可以通过后处理功能来查看热板表面的温度分布和热应力分布。
我们可以将结果可视化为温度云图和热应力云图,以便更直观地理解热应力的分布情况。
我们还可以提取特定点的温度和热应力数值,以帮助评估热板在不同热流条件下的性能表现。
总的来说,热应力分析是工程设计中非常重要的一部分,能够帮助工程师预测材料的性能并优化设计。
ANSYS作为一款功能强大的有限元分析软件,可以帮助工程师进行精确的热应力分析,并提供丰富的可视化和后处理功能。
ANSYS热应力分析实例当一个结构加热或冷却时,会发生膨胀或收缩。
如果结构各部分之间膨胀收缩程度不同,和结构的膨胀、收缩受到限制,就会产生热应力。
7.1热应力分析的分类ANSYS提供三种进行热应力分析的方法:在结构应力分析中直接定义节点的温度。
如果所以节点的温度已知,贝U可以通过命令直接定义节点温度。
节点温度在应力分析中作为体载荷,而不是节点自由度间接法。
首先进行热分析,然后将求得的节点温度作为体载荷施加在结构应力分析中。
直接法。
使用具有温度和位移自由度的耦合单元,同时得到热分析和结构应力分析的结果。
如果节点温度已知,适合第一种方法。
但节点温度一般是不知道的。
对于大多数问题,推荐使用第二种方法一间接法。
因为这种方法可以使用所有热分析的功能和结构分析的功能。
如果热分析是瞬态的,只需要找出温度梯度最大的时间点,并将此时间点的节点温度作为荷载施加到结构应力分析中去。
如果热和结构的耦合是双向的,即热分析影响结构应力分析,同时结构变形又会影响热分析(如大变形、接触等),则可以使用第三种直接法一使用耦合单元。
此外只有第三种方法可以考虑其他分析领域(电磁、流体等)对热和结构的影响。
7.2间接法进行热应力分析的步骤首先进行热分析。
可以使用热分析的所有功能,包括传导、对流、辐射和表面效应单元等,进行稳态或瞬态热分析。
但要注意划分单元时要充分考虑结构分析的要求。
例如,在有可能有应力集中的地方的网格要密一些。
如果进行瞬态分析,在后处理中要找出热梯度最大的时间点或载荷步。
表7-1热单元及相应的结构单元重新进入前处理,将热单元转换为相应的结构单元,表7-1是热单元与结构单元的对应表。
可以使用菜单进行转换:Mai n Menu>Prep roeessor>Eleme nt Typ e>Switeh Eleme nt Type ,选择Thermal to Struetual 。
但要注意设定相应的单元选项。
例如热单元的轴对称不能自动转换到结构单元中,需要手工设置一下。
在命令流中,可将原热单元的编号重新定义为结构单元,并设置相应的单元选项。
设置结构分析中的材料属性(包括热膨胀系数)以及前处理细节,如节点耦合、约束方程等。
读入热分析中的节点温度,GUI: Solution>Load Apply>Temperature>From Thermal Analysis 。
输入或选择热分析的结果文件名*.rth。
如果热分析是瞬态的,则还需要输入热梯度最大时的时间点或载荷步。
节点温度是作为体载荷施加的,可通过UtilityMen u>List>Load>Body Load>On all nodes 列表输出。
设置参考温度,Mai n Men u>Solutio n>Load Setti ng>Refere nee Temp 。
进行求解、后处理。
7.3间接法热应力分析实例7.3.1 问题描述图7-1冷却栅示意图pwliuB nwMrdfluHin热流体在代有冷却栅的管道里流动,如图为其轴对称截面图。
管道及冷却栅的材料均为不锈钢,导热系数为1.25Btu/hr-in-oF,弹性模量为28E6lb/in2泊松比为0.3。
管内压力为1000 Ib/in2,管内流体温度为450 oF ,对流系数为1 Btu/hr-in2-oF,外界流体温度为70 oF,对流系数为0.25 Btu/hr-in2-oF。
求温度及应力分布。
7.3.2 菜单操作过程7.321设置分析标题1、选择“ Utility Men u>File>Cha nge Title,输入In direct thermal-stress Analysis of a cooling fin 。
2、选择“ Utility Me nu>File>Cha nge File name,输入PIP E_FIN。
7.322进入热分析,定义热单元和热材料属性1、选择“ Main Menu>Preprocessor>Element Type>Add/Edit/Delete ,选择PLANE55,设定单元选项为轴对称。
2、设定导热系数:选择“ Main Menu>Preprocessor>Material Porps>Material Models ”,点击Thermal,Conductivity,Isotropic,输入 1.25。
7.3.2.3创建模型1、创建八个关键点,选择“ Ma in Men u> Prep rocessor>Creat>Key poin ts> On Active CS :关键点的坐标如下:2、组成三个面:选择“ Mai nMenu> Preprocessor>Creat>Area>Arbitrary>Throuth Kps ,由”1,2,5,8 组成面1; 由2,3,4,5组成面2;由8,5,6,7组成面3。
3、设定单元尺寸,并划分网格:“ Main Menu>Preprocessor>Meshtool,”设定global size 为0.125,选择AREA,Mapped,Mesh,点击Pick all。
7.324施加荷载1、选择“ Utility Menu>Select>Entities>Nodes>By location>X coordinates ,From Full,输入5,点击OK,选择管内壁节点;2、在管内壁节点上施加对流边界条件:选择“ Mai nMenu>Solution>Apply>Convection>On nodes ,点击Pick,all,输入对流换热系数1,流体环境温度450。
3、选择“ Utility Menu>Select>Entities>Nodes>By location>X coordinates,From Full,输入6,12,点击Apply ;4、选择“ Utility Menu>Seect>Entities>Nodes>By location>Y coordinates,Reselect,输入0.25,1,点击Apply ;5、选择“ Utility Menu >Select>E ntities>Nodes>By locatio n>Y coord in ates,Also select,'输入12,点击OK ;6、在管外边界上施加对流边界条件:选择“ MainMenu>Solution>Apply>Convection>On nodes ,点击Pick,all,输入对流换热系数0.25,流体环境温度70。
7.325求解1、选择“ Utility Menu>Select>Select Everything。
”2、选择“ Main Menu>Solution>Solve Current LS。
”7.326后处理1、显示温度分布:选择“ Mai n Men u>Ge neral P ost proc>P lot Result>Nodal Solutio n>Temperature ”。
7.3.2.7重新进入前处理,改变单元,定义结构材料1、选择“ Ma in Menu>Prep rocessor>Eleme nt Typ e>Switch Elem Type Thermal to Structure 。
2、选择“ Main Menu>Preprocessor>Element Type>Add/Edit/Delete Option,将结构单元设置为轴对称。
选释,,点击,输”3、选择“ Main Menu>Preprocessor>Material Porps>Material Models 入材料的EX 为28E6,PRXY 为0.3,ALPX 为0.9E-5。
7.328定义对称边界条件1、 选择 “ Utility Mnu>Select>Entities>Nodes>By location >丫 coordinates From Full ,输入0,点击Apply ;2、 选择 “ Utility Menu>Select>Entities>Nodes>By location>丫 coordinates Also select ,'输入 1,点击 Apply ;3、 选择 “ Main Menu>Solution>Apply>Displacement>Symmetry B.C. On Nodes ”,点击 Pick All ,选择 丫 axis ,点击 OK ;7.328施加管内壁压力1、 选择 “ Utility Menu>Select>Entities>Nodes>By location>X coordinates From Full ,输入 5,点击 OK ;2、 选择 “ Main Menu>Solution>Apply>Pressure 〉On nodes ,点击 Pick All , 输入1000。
7.329设置参考温度选择 “ Utility Menu>Select>Select Everything 。
”选择 “ Main Menu>5olution>-Loads- Setting>Referenee Temp 输入 70。
选择 “ Main Menu>Solution>Apply>Temperature>From Thermal Analysis>,选择 PIPE_FIN.rth 。
7.3.2.11 求解选择 “Main Menu>Solution>Solve Current LS 。
”7.3.2.12后处理选择 “ Main Menu>General Postpro>Plot Result>Nodal Solutio n>Stress>Von Mises 。
显示等效应力。
7.3.3 等效的命令流方法/file name ,pipe_fin/TITLE,Thermal-Stress An alysis of a cooli ng fin /prep7!进入前处理 et,1,plane55!定义热单元keyopt,1,3,1!定义轴对称1、 2、7.3.2.10 读入热分析结果1、mp,kxx,1,1.25!定义导热系数k,1,5!建模k,2,6k,3,12k,4,12,0.25k,5,6,0.25k,6,6,1k,7,5,1k,8,5,0.25a,1,2,5,8a,2,3,4,5a,8,5,6,7esize,0.125!定义网格尺寸amesh,all!划分网格ep lotfin ish/solu!热分析求解nsel,s,loc,x,5!选择内表面节点sf,all,conv,1,450!施加对流边界条件nsel,s,loc,x,6,12!选择外表面节点nsel,r,loc,y,0.25,1n sel,a,loc,x,12sf,all,conv,0.25,70!施加对流边界条件nsel,all/p se,c onv ,hcoef,1nplotsolve!求解生成PIPE_FIN.rth文件finish/post1plnsol,temp!得到温度场分布finish/prep7 !重新进入前处理etchg,tts!将热单元转换为结构单元plan e42keyopt,1,3,1!定义轴对称特性mp,ex,1,28e6!定义弹性模量mp,nuxy,1,0.3!定义泊松比mp,alpx,1,0.9e-5!定义热膨胀系数fin ish/solu!进入结构分析求解nsel,s,loc,y,0!选择对称边界n sel,a,loc,y,1dsym,symm,y!定义对称条件nsel,s,loc,x,5!选择内表面sf,all,pres,1000!施加压力边界条件nsel,all/pbc,all,1/psf, pres,,1nplottref,70!设定参考温度ldread,temp,,,,,,rth!读入PIPE_FIN.rth 节点温度/pbc,all,0/psf,pres,,0 分布/pbf,tem p,,1eplotsolve!求解fin ish/posti,pinsol,s,eqv!得到等效应力fin ish7.4直接法热应力分析实例7.4.1 问题描述两个同心圆管之间有一个小间隙,内管中突然流入一种热流体,求经过 3分钟后外管表面的温度。