2021年人货电梯验收表
- 格式:doc
- 大小:56.51 KB
- 文档页数:3
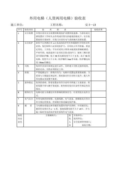
外用电梯(人货两用电梯)验收记录表规格型号:机械编号:验收项目序号安全技术要求结果基础 1 基础隐蔽工程兖州资料齐全,并签字。
钢结构2 不应有明显变形、脱焊和开裂,外形整洁,无锈蚀3 立管接缝外错位阶差<0.8mm。
4 螺栓连接紧固可靠,不得有松动。
5 垂直度允许偏差为其高度的万分之五。
围栏防护6吊笼底笼周围和对重升降通道周围应设置防护围栏,防护围栏高度不得低于1.5m。
7 升降机周围三面应搭设防坠棚、铺满脚手板。
8 吊笼顶部四周应有护栏,高度不低于1.1m。
9停层处层门净高度应不低于1.8m,门宽与吊笼净出口宽度之差不得大于0.12m。
对重钢丝绳绳头固接10绳卡固接时其数量不得少于三个,间距不小于绳径的6倍滑鞍放在受力绳的一侧,绳卡应与绳径匹配。
钢丝绳11 钢丝绳应有出厂合格证。
传动防护12 传动系统的传动零部件应润滑良好;各部连接牢固可靠,传动平稳;有护罩等防护装置。
导向轮13 轮子连接及润滑应良好,导向轮灵活,无明显倾斜现象。
制动器14 应设常闭式制动器,当装有手动紧急操作机构时有手动松闸功能。
导向和缓冲装置15 吊笼与对重的导向应正确可靠,导轨接头平滑。
16 底座应设置吊笼和对重缓冲器,无缺损变形。
安全装置17 吊笼应设有安全器、安全钩和安全开关等安全装置。
18 防坠安全器有标定有效的年限牌,防坠安全器的有效期为一年19 上限位和上级限位开关之间的越程距离不小于0.15m,限位开关、极限开关和放松绳开关,性能良好可靠。
导轨架的附着20 外用电梯的运动部件与建筑物和固定设备、脚手架等之间的距离不得小于0.25m。
21 附着装置之间距离应符合使用说明书要求,保持基本水平,与埋件连接采用螺栓连接形式要牢固可靠。
电器22 电器装置应防护良好,有接零保护。
23 主电路应设有相序和断相保护器及过载保护。
24 电路应设总接触器、短路、失压、零位保护,配电箱无明显变形锈蚀、开启自如,箱内线路排列整齐,电器元件安装牢固,无松动,多热现象。
施工升降机基础验收表
检查结论(合格√
不合格×)
压验收结论:
施工总承包单位(盖章)
年月日
施工升降机安装自检表
检查结论(合格√
不合格)
√=合格O=整改后合格×=不合格无=无此项
注:对不符合要求的项目应在备注栏具体说明,对要求量化的参数应填实测值。
K1+478~K1+5888段左侧片石混凝土挡土墙第1部分
施工升降机安装验收表1
√=合格O=整改后合格×=不合格无=无此项
施工升降机安装验收表2
√=合格O=整改后合格×=不合格无=无此项
施工升降机司机交接班记录表
√=合格O=整改后合格×=不合格
施工升降机每日使用前检查表√=合格O=整改后合格×=不合格
施工升降机每月检查表
√=合格O=整改后合格×=不合格无=无此项
当人生让你碰壁头破血流时,别害怕,没有这些挫折,怎能练就一身钢筋铁骨,当生活给你一百个理由哭泣时,别沮丧,你就拿出一千个理由笑给它看。
目录设备开箱检验记录 (3)电梯工程隐蔽验收记录 (4)线路(设备)绝缘电阻测试记录 (5)接地电阻测试记录 (6)电梯工程负荷试验、安全装置检查记录 (7)电梯运行记录 (8)电梯安装工程设备进场质量验收记录表 (9)电梯安装土建交接质量验收记录表 (10)电梯驱动主机安装工程质量验收记录表 (11)电梯导轨安装工程质量验收记录表 (12)电力液压电梯门系统安装工程质量验收记录表 (13)电梯轿厢及对重安装工程质量验收记录表 (14)电梯安全部件安装工程质量验收记录表 (15)电梯悬挂装置、随行电缆、补偿装置安装工程 (16)电梯电气装置安装工程质量验收记录表 (17)电梯整机安装工程质量验收记录表 (18)电梯液压系统安装工程质量验收记录表 (19)液压电梯悬挂装置、随行电缆质量验收记录表 (20)液压电梯整机安装质量验收记录表 (21)自动扶梯、自动人行道设备进场质量验收记录表 (22)自动扶梯、自动人行道土建交接检验质量验收记录表 (23)自动扶梯、自动人行道整机安装质量验收记录表 (24)设备开箱检验记录电梯工程隐蔽验收记录线路(设备)绝缘电阻测试记录接地电阻测试记录电梯工程负荷试验、安全装置检查记录电梯运行记录电梯安装工程设备进场质量验收记录表GB50310-2002 B—03—1电梯安装土建交接质量验收记录表GB50310-2002 B—03—2电梯驱动主机安装工程质量验收记录表(曳引式或强制式)GB50310-2002电梯导轨安装工程质量验收记录表GB50310-2002 B—03—4电力液压电梯门系统安装工程质量验收记录表 GB50310-2002 B—03—5电梯轿厢及对重安装工程质量验收记录表GB50310-2002电梯安全部件安装工程质量验收记录表GB50310-2002电梯悬挂装置、随行电缆、补偿装置安装工程质量验收记录表GB50310-2002电梯电气装置安装工程质量验收记录表GB50310-2002电梯整机安装工程质量验收记录表GB50310-2002电梯液压系统安装工程质量验收记录表GB50310-2002液压电梯悬挂装置、随行电缆质量验收记录表GB50310-2002液压电梯整机安装质量验收记录表GB50310-2002自动扶梯、自动人行道设备进场质量验收记录表GB50310-2002自动扶梯、自动人行道土建交接检验质量验收记录表GB50310-2002自动扶梯、自动人行道整机安装质量验收记录表GB50310-2002。
电梯验收表
(可以直接使用,可编辑实用优秀文档,欢迎下载)
电梯维保验收表物业名称:
施工电梯安装验收表A-1
施工电梯安装验收表A-2
施工升降机基础验收表
检查结论(合格√
不合格×)
压验收结论:
施工总承包单位(盖章)
年月日注:对不符合要求的项目应在备注栏具体说明,对要求量化的参数应填实测值。
施工升降机安装自检表
检查结论(合格√
不合格)
√=合格O=整改后合格×=不合格无=无此项
注:对不符合要求的项目应在备注栏具体说明,对要求量化的参数应填实测值。
√=合格O=整改后合格×=不合格无=无此项
√=合格O=整改后合格×=不合格无=无此项
施工升降机司机交接班记录表
√=合格O=整改后合格×=不合格
施工升降机每日使用前检查表√=合格O=整改后合格×=不合格
施工升降机每月检查表
√=合格O=整改后合格×=不合格无=无此项。
1拽引机运行无异常振动和异响
2轿厢照明、排风正常
3
轿厢内报警装置、对讲系统正常4
轿门安全装置触板、光电功能正常5
电梯门开启关闭工作正常
6安全注意事项、警示
标志张贴醒目完好7防撞柱完好无损坏
29303124252627281920212223141516171891011121345678序号 日期项目
123责任人签名:
检查人签名:
1. 请严格按照周期进行点检并及时做好点检记录;点检时状态正常打“√ ”;状态异常打“x ”;未及时记录作未点检处理。
2.责任人为有仓管员,检查负责人为仓库主管。
稽查人为生产管理人员。
3.检查人检查频次不小于每周一次;货运电梯日常点检表
日 期:2021 年 月货运电梯位置:文件编号:TY-R04-048 A/0。
电梯分项工程验收记录表一、项目背景为了保障人们安全出行,电梯分项工程的验收是至关重要的。
本次验收记录表是针对某一电梯分项工程进行记录和汇总,以便于及时发现问题、解决问题,保证电梯安全运行。
二、验收人员本次电梯分项工程的验收人员如下:•王工:主要负责电梯的装配和安装工作;•李工:主要负责电梯的电气设备调试工作;•张工:主要负责电梯的检修和维护工作;•周工:主要负责电梯的质量监督和工艺管理工作。
三、验收内容本次的电梯分项工程验收工作主要包括以下内容:•电梯的质量检测;•电梯的运行试验;•电梯的安全检测。
四、验收记录1. 电梯的质量检测检测项目检测结果备注电梯钢丝绳合格电梯钢丝绳接头合格电梯门套合格电梯门轮合格电梯轿厢底坑合格电梯轿厢合格电梯制动器合格电梯限速器合格电梯门锁合格电梯安全触点合格2. 电梯的运行试验检测项目检测结果备注电梯平层准确性合格电梯上行速度合格电梯下行速度合格电梯载重能力合格电梯电气控制系统合格3. 电梯的安全检测检测项目检测结果备注电梯救援设备合格电梯安全门合格电梯压力开关合格电梯挡止装置合格电梯开关量反馈合格五、问题反馈经过前期的检测和测试,发现本次电梯分项工程中存在以下问题:1.电梯门锁存在松动现象,需要及时进行紧固和维护;2.电梯救援设备的使用说明书未放置在明显位置,需要在显眼处标注;3.电梯电气控制系统中存在操作不当导致的故障,需要重新培训安装工。
,本次电梯分项工程验收工作达到了验收标准,但仍存在一些细节问题需要解决。
希望相关工作人员能够尽快处理,确保电梯的安全可靠运行。
六、依据本次电梯分项工程验收的结果,所有检测项目均符合验收标准。
我们相信,经过工作人员的认真细致处理,电梯将会稳定、安全、可靠地运行,为人们出行带来便捷。