电力工程监理费计算方法
- 格式:docx
- 大小:22.31 KB
- 文档页数:3
电力监理费取费标准一览表
根据不同地区和电力监理项目的具体情况,电力监理费的取费标准可以有所不同。
以下是一般的电力监理费取费标准一览表,仅供参考:
1. 固定费用:根据项目规模确定的固定费用。
2. 百分比费用:根据工程总造价的一定比例收取的费用。
3. 单位造价费用:根据工程单位造价收取的费用,如元/万千
瓦时,元/万元等。
4. 阶梯费用:根据工程规模和项目进度的阶段性确定的费用,包括前期费用、施工费用、后期费用等。
5. 综合费用:综合考虑多种因素确定的费用,包括项目规模、工程特点、监理工作复杂程度等。
需要注意的是,以上标准仅为参考,实际电力监理费的取费标准应根据具体情况进行调整。
同时,对于不同的电力监理机构,其取费标准也可能有所不同,建议根据实际情况选择合适的电力监理机构进行咨询。
电力工程监理费计算1 电力工程监理费计算依据:1.1《国家电网公司输变电工程监理费概算编制办法》1.2《电网工程建设预算编制与计算标准》国家发改委2007-07-26发布。
2电力工程监理费计算方法2.1电力工程监理费=工程监理费基准价×150%。
——(1)2.2架空送电线路工程监理费基准价根据线路长度按照表3.5.3.3-2标准计算表3.5.3.3-2架空送电线路工程监理费标准(万元/km)2.3电缆线路工程监理费基准价=安装工程费×2.15%。
——(2)2.4变电工程监理费基准价=(建筑工程费+安装工程费)×费率——(3)费率按照表3.5.3.3-1变电工程监理费费率计取表3.5.3.3-1变电工程监理费费率2.5系统通信工程监理费基准价=(建筑工程费+安装工程费+设备购置费)×1.93%。
——(4)2.6电力工程监理费在个工程阶段的比例为:勘测阶段:3%,设计阶段10%,施工阶段85%,保修阶段2%。
例如:平原地区110kV架空线路工程,线路长度15km,其中同塔架设线路5km,试计算监理费。
架空送电线路工程监理费基准价=0.6万元/ km×10km+0.75万元/ km×5km=6+3.75=9.75万元架空送电线路工程监理费=工程监理费基准价×150%=9.75万元×150%=14.625万元。
其中勘测阶段监理费:14.625万元×3%=0.43875万元;其中设计阶段监理费:14.625万元×10%=1.4625万元;其中施工阶段监理费:14.625万元×85%=12.43125万元;其中保修阶段监理费:14.625万元×2%=0.2925万元。
监理费标准及计算方法
监理费的标准和计算方法因地区和项目性质不同而有差异。
一般来说,监理费可按照以下几种方式进行计算:
1. 标准费率法:根据监理协议中约定的标准费率,按照项目总投资金额或工程造价的一定比例来计算监理费。
例如,监理费率为1%,项目总投资为1000万元,那么监理费为1000万元
× 1% = 10万元。
2. 工作量法:按照监理人员实际投入的工作量来计算监理费。
监理人员的工作量可以通过参与监理工作的人员、工作时间、工作内容等因素来衡量。
通常,监理人员的工作量根据项目的难易程度和工程规模来确定,然后按照事先确定的费率进行计算。
3. 合同总价法:根据监理协议中约定的合同总价,按照合同总价的一定比例来计算监理费。
例如,监理费率为10‰,合同
总价为1000万元,那么监理费为1000万元× 10‰ = 10万元。
需要注意的是,以上计算方法仅供参考,实际计算可能还受到其他因素的影响,如合同约定、地区政策等。
因此,在具体项目中,应根据实际情况和协议约定来确定监理费的计算方法和标准。
同时,为避免争议,建议在监理协议中明确约定监理费的计算方法和标准。
工程监理费用取费标准工程监理费用是指工程项目中,监理单位根据工程监理合同的约定,对所提供的监理服务所应获得的报酬。
监理费用的取费标准对于工程项目的成本控制和监理服务质量的保障具有重要意义。
在实际工程监理中,监理费用的取费标准应当合理、公正、透明,以确保监理单位能够提供高质量的监理服务,同时也要考虑到工程项目的实际情况,避免监理费用过高导致工程成本增加。
一、监理费用的计算方法。
监理费用的计算方法一般包括按百分比计费、按工程量计费和按时间计费三种方式。
按百分比计费是指根据工程造价的一定比例来确定监理费用,这种方法适用于工程造价较高的项目,但需要注意的是,监理费用的百分比不宜过高,一般在1%-3%之间。
按工程量计费是指根据工程项目的具体工程量来确定监理费用,这种方法适用于工程量较大、工程内容较多的项目。
按时间计费是指根据监理服务的实际时间来确定监理费用,这种方法适用于工程周期较长、监理服务时间较长的项目。
二、监理费用的支付方式。
监理费用的支付方式一般包括按阶段支付和按月支付两种方式。
按阶段支付是指将监理费用分为若干个阶段,按照工程进度和监理服务进展情况进行支付,这种方式可以保障监理单位的资金需求,同时也可以促使监理单位更加积极地履行监理职责。
按月支付是指按照每个月的监理服务情况进行支付,这种方式相对灵活,但需要监理单位提供详细的监理服务记录和报告,以便业主方进行核对。
三、监理费用的合理性。
监理费用的合理性是指监理费用与监理服务的质量和工程项目的实际情况相适应。
监理费用过高会增加工程项目的成本,影响工程项目的投资效益;监理费用过低则可能导致监理单位无法提供高质量的监理服务,影响工程项目的施工质量和安全。
因此,确定监理费用的取费标准时,需要充分考虑工程项目的特点、监理服务的内容和要求,以及监理单位的实际成本情况,确保监理费用合理、公正、透明。
四、监理费用的管理和监督。
为了确保监理费用的合理性和透明性,需要建立健全的监理费用管理和监督机制。
电力监理费取费标准一览表电力监理费取费标准一览表在电力工程建设中,监理费是不可或缺的一部分,它用于确保项目的质量、进度和成本控制在预期范围内。
以下是一份电力监理费取费标准一览表,包含了电力工程监理费、输电线路监理费、变电所监理费、配电工程监理费、调试工程监理费、电力设备监理费、电力设施监理费、电力工程管理费、监理人工费用和其他相关费用等方面的内容。
1.电力工程监理费电力工程监理费是指对整个电力工程建设项目进行监督、管理和协调所需的费用。
通常情况下,监理费的取费标准是根据工程总投资的一定比例来计算的。
根据不同的电力工程建设项目,监理费的取费比例可能有所不同。
2.输电线路监理费输电线路监理费是指对输电线路工程建设项目进行监督、管理和协调所需的费用。
输电线路工程的复杂性程度和长度会影响到监理费的取费标准。
通常情况下,输电线路的长度越长,监理费的取费比例越高。
3.变电所监理费变电所监理费是指对变电所工程建设项目进行监督、管理和协调所需的费用。
变电所的规模和复杂性程度会影响到监理费的取费标准。
通常情况下,变电所的规模越大、复杂性越高,监理费的取费比例也越高。
4.配电工程监理费配电工程监理费是指对配电工程建设项目进行监督、管理和协调所需的费用。
配电工程的规模和复杂性程度会影响到监理费的取费标准。
通常情况下,配电工程的规模越大、复杂性越高,监理费的取费比例也越高。
5.调试工程监理费调试工程监理费是指对电力设备调试工程建设项目进行监督、管理和协调所需的费用。
调试工程的复杂性和技术难度会影响到监理费的取费标准。
通常情况下,调试工程的技术难度越高,监理费的取费比例也越高。
6.电力设备监理费电力设备监理费是指对电力设备采购、安装和调试等环节进行监督、管理和协调所需的费用。
电力设备的种类、数量和技术难度会影响到监理费的取费标准。
通常情况下,电力设备的种类越多、数量越大、技术难度越高,监理费的取费比例也越高。
7.电力设施监理费电力设施监理费是指对电力设施的运行、维护和检修等环节进行监督、管理和协调所需的费用。
电力工程监理费取费标准电力工程监理费是指在电力工程建设过程中,由监理单位对工程建设过程进行监督、检查、指导等服务所收取的费用。
监理费的收取标准一直是业内关注的焦点,也是建设单位和监理单位之间经常发生争议的问题。
为了规范电力工程监理费的取费标准,保障建设单位和监理单位的合法权益,制定合理的监理费取费标准对于推动电力工程建设的健康发展至关重要。
首先,监理费的取费标准应当符合国家相关法律法规的规定。
根据《建设工程监理条例》第十三条规定,监理费的收取标准应当由建设单位和监理单位双方协商确定,并报送有关主管部门备案。
监理费的收取标准应当合理,不得损害建设单位的合法权益,也不得影响监理单位依法履行监理职责。
因此,在确定监理费的取费标准时,应当充分考虑工程的规模、复杂程度、监理服务的内容和工作量等因素,确保监理费的收取合理合法。
其次,监理费的取费标准应当公开透明、合理合法。
建设单位和监理单位在确定监理费的取费标准时,应当充分沟通协商,明确监理服务的内容、范围和标准,以及监理费的收取方式和标准。
双方应当签订监理合同,明确监理费的收取标准,并在合同中载明,确保监理费的收取过程公开透明。
同时,监理费的收取标准应当合理合法,不得存在任何形式的违规收费行为,确保建设单位和监理单位的合法权益。
再次,监理费的取费标准应当与监理服务的质量和效果相匹配。
监理单位在收取监理费的过程中,应当按照合同约定的监理服务内容和标准,履行监理职责,确保监理服务的质量和效果。
建设单位在支付监理费的过程中,应当根据监理服务的质量和效果,按照约定的标准和方式及时足额支付监理费。
双方应当建立健全的监理服务评价机制,对监理服务的质量和效果进行评估,确保监理费的取费标准与监理服务的质量和效果相匹配。
最后,监理费的取费标准应当与市场行情和成本相适应。
监理单位在确定监理费的收取标准时,应当充分考虑市场行情和成本情况,确保监理费的收取标准合理合法。
建设单位和监理单位在确定监理费的收取标准时,应当充分沟通协商,充分考虑市场行情和成本情况,确保监理费的收取标准与市场行情和成本相适应。
国家电网公司输变电工程监理费概算编制办法第一章总则第一条为贯彻公司“集团化运作、集约化发展、精益化管理、标准化建设”的要求,深化“两个转变”,全面落实国家、行业关于工程监理有关规定的精神,促进输变电工程监理工作的健康发展,进一步规范输变电工程监理费用计算工作,制定本办法。
第二条本办法用于指导输变电工程监理费的概算编制,由设计单位负责编制工程监理费。
第三条输变电工程监理工作内容按照《电网工程建设预算编制与计算标准使用指南》中“工程监理费”的相关规定执行。
第四条本办法适用于国家电网公司及其所属单位投资的35kV 及以上交、直流输变电工程以及光纤通信工程。
其他电压等级输变电工程可参照使用。
第二章监理费的计算方法第五条输变电工程监理费按下式计算。
工程监理费=工程监理费基准价×150%第六条工程建设监理费用各阶段的参考比例按照《电网工程建设预算编制与计算标准使用指南》中“工程监理费”的相关规定执行。
即:勘察阶段:3%;设计阶段,10%;施工阶段,85%;保修阶段,2%。
)第七条输变电工程监理费基准价的费用计算标准按照《电网工程建设预算编制与计算标准》的“工程监理费”的相关规定执行。
即:变电工程监理费基准价=(建筑工程费+安装工程费)×费率系统通信工程监理费基准价 =(建筑工程费+安装工程费+设备购置费)× 1.93%电缆线路工程监理费基准价=安装工程费× 2.15%架空送电线路工程监理费基准价根据线路长度计算。
第三章附则第八条本办法由国家电网公司基建部负责解释。
第九条本办法自颁布之日起执行。
电源主体工程施工监理指导价说明:1、火电工程单机扩建的施工监理最低限价不低于同等级两台机组最低限价的65%。
2、两台机组分别获得批复且投产时间间隔超过1年以上的,施工监理最低限价不低于同等级两台机组最低限价的130%。
3、同期建设三台机组的,施工监理最低限价不低于同等级两台机组最低限价的140%.4、同期建设四台机组的,施工监理最低限价不低于同等级两台机组的170%。
监理费的计算方法:(1)按建设工程投资的百分比计算法。
这种方法是按照工程规模的大小和所委托的监理工作的繁简,以建设工程投资的一定百分比来计算。
一般情况下,工程规模越大,建设投资越多,计算监理费的百分比越小。
这种方法比较简便,业主和工程监理企业均容易接受,也是国家制定监理取费标准的主要形式。
采用这种方法的关键是确定计算监理费的基数和监理费用百分比。
新建、改建、扩建工程及较大型的技术改造工程所编制的工程的概(预)算就是初始计算监理费的基数。
工程结算时,再按实际工程投资进行调整。
当然,作为计算监理费基数的工程概(预)算仅限于委托监理的工程部分。
(2)工资加一定比例的其他费用计算法。
这种方法是以项目监理机构监理人员的实际工资为基数乘上一个系数而计算出来的。
这个系数包括了应有的间接成本和税金、利润等。
除了监理人员的工资之外,其他各项直接费用等均由业主另行支付。
一般情况下,较少采用这种方法,因为在核定监理人员数量和监理人员的实际工资方面,业主与工程监理企业之间难以取得完全一致的意见。
(3)按时计算法。
这种方法是根据委托监理合同约定的服务时间(计算时间的单位可以是小时,也可以是工作日或月),按照单位时间监理服务费来计算监理费的总额。
单位时间的监理服务费一般是以工程监理企业员工的基本工资为基础,加上一定的管理费和利润(税前利润)。
采用这种方法时,监理人员的差旅费、工作函电费、资料费以及试验和检验费、交通费等均由业主另行支付。
按时计算方法主要适用于临时性的、短期的监理业务,或者不宜按工程概(预)算的百分比等其他方法计算监理费的监理业务。
由于这种方法在一定程度上限制了工程监理企业潜在效益的增加,因而,单位时间内监理费的标准比工程监理企业内部实际的标准要高得多。
(4)监理成本加固定费用计算法。
监理成本是指监理企业在工程监理项目上花费的直接成本;固定费用是指直接费用之外的其他费用。
各监理单位的直接费用与其他费用的比例是不同的,但是,一个监理单位的监理直接费与其他费用之比大体上可以确定个比例。
监理费计算法范文一、按百分比计费法按照建设项目的工程造价或招标控制价的一定百分比来计算监理费,这是常用的监理费计算方法之一在按百分比计费法中,根据项目的工程造价或招标控制价确定的监理费率,乘以项目的工程造价或招标控制价即可得到监理费的金额。
这种计费方法简单明了,易于理解和计算,适用于中小型工程项目,但不适用于巨型复杂的工程项目。
二、按人工费计费法按照监理人员的人工、物资费用来计算监理费。
这种计费方法是根据监理人员实际参与工程的时间以及监理人员的工资、福利等因素来确定的。
在按人工费计费法中,首先确定监理人员的参与工程的时间,然后乘以监理人员的工资、福利等因素,即可得到监理费的金额。
这种计费方法比较灵活,适用于工程周期较长、工程内容较复杂的工程项目。
三、按固定费用计费法按照提供监理服务的具体内容和难易程度来确定监理费,这种计费方法是根据监理工作的具体情况来确定的。
在按固定费用计费法中,首先确定监理工作中所需要提供的具体服务内容和难易程度,然后按照这些具体服务内容和难易程度来确定监理费的金额。
这种计费方法适用于大型复杂的工程项目,因为大型项目的监理工作内容和难易程度往往较为复杂,无法简单地按照工程造价或招标控制价来计算监理费。
四、按绩效计费法按照监理工作完成的质量和效果来确定监理费,这种计费方法是根据监理工作的实际效果来确定的。
在按绩效计费法中,首先确定监理工作的质量和效果的评价标准,然后按照这些评价标准来确定监理费的金额。
这种计费方法主要适用于工程的监理阶段较长,需要对监理工作的质量和效果进行综合评价的项目。
综上所述,监理费计算法主要有按百分比计费法、按人工费计费法、按固定费用计费法和按绩效计费法等几种方法。
选择合适的计费方法主要取决于项目的性质、规模、工期以及监理工作的内容、难易程度等因素。
在实际应用中,需要根据具体情况综合考虑,选择最适合的计费方法来确定监理费的金额。
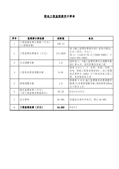
配电工程监理费用计算表序号监理费计算依据实际值备注1 工程监理收费计费额(万元)(工程建安费)166.122 工程监理收费基价(万元)112.6828 查《施工监理收费基价表》直线内插法,公式(单位:万元):78.1+〔(120.8-78.1)/(5000-3000)〕×(4619.804-3000)3 专业调整系数 1.0 查附表三:《施工监理收费专业调整系数表》第4点,该项目属送变电工程4 工程复杂程度调整系数0.85 查表 5.2-1:《水利、发电、送电、变电、核能工程复杂程度表》,该工程属电压等级为220kV以下的送变电工程工程,复杂程度取Ⅰ级5 高程调整系数 1.0 根据第 1.0.9施工监理服务收费调整系数第(3)条高程调整系数:海拔高程2001m 以下的为1.06 基本监理收费(万元)(即工程监理收费基准价)95.78 6=2×3×4×57 成交费率46.80% 依据成交通知书执行,乘以46.80%8 工程监理收费(万元)44.825 8=6×7配电工程设计费计算工程本体费用1002.68万元:根据2002版《工程勘察设计收费标准》,基本设计收费=工程设计收费基价×专业调整系数×工程复杂程度调整系数×附加调整系数,其中:工程设计收费基价:详见工程设计收费基价表(后附);专业调整系数:送变电工程为1.2;工程复杂程度调整系数:按“一般级”,取费系数为0.85;附加调整系数:无优惠率:18%本项目勘察设计费为:{38.8+[(103.8-38.8)/(3000-1000)]×(1002.68-1000)}×1.2×0.85×(1-18%) =325251.70 元。
电力工程监理费计算
1 电力工程监理费计算依据:
《国家电网公司输变电工程监理费概算编制办法》
《电网工程建设预算编制与计算标准》国家发改委2007-07-26发布。
2电力工程监理费计算方法
电力工程监理费=工程监理费基准价×150%。
——(1)
架空送电线路工程监理费基准价根据线路长度按照表3.5.3.3-2标准计算
变电工程监理费基准价=(建筑工程费+安装工程费)×费率——(3)
费率按照表3.5.3.3-1变电工程监理费费率计取
+设备购置费)×%。
——(4)
电力工程监理费在个工程阶段的比例为:勘测阶段:3%,设计阶段10%,施工阶段85%,保修阶段2%。
例如:平原地区110kV架空线路工程,线路长度15km,其中同塔架设线路5km,试计算监理费。
架空送电线路工程监理费基准价=万元/ km×10km+万元/ km×5km=6+=万元
架空送电线路工程监理费=工程监理费基准价×150%=万元×150%=万元。
其中勘测阶段监理费:万元×3%=万元;
其中设计阶段监理费:万元×10%=万元;
其中施工阶段监理费:万元×85%=万元;
其中保修阶段监理费:万元×2%=万元。
工程监理费计算方法概述工程监理费是工程建设中的一项重要费用,用于支付监理机构提供的工程监督和管理服务。
正确计算工程监理费对于项目的顺利进行和合理成本控制至关重要。
本文将介绍工程监理费的计算方法,包括计算公式、核心要素和相关考虑因素。
计算公式基本公式工程监理费的基本计算公式如下:工程监理费 = 工程造价× 监理费率其中, - 工程造价为工程项目的总造价,包括施工费、设备费、材料费等。
- 监理费率是监理机构根据合同约定或规定的费率百分比。
阶段费用在实际项目中,工程监理费通常为阶段性支付,根据工程项目的不同阶段进行分段计算。
假设工程项目有3个阶段,监理费率分别为0.8%、0.6%、0.5%,则各个阶段的监理费用计算如下:第一阶段监理费 = 工程造价× 0.8%第二阶段监理费 = 工程造价× 0.6%第三阶段监理费 = 工程造价× 0.5%总监理费为阶段费用的累加:总监理费 = 第一阶段监理费 + 第二阶段监理费 + 第三阶段监理费其他计算方法在实际情况中,根据工程项目的特点和监理机构的要求,还可能采用其他计算方法,例如按照工程施工工期进行分段计费,或根据工程施工进度进行动态调整等。
具体的计算方法需要根据实际情况进行确定。
核心要素工程造价工程造价是计算工程监理费的核心要素之一。
工程造价包括项目的各项费用,例如施工费、设备费、材料费、技术服务费等。
准确计算工程造价对于计算监理费的准确性至关重要。
在计算工程监理费时,需要明确工程造价的范围和计算方法,并注意对各项费用进行正确的分类。
监理费率监理费率是计算工程监理费的另一个核心要素。
监理费率是由监理机构和业主根据合同约定或相关规定确定的,通常以百分比的形式表示。
在确定监理费率时,需要考虑诸多因素,例如工程的复杂程度、工期的长短、监理机构的资质和经验等。
合理确定监理费率可以确保工程监理费的准确性和合理性。
合同约定工程监理费的计算还需要根据项目合同的约定进行,合同中通常会明确监理费的计算方法、支付方式、阶段划分以及调整方式等。
电力工程监理收费标准电力工程监理是保障电力工程施工质量和安全的重要环节,监理工作的开展需要监理单位投入大量的人力、物力和财力。
因此,电力工程监理收费标准的制定对于监理单位和施工单位都具有重要意义。
本文将围绕电力工程监理收费标准展开讨论,以期为相关单位提供参考和借鉴。
首先,电力工程监理收费标准应当根据监理工作的具体内容和难易程度进行合理制定。
一般而言,监理工作的内容包括施工图设计审查、施工现场巡查、施工质量检验、工程变更管理等多个方面。
而这些工作的难易程度又受到工程规模、工程技术难度、工程环境复杂程度等多方面因素的影响。
因此,电力工程监理收费标准应当充分考虑这些因素,科学制定不同等级的监理收费标准,以保证监理单位能够获得合理的经济收益。
其次,电力工程监理收费标准的制定还应当考虑到监理单位的实际成本和市场行情。
监理单位在进行监理工作时需要投入大量的人力、物力和财力,包括工程师的工资、差旅费、办公设备、资料费用等多方面成本。
同时,监理单位还需要考虑市场行情的影响,避免因为收费标准过高而失去竞争力,也避免因为收费标准过低而导致监理工作无法正常开展。
因此,电力工程监理收费标准的制定需要综合考虑监理单位的实际成本和市场行情,以制定合理的收费标准。
最后,电力工程监理收费标准的制定还应当考虑到监理工作的质量和效果。
监理工作的目的是保障工程质量和安全,因此监理工作的质量和效果是评价监理工作的重要标准。
电力工程监理收费标准应当充分考虑到监理工作的质量和效果,鼓励监理单位在工作中投入更多的精力和资源,提高监理工作的质量和效果。
同时,也需要建立相应的考核机制,对监理工作的质量和效果进行评估,以保证监理单位能够获得应有的经济回报。
综上所述,电力工程监理收费标准的制定需要充分考虑监理工作的具体内容和难易程度、监理单位的实际成本和市场行情、监理工作的质量和效果等多方面因素。
只有科学合理地制定电力工程监理收费标准,才能够保证监理工作的正常开展,保障电力工程的质量和安全。
电力工程监理费收费标准1. 引言本文档旨在确定电力工程监理费的收费标准,以便确保公正和合理的费用计算。
监理费的收费标准应根据项目规模、工程类型、监理范围等因素进行衡量和确定。
2. 监理费收费标准的确定监理费收费标准的确定应遵循以下原则:2.1 公正合理原则监理费应按照公正和合理的原则进行收费。
收费标准应在保证监理服务质量的前提下,尽量避免过高或过低的费用。
2.2 项目规模和工程类型监理费的收费标准应根据项目规模和工程类型进行区分。
大型项目和复杂工程应较小型项目和简单工程收取更高的监理费用。
2.3 监理范围监理费收费标准应根据监理服务范围的不同进行调整。
监理范围包括工程施工过程的全程监督、合同管理、技术咨询等内容。
监理范围越广泛,监理费用应相应增加。
2.4 监理费调整机制监理费收费标准应设立调整机制,以适应市场变化和经济情况的调整。
监理费的调整应根据实际情况和市场需求进行,确保监理费的公正和合理。
3. 监理费收费标准的计算方法监理费的计算应采用以下方法:3.1 固定费用固定费用是根据项目规模和工程类型确定的固定金额,无论工程进度和实际监理工作量如何变化,都不会调整固定费用。
固定费用的计算应详细记录和清楚注明。
3.2 工程进度费用工程进度费用是根据工程进度和完成情况进行计算的费用。
监理单位应根据工程进度和完成情况,按比例收取工程进度费用。
3.3 工程变更费用工程变更费用是指在工程建设过程中出现的变更项目所产生的费用。
监理单位应根据变更项目的复杂程度和影响范围,按照约定的比例收取工程变更费用。
4. 监理费收费标准的执行监理费收费标准的执行应涉及合同约定、费用结算和监理单位的监督等内容。
监理费收费标准的执行应遵循相关法律法规和合同约定,确保公正和合理的费用计算。
5. 结论电力工程监理费收费标准的确定对于保障工程质量和推动电力工程的健康发展具有重要意义。
在确定监理费收费标准时,应充分考虑项目规模、工程类型、监理范围等因素,同时确保公正和合理的费用计算。
工程监理费计算方法规程工程监理费计算方法规程一、工程监理费的概念工程监理费是指业主委托的监理单位用于承担工程监理职责而收取的费用,是工程投资的一部分,由业主按照约定支付。
二、工程监理费的计算基础1. 工程监理费的计算基础应为工程总投资额。
2. 工程总投资额应包括建筑工程和安装工程的合同价款,以及其他直接与工程有关的费用,如规划设计费、勘察设计费、项目管理费、招标代理费、安全监理费等。
三、监理费率的确定1. 监理费率应根据工程的性质、规模、技术难度、监理期限等因素确定。
监理费率的确定应符合国家有关法律法规和监理服务收费标准的规定。
2. 工程监理费的计算应按照国家规定的监理服务收费标准进行。
3. 监理费率一般是以工程总投资额为基数,按照百分之二至五的比例确定。
具体费率应由双方协商确定,并写入合同中。
4. 超过国家规定标准的费率,应进行合理的解释和说明,经业主同意后方可确定。
四、变更工程监理费1. 建设单位有变更工程中的某些内容或增加工程量等需求的,工程监理单位应根据实际工作量的增减情况重新确定监理费用。
2. 工程变更涉及监理费应经业主同意后,与修改工程合同价格同时处理。
五、监理费的支付1. 工程监理费按照合同约定的支付方式进行,一般是分期支付。
监理服务费的结算应符合国家规定的财务会计规则。
2. 工程监理单位应在上报监理工程实施计划书时,提交工程监理费用预算书。
经业主审核后确认、签字后,该费用预算书即为工程监理费合同的一部分,并按合同约定的支付方式支付。
3. 工程监理单位在不同阶段提供的监理服务应按照规定时间和数量,以及工程监理费用预算书中列明的具体内容计费。
4. 工程监理单位在完成监理任务后应及时向业主提交结算书和监理服务总结报告,并自行办理税务等有关手续。
六、工程监理费的监督1. 工程监理费的收费应当公开透明,业主有权要求监理单位出具费用明细,对监理费的计算和支付情况进行监督。
2. 监理单位应当自觉接受业主及有关部门的监督,认真按照工程监理职责履行监理义务,确保监理服务质量,杜绝不合理收费和挤占监理费用。
最新监理取费标准与计算方式监理取费标准文件的最新版并非固定不变,因为它可能随着国家政策、市场变化以及行业规范的发展而进行调整。
目前,监理取费标准的制定主要依据国家相关部门发布的文件和规定,如《建设工程监理与相关服务收费管理规定》等。
然而,需要注意的是,这些文件可能会随着时间的推移而被更新或废止。
就最新的监理取费标准而言,通常包括以下几种计算方式:1.按参与监理工作年度平均人数计算:这种方式下,监理费用按照监理人员的人数和年度平均费用进行计算。
例如,某些标准可能规定每人每年的费用为3.5万元。
2.按工程造价的比例计取:这是另一种常见的监理取费方式,即根据工程项目的造价来按比例计算监理费用。
具体的比例可能因工程造价的不同而有所差异,例如:o监理工程造价在500万元及以下的,取费比例不得小于2.5%;o监理工程造价在500万元到1000万元的,取费比例为1.9%至2.5%;o监理工程造价在1000万元到5000万元的,取费比例为1.3%至1.9%;o以此类推,直至监理工程造价在10亿元以上的,取费比例不得大于0.5%。
3.固定价格计算法:在某些情况下,建设单位与工程监理企业可能会协商确定一个固定的监理费用,这既可以是总价也可以是单价。
当实际监理工作量与计划工作量有所增减时,一般也不调整监理费用的总价或单价。
4.其他计算方式:如工资加一定比例的其他费用计算方法等,这些方法可能根据具体项目的特点和需求进行灵活应用。
需要强调的是,由于监理取费标准可能随时间和政策变化而调整,因此在具体项目中应参考最新的相关文件和规定。
同时,建设单位与工程监理企业在协商确定监理费用时,也应充分考虑项目的实际情况、监理工作的复杂性和工作量等因素,以确保监理费用的合理性和公正性。
至于具体的监理取费标准文件最新版,建议直接查阅国家发展和改革委员会、住房和城乡建设部等官方机构发布的最新文件或规定,以获取最准确和权威的信息。
监理费的计算方法:(1)按建设工程投资的百分比计算法。
这种方法是按照工程规模的大小和所委托的监理工作的繁简,以建设工程投资的一定百分比来计算。
一般情况下,工程规模越大,建设投资越多,计算监理费的百分比越小。
这种方法比较简便,业主和工程监理企业均容易接受,也是国家制定监理取费标准的主要形式。
采用这种方法的关键是确定计算监理费的基数和监理费用百分比。
新建、改建、扩建工程及较大型的技术改造工程所编制的工程的概(预)算就是初始计算监理费的基数。
工程结算时,再按实际工程投资进行调整。
当然,作为计算监理费基数的工程概(预)算仅限于委托监理的工程部分。
(2)工资加一定比例的其他费用计算法。
这种方法是以项目监理机构监理人员的实际工资为基数乘上一个系数而计算出来的。
这个系数包括了应有的间接成本和税金、利润等。
除了监理人员的工资之外,其他各项直接费用等均由业主另行支付。
一般情况下,较少采用这种方法,因为在核定监理人员数量和监理人员的实际工资方面,业主与工程监理企业之间难以取得完全一致的意见。
(3)按时计算法。
这种方法是根据委托监理合同约定的服务时间(计算时间的单位可以是小时,也可以是工作日或月),按照单位时间监理服务费来计算监理费的总额。
单位时间的监理服务费一般是以工程监理企业员工的基本工资为基础,加上一定的管理费和利润(税前利润)。
采用这种方法时,监理人员的差旅费、工作函电费、资料费以及试验和检验费、交通费等均由业主另行支付。
按时计算方法主要适用于临时性的、短期的监理业务,或者不宜按工程概(预)算的百分比等其他方法计算监理费的监理业务。
由于这种方法在一定程度上限制了工程监理企业潜在效益的增加,因而,单位时间内监理费的标准比工程监理企业内部实际的标准要高得多。
(4)监理成本加固定费用计算法。
监理成本是指监理企业在工程监理项目上花费的直接成本;固定费用是指直接费用之外的其他费用。
各监理单位的直接费用与其他费用的比例是不同的,但是,一个监理单位的监理直接费与其他费用之比大体上可以确定个比例。
电力工程监理费计算方
法
Document number:WTWYT-WYWY-BTGTT-YTTYU-2018GT
电力工程监理费计算
1 电力工程监理费计算依据:
《国家电网公司输变电工程监理费概算编制办法》
《电网工程建设预算编制与计算标准》国家发改委2007-07-26发布。
2电力工程监理费计算方法
电力工程监理费=工程监理费基准价×150%。
——(1)
架空送电线路工程监理费基准价根据线路长度按照表3.5.3.3-2标准计算表3.5.3.3-2架空送电线路工程监理费标准(万元/km)
电缆线路工程监理费基准价=安装工程费×%。
——(2)
变电工程监理费基准价=(建筑工程费+安装工程费)×费率——(3)费率按照表3.5.3.3-1变电工程监理费费率计取
表3.5.3.3-1变电工程监理费费率
系统通信工程监理费基准价=(建筑工程费+安装工程费+设备购置费)×%。
——(4)
电力工程监理费在个工程阶段的比例为:勘测阶段:3%,设计阶段10%,施工阶段85%,保修阶段2%。
例如:平原地区110kV架空线路工程,线路长度15km,其中同塔架设线路5km,试计算监理费。
架空送电线路工程监理费基准价=万元/ km×10km+万元/ km×5km=6+=万元
架空送电线路工程监理费=工程监理费基准价×150%=万元×150%=万元。
其中勘测阶段监理费:万元×3%=万元;
其中设计阶段监理费:万元×10%=万元;
其中施工阶段监理费:万元×85%=万元;
其中保修阶段监理费:万元×2%=万元。